High-Pressure Treatment in Combination with Reduced Sodium for Improving the Physicochemical Properties and Sensory Qualities of Pork Gels
Abstract
1. Introduction
2. Materials and Methods
2.1. Raw Materials
2.2. Preparation of Pork Gels
2.3. Meat Color
2.4. Water Content and Cooking Loss
2.5. Breaking Stress and Modulus of Elasticity
2.6. Texture Profile Analysis
2.7. Rheological Characteristics
2.8. Observation by Scanning Electron Microscopy
2.9. Differential Scanning Calorimetry (DSC)
2.10. Muscle Protein Solubility
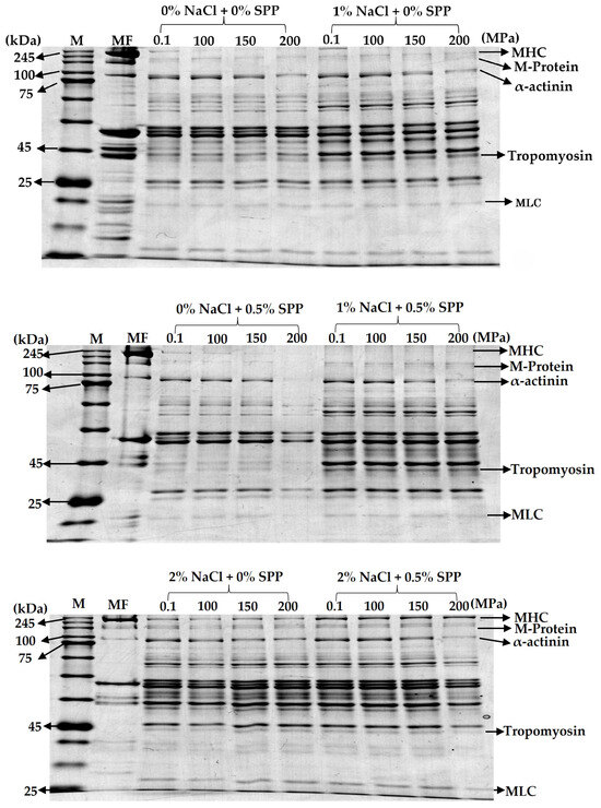
2.11. SDS-PAGE Analysis
2.12. Statistical Analysis
3. Results and Discussion
3.1. Meat Color
3.2. Measurement of Water Content and Cooking Losses
3.3. TPA
3.4. Rheological Characteristics
3.5. Observation by Scanning Electron Microscope
3.6. Differential Scanning Calorimetry (DSC)
3.7. Protein Solubility and SDS-PAGE Analysis
4. Conclusions
Author Contributions
Funding
Institutional Review Board Statement
Informed Consent Statement
Data Availability Statement
Conflicts of Interest
References
- Linseisen, J.; Kesse, E.; Slimani, N.; Bueno-de-Mesquito, H.B.; Ocke, M.C.; Skeie, G.; Kumle, M.; Dorronsoro, I.M.; Gómez, P.M.; Janzon, L.; et al. Meat consumption in the European prospective investigation into cancer and nutrition (EPIC) cohorts: Results from 24-hour dietary recalls. Public Health Nutr. 2002, 5, 1243–1258. [Google Scholar] [CrossRef]
- Mann, N. Dietary lean red meat and human evolution. Eur. J. Clin. Nutr. 2000, 39, 71–79. [Google Scholar] [CrossRef] [PubMed]
- Speedy, A.W. Global production and consumption of animal source foods. J. Nutr. 2003, 133, 40–48. [Google Scholar] [CrossRef]
- Williams, P.G. Nutritional composition of red meat. Nutr. Diet. 2007, 64, 113–119. [Google Scholar] [CrossRef]
- Mcafeea, A.J.; Mcsorley, E.M.; Cuskelly, G.J.; Moss, B.W.; Wallacea, J.M.W.; Bonham, M.P.; Fearon, A.M. Red meat consumption: An overview of the risks and benefits. Meat Sci. 2010, 84, 1–13. [Google Scholar] [CrossRef]
- Pan, A.; Sun, Q.; Bernstein, A.M.; Schulze, M.B.; Manson, J.E.; Stampfer, M.J.; Willett, W.C.; Hu, F.B. Red Meat consumption and mortality. Results from 2 prospective cohort studies. Arch. Intern. Med. 2012, 172, 555–563. [Google Scholar] [CrossRef]
- Mozaffarian, D.; Fahimi, S.; Singh, G.M.; Micha, R.; Khatibzadeh, S.; Engell, R.E.; Lim, S.; Danaei, G.; Ezzati, M.; Powles, J. Global Sodium Consumption and Death from Cardiovascular Causes. N. Engl. J. Med. 2014, 371, 624–634. [Google Scholar] [CrossRef]
- Huang, L.; Crino, M.; Wu, J.H.; Woodward, M.; Barzi, F.; Land, M.A.; McLean, R.; Webster, J.; Enkhtungalag, B.; Neal, B. Mean population salt intake estimated from 24-h urine samples and spot urine samples: A systematic review and meta-analysis. Int. J. Epidemiol. 2016, 45, 239–250. [Google Scholar] [CrossRef]
- World Health Organization. Available online: https://www.who.int/en/news-room/fact-sheets/detail/salt-reduction/ (accessed on 17 January 2024).
- Mattes, R.D.; Donnelly, D. Relative contributions of dietary sodium sources. J. Am. Coll. Nutr. 1991, 10, 383–393. [Google Scholar] [CrossRef]
- Desmond, E. Reducing salt: A challenge for the meat industry. Meat Sci. 2006, 74, 188–196. [Google Scholar] [CrossRef]
- Farrell, M.O. Online quality assessment of processed meats. In Woodhead Publishing Series in Food Science, Technology and Nutrition, Technology and Nutrition, Processed Meats; Kerry, J.P., Kerry, J.F., Eds.; Woodhead Publishing: Sintef, Norway, 2011; pp. 546–566. [Google Scholar] [CrossRef]
- Smith, D.M. Poultry Meat Processing, 1st ed.; CRC Press: Boca Raton, FL, USA, 2010; pp. 231–243. [Google Scholar] [CrossRef]
- Wirth, F. Reducing the fat and sodium content of meat products. What possibilities are there? Fleischwirtsch 1991, 71, 294–297. [Google Scholar]
- Ruusunen, M.; Puolanne, E. Reducing sodium intake from meat products. Meat Sci. 2005, 70, 531–541. [Google Scholar] [CrossRef]
- Jung, S.; Tonello-Samson, C. High hydrostatic pressure food processing: Potential and limitations. In Alternatives to Conventional Food Processing; Andrew, P., Ed.; The Royal Society of Chemistry: London, UK, 2018; pp. 251–315. [Google Scholar] [CrossRef]
- Bolumar, T.; Middendorf, D.; Toepfl, S.; Heinz, V. Structural Changes in Foods Caused by High-Pressure Processing. In High Pressure Processing of Food: Principles, Technology and Applications; Balasubramaniam, V.M., Barbosa-Cánovas, G., Gustavo, V., Lelieveld, H.L.M., Eds.; Springer: New York, NY, USA, 2016; pp. 509–537. [Google Scholar] [CrossRef]
- Cheftel, J.C.; Culioli, J. Effects of high pressure on meat: A review. Meat Sci. 1997, 46, 211–236. [Google Scholar] [CrossRef]
- Iwasaki, T.; Noshiroya, K.; Saitoh, N.; Okano, K.; Yamamoto, K. Studies of the effect of hydrostatic pressure pretreatment on thermal gelation of chicken myofibrils and pork meat patty. Food Chem. 2006, 95, 474–483. [Google Scholar] [CrossRef]
- Ikeuchi, Y.; Tanji, H.; Kim, K.; Suzuki, A. Mechanism of heat-induced gelation of pressurized actomyosin: Pressure-induced changes in actin and myosin in actomyosin. J. Agric. Food Chem. 1992, 40, 1756–1761. [Google Scholar] [CrossRef]
- Angsupanich, K.; Ledward, D.A. High pressure treatment effects on cod (Gadus morhua) muscle. Food Chem. 1998, 63, 39–50. [Google Scholar] [CrossRef]
- Zhang, Z.; Yang, Y.; Zhou, P.; Zhang, X.; Wang, J. Effects of high pressure modification on conformation and gelation properties of myofibrillar protein. Food Chem. 2017, 217, 678–686. [Google Scholar] [CrossRef]
- Vaudagna, S.R.; Gonzalez, C.B.; Guignon, B.; Aparicio, C.; Otero, L.; Sanz, P.D. The effects of high hydrostatic pressure at subzero temperature on the quality of ready-to-eat cured beef carpaccio. Meat Sci. 2012, 92, 575–581. [Google Scholar] [CrossRef] [PubMed]
- Laemmli, V.K. Cleavage of structural proteins during the assembly of the head of bacteriophage T4. Nature 1970, 227, 680–685. [Google Scholar] [CrossRef] [PubMed]
- Ha, M.; Dunshea, F.R.; Warner, R.D. A meta-analysis of the effects of shockwave and high pressure processing on color and cook loss of fresh meat. Meat Sci. 2017, 132, 107–111. [Google Scholar] [CrossRef]
- Maksimenko, A.; Kikuchi, R.; Tsutsuura, S.; Nishiumi, T. Effect of high hydrostatic pressure and reducing sodium chloride and phosphate on physicochemical properties of beef gels. High Press. Res. 2019, 39, 385–397. [Google Scholar] [CrossRef]
- Zhu, Y.C.; Yan, Y.W.; Yu, Z.H.; Wu, T.; Bennett, L.E. Effects of high pressure processing on microbial, textural and sensory properties of low-salt emulsified beef sausage. Food Control 2022, 133, 108596. [Google Scholar] [CrossRef]
- Picouet, P.A.; Sala, X.; Garcia-Gil, N.; Nolis, P.; Colleo, M.; Parella, T.; Arnau, J. High pressure processing of dry-cured ham: Ultrastructural and molecular changes affecting sodium and water dynamics. Innov. Food Sci. Emerg. Technol. 2012, 16, 335–340. [Google Scholar] [CrossRef]
- Villacís, M.F.; Rastogi, N.K.; Balasubramaniam, V.M. Effect of high pressure on moisture and NaCl diffusion into turkey breast. LWT-Food Sci. Technol. 2008, 41, 836–844. [Google Scholar] [CrossRef]
- Sikes, A.L.; Tobin, A.B.; Tume, R.K. Use of high pressure to reduce cook loss and improve texture of low-salt beef sausage batters. Innov. Food Sci. Emerg. Technol. 2009, 10, 405–412. [Google Scholar] [CrossRef]
- Macfarlane, J.J.; McKenzie, I.J.; Turner, R.H.; Jones, P.N. Binding of comminuted meat: Effect of high pressure. Meat Sci. 1984, 10, 307–320. [Google Scholar] [CrossRef]
- Cao, Y.Y.; Xia, T.L.; Zhou, G.H.; Xu, X.L. The mechanism of high pressure-induced gels of rabbit myosin. Innov. Food Sci. Emerg. Technol. 2012, 16, 41–46. [Google Scholar] [CrossRef]
- Verbeken, D.; Neirinck, N.; Van Der Meeren, P.; Dewettinck, K. Influence of κ-carrageenan on the thermal gelation of salt-soluble meat proteins. Meat Sci. 2005, 70, 161–166. [Google Scholar] [CrossRef]
- Chen, H.H.; Xu, S.Y.; Wang, Z. Interaction between flaxseed gum and meat protein. J. Food Eng. 2007, 80, 1051–1059. [Google Scholar] [CrossRef]
- Visessanguan, W.; Ogawa, M.; Nakai, S.; An, H. Physicochemical changes and mechanism of heat-induced gelation of ar-rowtooth flounder myosin. J. Agric. Food Chem. 2000, 48, 1016–1023. [Google Scholar] [CrossRef]
- Suzuki, A.; Suzuki, N.; Ikeuchi, Y.; Saito, M. Effects of high pressure treatment on the ultrastructure and solubilization of isolated myofibrils. Agric. Biol. Chem. 1991, 55, 2467–2473. [Google Scholar] [CrossRef][Green Version]
- Chen, X.; Chen, C.G.; Zhou, Y.Z.; Li, P.J.; Ma, F.; Nishiumi, T.; Suzuki, A. Effects of high pressure processing on the thermal gelling properties of chicken breast myosin containing κ-carrageenan. Food Hydrocoll. 2014, 40, 262–272. [Google Scholar] [CrossRef]
- Lefèvre, F.; Fauconneau, B.; Quail, A.; Culioli, J. Thermal gelation of brown trout myofibrils: Effects of muscle type, heating rate and protein concentration. J. Food Sci. 1998, 63, 299–304. [Google Scholar] [CrossRef]
- Tintchev, F.; Bindrich, U.; Toepfl, S.; Strijowski, U.; Heinz, V.; Knorr, D. High hydrostatic pressure/temperature modeling of frankfurter batters. Meat Sci. 2013, 94, 376–387. [Google Scholar] [CrossRef]
- Tornberg, E. Effects of heat on meat proteins—Implications on structure and quality of meat products. Meat Sci. 2005, 70, 493–508. [Google Scholar] [CrossRef] [PubMed]
- Yasui, T.; Ishioroshi, M.; Samejima, K. Heat-induced gelation of myosin in the presence of actin. J. Food Biochem. 1980, 4, 61–78. [Google Scholar] [CrossRef]
- Stabursvik, E.; Martens, H. Thermal denaturation of proteins in post rigor muscle tissue as studied by differential scanning calorimetry. J. Sci. Food Agric. 1980, 31, 1034–1042. [Google Scholar] [CrossRef]
- Macfarlane, J.J. Pressure-induced solubilization of meat proteins in saline solution. J. Food Sci. 1974, 39, 542–547. [Google Scholar] [CrossRef]




| Pork Leg (g) | Salt Level (g) | Phosphate Level (g) |
|---|---|---|
| 60 | 0.0 (0%) | 0.0 (0%) |
| 60 | 0.0 (0%) | 0.3 (0.5%) |
| 60 | 0.6 (1%) | 0.0 (0%) |
| 60 | 0.6 (1%) | 0.3 (0.5%) |
| 60 | 1.2 (2%) | 0.0 (0%) |
| 60 | 1.2 (2%) | 0.3 (0.5%) |
| Ingredient | Amount |
|---|---|
| Distilled water | fill up (1 L) |
| Potassium sodium tartrate | 6 g |
| KI | 2 g |
| 1.5 g | |
| 10% NaOH | 300 mL |
| Parameter | L* | a* | b* |
|---|---|---|---|
| 0% NaCl + 0% SPP | |||
| 0.1 MPa | |||
| 100 MPa | |||
| 150 MPa | |||
| 200 MPa | |||
| 1% NaCl + 0% SPP | |||
| 0.1 MPa | |||
| 100 MPa | |||
| 150 MPa | |||
| 200 MPa | |||
| 2% NaCl + 0% SPP | |||
| 0.1 MPa | |||
| 100 MPa | |||
| 150 MPa | |||
| 200 MPa | |||
| 0% NaCl + 0.5% SPP | |||
| 0.1 MPa | |||
| 100 MPa | |||
| 150 MPa | |||
| 200 MPa | |||
| 1% NaCl + 0.5% SPP | |||
| 0.1 MPa | |||
| 100 MPa | |||
| 150 MPa | |||
| 200 MPa | |||
| 2% NaCl + 0.5% SPP | |||
| 0.1 MPa | |||
| 100 MPa | |||
| 150 MPa | |||
| 200 MPa |
| Parameter | Water Content (%) | Cooking Losses (%) |
|---|---|---|
| 0% NaCl + 0% SPP | ||
| 0.1 MPa | ||
| 100 MPa | ||
| 150 MPa | ||
| 200 MPa | ||
| 1% NaCl + 0% SPP | ||
| 0.1 MPa | ||
| 100 MPa | ||
| 150 MPa | ||
| 200 MPa | ||
| 2% NaCl + 0% SPP | ||
| 0.1 MPa | ||
| 100 MPa | ||
| 150 MPa | ||
| 200 MPa | ||
| 0% NaCl + 0.5% SPP | ||
| 0.1 MPa | ||
| 100 MPa | ||
| 150 MPa | ||
| 200 MPa | ||
| 1% NaCl + 0.5% SPP | ||
| 0.1 MPa | ||
| 100 MPa | ||
| 150 MPa | ||
| 200 MPa | ||
| 2% NaCl + 0.5% SPP | ||
| 0.1 MPa | ||
| 100 MPa | ||
| 150 MPa | ||
| 200 MPa |
| Parameter | Breaking Stress ( Pa) | Modulus of Elasticity ( Pa) | Hardness ( N) | Cohesiveness |
|---|---|---|---|---|
| 0% NaCl + 0% SPP | ||||
| 0.1 MPa | ||||
| 100 MPa | ||||
| 150 MPa | ||||
| 200 MPa | ||||
| 1% NaCl + 0% SPP | ||||
| 0.1 MPa | ||||
| 100 MPa | ||||
| 150 MPa | ||||
| 200 MPa | ||||
| 2% NaCl + 0% SPP | ||||
| 0.1 MPa | ||||
| 100 MPa | ||||
| 150 MPa | ||||
| 200 MPa | ||||
| 0% NaCl + 0.5% SPP | ||||
| 0.1 MPa | ||||
| 100 MPa | ||||
| 150 MPa | ||||
| 200 MPa | ||||
| 1% NaCl + 0.5% SPP | ||||
| 0.1 MPa | ||||
| 100 MPa | ||||
| 150 MPa | ||||
| 200 MPa | ||||
| 2% NaCl + 0.5% SPP | ||||
| 0.1 MPa | ||||
| 100 MPa | ||||
| 150 MPa | ||||
| 200 MPa |
Disclaimer/Publisher’s Note: The statements, opinions and data contained in all publications are solely those of the individual author(s) and contributor(s) and not of MDPI and/or the editor(s). MDPI and/or the editor(s) disclaim responsibility for any injury to people or property resulting from any ideas, methods, instructions or products referred to in the content. |
© 2025 by the authors. Licensee MDPI, Basel, Switzerland. This article is an open access article distributed under the terms and conditions of the Creative Commons Attribution (CC BY) license (https://creativecommons.org/licenses/by/4.0/).
Share and Cite
Wang, W.; Cai, J.; Tsutsuura, S.; Nishiumi, T. High-Pressure Treatment in Combination with Reduced Sodium for Improving the Physicochemical Properties and Sensory Qualities of Pork Gels. Foods 2025, 14, 96. https://doi.org/10.3390/foods14010096
Wang W, Cai J, Tsutsuura S, Nishiumi T. High-Pressure Treatment in Combination with Reduced Sodium for Improving the Physicochemical Properties and Sensory Qualities of Pork Gels. Foods. 2025; 14(1):96. https://doi.org/10.3390/foods14010096
Chicago/Turabian StyleWang, Weitong, Jingying Cai, Satomi Tsutsuura, and Tadayuki Nishiumi. 2025. "High-Pressure Treatment in Combination with Reduced Sodium for Improving the Physicochemical Properties and Sensory Qualities of Pork Gels" Foods 14, no. 1: 96. https://doi.org/10.3390/foods14010096
APA StyleWang, W., Cai, J., Tsutsuura, S., & Nishiumi, T. (2025). High-Pressure Treatment in Combination with Reduced Sodium for Improving the Physicochemical Properties and Sensory Qualities of Pork Gels. Foods, 14(1), 96. https://doi.org/10.3390/foods14010096

