Next Article in Journal
A Novel Sc-Doped PrBaFe2O6-δ Cathode Enables High Performance for Proton Ceramic Fuel Cells
Previous Article in Journal
Electrical and Electronic Quality Improvement of Multicrystalline Silicon Solar Cells via Hydrogen Plasma Treatment
 
 
Font Type:
Arial Georgia Verdana
Font Size:
Aa Aa Aa
Line Spacing:
Column Width:
Background:
Article

Electrochemical Performance of Pt-Modified Mn3O4 Electrodes for Chlorine Evolution

by
Guan-Ting Pan
and
Aleksandar N. Nikoloski
*
Extractive Metallurgy Hub, Harry Butler Institute (Centre for Water Energy and Waste), Murdoch University, Rockingham Campus, Dixon Road, Rockingham, WA 6168, Australia
*
Author to whom correspondence should be addressed.
Inorganics 2026, 14(4), 106; https://doi.org/10.3390/inorganics14040106
Submission received: 9 March 2026 / Revised: 2 April 2026 / Accepted: 8 April 2026 / Published: 10 April 2026
(This article belongs to the Section Inorganic Materials)

Abstract

Electrochemical chlorine production is of considerable industrial importance in areas such as water treatment, chemical manufacturing, and disinfection. However, conventional precious metal-based dimensionally stable anodes (DSAs), such as RuO2- and IrO2-based systems, are limited by high cost and resource constraints, motivating the development of low-cost alternative catalysts. In this study, Mn3O4 electrodes with controllable defect characteristics were fabricated by electrochemical deposition under various processing conditions. The effects of defect modulation and surface modification on the structural, electronic, and electrochemical properties of the electrodes were systematically evaluated. X-ray diffraction analysis confirmed that all deposited films retained a stable tetragonal Mn3O4 crystal structure, indicating that the deposition parameters primarily influenced defect states rather than the bulk phase. Mott–Schottky measurements revealed that the Mn3O4 electrodes exhibited p-type semiconducting behavior, with charge carrier densities on the order of 1014 cm−3, suggesting that oxygen vacancy-related defect states may contribute to the observed electronic properties of the electrodes. To further enhance anodic performance, Pt was introduced onto the Mn3O4 surface via sputtering, resulting in significantly improved charge transfer characteristics. Electrochemical measurements demonstrated that the best performing Pt/Mn3O4 electrodes delivered a current density exceeding 100 mA cm−2 at an applied potential of 1.5 V versus Ag/AgCl. More importantly, defect-enriched Pt/Mn3O4 electrodes exhibited markedly enhanced chlorine evolution activity, with the chlorine production rate increasing from approximately 14 µmol cm−2 to 29 µmol cm−2, corresponding to an enhancement of about 2.07-fold. Faradaic efficiency analysis further showed that sample (g) and sample (n) achieved chlorine evolution efficiencies of 59.2% and 74.6%, respectively, indicating a higher tendency toward chlorine evolution for the Pt-modified electrodes under the tested conditions. These findings suggest that the synergistic combination of defect engineering and surface modification effectively modulates the electronic structure of Mn3O4, providing a viable strategy for improving chlorine evolution performance.

Graphical Abstract

1. Introduction

Electrochemical chlorine production from seawater and concentrated brines remains an enabling technology for a wide range of industrial sectors, including chemical synthesis, municipal and industrial water treatment, metallurgical processing, and polymer manufacturing [1]. From an electrochemical standpoint, the overall energy efficiency and operational reliability of these processes are largely dictated by the anodic reaction pathway in chloride-containing electrolytes, where chlorine evolution competes with oxygen evolution and where electrode materials must withstand highly corrosive environments.
Dimensionally stable anodes (DSAs) have therefore become central to modern chlor-alkali and related chlorine evolution technologies because they combine acceptable overpotentials with long-term mechanical and electrochemical stability under continuous operation [2]. In practice, industrial deployment further requires coatings that resist chloride-induced degradation and maintain structural integrity. Dense, crack-minimized microstructures are frequently emphasized as important, because coating defects can accelerate undercutting corrosion and performance decay [3]. These considerations highlight that advances in chlorine electrocatalysis must address not only intrinsic activity, but also durability and manufacturability at scale.
Conventional DSAs commonly rely on noble metal oxide coatings, including RuO2, IrO2, and mixed Ru–Ir oxide systems, which are well known for their high catalytic activity toward chlorine evolution [3,4,5,6,7,8]. Despite their performance, these materials face persistent limitations, including the high cost associated with Pt-group elements, thermal processing issues such as sintering-driven coarsening or agglomeration, and deactivation phenomena that progressively diminish catalytic functionality during prolonged operation [9]. Accordingly, there is continued motivation to develop earth-abundant transition metal oxide (TMO) alternatives that can deliver chlorine evolution performance sufficient for practical commercial applications while offering improved cost-effectiveness.
Within this context, spinel Mn3O4 (hausmannite) is an attractive candidate because of its abundance, low material cost, and mixed-valence Mn2+/Mn3+ redox chemistry, which can be modulated through defect chemistry and microstructural design. Prior work on Mn-based catalysts and thin films suggests that compositional state, surface oxygen species, and morphology can substantially influence anodic reactivity in chloride media, particularly under conditions where selectivity between chlorine and oxygen evolution is sensitive to surface structure and local mass transport [10,11,12]. More broadly, Mn3O4 has been shown to exhibit structure-sensitive activity in oxidation-related catalysis, implying that controlled synthesis and facet or defect engineering may provide a rational route for tuning its electrochemical behavior [13,14]. Recent studies have further shown that electrocatalytic performance in transition metal-based systems can be significantly influenced by defect engineering, interfacial electronic modulation, and heterostructure design. These findings reinforce the importance of tailoring the near-surface electronic structure and local active environments when developing high-performance electrochemical materials. In this context, combining defect-regulated Mn3O4 with surface noble metal modification represents a rational strategy for improving chlorine evolution behavior [15,16,17]. These insights support the hypothesis that Mn3O4 coatings, when appropriately structured and integrated with conductive substrates, could serve as scalable non-precious anodes for chlorine evolution.
A range of thin-film fabrication strategies can be employed to produce MnOx coatings, including sol–gel processing [18], vapor-phase deposition [19], sputtering [20], and electrochemical deposition [21]. Among these, electrochemical deposition is particularly attractive for practical electrode manufacture because it enables direct coating growth on complex conductive substrates and offers parameter-level control over thickness and microstructure through electrolyte composition and deposition conditions [22]. In thin-film systems, precursor concentration and deposition time are often decisive variables because they influence nucleation kinetics, growth regimes, and the resulting crystallographic texture and porosity [23]. Collectively, these features make electrodeposition a compelling route for the scalable preparation of TMO catalyst films for industrially relevant electrolysis environments [24].
Despite these advances, the role of Pt as a surface modifier on defect-engineered Mn3O4 electrodes for chlorine evolution has not been systematically clarified. Most previously reported chlorine evolution reaction (CER) catalysts are based either on noble metal oxides as the primary active phase or on transition metal oxides without deliberate integration of surface noble metal modification and defect-state regulation. In contrast, the present work employs Mn3O4 as the main earth-abundant catalytic framework, while Pt is introduced only as a surface modification layer to improve interfacial charge transfer characteristics and catalytic response. Pt was selected for this purpose because of its high electronic conductivity, electrochemical stability, and well-known ability to influence surface reaction kinetics through interfacial electronic effects. Unlike Ru- and Ir-based materials, which are more commonly used as the principal active components in conventional DSA-type CER systems, Pt is used here as a model surface modifier rather than as the bulk catalytic phase. More importantly, the Mn3O4 films are prepared under controlled electrodeposition conditions that enable modulation of defect characteristics without altering the bulk tetragonal phase, thereby allowing the interplay between defect chemistry, semiconducting behavior, and chlorine evolution performance to be examined. This combination of defect engineering and surface Pt modification differentiates the present study from previously reported Mn-based or Pt-based CER systems and provides a distinct materials-design strategy for improving chlorine evolution on low-cost transition metal oxide electrodes.
In this study, Mn3O4 catalyst films were prepared on nickel foam by electrochemical deposition, and the Na2SO4 concentration and deposition time were systematically varied to regulate coating formation. The resulting electrodes were evaluated for chlorine evolution performance in chloride electrolyte, and complementary physicochemical characterization was used to correlate electrocatalytic behavior with film structure and morphology. The outcomes are intended to clarify how electrodeposition parameters govern Mn3O4 film properties and, in turn, chlorine evolution activity and efficiency.

2. Results and Discussion

2.1. Crystallinity Analysis

Figure 1 presents the X-ray diffraction (XRD) patterns of Mn3O4 electrodes fabricated under different electrodeposition parameters. The diffraction profiles of samples (a)–(g), corresponding to Mn3O4 electrodes without Pt modification, are shown in Figure 1a, while those of the Pt-decorated Mn3O4 electrodes (samples (h)–(n)) are displayed in Figure 1b. All diffraction peaks can be consistently indexed to the tetragonal Mn3O4 phase (JCPDS No. 00-02-073), and no additional reflections associated with secondary phases or crystalline impurities are observed.
The high degree of similarity in peak positions and relative intensities across all samples indicates that variations in Na2SO4 concentration, electrodeposition time, and subsequent Pt decoration do not induce any detectable phase transformation in the Mn3O4 lattice. Notably, no distinct diffraction peaks corresponding to metallic Pt are observed in the Pt-modified electrodes. This observation is reasonable when the noble metal loading is low and/or the Pt species are highly dispersed at the nanoscale, in which case Pt-related reflections may be significantly broadened and fall below the detection limit of conventional laboratory XRD measurements [25].
As the electrodeposition time increases, slight variations in peak intensity and peak width can be observed. These changes are attributed to differences in crystallinity, coating thickness, and defect-related structural disorder, while the overall crystal structure remains unchanged. Such behavior is commonly reported for electrochemically deposited transition metal oxides, in which prolonged growth facilitates gradual lattice relaxation.
In addition, subtle shifts in diffraction peak positions are observed with increasing deposition duration, suggesting slight lattice distortion within the Mn3O4 framework. Previous studies on transition metal oxides have demonstrated that the redistribution of oxygen vacancies can lead to marginal contraction or relaxation of lattice parameters without altering the crystalline phase [26]. A similar defect-mediated structural evolution is therefore inferred for the present Mn3O4 electrodes. Importantly, the absence of discernible peak shifts between Mn3O4 electrodes with and without Pt decoration confirms that the plasma sputtering process does not introduce measurable lattice strain or compromise the structural integrity of the underlying oxide lattice.

2.2. Raman Spectroscopy Analysis

Figure 2 compares the Raman responses of Mn3O4 electrodes prepared under different electrodeposition conditions, with representative spectra recorded in the range of 100–1000 cm−1. All samples exhibit a consistent set of Raman features centered at approximately 313, 364, and 655 cm−1, which collectively represent the characteristic spectral signature of tetragonal hausmannite Mn3O4 reported in previous studies [27].
The dominant high-wavenumber band located near 655 cm−1 is generally regarded as the most intense Raman feature of Mn3O4, while the lower-frequency bands around 310–370 cm−1 arise from lattice vibrations involving Mn-O polyhedra. The absence of additional Raman bands associated with other MnOx phases indicates that no detectable phase conversion occurs across the investigated preparation conditions, in agreement with the phase stability inferred from XRD analysis [28].
Although the overall spectral positions remain largely unchanged among samples (a)–(g), modest variations in peak intensity and linewidth can be discerned. Such spectral differences are commonly attributed to changes in local structural ordering, crystallinity, and short-range lattice distortion rather than long-range phase modification. Previous Raman studies on Mn-based systems have demonstrated that the high-frequency Mn-O-related band, typically observed within 630–665 cm−1, is sensitive to the local coordination environment of Mn ions and may reflect subtle variations in the Mn3+/Mn2+ distribution or defect-related lattice perturbations [29].
For the Pt-decorated Mn3O4 electrodes (samples (h)–(n)), the Raman spectra closely resemble those of the corresponding electrodes without Pt modification, with no systematic peak shift or emergence of new spectral features. This observation suggests that the Pt decoration process does not significantly alter the local vibrational structure of the Mn3O4 lattice and that Mn3O4 remains the dominant phase after Pt deposition.

2.3. FTIR Spectrum Studies

Figure 3 compares the FTIR spectra of the Mn3O4 electrodes collected at room temperature over the range of 4000–450 cm−1. All samples show a consistent set of absorption features, with pronounced bands located at approximately 480 and 609 cm−1, together with a broad O-H-related band centered near 3458 cm−1. The two low-wavenumber bands are characteristic of Mn-O lattice vibrations in hausmannite Mn3O4 and have commonly been assigned to vibrational modes associated with Mn-O frameworks involving octahedral and tetrahedral coordination environments within the spinel-like Mn3O4 structure [27,30].
Across samples (a)–(g), the Mn-O bands remain clearly identifiable, and no new absorption bands appear in the metal–oxygen region, indicating that the electrodeposition conditions investigated here do not induce detectable formation of additional MnOx phases. Instead, modest changes in band intensity and subtle shifts in band position can be observed, which are more plausibly attributed to variations in local structural ordering, such as crystallinity, defect distribution, and short-range lattice distortion, rather than to a phase transformation [31].
For the Pt-decorated electrodes (h)–(n), the Mn-O absorption features near 480 and 609 cm−1 are retained without systematic peak relocation, suggesting that the Pt decoration step does not measurably perturb the Mn3O4 framework. In TMOs, small band shifts, when present, are often interpreted as reflecting changes in the local electronic environment and defect-related lattice perturbations, such as donor-like oxygen vacancy effects, that can slightly modify M-O bond strength [32].
In the high-wavenumber region, the broad band near 3458 cm−1 is assigned to O-H stretching vibrations arising from surface hydroxyl groups and/or adsorbed water, which is commonly observed for oxide surfaces exposed to the ambient atmosphere [32,33]. The persistence of this feature indicates the presence of surface hydroxylation and/or adsorbed moisture after fabrication and thermal treatment; however, its broad nature and relatively low intensity suggest that the Mn3O4 lattice vibrations remain the dominant spectral signature of the electrodes.

2.4. Morphological and Elemental Analysis of Porous Mn3O4/Ni Foam Composites

Figure 4 presents the FE-SEM micrographs of Mn3O4/Ni foam composite electrodes prepared under different electrodeposition conditions. For samples (a)–(c), the surface consists of loosely interconnected Mn3O4 microflakes that assemble into an open porous framework, which is a commonly observed growth motif for electrodeposited MnOx coatings and is favorable for electrolyte penetration and ion transport [34].
With increasingly severe deposition conditions (samples (d)–(g)), the morphology gradually evolves toward a denser flake-stacked texture. This evolution is accompanied by the lateral coalescence of neighboring flakes and partial aggregation of the primary building units, consistent with deposition-time-dependent nucleation and growth kinetics reported for porous MnOx coatings [31]. In particular, samples (f) and (g) exhibit thinner plate-like features with sharper edges, indicating a transition from randomly interlaced microflakes to quasi-two-dimensional porous nanoplates.
For the Pt-decorated electrodes (samples (h)–(n)), the underlying Mn3O4 framework is preserved after plasma sputtering. No obvious morphological collapse or dense surface overlayer is observed, indicating that Pt deposition does not disrupt the porous Mn3O4 backbone. In combination with the EDX results, the FE-SEM observations confirm successful Pt incorporation in the near-surface region of the Mn3O4 electrodes. However, the present data does not provide sufficient spatial resolution to determine whether Pt is distributed as a uniform ultrathin surface layer or as discrete nanoscale deposits. Therefore, Pt is more appropriately described here as being present in a highly dispersed, surface-associated form on Mn3O4. Accordingly, the role of Pt in the present study is discussed primarily in relation to its association with improved electrochemical performance, while its exact surface structure and distribution remain to be further clarified. A more definitive determination of Pt morphology and spatial distribution would require higher-resolution characterization beyond the scope of the present study.
The elemental compositions were quantified by EDX, and the results are summarized in Table 1. For the pristine Mn3O4 series (a)–(g), the Mn content decreases from 37.5 at.% in sample (a) to 29.5 at.% in sample (g), while the O content increases from 62.5 at.% to 70.5 at.%, leading to a systematic rise in the O/Mn atomic ratio from 1.67 to 2.39. For the Pt-decorated series (h)–(n), Pt is detected at approximately 1.8–6.7 at.%, and the O/Mn ratio increases from 1.53 in sample (h) to 2.96 in sample (n). These compositional shifts indicate progressively oxygen-enriched surfaces and/or altered near-surface stoichiometry as the deposition conditions become more severe.
Importantly, variations in oxygen stoichiometry in MnOx are often accompanied by redistribution of Mn valence states (Mn3+/Mn2+) and defect-related lattice perturbations. Therefore, the observed compositional trends may be associated with oxygen vacancy-related structural and electronic modulation, although direct defect-sensitive evidence was not obtained in the present study [35]. This interpretation is consistent with the structural evidence from XRD and Raman analyses, in which the diagnostic Raman modes of hausmannite Mn3O4 near 310–370 and 650–655 cm−1 are well-established markers of the Mn3O4 spinel lattice [29].

2.5. Textural and Structural Characterisation

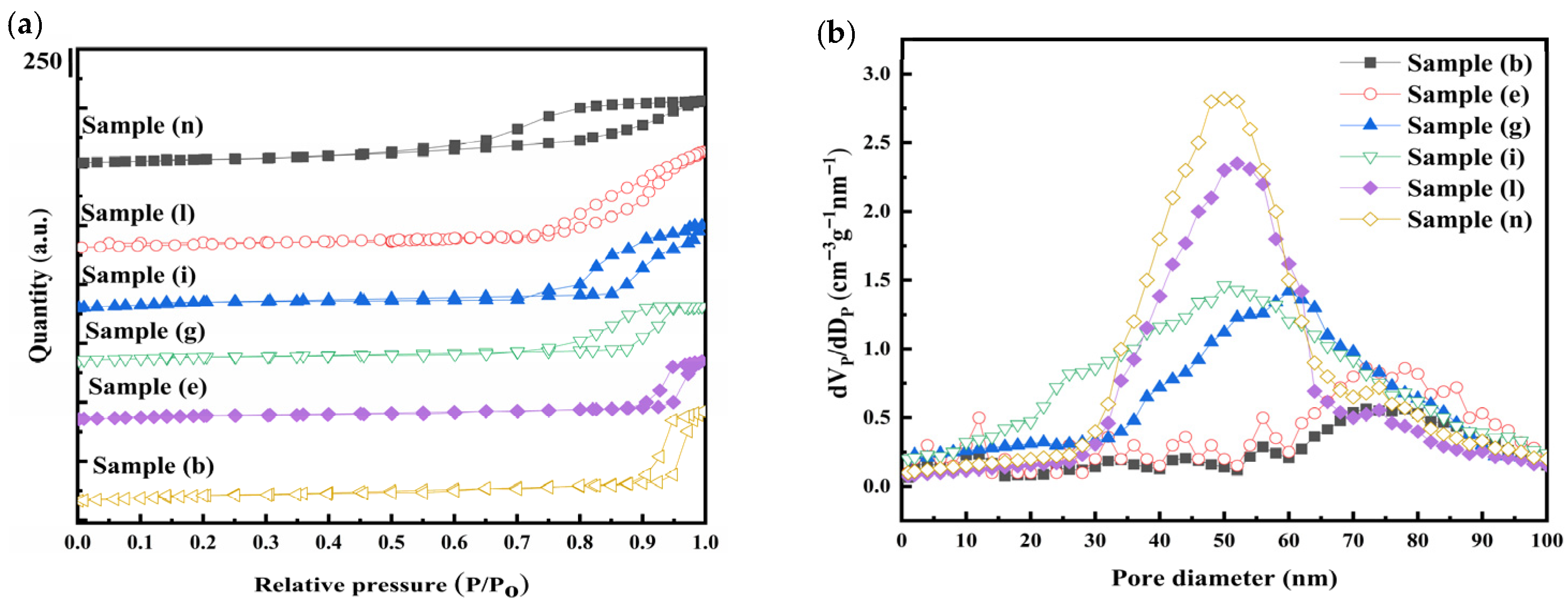
Figure 5a presents the nitrogen adsorption–desorption isotherms of the selected Mn3O4 electrodes (samples b, e, g, h, l, and n). All samples exhibit type-IV isotherms accompanied by evident hysteresis loops, which are characteristic of mesoporous materials according to established gas adsorption analysis [36].
The observed hysteresis behavior can be classified as H2-type, which is commonly associated with disordered mesoporous networks composed of interconnected pores with constricted necks and wider internal cavities. Such pore characteristics are frequently reported for nanostructured transition metal oxides prepared via solution-based or electrochemical routes [36].
As the relative pressure (P/P0) increases toward 0.9–1.0, a continuous rise in nitrogen uptake is observed for all samples, indicating capillary condensation occurring within mesopores and interparticle voids formed by aggregated Mn3O4 nanostructures. This adsorption behavior is consistent with previously reported porous MnOx electrodes [37].
The corresponding textural parameters are summarized in Table 2. A systematic increase in BET specific surface area is observed from sample (b) (52 m2 g−1) to sample (n) (182 m2 g−1), accompanied by a simultaneous increase in pore volume and a gradual reduction in average pore diameter. Figure 5b further reveals that samples (h), (l), and (n) exhibit narrower pore size distributions centered within the mesoporous range, whereas samples (b), (e), and (g) display broader distributions extending toward larger pores [36,37].
The combination of increased accessible surface area and refined mesoporous architecture is expected to enhance electrolyte penetration and ion transport within the electrode framework, thereby benefiting electrochemical performance. Similar structure–performance relationships have been reported for Mn-based oxide electrodes containing abundant surface defects and accessible porosity [38].

2.6. Electrocatalytic Performance Toward Chlorine Evolution

The following electrochemical results were obtained in a three-electrode configuration and are discussed in terms of the intrinsic electrochemical properties of the investigated electrodes. Figure 6 presents the Mott–Schottky plots of all electrode samples measured under different electrodeposition conditions. The linear regions of the plots exhibit negative slopes, indicating that all samples show typical p-type semiconducting behavior, which is consistent with the intrinsic electronic characteristics of Mn3O4-based oxides.
The electrochemical parameters extracted from the Mott–Schottky analysis are summarized in Table 3. The flat-band potentials ( E F B ) of the investigated electrodes are located in the range of 0.91–1.03 V vs. SHE, confirming their p-type nature. Notably, a gradual positive shift in ( E F B ) is observed with increasing sample index, which can be correlated with modifications in the electronic structure induced by the electrodeposition conditions. Such a positive shift suggests a downward movement of the valence-band edge relative to the electrolyte, which is favorable for anodic oxidation reactions.
In addition, the charge carrier densities were calculated from the slopes of the Mott–Schottky plots. As listed in Table 3, the carrier densities increase systematically from 2.05 × 1014 to 4.90 × 1014 cm−3, indicating an enhanced hole concentration within the electrode matrix. This increase in carrier density implies improved electrical conductivity and more efficient charge transport, which is consistent with the observed enhancement in electrochemical performance at higher current densities. Overall, the Mott–Schottky analysis confirms that the electrodeposition conditions effectively modulate the electronic properties of the Mn3O4 electrodes, thereby contributing to the development of electrodes with superior anodic activity.
The electrocatalytic behavior of the Mn3O4 electrodes toward the CER was systematically evaluated in 0.6 M NaCl electrolyte at neutral pH (pH 7). Under these conditions, chlorine generation proceeds via anodic chloride oxidation accompanied by water reduction at the cathode, following the well-established electrochemical pathways reported for chloride-containing aqueous systems [39].
Linear sweep voltammetry (LSV) measurements were conducted at a scan rate of 5 mV s−1 over a potential window from −0.5 to +1.5 V versus Ag/AgCl, and the resulting current density–potential curves are summarized in Figure 7.
As shown in Figure 7a, the pristine Mn3O4 electrodes exhibit a gradual increase in current density with increasing deposition time. At an applied potential of +1.5 V, the current density increases monotonically from sample (a) to sample (g), indicating enhanced anodic activity under identical electrolyte conditions. This behavior is consistent with the progressive modification of the electronic structure and charge transfer characteristics induced by changes in the deposition parameters.
The electrical parameters extracted from the Mott–Schottky analysis (Table 3) further reveal a systematic increase in the flat-band potential and carrier density from samples (a) to (g), suggesting improved charge separation efficiency and a higher driving force for interfacial oxidation reactions. Such trends are commonly associated with defect-related electronic modulation in transition metal oxides and have been reported to enhance electrochemical oxidation kinetics [40].
Upon surface modification, a pronounced enhancement in anodic current density is observed, as shown in Figure 7b. Sample (n) delivers the highest current density among all electrodes under the same applied potential, which correlates well with its higher carrier density and more favorable flat-band position as listed in Table 3. The improved performance can be attributed to facilitated interfacial charge transfer and an increased availability of electrochemically active sites.
Overall, the LSV and Mott–Schottky results demonstrate that controlled electrodeposition effectively tailors the electronic and electrochemical properties of Mn3O4 electrodes, leading to significantly enhanced CER activity under neutral electrolyte conditions. To more clearly demonstrate the performance enhancement achieved by Pt modification and defect regulation, the electrochemical responses of representative pristine and Pt-modified Mn3O4 electrodes were compared under identical measurement conditions. The Pt-modified electrodes consistently exhibited higher anodic current density than their pristine counterparts, suggesting that surface Pt incorporation and defect engineering may synergistically enhance CER-related electrochemical behavior.
Electrochemical impedance spectroscopy was employed to analyze the charge transfer behavior and transport characteristics of the Mn3O4 electrodes. As shown in Figure 8a, all pristine Mn3O4 samples (a)–(g) exhibit Nyquist responses composed of a depressed semicircle in the high-frequency region and an inclined line in the low-frequency region, indicating the coexistence of interfacial charge transfer resistance and diffusion-controlled processes.
Quantitative comparison reveals a systematic decrease in AC resistance from 2.75 Ω for sample (a), 2.16 Ω for sample (b), and 1.42 Ω for sample (c) to markedly lower values of 0.55 Ω for sample (d), 0.51 Ω for sample (e), 0.48 Ω for sample (f), and 0.39 Ω for sample (g). This monotonic reduction in resistance reflects progressively enhanced interfacial charge transfer kinetics and improved electronic conductivity within the Mn3O4 electrodes. Such behavior is consistent with structural evolution that facilitates electron transport and reduces diffusion resistance, thereby alleviating kinetic limitations during electrochemical operation.
In comparison, the Pt-modified Mn3O4 electrodes in Figure 8b display Nyquist plots with largely suppressed semicircle features across the measured frequency range, indicating substantially reduced charge transfer resistance relative to their pristine counterparts. The introduction of Pt is therefore effective in promoting interfacial electron transfer. This improvement may be associated with the presence of Pt on the Mn3O4 surface and its synergistic interaction with defect-rich Mn3O4, although the exact structural form of Pt could not be conclusively determined from the present characterization results [41].
Overall, the EIS results demonstrate that the progressive reduction in AC resistance from samples (a) to (g), together with Pt incorporation, plays a key role in improving charge transfer efficiency and electrochemical transport properties. For a more intuitive comparison, the representative resistance values extracted from EIS analysis for the pristine Mn3O4 electrodes (samples (a)–(g)) are additionally summarized in bar chart form in Figure 9a.

2.7. Time-Dependent Chlorine Evolution

The chlorine evolution data presented below were obtained separately in a two-electrode configuration and are discussed as comparative chlorine generation results rather than direct extensions of the three-electrode electrochemical measurements. The time-dependent chlorine evolution behaviors of selected electrodes, namely samples (b), (g), (i), and (n), were evaluated in 0.6 M NaCl electrolyte at pH 7, and the corresponding results are presented in Figure 10. As summarized in the experimental data, the amount of evolved chlorine increased monotonically with electrolysis time for all samples, indicating stable anodic activity throughout the measurement period.
After 180 min of operation, sample (n) exhibited the highest chlorine production, reaching 29 µmol cm−2, whereas sample (b) delivered the lowest value of 15 µmol cm−2. Intermediate chlorine evolution amounts of 23 µmol cm−2 and 20 µmol cm−2 were obtained for samples (g) and (i), respectively. Notably, the divergence in chlorine evolution among the samples became more pronounced at longer electrolysis times, suggesting that intrinsic differences in electrode structure and charge transport properties play a decisive role in sustained chlorine evolution performance.
The superior performance of sample (n) can be attributed to two primary factors. First, as evidenced by the structural and textural analyses (Table 2 and Figure 4), sample (n) possesses a well-defined two-dimensional mesoporous nanoplate architecture with the highest specific surface area, providing abundant electrochemically active sites for chloride oxidation. Second, electrochemical impedance analysis (Figure 8) reveals that sample (n) exhibits the most efficient charge transfer characteristics, as reflected by its minimized AC resistance and the most positive flat-band potential among the investigated electrodes. These features collectively facilitate faster interfacial charge transfer and promote chlorine evolution kinetics.
Furthermore, the progressive enhancement in chlorine evolution with increasing electrodeposition time may be associated with defect-related changes in the Mn3O4 lattice, possibly including a higher concentration of oxygen vacancy-related sites. Such defect engineering is known to modify the local electronic structure, increase hole-carrier density, and improve electrical conductivity, thereby favoring anodic oxidation reactions. In addition, the incorporation of Pt further strengthens interfacial charge transfer, effectively reducing kinetic barriers during chlorine evolution.
These observations are consistent with previous reports demonstrating the beneficial role of oxygen vacancies in Mn-based oxide catalysts. For instance, Li et al. [40] reported that the introduction of oxygen vacancies significantly improved the redox activity and electrochemical performance of MnMoO4 by altering its electronic structure. Similarly, Zeng et al. [41] showed that oxygen vacancy-rich MnO2 catalysts exhibited enhanced catalytic activity and durability, accompanied by a positive shift in the operating potential and strengthened oxidative capability. Taken together, the present results confirm that the synergistic effects of oxygen vacancy enrichment and Pt incorporation are key contributors to the enhanced electrocatalytic chlorine evolution performance observed for sample (n).
It should be noted that the present 180 min test represents a short-term comparative chlorine evolution measurement rather than a dedicated long-term durability assessment. Long-term electrochemical stability testing, such as chronoamperometric or chronopotentiometric analysis, together with dynamic voltage/current monitoring and post-test microstructural characterization, was not included in the present work; therefore, the practical long-term durability of the electrodes remains to be clarified in future studies.

2.8. Preliminary Durability Evaluation and Post-Test Structural Analysis

To further evaluate the operational stability of the Mn3O4-based electrodes beyond the 180 min comparative test, an extended 24 h chlorine evolution experiment was conducted for selected samples under the same two-electrode configuration. The corresponding results are shown in Figure 11a. All tested electrodes maintained continuous chlorine evolution over the 24 h period, although clear differences in cumulative chlorine production were observed among the samples. Among them, sample (n) exhibited the highest chlorine evolution amount after 24 h, indicating that its superior activity can be sustained over prolonged electrolysis.
The prolonged chlorine evolution behaviour further highlights the importance of electrode structure and interfacial charge transfer properties in determining operational stability. The higher cumulative chlorine generation observed for sample (n) is consistent with its favourable mesoporous nanosheet morphology, higher specific surface area, and lower charge transfer resistance, all of which contribute to the preservation of active reaction sites and efficient chloride oxidation during extended operation.
To determine whether prolonged electrolysis affected the catalyst structure, XRD patterns of the representative electrode before and after the 24 h chlorine evolution test were compared, as shown in Figure 11b. The main diffraction peaks remained consistent with tetragonal Mn3O4 after testing, indicating that the primary crystalline phase was preserved during operation. Although minor variations in relative peak intensity were observed after the stability test, no obvious phase transformation was detected.
These results provide preliminary evidence that the Pt-modified Mn3O4 electrode possesses promising short-term operational stability and structural robustness under chlorine evolution conditions. Nevertheless, more comprehensive durability evaluation, including longer chronopotentiometric or chronoamperometric testing together with post-test surface and compositional characterization, is still required for a full practical lifetime assessment.

2.9. Preliminary Faradaic Efficiency Analysis for Chlorine Generation

To provide a more quantitative assessment of chlorine generation behaviour, a preliminary Faradaic efficiency analysis was performed for representative sample (g) and sample (n) under potentiostatic electrolysis at 1.5 V. The current–time responses showed that sample (n) maintained a consistently higher current than sample (g) throughout the electrolysis period, indicating that a larger total charge was passed under the same operating conditions. Based on the integrated current–time curves, the total charge values for sample (g) and sample (n) were calculated to be 238.86 C and 656.55 C, respectively.
According to the two-electron chlorine evolution reaction, the corresponding theoretical chlorine amounts, assuming 100% Faradaic conversion, were estimated to be 1.238 × 10−3 mol for sample (g) and 3.403 × 10−3 mol for sample (n), equivalent to 87.8 mg and 241.3 mg of Cl2, respectively. By comparing these theoretical values with the experimentally measured chlorine amounts, the Faradaic efficiencies of sample (g) and sample (n) were determined to be 59.2% and 74.6%, respectively.
This analysis provides a more quantitative evaluation of chlorine generation than current response alone. Although sample (n) exhibited a higher current during potentiostatic electrolysis, a higher current does not necessarily indicate a greater contribution from chlorine evolution, since part of the transferred charge may also be consumed by competing side reactions, particularly the oxygen evolution reaction. Therefore, Faradaic efficiency analysis is essential to distinguish actual chlorine generation from total anodic charge transfer. The present results provide preliminary quantitative support for chlorine generation under the selected conditions; however, a more comprehensive analysis across the full sample set is still required to fully distinguish chlorine evolution from competing oxygen evolution and to rigorously assess chlorine evolution selectivity.

3. Experimental

3.1. Materials

Mn(CH3COO)2·4H2O (purity ≥ 99.5%) and Na2SO4, (purity ≥ 99.5%) were purchased from Sigma-Aldrich (Steinheim, Germany). NaOH (purity ≥ 99%) and H2SO4 (purity ≥ 98%) were supplied by Merck (Darmstadt, Germany). All reagents were used as received without further purification.
Prior to electrodeposition, the Ni foam substrates were sequentially cleaned in acetone, deionized water, and ethanol for 30 min each. The substrates were then thoroughly rinsed with deionized water and dried under a stream of nitrogen.

3.2. Mn3O4 Electrode Fabrication

Mn3O4-coated Ni foam electrodes were fabricated via electrochemical deposition using an acetate-based precursor bath. Briefly, Mn(CH3COO)2·4H2O (0.8 M, 25 mL) was mixed with a Na2SO4 electrolyte of varying concentration and stirred continuously for 30 min to ensure a homogeneous plating solution prior to deposition.
Electrodeposition was carried out in a three-electrode configuration consisting of an Ag/AgCl reference electrode, a Pt sheet counter electrode, and Ni foam as the working electrode. A constant potential of 5 V (vs. Ag/AgCl) was applied, and the deposition time was varied (10, 20, 30, 40, and 50 min) to tune the coating loading. After deposition, the substrates typically exhibited a uniform dark coating. The electrodes were thoroughly rinsed with deionized water, dried under N2, and then thermally treated in air by heating from room temperature to 300 °C at 5 °C min−1, followed by an isothermal hold at 300 °C for 1 h to obtain Mn3O4.
Key deposition parameters are summarized in Table 4. Samples (a)–(c) were prepared to evaluate the influence of Na2SO4 concentration, while samples (d)–(g) were used to examine the effect of deposition time. For specimens (h)–(n), Pt nanoparticles were subsequently introduced by plasma sputtering at 30 kV and 8 mA for 3 min.

3.3. Materials Characterization

Phase identification of the Mn3O4 electrodes was performed by X-ray diffraction (XRD, PANalytical Empyrean, Malvern Panalytical, Almelo, The Netherlands), operated at 45 kV and 40 mA using Cu Kα radiation (λ = 1.5405 Å). Diffraction patterns were collected over a 2θ range of 10–90°. Raman spectra were acquired using a micro-Raman system (Ramboss 500i, DXG, Seoul, Republic of Korea) equipped with a CCD detector and a 532 nm Ar-ion laser, with the spectral window set to 400–1000 cm−1. Surface functional groups were examined by Fourier-transform infrared spectroscopy (FTIR, PerkinElmer Taiwan Corporation, Taipei, Taiwan) employing a DRIFTS accessory, with scans recorded from 400 to 4000 cm−1.
The morphology and elemental distribution of the electrodes were analyzed by field-emission scanning electron microscopy (FE-SEM, JEOL JSM-7610F, JEOL, Tokyo, Japan) coupled with an energy-dispersive X-ray (EDX) detector, with the accelerating voltage maintained at 15 kV. Textural properties, including specific surface area and pore characteristics, were determined from N2 adsorption–desorption measurements (Micromeritics ASAP 2020, Micromeritics Instrument Corporation, Norcross, GA, USA ) using the Brunauer–Emmett–Teller (BET) method at −196.15 °C. Prior to gas sorption measurements, the samples were degassed at 150 °C for 24 h to remove adsorbed species.

3.4. Electrical Properties Measurements

Electrochemical measurements were carried out in a Pyrex electrochemical cell using a computer-controlled electrochemical workstation (ZIV SP1, TOB New Energy, Xiamen, China). A conventional three-electrode configuration was employed, in which the Mn3O4 electrode served as the working electrode, a Pt plate was used as the counter electrode, and an Ag/AgCl electrode functioned as the reference electrode. Current density measurements were performed over an applied potential window ranging from −0.5 to 1.5 V.
To ensure reliable electrical contact, the active layer of the working electrode was connected to a copper wire using silver paste, while the backside and edges of the electrode were insulated with epoxy resin. A 0.6 M NaCl aqueous solution (pH 7) was used as the electrolyte. Prior to electrochemical testing, the electrolyte was purged with ultra-high-purity N2 to remove dissolved oxygen.
Electrode resistance and interfacial charge transfer characteristics were evaluated by electrochemical impedance spectroscopy (EIS) over a frequency range from 100 kHz to 100 mHz, with a sinusoidal perturbation amplitude of 5 mV applied at the open-circuit potential. Mott–Schottky measurements were conducted using the same electrochemical workstation equipped with a frequency response analyzer (FRA module) to investigate the semiconducting properties of the Mn3O4 electrodes.
The flat-band potential ( E F B ) was determined from the Mott–Schottky plots by analyzing the capacitance of the space-charge region at the electrode/electrolyte interface. The relationship between the space-charge capacitance and the applied potential follows the Mott–Schottky equation:
These three-electrode measurements were used to evaluate the intrinsic electrochemical behaviour and semiconducting properties of the Mn3O4-based electrodes.
1 C 2 = B 2 ε ε 0 N D A 2 [ E E F B k T e ]
where C is the space-charge capacitance, E is the applied potential, E F B is the flat-band potential, ε is the dielectric constant of the semiconductor, ε0 is the vacuum permittivity, ND is the donor density, A is the effective electrode/electrolyte interfacial area, k is the Boltzmann constant (1.38 × 10−23 J K−1), T is the absolute temperature (298 K), and e is the elementary charge. For p-type semiconductors, the Mott–Schottky plots exhibit negative slopes, and the carrier concentration is expressed in terms of acceptor density rather than donor density.
The flat-band potential was obtained from the intercept ( E 0 ) of the linear region of the 1 C 2 versus E plot with the potential axis, according to:
E 0 = E F B + k T e

3.5. Chlorine Evolution Measurements

Chlorine evolution experiments were performed using Mn3O4 electrodes with an exposed geometric area of 1 × 1 cm2. The measurements were carried out in a 0.6 M NaCl aqueous electrolyte adjusted to pH 7. A two-electrode configuration was adopted, in which the Mn3O4 electrode and a Pt plate were used as the working and counter electrodes, respectively, without the use of an external reference electrode.
During the chlorine evolution tests, a constant two-electrode cell voltage of 1.5 V was applied under otherwise identical conditions. For the comparative evaluation of short-term chlorine evolution behavior, the measurements were conducted for 180 min. In addition, an extended 24 h chlorine evolution test was performed for selected electrodes to preliminarily assess their operational stability. After the 24 h test, the used electrodes were collected, washed, dried, and characterized by XRD for post-test structural analysis. The generated gaseous products were collected and subsequently analyzed by gas chromatography–mass spectrometry (GC-MS, Agilent 7890B, Agilent Technologies Taiwan, Taipei, Taiwan, coupled with a 5977A mass selective detector) to identify and quantify the chlorine-containing species. The GC-MS analysis in the present work was used primarily to identify chlorine-containing gaseous products; however, a full quantitative evaluation of Faradaic efficiency and the contribution from competing oxygen evolution was beyond the scope of this study.

3.6. Faradaic Efficiency Estimation for Chlorine Generation

To further evaluate chlorine evolution behavior, the Faradaic efficiency for chlorine generation was estimated for representative sample (g) and sample (n) under potentiostatic electrolysis at 1.5 V. During electrolysis, the current–time response was recorded, and the total charge passed was obtained by integrating the current overtime. Based on the two-electron chlorine evolution reaction:
2 C l C l 2 + 2 e
the theoretical amount of chlorine was calculated according to:
n C l ,   t h e o r e t i c a l = Q 2 F
where Q is the total charge passed during electrolysis and F is the Faraday constant (96,485 C mol−1). The experimentally generated chlorine amount was determined from the measured chlorine concentration and converted into moles. The Faradaic efficiency was then estimated using:
F E C l 2 % = n C l 2 ,   a c t u a l n C l 2 ,   t h e o r e t i c a l × 100
In this revision, sample (g) and sample (n) were selected as representative samples for quantitative analysis, where sample (g) represents the optimized sample and sample (n) serves as the reference sample.

4. Conclusions

In this study, Mn3O4-based electrodes with tunable defect characteristics were successfully fabricated via electrochemical deposition under different processing conditions. X-ray diffraction analysis confirmed that all deposited electrodes crystallized predominantly in the tetragonal Mn3O4 phase, indicating that variations in the deposition parameters did not alter the fundamental crystal structure. Mott–Schottky analysis revealed that the Mn3O4 electrodes exhibited typical p-type semiconducting behavior, which can be attributed to oxygen vacancy-related acceptor states within the oxide lattice. The extracted charge carrier densities were on the order of 1014 cm−3, suggesting that defect engineering effectively modulated the electronic properties of the Mn3O4 electrodes.
Electrochemical evaluation demonstrated that the introduction of Pt further enhanced the anodic activity of Mn3O4. At an applied potential of 1.5 V versus Ag/AgCl, the optimized electrodes delivered a maximum current density exceeding 100 mA cm−2, indicating significantly improved charge transfer kinetics. More importantly, the enhanced oxygen vacancy concentration in the Pt/Mn3O4 electrodes resulted in a pronounced increase in chlorine evolution performance. The chlorine production rate increased from approximately 14 µmol cm−2 to 29 µmol cm−2, corresponding to an improvement of nearly 2.07-fold. In addition, preliminary Faradaic efficiency analysis showed that sample (g) and sample (n) achieved chlorine evolution efficiencies of 59.2% and 74.6%, respectively, indicating improved chlorine generation performance and a higher tendency toward chlorine evolution under the tested conditions. These results suggest that defect-induced electronic modulation may contribute to the improved chlorine evolution performance of the Mn3O4-based electrodes.
Furthermore, sample (n) maintained continuous chlorine evolution over 24 h and retained the characteristic tetragonal Mn3O4 crystalline phase after electrolysis, thereby providing preliminary evidence of short-term operational stability under chlorine evolution conditions. Although the present study demonstrates clear performance enhancement within the Mn3O4-based electrode series, dedicated long-term durability testing and post-test characterization are still required to verify the practical stability of the optimized Pt/Mn3O4 electrode for chlorine evolution applications.
The improved performance of the Pt-modified Mn3O4 electrodes is associated with surface Pt incorporation and defect-induced electronic modulation; however, the exact structural form and distribution of Pt require further clarification by more direct characterization techniques in future work. In addition, the proposed oxygen vacancy- and defect-related mechanism is inferred from structural, compositional, and electrochemical trends rather than directly demonstrated by defect-sensitive characterization and therefore requires further verification in future work. Although the present Faradaic efficiency results support the chlorine generation capability of the developed anodes, they do not yet constitute a comprehensive selectivity analysis. More detailed quantitative investigation is still required to fully distinguish chlorine evolution from competing oxygen evolution and to rigorously establish chlorine evolution selectivity.

Author Contributions

Conceptualization, G.-T.P. and A.N.N.; Methodology, G.-T.P.; Formal analysis, G.-T.P.; Investigation, G.-T.P.; Resources, A.N.N.; Data curation, G.-T.P.; Writing—original draft, G.-T.P.; Writing—review & editing, A.N.N.; Visualization, G.-T.P.; Supervision, A.N.N. All authors have read and agreed to the published version of the manuscript.

Funding

This research received no external funding.

Institutional Review Board Statement

Not applicable.

Informed Consent Statement

Not applicable.

Data Availability Statement

The original contributions presented in this study are included in the article. Further inquiries can be directed to the corresponding author.

Conflicts of Interest

The authors declare no conflicts of interest.

References

  1. Liu, Y.; Wang, Y.; Zhao, S. Journey of electrochemical chlorine production: From brine to seawater. Curr. Opin. Electrochem. 2022, 37, 101202. [Google Scholar] [CrossRef]
  2. Nasirpouri, F.; Alipour, K.; Daneshvar, F.; Sanaeian, M.R. Chapter 24—Electrodeposition of Anticorrosion Nanocoatings. In Corrosion Protection at the Nanoscale; Elsevier: Amsterdam, The Netherlands, 2020; pp. 473–497. Available online: https://www.sciencedirect.com/science/chapter/edited-volume/abs/pii/B9780128193594000246 (accessed on 8 March 2026).
  3. Jo, H.-G.; Kim, K.-H.; Ahn, H.-J. Well-dispersed Pt/RuO2-decorated mesoporous N-doped carbon as a hybrid electrocatalyst for Li–O2 batteries. RSC Adv. 2021, 11, 12209–12217. [Google Scholar] [CrossRef]
  4. Hu, J.; Xu, H.; Feng, X.; Lei, L.; He, Y.; Zhang, X. Neodymium-Doped IrO2 Electrocatalysts Supported on Titanium Plates for Enhanced Chlorine Evolution Reaction Performance. ChemElectroChem 2021, 8, 1204–1210. [Google Scholar] [CrossRef]
  5. Clayton, J.A.; Walton, R.I. Development of new mixed-metal ruthenium and iridium oxides as electrocatalysts for oxygen evolution: Part II: Mechanistic understanding and practical considerations. Johns. Matthey Technol. Rev. 2022, 66, 406–417. [Google Scholar] [CrossRef]
  6. Cheng, W.; Liu, Y.; Wu, L.; Chen, R.; Wang, J.; Chang, S.; Ma, F.; Li, Y.; Ni, H. RuO2/IrO2 nanoparticles decorated TiO2 nanotube arrays for improved activity towards chlorine evolution reaction. Catal. Today 2022, 400–401, 26–34. [Google Scholar] [CrossRef]
  7. Palma-Goyes, R.E.; Vazquez-Arenas, J.; Ostos, C.; Torres-Palma, R.A.; González, I. The Effects of ZrO2on the Electrocatalysis to Yield Active Chlorine Species on Sb2O5-Doped Ti/RuO2Anodes. J. Electrochem. Soc. 2016, 163, H818–H825. [Google Scholar] [CrossRef]
  8. Ren, Q.; Feng, Z.; Mo, S.; Huang, C.; Li, S.; Zhang, W.; Chen, L.; Fu, M.; Wu, J.; Ye, D. 1D-Co3O4, 2D-Co3O4, 3D-Co3O4 for catalytic oxidation of toluene. In Proceedings of the 8th Japan-China Workshop on Environmental Catalysis and Eco-Materials, Tsukuba, Japan, 5–6 December 2017; pp. 160–167. [Google Scholar]
  9. Jiang, S.; Suo, H.; Zhang, T.; Liao, C.; Wang, Y.; Zhao, Q.; Lai, W. Recent Advances in Seawater Electrolysis. Catalysts 2022, 12, 123. [Google Scholar] [CrossRef]
  10. Bae, J.; Shin, D.; Jeong, H.; Kim, B.-S.; Han, J.W.; Lee, H. Highly Water-Resistant La-Doped Co3O4 Catalyst for CO Oxidation. ACS Catal. 2019, 9, 10093–10100. [Google Scholar] [CrossRef]
  11. Dissanayake, S.; Wasalathanthri, N.; Amin, A.S.; He, J.; Poges, S.; Rathnayake, D.; Suib, S.L. Mesoporous Co3O4 catalysts for VOC elimination: Oxidation of 2-propanol. Appl. Catal. A Gen. 2020, 590, 117366. [Google Scholar] [CrossRef]
  12. Anele, A.; Obare, S.; Wei, J. Recent Trends and Advances of Co3O4 Nanoparticles in Environmental Remediation of Bacteria in Wastewater. Nanomaterials 2022, 12, 1129. [Google Scholar] [CrossRef]
  13. Barmi, M.J.; Nikoloski, A.N. Dimensionally Stable Lead-Cobalt Oxide Coated Composite Anodes. Australian Patent Application 2013. Available online: https://www.semanticscholar.org/paper/Dimensionally-stable-lead-cobalt-oxide-coated-Barmi-Nikoloski/42b50eadd283bf98b70602da9358d8336b78a32a (accessed on 8 March 2026).
  14. Yu, J.; Zhang, S.; Liu, Y.; Tong, Y.; Zhong, Y.; He, B.; Hu, E.; Zhang, J.; Chen, Z. Construction of Sulfur Doped Nickel and Copper Interfaces for Hydrogen Evolution Reaction. ACS Mater. Lett. 2024, 6, 4719–4727. [Google Scholar] [CrossRef]
  15. Jin, G.; Ren, X.; Lin, C.; He, B.; Chen, P. Dual-metal heterogeneous electrode enabling efficient co-electrosynthesis of adipic acid and hydrogen. J. Colloid Interface Sci. 2025, 687, 432–438. [Google Scholar] [CrossRef] [PubMed]
  16. Li, J.; Yao, P.; Zhou, Y.; Qi, Z.; Lu, Z.; Bi, M.; Yang, M.; Xue, Y.; Pan, S.; Han, Q.; et al. Electron-Polaron-Enriched Fe-Doped Co3O4 Nanoneedle Arrays Enabled by Tip Curvature and Vacancy Engineering for Efficient Oxygen Evolution. Small 2025, 22, e12781. [Google Scholar] [CrossRef]
  17. Ching, S.; Hughes, S.M.; Gray, T.P.; Welch, E.J. Manganese oxide thin films prepared by nonaqueous sol–gel processing: Preferential formation of birnessite. Microp. Mesoporous Mater. 2004, 76, 41–49. [Google Scholar] [CrossRef][Green Version]
  18. Pérez-Diaz, P.; Esqueda-Barrón, Y.; Baas-López, J.; Cuentas-Gallegos, A.; Pacheco-Catalán, D. Synthesis of manganese oxide thin films deposited on different substrates via atmospheric pressure-CVD. Surf. Coat. Technol. 2024, 494, 131440. [Google Scholar] [CrossRef]
  19. Fau, P.; Bonino, J.; Rousset, A. Electrical properties of sputtered MnO2 thin films. Appl. Surf. Sci. 1994, 78, 203–210. [Google Scholar] [CrossRef]
  20. Vanhoutte, G.; Wu, M.; Schaltin, S.; Mattelaer, F.; Detavernier, C.; Vereecken, P.M.; Binnemans, K.; Fransaer, J. Electro-precipitation via oxygen reduction: A new technique for thin film manganese oxide deposition. J. Mater. Chem. A 2016, 4, 13555–13562. [Google Scholar] [CrossRef]
  21. Chen, D.; Kang, Z.; Li, W. One-step electrodeposition to fabricate superhydrophobic coating and its reversible wettability transformation. Mater. Res. Express 2019, 7, 016404. [Google Scholar] [CrossRef]
  22. Bchiri, Y.; Souissi, R.; Bouricha, B.; Bouguila, N.; Kraini, M.; Vázquez-Vázquez, C.; López-Quintela, M.A.; Alaya, S. S/In molar ratio effect on the photoconductivity of the sprayed β-In2S3 thin films. J. Mater. Sci. Mater. Electron. 2021, 32, 27995–28006. [Google Scholar] [CrossRef]
  23. Saha, S.; Johnson, M.; Altayaran, F.; Wang, Y.; Wang, D.; Zhang, Q. Electrodeposition Fabrication of Chalcogenide Thin Films for Photovoltaic Applications. Electrochem 2020, 1, 286–321. [Google Scholar] [CrossRef]
  24. Gallagher, J.R.; Li, T.; Zhao, H.; Liu, J.; Lei, Y.; Zhang, X.; Ren, Y.; Elam, J.W.; Meyer, R.J.; Winans, R.E.; et al. In situ diffraction of highly dispersed supported platinum nanoparticles. Catal. Sci. Technol. 2014, 4, 3053–3063. [Google Scholar] [CrossRef]
  25. Ganduglia-Pirovano, M.V.; Hofmann, A.; Sauer, J. Oxygen vacancies in transition metal and rare earth oxides: Current state of understanding and remaining challenges. Surf. Sci. Rep. 2007, 62, 219–270. [Google Scholar] [CrossRef]
  26. Julien, C.; Massot, M.; Poinsignon, C. Lattice vibrations of manganese oxides. Spectrochim. Acta Part A Mol. Biomol. Spectrosc. 2004, 60, 689–700. [Google Scholar] [CrossRef] [PubMed]
  27. Mironova-Ulmane, N.; Kuzmin, A.; Grube, M. Raman and infrared spectromicroscopy of manganese oxides. J. Alloys Compd. 2009, 480, 97–99. [Google Scholar] [CrossRef]
  28. Post, J.E.; McKeown, D.A.; Heaney, P.J. Raman spectroscopy study of manganese oxides: Layer structures. Am. Miner. 2021, 106, 351–366. [Google Scholar] [CrossRef]
  29. Gibot, P.; Laffont, L. Hydrophilic and hydrophobic nano-sized Mn3O4 particles. J. Solid State Chem. 2007, 180, 695–701. [Google Scholar] [CrossRef]
  30. Nikoloski, A.N.; Barmi, M.J. Novel lead–cobalt composite anodes for copper electrowinning. Hydrometallurgy 2013, 137, 45–52. [Google Scholar] [CrossRef]
  31. Noei, H.; Jin, L.; Qiu, H.; Xu, M.; Gao, Y.; Zhao, J.; Kauer, M.; Wöll, C.; Muhler, M.; Wang, Y. Vibrational spectroscopic studies on pure and metal-covered metal oxide surfaces. Phys. Status Solidi (b) 2013, 250, 1204–1221. [Google Scholar] [CrossRef]
  32. Yang, C.; Wöll, C. IR spectroscopy applied to metal oxide surfaces: Adsorbate vibrations and beyond. Adv. Phys. X 2017, 2, 373–408. [Google Scholar] [CrossRef]
  33. Huang, W.; Li, J.; Xu, Y. Nucleation and Growth of Porous MnO2 Coatings Prepared on Nickel Foam and Evaluation of Their Electrochemical Performance. Materials 2018, 11, 716. [Google Scholar] [CrossRef]
  34. Amaral, D.C.; Rocha, L.S.R.; Granone, L.I.; Lage, M.M.; Churio, M.S.; Sanchez, M.D.; Longo, E.; Nascimento, H.M.S.; Assis, M.; Moura, F.; et al. Manganese Defective Clustering: Influence on the Spectroscopic Features of Ceria-Based Nanomaterials. Inorg. Chem. 2023, 62, 12392–12402. [Google Scholar] [CrossRef]
  35. Kruk, M.; Jaroniec, M. Gas Adsorption Characterization of Ordered Organic−Inorganic Nanocomposite Materials. Chem. Mater. 2001, 13, 3169–3183. [Google Scholar] [CrossRef]
  36. Tsai, Y.-C.; Yang, W.-D.; Lee, K.-C.; Huang, C.-M. An Effective Electrodeposition Mode for Porous MnO2/Ni Foam Composite for Asymmetric Supercapacitors. Materials 2016, 9, 246. [Google Scholar] [CrossRef] [PubMed]
  37. Wong, C.P.P.; Lai, C.W.; Lee, K.M.; Pan, G.T.; Huang, C.M.; Juan, J.C.; Yang, T.C.K. Enhancement of discharge capacity and energy density by oxygen vacancies in nickel doped SrTiO3 as cathode for rechargeable alkaline zinc battery. Electrochim. Acta 2022, 404, 139705. [Google Scholar] [CrossRef]
  38. Mirseyed, S.F.; Jafarzadeh, K.; Rostamian, A.; Semnani, A.; Abbasi, H.M.; Ostadhassan, M. A novel approach to the role of iridium and titanium oxide in deactivation mechanisms of a Ti/(36 RuO2-x IrO2-(64-x) TiO2) coating in sodium chloride solution. Corros. Sci. 2022, 206, 110481. [Google Scholar] [CrossRef]
  39. Ko, Y.-J.; Han, M.H.; Lim, C.; Yu, S.-H.; Choi, C.H.; Min, B.K.; Choi, J.-Y.; Lee, W.H.; Oh, H.-S. Unveiling the role of Ni in Ru-Ni oxide for oxygen evolution: Lattice oxygen participation enhanced by structural distortion. J. Energy Chem. 2022, 77, 54–61. [Google Scholar] [CrossRef]
  40. Li, X.; Li, P.; Wei, F.; Wang, X.; Han, W.; Yue, J. Effect of oxygen vacancies on the electronic structure and electrochemical performance of MnMoO4: Computational simulation and experimental verification. New J. Chem. 2021, 46, 1665–1676. [Google Scholar] [CrossRef]
  41. Zeng, J.; Xie, H.; Liu, Z.; Liu, X.; Zhou, G.; Jiang, Y. Oxygen vacancy induced MnO2 catalysts for efficient toluene catalytic oxidation. Catal. Sci. Technol. 2021, 11, 6708–6723. [Google Scholar] [CrossRef]
Figure 1. XRD patterns of Mn3O4 electrodes prepared under different electrodeposition conditions: (a) Mn3O4 electrodes without Pt decoration (samples a–g) and (b) Pt-decorated Mn3O4 electrodes (samples h–n). All diffraction peaks are indexed to the tetragonal Mn3O4 phase (JCPDS No. 00-02-073).
Figure 1. XRD patterns of Mn3O4 electrodes prepared under different electrodeposition conditions: (a) Mn3O4 electrodes without Pt decoration (samples a–g) and (b) Pt-decorated Mn3O4 electrodes (samples h–n). All diffraction peaks are indexed to the tetragonal Mn3O4 phase (JCPDS No. 00-02-073).
Inorganics 14 00106 g001
Figure 2. Raman spectra of Mn3O4 electrodes: (a) electrodes without Pt decoration and (b) Pt-decorated Mn3O4 electrodes prepared under different electrodeposition conditions.
Figure 2. Raman spectra of Mn3O4 electrodes: (a) electrodes without Pt decoration and (b) Pt-decorated Mn3O4 electrodes prepared under different electrodeposition conditions.
Inorganics 14 00106 g002
Figure 3. FTIR spectra of Mn3O4 electrodes deposited on Ni foam under different electrochemical deposition conditions: (a) pristine Mn3O4 electrodes and (b) Pt-decorated Mn3O4 electrodes.
Figure 3. FTIR spectra of Mn3O4 electrodes deposited on Ni foam under different electrochemical deposition conditions: (a) pristine Mn3O4 electrodes and (b) Pt-decorated Mn3O4 electrodes.
Inorganics 14 00106 g003
Figure 4. FE-SEM micrographs of Mn3O4/Ni foam composite electrodes prepared under different electrodeposition conditions. (ac) effect of Na2SO4 concentration (0.01, 0.02, and 0.04 mol) at a fixed Mn(CH3COO)2·4H2O concentration of 0.02 mol and deposition time of 10 min; (dg) effect of deposition time (20, 30, 40, and 50 min) at Mn(CH3COO)2·4H2O concentration of 0.02 mol and Na2SO4 concentration of 0.02 mol; (hj) Pt-sputtered samples deposited for 10 min with Na2SO4 concentrations of 0.01, 0.02, and 0.04 mol; (kn) Pt-sputtered samples prepared with different deposition times (20, 30, 40, and 50 min) at Na2SO4 concentration of 0.02 mol.
Figure 4. FE-SEM micrographs of Mn3O4/Ni foam composite electrodes prepared under different electrodeposition conditions. (ac) effect of Na2SO4 concentration (0.01, 0.02, and 0.04 mol) at a fixed Mn(CH3COO)2·4H2O concentration of 0.02 mol and deposition time of 10 min; (dg) effect of deposition time (20, 30, 40, and 50 min) at Mn(CH3COO)2·4H2O concentration of 0.02 mol and Na2SO4 concentration of 0.02 mol; (hj) Pt-sputtered samples deposited for 10 min with Na2SO4 concentrations of 0.01, 0.02, and 0.04 mol; (kn) Pt-sputtered samples prepared with different deposition times (20, 30, 40, and 50 min) at Na2SO4 concentration of 0.02 mol.
Inorganics 14 00106 g004aInorganics 14 00106 g004b
Figure 5. (a) Nitrogen adsorption–desorption isotherms and (b) corresponding pore size distributions of the selected Mn3O4 electrodes prepared under different electrodeposition conditions.
Figure 5. (a) Nitrogen adsorption–desorption isotherms and (b) corresponding pore size distributions of the selected Mn3O4 electrodes prepared under different electrodeposition conditions.
Inorganics 14 00106 g005
Figure 6. Mott–Schottky plots of the Mn3O4-based electrode samples measured at room temperature under different electrodeposition conditions: (a) pure Mn3O4 electrodes (samples (a)–(g)); (b) Pt/Mn3O4 electrodes (samples (h)–(n)).
Figure 6. Mott–Schottky plots of the Mn3O4-based electrode samples measured at room temperature under different electrodeposition conditions: (a) pure Mn3O4 electrodes (samples (a)–(g)); (b) Pt/Mn3O4 electrodes (samples (h)–(n)).
Inorganics 14 00106 g006
Figure 7. Current density versus applied voltage for (a) pure Mn3O4 electrodes and (b) Pt/Mn3O4 electrodes in 0.6 M NaCl solution at pH 7.
Figure 7. Current density versus applied voltage for (a) pure Mn3O4 electrodes and (b) Pt/Mn3O4 electrodes in 0.6 M NaCl solution at pH 7.
Inorganics 14 00106 g007
Figure 8. Nyquist plots of the real and imaginary impedance components for the electrode samples measured at room temperature over a frequency range of 0.1 kHz to 10 MHz: (a) pure Mn3O4 electrodes (samples (a)–(g)); (b) Pt/Mn3O4 electrodes (samples (h)–(n)).
Figure 8. Nyquist plots of the real and imaginary impedance components for the electrode samples measured at room temperature over a frequency range of 0.1 kHz to 10 MHz: (a) pure Mn3O4 electrodes (samples (a)–(g)); (b) Pt/Mn3O4 electrodes (samples (h)–(n)).
Inorganics 14 00106 g008
Figure 9. Bar chart comparison of representative electrochemical performance indicators: (a) resistance values extracted from EIS analysis for pristine Mn3O4 electrodes (samples (a)–(g)); (b) chlorine production after 180 min electrolysis for the selected electrodes (samples (b), (g), (i), and (n)).
Figure 9. Bar chart comparison of representative electrochemical performance indicators: (a) resistance values extracted from EIS analysis for pristine Mn3O4 electrodes (samples (a)–(g)); (b) chlorine production after 180 min electrolysis for the selected electrodes (samples (b), (g), (i), and (n)).
Inorganics 14 00106 g009
Figure 10. Catalyzed chlorine evolution results of the electrode samples measured in 0.6 M NaCl solution at pH 7. Samples (b) and (g) are pure Mn3O4 electrodes; samples (i) and (n) are Pt/Mn3O4 electrodes prepared by plasma sputtering.
Figure 10. Catalyzed chlorine evolution results of the electrode samples measured in 0.6 M NaCl solution at pH 7. Samples (b) and (g) are pure Mn3O4 electrodes; samples (i) and (n) are Pt/Mn3O4 electrodes prepared by plasma sputtering.
Inorganics 14 00106 g010
Figure 11. Preliminary durability evaluation and post-test structural analysis of the selected Mn3O4-based electrodes: (a) time-dependent chlorine evolution over 24 h for samples (b), (g), (i), and (n); (b) XRD patterns of the representative Pt-modified Mn3O4 electrode, sample (n), before and after the 24 h chlorine evolution test.
Figure 11. Preliminary durability evaluation and post-test structural analysis of the selected Mn3O4-based electrodes: (a) time-dependent chlorine evolution over 24 h for samples (b), (g), (i), and (n); (b) XRD patterns of the representative Pt-modified Mn3O4 electrode, sample (n), before and after the 24 h chlorine evolution test.
Inorganics 14 00106 g011
Table 1. The atomic percents of elements for Mn3O4/Ni foam composite films fabricated using electrochemical deposition.
Table 1. The atomic percents of elements for Mn3O4/Ni foam composite films fabricated using electrochemical deposition.
SampleAtomic Percent (%)The Ratio of O/Mn
MnOPt
a37.562.5-1.67
b35.964.1-1.79
c17.282.8-4.81
d34.965.1-1.87
e33.666.4-1.98
f33.366.7-2.00
g29.570.5-2.39
g29.570.5-2.39
h38.5592.51.53
i31.661.76.71.95
j17.875.66.74.25
k28.664.86.62.27
l2968.42.62.36
m27.869.52.72.50
n24.873.41.82.96
Table 2. Textural properties of the selected Mn3O4 electrodes derived from nitrogen adsorption–desorption measurements, including BET specific surface area, pore volume and pore size.
Table 2. Textural properties of the selected Mn3O4 electrodes derived from nitrogen adsorption–desorption measurements, including BET specific surface area, pore volume and pore size.
SampleSpecific Surface Area from BET
(m2/g)
Pore Volume
(cm3/g)
Pore Size
(nm)
b520.1927
e560.2623
g760.4226
h830.5218
l1700.7216
n1820.7614
Table 3. Summary of the electric properties for all samples.
Table 3. Summary of the electric properties for all samples.
SampleCarrier Density
(cm−3) a
E F B S H E (V)JMAX
(mA/cm2) b
Conduction
Type
a2.05 × 10140.9124.61p
b2.29 × 10140.9224.96p
c2.65 × 10140.9626.14p
d2.99 × 10140.9729.16p
e3.39 × 10140.9929.9p
f3.49 × 10141.0129.94p
g3.68 × 10141.0239.03p
h2.26 × 10140.9334.54p
i2.69 × 10140.9438.51p
j3.03 × 10140.9743.64p
k3.30 × 10140.9843.76p
l3.71 × 10140.9946.83p
m3.96 × 10141.0254.15p
n4.90 × 10141.03107.28p
a Calculated from Mott–Schottky curves. b Current density with external bias kept at 1.5 V versus an Ag/AgCl reference electrode.
Table 4. Processing parameters for Mn3O4 electrode fabrication.
Table 4. Processing parameters for Mn3O4 electrode fabrication.
SampleSeries (Purpose)Mn(CH3COO)2·4H2O
(mol)
Na2SO4
(mol)
Deposition Time (min)Pt Sputter (Y/N)
aS1: Na2SO4 effect0.020.0110N
bS1: Na2SO4 effect0.020.0210N
cS1: Na2SO4 effect0.020.0410N
dS2: time effect0.020.0220N
eS2: time effect0.020.0230N
fS2: time effect0.020.0240N
gS2: time effect0.020.0250N
hS3: Pt-coated0.020.0110Y
iS3: Pt-coated0.020.0210Y
jS3: Pt-coated0.020.0410Y
kS4: Pt + time0.020.0220Y
lS4: Pt + time0.020.0230Y
mS4: Pt + time0.020.0240Y
nS4: Pt + time0.020.0250Y
Series definition: S1 = Na2SO4 concentration variation (t = 10 min, no Pt); S2 = deposition time variation (Na2SO4 fixed at 0.02 mol, no Pt); S3 = Pt-coated series with Na2SO4 variation (t = 10 min); S4 = Pt-coated series with deposition time variation (Na2SO4 fixed at 0.02 mol).
Disclaimer/Publisher’s Note: The statements, opinions and data contained in all publications are solely those of the individual author(s) and contributor(s) and not of MDPI and/or the editor(s). MDPI and/or the editor(s) disclaim responsibility for any injury to people or property resulting from any ideas, methods, instructions or products referred to in the content.

Share and Cite

MDPI and ACS Style

Pan, G.-T.; Nikoloski, A.N. Electrochemical Performance of Pt-Modified Mn3O4 Electrodes for Chlorine Evolution. Inorganics 2026, 14, 106. https://doi.org/10.3390/inorganics14040106

AMA Style

Pan G-T, Nikoloski AN. Electrochemical Performance of Pt-Modified Mn3O4 Electrodes for Chlorine Evolution. Inorganics. 2026; 14(4):106. https://doi.org/10.3390/inorganics14040106

Chicago/Turabian Style

Pan, Guan-Ting, and Aleksandar N. Nikoloski. 2026. "Electrochemical Performance of Pt-Modified Mn3O4 Electrodes for Chlorine Evolution" Inorganics 14, no. 4: 106. https://doi.org/10.3390/inorganics14040106

APA Style

Pan, G.-T., & Nikoloski, A. N. (2026). Electrochemical Performance of Pt-Modified Mn3O4 Electrodes for Chlorine Evolution. Inorganics, 14(4), 106. https://doi.org/10.3390/inorganics14040106

Note that from the first issue of 2016, this journal uses article numbers instead of page numbers. See further details here.

Article Metrics

Back to TopTop