Tunable Band-Pass Filters with Long Periodicity Using Cascaded Mach-Zehnder Interferometer Networks
Abstract
1. Introduction
2. Theoretical Framework of Mach-Zehnder Interferometers
2.1. Single Asymmetric MZI with Losses and Non-Ideal Splitters
2.1.1. System Model
- Input optical field: .
- Input waveguide amplitude loss coefficient: .
- Output waveguide amplitude loss coefficient: .
- Arm 1: physical length , amplitude loss coefficient , propagation constant .
- Arm 2: physical length , amplitude loss coefficient , propagation constant .
- First coupler (input splitter) power coupling ratio: to arm 1, to arm 2.
- Second coupler (output combiner): Assumed to be a lossless 3 dB (50:50) splitter.
2.1.2. Input Attenuation
2.1.3. First Coupler (Non-Ideal Splitter)
2.1.4. Propagation Through Arms
2.1.5. Second Coupler (Assumed 50:50 for Simplicity)
2.1.6. Output Waveguide Loss
2.1.7. Total Transfer Function
2.1.8. Power Transmission
2.2. Cascaded MZI Networks
2.2.1. Per-Stage Transfer Function
2.2.2. Total Transfer Function for Cascaded Networks
2.2.3. Total Power Transmission
3. Arbitrarily Large-Periodicity Band-Pass Filter Design and Characteristics
3.1. Minimum MZI Count for Arbitrary Periodicity
3.2. Total Power Transmission of the Designed Filter
4. Linear Relationship of Frequency with Applied Voltage
4.1. Differential Phase Shift Model with Dual Modulators
4.2. Frequency-Voltage Relationship
4.3. Voltage Dependence of Free Spectral Range During Tuning
4.4. Phase Change Dependency on the Electro-Optic Coefficient
5. Continuous Resonant Peak Tuning Circuit
5.1. Circuit Design and Operation
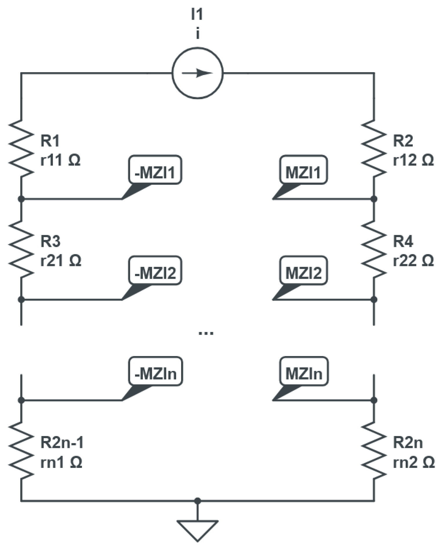
5.1.1. Proposed Circuit Parts (Figure 9)
- A single tunable current source (): This current source will be the master control, with its magnitude directly proportional to the desired frequency shift .
- Series Resistors (): These resistors are connected in series. The voltages across specific segments of the chain will provide the necessary individual voltages for each MZI arm.
- Voltage Taps: Connections are made at specific points along the series resistor chain to apply the voltages and to the phase modulators of each MZI stage. A common ground or reference point serves as the reference.

5.1.2. Circuit Operation
- Single Control Input: A single tunable current source () controls the entire network’s frequency shift.
- Linearity: Maintains the linear relationship between the input control (current) and the resulting frequency shift.
- Simplicity: Uses only a current source and passive resistors, minimizing circuit complexity.
- Scalability: Can be extended to an arbitrary number of MZI stages by adding more series resistor segments and corresponding voltage taps.
6. Feasibility of the Design
6.1. Sensitivity to Differential Tuning Voltage ()
6.2. Sensitivity to Electro-Optic Efficiency ()
6.3. Sensitivity to Modulator Length ()
6.4. Sensitivity to ()
6.5. Sensitivity to Optical Path Length Difference ()
6.6. Error Accounting
6.6.1. Maximum Tolerated Error for
6.6.2. Maximum Tolerated Error for
6.6.3. Maximum Tolerated Error for
6.6.4. Maximum Tolerated Error for
6.6.5. Maximum Tolerated Error for
6.7. Example System Parameters
- .
- .
- .
- .
- .
- .
- .
7. Conclusions
Author Contributions
Funding
Data Availability Statement
Conflicts of Interest
References
- Papaioannou, S.; Fitsios, D.; Dabos, G.; Vyrsokinos, K.; Giannoulis, G.; Prinzen, A.; Porschatis, C.; Waldow, M.; Apostolopoulos, D.; Avramopoulos, H.; et al. On-chip dual-stream DWDM eight-channel-capable SOI-based MUX s/DEMUX s with 40-GH z channel bandwidth. IEEE Photonics J. 2014, 7, 7900210. [Google Scholar]
- Roeloffzen, C.G.; Hoekman, M.; Klein, E.J.; Wevers, L.S.; Timens, R.B.; Marchenko, D.; Geskus, D.; Dekker, R.; Alippi, A.; Grootjans, R.; et al. Low-loss Si3N4 TriPleX optical waveguides: Technology and applications overview. IEEE J. Sel. Top. Quantum Electron. 2018, 24, 4400321. [Google Scholar] [CrossRef]
- Reza, M.; Serafino, G.; Otto, T.; Mohammad, A.; Mohammadhosseini, H.; Shiramin, L.; Floris, F.; Kolb, M.; Bail, D.; Gabrielli, S.; et al. Design and performance estimation of a photonic integrated beamforming receiver for scan-on-receive synthetic aperture radar. J. Light. Technol. 2021, 39, 7588–7599. [Google Scholar] [CrossRef]
- de Ridder, R.M.; Roeloffzen, C.G. Interleavers. In Wavelength Filters in Fibre Optics; Springer: Berlin/Heidelberg, Germany, 2006; pp. 381–432. [Google Scholar]
- Claes, T.; Bogaerts, W.; Bienstman, P. Experimental characterization of a silicon photonic biosensor consisting of two cascaded ring resonators based on the Vernier-effect and introduction of a curve fitting method for an improved detection limit. Opt. Express 2010, 18, 22747–22761. [Google Scholar] [CrossRef] [PubMed]
- Jiang, X.; Chen, Y.; Yu, F.; Tang, L.; Li, M.; He, J.J. High-sensitivity optical biosensor based on cascaded Mach–Zehnder interferometer and ring resonator using Vernier effect. Opt. Lett. 2014, 39, 6363–6366. [Google Scholar] [CrossRef] [PubMed]
- Hou, S.; Chen, P.; Shah, M.; Briggs, I.; Xing, W.; Liu, Z.; Fan, L. Programmable optical filter in thin-film lithium niobate with simultaneous tunability of extinction ratio and wavelength. ACS Photonics 2023, 10, 3896–3900. [Google Scholar] [CrossRef]
- Resonators, I.R.; Photonics, S. Integrated Ring Resonators A Compendium; Springer: Berlin/Heidelberg, Germany, 2007. [Google Scholar]
- Hou, S.; Hu, H.; Liu, Z.; Xing, W.; Zhang, J.; Hao, Y. Tunable double notch filter on a thin-film lithium niobate platform. Opt. Lett. 2024, 49, 1413–1416. [Google Scholar] [CrossRef] [PubMed]
- Hou, S.; Hu, H.; Xing, W.; Liu, Z.; Zhang, J.; Hao, Y. Improving Linewidth and Extinction Ratio Performances of Lithium Niobate Ring Modulator Using Ring-Pair Structure. Adv. Photonics Res. 2023, 4, 2300169. [Google Scholar] [CrossRef]
- Meijerink, A.; Roeloffzen, C.G.; Meijerink, R.; Zhuang, L.; Marpaung, D.A.; Bentum, M.J.; Burla, M.; Verpoorte, J.; Jorna, P.; Hulzinga, A.; et al. Novel ring resonator-based integrated photonic beamformer for broadband phased array receive antennas—Part I: Design and performance analysis. J. Light. Technol. 2009, 28, 3–18. [Google Scholar] [CrossRef]
- Rajan, G. Optical Fiber Sensors: Advanced Techniques and Applications; CRC Press: Boca Raton, FL, USA, 2017. [Google Scholar]
- Singal, T.L. Optical Fiber Communications: Principles and Applications; Cambridge University Press: Cambridge, UK, 2016. [Google Scholar]
- Ghigo, G.; Torsello, D. Microwave Analysis of Unconventional Superconductors with Coplanar-Resonator Techniques; Springer: Berlin/Heidelberg, Germany, 2022. [Google Scholar]
- Mohammad, A.W.; Roeloffzen, C.G.; van Dijk, P.W.; Wevers, L.; Ghelfi, P.; Reza, M.; Otto, T.; Mohammadhoseini, H.; Heuvink, R.; Sahin, F.; et al. Design, fabrication, and characterization of a hybrid integrated photonic module for a synthetic aperture radar receiver. J. Light. Technol. 2024, 42, 760–770. [Google Scholar] [CrossRef]
- Nikdast, M.; Pasricha, S.; Nicolescu, G.; Seyedi, A.; Liang, D. Silicon Photonics for High-Performance Computing and Beyond; CRC Press: Boca Raton, FL, USA, 2021. [Google Scholar]
- Urick, V.J.; Williams, K.J.; McKinney, J.D. Fundamentals of Microwave Photonics; John Wiley & Sons: Hoboken, NJ, USA, 2015. [Google Scholar]
- Binh, L. Photonic Signal Processing, Second Edition: Techniques and Applications; Optical Science and Engineering; CRC Press: Boca Raton, FL, USA, 2019. [Google Scholar]








| Variable | Maximum Tolerated Error | SI Unit |
|---|---|---|
| - | ||
Disclaimer/Publisher’s Note: The statements, opinions and data contained in all publications are solely those of the individual author(s) and contributor(s) and not of MDPI and/or the editor(s). MDPI and/or the editor(s) disclaim responsibility for any injury to people or property resulting from any ideas, methods, instructions or products referred to in the content. |
© 2025 by the authors. Licensee MDPI, Basel, Switzerland. This article is an open access article distributed under the terms and conditions of the Creative Commons Attribution (CC BY) license (https://creativecommons.org/licenses/by/4.0/).
Share and Cite
Rivera, S.; César-Cuello, J.; Gallego, D.; Carpintero, G. Tunable Band-Pass Filters with Long Periodicity Using Cascaded Mach-Zehnder Interferometer Networks. Photonics 2025, 12, 1154. https://doi.org/10.3390/photonics12121154
Rivera S, César-Cuello J, Gallego D, Carpintero G. Tunable Band-Pass Filters with Long Periodicity Using Cascaded Mach-Zehnder Interferometer Networks. Photonics. 2025; 12(12):1154. https://doi.org/10.3390/photonics12121154
Chicago/Turabian StyleRivera, Sergio, Jessica César-Cuello, Daniel Gallego, and Guillermo Carpintero. 2025. "Tunable Band-Pass Filters with Long Periodicity Using Cascaded Mach-Zehnder Interferometer Networks" Photonics 12, no. 12: 1154. https://doi.org/10.3390/photonics12121154
APA StyleRivera, S., César-Cuello, J., Gallego, D., & Carpintero, G. (2025). Tunable Band-Pass Filters with Long Periodicity Using Cascaded Mach-Zehnder Interferometer Networks. Photonics, 12(12), 1154. https://doi.org/10.3390/photonics12121154

