PAT for Continuous Chromatography Integrated into Continuous Manufacturing of Biologics towards Autonomous Operation
Abstract
1. Introduction
2. Materials and Methods
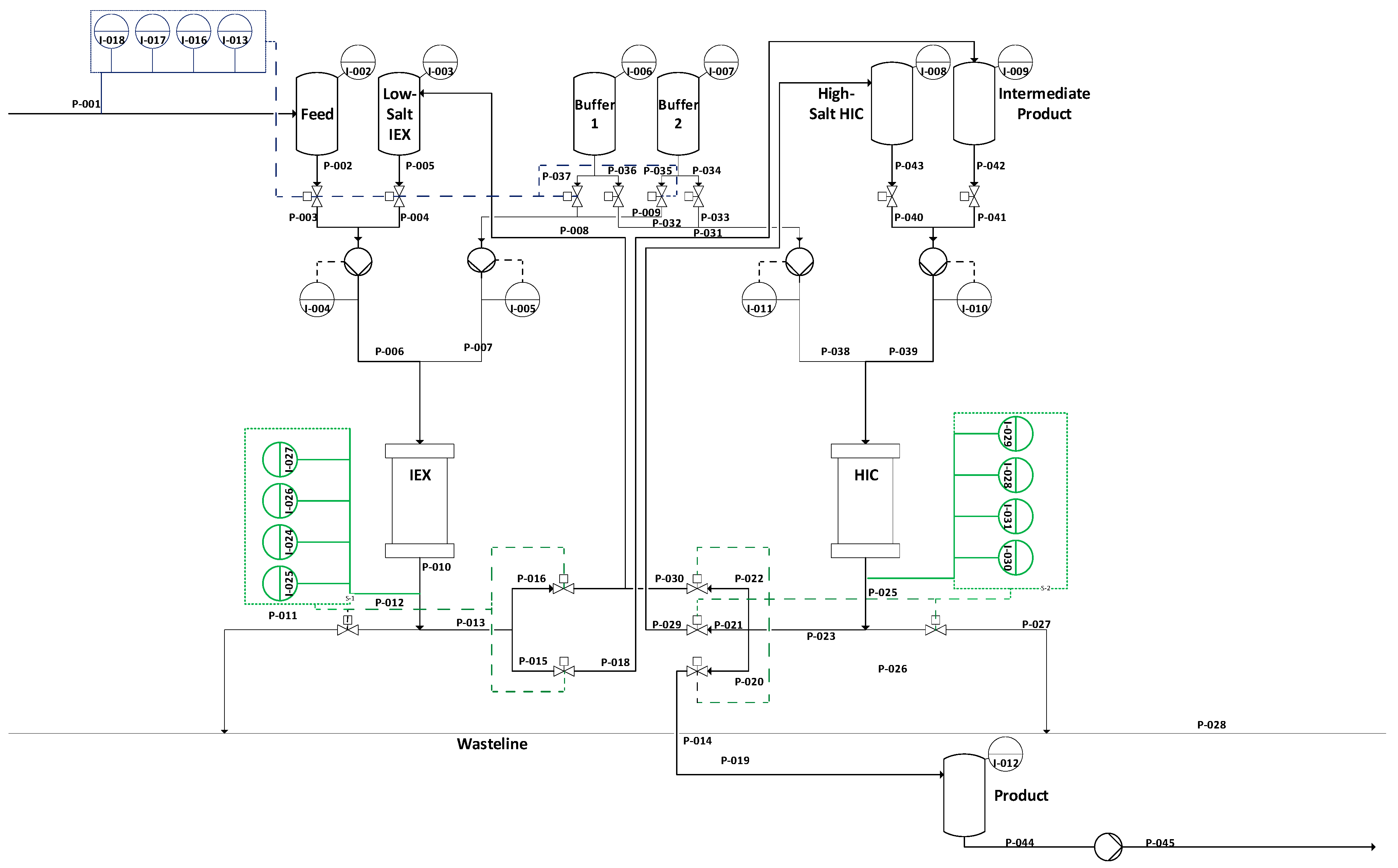
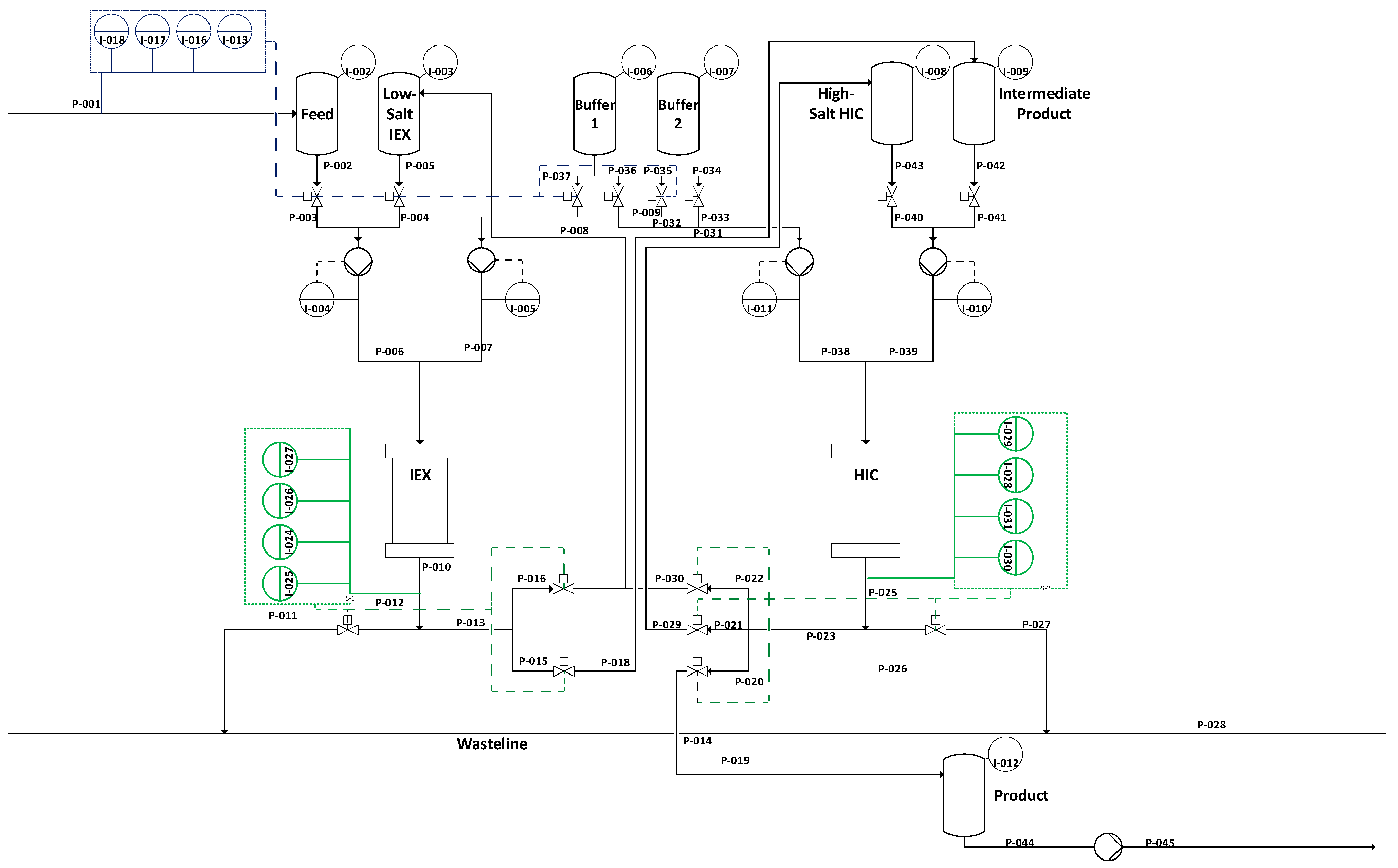
2.1. Experimental Setup
2.2. Identification of Components
2.3. Data Analysis
2.4. Combination of Spectroscopic Data
2.5. Online Analytics
2.6. Offline
2.7. Simulation
2.7.1. Parameter Determination
2.7.2. Process Model Overview
3. Results of PAT
3.1. Scatter Effects
3.2. PLS Models
3.3. Combination of Spectroscopic Data
4. Simulation Results of Advanced Process Control in iCCC through PAT
4.1. Parameter Estimation
4.2. iCCC Modelling
4.3. Process Reaction to Disturbances
5. Discussion
6. Conclusions
Author Contributions
Funding
Institutional Review Board Statement
Informed Consent Statement
Data Availability Statement
Acknowledgments
Conflicts of Interest
References
- Kornecki, M.; Schmidt, A.; Lohmann, L.; Huter, M.; Mestmäcker, F.; Klepzig, L.; Mouellef, M.; Zobel-Roos, S.; Strube, J. Accelerating Biomanufacturing by Modeling of Continuous Bioprocessing—Piloting Case Study of Monoclonal Antibody Manufacturing. Processes 2019, 7, 495. [Google Scholar] [CrossRef]
- Feidl, F.; Vogg, S.; Wolf, M.; Podobnik, M.; Ruggeri, C.; Ulmer, N.; Wälchli, R.; Souquet, J.; Broly, H.; Butté, A.; et al. Process-wide control and automation of an integrated continuous manufacturing platform for antibodies. Biotechnol. Bioeng. 2020, 117, 1367–1380. [Google Scholar] [CrossRef]
- Otto, R.; Santagostino, A.; Schrader, U. Rapid Growth in Biopharma: Challenges and Opportunities. 2014. Available online: https://www.mckinsey.com.br/~/media/McKinsey/Industries/Healthcare%20Systems%20and%20Services/Our%20Insights/Rapid%20growth%20in%20biopharma/Rapid%20growth%20in%20biopharma%20Challenges%20and%20opportunities.pdf (accessed on 6 March 2021).
- Walther, J.; Godawat, R.; Hwang, C.; Abe, Y.; Sinclair, A.; Konstantinov, K. The business impact of an integrated continuous biomanufacturing platform for recombinant protein production. J. Biotechnol. 2015, 213, 3–12. [Google Scholar] [CrossRef]
- Kornecki, M.; Strube, J. Accelerating Biologics Manufacturing by Upstream Process Modelling. Processes 2019, 7, 166. [Google Scholar] [CrossRef]
- Subramanian, G. Continuous Biomanufacturing—Innovative Technologies and Methods; Wiley-VCH: Weinheim, Germany, 2017; ISBN 9783527699902. [Google Scholar]
- Kamga, M.-H.; Cattaneo, M.; Yoon, S. Integrated continuous biomanufacturing platform with ATF perfusion and one column chromatography operation for optimum resin utilization and productivity. Prep. Biochem. Biotechnol. 2018, 48, 383–390. [Google Scholar] [CrossRef]
- Vogg, S.; Müller-Späth, T.; Morbidelli, M. Design space and robustness analysis of batch and counter-current frontal chromatography processes for the removal of antibody aggregates. J. Chromatogr. A 2020, 1619, 460943. [Google Scholar] [CrossRef]
- Zobel-Roos, S.; Schmidt, A.; Mestmäcker, F.; Mouellef, M.; Huter, M.; Uhlenbrock, L.; Kornecki, M.; Lohmann, L.; Ditz, R.; Strube, J. Accelerating Biologics Manufacturing by Modeling or: Is Approval under the QbD and PAT Approaches Demanded by Authorities Acceptable Without a Digital-Twin? Processes 2019, 7, 94. [Google Scholar] [CrossRef]
- Zobel-Roos, S.; Mouellef, M.; Ditz, R.; Strube, J. Distinct and Quantitative Validation Method for Predictive Process Modelling in Preparative Chromatography of Synthetic and Bio-Based Feed Mixtures Following a Quality-by-Design (QbD) Approach. Processes 2019, 7, 580. [Google Scholar] [CrossRef]
- Zobel-Roos, S.; Mouellef, M.; Siemers, C.; Strube, J. Process Analytical Approach towards Quality Controlled Process Automation for the Downstream of Protein Mixtures by Inline Concentration Measurements Based on Ultraviolet/Visible Light (UV/VIS) Spectral Analysis. Antibodies 2017, 6, 24. [Google Scholar] [CrossRef]
- Godawat, R.; Brower, K.; Jain, S.; Konstantinov, K.; Riske, F.; Warikoo, V. Periodic counter-current chromatography–Design and operational considerations for integrated and continuous purification of proteins. Biotechnol. J. 2012, 7, 1496–1508. [Google Scholar] [CrossRef]
- Müller-Späth, T.; Aumann, L.; Melter, L.; Ströhlein, G.; Morbidelli, M. Chromatographic separation of three monoclonal antibody variants using multicolumn countercurrent solvent gradient purification (MCSGP). Biotechnol. Bioeng. 2008, 100, 1166–1177. [Google Scholar] [CrossRef] [PubMed]
- Strube, J. Technische Chromatographie: Auslegung, Optimierung, Betrieb und Wirtschaftlichkeit; Shaker: Aachen, Germany, 2000; ISBN 3826568974. [Google Scholar]
- Strube, J.; Klatt, K.-U.; Noeth, G.; Greifenberg, J.; Boecker, S.; Kansy, H.; Jaehn, P.; Justen, B. Method for the Production of Chemical and Pharmaceutical Products with Integrated Multicolumn Chromatography. U.S. Patent 7,615,159, 10 November 2009. [Google Scholar]
- Brestrich, N.; Rüdt, M.; Büchler, D.; Hubbuch, J. Selective protein quantification for preparative chromatography using variable pathlength UV/Vis spectroscopy and partial least squares regression. Chem. Eng. Sci. 2018, 176, 157–164. [Google Scholar] [CrossRef]
- Feidl, F.; Garbellini, S.; Vogg, S.; Sokolov, M.; Souquet, J.; Broly, H.; Butté, A.; Morbidelli, M. A new flow cell and chemometric protocol for implementing in-line Raman spectroscopy in chromatography. Biotechnol. Prog. 2019, 35, e2847. [Google Scholar] [CrossRef]
- Wang, Y.; Boysen, R.I.; Wood, B.R.; Kansiz, M.; McNaughton, D.; Hearn, M.T.W. Determination of the secondary structure of proteins in different environments by FTIR-ATR spectroscopy and PLS regression. Biopolymers 2008, 89, 895–905. [Google Scholar] [CrossRef] [PubMed]
- Boulet-Audet, M.; Kazarian, S.G.; Byrne, B. In-column ATR-FTIR spectroscopy to monitor affinity chromatography purification of monoclonal antibodies. Sci. Rep. 2016, 6, 30526. [Google Scholar] [CrossRef]
- Walther, C.; Mayer, S.; Jungbauer, A.; Dürauer, A. Getting ready for PAT: Scale up and inline monitoring of protein refolding of Npro fusion proteins. Process. Biochem. 2014, 49, 1113–1121. [Google Scholar] [CrossRef]
- Sauer, D.G.; Melcher, M.; Mosor, M.; Walch, N.; Berkemeyer, M.; Scharl-Hirsch, T.; Leisch, F.; Jungbauer, A.; Dürauer, A. Real-time monitoring and model-based prediction of purity and quantity during a chromatographic capture of fibroblast growth factor 2. Biotechnol. Bioeng. 2019, 116, 1999–2009. [Google Scholar] [CrossRef]
- Rolinger, L.; Rüdt, M.; Diehm, J.; Chow-Hubbertz, J.; Heitmann, M.; Schleper, S.; Hubbuch, J. Multi-attribute PAT for UF/DF of Proteins—Monitoring Concentration, particle sizes, and Buffer Exchange. Anal. Bioanal. Chem. 2020, 412, 2123–2136. [Google Scholar] [CrossRef] [PubMed]
- Zobel, S.; Helling, C.; Ditz, R.; Strube, J. Design and Operation of Continuous Countercurrent Chromatography in Biotechnological Production. Ind. Eng. Chem. Res. 2014, 53, 9169–9185. [Google Scholar] [CrossRef]
- Helgers, H.; Schmidt, A.; Lohmann, L.J.; Vetter, F.L.; Juckers, A.; Jensch, C.; Mouellef, M.; Zobel-Roos, S.; Strube, J. Towards Autonomous Operation by Advanced Process Control—Process Analytical Technology for Continuous Biologics Antibody Manufacturing. Processes 2021, 9, 172. [Google Scholar] [CrossRef]
- Guiochon, G. Fundamentals of Preparative and Nonlinear Chromatography, 2nd ed.; Elsevier: Amsterdam, The Netherlands, 2006; ISBN 9780123705372. [Google Scholar]
- Zobel-Roos, S. Entwicklung, Modellierung und Validierung von Integrierten Kontinuierlichen Gegenstrom-Chromatographie-Prozessen. Ph.D. Thesis, Technische Universität Clausthal, Clausthal, Germany, 2018. [Google Scholar]
- Dünnebier, G.; Engell, S.; Epping, A.; Hanisch, F.; Jupke, A.; Klatt, K.-U.; Schmidt-Traub, H. Model-based control of batch chromatography. AIChE J. 2001, 47, 2493–2502. [Google Scholar] [CrossRef]
- Brooks, C.A.; Cramer, S.M. Steric mass-action ion exchange: Displacement profiles and induced salt gradients. AIChE J. 1992, 38, 1969–1978. [Google Scholar] [CrossRef]
- Carta, G.; Jungbauer, A. Protein chromatography. In Process Development and Scale-Up; Wiley-VCH: Weinheim, Germany, 2010; ISBN 978-3-527-31819-3. [Google Scholar]
- Seidel-Morgenstern, A.; Guiochon, G. Modelling of the competitive isotherms and the chromatographic separation of two enantiomers. Chem. Eng. Sci. 1993, 48, 2787–2797. [Google Scholar] [CrossRef]
- Langmuir, I. The adsorption of gases on plane surfaces of glass, mica and platinum. J. Am. Chem. Soc. 1918, 40, 1361–1403. [Google Scholar] [CrossRef]
- Leśko, M.; Åsberg, D.; Enmark, M.; Samuelsson, J.; Fornstedt, T.; Kaczmarski, K. Choice of Model for Estimation of Adsorption Isotherm Parameters in Gradient Elution Preparative Liquid Chromatography. Chromatographia 2015, 78, 1293–1297. [Google Scholar] [CrossRef]
- Seidel-Morgenstern, A. Experimental determination of single solute and competitive adsorption isotherms. J. Chromatogr. A 2004, 1037, 255–272. [Google Scholar] [CrossRef]
- Carta, G.; Rodrigues, A.E. Diffusion and convection in chromatographic processes using permeable supports with a bidisperse pore structure. Chem. Eng. Sci. 1993, 48, 3927–3935. [Google Scholar] [CrossRef]
- Wilson, E.J.; Geankoplis, C.J. Liquid Mass Transfer at Very Low Reynolds Numbers in Packed Beds. Ind. Eng. Chem. Fundam. 1966, 5, 9–14. [Google Scholar] [CrossRef]
- Dittmar, R. Advanced Process Control: PID-Basisregelungen, Vermaschte Regelungsstrukturen, Softsensoren, Model Predictive Control; De Gruyter: Berlin, Germany, 2017; ISBN 978-3-11-049997-1. [Google Scholar]
- Keerthi, S.S.; Gilbert, E.G. Optimal infinite-horizon feedback laws for a general class of constrained discrete-time systems: Stability and moving-horizon approximations. J. Optim. Theory Appl. 1988, 57, 265–293. [Google Scholar] [CrossRef]
- Song, I.-H.; Amanullah, M.; Erdem, G.; Mazzotti, M.; Rhee, H.-K. Experimental implementation of identification-based optimizing control of a simulated moving bed process. J. Chromatogr. A 2006, 1113, 60–73. [Google Scholar] [CrossRef] [PubMed]
- Sommeregger, W.; Sissolak, B.; Kandra, K.; Von Stosch, M.; Mayer, M.; Striedner, G. Quality by control: Towards model predictive control of mammalian cell culture bioprocesses. Biotechnol. J. 2017, 12. [Google Scholar] [CrossRef]
- Fanali, S. Editorial on “Simulated moving bed chromatography for the separation of enantiomers” by A. Rajendran, G. Paredes and M. Mazzotti. J. Chromatogr. A 2009, 1216, 708. [Google Scholar] [CrossRef]
- Felfödi, E.; Scharl, T.; Melcher, M.; Dürauer, A.; Wright, K.; Jungbauer, A. Osmolality is a predictor for model-based real time monitoring of concentration in protein chromatography. J. Chem. Technol. Biotechnol. 2019, 14, 1146–1152. [Google Scholar] [CrossRef]
- Buijs, J.; Norde, W.; Lichtenbelt, J.W.T. Changes in the Secondary Structure of Adsorbed IgG and F(ab’)2Studied by FTIR Spectroscopy. Langmuir 1996, 12, 1605–1613. [Google Scholar] [CrossRef]
- Christler, A.; Felföldi, E.; Mosor, M.; Sauer, D.; Walch, N.; Dürauer, A.; Jungbauer, A. Semi-automation of process analytics reduces operator effect. Bioprocess Biosyst. Eng. 2019, 43, 753–764. [Google Scholar] [CrossRef]


















| Spectra | Monomer R2 | Dimer R2 | LMW 1 R2 | LMW 2 R2 |
|---|---|---|---|---|
| DAD | 0.94 | 0.61 | 0.76 | 0.17 |
| Fluorescence | 0.93 | 0.84 | 0.67 | 0.90 |
| Combination | 0.93 | 0.67 | 0.91 | 0.93 |
| Spectra | Monomer RMSE/g∙L−1 | Dimer RMSE/g∙L−1 | LMW 1 RMSE/g∙L−1 | LMW 2 RMSE/g∙L−1 |
|---|---|---|---|---|
| DAD | 0.023 | 0.0073 | 0.022 | 0.037 |
| Fluorescence | 0.022 | 0.0034 | 0.022 | 0.013 |
| Combination | 0.027 | 0.0047 | 0.016 | 0.014 |
| Method | Average/g∙L−1 | Standard Deviation/g∙L−1 | Max/g∙L−1 | Min/g∙L−1 |
|---|---|---|---|---|
| DAD | 0.0015 | 0.020 | 0.066 | −0.023 |
| Fluorescence | 0.0080 | 0.006 | 0.020 | −0.003 |
| Combination | 0.0003 | 0.018 | 0.025 | −0.029 |
| FTIR | 0.1266 | 0.061 | 0.204 | 0.056 |
| Run | Yield Cycle 5/% | Concentration Cycle 5/g∙L−1 | Overall Yield/% |
|---|---|---|---|
| Standard | 97.0 | 4.4 | 87.5 |
| High IgG concentration | 97.9 | 4.7 | 91.1 |
| High process flowrate | 98.2 | 4.9 | 93.0 |
| High Purity | 95.5 | 4.4 | 89.3 |
| Low IgG concentration | 90.3 | 3.8 | 78.4 |
| Low process flowrate | 90.6 | 3.8 | 78.6 |
| Low Purity | 97.0 | 4.4 | 87.4 |
| Run | Yield Cycle 5/% | Concentration Cycle 5/g∙L−1 | Overall Yield/% |
|---|---|---|---|
| High IgG concentration, low process flow rate | 95.1 | 4.2 | 83.3 |
| Low IgG concentration, high process flow rate | 96.9 | 4.4 | 87.4 |
Publisher’s Note: MDPI stays neutral with regard to jurisdictional claims in published maps and institutional affiliations. |
© 2021 by the authors. Licensee MDPI, Basel, Switzerland. This article is an open access article distributed under the terms and conditions of the Creative Commons Attribution (CC BY) license (http://creativecommons.org/licenses/by/4.0/).
Share and Cite
Vetter, F.L.; Zobel-Roos, S.; Strube, J. PAT for Continuous Chromatography Integrated into Continuous Manufacturing of Biologics towards Autonomous Operation. Processes 2021, 9, 472. https://doi.org/10.3390/pr9030472
Vetter FL, Zobel-Roos S, Strube J. PAT for Continuous Chromatography Integrated into Continuous Manufacturing of Biologics towards Autonomous Operation. Processes. 2021; 9(3):472. https://doi.org/10.3390/pr9030472
Chicago/Turabian StyleVetter, Florian Lukas, Steffen Zobel-Roos, and Jochen Strube. 2021. "PAT for Continuous Chromatography Integrated into Continuous Manufacturing of Biologics towards Autonomous Operation" Processes 9, no. 3: 472. https://doi.org/10.3390/pr9030472
APA StyleVetter, F. L., Zobel-Roos, S., & Strube, J. (2021). PAT for Continuous Chromatography Integrated into Continuous Manufacturing of Biologics towards Autonomous Operation. Processes, 9(3), 472. https://doi.org/10.3390/pr9030472
