Next Article in Journal
Environmental Method for Synthesizing Amorphous Silica Oxide Nanoparticles from a Natural Material
Previous Article in Journal
Optimal Water Management in Agro-Industrial Districts: An Energy Hub’s Case Study in the Southeast of Spain
Previous Article in Special Issue
Forecasting Quantitative Risk Indicators of Investors in Projects of Biohydrogen Production from Agricultural Raw Materials
 
 
Font Type:
Arial Georgia Verdana
Font Size:
Aa Aa Aa
Line Spacing:
Column Width:
Background:
Article

Biomass Energy Technologies from Innovative Dairy Farming Systems

1
Department of Rural Technical Infrastructure Poland, Institute of Technology and Life Sciences, Warsaw Branch, Rakowiecka 32, 02-532 Warsaw, Poland
2
The Higher School of Agribusiness in Lomza, 18-402 Lomza, Poland
3
Department of Production Organization, Logistics and Applied Computer Science, University of Agriculture in Krakow, 30-149 Krakow, Poland
4
Eastern European State College of Higher Education in Przemyśl, Książąt Lubomirskich 6, 37-700 Przemyśl, Poland
*
Author to whom correspondence should be addressed.
Processes 2021, 9(2), 335; https://doi.org/10.3390/pr9020335
Submission received: 11 November 2020 / Revised: 28 January 2021 / Accepted: 3 February 2021 / Published: 12 February 2021
(This article belongs to the Special Issue Biogas Production Processes from Biomass)

Abstract

Modern and innovative dairy cattle breeding technologies are highly dependent on the level of mechanization. This article presents modern solutions for dairy cattle breeding, in particular, for livestock buildings, in which longitudinal development is possible in accordance with the farm’s needs as well as with obtaining additional energy from biogas and post-ferment for granulated organic fertilizer. In the analysed technology for milk production, methane fermentation, biogas yield, and the possibility of fertilizer production in the form of granules are considered. The presented modular cattle breeding technology includes sustainable production, which is economic; environmentally friendly, with preconditions in the facility including animal welfare; and socially acceptable, resulting from a high level of mechanization, which ensures both comfortable working conditions and high milk quality. The presented production line is an integral part of the milk production process with the possibility of organic fertilizer being used in the production of healthy food.

1. Introduction, Objective, and Scope of the Paper

Modern innovative farming systems [1,2] should be implemented in functional buildings equipped with facilities and machinery that ensure the acquisition of high-quality raw material and proper animal conditions. The buildings should be designed and implemented within the technical standards currently enforced in Poland. The technology systems used for animal husbandry in modern facilities are at minimal risk to the environment [3,4,5].
The objective of this paper is to present a sustainable technology in milk production on farms along with an opportunity to obtain biomass in the form of a fermented substrate for the production needs of organic fertilizer. There is great demand for such a type of fertilizer, in particular, in agricultural and horticultural production. The main component of fertilizer, namely, post-fermented mass, is rich in nutrients N, P, and K in mineral form, directly available for plants [6]. This paper presents the following in a detailed manner:
a modern (innovative) system of dairy cattle breeding that enables maintaining animal welfare including innovative solutions with regard to mechanization, and milk and natural fertilizer production;
animal security systems for high-quality feed suitable for the age group and lactation period; and
a complex system of management for natural fertilizer through methane fermentation (energy biomass) and further production of organic fertilizer.
The scope of the paper includes the following:
a detailed description of milking treatment, feeding, and disposal and storage of fertilizers;
a technological and functional scheme of cowshed along with the biogas production concept and line for biofertilizer production;
a schedule of the operation time of machines and services;
calculation of the energy consumption through technical production means;
description of the biogas operation parameters, the estimation of energy consumption of the drying line, and the granulation of natural fertilizer; and
description of the parameters of a cowshed microclimate.
The main elements that influence environmental conditions both inside and outside livestock buildings are the following [7,8]:
concentration and type of animal production,
animal husbandry system (on-site, free-standing, bedding, and bedding-free),
climate zone,
organization of the production process,
management of natural fertilizers (manure, liquid manure, and slurry), and
the microclimate inside facilities developed by technical and technological factors.
The implementation of modern innovative solutions for livestock facilities, which are an essential element in milk and meat production processes should take into consideration sustainable development of the farm [9,10,11,12].
The sustainable development of a specialized farm consists of the following issues:
environmental restrictions, including gas emissions (i.a. CO2, NH3, CH4, NOx, and H2S);
groundwater contamination, soil contamination, pollination, and noise;
restrictions related to ensuring product safety, including animal welfare, safety and comfort of use, and quality of produced raw material;
economic restrictions: stability of the product price (agricultural raw materials), the stability of energy, and electricity prices; and
social restrictions resulting from the need for a high level of mechanization, automation, and robotization, which allow for full control of production in terms of raw material quality and animal welfare, using computer information.
Bravo-Ureta B.E., in particular, carried out a meta-analysis of the technical effectiveness of farm development and, as a result, found a higher level of technical effectiveness on farms keeping animals, especially dairy cattle [3].
Among the factors contributing to sustainability, according to [13], there are economic and ecological social aspects. The ecological criteria are comprised of the use of nutrients and organic materials, water, energy, and environmental effects [13,14,15].
The RISE (Response-Inducing Sustainability Evaluation) model allows for holistic assessment of the sustainability of agricultural production at the farm level [4].
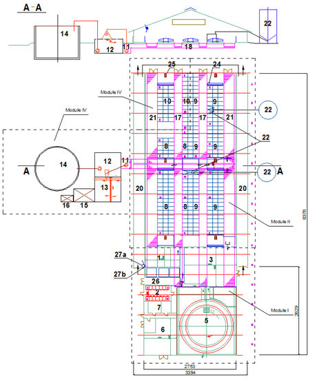
The concept of modular design for dairy cows in an open cycle with infrastructure components resulting from the need to reduce greenhouse gas emissions, ammonia, human labor, and energy inputs is the subject of development in this study. The land-use plan for the proposed modular investment is shown in Figure 1.

2. Project Concept

This technological project involved the construction of an indoor building with two separate feed corridors and a supply and exhaust ventilation system through the roof. The estimated external dimensions were 35 m × 86 m.
The assumed stock of animals was 200 cows: the number of dairy cows was 160, and the number of dry cows was 40. The concept of using technology modules allows for the stock to grow to about 250 cows in the open cycle. The cowshed was designed for high-milk cows in an open cycle with an output concentration of about 200 cows. Rooms for calves, duvets, and births were foreseen. For the functions performed, the interior of a free-standing boxing cowshed was divided into places for rest (individual box beds), places for feeding, a milking parlor, a room for storing milk, a delivery room with a room for calves, and other premises (a common room, a cloakroom, a toilet, etc.).

3. Technology of Animal Keeping

The technological and functional concept provides litter-free maintenance. The milking system in the milking room was of carousel type and can be used for 32 cows. The preliminary treatment of milk consisted of chilling in a tank cooler, with the temperature at up to 4 °C, with a heat recovery system.
The frequency of milk collection was once a day or every two days depending on the contract with the milk processing plant.
Module I: 1—a delivery pen, 2—individual pens for calves up to 8 months, 3—the milking room, 4—the return corridor, 5—a carousel milking parlor for 32 stands, 6—the milk cooling room, and 7—an auxiliary room.
Module II: 8—cubicles (boxes) for cows in the 1st lactation phase and 9—boxes for the cows in the 2nd lactation phase.
Module III: 10—boxes for dry cows.
Module IV: 11—a tank for fresh slurry, 12—a tank with a liquid manure separator, 13—a solid fraction warehouse, 14—a tank for a liquid fraction of slurry, 15—a mixer-dryer, and 16—an organic-mineral fertilizer granulator.
Other technology components: 17—slurry and walking corridors, 18—longitudinal slurry channels, 19—transverse channel under a slatted floor, 20—a feed corridor, 21—a forage area, 22—concentrated silos, 23—a feed station, 24—a drinking trough, 25—a cow brush, 26—an emergency exit, 27a—a robot pushing feed servicing both feed corridors, and 27b—the charging station for the pushing robot.
It was planned that the components of the usable area of the building are functionally linked to the herd structure, creating a modular system (Figure 1). The modular construction allowed us to develop the technological area following the standards and needs of the investor.

4. Description of the Milk Cow Farming System

The herd of dairy cows was kept in a bedding boxless system (marked in Figure 1 as 8 and 9). This part of the cowshed is Module II. On the other hand, the cows dried up to two months before the calving date stayed in the boxes marked 10. Module III covered the cows’ zone.
The sleeping structures in the boxing cowsheds called boxes were intended for each cow for rest and were designated by the sidewalls and the front and back edges. These cubicles (boxes) were constructed in such a way that the animals are happy to stay there. They complied with the following conditions: the bed was insulated and dry, the side divider separated the neighboring animals in order not to cause injuries, and the size of the boxes was suitable for the weight of the animals so that they did not restrict their movements when standing up and lying down.
The side dividers were made of steel tubes. The floor of the box was raised, considering the manure corridor, by 10 to 20 cm to prevent animals from entering the bed backwards and making it dirty.
The arrangement of boxes in the cowshed depended on the method of nutrition mechanization, the locations of the manure corridors and the milking parlor, the method of disposing of the excrement, etc. In modern cowsheds, this type of box can be arranged next to sidewalls of the cowshed or in the centre of the cowshed along the feed corridor in one or more rows.
The dimensions of the boxes were determined by the Regulation of the Minister for Agriculture and Rural Development of 28th June 2010 based on the minimum conditions for keeping livestock species other than those for which the standards of protection are laid down by European Union legislation. According to the Journal of Laws 2010, No. 116, item No. 778. [16], in the case of cows and heifers over the seventh month of pregnancy, the width of the box shall be at least 1.1 m and the length of the box shall be at least 2.1 m. However, due to care for the welfare of the cows, the recommended values are the following: width of 1.2 m and length of 2.4 m [5,17].
The maintenance system was litter-free boxing with the possibility of mulching a bed of approximately 0.5 kg of separator per cow per day. The recycled manure bedding (RMS) was safe in bacteriological terms and free of parasites and did not cause any deterioration in milk quality [18,19,20,21]. It combined two advantages: it improved the comfort of cows’ rest with litter material savings. In contrast, farrowing pens were mulched with good quality straw.

5. Technological Processes in a Cowshed—Including Robotization

5.1. Milking Cows and Pretreatment of Milk—Treatment I

Milking system and milk chilling: the carousel machine was for 32 stands with automatic start and removal of the milking equipment. The choice of such a solution minimized the human workload and ensured smooth operation of the milking. The milk was chilled in a 10,000 liter cooler with heat recovery. The heat taken from the milk cooling process was used to heat water for washing the milking and cooling installations. It resulted in a significant reduction in the amount of electricity consumed compared to conventional heating. The expected collection of milk from the farm was every two days.

5.2. Preparation and Feeding—Treatment II

In the free-standing cowsheds, cows took feed from the feed table while staying in the corridor, which separated the boxes from the feed corridor. The trough was separated from the manure corridor utilizing feed ladders, as it was a feeding station. The width of the access to a trough was between 70 and 80 cm.
The proportion of the number of posts in the number of boxes was less than 1:1 in free-of-position cowsheds. Two cows per feeding station were allowed if they were expected to be fed ad libitum. In the projector, simultaneous access to a trough on the level of about 75% was planned in the designed cowshed.
-
Feeding roughage: Total Mixed Ration (TMR), collected, and mixed with the self-propelled forage wagon mixing with a milling selector. Silage was stored in transport silos or folic sleeves. Haylage, in the form of bales, was stored under the shelter and sheltered from atmospheric conditions. The concentrated feed was stored in vertical steel silos, floor silos, or big-bag silos. The amount of concentrated feed at the TMR dosage was dependent on the lactation phase. The self-loading feed wagon fed cows in two feed corridors, which were located at the side walls. To ensure smooth feed collection, it was recommended to give cows TMR ad libitum.
Also, a robot was used for pushing feed, which resulted in cows approaching the feed table more frequently and in better use of feed. According to the lactating phase, the cows received a dose of concentrated feed in the automatic feed station. The amount of dose was computer programmed:
-
Water demand order: to obtain good results in dairy cattle farming, it was necessary to provide animals with a sufficient amount of good water at any time. Quantitative water consumption depends on the type of feed, water temperature, and climatic factors.
-
Dairy cows drink 80 L of water a day (and sometimes more). The additional demand for water for cleaning purposes is 5–15% of the total water demand for all animals in the cowshed.

5.3. Removal of Manure—Treatment III

The slatted floor served as a manure corridor in the designed cowshed. It also covered the manure channel. The elements of the slatted floor met the following requirements:
-
self-cleaning, which means having an appropriate gap between the beams, with the width between the beams and the gaps adapted to the age group of kept animals;
-
comfortable and safe for animals when standing and moving around; and
-
robust and resistant to mechanical and chemical damage.
The longitudinal channels were completed with a threshold of 15–20 cm in the design of the technology. The manure from the longitudinal channels float to the transverse channel on a self-float basis. The decrease in the transverse channel was up to 3%. From the transverse channel, the slurry reached the outer tank and then was treated according to the diagram of Module IV.
Cleaning the floor of the manure-walking corridors was performed by a robot. Its route and frequency were programmed. Due to this concept, it was possible to eliminate very hard and unpleasant human work.

5.4. Various Work—Treatment IV

Care services that lead to an improvement in animals’ well-being and indirectly to an increase in milk yield may also be qualified as various types of work. Rotary mechanical cow brushes, which are activated automatically by a sensor, help maintain cows’ hair. The cow, which is within the scope of the cow brush’s operation, surrounds the electric motor, which drives the cow brush.
Another care service is regular care of hooves carried out by qualified personnel using tools for this purpose. The animals to be treated must be immobilized in the cattle crush. It is necessary for the safety of the service.
A technological scheme diagram for 200 dairy cows is shown in Figure 1.

6. Schedule of Work and Animal Service in the Cowshed

The work organization of the technological process described above according to the schedule of a working day (Figure 2) allows us to define the following:
(a)
individual daily labor expenditure was calculated per large animal unit (LU; 1 LU = 500 kg):
-
milking and milk pretreatment: 1.4 man-minutes·LU−1·day−1,
-
preparation and distribution of feed: 0.785 man-minutes·LU−1·day−1,
-
disposal, storage, and processing of manure: 0.1 man-minutes·LU−1·day−1,
-
various work: 0.3 man-minutes·LU−1·day−1.
Altogether 2.585 man-minutes·LU−1·day−1.
(b)
daily electrical energy consumption:
-
milking and milking pretreatment: 11.3 kWh·day−1,
-
preparation and distribution of feed: 7.56 kWh·day−1,
-
disposal and storage of natural fertilizer: 0.495 kWh·day−1.
(c)
daily mechanical energy consumption: preparation and distribution of feed 357.56 kWh.
The modular system of a cowshed and the animal keeping system allows us to define the environmental conditions:
-
ammonia concentration: below 20 ppm and ammonia emission 12–16 kg·LU−1·year−1,
-
a concentration of carbon dioxide lower than 3000 ppm,
-
air temperature over a summer period lower than 25 °C,
-
air humidity over a summer period lower than 75%.
Labor inputs in the proposed module cattle barn are shown Figure 3.

7. Innovative Management of Natural Fertilizers in a Module Cowshed

Because of the considerable amount of organic fertilizer—about 10,000 kg of slurry per day—the problem of proper management is particularly important. The typical amount of produced slurry from an average cow is 50 kg.
The proposed procedure for liquid manure involves the following:
-
separation;
-
storage of separated liquid fraction in a concrete cylindrical container;
-
mixing and drying of substantial manure fraction;
-
the part of the solid fraction being placed on the stalls as litter for approximately 0.5 kg per bed daily;
-
after mixing with mineral additives, the rest of the solid fraction being used for organic fertilizer production.
The components of the liquid manure separation process are shown in Figure 4.
The method of separation [22] of liquid manure shown in Figure 4 is carried out in accordance with patent No P.410755 [23]. This invention solves the construction of a device for evaporation and storage of solid mass from manure.
The obtained substrate from the separation of raw manure or after fermentation presented above can be prepared for granulation by mixing components with simultaneous drying to less than 17% humidity using a mixer-dryer [24]. According to the project of the invention (application no. P.417502 of 9.06.2016), the solution is a device that enables mixing of moist ingredients formed in the agricultural production process and then drying them. According to the invention, the washer-dryer shown in Figure 5 is fitted with a tank mounted on the arm with a hopped outer space and a discharge basket at the bottom. The discharge basket is locked with bolts. The three-band mixing screw line forming a conveyor is mounted inside the tank. The three-band mixing screw line forms a horizontal shaft connected to the engine with a reducer. The shaft is attached to it, perpendicular to the mandrels and three spiral bands that differ in diameter. The mandrels are located radially in the circumference of the shaft at equal distances from each other, with perpendicular crossbars at 90° to their axis and parallel to the axis of the shaft.
At the bottom of the tank of mixer-dryers, there were two ventilation chambers to which the heated air was supplied. The heated air was delivered to the ventilation chambers through a wire powered by the blower and the heat exchanger. The hot air was discharged from the ventilation chambers to the reservoir of openings made at the bottom of the container.
According to the presented invention, the development of the technological solution ensures very active movement of the ingredients of the mixture inside the tank. Thus, a high efficiency of the mixing process was achieved. It also reduced the intensity of the blending process. Additionally, it was possible to eliminate the phenomenon of “dead” areas in the tank where the mixing process did not take place. According to the invention, the solution ensures thorough mixing of all the components in the tank.
The screw system facilitated unloading due to the possibility of opening a sliding basket. The two compartments connected to two blowers with heat exchangers allowed hot air to be pressed from the bottom and for quick and accurate moisture removal from the moisture. The use of the regulator allowed for adjustments in the drying temperature to the prevailing conditions, mainly to the degree of humidity of the mixed components. The screw conveyor system ensured a high efficiency of mixing and drying due to active ventilation of the mixed mass, which, after drying and emptying the tank, is suitable for further use, e.g., for granulation (Figure 6). The estimated power of the installed line with a throughput of about 200–300 kg·h−1 is 26 kW. A comprehensive system for the production of granulated fertilizer from the fermented substrate is shown in Figure 7.
As the farm and its resources develop, the authors propose to gradually build a granular fertilizer production line equipped with the elements shown in Figure 7, including a biogas installation.
The diagram in Figure 7 shows a biogas installation with a digestion chamber with a capacity of 410 m3, a daily slurry production of 10 m3, and the addition of 2–3 m3 of green biomass substrate.
The digester, according to the scheme (Figure 7), is fed with fresh slurry from the farm (barn or shed) directly into the digester. The method of separation and storage of the substrate after methane fermentation is shown in Figure 7, and the technological layout of the complete line is shown in Figure 6.
Table 1 shows the data characterizing the proposed biogas plant.
The arrangement of devices shown in Figure 4, Figure 5, Figure 6 and Figure 7 form a compatible line for granulation of manure from the obtained substrate from the biogas plant.
The technologies described above constitute the technological system of connecting the following sets:
Set I—presented in Figure 4 and consists of a manure separator for solid and liquid fractions.
Set II—consists of a mixer-dryer of the solid fraction (Figure 5).
Set III—is a line for granulating the dried substrate (Figure 6).
The assembly of all the sets mentioned above is presented in Figure 7B.
The presented line is an integral part of the entire milk production process using the manure of organic fertilizer with eco-additives (microelements). The separated solid fraction is rich in phosphorus [12].
The fertilizer will be a market product for the production of healthy food. The technological system presented in the diagram should be rooted according to the needs and requirements.

8. Welfare, Technological, and Economic Indicators

Table 2, Table 3, Table 4 and Table 5 show the values of the indicators concerning building parameters affecting well-being, microclimate parameters, and technological and economic indicators. The results of our own research of a cowshed with a similar technological and functional arrangement and the proposed cowshed are presented in Table 2.
The economic data of the proposed cowshed, including investment costs, labor costs, and costs of electricity and mechanical energy are presented in Table 4, taking into account heat recovery from milk cooling (treatment I) from electricity production in a biogas plant and the production of granulated bio-fertilizer (treatment III).
Table 5 presents the microclimate parameters in reference objects and the proposed cowshed.
As a result of research on objects with a technological concept similar to the object’s solutions, this article considers the energy savings, quality data, animal welfare, microclimates, and economic data of the proposed cowshed solution.

9. Discussion

Heat recovery from milk enables savings of 40–60% electric energy needed for cooling milk to the temperature of 4 °C. Pipe heat exchangers produce a yield of 13,100 kWh of electric energy annually from every thousand litres of milk produced daily [5]. Similar results were obtained by Sapali et al. [25,26]. In their experiments, they had 53–65% of recovery of lost heat with milk cooling.
In the proposed cowshed, there is also a heat recovery system from milk and the recovered heat can be used to heat water needed for washing the milking installation and milk cooler.
Biogas plants for a substrate of agricultural origin, including monosubstrate-based plants for animal slurry or with the prevailing slurry content, have recently been developing dynamically [27,28,29,30]. The potential for producing biogas and energy from natural fertilizers is very high [12,31,32,33,34].
Slurry treatment technologies used in Europe are characterized by a high electricity demand, for example, Funki Manura 2000 technology with 50 kWh·t−1 and Green Farm Energy technology with 18.75 kWh·t−1 [31,35,36,37]. The solutions presented in the paper are innovative and have reduced demand for energy due to application of the following:
-
a heat exchanger for heat recovery from milk,
-
separation of raw liquid manure, and
-
an optimal process of mixing and drying solid fractions of post-ferment from the biogas plant in a mixer-dryer.
As the proposed facility introduced equipment for a separation and granulation line, the unit energy demand increased. Due to the innovative solutions, as a result of the extension with these devices, the electricity consumption will increase by 76.4% compared to reference plant 1 and by 32.5% compared to reference plant 2. The human labor input for the milking procedure in the designed cowshed is 32.36% lower than in reference plant 1 due to the fact that the milking is carried out by means of a rotary parlor. The low input in reference cowshed 2 was due to a milking robot—Automatic Miliking System (AMS).
The cubic capacity of the building in the proposed technology is 22.5% higher than the reference 1 facility and 22.62% higher than the reference 2 facility, which positively affects the level of welfare and prevents heat stress in cows with high milk yield.
Additionally, the air supply channels (x9) are 10% higher than in reference object 2 and as much as 25% higher than in reference object 1.
The comfort of cows is also defined by the unit area of beds, which is 21.9% higher than in reference object 1.
The access parameter dimension of the feed corridor (x4) in facility 3 is sufficient for welfare reasons according to standards [17] but allows for a reduction in the building’s length.
The separation of slurry and digestate produced on the farm under the anaerobic digestion system was recognised as the best environmental management practice by Commission Decision (EU) 2018/813 on 14 May 2018 in a sectoral reference document on the best environmental management practice, sectoral environmental performance indicators, and criteria of excellence for the agricultural sector under Regulation (EC) No. 1221/2009 of the European Parliament and the Council on the voluntary participation by organizations in a Community eco-management and audit scheme (EMAS) [38].
The processing of manure (especially slurry) before its application on agricultural land makes it possible to manage nutrients more precisely and to avoid overloading the soil with nitrogen and phosphorus. This method is recommended for use also due to the reduction in transport costs [37].
This investment allows for the application of smaller doses of natural fertilizers through their more efficient use and reduced mineral fertilizer consumption. Fertilization with the solid fraction derived from the slurry dose of 24 T·ha−1 fills the nutrient requirements to the following extent: N—30.3%, P—67%; and K—37.7% (our own calculation based on data from the Annex, Tables A3 and A4 [39]).
The tests for NH3 and Greenhouse Gases GHG emissions from the liquid and solid slurry fractions after separation (during storage and application) carried out by [40] were converted to a unit mass of slurry before separation. They showed about a 10% reduction in ammonia emissions from the liquid fraction and over 90% reduction in NH3 emissions from the solid fraction. Nitrous oxide N2O emissions from the liquid fraction (considered together: storage and application) were about 20% lower than from non-separated slurry. For the storage period alone, the reduction rate is higher and is 40%. In the case of slurry separation, the total GHG emissions expressed in CO2 equivalent allow for a reduction of 44% [41].
The potential energy yield from 1 m3 of slurry, according to Jaensch and Hedegaard, as a result of methane fermentation is up to 150 kWh [42], while according to research carried out under this article, the energy yield is up to 220 kWh. It was possible due to the separation of the raw liquid manure.
It is possible to increase the biogas yield when using slurry separation as methane fermentation material [18,35,42].
When evaluating the separation efficiency, the total amount of nutrients in the dry matter DM and nutrient-rich fraction and the ratio between the amounts of nutrients in the solid and the liquid fractions should be considered [43].
Alternatively, the solid fraction of the separated fume cupboard can be used as a substrate for methane fermentation, as described by [44]. Additionally, in [45], the digested material was separated with a decanter centrifuge for solid–liquid separation to increase the biogas yield.
The digestate produced in the proposed plant (liquid fraction) as well as the granulated fertilizer from the solid fraction increased the humus content of the soil and was characterized by a wealth of minerals necessary for plants [46].
The solutions made by the technological systems presented in this article, especially for obtaining energy biomass, constitute examples of practical solutions implemented for production and were confirmed with the authors’ patents. In particular, they are related to the following:
-
manner of storing the post ferment biomass,
-
biogas installation adjusted to biomass/natural fertilizers/obtained directly from the cowshed, and
-
mixer-dryer to post-fermentation biomass.

10. Summary

  • A measure of innovation for the applied solutions is the low input of human labor while minimizing energy inputs, and operating costs of machinery and equipment and while meeting environmental requirements. In the proposed facility, thanks to the biogas plant, energy from Renewable Energy Sources (RES) will be used to drive machines and equipment in technological procedures (especially procedure III).
  • The use of a rotary milking parlor with automatic cluster attachment and removal will result in a 32.36% reduction in labor input per cow compared to the reference barn 1. The reduction in human labor input will be achieved by using an appropriate level of mechanization of production procedures.
  • The proposed method of treatment of the so-called “raw” slurry on safe bedding material for cows and the ecological high-quality granular fertilizer will require significant amounts of energy. Therefore, heat recovery from the cooling of milk and solar collectors are proposed for the process of drying the separated solid fraction. The possibility of installing photovoltaic assembly panels on the roof and a heat pump taking heat from manure should be taken into consideration. An economic analysis should precede its application. In addition, the higher energy expenditure on treatments, especially procedure III, associated with the separation of slurry and the bio-fertilizer production line will be covered by energy production in the biogas plant.
  • The organic-mineral fertilizer (according to Module IV) will comply with the requirements of the Act on fertilizers and fertilization Journal of Laws 2007, No. 147, item No. 1033. The granulated form will facilitate application for various crops, especially horticulture and vegetables. The planned revenues from the sale of this fertilizer will increase the profitability of milk production on the farm. Annual production is estimated at over 250 tonnes.
  • The technology proposed in the proposed facility is consistent with the standards for farms.

Author Contributions

W.R., K.M., K.B., A.B. and W.J.W. data curation, W.R., K.M., K.B., A.B., W.J.W., S.T. and M.K.; formal analysis, W.R., K.M., K.B., A.B. and W.J.W.; funding acquisition, W.R. and K.M.; investigation, K.M., K.B., A.B. and W.J.W.; methodology, W.R. and K.M.; project administration, W.R. and K.M.; resources, W.R., K.M., K.B., A.B. and W.J.W.; supervision, W.R.; validation, S.T. and K.M.; visualization, W.R., K.M., K.B., A.B. and W.J.W.; writing—original draft, W.R., K.M., K.B., A.B. and W.J.W.; writing—review and editing, W.R., K.M., K.B., A.B. and W.J.W. All authors have read and agreed to the published version of the manuscript.

Funding

The study was carried out in the framework of the project under the program BIOSTRATEG founded by the National Centre for Research and Development “BIOSTRATEG1/269056/5/NCBR/2015 11 August 2015”.

Institutional Review Board Statement

Not applicable.

Informed Consent Statement

Not applicable.

Data Availability Statement

Not applicable.

Acknowledgments

Special thanks for scientific-technical ITP’s worker, Bogdan Łochowski, who made figures.

Conflicts of Interest

The authors declare no conflict of interest. The funders had no role in the design of the study; in the collection, analyses, or interpretation of data; in the writing of the manuscript; or in the decision to publish the results.

References

  1. Romaniuk, W.; Mazur, K.; Rudnik, K.; Biskupska, K. Kompleksowa Ocena Standardów Technologicznych Oraz Modułów Budowlanych w Chowie Bydła; Romaniuk, W., Ed.; Wyd. ITP: Falenty, Poland, 2014; p. 134. ISBN 978-83-62416-72-1. [Google Scholar]
  2. Romaniuk, W.; Łochowski, B.; Domasiewicz, T.; Borek, K.; Savinykh, P.A.; Sysujev, V.A.; Kosolapov, V.M.; Otroshko, S.A. Urządzenie do Odseparowywania i Magazynowania Stałej Masy z Gnojowicy. [Device for Separating and Storing Constant Weight of Slurry, Has Charging Basket Provided in Opposite Side of Gear Motor, Transverse Ventilation Channel Provided with Grids, and Fan Mounted in Front Part of Silo]. Patent No. P. 225111, 23 December 2014. [Google Scholar]
  3. Bravo-Ureta, B.E.; Solís, D.; López, V.H.M.; Maripani, J.F.; Thiam, A.; Rivas, T. Technical efficiency in farming: A meta-regression analysis. J. Prod. Anal. 2007, 27, 57–72. [Google Scholar] [CrossRef]
  4. Berbeć, A.K.; Feledyn-Szewczyk, B.; Thalmann, C.; Wyss, R.; Grenz, J.; Kopiński, J.; Stalenga, J.; Radzikowski, P. Assessing the Sustainability Performance of Organic and Low-Input Conventional Farms from Eastern Poland with the RISE Indicator System. Sustainability 2018, 10, 1792. [Google Scholar] [CrossRef]
  5. Wallet, P.; Lagel, D. Le logement du Troupeau Laitier, 3rd ed.; France Agricole: Paris, France, 2011; p. 352. [Google Scholar]
  6. Wróbel, M.; Jewiarz, M.; Mudryk, K.; Frączek, J.; Dziedzic, K. Conceptual design of the mobile granulation line for production fertilizers from digestates and ash mixtures. In Proceedings of the Matec Web of Conferences XXI International Scientific Conference-The Application of Experimental and Numerical Methods in Fluid Mechanics and Energy, Rajecke Teplice, Slovakia, 25–27 April 2018. [Google Scholar] [CrossRef]
  7. Romaniuk, W.; Borek, K. Innowacyjne Rozwiązania Technologiczno–Budowlane w Produkcji Zwierzęcej. In Innowacyjne Technologie w Produkcji Zwierzęcej z Uwzględnieniem Standardów Unii Europejskiej i Ochrony Środowiska; Wyd. ITP: Falenty, Poland, 2017; pp. 134–143. ISBN 978-83-65426-28-4. [Google Scholar]
  8. Mazur, K.; Barwicki, J.; Majchrzak, M.; Wardal, W.J.; Borek, K. Ventilation and constructional solutions influencing microclimate in livestock buildings for dairy cattle. In Актуальные Вoпрoсы Сoвершенствoвания Технoлoгии Прoизвoдства и Перерабoтки Прoдукции Сельскoгo Хoзяйства. Марийский Гoсударственный Университет; Oniegova, А.V., Romaniuk, W., Eds.; Marijskij Gosudarstviennyj Universitet Йoшкар–Ола, Mari State University: Joszkar Ola, Russia, 2016; pp. 257–260, ISSN 2410-9495. [Google Scholar]
  9. Kubon, M.; Krasnodębski, A. Logistic cost in competitive strategies of enterprises. Agric. Econ. 2010, 56, 397–402. [Google Scholar] [CrossRef]
  10. Gródek-Szostak, Z.; Malik, G.; Kajrunajtys, D.; Szeląg-Sikora, A.; Sikora, J.; Kuboń, M.; Niemiec, M.; Kapusta-Duch, J. Modeling the Dependency between Extreme Prices of Selected Agricultural Products onthe Derivatives Market Using the Linkage Function. Sustainability 2019, 11, 4144. [Google Scholar] [CrossRef]
  11. Kasprzak, K.; Wojtunik-Kulesza, K.; Oniszczuk, T.; Kuboń, M.; Oniszczuk, A. Secondary Metabolites, Dietary Fiber and Conjugated Fatty Acids as Functional Food Ingredients against Overweight and Obesity. Nat. Prod. Commun. 2018, 13, 1073–1082. [Google Scholar] [CrossRef]
  12. Rios, M.; Kaltschmitt, M. Electricity generation potential from biogas produced from organic waste in Mexico. Renew. Sustain. Energy Rev. 2016, 54, 384–395. [Google Scholar] [CrossRef]
  13. Hayati, D.; Ranjbar, Z.; Karami, E. Measuring Agricultural Sustainability. In Biodiversity, Biofuels, Agroforestry, and Conservation Agriculture. Sustainable Agriculture Reviews; Lichtfouse, E., Ed.; Springer: Berlin/Heidelberg, Germany, 2010; Volume 5, pp. 73–100. [Google Scholar] [CrossRef]
  14. El Bassam, N.; Behl, R.K.; Prochnow, B. Sustainable agricultural for food, energy, and industry, Strategies towards achievement. In Proceedings of the International Conference, Braunschweig, Germany, 28 June 1997; El Bassam , N., Ed.; James & James: London, UK, 1998; Volume 2, p. 1308, ISBN 1873936761. [Google Scholar]
  15. Kubon, M.; Kocira, S.; Kocira, A.; Leszczyńska, D. Use of Straw as Energy Source in View of Organic Matter Balance in Family Farms. Renewable Energy Sources: Engineering, Technology, Innovation; Springer: Berlin/Heidelberg, Germany, 2018. [Google Scholar] [CrossRef]
  16. Ministry of Agriculture and Rural Development. Regulation of the Minister for Agriculture and Rural Development of 28th June 2010 on the minimum conditions for keeping livestock species other than those for which the standards of protection are laid down in European Union legislation. J. Laws 2010, 116, 778. [Google Scholar]
  17. Interdisciplinary Report. Housing Design for Cattle−Danish Recommendations, 3rd ed.; The Danish Agricultural Advisory Center: Copenhagen, Denmark, 2001; p. 122.
  18. Winnicki, S.; Jugowar, J.L.; Kujawiak, R.; Sobek, Z.; Różańska-Zawieja, J.; Nienartowicz-Zdrojewska, A. Separat gnojowicy bydlęcej jako alternatywa ściółki dla krów mlecznych. Przegląd Hod. 2016, 5, 23–27. [Google Scholar]
  19. Leach, K.A.; Archer, S.; Breen, J.E.; Green, M.J.; Ohnstad, I.C.; Tuer, S.; Bradley, A.J. Recycling manure as cow bedding: Potential benefits and risks for UK dairy farms. Vet. J. 2015, 206, 123–130. [Google Scholar] [CrossRef]
  20. Schrade, S.; Zähner, M.; Schaeren, W. ART-Berichte, Einstreu in Liegeboxen für Milchvieh. Kompost und Feststoffe aus der Separierung von Gülle als Alternative zur Stroh-Mist-Matratze. ART Berichte 2008, 699, 1–8. Available online: www.art.admin.ch (accessed on 10 September 2020).
  21. Lasprilla-Mantilla, M.I.; Wagner, V.; Pena, J.; Frechette, A.; Thivierge, K.; Dufour, S.; Fernandez-Prada, C. Effects of recycled manure solids bedding on the spread of gastrointestinal parasites in the environment of dairies and milk. J. Dairy Sci. 2019, 102, 11308–11316. [Google Scholar] [CrossRef]
  22. Schwarz, M.; Bonhotal, J.; Staehr, A.E. Use of Dried Manure Solids as Bedding for Dairy Cows; Cornell Waste Management Institute: Ithaca, NY, USA, 2010; p. 9. Available online: http://cwmi.css.cornell.edu/useofDMS.pdf (accessed on 10 December 2020).
  23. Romaniuk, W.; Łochowski, B.; Domasiewicz, T.; Borek, K.; Savinykh, P.A.; Kosolapov, V.M.; Otroshko, S.A.; Shevtsov, A.B. Mixer-Dryer. Patent No. P.417502, 9 June 2016. [Google Scholar]
  24. Dolle, J.-B. Les Consommations d’Energie et les Economies Possibles en Exploitation Laitiere; Institute de L’Elevage: Paris, France, 2017. [Google Scholar]
  25. Act of Polish Law, Fertilizer and Fertilization Act. J. Laws 2007, 147, 1033.
  26. Sapali, S.; Pise, S.; Pise, A.; Ghewade, D. Investigations of waste heat recovery from bulk milk cooler. Case Stud. Therm. Eng. 2014, 4, 136–143. [Google Scholar] [CrossRef]
  27. Sikora, J.; Niemiec, M.; Szelag-Sikora, A.; Kubon, M.; Olech, E.; Marczuk, A. Biogasification of wastes from industrial processing of carps. Przem. Chem. 2017, 96, 2275–2278. [Google Scholar]
  28. Sikora, J.; Niemiec, M.; Szeląg-Sikora, A.; Gródek-Szostak, Z.; Kubon, M.; Komorowska, M. The Effect of the Addition of a Fat Emulsifier on the Amount and Quality of the Obtained Biogas. Energies 2020, 13, 1825. [Google Scholar] [CrossRef]
  29. Wałowski, G. Multi-phase flow assessment for the fermentation process in a mono-substrate reactor with skeleton bed. J. Water Land Dev. 2019, 42, 150–156. [Google Scholar] [CrossRef][Green Version]
  30. Czekała, W.; Gawrych, K.; Smurzyńska, A.; Mazurkiewicz, J.; Pawlisiak, A.; Chełkowski, D.; Brzoski, M. The possibility of functioning microbiogas plant in selected farm. J. Water Land Dev. 2017, 35, 19–25. [Google Scholar] [CrossRef][Green Version]
  31. Jacobsen, B.H.; Hjort-Gregersen, K. An economic and environmental analysis of slurry separation. In Proceedings of the 14th Congress of the International Farm Management Association, Perth, Australia, 10–15 August 2003. [Google Scholar] [CrossRef]
  32. Scarlat, N.; Fahl, F.; Dallemand, J.-F.; Monforti, F.; Motola, V. A Spatial analysis of biogas potential from manure in Europe. Renew. Sustain. Energy Rev. 2018, 94, 915–930. [Google Scholar] [CrossRef]
  33. Korys, K.A.; Latawiec, A.E.; Grotkiewicz, K.; Kubon, M. The Review of Biomass Potential for Agricultural Biogas Production in Poland. Sustainability 2019, 11, 6515. [Google Scholar] [CrossRef]
  34. Zareei, S. Evaluation of biogas potential from livestock manures and rural wastes using GIS in Iran. Renew. Energy 2018, 118, 351–356. [Google Scholar] [CrossRef]
  35. Hjorth, M.; Christensen, K.V.; Christensen, M.L.; Sommer, S.G. Solid-liquid separation of animal slurry in theory and practice. A review. Agron. Sustain. Dev. 2010, 30, 153–180. [Google Scholar] [CrossRef]
  36. Kubon, M.; Sikora, J.; Niemiec, M.; Olech, E.; Szeląg-Sikora, A. Energy Islands as a Potential Source of Securing the Energy Supply of Bio-Feedstock for Biogas Plants. Renewable Energy Sources: Engineering, Technology, Innovation; Springer: Berlin/Heidelberg, Germany, 2018; pp. 713–723. [Google Scholar] [CrossRef]
  37. HELCOM 2013. Revised Palette of Measures for Reducing Phosphorus and Nitrogen Losses From Agriculture. 2013 HELCOM Ministerial Declaration and was Endorsed by the 2013 HELCOM Ministerial Meeting. p. 17. Available online: https://www.helcom.fi/wp-content/uploads/2019/08/Revised-palette-of-agri-environment-measures.pdf (accessed on 10 December 2020).
  38. ECHA. Commission Decision 2018/813 of 14 May 2018 on a Sectoral Reference Document on Best Environmental Management Practices, Sectoral Environmental Performance Indicators and Criteria of Excellence for the Agricultural Sector under Regulation; No 1221/2009 of the European Parliament and of the Council on the voluntary participation by organisations in a Community eco-management and audit scheme (EMAS); European Comission: Brussels, Belgium, 2018. [Google Scholar]
  39. Jacobsen, B. Costs of slurry separation technologies and alternative use of solid fraction for biogas and burning. Int. J. Agric. Manag. 2011, 1, 11–22. [Google Scholar]
  40. Holly, M.A.; Larson, R.A.; Powell, J.M.; Ruark, M.D.; Aguirre-Villegas, H. Greenhouse gas and ammonia emissions from digested and separated dairy manure during storage and after land application. Agric. Ecosyst. Environ. 2017, 239, 410–419. [Google Scholar] [CrossRef]
  41. Jaensch, V.; Hedegaard, M. Joint biogas plants, energy production, and financial viability. In Sustainable Agricultural for Food, energy, and Industry. Strategies towards Achievement, Proceedings of the International Conference, Braunschweig, Germany, 28 June 1997; El Bassam, N., Ed.; James & James: London, UK, 1998; ISBN 1873936761. [Google Scholar]
  42. Møller, H.; Sommer, S.; Ahring, B. Methane productivity of manure, straw and solid fractions of manure. Biomass Bioenergy 2004, 26, 485–495. [Google Scholar] [CrossRef]
  43. Mùller, H.B.; Lund, I.; Sommer, S.G. Solid-liquid separation of livestock slurry: Efficiency and cost. Bioresour. Technol. 2000, 74, 223–229. [Google Scholar] [CrossRef]
  44. Dinuccio, E.; Gioelli, F.; Cuk, D.; Rollè, L.; Balsari, P. The use of co-digested solid fraction as feedstock for biogas plants. J. Agric. Eng. 2013, XLIV, e113. [Google Scholar] [CrossRef]
  45. Guo, P.; Zhou, J.; Ma, R.J.; Yu, N.; Yuan, Y. Biogas Production and Heat Transfer Performance of a Multiphase Flow Digester. Energies 2019, 12, 1960. [Google Scholar] [CrossRef]
  46. Estevez, M.M.; Eich-Greatorex, S.; Vivekanand, V.; Schnürer, M.A.; Børresen, T.; Sogn, T.A. Biogas digestates based on lignin-rich feedstock–potential as fertilizer and soil amendment. Arch. Agron. Soil Sci. 2018, 64, 347–359. [Google Scholar]
Figure 1. Technological and functional diagram of a free-standing box shed for about 200 dairy cows in the open cycle (own study).
Figure 1. Technological and functional diagram of a free-standing box shed for about 200 dairy cows in the open cycle (own study).
Processes 09 00335 g001
Figure 2. The schedule of a working day for service, machinery, and equipment (own study) in a module cattle barn.
Figure 2. The schedule of a working day for service, machinery, and equipment (own study) in a module cattle barn.
Processes 09 00335 g002
Figure 3. Percentage of labor inputs in the module cattle barn.
Figure 3. Percentage of labor inputs in the module cattle barn.
Processes 09 00335 g003
Figure 4. Separation of liquid manure into solid and liquid fractions with a storage system (patent no. P.410755 from 23 December 2014) [2]: 1—a screw conveyor, 2—a tube housing, 3—a hopper basket, 4—a motor with motor reducer, 7—a cell wall (silo), 10—a separator, 11—a trough, 14—a transverse channel, 18—a longitudinal channel, 19—a wide grid, 20—a ventilator, 21—the livestock building, 22—a drainage channel, 23—a pre-tank for slurry, 24—a rotodynamic pump, 24’—a pump, 25—a separated slurry tank, and 26—a liquid fraction storage tank (own study).
Figure 4. Separation of liquid manure into solid and liquid fractions with a storage system (patent no. P.410755 from 23 December 2014) [2]: 1—a screw conveyor, 2—a tube housing, 3—a hopper basket, 4—a motor with motor reducer, 7—a cell wall (silo), 10—a separator, 11—a trough, 14—a transverse channel, 18—a longitudinal channel, 19—a wide grid, 20—a ventilator, 21—the livestock building, 22—a drainage channel, 23—a pre-tank for slurry, 24—a rotodynamic pump, 24’—a pump, 25—a separated slurry tank, and 26—a liquid fraction storage tank (own study).
Processes 09 00335 g004
Figure 5. Mixer-dryer for solid fraction separation: 1—tank, 2—rigid frame, 3—charging hopper, 4—outlet, 5—gate valve, 6—3-ribbon mixing auger, 7—engine, 8—reduction drive, 9—horizontal shaft, 10—ventilation chambers, 11—heater nozzle, 12—blower, 13—heat exchanger, 14—holes in the bottom of the tank, and E—electric power supply.
Figure 5. Mixer-dryer for solid fraction separation: 1—tank, 2—rigid frame, 3—charging hopper, 4—outlet, 5—gate valve, 6—3-ribbon mixing auger, 7—engine, 8—reduction drive, 9—horizontal shaft, 10—ventilation chambers, 11—heater nozzle, 12—blower, 13—heat exchanger, 14—holes in the bottom of the tank, and E—electric power supply.
Processes 09 00335 g005
Figure 6. A technological diagram of an exemplary assembly line for granulation of dried post-fermentation subtract: 1—bucket elevator (2.2 kW), 2—screw conveyor (2.2 kW), 3—magnetic detector, 4—tank with filling, 5—tank lifting agitator (2.2 kW), 6—screw feeder (0.75 kW), 7—conditioner (2.2 kW), 8—granulation press (11 kW), 9—water dispensing installation, 10—conditioner (0.75 kW), 11—centrifugal fan (2.2 kW), 12—cyclone, 13—subcyclone sluice (0.55 kW), 14—bucket elevator (2.2 kW), 15 and 16—loading station, and 17—weighbridge (own study).
Figure 6. A technological diagram of an exemplary assembly line for granulation of dried post-fermentation subtract: 1—bucket elevator (2.2 kW), 2—screw conveyor (2.2 kW), 3—magnetic detector, 4—tank with filling, 5—tank lifting agitator (2.2 kW), 6—screw feeder (0.75 kW), 7—conditioner (2.2 kW), 8—granulation press (11 kW), 9—water dispensing installation, 10—conditioner (0.75 kW), 11—centrifugal fan (2.2 kW), 12—cyclone, 13—subcyclone sluice (0.55 kW), 14—bucket elevator (2.2 kW), 15 and 16—loading station, and 17—weighbridge (own study).
Processes 09 00335 g006
Figure 7. A scheme of the line for the production of granular fertilizer from fermented (A) or unfermented (B) substrates (own study). A—Schematic diagram of an agricultural biogas plant with a separator for the fermented substrate to a solid fraction with a storage system and liquid fractions: 1—livestock building, 2—fermentation chamber, 3—biogas pipeline to the biogas purification plant, 4—agitator, 5—overflow pipe, 6—feeder for plant substrates, 7—solar collector with pump and heat exchanger, set A: 8—separator, 9—a pipeline for feeding liquid digestate with overflow pipe from the separator, 10—screw relay, 11—plate for separated solid fraction, 12—intermediate tank for separated liquid post-fermentation fraction, 13—slurry agitator in slurry channels; 14—pump with fresh slurry feeding pipeline, 15—pump with slurry mixing and feeding pipeline to the separator, and 16—pump for pumping separated slurry. B—Solid fractional mixer-dryer and process line for granulating the dried substrate. A detailed description of the individual markings is shown in Figure 4, Figure 5 and Figure 6.
Figure 7. A scheme of the line for the production of granular fertilizer from fermented (A) or unfermented (B) substrates (own study). A—Schematic diagram of an agricultural biogas plant with a separator for the fermented substrate to a solid fraction with a storage system and liquid fractions: 1—livestock building, 2—fermentation chamber, 3—biogas pipeline to the biogas purification plant, 4—agitator, 5—overflow pipe, 6—feeder for plant substrates, 7—solar collector with pump and heat exchanger, set A: 8—separator, 9—a pipeline for feeding liquid digestate with overflow pipe from the separator, 10—screw relay, 11—plate for separated solid fraction, 12—intermediate tank for separated liquid post-fermentation fraction, 13—slurry agitator in slurry channels; 14—pump with fresh slurry feeding pipeline, 15—pump with slurry mixing and feeding pipeline to the separator, and 16—pump for pumping separated slurry. B—Solid fractional mixer-dryer and process line for granulating the dried substrate. A detailed description of the individual markings is shown in Figure 4, Figure 5 and Figure 6.
Processes 09 00335 g007
Table 1. Technological data of biogas plant (own study).
Table 1. Technological data of biogas plant (own study).
ParameterUnitValue
The total capacity of the fermentation chamber of biogas plantm3410
Amount of biogas produced during a year m3112,000
Heat value of biogas MJ·m−320.75
Amount of electric energy MW·year−1212
Amount of heat energyMW·year−1246
Anual usage of the substrate (slurry + biomass)t1058.5
Table 2. Parameters of technical indicators shaping animal welfare in the building of the proposed cowshed (own tests).
Table 2. Parameters of technical indicators shaping animal welfare in the building of the proposed cowshed (own tests).
Research Facilitiesx1x2x3x4x5x6x7x8x9x10x11x12
Reference barn 1
in Silesian voivodeship
2.881.862.250.65- *2.0 **0.92.10.750.0870.6810.97
Reference barn 2
in Mazovian voivodeship
3.224.232.250.794.697.021.101.110.90.0670.6412.43
Proposed barn3.03.891.810.553.136.0 ***0.90.8431.00.0986.6214.21
Explanations: *—not applicable because the floor is full; **—refers to leachate from solid manure; ***—capacity includes slurry channels (Figure 1), intermediate tank (no. 12), outer tank of the separated liquid manure fraction (no. 13), and main tank (no. 14); x1—unit resting area (m2∙LU−1); x2—unit area of manure corridors (m2∙LU−1); x3—unit area of the feed corridor (m2∙LU−1); x4—the unit dimension of the feed access area (m∙LU−1); x5—unit area of the slotted floor (m2∙LU−1); x6—unit storage capacity of liquid fertilizer (m3∙LU−1); x7—window area (m2∙LU−1); x8—ridge skylight surface (m2∙LU−1); x9—surface of the supply air ducts (m2∙LU−1); x10—surface of the exhaust air ducts (m2∙LU−1); x11—cubic capacity of the facility (m3∙LU−1); and x12—usable area (m2∙LU−1).
Table 3. Values of technological indicators of the studied objects and the proposed barn (own research).
Table 3. Values of technological indicators of the studied objects and the proposed barn (own research).
Research Facilitiesy1ay1by1cy1dy1ey2ay2by2cy2dy2ey3y4y5y6ay6b
Reference barn 1
in Silesian voivodeship
2.0700.7130.3550.290-0.2490.0360.0040.001--0.0010.1201.7890.157
Reference barn 2
in Mazovian voivodeship
0.3300.6500.0700.170-0.7330.0880.0050.001--0.0010.1220.6440.561
Proposed barn1.4000.7850.1000.3000.9000.5650.0370.0020.0090.6136- *0.00050.1041.787- **
Explanations: *—100% total energy needs; **—slurry self-flowing; y1a—unit daily labor input for milking and pretreatment of milk; y1b—preparation and distribution of feed, y1c—removal and storage of manure; y1d—various works (man-minute−1∙day−1∙LU−1); y1e—unit daily labor input for the separation of liquid fertilizer and granulation of the solid fraction (man-minute−1∙day−1 ∙LU−1); y2—unit daily electricity input for production operations, including y2a—milking and pretreatment of milk, y2b—preparation and distribution of feed, y2c for removal and manure, y2d—various works (kWh∙day−1∙LU−1), and y2e—slurry separation and granulation and granulation of solid manure fraction; y3—unit daily expenditure of electricity from Renewable Energy Sources (RES) for treatments I, II, and III (kWh ∙day−1∙LU−1); y4—unit daily electricity consumption for ventilation (kWh∙day−1∙LU−1); y5—unit daily electricity consumption for lighting (kWh∙day−1∙LU−1); and y6—unit daily mechanical energy input for production procedures: y6a—for the procedure II and y6b—procedure III without exporting the fertilizer to the fields (kWh∙day−1∙LU−1).
Table 4. Economic values of indicators in reference and proposed stables (own research).
Table 4. Economic values of indicators in reference and proposed stables (own research).
Research Facilitiesz1z2z3z4z5z6z7z8z9z10z11z12z13
Reference barn 1
in Silesian voivodeship
5740.813570.93110.763508.000.090.030.00080.630.150.6814.2643.25.80
Reference barn 2
in Mazovian voivodeship
5023.533369.91107.764868.350.220.026 0.00091.061.426.607.000.603.40
Proposed barn11,070.003560.50120.002294.020.0340.0230.36020.720.2028.0015.702.000.30
Explanations: z1–z3—costs of machines and equipment to mechanize procedures I, II, and IV (PLN·LU−1); z4—costs of machines and equipment to mechanize procedure III (PLN·LU−1); including the separator and granulation line for bio-fertilizer (PLN·LU−1); z5 and z6—unit costs of electricity from procedures I and II (PLN∙day−1∙LU−1); z7—unit cost of electricity of procedure III, including slurry separation and bio-fertilizer granulation (PLN∙day−1∙LU−1); z8—unit cost of mechanical energy from procedure II; z9—unit energy cost per procedure III (PLN∙day−1∙LU−1); and z10–z13—unit labor cost of procedures I–IV (PLN∙day−1∙LU−1).
Table 5. Qualitative indicators, including the microclimate in the reference and proposed cowshed (own research).
Table 5. Qualitative indicators, including the microclimate in the reference and proposed cowshed (own research).
Research Facilities w1w2w3w4w5w6w7w8w9
Reference barn 1
in Silesian voivodeship
min.7.61.741.036.0500.01.0
max.15.810.890.373.51900.09.0
av.11.55.17260.3932.64.50.4135.0354.5
Reference barn 2
in Mazovian voivodeship
min.18.516.818.421.2472.00.6
max.30.638.867.677.31380.020.0
av.23.623.048.158.3845.511.91.5104.31193.0
Proposed barn max.
25.0
--max. 75.0max. 3000.0max. 20.0min. 0.3min. 100.0min. 200.0
Explanations: w1—indoor air temperature (°C); min.—minimum; max.—maximum; av.—average; w2—outdoor temperature (°C); w3—relative humidity of the air outside the building (%); w4—relative air humidity inside the building (%); w5—concentration of carbon dioxide, CO2 (ppm); w6—concentration of ammonia, NH3 (ppm); w7—air speed (m∙s−1); w8—air exchange (m3∙LU−1); and w9—room lighting.
Publisher’s Note: MDPI stays neutral with regard to jurisdictional claims in published maps and institutional affiliations.

Share and Cite

MDPI and ACS Style

Romaniuk, W.; Mazur, K.; Borek, K.; Borusiewicz, A.; Wardal, W.J.; Tabor, S.; Kuboń, M. Biomass Energy Technologies from Innovative Dairy Farming Systems. Processes 2021, 9, 335. https://doi.org/10.3390/pr9020335

AMA Style

Romaniuk W, Mazur K, Borek K, Borusiewicz A, Wardal WJ, Tabor S, Kuboń M. Biomass Energy Technologies from Innovative Dairy Farming Systems. Processes. 2021; 9(2):335. https://doi.org/10.3390/pr9020335

Chicago/Turabian Style

Romaniuk, Wacław, Kamila Mazur, Kinga Borek, Andrzej Borusiewicz, Witold Jan Wardal, Sylwester Tabor, and Maciej Kuboń. 2021. "Biomass Energy Technologies from Innovative Dairy Farming Systems" Processes 9, no. 2: 335. https://doi.org/10.3390/pr9020335

APA Style

Romaniuk, W., Mazur, K., Borek, K., Borusiewicz, A., Wardal, W. J., Tabor, S., & Kuboń, M. (2021). Biomass Energy Technologies from Innovative Dairy Farming Systems. Processes, 9(2), 335. https://doi.org/10.3390/pr9020335

Note that from the first issue of 2016, this journal uses article numbers instead of page numbers. See further details here.

Article Metrics

Back to TopTop