Technology Recommendations for an Innovative Agricultural Robot Design Based on Technology Knowledge Graphs
Abstract
1. Introduction
2. Materials and Methods
2.1. Data Sources
2.2. Adaptive Design Process of Agricultural Robots Based on IPC Co-Classification Networks
2.2.1. IPC Co-Classification Network (IPCNet)
2.2.2. Path Recognition of IPCNet
2.3. Agricultural Robot Technology Knowledge Graph Based on Patents
2.3.1. Patent TKG
2.3.2. Robot Component TKG
2.4. Domain Technology–Efficacy Map Based on TKG
2.4.1. Construction Process of the Technology–Efficacy Map Based on the TKG
2.4.2. Technical Word Library
2.4.3. Efficacy Word Library
2.5. Agricultural Robot Design TKG
- Technology–operation objective and technology–operation scene (link) relationships to identify technology for matching the demands of the operation objective and the operation scene (link);
- Efficacy–operation objective and efficacy–operation scene (link) relationships to describe the key problems (efficacy) to be solved for the operation objective, operation scene, and operation links;
- Technology–efficacy relationships to describe how the problem (efficacy) can be solved with the technology;
- Technology–technology combination relationships to describe when the technology has been improved and which technologies need to be improved accordingly, and to find the potential technology chains and how improving them can achieve efficacy (e.g., reduced costs or improved efficiency).
2.6. Technology Recommendation Process for an Agricultural Robot Design Based on TKG
3. Results
3.1. Adaptive Design Process for an Agricultural Robot Based on IPCNet
3.1.1. Patent IPCNet of the Agricultural Robot Domain
3.1.2. Path Recognition of the Design Process
3.2. Agricultural Robot TEM Based on WCONet
3.2.1. Agricultural Robot TEM
3.2.2. Design TKG Based on WCONet
4. Case Study of a Citrus Picking Robot
4.1. The Design Demands of the Citrus Picking Robot
4.2. Technology Recommendations for the Moving System and the Body of the Picking Robot
4.3. Technology Recommendations for End-Effector
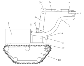
4.4. Design of the Citrus Picking Robot
4.4.1. Crawl Moving Mechanism
4.4.2. Shear Forklifting and Manipulator of the Robot Body
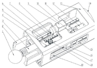
4.4.3. End-Effector
- The two spherical finger mechanisms are composed of a relatively symmetrical 1/4 spherical holding finger and a single-motor symmetrical transmission mechanism. The two spherical fingers are symmetrically installed above the tube and driven to open and close by the motor in order to clamp the fruit;
- The knife swinging mechanism is a semicircular narrow knife, which is also installed above the tube, and swung upward and reset by the motor. The rotation axis is perpendicular to the rotation axis of the spherical finger, and the inner diameter of the semicircular narrow blade is consistent with the outer diameter of the sphere after the two spherical fingers have closed;
- An annular airbag is installed on the inner lower side of the tube body to swallow the fruit;
- The pipeline is connected to the hose for delivering the fruit under the airbag.
4.4.4. Discussion
5. Conclusions
Author Contributions
Funding
Institutional Review Board Statement
Informed Consent Statement
Data Availability Statement
Conflicts of Interest
References
- Jin, Y.; Liu, J.; Xu, Z.; Yuan, S.; Li, P.; Wang, J. Development status and trend of agricultural robot technology. Int. J. Agric. Biol. Eng. 2021, 14, 1–19. [Google Scholar]
- Bechar, A.; Vigneault, C. Agricultural robots for field operations: Concepts and components. Biosyst. Eng. 2016, 149, 94–111. [Google Scholar] [CrossRef]
- Pedersen, S.M.; Fountas, S.; Have, H.; Blackmore, B.S. Agricultural robots—System analysis and economic feasibility. Precis. Agric. 2006, 7, 295–308. [Google Scholar] [CrossRef]
- Van Henten, E.J.; Bac, C.W.; Hemming, J.; Edan, Y. Robotics in protected cultivation. IFAC Proc. Vol. 2013, 46, 170–177. [Google Scholar] [CrossRef]
- Chong, V.K.; Monta, M.; Ninomiya, K.; Kondo, N.; Namba, K.; Terasaki, E.; Nishi, T.; Goto, T. Development of Mobile Eggplant Grading Robot for Dynamic In-field Variability Sensing-Manufacture of Robot and Performance Test. Eng. Agric. Environ. Food 2008, 1, 68–76. [Google Scholar] [CrossRef]
- Feng, Q.; Wang, X.; Wang, G.; Zhen, L. Design and test of tomatoes harvesting robot. In Proceedings of the 2015 IEEE International Conference on Information and Automation (ICIA), Lijiang, China, 8–10 August 2015. [Google Scholar]
- Hemming, J.; Bac, C.W.; Tuijl, J.V.; Barth, R.; Henten, E.V. A robot for harvesting sweet-pepper in greenhouses. In Proceedings of the International Conference of Agricultural Engineering, Zurich, Switzerland, 6–10 July 2014. [Google Scholar]
- Levin, M.; Degani, A. A conceptual framework and optimization for a task-based modular harvesting manipulator. Comput. Electron. Agric. 2019, 166, 104967. [Google Scholar] [CrossRef]
- Zhang, K.; Xu, L.; Dan, Z. Design and analysis of a 4-PPPR parallel manipulator for strawberry harvesting in the ridge cultivation model. In Proceedings of the International Conference on Control Science & Systems Engineering, Singapore, 27–29 July 2016. [Google Scholar]
- Mohamed, A.; Shaw-Sutton, J.; Green, B.M.; Andrews, W.; Stoelen, M.F. Soft manipulator robot for selective tomato harvesting. In Proceedings of the 12th European Conference on Precision Agriculture, Montpellier, France, 8–11 July 2019. [Google Scholar]
- Monta, M.; Kondo, N.; Shibano, Y.; Mohri, K. End-Effectors For Agricultural Robot To Work In Vineyard. Acta Hortic. 1995, 399, 247–254. [Google Scholar] [CrossRef]
- Mu, L.; Cui, G.; Liu, Y.; Cui, Y.; Gejima, Y. Design and simulation of an integrated end-effector for picking kiwifruit by robot. Inf. Process. Agric. 2020, 7, 58–71. [Google Scholar] [CrossRef]
- Emmi, L.; Flécher, E.; Cadenat, V.; Devy, M. A hybrid representation of the environment to improve autonomous navigation of mobile robots in agriculture. Precis. Agric. 2021, 22, 524–549. [Google Scholar] [CrossRef]
- Li, D.; Xu, S.; Zheng, Y.; Qi, C.; Yao, P. Navigation Path Detection for Cotton Field Operator Robot Based on Horizontal Spline Segmentation. Int. J. Inf. Technol. Web Eng. 2017, 12, 28–41. [Google Scholar] [CrossRef]
- Bechar, A.; Edan, Y. Human-robot collaboration for improved target recognition of agricultural robots. Ind. Robot. 2003, 30, 432–436. [Google Scholar] [CrossRef]
- Dobrusin, Y.; Edan, Y.; Grinshpun, J.; Peiper, U.M.; Hetzroni, A. Computer Image Analysis to Locate Targets for an Agricultural Robot. In Proceedings of the International Conference on Computer Analysis of Images & Patterns, Budapest, Hungary, 13–15 September 1993. [Google Scholar]
- Zhao, Y.; Gong, L.; Huang, Y.; Liu, C. Robust Tomato Recognition for Robotic Harvesting Using Feature Images Fusion. Sensors 2016, 16, 173. [Google Scholar] [CrossRef]
- Geng, Q.; Mao, P.; Li, P.; Huang, C.; Fang, Q.; Zhang, J. Research on obstacle avoidance method of orchard robot based on obstacle classification. J. Chin. Agric. Mech. 2020, 41, 170–177. [Google Scholar]
- Bac, C.W.; van Henten, E.J.; Hemming, J.; Edan, Y. Harvesting Robots for High-value Crops: State-of-the-art Review and Challenges Ahead. J. Field Robot. 2014, 31, 888–911. [Google Scholar] [CrossRef]
- Vasconez, J.P.; Kantor, G.A.; Auat Cheein, F.A. Human–robot interaction in agriculture: A survey and current challenges. Biosyst. Eng. 2019, 179, 35–48. [Google Scholar] [CrossRef]
- Sarig, Y. Robotics of Fruit Harvesting: A State-of-the-art Review. J. Agric. Eng. Res. 1993, 54, 265–280. [Google Scholar] [CrossRef]
- Hui, Y.; Liu, H.; Zhang, H.; Wu, Y.; Yan, L.; Li, X.; Wang, D. Application status and development trend of agricultural robot. In Proceedings of the 2018 ASABE Annual International Meeting Etroit, Detroit, MI, USA, 29 July–1 August 2018. [Google Scholar]
- Yan, D.; Su, Q.; Zhang, X.; Fu, Z. A Semantic Modeling Method for Dynamic Knowledge Management and Reuse During Product Conceptual Design. In Proceedings of the 2020 3rd International Conference on Advanced Electronic Materials, Computers and Software Engineering (AEMCSE), Shenzhen, China, 24–26 April 2020. [Google Scholar]
- Strehl, A.; Ghosh, J. Cluster Ensembles—A Knowledge Reuse Framework for Combining Multiple Partitions. J. Mach. Learn. Res. 2003, 3, 583–617. [Google Scholar] [CrossRef][Green Version]
- Wang, L.; Chen, G.; Hui, Z. Design of Blueberry Picking Robot Based on TRIZ. J. Northeast. For. Univ. 2009, 37, 45–47. [Google Scholar]
- Xia, W.; Wang, K.; Li, Y.; Xiong, Y. Innovative Design for Adaptive Detection Module of In-pipe Robot Based on TRIZ. J. Mech. Eng. 2016, 52, 58–67. [Google Scholar] [CrossRef]
- Zhang, Y.; Yang, Z.; Jiang, J.; Dai, X.; Qin, P. Design Analysis and Experimental Study of Robotic Chair for Proton Heavy Ion Radiotherapy. Appl. Bionics Biomech. 2019, 2019, 6410941. [Google Scholar] [CrossRef] [PubMed]
- Yu, J.; Huang, L.; Hu, Y.; Chang, H. A Structured Representation Framework for TRIZ-Based Chinese Patent Classification via Reinforcement Learning. In Proceedings of the 2020 3rd International Conference on Artificial Intelligence and Big Data (ICAIBD), Chengdu, China, 28–31 May 2020. [Google Scholar]
- Lin, Y.S.; Chen, M. Implementing TRIZ with Supply Chain Management in New Product Development for Small and Medium Enterprises. Processes 2021, 9, 614. [Google Scholar] [CrossRef]
- Shai, O.; Reich, Y. Infused design. I. Theory. Res. Eng. Des. 2004, 15, 93–107. [Google Scholar] [CrossRef]
- Baxter, D.; Gao, J.; Case, K.; Harding, J.; Young, B.; Cochrane, S.; Dani, S. A framework to integrate design knowledge reuse and requirements management in engineering design. Robot. Comput. Integr. Manuf. 2008, 24, 585–593. [Google Scholar] [CrossRef]
- Schffer, E.; Shafiee, S.; Mayr, A.; Franke, J. A strategic approach to improve the development of use-oriented knowledge-based engineering configurators (KBEC). Procedia CIRP 2021, 96, 219–224. [Google Scholar] [CrossRef]
- Trappey, A.J.C.; Trappey, C.V.; Chiang, T.-A.; Huang, Y.-H. Ontology-based neural network for patent knowledge management in design collaboration. Int. J. Prod. Res. 2013, 51, 1992–2005. [Google Scholar] [CrossRef]
- Trappey, A.J.C.; Trappey, C.V.; Wu, C.-Y.; Fan, C.Y.; Lin, Y.-L. Intelligent patent recommendation system for innovative design collaboration. J. Netw. Comput. Appl. 2013, 36, 1441–1450. [Google Scholar] [CrossRef]
- Trappey, A.J.C.; Trappey, C.V.; Lee, K.L.C. Tracing the Evolution of Biomedical 3D Printing Technology Using Ontology-Based Patent Concept Analysis. Technol. Anal. Strateg. Manag. 2016, 29, 339–352. [Google Scholar] [CrossRef]
- Brügmann, S.; Bouayad-Agha, N.; Burga, A.; Carrascosa, S.; Ciaramella, A.; Ciaramella, M.; Codina-Filba, J.; Escorsa, E.; Judea, A.; Mille, S.; et al. Towards content-oriented patent document processing: Intelligent patent analysis and summarization. World Pat. Inf. 2015, 40, 30–42. [Google Scholar] [CrossRef]
- Trappey, A.; Trappey, C.V.; Chang, A.C. Intelligent Extraction of a Knowledge Ontology From Global Patents: The Case of Smart Retailing Technology Mining. Int. J. Semant. Web Inf. Syst. 2020, 16, 61–80. [Google Scholar] [CrossRef]
- Ye, F.; Fu, T.; Gong, L.; Gao, J. Cross-domain Knowledge Discovery based on Knowledge Graph and Patent Mining. J. Phys. Conf. Ser. 2021, 1744, 042155. [Google Scholar] [CrossRef]
- Sarica, S.; Song, B.; Luo, J.; Wood, K.L. Technology Knowledge Graph for Design Exploration: Application to Designing the Future of Flying Cars. In Proceedings of the ASME 2019 International Design Engineering Technical Conferences & Computers and Information in Engineering Conference (IDETC/CIE 2019), Anaheim, CA, USA, 18–21 October 2019. [Google Scholar]
- Bermudez-Edo, M.; Hurtado, M.V.; Noguera, M.; Hurtado-Torres, N. Managing technological knowledge of patents: HCOntology, a semantic approach. Comput. Ind. 2015, 36, 1441–1450. [Google Scholar] [CrossRef]
- Deng, W.; Ma, J. A knowledge graph approach for recommending patents to companies. Electron. Commer. Res. 2021, 21, 1–32. [Google Scholar] [CrossRef]
- Liu, L.; Li, Y.; Xiong, Y.; Cavallucci, D. A new function-based patent knowledge retrieval tool for conceptual design of innovative products. Comput. Ind. 2020, 115. [Google Scholar] [CrossRef]
- Shen, K.; Lin, Z.; Ying, X.; Qiu, Q.; Wu, Q.; Zhao, Y.; Wu, Y. Studies on the Development Status of Agricultural Robot Related Technologies Based on Patent Map. J. Agric. Mech. Res. 2016, 9, 1–9. [Google Scholar]
- Tamenaga, K. International Patent Classification. Terebijon Gakkaishi 1990, 34, 58–62. [Google Scholar] [CrossRef][Green Version]
- Fall, C.J. Automated categorization in the international patent classification. In ACM Sigir Forum; ACM: New York, NY, USA, 2003. [Google Scholar]
- Preschitschek, N.; Niemann, H.; Moehrle, M.G.; Leker, J. Semantic analyses vs. IPC co-classification analyses of patents: Which one better serves to anticipate converging industries? In Proceedings of the Technology Management for Emerging Technologies (PICMET), Vancouver, BC, Canada, July 29–2 August 2012. [Google Scholar]
- Bae, Y.; Jin, Y.H. Trends of Korean technology convergence research: The network analysis focusing on the patent co-classification in Korea and US. In Proceedings of the International Academic Conferences, New Orleans, LA, USA, 19–22 October 2014. [Google Scholar]
- Wang, A.P.; Hou, C.E.; Hung, S.W. Exploration of the evolution of nanotechnology from a patent co-classification perspective. Nanotechnol. Rev. 2018, 7, 233–245. [Google Scholar] [CrossRef]
- Oh, S.; Choi, J.; Ko, N.; Yoon, J. Predicting product development directions for new product planning using patent classification-based link prediction. Scientometrics 2020, 125, 1833–1876. [Google Scholar] [CrossRef]
- Kim, K.I.; Xu, Y.S.; Pak, C.J. Technological development trajectory of chromatography: Main path analysis based on patent citation network. SN Appl. Sci. 2020, 2, 2095. [Google Scholar] [CrossRef]
- Chen, Y.; Kuang, J.; Cheng, D.; Zheng, J.; Zhou, A. AgriKG: An Agricultural Knowledge Graph and Its Applications. In Complexity in Polish Phonotactics; Springer: Berlin/Heidelberg, Germany, 2019. [Google Scholar]
- Kim, J.; Choe, D.; Kim, G.; Park, S.; Jang, D. Noise Removal Using TF-IDF Criterion for Extracting Patent Keyword. In Soft Computing in Big Data Processing; Lee, K.M., Park, S.-J., Lee, J.-H., Eds.; Springer: Cham, Switzerland, 2014; pp. 61–69. [Google Scholar]
- Dr Robot Inc. Jaguar V4 Mobile Platform & Jaguar V4 with Manipulator Arm User guide 2018. Available online: http://jaguar.drrobot.com/images/Jaguar_V4_manual.pdf (accessed on 16 June 2021).
- Liu, J.; Yuan, Y.; Zhou, Y.; Zhu, X.; Tabinda, S. Experiments and Analysis of Close-Shot Identification of On-Branch Citrus Fruit with RealSense. Sensors 2018, 18, 1510. [Google Scholar] [CrossRef] [PubMed]
- Jin, Y.; Gao, Y.; Liu, J.; Hu, C.; Yao, Z.; Li, P. Hand-Eye Coordination Planning with Deep Visual Servo for Harvesting Robot. Trans. Chin. Soc. Agric. Mach. 2021, 52, 18–25. [Google Scholar]
- Armada, M.A.; Muscato, G.; Prestifilippo, M.; Abbate, N.; Rizzuto, I. A prototype of an orange picking robot: Past history, the new robot and experimental results. Ind. Robot. Int. J. 2005, 32, 128–138. [Google Scholar]
- Billingsley, J.; Visala, A.M.D. Robotics in Agriculture and Forestry; Springer: Berlin/Heidelberg, Germany, 2008. [Google Scholar] [CrossRef]
- Excell, J. Fruit-Picking Robot Solves Automation Challenge. Available online: https://www.theengineer.co.uk/fruit-picking-robot-solves-automation-challenge (accessed on 16 June 2021).
- Zahid, A.; Mahmud, M.S.; He, L.; Heinemann, P.; Choi, D.; Schupp, J. Technological advancements towards developing a robotic pruner for apple trees: A review. Comput. Electron. Agric. 2021, 189, 106383. [Google Scholar] [CrossRef]
- Chen, H.; Luo, X. An automatic literature knowledge graph and reasoning network modeling framework based on ontology and natural language processing. Adv. Eng. Inform. 2019, 42, 100959. [Google Scholar] [CrossRef]
- Balsmeieri, B.; Assaf, M.; Chesebro, T.; Fierro, G.; Johnson, K.; Johnson, S.; Li, G.C.; Lueck, S.; O’Reagan, D.; Yeh, B. Machine learning and natural language processing on the patent corpus: Data, tools, and new measures. J. Econ. Manag. Strategy 2018, 27, 535–553. [Google Scholar] [CrossRef]
- Fujita, K. Finding linkage between sustainability science and technologies based on citation network analysis. In Proceedings of the IEEE International Conference on Service-oriented Computing & Applications, Taipei, Taiwan, 17–19 December 2012. [Google Scholar]
- Rossanez, A.; Reis, J.D.; Torres, R.; Ribaupierre, H.D. KGen: A knowledge graph generator from biomedical scientific literature. BMC Med. Inform. Decis. Mak. 2020, 20, 314. [Google Scholar] [CrossRef] [PubMed]













| Query Set | Search Results | 
|---|---|
| ((TS = (agriculture * or crop or crops or fruit or fruits or vegetable * or harvest * or seedling *) or MAN = (X25-N * or X22-X11 or X22-P09 or Q19-G or T06-D01 * or A12-W04 * or X25-X02 *) or IP = (A01B* or A01C * or A01D * or A01F * or A01G * or A01M-021 *)) AND (TS = (robot * or manipulator * or “mechanical arm” or “mechanical arms” or “mechanical hand” or “mechanical hands”) or IP = (B25J *) or MAN = (X25-A03E * or T06-D07B * or V03-U14 * or V04-M30R * or V04-Q30R * or V06-U05 * or V04-R04F1 * or X27-U * or S05-B07 *))) not (IP = (A01G-005 * or A01G-023 *) or MAN = (X25-N02 * or T06-D01C)) | 9402 | 
| ID | IPC 1 | IPC2 | Connection Frequency | 
|---|---|---|---|
| 1 | A01D-034/00 | G05D-001/00 | 50 | 
| 2 | A01D-034/00 | G05D-001/02 | 260 | 
| 3 | A01D-046/30 | B25J-015/00 | 54 | 
| 4 | A01G-025/09 | A01G-025/16 | 52 | 
| 5 | B25J-005/00 | B25J-009/16 | 74 | 
| 6 | B25J-005/00 | B25J-011/00 | 114 | 
| 7 | B25J-005/00 | G05D-001/02 | 56 | 
| 8 | B25J-009/00 | B25J-009/16 | 51 | 
| 9 | B25J-009/16 | B25J-019/02 | 64 | 
| 10 | B25J-011/00 | A01D-046/30 | 80 | 
| 11 | B25J-011/00 | B25J-009/16 | 134 | 
| 12 | B25J-011/00 | B25J-015/00 | 53 | 
| 13 | B25J-011/00 | B25J-019/00 | 50 | 
| 14 | B25J-011/00 | B25J-019/02 | 72 | 
| 15 | G05D-001/02 | G05D-001/00 | 105 | 
| TKG Node | Terms | 
|---|---|
| Operation objective | Apple, orange, tea, strawberry… | 
| Operation sense | Greenhouse, orchard, indoor, open field… | 
| Operation link | Weed, spray, harvest… | 
| Technology | Image, vision, video, laser, RFID, tag… | 
| Efficacy | Location, navigation, and obstacle avoidance… | 
| Functional Component of the Robot | The Problem Needing to Be Solved | Efficacy Word | 
|---|---|---|
| Moving system | Moving on the sloping terrain of hilly and mountainous areas and overpassing obstacles | Hilly and mountainous, slope terrain, obstacle overpass | 
| Body | Vertical large-scale canopy operation of citrus trees | Vertical, large-scale | 
| End-effector | Prevent clamping damage to fruits | Spherical, clamping damage | 
| Technology Words | Efficacy Words | Title | Patent Number | Diagram | 
|---|---|---|---|---|
| Crawler | Hilly | Mountain orchard double-cantilever telescopic picking machine, which has fork angle adjusting hydraulic cylinder connected with hydraulic station through fork angle adjusting electromagnetic valve, and fork lifting hydraulic cylinder connected with hydraulic station | CN212413887U |  | 
| Hilly | Intelligent mandarin orange picking machine that has mandarin orange funnel that is connected with connecting port of mandarin orange collecting box through connecting hose, and base connecting plate that is fixed on top of loading platform | CN208724427U |  | |
| Hilly | Apple picking robot, which has effector installed with camera, infrared position sensor, and apple picking pressure sensor, and picking machine arm connected to servo motor to drive picking machine arm picking pressure sensor, and picking machine arm connected to servo motor to drive picking machine arm | CN105746092A |  | |
| Fixed track system | Hilly | Orbital tea picking robot for use in hilly mountainous area, which has mechanical arm that is mounted on lifting device, and picking hand that is mounted on output end of mechanical arm | CN108555921A |  | 
| Wheels | Hilly | Picking device for hilly and mountainous areas, which has oil cylinder mounting support that is connected to fixed end of oil cylinder, where installation direction of oil cylinder is set perpendicular to ground | CN111201889-A |  | 
| Shear forklifting | Hilly, vertical | Hill mountain orchard picking platform posture adjusting mechanism, which has left long side frame formed with square groove, and longitudinal adjusting hydraulic cylinder whose lower end is connected with vertical adjusting frame | CN207491561-U |  | 
| Large-scale | Horizontal driving elastic auxiliary starting device for scissors lifting platform, which has spring rod whose upper part is connected at inside of spring cap, where lower part of spring rod is connected to spring base through hole | CN106800254-B |  | |
| Hilly, large-scale | Adjustable flat mountain orchard fruit picking platform that has inner arm and top end of outer arm that are fixedly connected with bottom end of telescopic ladder, and baffle arm that is mounted on enclosure | CN104067780A |  | |
| Arm | Large-scale | Apple picking robot, which has effector installed with camera, infrared position sensor, and apple picking pressure sensor, and picking machine arm connected to servo motor to drive picking machine arm picking pressure sensor, and picking machine arm connected to servo motor to drive picking machine arm | CN105746092-A |  | 
| Large-scale | Vegetable and fruits picking robot for vegetable and fruit picking system, which has chassis fixed with camera that is electrically connected with main control circuit board, where end of slide way is connected with fruit storage basket | CN211931423-U |  | 
| Technology Words | Efficacy Words | Title | Patent Number | Diagram | 
|---|---|---|---|---|
| Two fingers | Clamp, shearing | Clamp shearing strength integrated meter picking robot end actuator that has double-screw bolt that is passed through fixing plate, and is screwed on left clamping surface | CN103004374A |  | 
| Multiple fingers | Spherical, clamp | Grab spherical fruit and vegetable picking robot end effector with integral cutting function, which has flexible shaft that passes through limit hole of base while two ends are, respectively, connected to driving servo motor | CN107041210-A |  | 
| Suckers | Spherical, clamp | Six-degree-of-freedom robot end effector for grasping spherical fruit, which has guide rail located in mounting shell, sliding block connected to clamping sucker driving plate through bolt, and another guide rail located above clamping sucker driving plate | CN213214398-U |  | 
| Suckers | Spherical, clamp | End effector of melon and fruit picking robot that has clamping mechanism that is installed at right end of electric push rod transmission mechanism and time delay mechanism whose left end is connected with upper portion of rear support plate | CN111937592-A |  | 
| Tube swallowing | Spherical, damage | Swallowing fruit and vegetable picking robot, which comprises an intelligent mobile platform, a bionic swallowing transport device, a robot body, and an industrial computer, while bionic swallowing transport device is installed through robot body | CN111972127A |  | 
| Publisher’s Note: MDPI stays neutral with regard to jurisdictional claims in published maps and institutional affiliations. | 
© 2021 by the authors. Licensee MDPI, Basel, Switzerland. This article is an open access article distributed under the terms and conditions of the Creative Commons Attribution (CC BY) license (https://creativecommons.org/licenses/by/4.0/).
Share and Cite
Jin, Y.; Liu, J.; Wang, X.; Li, P.; Wang, J. Technology Recommendations for an Innovative Agricultural Robot Design Based on Technology Knowledge Graphs. Processes 2021, 9, 1905. https://doi.org/10.3390/pr9111905
Jin Y, Liu J, Wang X, Li P, Wang J. Technology Recommendations for an Innovative Agricultural Robot Design Based on Technology Knowledge Graphs. Processes. 2021; 9(11):1905. https://doi.org/10.3390/pr9111905
Chicago/Turabian StyleJin, Yucheng, Jizhan Liu, Xiuhong Wang, Pingping Li, and Jizhang Wang. 2021. "Technology Recommendations for an Innovative Agricultural Robot Design Based on Technology Knowledge Graphs" Processes 9, no. 11: 1905. https://doi.org/10.3390/pr9111905
APA StyleJin, Y., Liu, J., Wang, X., Li, P., & Wang, J. (2021). Technology Recommendations for an Innovative Agricultural Robot Design Based on Technology Knowledge Graphs. Processes, 9(11), 1905. https://doi.org/10.3390/pr9111905
 
         
                                                


 
       