Optimal Speed Control for a Semi-Autogenous Mill Based on Discrete Element Method
Abstract
1. Introduction
2. Working Principle of SAG Mill and Energy Analysis
2.1. Working Principle of SAG Mill
2.2. Energy Analysis of the Grinding Medium
3. Optimal Speed Model for SAG Mill Based on Discrete Element Method
3.1. Simulation Experiment Design and Simulation Procedure
3.2. Experiment Results and Optimal Speed Modeling
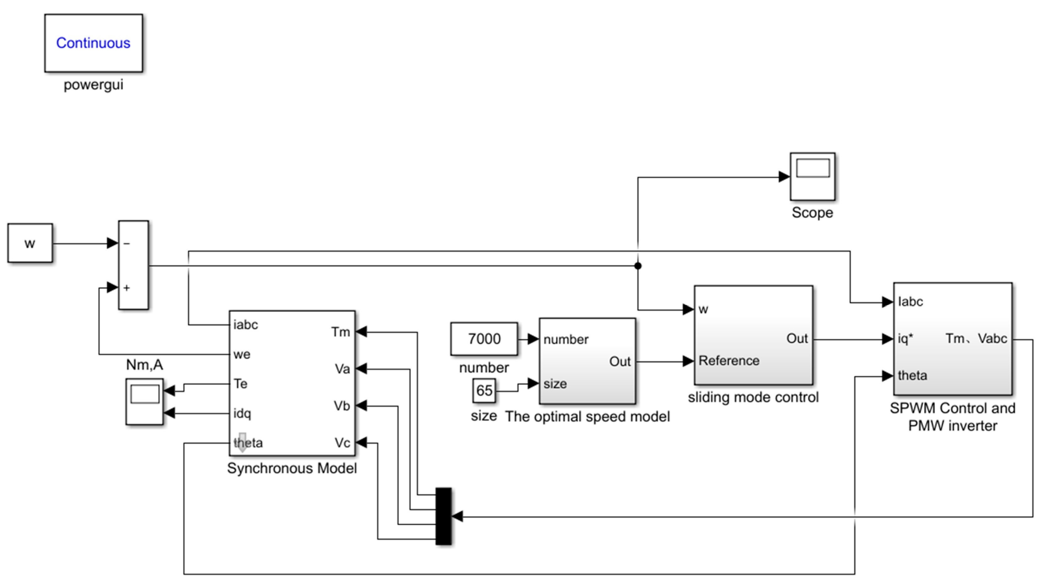
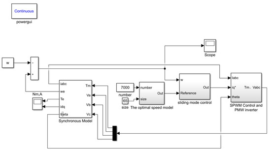
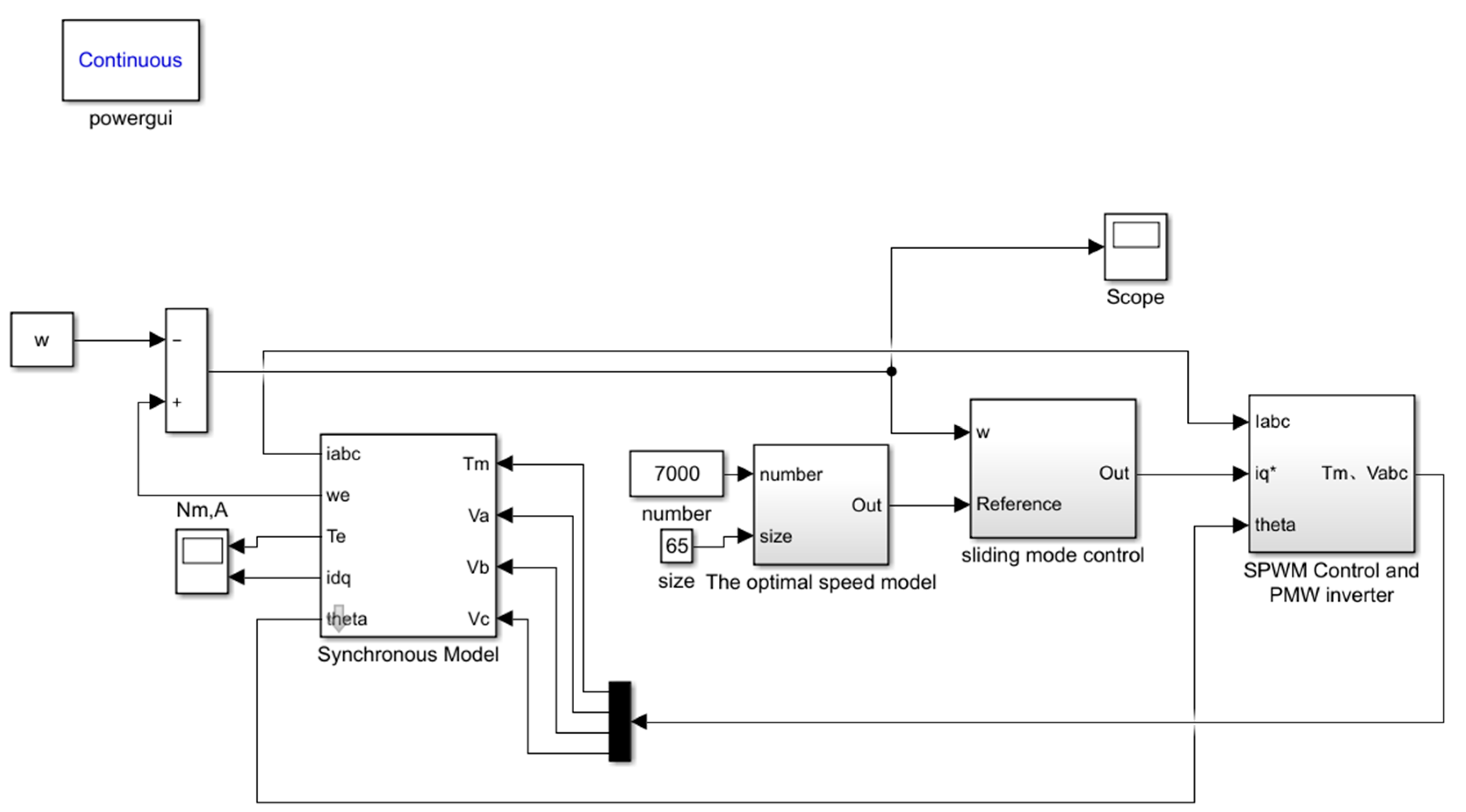
4. Sliding Mode Control of the SAG Mill Motor
4.1. Motor Model of SAG Mill
4.2. Improved Exponential Approaching Law
4.3. Simulation Results
5. Conclusions
- In the case of constant particle size, as the number of particles increases, the optimal speed generally increases slowly.
- In the case of the same number of particles, the optimal rotation speed generally increases slowly with the increase of the particle size but decreases slightly after a certain value, which indicates that when the particle size is too large, increasing the mill speed does not necessarily improve the grinding effect.
- By analyzing the response surface, the effect of the number of particles on the optimal rotation speed is greater than the effect of the particle size.
- The designed, improved sliding mode control enables the motor to run at the target speed quickly with less chattering and stable operation.
Author Contributions
Funding
Conflicts of Interest
References
- Salazar, J.; Valdés-González, H.; Vyhmesiter, E.; Cubillos, F. Model predictive controlof semi-autogenous mills(sag). Miner. Eng. 2014, 64, 92–96. [Google Scholar] [CrossRef]
- Hasankhoeia, A.R.; Maleki-Moghaddamb, M.; Haji-Zadehc, A.; Barzgard, M.E.; Banisi, S. On dry SAG mills end liners: Physical modeling, DEM-based characterization and industrial outcomes of a new design. Miner. Eng. 2019, 141, 1–17. [Google Scholar] [CrossRef]
- Gaipin, C.; Buchun, Q.; Xianhuang, X. Numerical Simulation and Experimental Study on Grinding Effect of SAG. Master’s Thesis, Henan Polytechnic University, Henan, China, 2017. [Google Scholar]
- Joachim, H. Control of Large Salient-Pole Synchronous Machines Using Synchronous Optimal Pulse width Modulation. IEEE Trans. Ind. Appl. 2015, 62, 3372–3379. [Google Scholar]
- Cleary, P.; Owen, P. Effect of operating condition changes on the collisional environment in a SAG mill. Miner. Eng. 2019, 132, 297–315. [Google Scholar] [CrossRef]
- Rodríguez, J.R.; Pontt, J. Technical Evaluation and Practical Experience of High-Power Grinding Mill Drives in Mining Applications. IEEE Trans. Ind. Appl. 2005, 41, 866–874. [Google Scholar] [CrossRef]
- Hadizadeh, M.; Farzanegan, A.; Noaparast, M. A plant-scale validated MATLAB-based fuzzy expert system to control SAG mill circuits. J. Process Control 2018, 70, 1–11. [Google Scholar] [CrossRef]
- Palavicino, P.C.; Valenzuela, M.A. Modeling and Evaluation of Cycloconverter-Fed, Two-Stator Windings SAG Mill Drive. Part II: Starting Evaluation. IEEE Trans. Ind. Appl. 2014, 51, 2582–2589. [Google Scholar] [CrossRef]
- Castro, P.P.; Valenzuela, M.A. Space Vector Modeling of a SAG Mill Drive and Evaluation during Mill Shutdowns. In Proceedings of the IEEE Industry Application Society Annual Meeting, Addison, TX, USA, 18–22 October 2015. [Google Scholar]
- José, G.H.; Benjamin, R.; Villalobos, E.; JoséOlivares, F. Robust Multivariable Predictive Control Strategy on SAG Mills; Codelco Chile—Division El Teniente. IFAC 2009, 42, 49–54. [Google Scholar]
- Fayez, F.M. Adaptive dynamic sliding-mode control system using recurrent RBFN for high-performance induction motor servo drive. IEEE Trans. Ind. Inform. 2013, 9, 1922–1936. [Google Scholar]
- Steyn, C.W.; Sandrock, C. Benefits of optimisation and model predictive control on a fully autogenous mill with variable speed. Miner. Eng. 2013, 53, 113–123. [Google Scholar] [CrossRef]
- Lai, C.K.; Shyu, K.K. A novel motor drive design for incremental motion system via sliding-mode control method. IEEE Trans. Ind. Electron. 2005, 52, 499–507. [Google Scholar] [CrossRef]
- Boiko, L.M. Chattering in sliding mode control systems with boundary layer approximation of discontinuous control. Int. J. Syst. Sci. 2013, 44, 1–8. [Google Scholar] [CrossRef]
- Wu, C.Y. Discrete Element Modelling of Particulate Media; Royal Society of Chemistry: Cambridge, UK, 2012. [Google Scholar]
- Cleary, P.W.; Cohen, R.C.Z.; Harrison, S.M.; Sinnott, M.D.; Prakash, M.; Mead, S. Prediction of industrial, biophysical and extreme geophysical flows using particle methods. Eng. Comput. 2013, 30, 157–196. [Google Scholar]
- Zhu, H.P.; Zhou, R.Y.; Yang, Z.Y.; Yu, A.B. Discrete particle simulation of particulate systems: A review of major applications and findings. Chem. Eng. Sci 2008, 63, 5728–5770. [Google Scholar] [CrossRef]
- Mishra, B.K.; Rajamani, R.K. The discrete element method for the simulation of ball mills. Appl. Math. Model 1992, 16, 598–604. [Google Scholar] [CrossRef]
- Cleary, P.W.; Sawley, M.L. DEM modelling of industrial granular flows: 3D case studies and the effect of particle shape on hopper discharge. Appl. Math. Model 2002, 26, 89–111. [Google Scholar] [CrossRef]
- Cleary, P.W. Modelling comminution devices using DEM. Int. J. Numer. Anal. Methods Geomech. 2001, 25, 83–105. [Google Scholar] [CrossRef]
- Cleary, P.W. Recent advances in DEM modelling of tumbling mills. Miner. Eng. 2001, 14, 1295–1319. [Google Scholar] [CrossRef]
- Weerasekara, N.S.; Liu, L.X.; Powell, M.S. Estimating energy in grinding using DEM modelling. Miner. Eng. 2016, 85, 23–33. [Google Scholar] [CrossRef]
- Weerasekara, N.S.; Powell, M.S.; Cleary, P.W. The contribution of DEM to the science of comminution. Powder Technol. 2013, 248, 3–24. [Google Scholar] [CrossRef]
- Savkoor, A.R.; Briggs, G. The effect of tangential force on contact of elastic solids in adhesion. Proc. R. Soc. Lond. A 1971, 365, 103–114. [Google Scholar]
- Zhang, X.G.; Sun, L.; Zhao, K. Sliding mode control of PMSM based on a novel load torque sliding mode observer. Proc. CSEE 2012, 32, 111–116. [Google Scholar]
- Dong, G.; Venkata, D. Sliding Mode High Speed Control of PMSM for Electric Vehicle Based on Flux-weakening Control Strategy. In Proceedings of the 36th Chinese Control Conference, Dalian, China, 26–28 July 2017. [Google Scholar]
















| Simulation Parameters | Particle Materials | Steel Balls |
|---|---|---|
| Poisson’s ratio | 0.3 | 0.3 |
| Shear Modulus | 2.3 × 107 Pa | 1 × 1010 Pa |
| Density | 2678 kg/m3 | 7850 kg/m3 |
| Size(mm) | Number | Speed (rad/s) |
|---|---|---|
| 50 | 5000 | 1.28 (50%nc) |
| 55 | 5500 | 1.285 |
| 60 | 6000 | 1.29 |
| … | … | … |
| 90 | 9500 | 1.64 (90%nc) |
| 95 | 10,000 | none |
| 100 | 12,500 | none |
| none | 15,000 | none |
| Cause of Variance | Sum of Squares | Degrees of Freedom | Standard Deviation | Value of F | p > F |
|---|---|---|---|---|---|
| Model | 1.449 × 10−3 | 5 | 2.897 × 10−4 | 3.40 | 0.0470 |
| A | 8.091 × 10−4 | 1 | 8.091 × 10−4 | 9.50 | 0.0116 |
| B | 4.005 × 10−4 | 1 | 4.005 × 10−4 | 4.70 | 0.0453 |
| AB | 1.622 × 10−4 | 1 | 1.622 × 10−4 | 1.91 | 0.0475 |
| A2 | 8.377 × 10−7 | 1 | 8.377 × 10−7 | 9.838 × 10−3 | 0.0922 |
| B2 | 1.092 × 10−5 | 1 | 1.092 × 10−5 | 0.13 | 0.0277 |
| Residual | 8.514 × 10−3 | 1 | 8.514 × 10−3 | none | none |
| Lack of fit | 2.300 × 10−3 | 1 | none | none | none |
© 2020 by the authors. Licensee MDPI, Basel, Switzerland. This article is an open access article distributed under the terms and conditions of the Creative Commons Attribution (CC BY) license (http://creativecommons.org/licenses/by/4.0/).
Share and Cite
Wang, X.; Yi, J.; Zhou, Z.; Yang, C. Optimal Speed Control for a Semi-Autogenous Mill Based on Discrete Element Method. Processes 2020, 8, 233. https://doi.org/10.3390/pr8020233
Wang X, Yi J, Zhou Z, Yang C. Optimal Speed Control for a Semi-Autogenous Mill Based on Discrete Element Method. Processes. 2020; 8(2):233. https://doi.org/10.3390/pr8020233
Chicago/Turabian StyleWang, Xiaoli, Jie Yi, Ziyu Zhou, and Chunhua Yang. 2020. "Optimal Speed Control for a Semi-Autogenous Mill Based on Discrete Element Method" Processes 8, no. 2: 233. https://doi.org/10.3390/pr8020233
APA StyleWang, X., Yi, J., Zhou, Z., & Yang, C. (2020). Optimal Speed Control for a Semi-Autogenous Mill Based on Discrete Element Method. Processes, 8(2), 233. https://doi.org/10.3390/pr8020233
