Mathematical Modeling of Hydrodynamics in Bioreactor by Means of CFD-Based Compartment Model
Abstract
1. Introduction
2. Materials and Methods
2.1. Experimental Set-Up
2.2. Tracer Experiments
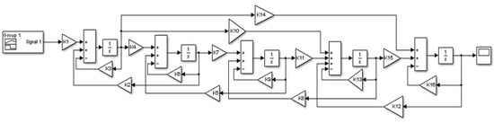
2.3. CFD Simulations
3. Result and Discussion
4. Conclusions
Author Contributions
Funding
Acknowledgments
Conflicts of Interest
Abbreviations
| c | tracer concentration, kgNaCl∙(kgsolvent)−1 |
| N | rotational speed, RPM |
| mass flow rate, kg∙s−1 | |
| t | time, s |
| V | compartment volume, m3 |
| volumetric flow rate, dm3∙h−1 | |
| α, β, γ | parameters of mathematical model (see Equation (2)) |
| δ | Dirac delta function |
| ε | sum of squares of deviation between measured and predicted values |
| τ0 | time-lag, s |
| CFD | computational fluid dynamics |
| CM | compartmental model |
| CSTR | continuous stirred-tank reactor |
| RTD | residence time distribution |
References
- Williams, J.A. Keys to bioreactor selections. Chem. Eng. Prog. 2002, 98, 34–41. [Google Scholar]
- Marroquín-Fandiño, J.E.; Ramírez-Acosta, C.M.; Luna-Wandurraga, H.J.; Valderrama-Rincón, J.A.; Cruz, J.C.; Reyes, L.H.; Valderrama-Rincon, J.D. Novel external-loop-airlift milliliter scale bioreactors for cell growth studies: Low cost design, CFD analysis and experimental characterization. J. Biotechnol. 2020, 324, 71–82. [Google Scholar] [CrossRef] [PubMed]
- Singh, J.; Kaushik, N.; Biswas, S. Bioreactors—Technology & Design Analysis. Scitech J. 2014, 1, 28–36. [Google Scholar]
- Konopacki, M.; Grygorcewicz, B.; Dołęgowska, B.; Kordas, M.; Rakoczy, R. PhageScore: A simple method for comparative evaluation of bacteriophages lytic activity. Biochem. Eng. J. 2020, 161, 107652. [Google Scholar] [CrossRef]
- Dlafosse, A.; Delvigne, F.; Collignon, M.-L.; Crine, M.; Thonart, P.; Toye, D. Development of a compartment model based on CFD simulations for description of mixing in bioreactors. Biotechnol. Agron. Soc. Environ. 2010, 14 (Suppl. S2), 517–522. [Google Scholar]
- Verma, R.; Mehan, L.; Kumar, R.; Kumar, A.; Srivastava, A. Computational fluid dynamic analysis of hydrodynamic shear stress generated by different impeller combinations in stirred bioreactor. Biochem. Eng. J. 2019, 151, 107312. [Google Scholar] [CrossRef]
- Levenspiel, O. Modeling in Chemical Engineering; Elsevier: Amsterdam, The Netherland, 2002; Volume 57. [Google Scholar]
- Le Moullec, Y.; Gentric, C.; Potier, O.; Leclerc, J.P. Comparison of systemic, compartmental and CFD modelling approaches: Application to the simulation of a biological reactor of wastewater treatment. Chem. Eng. Sci. 2010, 65, 343–350. [Google Scholar] [CrossRef]
- Rodrigues, A.E. Residence Time Distribution (RTD) revisited. Chem. Eng. Sci. 2020, 230, 116188. [Google Scholar] [CrossRef]
- Rakoczy, R.; Kordas, M.; Story, G.; Konopacki, M. The characterization of the residence time distribution in a magnetic mixer by means of the information entropy. Chem. Eng. Sci. 2014, 105, 191–197. [Google Scholar] [CrossRef]
- Levenspiel, O. Tracer Technology: Modeling the Flow of Fluids; Springer-Verlag: New York, NY, USA, 2013; Volume 51, ISBN 9781441980731. [Google Scholar]
- Jafari, M.; Soltan Mohammadzadeh, J.S. Mixing time, homogenization energy and residence time distribution in a gas-induced contactor. Chem. Eng. Res. Des. 2005, 83, 452–459. [Google Scholar] [CrossRef]
- Rakoczy, R.; Kordas, M.; Gradzik, P.; Konopacki, M.; Story, G. Experimental study and mathematical modeling of the residence time distribution in magnetic mixer. Polish J. Chem. Technol. 2013, 15, 53–60. [Google Scholar] [CrossRef][Green Version]
- Rigopoulos, S.; Jones, A. A hybrid CFD-reaction engineering framework for multiphase reactor modelling: Basic concept and application to bubble column reactors. Chem. Eng. Sci. 2003, 58, 3077–3089. [Google Scholar] [CrossRef]
- Konopacki, M.; Kordas, M.; Fijałkowski, K.; Rakoczy, R. Computational fluid dynamics and experimental studies of a new mixing element in a static mixer as a heat exchanger. Chem. Process Eng. Inz. Chem. i Proces. 2015, 36, 59–72. [Google Scholar] [CrossRef]
- Guha, D.; Dudukovic, M.P.; Ramachandran, P.A.; Mehta, S.; Alvare, J. CFD-based compartmental modeling of single phase stirred-tank reactors. AIChE J. 2006, 52, 1836–1846. [Google Scholar] [CrossRef]
- Vrábel, P.; Van der Lans, R.G.J.M.; Van der Schot, F.N.; Luyben, K.C.A.M.; Xu, B.; Enfors, S.O. CMA: Integration of fluid dynamics and microbial kinetics in modelling of large-scale fermentations. Chem. Eng. J. 2001, 84, 463–474. [Google Scholar] [CrossRef]
- Fazli-Abukheyli, R.; Darvishi, P. Combination of axial dispersion and velocity profile in parallel tanks-in-series compartment model for prediction of residence time distribution in a wide range of non-ideal laminar flow regimes. Chem. Eng. Sci. 2019, 195, 531–540. [Google Scholar] [CrossRef]
- Weber, B.; von Campenhausen, M.; Maßmann, T.; Bednarz, A.; Jupke, A. CFD based compartment-model for a multiphase loop-reactor. Chem. Eng. Sci. X 2019, 2, 100010. [Google Scholar] [CrossRef]
- Yang, S.; Kiang, S.; Farzan, P.; Ierapetritou, M. Optimization of Reaction Selectivity Using CFD-Based Compartmental Modeling and Surrogate-Based Optimization. Processes 2018, 7, 9. [Google Scholar] [CrossRef]
- Hristov, H.V.; Mann, R.; Lossev, V.; Vlaev, S.D. A simplified CFD for three-dimensional analysis of fluid mixing, mass transfer and bioreaction in a fermenter equipped with triple novel geometry impellers. Food Bioprod. Process. 2004, 82, 21–34. [Google Scholar] [CrossRef]
- Lisboa, P.F.; Fernandes, J.; Simões, P.C.; Mota, J.P.B.; Saatdjian, E. Computational-fluid-dynamics study of a Kenics static mixer as a heat exchanger for supercritical carbon dioxide. J. Supercrit. Fluids 2010, 55, 107–115. [Google Scholar] [CrossRef]
- Wilcox, D.C. Reassessment of the scale-determining equation for advanced turbulence models. AIAA J. 1988, 26, 1299–1310. [Google Scholar] [CrossRef]
- Franzke, R.; Sebben, S.; Bark, T.; Willeson, E.; Broniewicz, A. Evaluation of the Multiple Reference Frame Approach for the Modelling of an Axial Cooling Fan. Energies 2019, 12, 2934. [Google Scholar] [CrossRef]
- Rutherford, K.; Mahmoudi, S.M.S.; Lee, K.; Yianneskis, M. The Influence of Rushton Impeller Blade and Disk Thickness on the Mixing Characteristics of Stirred Vessels. Chem. Eng. Res. Des. 1996, 74, 369–378. [Google Scholar]
- Claudel, S.; Fonteix, C.; Leclerc, J.P.; Lintz, H.G. Application of the possibility theory to the compartment modelling of flow pattern in industrial processes. Chem. Eng. Sci. 2003, 58, 4005–4016. [Google Scholar] [CrossRef]
- Bujalski, J.M.; Jaworski, Z.; Bujalski, W.; Nienow, A.W. The influence of the addition position of a tracer on CFD simulated mixing times in a vessel agitated by a Rushton turbine. Chem. Eng. Res. Des. 2002, 80, 824–831. [Google Scholar] [CrossRef]
- Portillo, P.M.; Muzzio, F.J.; Ierapetritou, M.G. Hybrid DEM-compartment modeling approach for granular mixing. AIChE J. 2007, 53, 119–128. [Google Scholar] [CrossRef]
- Correa, S.M. Turbulence-chemistry interactions in the intermediate regime of premixed combustion. Combust. Flame 1993, 93, 41–60. [Google Scholar] [CrossRef]
- Fan, L.T.; Chen, S.J.; Watson, C.A. Solids Mixing. Ind. Eng. Chem. 1970, 62, 53–69. [Google Scholar] [CrossRef]
- Alvarado, A.; Vedantam, S.; Goethals, P.; Nopens, I. A compartmental model to describe hydraulics in a full-scale waste stabilization pond. Water Res. 2012, 46, 521–530. [Google Scholar] [CrossRef]
- Kougoulos, E.; Jones, A.G.; Wood-Kaczmar, M. CFD modelling of mixing and heat transfer in batch cooling crystallizers aiding the development of a hybrid predictive compartmental model. Chem. Eng. Res. Des. 2005, 83, 30–39. [Google Scholar] [CrossRef]
- Norton, T.; Tiwari, B.; Sun, D.W. Computational Fluid Dynamics in the Design and Analysis of Thermal Processes: A Review of Recent Advances. Crit. Rev. Food Sci. Nutr. 2013, 53, 251–275. [Google Scholar] [CrossRef]
- Delafosse, A.; Collignon, M.L.; Calvo, S.; Delvigne, F.; Crine, M.; Thonart, P.; Toye, D. CFD-based compartment model for description of mixing in bioreactors. Chem. Eng. Sci. 2014, 106, 76–85. [Google Scholar] [CrossRef]
- Olivet, D.; Valls, J.; Gordillo, M.À.; Freixó, À.; Sánchez, A. Application of residence time distribution technique to the study of the hydrodynamic behaviour of a full-scale wastewater treatment plant plug-flow bioreactor. J. Chem. Technol. Biotechnol. 2005, 80, 425–432. [Google Scholar] [CrossRef]
- Panda, P.T. Bioreactors: Analysis and Design, 1st ed.; TMH: New York, NY, USA, 2011. [Google Scholar]
- Bezzo, F.; Macchietto, S.; Pantelides, C.C. General hybrid multizonal/CFD approach for bioreactor modeling. AIChE J. 2003, 49, 2133–2148. [Google Scholar] [CrossRef]
- Levenspiel, O. Chemical reaction engineering. Ind. Eng. Chem. Res. 1999, 38, 4140–4143. [Google Scholar] [CrossRef]
- Scott Fogler, H. Elements of chemical reaction engineering. Chem. Eng. Sci. 1987, 42, 2493. [Google Scholar] [CrossRef]
- Alexopoulos, A.H.; Maggioris, D.; Kiparissides, C. CFD analysis of turbulence non-homogeneity in mixing vessels a two-compartment model. Chem. Eng. Sci. 2002, 57, 1735–1752. [Google Scholar] [CrossRef]
- Rahimi, M.; Mann, R. Macro-mixing, partial segregation and 3-D selectivity fields inside a semi-batch stirred reactor. Chem. Eng. Sci. 2001, 56, 763–769. [Google Scholar] [CrossRef]







Publisher’s Note: MDPI stays neutral with regard to jurisdictional claims in published maps and institutional affiliations. |
© 2020 by the authors. Licensee MDPI, Basel, Switzerland. This article is an open access article distributed under the terms and conditions of the Creative Commons Attribution (CC BY) license (http://creativecommons.org/licenses/by/4.0/).
Share and Cite
Krychowska, A.; Kordas, M.; Konopacki, M.; Grygorcewicz, B.; Musik, D.; Wójcik, K.; Jędrzejczak-Silicka, M.; Rakoczy, R. Mathematical Modeling of Hydrodynamics in Bioreactor by Means of CFD-Based Compartment Model. Processes 2020, 8, 1301. https://doi.org/10.3390/pr8101301
Krychowska A, Kordas M, Konopacki M, Grygorcewicz B, Musik D, Wójcik K, Jędrzejczak-Silicka M, Rakoczy R. Mathematical Modeling of Hydrodynamics in Bioreactor by Means of CFD-Based Compartment Model. Processes. 2020; 8(10):1301. https://doi.org/10.3390/pr8101301
Chicago/Turabian StyleKrychowska, Agnieszka, Marian Kordas, Maciej Konopacki, Bartłomiej Grygorcewicz, Daniel Musik, Krzysztof Wójcik, Magdalena Jędrzejczak-Silicka, and Rafał Rakoczy. 2020. "Mathematical Modeling of Hydrodynamics in Bioreactor by Means of CFD-Based Compartment Model" Processes 8, no. 10: 1301. https://doi.org/10.3390/pr8101301
APA StyleKrychowska, A., Kordas, M., Konopacki, M., Grygorcewicz, B., Musik, D., Wójcik, K., Jędrzejczak-Silicka, M., & Rakoczy, R. (2020). Mathematical Modeling of Hydrodynamics in Bioreactor by Means of CFD-Based Compartment Model. Processes, 8(10), 1301. https://doi.org/10.3390/pr8101301

