Abstract
Archeological structures connected with iron metallurgy were identified in the outskirts of the town Lučenec, Slovakia. Based on the shapes and decoration of the ceramic fragments, it was possible to date them to the 9th or 10th century. The first group of discovered metallurgical materials included slags with low wüstite content, which looks like slag from younger higher-shaft furnaces. The second group included slags which could be attributed to the technology common at the time of the site’s existence: iron smelting in lower free-standing shaft furnaces with average efficiency. The third group were slags from the forging of iron blooms to remove pores and slag particles. The fourth group consisted of ceramics fragments (tuyeres and refractory material). Bog ore was probably smelted using principally oak wood charcoal.
1. Introduction
Archeological research in the northern outskirts of the town of Lučenec was initiated in the summer months of 2017, prior the construction of the Mercury company’s production hall. The research in the central part of the Lučenec Basin (Figure 1), in the area delimited east by the Zvolen road and by the Lučenec–Zvolen railway line in the west, approx. 530 m south-west of the Krivánský creek, was carried out by Archeologická Agentúra, s.r.o.
Figure 1.
Localization of research in the framework of broader relationship.
After examining the entire construction area with a metal detector, the topsoil was removed to a depth of 10–15 cm. The identified archeological site (Figure 2) was examined using archeological research methods. To verify the stratigraphy and location of archeological structures, survey probes were carried out in the places of the future footings of the hall construction.
Figure 2.
Localization of documented site on the current cadastral map.
In the south-western part of the site, four archeological structures (Obj. 1-4/2017) were identified after topsoil removal, the basic parameters of which are given in Table 1. The recessed gutter-shaped structure 1/2017 (Figure 3a) was filled with dark-grey alumina–clay material, in which many ceramic remnants, fragments of clay tuyeres, and a large amount of metallurgical slag were found. The upper part of the recessed kidney-shaped structure 2/2017 with a stepped bottom (Figure 3b) was formed by a brown-grey clay layer containing coarse clay daub, tuyere fragments, and ceramic remnants. The lower part was filled with pieces of charcoal and metallurgical slag.
Table 1.
Basic parameters of archeological structures 1-4/2017.
Figure 3.
Structures No. 1-4/2017: floor plans and profiles (courtesy of M. Kvietok).
Due to the absence of burnt areas in structures 1/2017 and 2/2017, they can be interpreted as waste pits for the remnants of metallurgical activities. A smaller, shallow-sunken structure 3/2017 (Figure 3c) with a flat-bottomed wash-basin shape was filled with a dark-grey alumina–clay material. Many ceramic fragments and a small amount of slag were also trapped in the filling. Its surrounding area was not burnt, which indicates that this was the lower part of the waste pit with the remains of metallurgical activities. The shallowly recessed structure 4/2017 with a concave basin-shaped bottom (Figure 3d) was filled with dark-grey clay. Many ceramic fragments were retrieved from the material filling the structure, so it was probably a waste pit used by the settlement inhabitants.
The material contained mainly fragments of slag. Many ceramic remnants included fragments of pots made of clay–sandy material with a smooth S-shaped profile and edges more or less bent outwards. A small number of fragments had preserved decoration in the form of a combed wavy line on the surface (Figure 4). Based on the shapes and decoration of the ceramics, it was possible to date the structures to the early medieval period, probably the 9th or 10th century. This period is connected with a complicated situation in the Carpathian Basin, with the disintegration of the Great Moravian kingdom in parallel with the migration of Hungarian tribes to Central Europe. Relatively numerous but only fragmentarily preserved material consisted of clay tuyeres/nozzles (Figure 5) partly covered with a slag-like substance.
Figure 4.
Selection of early medieval ceramics, found in structure No. 1/2017 (courtesy of M. Kvietok).
Figure 5.
Photographic documentation of clay tuyeres (nozzles), found in structure No. 1/2017 (selection, courtesy of M. Kvietok).
The concentration of the structures in the south-western part of the map (Figure 2) indicates the possible edge of the production area of the early medieval settlement. So far, it is not possible to confirm whether our finds are from the settlement referred to in later sources as Eb hát (Hungarian), Psí chrbát (Slovak), i.e., Dog’s Back. A similar site was identified in the Zvolen Basin in the locality of Sliač-Rybáre [1].
2. Materials and Methods
Sixteen pieces of slag and three fragments of partly slagged technical ceramics taken from stratigraphic units (SJ) 1003/5000 and 1004/5001 (Table 1) were selected for archaeometallurgical analysis.
After measuring the dimensions, weighing them, and determining the magnetism by the degree of attraction to a magnet, the samples were cut with a diamond saw and cast into epoxy resin (dentacryl) for consolidation. Metallographic surfaces (hereinafter “cuts”) were prepared by dry grinding the samples on 120 to 3000 ANSI/CAMI grit papers and subsequent polishing with 0.0005 mm diamond paste moistened with kerosene. A reflected light metallurgical microscope Neophot 32 was used for microscopic analysis. The wüstite content in the slag was determined with ImageJ software 1.46r Java 1.6.0_20, using the planimetric method [2].
Based on their external appearance and the results of microstructural analysis the samples of slag and ceramic tuyere shards were ground in a vibrating mill and subjected to chemical analysis with an AAS Perkin-Elmer 3100 atomic absorption spectrophotometer (manufacturer: Artisan Technology Group, Defense and Space Manufacturing, Champaign, IL, USA). Table 2 reports the results obtained for slag samples together with the slag basicity calculated using Equation (1), which is as follows:
Table 2.
Results of chemical analysis of slag and slag basicity (B) calculated using Equation (1).
Comparative measurements of chemical composition were made with a Niton XL3 Goldd portable XRF spectrometer (manufacturer Thermo Fisher Scientific Inc., Waltham, MA, USA). Trace amounts of Nb, Zr, Sr, and Rb were found in all slags listed in Table 2. The sulphur and phosphorus contents determined on five slags using this method are given in Table 3 (see Section 2). The presence of minor (0.01–1%) and trace (0.00001–0.01%) elements was determined using semi-quantitative spectral analysis with a PGS2 plane-grid spectrograph (manufacturer: Carl Zeiss, Jena, Germany), and the detected elements are shown in Table 4. The relationship between slags was evaluated based on the presence of minor and trace elements using the cluster analysis method [3,4], with the weighted pair-group average method used as a distance measure. The presence of sulphur was also determined by the Bauman print method using the method described in more detail in [5].
Table 3.
Content of sulphur and phosphorus in slags obtained using Niton XL3 Goldd spectrometer.
Table 4.
Presence of minor (0.01–1%) and trace (0.00001–0.01%) elements, obtained by means of semiquantitative spectral analysis.
The degree of rehydration and rehydroxylation of the ceramic shard, which occurs due to the weathering of ceramics deposited in the soil [6], was determined using thermal analysis on a Netzsch STA449F Jupiter (manufacturer: Netzsch Analyzing & Testing, Selb, Germany) simultaneous thermal analyzer at ambient atmosphere and a heating rate of 10 °C·min−1, up to temperature 1250 °C. The conditions of thermal analyses were chosen based on knowledge about the decomposition of clay minerals and the degradation of ceramic shards during weathering. The processes of dehydration and dehydroxylation of clay minerals occur in the temperature range from 150 °C to 800 °C. With increasing firing temperature above 900 °C, sintering occurs, the proportion of the glass phase increases, more stable crystalline phases are formed, and the shard becomes more resistant to weathering. The degree of weathering of ceramic shards in the soil is influenced not only by the temperature and duration of the shard firing in the exhaust during metal melting but also by the intensity and duration of the action of water and salts. Water and salts destroy the structure of the shard, re-entering the structure of aluminosilicates. The results were evaluated with Proteus TA ver.6.1 software. Phase analysis of the ceramic shards was performed on a RIGAKU MiniFlex600 diffractometer (manufacturer: Rigaku Corporation. Tokyo, Japan) with CuKα radiation, 40 kV, and 15 mA in a theta-2theta arrangement. X-ray diffraction recordings were evaluated with PDXL version 2 software (PDF-2 database). An energy dispersive spectrometer (EDS) was used for local semiquantitative elemental analysis of selected parts of the ceramic samples (JEOL JSM 7000 F, INCA Energy 250 Microanalysis System, manufacturer Thermo Fisher Scientific Inc., Waltham, MA, USA).
The fusibility temperature of the ceramic materials was measured using a high-temperature microscope (Leitz–Wetzlar 1500, manufacturer: Leitz, Wetzlar, Germany) according to ISO 540 [7]. Milled powder samples (0.063 mm) were pressed into a cylindrical mould (3 × 3 mm) and heated in a static air atmosphere at a rate 10 °C·min−1 up to a temperature 1500 °C.
The palaeobotanical analysis of carbons stuck to the slag found in the waste pits was carried out by the civic association ADendro o.z. [8].
3. Results and Discussion
Previous authors [9,10,11] point to a connection between the efficiency of direct iron reduction and the wüstite Fe1-xO content in the slag. The less wüstite it contains, the more efficient the reduction process because more iron has passed into the bloom and less is left in the slag. In addition, the slag from direct iron reduction (bloomery process) contains olivines (ferric-calcium silicates) or fayalite Fe2SiO4 in various shades of grey as well as black ferrous glass, close in composition to melilite.
Taking into account the results of chemical analyses (especially the content of FeO and SiO2, Table 2) and phase analyses (especially the content and morphology of wüstite), the slag samples were divided into three groups. Samples characterized by lower FeO content and higher content of SiO2 were included in the first group. These were believed to be slags from highly efficient direct reduction. The content of wüstite was low or completely absent. The second group included samples with higher content of FeO and wüstite, marked as slags from direct reduction with average efficiency. The third group included slags whose appearance and composition did not correspond to waste from the reduction of iron ore. They had a high content of FeO and wüstite and were probably waste products of iron bloom forging.
The content of wüstite and metallic iron and the magnetic properties of analyzed slags are in Table 5.
Table 5.
The content of wüstite and metallic iron and the magnetic properties of analyzed slags.
3.1. Slag from Direct Reduction the Iron Ore (Bloomery Slag)
Slags P406 (weight 320 g), P412 (250 g), and P414 (300 g) were found in SJ 1003/5000. The surface of P406 slag was wrinkled, grey, and reminiscent of a brain. Slags P412 and P414 were rusty dark-grey, and they had the appearance of scoria-like blacksmith’s slag. The dust was also rusty dark-grey. The homogeneous microstructure of P414 slag was formed by square crystals of two types of olivines. Despite the high FeO content (67.45%, Table 2), the content of wüstite (2.9%) was low. Slags P412 and P406, containing wüstite in tenths of one percent, had the same microstructure.
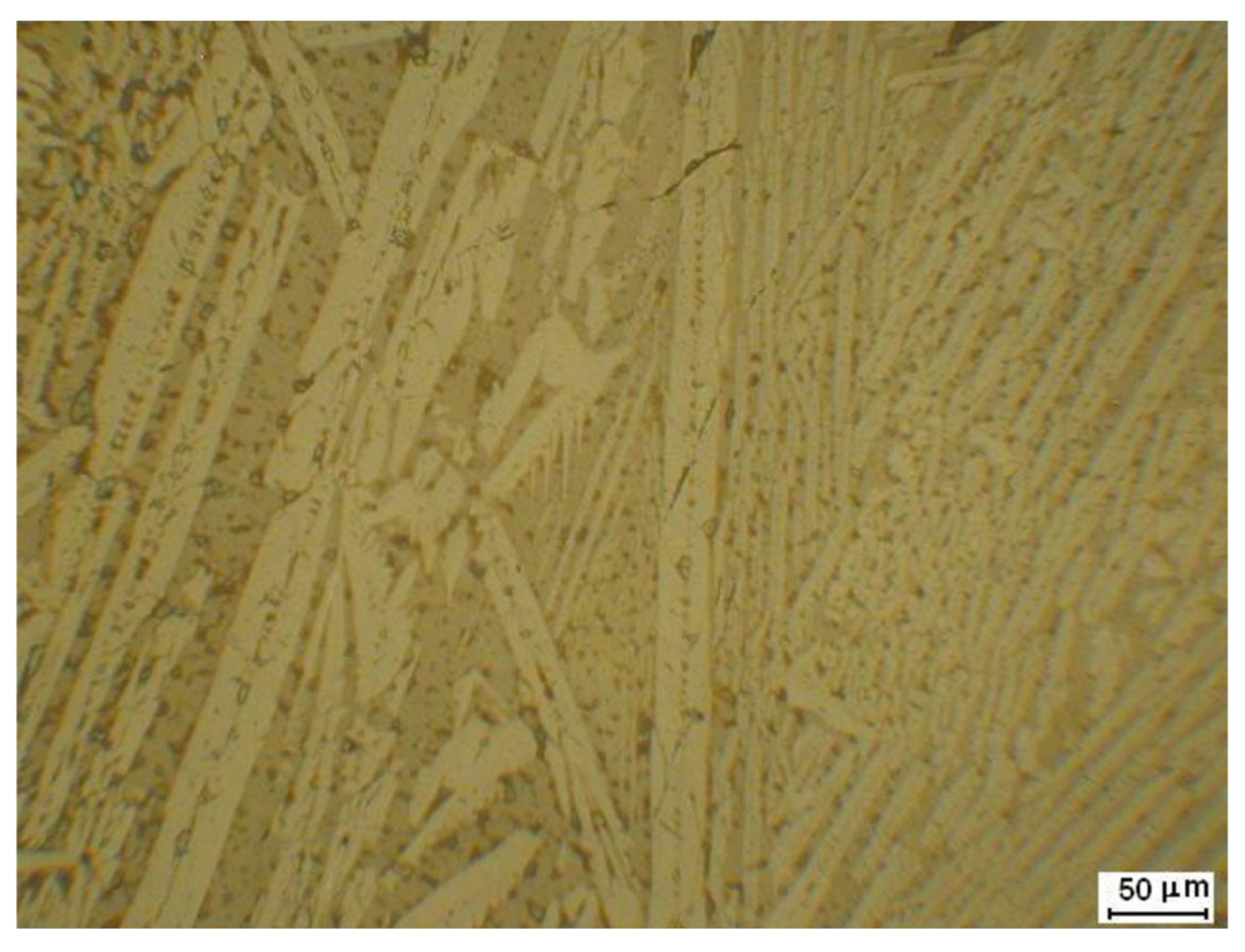
Slag P418 (70 g) in the shape of a cylinder resembled a slag running into a mouse hole, as mentioned by Pleiner [12]. It had a dark-grey, smooth surface. The homogeneous microstructure of the slag was formed by columnar crystals of two types of olivines without wüstite (Figure 6). Dark-grey slag P420 (200 g) had a wrinkled surface. Its microstructure was similar to P418 slag, with 11.1% of wüstite.
Figure 6.
Slag from effective reduction (sample P418).
The blacksmith’s slag contains blocks of wüstite and “cell” structure, which are absent in the analyzed slag. The microstructure and FeO content of this slag resemble slag that was the waste of a higher-shaft furnace with blowing equipment powered by water. It did not appear in Slovakia as the Stückofen or Windisch Ofen (the Slovak furnace) until the 13th century [13]. In the microstructure of the slag from Goscote (Rushall), Great Britain, corresponding with archive references to late-medieval and 16th-century iron working (the latter probably water powered), was dominated by olivines and spinels, with smaller proportions of wüstite and a glassy matrix [14]. In Lučenec and its surroundings, no Stückofen is mentioned in written sources, nor has it been identified archeologically. It is therefore likely that they were, like the following slags, produced in a low-shaft, manually blown furnace.
Chemical composition and microstructure of non-magnetic slags P408, P409, P411, P417, P419, P422, and P423 are typical for bloomery slag (Table 2) from direct reduction of iron in low-shaft furnaces with manual blowing.
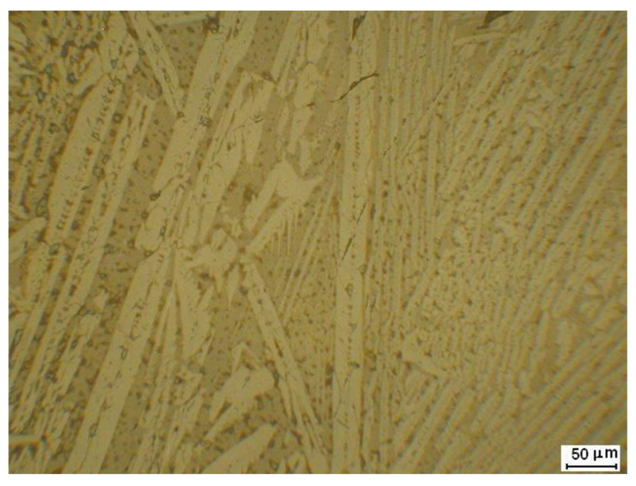
Slags P408 (150 g) found in SJ 1003/5000 had a dark-grey, wrinkled surface. The cut was compact, without pores. The microstructure consisted of square olivine crystals, iron glass, and dendritic wüstite (18.8%, Figure 7). Slags P409, P411, and P417 from the same SJ weighed between 60 and 200 g. The surface and microstructure were similar to that of P408 slag, with wüstite content varying between 9.5 and 20.3%.
Figure 7.
Slag from the bloomery process in a low-shaft furnace (sample P408).
Slag P419 (120 g) had a dark-grey and smooth surface. The microstructure consisted of square crystals of olivines, iron glass, and 1.8% of fine dendritic wüstite. The low wüstite content was not in line with the high FeO content (55.55%, Table 2). This may have been due to the exclusion of wüstite in very-fine form, which reduced the accuracy of the used planimetric analytical method by the software ImageJ. In addition, FeO was also involved in the form of olivines and glass.
Slags P422 (650 g) and P423 (200 g) from SJ 1004/5001 had grey, smooth surfaces. The microstructure was similar to P419 but wüstite was more pronounced in both dendritic and globular forms. Slag P422 contained 17.6% of wüstite and P423 18.9%.
Figure 8 presents a comparison of the relationship between the FeO + MnO and SiO2 contents of the above-mentioned slag from the Lučenec site and slags from some central European localities where iron was produced by direct reduction. At Blatné Remety (eastern Slovakia), iron was reduced in a low-shaft furnace from the 8th to the mid-10th century [15]; at Olomoučany (Moravia) between the 8th and 11th centuries in built-in (embanked) furnaces [16]; at Imola in northwestern Hungary between the 10th and 11th centuries in built-in furnaces [17]; and at Gemerský Sad (south-eastern Slovakia) between the 11th and 12th centuries also in built-in furnaces [18]. The slag from Hôrka-Kišovce (northern Slovakia) from the 9th or 10th century is without data on the type of furnace [19]. The slag from Kopčany (western Slovakia), probably from a low-shaft furnace, dated back to a similar period: the analysis has not been published yet. Espelund [20,21] reports the composition of medieval slag found in Iceland (Belgsá Fnjóskadalar) and Norway (Sirdal). It also describes other finds from Norway, including Fastad, Lillehammer, dated to the 7th century, and Nystaul, dated between the 6th and 9th centuries. The slag dated to the 9th century was found in Kushman hillfort, Udmurt Republic, Russia [22]. A slag excavated in Santa Filitica, Sardinia, Italy, dated between the 5th and 6th centuries, is described by Mameli [23]. Mace [24] describes an iron slag, dated between the 10th and 13th centuries, found in Sweden (Långume, Gotland Island). Slag, dated to the same period, was found in Oiola, Biscay region, Spain [25]. Joosten [26] describes a slag from Orderbos, Veluwe area, the Netherlands, dating to the 9th century. Medieval slag from Lahn-Dill, Germany is described in [27]. A slag produced by the Avars, found in southwestern Hungary, dated between the 7th and 9th century, is described by Török et al. [28].
Figure 8.
Comparison of contents of FeO + MnO and SiO2 in bloomery slags in Europe, 6th–13th century.
Based on the results of the analyses presented in Table 2 and the graph in Figure 8, it can be stated that the efficiency of the reduction process at Lučenec was comparable to contemporary slags. If the studied slag remnants from Lučenec were smelted at the site of their discovery, there is a high probability that free-standing low-shaft furnaces were used for the iron reduction. The use of built-in (embanked) furnaces was precluded by the absence of firm ground suitably sloped for their construction.
As described by several authors [11,29,30], when heating iron before forging, cinder forms on its surface. At higher temperatures, this reacts with sand, coal ash, and slag residues in the iron. The result is blue-grey or rusty (older) blacksmith’s slag in the form of cup-shaped formations, copying the blacksmith’s hearth. The matrix has two components: olivines and iron glass with blocks of wüstite. There are also more or less corroded pieces of iron, dark sand particles, and cellular structures (such as honeycombs), containing mainly dicalcium silicate partially etched by water [11].
The iron bloom must be consolidated through repeated reforging. This process leads to welding of the pores and displacement of the slag. The result is “tradable” iron in the shape of a disc or axe-like currency bar (known locally as “hryvna”).
Earlier studies [11,31,32,33] established that the microstructure of slag from the forging of blooms was similar to bloomery, often with increased content of wüstite in the form of blocks, similar to blacksmith’s (forging) slag.
Samples P413, P421, P424, and P425 may be the waste material from the reheating and forging of blooms. Samples P421 and P424 were magnetic, probably due to the presence of metallic iron, microscopically confirmed in sample P421.
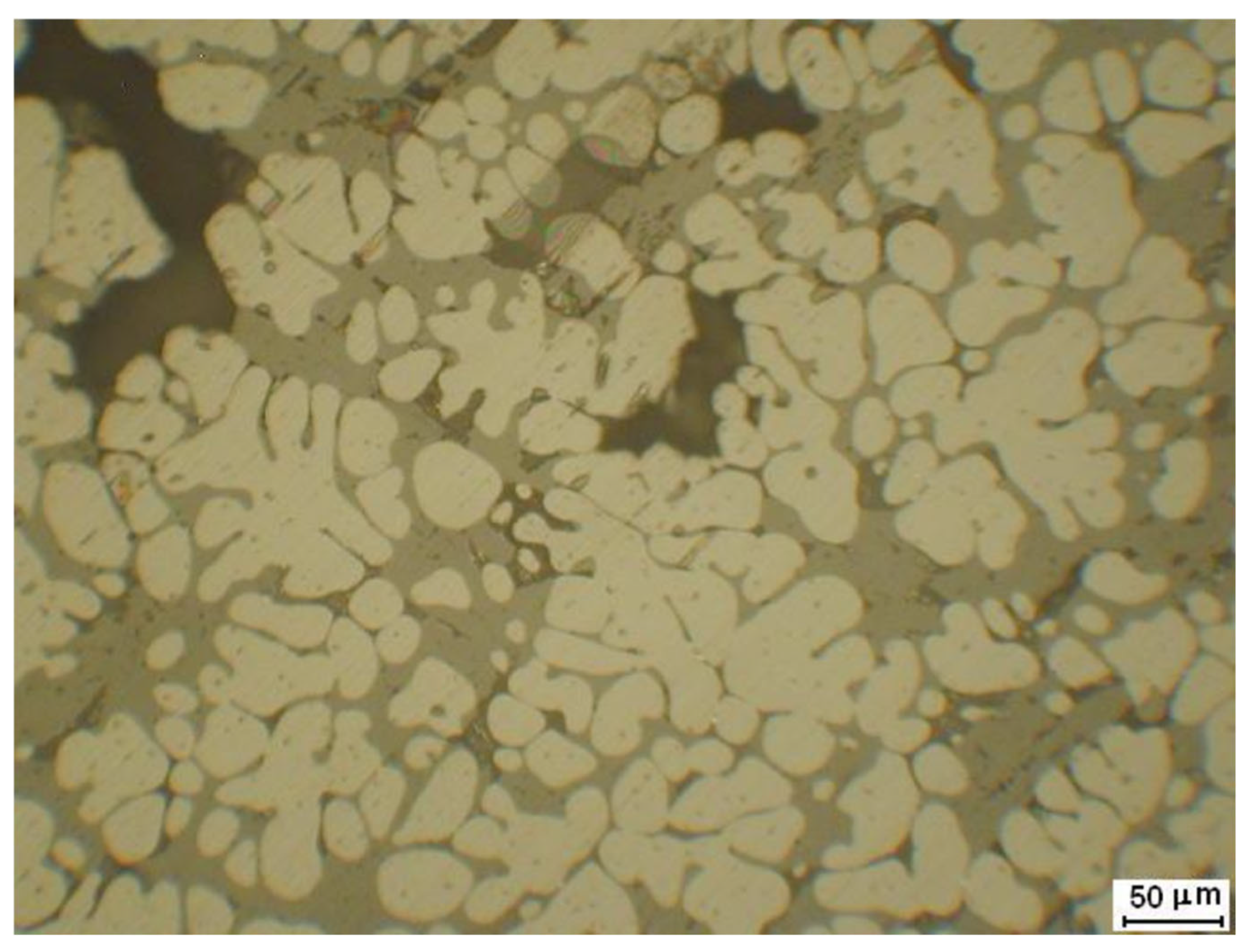
Bowl-shaped slag P413 (diameter up to 100 mm, weight 330 g) found in SJ 1003/5000 had a dark-grey, rusty, “scoria-like” surface. The microstructure consisted of 63.3% wustite in globular and dendritic form, olivines, and a small amount of iron glass, as seen in Figure 9.
Figure 9.
Slag from reheating of blooms (sample P413).
Slag P421 (450 g) also had a dark-grey, rusty, “scoria-like” surface. The cut was porous, and the dust rusty-grey. The microstructure consisted of olivines, ferrous glass, globular and dendritic wustite (44.6%), and metallic iron (2.0%). The increased sulphur content detected by the spectrometer (0.29%, Table 3) was not confirmed by Baumann’s imprint.
Both slags P424 (130 g) and P425 (50 g) had a rusty, “scoria-like” surface, a porous cut, and rusty-grey dust. They had a microstructure similar to sample P421, with locally variable content (19 to 35% and 13 to 41%, respectively) of wüstite in the form of blocks and isolated dendrites.
The dust obtained by grinding these slags has a rusty-grey colour. Rusty or brown dust occurs commonly in slag from forging operations. Due to the absence of other components typical of forging slag (sand and cell structure) in our samples, it can be said that it is a detrimental product from the forging of blooms, similar to the equally classified slag from Doubravník (Czech Republic) dated to the 13–15th century [31].
3.2. Technical Ceramic Material
Two samples, P410-K from SJ 1003/5000 and P426-K from SJ 1004/5001, included in the tuyere/nozzle group were analyzed in more detail. A 70 g piece of ceramic tuyere P410-K (Figure 10) was covered with a smooth layer of glassy slag 3–10 mm thick. The slag layer cut was compact, with a small number of pores, and the slag was non-magnetic. The microstructure of the slag was glassy with imperfections (cavities and cracks). The content of fine dendritic wüstit was up to 1%. The results of orientational chemical analysis of the slag found on tuyere P410 determined using a Niton XL3 Goldd spectrometer are shown in Table 6, and the representation of trace elements is given in Table 4. The results of the classical chemical analysis of shards are in Table 7. In general, with increasing Al2O3 content in the ceramic shard, its heat resistance increases. The value of loss on ignition is an indicator of the degradation of the shard by weathering. The degree of degradation of ceramics depends not only on moisture, the presence of salts, and temperature fluctuations in the ground, but also on the quality of the shard firing during the melt.
Figure 10.
Cut-through tuyeres of P410 and P426 and cut-through of ceramic shard P415.
Table 6.
Results of chemical analysis of slag sticking to ceramic stem P 410 determined using a Niton XL3 Goldd spectrometer.
Table 7.
Results of chemical analysis of ceramic fragments.
Beneath the layer of sticking slag was an artefact consisting of a ceramic tuyere made of red firing clay. The internal diameter (≈ϕ 30 mm) could be estimated from the roundness of the fragment. Below the slag was a light ceramic layer (≈2.5 mm), which was exposed to attack by molten slag and also higher temperatures than the red shard of the inner side of the tuyere (red shard thickness ≈ 10 mm), which was exposed to a stream of air, i.e., oxidizing atmosphere. When unfired clay tuyeres were used [18], the temperature inside the tuyere was high enough during smelting for the fired clay to form a ceramic shard, and the shard was preserved in the soil and did not fall apart. It is possible that the temperatures of the inner walls of the tuyere did not exceed 1000 °C for a long time.
The results of the chemical analysis of the red shard (P410-K) are given in Table 7. The shard was porous and contained white particles of coarse-grained slag. Using semi-quantitative EDX analysis, these particles were identified as silica (quartz sand) and some as aluminosilicates. X-ray diffraction phase analysis of the shard also confirmed the presence of quartz, and other low-intensity lines indicated hydrated aluminosilicates. As a result of the weathering of the ceramic fragment in the soil, there was partial rehydration and rehydroxylation of the red shard components, indicated in the records from thermal analysis showing weight loss of ≈5.2 wt.% when heated in the temperature range 150–700 °C.
A fragment of ceramic tuyere with a layer of slag (sample P426-K) weighing 60 g was found in SJ 1004/5001. The surface of the artefact was covered on the outside with a layer of slag 1–8 mm thick. The microstructure of the slag was glassy with imperfections (cavities and cracks) and was practically without wüstite. The shard was made of red firing clay, as seen in Figure 10. The internal diameter of the tuyere (≈ϕ 28 mm) could be estimated from the curvature of the shard. The thickness of the shard varied along its length from 5 mm to 11 mm as the shard expanded. The structure of this shard was identical to that of the shard in sample P410-K.
Below the layer of slag was a 3 mm-thick light ceramic layer, which passed sharply into the red shard. The grey tinge of the light shard may be related to the higher temperature and stronger reduction conditions in the area of contact of the shard with the slag. (Note: under reducing conditions, Fe2O3, which intensively coloured the shard brick red, was reduced to magnetic, black Fe3O4–magnetite, and subsequently to non-magnetic FeO-wüstite: this caused the change in the shard colour.) The grey colouration of the inner part of the tuyere in the region of the tapered shard edge suggested that it may have been a fragment from near the mouth of the tuyere. Compared to P410-K, the quality of the inner surface of this shard was better. It was more cohesive and the surface was less damaged by weathering, indicating that it had been exposed to higher temperatures for a longer time.
Sample P407 with a weight of 470 g was found in SJ 1003/5000. It had an elliptical shape with dimensions 110 × 100 × 60 mm. Some parts of the sample resembled ceramic shards, others slag, and it contained glassy, porous inclusions. Analysis revealed that the inner surface of the shard was covered with a layer of about 10 mm of grey porous slag. The slag had a glassy appearance, contained cracks, and was non-magnetic. The dust from the slag was rusty-grey. The glassy microstructure of the slag contained up to 1% fine dendritic wüstite. X-ray diffraction analysis and a high-temperature microscope were used to assess the difference in quality and temperature stability of the shard material and the glassy inclusion on the inside of the shard. To a lesser extent, a quartz phase was identified in the glassy, porous part growing from the inside into the ceramic shard. The onset of sintering was detected at 1000 °C, the deformation (softening) temperature was 1250 °C, the melting point was 1345 °C, and the pour point (flow temperature) was 1365 °C.
Phase analysis of the P407-K shard revealed a higher proportion of quartz (SiO2) and anorthite/gismondin phase (CaAl2Si2O8) in this part of the fragment. Monitoring the behaviour of sample P407-K under thermal loading showed that the cylindrical body moulded from the powder of this sample began to sinter at 1075 °C, the temperature of the onset of deformation was 1255 °C, the onset of melting was recorded at 1400 °C, and the material flowed at a temperature of 1490 °C. (Note: long-term weathering affects the chemical and phase compositions of ceramic artefacts, and also impairs their thermal stability.)
Ceramic fragment P415-K, found in SJ 1003/5000, was not covered with slag. It was slightly bent, with a thickness of 7–11 mm, as seen in Figure 10. The internal curvature of the fragment corresponded to an internal diameter ≈ϕ 13 cm. The shard was red, which means that it was fired in an oxidizing atmosphere or otherwise subjected to prolonged or repeated exposure to higher temperatures. The black colour (up to a depth of 2–7 mm) on the inside indicated carbon pollution. EDX elemental analysis confirmed slightly higher carbon content on the inner side (black) than on the outer side (red shard). Along with the detection of carbon, silicon (Si) was always detected to a greater extent at the analysis site, and aluminum (Al) at a significantly lower concentration. The lower content of Al2O3 compared to the P410-K tuyere shard (Table 7) indicated lower heat resistance of this ceramic material.
3.3. Phosphorus
The phosphorus content in directly reduced iron can reach several tenths of one percent locally. However, about 1% phosporus is not exceptional in iron.
Possible sources of phosphorus in iron have been discussed in several studies [22,34,35]. The first source of phosphorus in the reduction process is charcoal. If we compare the data on the phosphorus content in wood, charcoal, and ash reported by Werkelin [36], Joosten [26], and Symanowicz [37], it can be said that the effect of the phosphorus content in the slag and subsequently in the iron is not significantly affected by the type of wood that was used to produce charcoal.
The second source of phosphorus is the ore. According to some authors [34,35,38,39], the P2O5 content in Roman slag in Europe varied from 0.16% in Austria to 2.2% in Denmark. Slags from Slovakia dated between the 10th and 15th centuries contained 0.02–0.18% phosphorus. Heckenast [17] determined the phosphorus content of slags found in Hungary: slags from Imola contained 0.32 to 0.44% P2O5 and from Sopron-Magashid up to 0.88% P2O5. In Sopron (western Hungary), bog ore was probably reduced. For example, the phosphorus content was up to 2.9% in bog ores from Jutland (Denmark).
The content of phosphorus in the form of P2O5 was in the range of 0.88–1.33% in bloomery slag from Lučenec, as seen in Table 3. This indicates possible smelting of bog ores. This possibility is also confirmed by the fact that the site is located in fluvial sediments.
3.4. Charcoal Fuel and Reducing Agent
Charcoal used in metallurgical furnaces had a threefold function. In the first place it served as fuel, and at the same time created reducing conditions. It also formed a “skeleton” in the furnace shaft, which maintained its permeability. As reported by the authors of [12,40], charcoal contains 78 to 92% carbon and practically does not contain sulphur.
Różaňski and Słomska [41] state that beech and oak charcoal are solid and improve the reduction ratios in the furnace. When choosing the type of charcoal, the availability of timber probably had the greatest influence in the medieval period. Pleiner [12] analyzed the fuel used in the 9th century in Želechovice, in northern Moravia, and established that a mixture of ash and maple or only maple charcoal was used. The furnaces which were in operation in Blansko (western Moravia) at about the same time used mainly beech charcoal (72%) with a smaller share of pine and maple [42].
According to the results of the palaeobotanical analysis of carbons stuck to the slag found in Lučenec, in both SJ 1003/5000 and 1004/5001, of the 30 samples, 28 were oak (Figure 11a) and 2 were beech (Figure 11b) [8]. Lučenec area corresponds with the oak zone of forest cover [43]. The dominance of oak over beech (28:2) charcoal may to some extent be related to the fact that, as Kropilák [44] found in the vicinity of Lučenec, there was originally oak and oak–hornbeam cover. According to maps from 1972 [45] and 1980 [46], oak stands currently dominate in the vicinity of Lučenec, which turns, in a northwesterly direction, into oak–hornbeam after ten kilometres and into beech cover after fifteen kilometres.
Figure 11.
Oak (a) and beech (b) charcoal.
It is questionable what the tree growth around Lučenec consisted of at the time of our analyzed metallurgical process. Krippel answers this question in part [47]. The younger subatlantic subperiod (X-“subrecent”, from 500 CE to the present) roughly coincides with the observed period. According to the map “Distribution of vegetation in the subatlantic period in Slovakia” [47] (p. 208, map no. 18), the vegetation around Lučenec consisted of a zone of subxerophilic oak cover with beech cover beginning about 10 km north. In the metallurgy of iron in the Lučenec area, high-quality oak charcoal was preferably used, which corresponds to the forest cover that was dominant at the time.
3.5. Cluster Analysis
The relationships between the analyzed slags were evaluated based on the presence of minor and trace elements (Table 4) using cluster analysis. Analyzed slags were compared, with the help of a dendrogram (Figure 12), with data obtained using the same method from slags from Slovakia. A dendrogram with the sampled slags from Lučenec is shown in Figure 12. P414 slag appears to be remote, with the other slags forming a relatively homogeneous group. Based on the cluster analysis, we can state that there was a statistically significant difference between the slags found in SJ 1003/5000 and 1004/5001.
Figure 12.
Dendrogram resulting from cluster analysis using the content of secondary and trace elements in slag.
4. Conclusions
During the archeological research in the outskirts of Lučenec, four archeological structures situated southwest from the top of Eb hát Hill were identified, which in the past probably belonged to a now-extinct early medieval settlement. The found artefacts from two waste pits (SJ 1003/5000 and 1004/5001) were analyzed in detail.
- Based on the shapes of the ceramic fragments and their decoration, it was possible to chronologically date the structures from which the analyzed material originated to the early medieval period (probably the 9th or 10th century).
- Based on the analyses, it can be said that the production of iron in the locality took place by direct reduction. Local bog ores were most likely smelted, and the fuel was predominantly oak charcoal.
- Some slags have an increased phosphorus content, typical of slags from “consolidation”—i.e., repeated heating and forging of iron blooms into tradable form. This assumption is not supported by archeological findings showing production facilities, such as a blacksmith’s forge.
- As only parts of the slag-covered tips of the tuyere have been preserved, this confirms that the tuyeres used were made from unfired clay. The obtained construction material of the furnaces, due to its quantity and fragmentation, does not allow any reliable reconstruction of their shape and dimensions.
- The melting probably took place in a free-standing shaft furnace with manual blowing.
- The results of the analysis document the good quality of the metallurgical process in comparison with contemporary localities of iron production in Europe.
- Despite its existence in a very turbulent period, connected with the disintegration of the Great Moravian kingdom in parallel with the migration of Hungarian tribes to Central Europe, the site did not disappear by force. The cause of its extinction was the depletion of local iron ore.
Author Contributions
Management, validation, and writing and final review, J.P., P.F. and B.P.; application of statistical techniques, P.B.; archaeometallurgical analysis of slag, J.P. and A.P.; archaeometallurgical analysis of ceramics, B.P. and P.V. All authors have read and agreed to the published version of the manuscript.
Funding
This work was supported by the Scientific Grant Agency of The Ministry of Education of the Slovak Republic, No. VEGA 1/0359/25 and VEGA 1/0001/25.
Data Availability Statement
The original contributions presented in this study are included in the article. Further inquiries can be directed to the corresponding author.
Acknowledgments
The authors thank Martin Kvietok, Midland Adventure, s.r.o., Železničiarska 595/2, 974 01, Banská Bystrica, Slovakia; m.kvietok@gmail.com for providing samples, figures, and valuable advice in writing the paper.
Conflicts of Interest
The authors declare no conflicts of interest.
References
- Mácelová, M. Slovanské sídlisko v Sliači na Horných zemiach v okrese Zvolen (Slavic settlement in Sliač in the Horné Zeme region in the Zvolen district). Stred. Slov. 1982, 2, 117–132. (In Slovak) [Google Scholar]
- Saltykov, S.A. Stereometričeskaja Metallografia (Stereometric Metallography); Metallurgija: Moskva, Russia, 1976. (In Russian) [Google Scholar]
- Halčinová, J.; Trebuňa, P. Cluster analysis in the software statistica. In Proceedings of the 15th International Scientific Conference: Trends and Inovative Approaches in Business Processes, Košice, Slovakia, 10–11 December 2012; TUKE: Košice, Slovakia, 2012; pp. 1–5. Available online: https://www.sjf.tuke.sk/umpadi/taipvpp/2012/index.files/clanky/41%20Jana%20HalCInovA%20Peter%20TrebuNa%20ZHLUKOVA.pdf (accessed on 16 August 2022). (In Slovak).
- Galbraith, S.; Daniel, J.A.; Vissel, B. A Study of Clustered Data and Approaches to Its Analysis. J. Neurosci. 2010, 30, 10601–10608. [Google Scholar] [CrossRef] [PubMed]
- Petrík, J.; Moravčíková, L. Stanovenie síry v muzejných artefaktoch (Determination of sulfur in museum artifacts). Múzeum 2006, 52, 7–11. (In Slovak) [Google Scholar]
- Kloužková, A.; Zemenová, P.; Kohoutková, M.; Kloužek, J. Hydrothermal rehydroxylation of kaolinite studied by thermal Analysis. Ceram.—Silikáty 2013, 57, 342–347. [Google Scholar]
- ISO 540:2008; Hard Coal and Coke—Determination of Ash Fusibility. ISO: Geneva, Switzerland, 2008.
- Choma, M. Xylotomické Analýza Uhlíkov z Archeologického Výskumu Lučenec—Merkury, Výskumná Dokumentácia č. 1-2018 (Xylotomy Analysis of Carbons from Archaeological Research Lučenec—Merkury, Research Documentation No. 1-2018); ADendro: Piešt’any, Slovakia, 2018. (In Slovak) [Google Scholar]
- Merico, P.; Faccoli, M.; LaCorte, D.; Cornacchia, G. Archaeometallurgical Characterization of Two Lombard EarlyMedieval Bloomery Slags fromPonte di Val Gabbia I Site (Northern Italy). Metals 2023, 13, 984. [Google Scholar] [CrossRef]
- Mihok, Ľ.; Cengel, P.; Wyderko, M. Hodnotenie štruktúry zvárkových trosiek (Evaluation of the structure of bloomery slag). Hut. Listy 1987, 42, 371–374. (In Slovak) [Google Scholar]
- Mihok, Ľ.; La Salvia, V.; Roth, P. Research of medieval smithy slags. In Archaeometallurgy. Proceedings of the 10th International Symposium Metalography’98; Stará Lesná: Košice, Slovakia, 1998; pp. 475–477. [Google Scholar]
- Pleiner, R. Iron in Archaeology. The European Bloomery Smelters; Archeologický Ústav AVČR: Praha, Czech Republic, 2000. [Google Scholar]
- Šarudyová, M. Topografia Železiarnína Slovensku v 19. Storočí (Topography of Ironworks in Slovakia in the 19th Century), 1st ed.; Východoslovenské Vydavateľsvo: Košice, Slovakia, 1989. (In Slovak) [Google Scholar]
- Dungworth, D. The Possible Water-Powered Bloomery at Goscote (Rushall), Walsall, West Midlands; Historical Metallurgy: Kent, UK, 2010; Volume 44, pp. 15–20. [Google Scholar]
- Mihok, L.; Cengel, P. Štúdium dokladov starej slovanskej výroby železa v Blatných Remetách (Study of documents of old Slavic iron production in Blatné Remety). In Zborník Vedeckých Prác; Vysoká Škola Technická v Košiciach, Ed.; Slovenské Vydavateľstvo Technickej Literatúry: Košice, Slovakia, 1983; pp. 313–323. (In Slovak) [Google Scholar]
- Souchopová, V. Hutnictví Železa v 8.—11. Století na Západní Moravě (Iron Metallurgy in the 8th–11th Centuries in Western Moravia); Academia: Praha, Czech Republic, 1986. (In Czech) [Google Scholar]
- Heckenast, G.; Nováky, G.; Vastagh, G.; Zoltay, E. A Magyarországi Vaskohászat Története a Korai Középkorban (a Honfoglalástól a XIII. Századközepéig) (The History of Hungarian Iron Metallurgy in the Middle Ages. From the Occupation of the Homeland to the 13th Century); Akadémiai Kiadó: Budapest, Hungary, 1968. (In Hungarian) [Google Scholar]
- Füryová, K.; Miček, M.; Mihok, Ľ.; Tomčo, Š. Začiatky železiarstva vo východnej časti Gemera v stredoveku (The beginnings of ironwork in the eastern part of Gemer in the Middle Ages). Ann. Musei Natl. Slovaci 1990, 85, 107–144. (In Slovak) [Google Scholar]
- Petrík, J.; Mihok, Ľ.; Soják, M.; Roth, P. Rozbor archeometalurgických materiálov z oblasti Hôrka—Jánovce (Analysis of archaeometallurgical materials from the Hôrka—Jánovce area). Z Dějin Hutnictví. Rozpr. NTM Praha 2000, 29, 31–41. (In Slovak) [Google Scholar]
- Espelund, A. The Evidence and the Secrets of Ancient Bloomery Ironmaking in Norway: With an Extension to the Beginning of the Industrial Period; Arketype Forlag: Trondheim, Norway, 2013. [Google Scholar]
- Espelund, A.; Stenvik, L.F. 1993: Ironmaking during the Roman iron age in Mid-Norway. The Bloomery site Storbekken I in Budalen. In Bloomery Ironmaking During 2000 Years; Seminar in Budalen 1991; Espelund, A., Ed.; Budalseminaret: Trondheim, Norway; Volume III, pp. 123–148.
- Kolchin, B.A. Chernaya Metallurgiya i Metalloobrabotka v Drevney Rusi (Ferrous Metallurgy and Metal Processing in Ancient Russia); Izdatelstvo AN SSSR: Moscow, Russia, 1953. (In Russian) [Google Scholar]
- Mameli, P.; Mongelli, G.; Oggiano, G.; Rovina, D. First Finding of Early Medieval Iron Slags in Sardinia (Italy): A Geochemical-Mineralogical Approach to Insights into Ore Provenance and Work Activity: First finding of early medieval iron slags in Sardinia (Italy). Archaeometry 2014, 56, 406–430. [Google Scholar] [CrossRef]
- Mace, T.C. Investigations of Medieval Slag from Gotland, Sweden. Master’s Thesis, University of Idaho, Moscow, ID, USA, 2012. Available online: http://www.gafs.me/MaceThesis.pdf (accessed on 16 December 2021).
- Portillo-Blanco, H.; Zuluaga, M.C.; Ortega, L.A.; Alonso-Olazabal, A.; Cepeda-Ocampo, J.J.; Martínez Salcedo, A. Mineralogical Characterization of Slags from the Oiola Site (Biscay, Spain) to Assess the Development in Bloomery Iron Smelting Technology from the Roman Period to the Middle Ages. Minerals 2020, 10, 321. [Google Scholar] [CrossRef]
- Joosen, I. Technology of Early Historical Iron Production in the Netherlands: Academisch Proefschrift ter Verkrijging van de Graad van Doctor aan de Vrije Universiteit Amsterdam; Geoarchaeological and Bioarchaeological Studies (Amsterdam); Vrije Universiteit Amsterdam: Amsterdam, The Netherlands, 2004. [Google Scholar]
- Kronz, A. Self-mixing melt compositions in fayalitic slags—A key in understanding early metal production? In Applied Mineralogy: Research, Economy, Technology, Ecology and Culture, Proceedings of the Sixth International Congress on Applied Mineralogy, ICAM 2000, Göttingen, Germany, 17–19 July 2000; International Congress on Applied Mineralogy, Ed.; A.A. Balkema: Rotterdam, Netherlands, 2000. [Google Scholar]
- Török, B.; Kovács, A.; Gallina, Z.S. Iron metallurgy of the Pannonian Avars of the 7th–9th century based on excavations and material examinations. In Proceedings of the Archaeometallurgy in Europe III: 3rd International Conference, Deutsches Bergbau-Museum Bochum, Bochum, Germany, 29 June–1 July 2011; pp. 229–238. Available online: https://www.researchgate.net/publication/285494399_Iron_metallurgy_of_the_Pannonian_Avars_of_the_7th_-_9th_century_based_on_excavations_and_material_examinations (accessed on 10 June 2025).
- Selskienė, A. Examination of smelting and smithing slags formed in bloomery iron-making process. Chemija 2007, 18, 22–28. [Google Scholar]
- Labuda, J.; Mihok, Ľ.; Fröhlichová, M. Stredoveké železiarske objekty v Banskej Štiavnici (Medieval ironworks in Banská Štiavnica). In Študijné Zvesti Archeologického Ústavu SAV 3; Mačala, P., Němejcová-Pavúková, V., Rajtár, J., Eds.; SAV: Nitra, Slovakia, 1995; pp. 249–263. (In Slovak) [Google Scholar]
- Ustohal, V.; Mazač, L.; Stránský, K. Doubravník—Nejstarší železná huť Českomoravské vysočiny (Doubravník—The oldest iron smelter in the Bohemian-Moravian Highlands). Hut. Listy 1989, 44, 520–526. (In Czech) [Google Scholar]
- Stránský, K.; Rek, A.; Salaš, M.; Stránsky, K. Analýza halštatské železářské strusky z Radslavic u Vyškova na Moravě (Analysis of Hallstatt iron slag from Radslavice near Vyškov in Moravia). Archeol. Tech. 1992, 7, 129–130. (In Czech) [Google Scholar]
- Dungworth, D. Iron Bloom. In Heybridge: A Late Iron Age and Roman Settlement, Excavations at Elms Farm 1993–5; Atkinson, M., Preston, S.J., Eds.; Internet Archaeology 40; University of York: Toronto, ON, Canada, 2015. [Google Scholar] [CrossRef]
- Tylecote, R.F. A History of Metallurgy; The Institute of Materials: London, UK, 2002. [Google Scholar]
- Pleiner, R. Základy Slovanského Železářskeho Hutnictví v Českých Zemích—Grundlagen der Slavischen Eisenindustrie in den Böhmischen Ländern (The Foundations of Slavic Iron and Steel Industry in the Czech Lands); Nakladatelství SAV: Praha, Czech Republic, 1958; (In Czech and German). [Google Scholar]
- Werkelin, J.; Skrifvars, B.-J.; Hupa, M. Ash-forming elements in four Scandinavian wood species. Part 1: Summer harvest. Biomass Bioenergy 2005, 29, 451–466. [Google Scholar] [CrossRef]
- Symanowicz, B.; Becher, M.; Jaremko, D.; Skwarek, K. Possibilities for the Use of Wood Ashes in Agriculture. J. Ecol. Eng. 2018, 19, 191–196. [Google Scholar] [CrossRef] [PubMed]
- Petrík, J.; Mihok, Ľ.; Javorský, F.; Fröhlich, L.; Vadász, P.; Soláriková, M. The analysis of the slags from the south Spiš. Acta Metall. Slovaca 2001, 7, 66–79. [Google Scholar]
- Paynter, S. Regional veriations in bloomey smelting salg of the iron age and romano-british period. Archaeometry 2006, 48, 271–292. [Google Scholar] [CrossRef]
- Straka, T.J. Charcoal as a Fuel in the Ironmaking and Smelting Industries. Adv. Hist. Stud. 2017, 6, 56–64. [Google Scholar] [CrossRef]
- Rożaňsky, W.; Słomska, I. Suitability of charcoal mixtures for iron smelting in early furnaces front Holy Cross Mountains area as revealed by investigation of their reactivity. Kwart. HTN 1980, 25, 379–386. [Google Scholar]
- Opravil, E. Dřevěné uhlí ze slovanských železářských dílen na Blanensku (Charcoal from Slavic ironworks in Blanensko). Sborník Okr. Vlast. Mus. V Blansku 1973, 5, 236–254. (In Czech) [Google Scholar]
- Forest Portal o Lesoch Slovenska. Lesné Vegetačné Stupne (Forest Portal About the Forests of Slovakia. Forest Vegetation Levels). (In Slovak). Available online: https://www.forestportal.sk/les-pre-verejnost/informacie-o-lesoch/lesne-vegetacne-stupne-2/ (accessed on 10 May 2025).
- Kropilák, M.; Strhan, M.; Hudák, J. Vlastivedný Slovník Obcí na Slovensku II (The Dictionary of Municipalities in Slovakia); Veda: Bratislava, Slovakia, 1972. (In Slovak) [Google Scholar]
- Lukniš, M. Slovensko–Príroda (Slovakia–Nature); Obzor: Bratislava, Slovakia, 1972. (In Slovak) [Google Scholar]
- Ščipák, J. Atlas ČSSR (Atlas of CSSR); Slovenská Kartografia: Bratislava, Slovakia, 1980; pp. 10–11. (In Slovak) [Google Scholar]
- Krippel, E. Postglaciálny Vývoj Vegetácie Slovenska (Postglacial Development of Vegetation in Slovakia); Veda: Bratislava, Slovakia, 1986. (In Slovak) [Google Scholar]
Disclaimer/Publisher’s Note: The statements, opinions and data contained in all publications are solely those of the individual author(s) and contributor(s) and not of MDPI and/or the editor(s). MDPI and/or the editor(s) disclaim responsibility for any injury to people or property resulting from any ideas, methods, instructions or products referred to in the content. |
© 2025 by the authors. Licensee MDPI, Basel, Switzerland. This article is an open access article distributed under the terms and conditions of the Creative Commons Attribution (CC BY) license (https://creativecommons.org/licenses/by/4.0/).











