Performance Evaluation of LMPO-Based MPPT Technique for Two-Stage GIPV System with LCL Under Various Meteorological Conditions
Abstract
1. Introduction
- The proposed new LMPO MPPT technique is based on the solar PV generating source model. This technique develops a new formulation for quickly tracking the MPP’s location. Furthermore, the performance analysis of a two-stage three-phase GIPV system and the development of a new variable step-size efficient LMPO MPPT technique while considering the effect of the LCL filter and intermittency of the solar PV generation system are discussed.
- A new adaptive DC link controller is presented as a solution to the DC offset issues from the dynamic fluctuations in solar PV generating power. The recommended controller is considered to be a useful remedy for the poor behavior of traditional PI controllers. Furthermore, it improves the transient of the injected grid currents.
- The recommended limitations of IEEE are met by grid currents. The suggested strategy reduces the total harmonic distortion (THD) for the grid and load currents by 1.26%, according to a statistical analysis of the existing and proposed methodologies.
- The validation of the proposed control techniques is simulated in MATLAB/SIMULINK, and the environment results are presented.
2. Mathematical Modeling of Proposed Overall System Configuration
2.1. Mathematical Design of Photovoltaic Cell
2.2. The Effect of P-V and I-V Curve on PV Module at STC
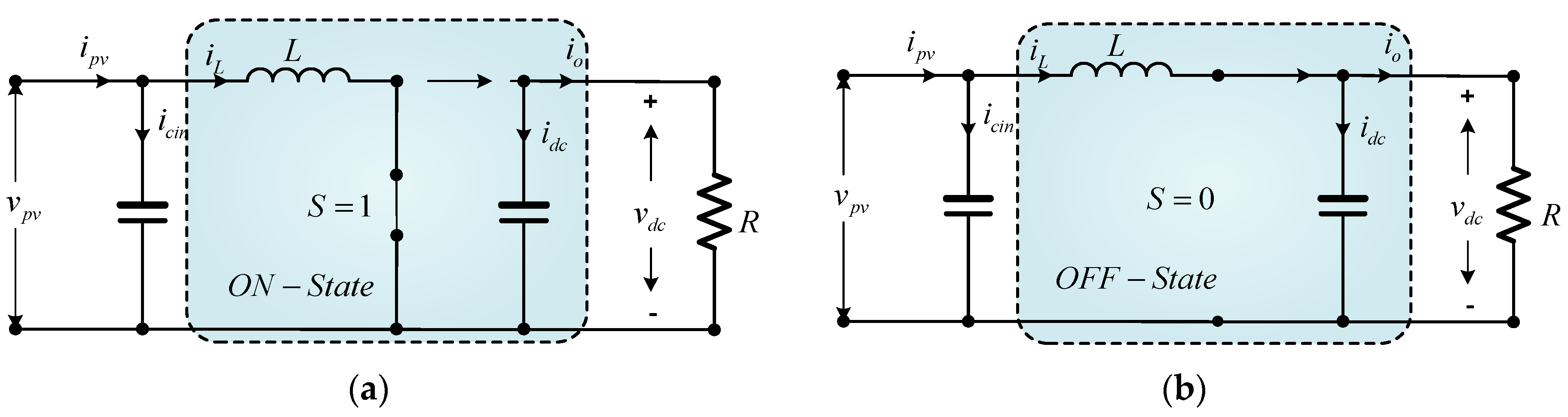
2.3. Mathematical Design of Boost-Converter Control Strategy
2.4. Mathematical Modeling of TS-GIPV Inverter
2.5. Steady-State–Space Modeling of LCL Filter
3. Proposed Control Technique and Its Comparison with Other Techniques
3.1. Conventional MPPT Technique
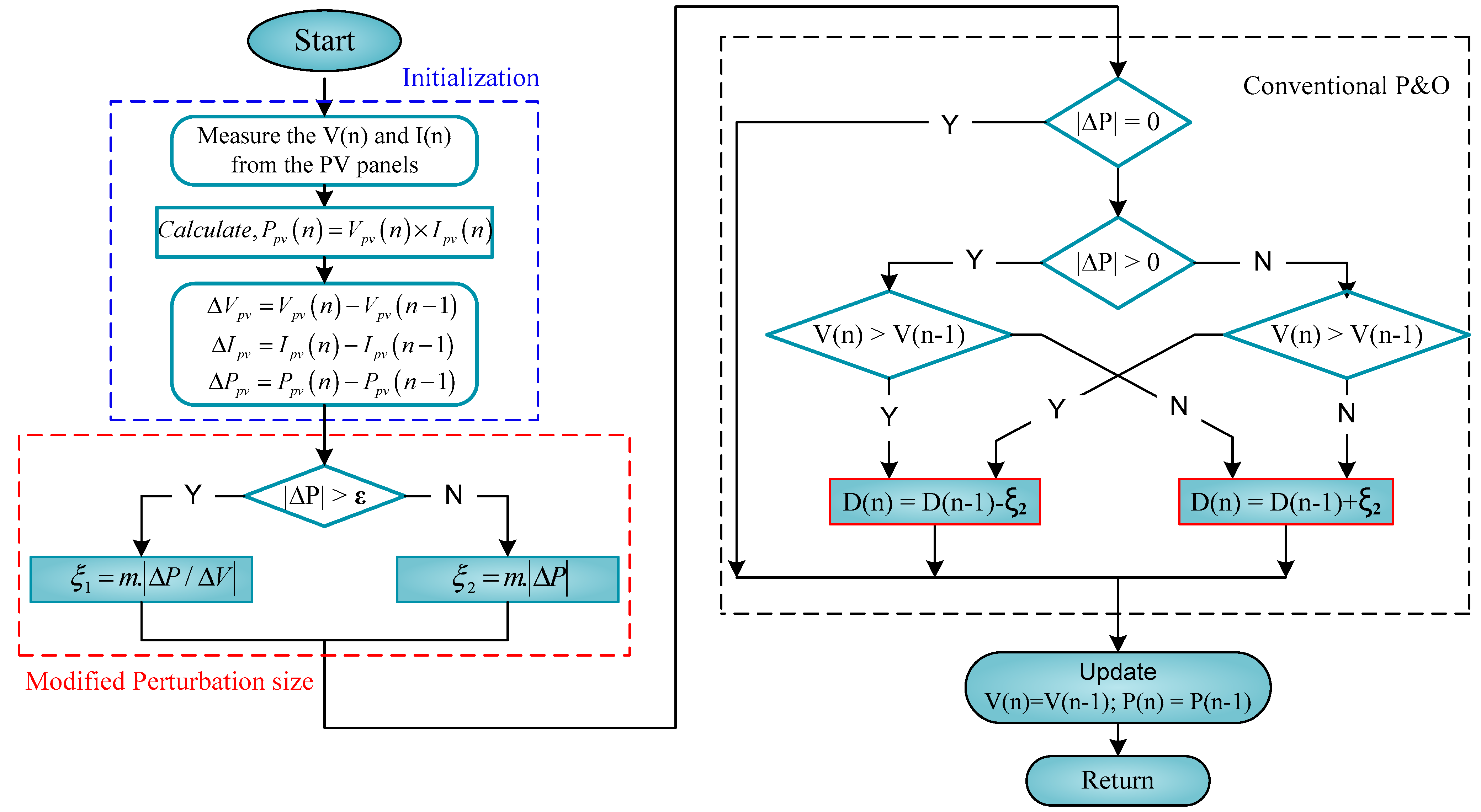
3.2. Proposed LMPO MPPT Technique
3.3. Several Steps of Proposed Control Strategy
- Step I: The PV side input voltage and current are determined via sampling while determining the initial nth values. Then, the nth power value of (s) is calculated using the product of the current and voltage , respectively.
- Step II: Measuring the values of and , respectively.
- Step III: If the power is a variable higher than the minimum small value , then . The is defined by Equation (44) and refers to a pulse generator that drives the switching of the power boost converter topology.
- Step IV: If the varying power is lower than the diminutive value , then = perturbing step size. The is defined by Equation (45) and refers to the same as above, indicating that the weather conditions, such as temperature and irradiance, have changed rapidly.
- Step V: The final step is updating the optimum individual solution predicted for each , and their duty cycles at MPP based on each of the above.
3.4. Performance of Dynamic Efficiency
3.5. Controller Design of the Adaptive DC-Link Voltage Fluctuations Control
3.6. Controller Design for GIPV Inverter Inner Current and Outer Voltage Loop Control
4. Results and Discussion
4.1. Scenario I: Performance of Proposed Control System Under Varying Irradiance at Fixed Temperature
4.2. Scenario II: Performance of Proposed Control System Under Varying Temperature at Fixed Irradiance
4.3. Scenario III: Performance Evaluation of Proposed Control System Under One-Day Real-Time Irradiance Profile
4.4. Performance Analysis of Dynamic Response and Harmonics
5. Future Trends
- In the case of MPPT control strategies, maximizing power extraction in partial shading scenarios is a recent trend. However, the complexity of its execution impedes the practical application of these technologies.
- In addition to the MPPT function, a variety of power control algorithms are implemented. The photovoltaic system should be capable of supporting the grid. In this case, different functions must be incorporated into the MPPT procedure, such as continuous power generation, which is necessary to protect the grid against overloading under circumstances of peak power generation.
- A robust improvement of the LMPO-based MPPT and adaptive PI control was demonstrated. In this regard, analytical techniques and observers can be employed.
- Optimization techniques for estimating irradiance in terms of short-term forecasting for varying meteorological conditions can be incorporated for MPPT implementation.
- LMPO MPPT algorithms can be simplified and calculated more efficiently, particularly when multiple inverters are used.
- A sensorless control technique is recommended as an alternative technique in the case of sensor failure when the control target can be met with the least number of sensors. However, this could cause the controller’s quality to decline.
6. Conclusions
Author Contributions
Funding
Data Availability Statement
Acknowledgments
Conflicts of Interest
List of Abbreviations and Symbols
| MPPT | Maximum power point tracking | STC | Standard test condition |
| DC | Direct current | AC | Alternative current |
| PO | Perturb and observed | VSC | Voltage source converter |
| MPO | Modified PO | API | Adaptive proportional integrated |
| LMPO | Learning-based modified PO | MPP | Maximum power point |
| PV | Photovoltaic | MPPT | Maximum power point tracking |
| G | Solar irradiance; | THD | Total harmonic distortion |
| T | Temperature | PLL | Phase lock loop |
| TS-GIPV | Two-stage grid integrated PV | RES | Renewable energy source |
| GSC | Grid side converter | PEC | Power electronic converter |
| KCL | Kirchhoff’s current law | PWM | Pulse width modulation |
| , | Passive LCL filters | , | DC-link voltage |
| Input PV current | mpp | Maximum rated power | |
| mpp | PV maximum rated voltage | Switching frequency | |
| 3-phase inverter side voltages | d-axis and q-axis | Direct and quadrature axis | |
| 3-phase grid side current | d-q axis inverter side voltages | ||
| d-q axis grid side voltages | d-q axis inverter side currents | ||
| d-q axis grid side currents | Grid active power | ||
| Drop voltage across the filter capacitors | Reactive power | ||
| 3-phase inverter and grid voltages | Inverter and grid currents | ||
| 3-phase filter capacitor voltages | DC-link voltage | ||
| 3-phase inverter and grid voltages in stationary d- q-axis reference | Switching frequency of the system | ||
| 3-phase filter capacitor voltages | Cbase and Zbase | Base capacitor and impedance of the filter | |
| Highest ripple current at VSI | Rd | Damping resistance | |
| d-q reference of inverter and grid currents | Resonant frequency | ||
| LCL filter inductance | System rated power | ||
| Grid voltage (RMS) | Maximum PV current | ||
| Real duty cycle | Variable power steps and stepping factor | ||
| Automatically adjusted power for varying irradiance | Variable step voltage | ||
| q-axis current: proportional and integral gain | Higher limit for the virtual duty cycle | ||
| Proportional and integral gain | Scaling factor | ||
| SRF Phase lock-loop: proportional and integral gain |
References
- Chatterjee, S.; Kumar, P.; Chatterjee, S. A techno commercial review on grid-connected photovoltaic system. Renew. Sustain. Energy Rev. 2018, 81, 2371–2397. [Google Scholar] [CrossRef]
- Dogan, Y.; Erdogan, İ.; Altuntepe, A. Design and fabrication of highly efficient antireflective coating in MWIR on germanium using ion-assisted e-beam deposition. Opt. Mater. 2024, 157, 116362. [Google Scholar] [CrossRef]
- Kolhe, M.L.; Rasul, M. 3-Phase grid-connected building integrated photovoltaic system with reactive power control capability. Renew. Energy 2020, 154, 1065–1075. [Google Scholar] [CrossRef]
- Mohamed, M.A.E.; Ahmed, S.N.; Metwally, M.E. Arithmetic optimization algorithm based maximum power point tracking for grid-connected photovoltaic system. Sci. Rep. 2023, 13, 5961. [Google Scholar] [CrossRef]
- Kjaer, S.; Pedersen, J.; Blaabjerg, F. A Review of Single-Phase Grid-Connected Inverters for Photovoltaic Modules. IEEE Trans. Ind. Appl. 2005, 41, 1292–1306. [Google Scholar] [CrossRef]
- Hota, A.; Bhuyan, S.K.; Hota, P.K. Modeling & Simulation of Photovoltaic System Connected to Grid using Matlab. In Proceedings of the 2020 International Conference on Renewable Energy Integration into Smart Grids: A Multidisciplinary Approach to Technology Modelling and Simulation (ICREISG), Bhubaneswar, India, 14–15 February 2020; pp. 16–21. [Google Scholar]
- Chukwuka, C.; Folly, K.A. Technical and economic modeling of the 2.5kW grid-Tie residential photovoltaic system. Int. J. Renew. Energy Res. 2013, 3, 412–419. [Google Scholar]
- Veena, P.; Indragandhi, V.; Jeyabharath, R.; Subramaniyaswamy, V. Review of grid integration schemes for renewable power generation system. Renew. Sustain. Energy Rev. 2014, 34, 628–641. [Google Scholar] [CrossRef]
- Esram, T.; Chapman, P.L. Comparison of Photovoltaic Array Maximum Power Point Tracking Techniques. IEEE Trans. Energy Convers. 2007, 22, 439–449. [Google Scholar] [CrossRef]
- Hariri, M.H.M.; Desa, M.K.M.; Masri, S.; Zainuri, M.A.A.M. Grid-connected PV generation system-components and challenges: A review. Energies 2020, 13, 4279. [Google Scholar] [CrossRef]
- Ahmed, J.; Salam, Z. An improved perturb and observe (P&O) maximum power point tracking (MPPT) algorithm for higher efficiency. Appl. Energy 2015, 150, 97–108. [Google Scholar] [CrossRef]
- Piegari, L.; Rizzo, R. Adaptive perturb and observe algorithm for photovoltaic maximum power point tracking. Renew. Power Gener. IET 2010, 4, 317–328. [Google Scholar] [CrossRef]
- Li, J.; Wang, H. A novel stand-alone PV generation system based on variable step size INC MPPT and SVPWM control. In Proceedings of the 2009 IEEE 6th International Power Electronics and Motion Control Conference, Wuhan, China, 17–20 May 2009; pp. 2155–2160. [Google Scholar]
- Abdelwahab, S.A.M.; Hamada, A.M.; Abdellatif, W.S. Comparative Analysis of the Modified Perturb & Observe with Different MPPT Techniques for PV Grid Connected Systems. Int. J. Renew. Energy Res. 2020, 10, 155–164. [Google Scholar] [CrossRef]
- Femia, N.; Petrone, G.; Spagnuolo, G.; Vitelli, M. Optimization of Perturb and Observe Maximum Power Point Tracking Method. IEEE Trans. Power Electron. 2005, 20, 963–973. [Google Scholar] [CrossRef]
- Safari, A.; Mekhilef, S. Simulation and Hardware Implementation of Incremental Conductance MPPT With Direct Control Method Using Cuk Converter. IEEE Trans. Ind. Electron. 2010, 58, 1154–1161. [Google Scholar] [CrossRef]
- Kottas, T.; Boutalis, Y.; Karlis, A. New Maximum Power Point Tracker for PV Arrays Using Fuzzy Controller in Close Cooperation with Fuzzy Cognitive Networks. IEEE Trans. Energy Convers. 2006, 21, 793–803. [Google Scholar] [CrossRef]
- Datta, M.; Senjyu, T.; Yona, A.; Funabashi, T. A fuzzy based method for leveling output power fluctuations of photovoltaic-diesel hybrid power system. Renew. Energy 2011, 36, 1693–1703. [Google Scholar] [CrossRef]
- KYOCERA North America. Available online: https://americas.kyocera.com/contact/index.html (accessed on 2 July 2024).
- Zarina, P.; Mishra, S.; Sekhar, P. Exploring frequency control capability of a PV system in a hybrid PV-rotating machine-without storage system. Int. J. Electron. Power Energy Syst. 2014, 60, 258–267. [Google Scholar] [CrossRef]
- Shao, B.; Miao, Z.; Wang, L.; Meng, X.; Chen, Z. Low-frequency oscillation analysis of two-stage photovoltaic grid-connected system. Energy Rep. 2022, 8, 241–248. [Google Scholar] [CrossRef]
- Chakir, A.; Tabaa, M.; Moutaouakkil, F.; Medromi, H.; Julien-Salame, M.; Dandache, A.; Alami, K. Optimal energy management for a grid connected PV-battery system. Energy Rep. 2019, 6, 218–231. [Google Scholar] [CrossRef]
- Chen, L.; Amirahmadi, A.; Zhang, Q.; Kutkut, N.; Batarseh, I. Design and Implementation of Three-Phase Two-Stage Grid-Connected Module Integrated Converter. IEEE Trans. Power Electron. 2013, 29, 3881–3892. [Google Scholar] [CrossRef]
- Choi, H.; Ciobotaru, M.; Agelidis, V.G. High gain DC/DC converter for the grid integration of large-scale PV systems. In Proceedings of the IEEE International Symposium on Industrial Electronics (ISIE), Hangzhou, China, 28–31 May 2012; pp. 1011–1016. [Google Scholar]
- Wang, Q.; Yu, Z.; Dai, J.; Yan, Q.; Fan, L.; Tang, Y. Two-stage voltage control strategy for PV plants based on variable droop control. Int. J. Electron. 2019, 107, 250–271. [Google Scholar] [CrossRef]
- Prasad, D.; Kumar, N.; Sharma, R.; Malik, H.; Márquez, F.P.G.; Pinar-Pérez, J.M. A novel ANROA based control approach for grid-tied multi-functional solar energy conversion system. Energy Rep. 2023, 9, 2044–2057. [Google Scholar] [CrossRef]
- Lalili, D.; Mellit, A.; Lourci, N.; Medjahed, B.; Berkouk, E. Input output feedback linearization control and variable step size MPPT algorithm of a grid-connected photovoltaic inverter. Renew. Energy 2011, 36, 3282–3291. [Google Scholar] [CrossRef]
- Tang, Y.; Loh, P.C.; Wang, P.; Choo, F.H.; Gao, F. Exploring inherent damping characteristic of LCL-flters for three-phase grid-connected voltage source inverters. IEEE Trans. Power Electron. 2012, 27, 1433–1443. [Google Scholar] [CrossRef]
- Ciobotaru, M.; Teodorescu, R.; Blaabjerg, F. A new single-phase PLL structure based on second order generalized integrator. In Proceedings of the 2006 37th IEEE power Electronics Specialists Conference, Jeju, Republic of Korea, 18–22 June 2006; pp. 1–6. [Google Scholar]
- Kumar, N.; Singh, B.; Panigrahi, B.K.; Chakraborty, C.; Suryawanshi, H.M.; Verma, V. Integration of solar PV with low-voltage weak grid system: Using normalized Laplacian kernel adaptive kalman flter and learning based InC algorithm. IEEE Trans. Power Electron. 2019, 34, 10746–10758. [Google Scholar] [CrossRef]
- Soliman, M.A.; Hasanien, H.M.; Azazi, H.Z.; El-Kholy, E.E.; Mahmoud, S.A. Linear-Quadratic Regulator Algorithm-Based Cascaded Control Scheme for Performance Enhancement of a Variable-Speed Wind Energy Conversion System. Arab. J. Sci. Eng. 2018, 44, 2281–2293. [Google Scholar] [CrossRef]
- Samani, L.; Mirzaei, R. Maximum power point tracking for photovoltaic systems under partial shading conditions via modified model predictive control. Electron. Eng. 2021, 103, 1923–1947. [Google Scholar] [CrossRef]
- Kermadi, M.; Salam, Z.; Eltamaly, A.M.; Ahmed, J.; Mekhilef, S.; Larbes, C.; Berkouk, E.M. Recent developments of MPPT techniques for PV systems under partial shading conditions: A critical review and performance evaluation. IET Renew. Power Gener. 2020, 14, 3401–3417. [Google Scholar] [CrossRef]
- Feshara, H.F.; Ibrahim, A.M.; El-Amary, N.H.; Sharaf, S.M. Performance Evaluation of Variable Structure Controller Based on Sliding Mode Technique for a Grid-Connected Solar Network. IEEE Access 2019, 7, 84349–84359. [Google Scholar] [CrossRef]
























| Quantity | Symbols | Value |
|---|---|---|
| PV Module | data | data |
| Power at MPP | 321 W | |
| Voltage at MPP | mpp | 40.1 V |
| Current at MPP | mpp | 7.99 A |
| Short-circuit current | sc | 8.6 A |
| Open-circuit voltage | oc | 49.5 V |
| Power at MPP | 321 W | |
| Voltage at MPP | mpp | 40.1 V |
| Current at MPP | mpp | 7.99 A |
| PV Array | ||
| Power at MPP | 2.56 kW | |
| Voltage at MPP | mpp | 320.8 V |
| Current at MPP | mpp | 2559/320.8 ≈ 7.99 A |
| Number of series strings | Nser | 320.8/40.1 = 8 |
| Number of parallel strings | Np | 1 |
| Quantity | Symbols | Value |
|---|---|---|
| Grid parameters | data | data |
| System rated power | 2.5 kW | |
| Grid voltage (RMS) | 415 V | |
| Grid frequency | 50 Hz | |
| Inverter switching frequency | 12k Hz | |
| Inverter peak current | 10.0 A | |
| LCL filter inductance | 0.5 mH | |
| LCL filter capacitance | Cf | 95 µF |
| DC link voltage | 680 V | |
| Grid resistance | 2 | |
| Grid Inductance | Ls | 3.0 mH |
| DC link capacitor | 1250 µF | |
| Boost converter parameters | ||
| Boost inductance | Lb | 5.5 mH |
| 120 µF | ||
| Converter switching frequency | 10 kHz |
| Quantity | Symbols | Value |
|---|---|---|
| DC link voltage: Proportional Gain | 0.11 | |
| DC link voltage: Integral Gain | 3.85 | |
| q-axis current: Proportional Gain | 0.35 | |
| q-axis current: Integral Gain | 38.5 | |
| SRF Phase-lock loop: Proportional Gain | 0.65 | |
| SRF Phase-lock loop: Integral Gain | 45.22 | |
| Converter switching frequency | 10 kHz |
| Scenarios | MPPTs↓ | trs (s) | %ePPV | %eVDC | %egd | %egq | %) | THD% |
|---|---|---|---|---|---|---|---|---|
| I | P&O [9] | 0.51 | 2.78 | 3.50 | 2.65 | 2.64 | 97.62 | 4.11 |
| MP&O [12] | 0.37 | 2.24 | 2.89 | 1.35 | 1.32 | 98.89 | 3.87 | |
| Proposed MPPT | 0.25 | 0.58 | 0.45 | 0.21 | 0.12 | 99.68 | 2.60 | |
| II | P&O [9] | 0.41 | 2.75 | 3.22 | 2.69 | 2.22 | 97.45 | 4.10 |
| MP&O [12] | 0.38 | 2.22 | 2.65 | 1.37 | 1.38 | 98.81 | 3.48 | |
| Proposed MPPT | 0.21 | 0.60 | 0.38 | 0.22 | 0.11 | 99.59 | 2.86 | |
| III | P&O [9] | 0.41 | 2.67 | 3.49 | 2.62 | 2.21 | 97.61 | 4.12 |
| MP&O [12] | 0.37 | 2.18 | 2.62 | 1.39 | 1.38 | 98.86 | 3.28 | |
| Proposed MPPT | 0.24 | 0.54 | 0.38 | 0.25 | 0.13 | 99.65 | 2.69 |
| Parameter Details | Dc-Link Controller | |
|---|---|---|
| PI | Adaptive Technique | |
| Dynamic conditions | Poor | Excellent |
| Implementation | Easy | Easy |
| No of parameters | 2*(Kp, Ki) | 1(N) |
| Tuning efforts | Exists (low) | Very easy |
| Sudden step change | Good | Excellent |
| Computation cost | Moderate | Low |
| Parameters/MPPTs> | PO [9] | MPO [12] | Proposed Work |
|---|---|---|---|
| Settling rise time (ms) | 120 | 90 | 17 |
| PV side voltage (V) | 320 | 320.99 | 320.5 |
| PV side current (A) | 7.99 | 7.89 | 7.99 |
| PV actual power (kW) | 2.515 | 2.534 | 2.564 |
| Ripple power (kW) | 0.55 | 0.28 | 0.12 |
| Dynamic efficiency (η%) | 98.27 | 98.99 | 99.65 |
| Grid voltage (line-line) | 415 | 415 | 415 |
| Grid active power (kW) | 2.511 | 2.525 | 2.554 |
| DC link voltage ripple | 30 | 12 | 9 |
| Total harmonics distortion (THD%) | 3.11 | 2.77 | 2.60 |
| Complexity of algorithm | Low | Low | Moderate |
| Feasibility to implement | Yes | Yes | Yes |
| Dynamic behavior | Poor | Moderate | Very Good |
| Protection features | No | No | Yes |
| Switching frequency | Fixed | Fixed | Fixed |
| PI Requirements | 3 | 2 | 2 |
| Steady-state performance | Good | Very good | Excellent |
| Dependency on parameters | High | Low | Low |
Disclaimer/Publisher’s Note: The statements, opinions and data contained in all publications are solely those of the individual author(s) and contributor(s) and not of MDPI and/or the editor(s). MDPI and/or the editor(s) disclaim responsibility for any injury to people or property resulting from any ideas, methods, instructions or products referred to in the content. |
© 2025 by the authors. Licensee MDPI, Basel, Switzerland. This article is an open access article distributed under the terms and conditions of the Creative Commons Attribution (CC BY) license (https://creativecommons.org/licenses/by/4.0/).
Share and Cite
Singh, J.; Singh, S.P.; Verma, K.S. Performance Evaluation of LMPO-Based MPPT Technique for Two-Stage GIPV System with LCL Under Various Meteorological Conditions. Processes 2025, 13, 849. https://doi.org/10.3390/pr13030849
Singh J, Singh SP, Verma KS. Performance Evaluation of LMPO-Based MPPT Technique for Two-Stage GIPV System with LCL Under Various Meteorological Conditions. Processes. 2025; 13(3):849. https://doi.org/10.3390/pr13030849
Chicago/Turabian StyleSingh, Jaswant, Surya Prakash Singh, and Kripa S. Verma. 2025. "Performance Evaluation of LMPO-Based MPPT Technique for Two-Stage GIPV System with LCL Under Various Meteorological Conditions" Processes 13, no. 3: 849. https://doi.org/10.3390/pr13030849
APA StyleSingh, J., Singh, S. P., & Verma, K. S. (2025). Performance Evaluation of LMPO-Based MPPT Technique for Two-Stage GIPV System with LCL Under Various Meteorological Conditions. Processes, 13(3), 849. https://doi.org/10.3390/pr13030849

