Multi-Mode Control of a Hybrid Transformer for the Coordinated Regulation of Voltage and Reverse Power in Active Distribution Network
Abstract
1. Introduction
- (i)
- Demonstrate the reverse power limiting capability of HT;
- (ii)
- A novel HT configuration is proposed which is capable of switching between active and passive operation modes;
- (iii)
- A multi-mode control strategy is implemented on the integrated SiC-MOSFET converter of HT, aiming at providing both voltage regulation and reverse power flow limiting;
- (iv)
- A smooth and stable transition mechanism between the V–f control mode and the P–Q control mode is introduced to address the unrestricted reverse power flow, voltage fluctuation, and overvoltage issues.
2. Materials and Methods
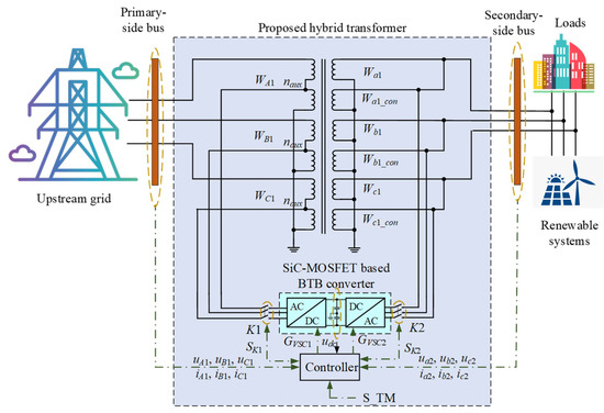
2.1. The Proposed Topology of HT
2.2. The Multi-Mode Control Strategy for the Proposed HT Configuration
2.2.1. Control Strategy of VSC1
2.2.2. Control Strategy of VSC2
Outer Control Loop of the V–f Controller
Outer Control Loop of the P–Q Controller
The Common Inner Control Loop
3. Performance Evaluation via Case Studies
3.1. Simulation Setup
3.2. Test Scenarios
3.2.1. Scenario A: Reverse Power Limiting and Control Mode Transition Test
3.2.2. Scenario B-Dynamic Voltage Regulation Test
3.2.3. Scenario C-Upstream Voltage Fluctuation Immunity Test
3.3. Case Study Results
3.3.1. Simulation Results for Scenario A
3.3.2. Simulation Results for Scenario B
3.3.3. Simulation Results for Scenario C
3.4. Summary
4. Conclusions
Author Contributions
Funding
Data Availability Statement
Conflicts of Interest
References
- Karimi, M.; Mokhlis, H.; Naidu, K.; Uddin, S.; Bakar, A.H.A. Photovoltaic penetration issues and impacts in distribution network—A review. Renew. Sustain. Energy Rev. 2016, 53, 594–605. [Google Scholar] [CrossRef]
- Nadeem, T.B.; Siddiqui, M.; Khalid, M.; Asif, M. Distributed energy systems: A review of classification, technologies, applications, and policies. Energy Strategy Rev. 2023, 48, 101096. [Google Scholar] [CrossRef]
- Zahernia, A.; Rahbarimagham, H. Application of smart transformers in power systems including PV and storage systems under unbalanced and nonlinear load and fault condition. Electr. Power Syst. Res. 2021, 201, 107535. [Google Scholar] [CrossRef]
- Pugliese, S.; Buticchi, G.; Mastromauro, R.A.; Andresen, M.; Liserre, M.; Stasi, S. Soft start procedure for a three-stage smart transformer based on dual-active bridge and cascaded H-bridge converters. IEEE Trans. Power Electron. 2020, 35, 11039–11052. [Google Scholar] [CrossRef]
- Costa, L.F.; Carne, G.D.; Buticchi, G.; Liserre, M. The Smart Transformer: A solid-state transformer tailored to provide ancillary services to the distribution grid. IEEE Power Electron. Mag. 2017, 4, 56–67. [Google Scholar] [CrossRef]
- Elrajoubi, A.M.; Ang, S.S. High-Frequency Transformer Review and Design for Low-Power Solid-State Transformer Topology. In Proceedings of the 2019 IEEE Texas Power and Energy Conference (TPEC), College Station, TX, USA, 7–8 February 2019; pp. 1–6. [Google Scholar]
- Zheng, L.; Marellapudi, A.; Chowdhury, V.R.; Bilakanti, N.; Kandula, R.P.; Saeedifard, M.; Grijalva, S.; Divan, D. Solid-State Transformer and Hybrid Transformer with Integrated Energy Storage in Active Distribution Grids: Technical and Economic Comparison, Dispatch, and Control. IEEE J. Emerg. Sel. Top. Power Electron. 2022, 10, 3771–3787. [Google Scholar] [CrossRef]
- Li, W.; Qu, Y.; Xu, P.; Du, Y.; Zhang, Y.; Liu, Y. A Converter-Based Hybrid Transformer for Regulating the Voltage of Distribution System. In Proceedings of the 2023 IEEE 14th International Symposium on Power Electronics for Distributed Generation Systems (PEDG), Shanghai, China, 9–12 June 2023; pp. 99–104. [Google Scholar]
- Prabowo, Y.; Iyer, V.M.; Bhattacharya, S.; Aeloiza, E. A Control Method of Hybrid Transformer enabled Harmonic Isolator for Sensitive Clustered Harmonic Loads. In Proceedings of the 2020 IEEE Energy Conversion Congress and Exposition (ECCE), Detroit, MI, USA, 11–15 October 2020; pp. 4872–4878. [Google Scholar]
- Lee, H.J.; Yoon, S.W.; Yoon, Y.D. Hybrid Distribution Transformer Based on an Existing Distribution Transformer and a Series-Connected Power Converter. IEEE Trans. Power Deliv. 2022, 37, 4202–4211. [Google Scholar] [CrossRef]
- Zhang, L.; Liu, Y.; Liang, D.; Kou, P.; Wang, Y.; Gao, Y.; Li, D.; Liu, H. Local and Remote Cooperative Control of Hybrid Distribution Transformers Integrating Photovoltaics in Active Distribution Networks. IEEE Trans. Sustain. Energy 2022, 13, 2012–2026. [Google Scholar] [CrossRef]
- Carreno, A.; Perez, M.; Baier, C.; Huang, A.; Rajendran, S.; Malinowski, M. Configurations, Power Topologies and Applications of Hybrid Distribution Transformers. Energies 2021, 14, 1215. [Google Scholar] [CrossRef]
- Burkard, J.; Biela, J. Hybrid transformers for power quality enhancements in distribution grids–comparison to alternative concepts. In Proceedings of the NEIS 2018; Conference on Sustainable Energy Supply and Energy Storage Systems, Hamburg, Germany, 20–21 September 2018; pp. 1–6. [Google Scholar]
- Majeed, I.B.; Nwulu, N.I. Impact of Reverse Power Flow on Distributed Transformers in a Solar-Photovoltaic-Integrated Low-Voltage Network. Energies 2022, 15, 9238. [Google Scholar] [CrossRef]
- Khani, H.; El-Taweel, N.; Farag, H.E.Z. Real-time optimal management of reverse power flow in integrated power and gas distribution grids under large renewable power penetration. IET Gener. Transm. Distrib. 2018, 12, 2325–2331. [Google Scholar] [CrossRef]
- Yao, E.; Samadi, P.; Wong, V.W.S.; Schober, R. Residential demand side management under high penetration of rooftop photovoltaic units. IEEE Trans. Smart Grid. 2016, 7, 1597–1608. [Google Scholar] [CrossRef]
- Hu, J.; Cao, J.; Yong, T.; Guerrero, J.M.; Chen, M.Z.Q.; Li, Y. Demand Response Load Following of Source and Load Systems. IEEE Trans. Control Syst. Technol. 2017, 25, 1586–1598. [Google Scholar] [CrossRef]
- Hatta, H.; Asari, M.; Kobayashi, H. Study of energy management for decreasing reverse power flow from photovoltaic power systems. In Proceedings of the 2009 IEEE PES/IAS Conference on Sustainable Alternative Energy (SAE), Valencia, Spain, 28–30 September 2009; pp. 1–5. [Google Scholar]
- de Souza, J.P.A.; de Melo Leite, L.H.; de Godoi Teixeira, L.; Boaventura, W.D.C.; Alves, D.D.S.; de Souza, M.H. Analysis of Reactive Power Control Using Battery Energy Storage Systems for a Real Distribution Feeder. J. Control Autom. Electr. Syst. 2022, 33, 1198–1216. [Google Scholar] [CrossRef]
- Carne, G.D.; Buticchi, G.; Zou, Z.; Liserre, M. Reverse Power Flow Control in a ST-Fed Distribution Grid. IEEE Trans. Smart Grid 2018, 9, 3811–3819. [Google Scholar] [CrossRef]
- Carne, G.D.; Buticchi, G.; Liserre, M. Reverse power flow control in a ST-fed distribution grid. In Proceedings of the 2016 IEEE Energy Conversion Congress and Exposition (ECCE), Milwaukee, WI, USA, 18–22 September 2016; pp. 1–5. [Google Scholar]
- Costa, P.; Paraíso, G.; Pinto, S.F.; Silva, J.F. A four-leg matrix converter based hybrid distribution transformer for smart and resilient grids. Electr. Power Syst. Res. 2022, 203, 107650. [Google Scholar] [CrossRef]
- Kou, P.; Liang, D.; Gao, R.; Liu, Y.; Gao, L. Decentralized Model Predictive Control of Hybrid Distribution Transformers for Voltage Regulation in Active Distribution Networks. IEEE Trans. Sustain. Energy 2020, 11, 2189–2200. [Google Scholar] [CrossRef]
- Nazir, M.; Burkes, K.; Enslin, J.H. Transformation of conventional transformers for enhanced DC mitigation in AC power networks with advanced grid support. e-Prime-Adv. Electr. Eng. Electron. Energy 2023, 3, 100101. [Google Scholar] [CrossRef]
- Liu, Y.; Liang, D.; Wang, Y.; Kou, P.; Zhou, K.; Li, D.; Zhang, L.; Gao, Y.; Cai, S.; Wen, Q.; et al. Power Flow Analysis and DC-link Voltage Control of Hybrid Distribution Transformer. IEEE Trans. Power Electron. 2021, 36, 12579–12595. [Google Scholar] [CrossRef]
- Dillip, K.; Mishra, M.J.; Ghadi, L.L.; Hossain, M.J.; Zhang, J.; Ray, P.K.; Mohanty, A. A review on solid-state transformer: A breakthrough technology for future smart distribution grids. Int. J. Electr. Power Energy Syst. 2021, 133, 107255. [Google Scholar]
- Raval, D.Y.; Pandya, S.N. Phase Shifting Strategy for Mitigation of Local Voltage Rise in Highly PV Penetrated Distribution Network. In Proceedings of the 2021 9th IEEE International Conference on Power Systems (ICPS), Kharagpur, India, 16–18 December 2021; pp. 1–6. [Google Scholar]
- Akinyemi, A.S.; Musasa, K.; Davidson, I.E. Analysis of voltage rise phenomena in electrical power network with high concentration of renewable distributed generations. Sci. Rep. 2022, 12, 7815. [Google Scholar] [CrossRef] [PubMed]
- Tavassoli, F.; Adabi, J.; Ghoreishy, H.; Rezanejad, M. SVPWAM modulation strategy for back-to-back converters to reduce harmonic and common mode voltage. Int. J. Electron. 2023, 110, 1669–1693. [Google Scholar] [CrossRef]
- Zabaleta, M.; Burguete, E.; Madariaga, D.; Zubimendi, I.; Zubiaga, M.; Larrazabal, I. LCL Grid Filter Design of a Multimegawatt Medium-Voltage Converter for Offshore Wind Turbine Using SHEPWM Modulation. IEEE Trans. Power Electron. 2016, 31, 1993–2001. [Google Scholar] [CrossRef]
- Hu, Y.; Du, Y.; Xiao, W.; Finney, S.; Cao, W. DC-link voltage control strategy for reducing capacitance and total harmonic distortion in single-phase grid-connected photovoltaic inverters. IET Power Electron. 2014, 8, 1386–1393. [Google Scholar] [CrossRef]
- Holguin, J.P.; Rodriguez, D.C.; Ramos, G. Reverse Power Flow (RPF) Detection and Impact on Protection Coordination of Distribution Systems. IEEE Trans. Ind. Appl. 2020, 56, 2393–2401. [Google Scholar] [CrossRef]
- Zhao, Y.; Zhang, G.; Hu, W.; Huang, Q.; Chen, Z.; Blaabjerg, F. Meta-Learning Based Voltage Control for Renewable Energy Integrated Active Distribution Network against Topology Change. IEEE Trans. Power Syst. 2023, 38, 5937–5940. [Google Scholar] [CrossRef]
- Babu, K.R.; Khatod, D.K. Analytical voltage sensitivity-based distributed Volt/Var control for mitigating voltage-violations in low-voltage distribution networks. Electr. Power Syst. Res. 2024, 228, 110015. [Google Scholar] [CrossRef]
























| Technology | Configuration | Advantages | Disadvantages |
|---|---|---|---|
| Conventional transformer | ![]() | (1) simple configuration; (2) easy to implement; (3) high reliability; (4) low O&M cost; (5) low investment cost | (1) passive voltage regulation due to a fixed voltage ratio; (2) windings may deform due to the saturation effect; (3) no power regulation capability; (4) large volume |
| OLTC transformer | ![]() | (1) simple configuration; (2) easy to implement; (3) high reliability; (4) discrete voltage regulation capability | (1) discrete actions and slow action response; (2) reduced lifetime due to contact wear; (3) additional investment costs for OLTC (4) windings may deform due to the saturation effect; (5) no power regulation capability; (6) large volume |
| SST | ![]() | (1) no bulky low-frequency windings; (2) continuous voltage regulation capability; (3) bidirectional power flow capability; (4) small volume | (1) complex circuit design; (2) require a dedicated protection circuit; (3) high investment costs (4) high O&M costs; (5) reduced reliability when compared with conventional transformers and OLTC transformers |
| HT | ![]() | (1) continuous voltage regulation capability; (2) bidirectional power flow capability; (3) improved reliability compared to SST; (4) reduced investment cost compared to SST | (1) complex circuit design; (2) require a dedicated protection circuit; (3) windings may deform due to the saturation effect |
| Scenario A | Scenario B | Scenario C | |
|---|---|---|---|
| Maximum DC-link voltage fluctuation | 25% | 3% | 0.2% |
| Maximum secondary frequency fluctuation | 0.25% | 0.25% | 0.24% |
| Maximum primary voltage fluctuation | 0.05% | 0.02% | 0.02% |
| Maximum secondary voltage fluctuation | 2.5% | 2.5% | 2% |
| The Design of HTs | Voltage Regulation (% of HTs Terminal Voltages) | Power Flow Control (% of HT’s Rated Power) |
|---|---|---|
| [7] | ±5% | / 1 |
| [22] | ±20% | / |
| [23] | ±5% | / |
| [24] | ±15% | 60~88% |
| [25] | ±20% | / |
| Proposed scheme | ±20% | −25~25% |
Disclaimer/Publisher’s Note: The statements, opinions and data contained in all publications are solely those of the individual author(s) and contributor(s) and not of MDPI and/or the editor(s). MDPI and/or the editor(s) disclaim responsibility for any injury to people or property resulting from any ideas, methods, instructions or products referred to in the content. |
© 2024 by the authors. Licensee MDPI, Basel, Switzerland. This article is an open access article distributed under the terms and conditions of the Creative Commons Attribution (CC BY) license (https://creativecommons.org/licenses/by/4.0/).
Share and Cite
Xu, X.; Zhang, T.; Qiu, Z.; Gao, H.; Yu, H.; Ma, Z.; Zhang, R. Multi-Mode Control of a Hybrid Transformer for the Coordinated Regulation of Voltage and Reverse Power in Active Distribution Network. Processes 2024, 12, 265. https://doi.org/10.3390/pr12020265
Xu X, Zhang T, Qiu Z, Gao H, Yu H, Ma Z, Zhang R. Multi-Mode Control of a Hybrid Transformer for the Coordinated Regulation of Voltage and Reverse Power in Active Distribution Network. Processes. 2024; 12(2):265. https://doi.org/10.3390/pr12020265
Chicago/Turabian StyleXu, Xiao, Teng Zhang, Ziwen Qiu, Hui Gao, Haicheng Yu, Zongxiong Ma, and Ruhai Zhang. 2024. "Multi-Mode Control of a Hybrid Transformer for the Coordinated Regulation of Voltage and Reverse Power in Active Distribution Network" Processes 12, no. 2: 265. https://doi.org/10.3390/pr12020265
APA StyleXu, X., Zhang, T., Qiu, Z., Gao, H., Yu, H., Ma, Z., & Zhang, R. (2024). Multi-Mode Control of a Hybrid Transformer for the Coordinated Regulation of Voltage and Reverse Power in Active Distribution Network. Processes, 12(2), 265. https://doi.org/10.3390/pr12020265





