Abstract
Lithium-ion batteries are widely applied in the form of new energy electric vehicles and large-scale battery energy storage systems to improve the cleanliness and greenness of energy supply systems. Accurately estimating the state of power (SOP) of lithium-ion batteries ensures long-term, efficient, safe and reliable battery operation. Considering the influence of the parameter identification accuracy on the results of state of power estimation, this paper presents a systematic review of model parameter identification and state of power estimation methods for lithium-ion batteries. The parameter identification methods include the voltage response curve analysis method, the least squares method and so on. On this basis, the methods used for modeling and estimating the SOP of battery cells and battery packs are classified and elaborated, focusing on summarizing the research progress observed regarding the joint estimation method for multiple states of battery cells. In conclusion, future methods for estimating the SOP of lithium-ion batteries and their improvement targets are envisioned based on the application requirements for the safe management of lithium-ion batteries.
1. Introduction
Lithium-ion batteries are widely regarded as the best choice for new energy storage technologies due to their excellent performance characteristics. They exhibit a high energy density, low self-discharge rates, an extended cycle life, an elevated open-circuit voltage, and negligible memory effects. These attributes collectively position lithium-ion technology as a leading solution to contemporary energy storage challenges [1,2]. By the first half of 2024, lithium-ion battery storage accounted for more than 95 percent of the installed capacity among new energy storage technologies. Concurrently, the manufacturing cost of lithium-ion batteries has decreased by 90%. As lithium-ion battery energy storage is widely used in electric vehicles and energy storage systems, the safety management of lithium-ion batteries has become a key factor affecting the large-scale application of electric vehicles and energy storage systems, which leads to higher requirements and challenges for battery management system (BMS) technology [3]. The main functions of BMS include battery parameter monitoring, data acquisition, state estimation, cell balance control, diagnostic protection and thermal management, etc., of which state estimation is a key function of BMS [4]. Accurate and efficient modelling and state estimation ensure the reliability of battery system operation and provide the basis for safety management [5]. The establishment of lithium-ion battery models is fundamental to the effective operation of battery management systems. The accuracy and efficiency of battery simulation models ensure precise parameter identification and state estimation. Currently, the most commonly utilized battery models include equivalent circuit models, electrochemical models, and thermo-electrochemical coupled models. These models facilitate enhanced performance analysis and optimization in battery management applications. The state of power (SOP) of lithium-ion batteries is defined as the peak power absorbed or released by the battery over a specific time scale. This parameter has gained increasing importance as a key indicator of the battery’s state. An accurate estimation of the SOP allows for the real-time monitoring of the battery’s power output capacity, including acceleration, regenerative braking and gradient climbing. This enables the safety of the battery to be ensured and the optimal power performance of the vehicle to be achieved, thus optimizing the vehicle’s control [6]. At present, there are three principal methodologies used for estimating the SOP: the hybrid pulse power characteristic (HPPC) test look-up table method, the model-based method, and the data-driven-based method. For SOP estimation, the process of parameter identification plays a significant role in influencing the estimation results. However, the methods of previous reviews lack a summary of the parameter identification methods used for battery models. Furthermore, there are fewer summaries of modelling and SOP estimation for single cells and battery packs.
In this paper, we firstly summarize the model parameter identification methods used in model-based SOP estimation to address the above problems. Then, in the discussion of battery cell SOP estimation methods, we examine the most widely used battery models, including equivalent circuit models, electrochemical models, and thermal coupling models. The coupling models can be categorized into electrochemical–thermal coupling and thermal coupling models. The paper focuses on the State of Power (SOP) estimation methods used for individual battery cells under multiple states. Additionally, the inconsistencies lead to complexities and challenges in estimating the SOP for battery packs; therefore, the modeling and power estimation methods used for both series-connected and parallel-connected battery configurations are reviewed and discussed. Figure 1 illustrates the overall focus of this paper.
Figure 1.
Classification of SOP estimation methods for lithium-ion batteries.
2. SOP Estimation and Parameter Identification Methods Based on Equivalent Circuit Models
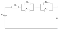
For SOP estimation based on equivalent circuit models, the commonly used models are Thevenin, 2-RC, Rint, PNGV, and so forth. The SOP is estimated by combining constraints such as the voltage, SOC, SOE, and so on. To apply the aforementioned method, it is necessary to identify the battery parameters, including the internal resistance (R0), internal resistance polarization (Rp), internal capacitance polarization (Cp), temperature, and so on. To enhance the precision of the power state estimation, it is necessary to employ an appropriate identification methodology that provides precise parameters for each constraint.
2.1. Voltage Response Curve Analysis
Lithium-ion batteries exhibit dynamic characteristics during constant-current intermittent charging, so the parameters of the equivalent circuit model can be obtained from the voltage response curve. In Figure 2, at the front, middle and end of the current pulse action, the voltage profile changes accordingly due to the internal reactions of the battery. There are two constant-current discharges in Figure 2, and each of their discharge processes can be divided into five stages: sudden drop, the discharge hysteresis response, stable discharge, sudden rise and hysteresis recovery. Ua, Ub, Uc, Ud, Ue and Uf denote the voltages at the moments ta, tb, tc, td, te, and tf, respectively, and from the moment ta to tf, there is a complete constant current discharge process. The voltage response curves were analyzed using the n-RC equivalent circuit as an example. When the current is applied to the battery in [ta, tb], the reaction inside the battery commences and is influenced by R0, resulting in a precipitous decline in voltage; subsequently, voltage hysteresis occurs during [tb, tc]. During this period, the variables that exert an influence on the voltage are Rp and Cp. Concurrently, Cp commences the storage of power, resulting in a further decline in voltage until the tc time; in [tc, td], the battery initiates a stable discharge process, during which R0 and Rp exert a significant influence on the battery voltage. Concurrently, Cp accumulates a sufficient amount of charge; as a consequence of the sudden drop in voltage resulting from the impact of R0 upon the sudden application of current during [ta, tb], and the subsequent cessation of the effect of R0 at the moment of td, the voltage experiences a sudden rise during [td, te]; in the final phase, designated [te, tf], the terminal voltage initiates a recovery phase. During this phase, the voltage grows exponentially, gradually converging towards the open-circuit voltage (OCV) after a period of quiescence. The voltage response changes during this phase are also influenced by the RC network.
Figure 2.
Voltage/current response curve: (a) current response curve; (b) voltage response curve.
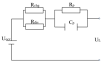
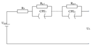
The parameters of the battery equivalent circuit model are identified by the change characteristics in the voltage response curves described above. The following section will describe the identification process as an example of the 1-RC equivalent circuit model (Figure 3). Uocv, UL, IL, R0, R1 and C1 in the model correspond to the open-circuit voltage, terminal voltage, total current, ohmic internal resistance, polarization internal resistance and polarization capacitance, respectively.
Figure 3.
1-RC equivalent circuit model.
Step 1: Since the only thing causing the voltage response within the [ta, tb] phase is the ohmic internal resistance R0, R0 is calculated as follows:
where is the pressure drop in the [ta, tb].
Step 2: Combining the voltage hysteresis response over the [tb, tc] time period, the time constant () can be determined and the voltage decays exponentially from tb to tc.
where , and are the decay voltage at time [tb, tc].
Step 3: Based on R0 and , obtained from Equations (1) and (3), Rp and Cp can be calculated during stable discharge by combining the state equations of the 1-RC equivalent circuit model.
Subsequently, R1 and C1 can be determined through the application of Equations (5) and (6):
The above analyzes the voltage dynamic response curve for parameter identification. It should be noted that the voltage is subject to influence from some additional factors, including the discharge rate and temperature, during the process of dynamic response. Thus, more accurate model parameters can be obtained. Nevertheless, the necessity for a complete voltage response curve in the identification process precludes the real-time monitoring of the battery model parameters. And the model parameters can only be updated during constant current discharge startup. Therefore, some scholars have investigated some improved parameter identification methods. The particle swarm optimization algorithm (PSO) for the optimization of the voltage dynamic response identification process is proposed in [7], incorporating the global optimization of time constants in the PSO optimization process. The results of the parameter identification process, as conducted by the proposed method, are employed for the validation of the terminal voltage with an absolute error of less than 0.1 V. Furthermore, the estimation of the SOC at varying charge–discharge rates is performed with a maximum absolute error of less than 0.2%. A combination of voltage response and least squares was employed for the second-order RC model used for parameter identification in [8], with a relative error in the prediction of its terminal voltage of less than 0.4%.
2.2. Least-Square-Based Methods
Least squares (LS) is one of the most prevalent methods of parameter identification in equivalent circuit models. It is, in essence, an optimization technique, whereby the objective is to identify the optimal function that best aligns with the data, thereby minimizing the sum of the squares of the errors between the requested data and the actual data [9]. LS is a popular method in the field of system identification due to its simplicity, rapid convergence, and straightforward interpretability and implementation [10]. However, the bias of the parameter identification results using only LS needs to be improved. Two principal categories of optimization schemes have been identified. The first category encompasses improvements to LS itself. The circuit model is classified into an average model and hysteresis model in [11], and the recursive least squares (RLS) method is used to identify the parameters of the two models, which improves the identification accuracy by considering the current hysteresis effect of the battery model, and verifies the applicability of RLS. The online parameter identification of the 1-RC equivalent circuit model using adaptive forgetting factor recursive least squares (AFFRLS) is performed in [12]. Time domain fluctuation data are analyzed during the identification process to derive the optimal internal factor coupling relationships, which are adjusted iteratively based on errors. This enables the real-time recognition of battery parameters. The results demonstrate that the root mean square error of the identification results is reduced from 0.0034 to 0.0025 under the Beijing bus dynamic stress test (BBDST) condition compared to the results of forgetting factor recursive least squares (FFRLS). Similar to AFFRLS, variable forgetting factor recursive least squares (VFFRLS) is based on the principle of correcting the forgetting factor according to the magnitude of the error to improve the accuracy of identification. Both [13,14] applied the VFFRLS to identify the parameters in 1-RC equivalent circuit models. An additional avenue for optimization is the integration of other algorithms with the least squares method. In [15], an automatically adjusted multiple forgetting factor recursive least squares (AMFFRLS) combined with sliding window parameter identification method is proposed, which identifies different model parameters by assigning different variable forgetting factors; it is very suitable for parameters with different rates of change, and it is much better than the FFRLS method for a wide range of operating conditions, such as DST, FUDS, etc., under the conditions of 0 °C, 25 °C and 45 °C. There is a significant improvement in the identification accuracy. A parameter identification method combining fixed memory recursive least squares (FMRLS) and extended Kalman filtering (EKF) was proposed in [16], where FMRLS and EKF were used to obtain the fast dynamic (FD) and slow dynamic (SD) parameters of the equivalent circuit model, respectively, where FD and SD are based on the charge transfer and charge diffusion processes in electrochemical theory. The time scales are differently distinguished, and the identification results show a significant reduction in the root mean square error at 0 °C, 25 °C, and 45 °C compared with the results of FFRLS and FMRLS.
2.3. Intelligent Optimization Algorithms
Intelligent optimization algorithms are mainly classified as heuristic optimization algorithms, bionic algorithms and intelligent computation, whose main logic is to obtain a feasible solution based on the rules of the problem itself or to obtain a search strategy inspired by processes such as biological evolution, physics, chemistry, and so on. The majority of optimization algorithms employed in current parameter identification techniques conduct search operations to achieve identification outcomes. These algorithms establish adaptive functions relative to the terminal voltage, exemplified by widely used methods such as PSO. In [17], the parameters of the fractional-order equivalent circuit model were accurately determined using PSO and applied to fractional-order models of different orders, which yielded good voltage simulation results. A co-evolutionary particle swarm optimization (CPSO) approach was used to identify the battery model parameters in [18], where the battery parameters were dynamically identified by the data in the parameter identification window (PIW), and each parameter in the equivalent circuit model was optimized using independent parameter particle swarms (PPS), each of which was scheduled by the CPSO and dynamically evolved one by one, resulting in real-time convergence to its optimal values, i.e., the model parameters. In [19,20], a hybrid particle swarm algorithm (HPSO) based on genetic cross-factors was used to identify the parameters of a fractional-order battery model based on a dual-polarization equivalent circuit model. The introduction of genetic cross-factors enriches the diversity of population particles, solves the problem of the classical PSO algorithm being prone to falling into the local optimum, and improves the global search capability of the parameter identification algorithm, which further improves the battery model parameter identification accuracy. The Bayesian algorithm is often used for parameter identification in electrochemical models. In [21], a Bayesian parameter identification framework for lithium-ion batteries was presented, wherein 15 parameters were identified within a pseudo-two-dimensional model. The validity of the identified parameters was confirmed through simulated voltage assessments, resulting in a relative error of less than 0.7% across varying discharge rates. Additionally, [22,23] utilized Bayesian optimization algorithms for parameter identification, further underscoring the efficacy of this methodology in improving model precision. Compared with other optimization algorithms, the Bayesian algorithm adjusts the parameters with fewer iterations, is faster, and can balance the exploration of unknown regions and the use of known good regions well to avoid falling into the local optimum. However, the Bayesian algorithm needs to assume that the attributes are independent of each other, and this assumption is often not valid in practical applications; in addition, the classification effect is not very effective when the number of parameters is relatively large or the correlation between parameters is large. Given the propensity of single optimization algorithms to converge towards local optima, hybrid algorithms offer a compelling alternative by amalgamating the strengths of various classical methods. This approach enables the expedited acquisition of highly precise model parameters. In [24], an advanced methodology integrating the improved particle swarm optimization (IPSO) with EKF is applied for the purpose of identifying model parameters. A new hybrid genetic–fractional beetle swarm optimization algorithm (HGAFBSO) is proposed in [25] for parameter identification. The Levenberg–Marquardt recursive least squares algorithm (LM-RLS) is used in [26]. A novel parameter identification approach employing the genetic algorithm Levenberg–Marquardt (GA-LM) algorithm was introduced in [27]. This method facilitates precise nonlinear optimization even when the initial values are unknown. In contrast to LM, the gradient-independent GA search algorithm demonstrates reduced sensitivity to initial parameters; however, it exhibits slower convergence in the vicinity of the global optimal solution. Combined with the above, Table 1 summarizes the commonly used parameter identification methods and their advantages and disadvantages.
Table 1.
Common parameter identification methods.
3. Battery Cell State of Power Estimation Methods
3.1. Model-Based SOP Estimation
3.1.1. Battery Cell Model
Figure 4 illustrates various methods for modeling battery monomers, categorized into three primary groups: equivalent circuit models, electrochemical models, and models incorporating electro-thermal coupling.
Figure 4.
Battery cell models.
Equivalent Circuit Model
Equivalent circuit models are frequently employed in state estimation such as SOC and SOP due to their straightforward modeling approach, minimal computational overhead, and straightforward parameter identification process. Equivalent circuit models effectively emulate the internal dynamics and varying parameters of batteries using electrical components, thus providing a responsive simulation of their operational characteristics. As shown in Table 2, the equivalent circuit models are divided into two main categories: integral-order models and fractional-order models.
Table 2.
Equivalent circuit models.
The Rint model, noted for its elementary structure [28], comprises a voltage source and resistor as its fundamental components. While its predictive accuracy may be limited, this model offers simplicity in parameter determination, thereby establishing a crucial groundwork for evolution towards more complex higher-order equivalent circuit models. The integral order model most often utilized in contemporary battery modeling is the n-RC model, which encompasses a power source, internal resistance, and multiple RC networks, where the RC network is used to describe the internal reaction mechanism of the battery. The 1-RC and 2-RC equivalent circuit models were initially introduced by Idaho National Laboratory [29] for simulating electrochemical reactions and concentration polarization within batteries using RC networks. These models have been adopted widely owing to their robust accuracy and straightforward modeling approach. An equivalent circuit model containing three RC networks was used and the model performance was tested in conjunction with the electrochemical impedance spectra in [30]. Additionally, there are 1-RC models that incorporate hysteresis effects [31], asymmetric RC models [15], Nernst models [32], and PNGV models augmented to account for the polarization effects within the cell. In recent years, there has been increasing interest in the fractional-order equivalent circuit model [33]. This approach distinguishes itself by employing constant phase elements (CPE) instead of traditional capacitors within the standard RC network. Such an adaptation enhances the model’s capability to simulate electrochemical processes across a broad frequency spectrum, effectively capturing phenomena like particle diffusion and charge transfer within the cell. Despite the fact that the fractional-order model can describe the electrochemical reaction inside the battery more accurately, it is seldom practically applied in BMS due to its complex structure, the large amount of computation required, and its long computation time.
Electrochemical Model
Electrochemical modeling primarily serves to analyze the distribution and temporal evolution of parameters such as the ion concentration and electrochemical reaction rates within batteries. This is achieved through the formulation of kinetic partial differential equations, which elucidate the fundamental reaction mechanisms inherent to battery systems. The electrochemical model was first proposed by the University of California, Berkeley [34]; this was combined with the porous electrode model to establish the electrochemical model of the battery. A pseudo-two-dimensional (P2D) electrochemical model was proposed based on the principles of electrochemical reaction kinetics and porous electrodes in [35]; this model can accurately represent the Faraday effect, the diffusion and migration of particles, electrochemical reactions and other internal processes inside the battery, and is widely used as a benchmark for the model of electrochemical mechanisms. However, the model has a complex structure and large computation volume, so it is difficult to apply in the on-board BMS. Subsequently, simplified models of P2D have been proposed by numerous scholars, primarily comprising two types: the porous electrode polynomial approximation (PPA) model and the single particle (SP) model. Both models partially disregard or simplify the electrochemical reaction processes and particle diffusion phenomena, thereby compromising the simulation accuracy under varying charging and discharging conditions. To mitigate this issue, researchers have suggested optimization strategies. A simplified approach to modeling lithium iron phosphate batteries is pursued in [36], wherein electrochemical and thermal models incorporate a current-dependent spherical particle radius. In [37], the battery-extended single-particle model (ESP) is proposed; this can improve the computational efficiency while ensuring the accuracy, and is suitable for the real-time simulation and state estimation of electric vehicle batteries. In [11,38], a refined electrochemical model for SOP estimation in electric vehicle (EV) batteries is employed. The experimental validation demonstrated enhanced model accuracy, achieving an average absolute percentage error during SOP estimation of less than 4.0% across varying temperatures.
Electro-Thermal Coupling Model
Effective BMS hinges significantly on temperature regulation, which in turn plays a pivotal role in SOP estimation. Therefore, the development of an electro-thermal coupling model holds profound importance for accurate SOP estimation. Presently, the most common coupling methodologies used include electrochemical–thermal and electrical–thermal approaches. Within electrical–thermal models, a distinction can be made between lumped parameter and distributed parameter models.
The electrochemical–thermal model mainly reflects the effect of changes in the internal parameters of the battery on its electrochemical performance and thermal characteristics, and generally needs to be solved in conjunction with partial differential equations related to electrochemistry. A two-dimensional electrochemical–thermal coupling model for lithium iron phosphate batteries was developed in [39], and it was found that the external cooling conditions and geometry lead to the inhomogeneous distribution of thermal and electrochemical parameters in the cross-section, which provides an effective method for predicting the spatial distribution of electrochemical and thermal properties in the batteries [40]. Based on the thermally coupled simplified electrochemical model (TC-SEM), the battery terminal voltage and temperature are accurately predicted by a predictive control algorithm, which clarifies the trends observed in the battery SOP affected by the operating current, terminal voltage and temperature. A three-dimensional electrochemical-thermal coupling model of a battery was developed in [41], and the experimental and simulation results showed a negative correlation between the battery temperature and the lithium-ion concentration gradient. Ref. [42] describes in detail the coupling between the thermal, electrochemical and electrical characterization processes within the cell. The electrochemical–thermal model delineates the battery’s behavior through its electrochemical processes, offering high accuracy despite its computationally intensive nature. However, establishing the interrelationship between electrochemical parameters and thermal dynamics remains a pivotal area for future investigation.
Typical electro-thermal models are categorized into two main types: lumped parameter models and distributed parameter models. Distributed parameter models, which solve partial differential equations based on the three-dimensional model of batteries, are computationally intensive and thus rarely applied in electrothermal coupling studies. To address this issue, additional scholars have put forward simplified three-dimensional thermal models for batteries. A low-order two-dimensional thermal model able to predict the spatial temperature distribution of the whole battery cell was proposed in [43]. The intricate three-dimensional thermal model is efficiently simplified through dimensionality reduction techniques, thereby enabling the practical application of distributed parameter models.
Conversely, the lumped-parameter thermal model represents a thermodynamic model integrating the equivalent circuit model, Joule’s law, and principles of heat transfer. These models typically disregard the electrochemical intricacies inherent to battery operation, and are characterized by their simplified nature and frequent application within integrated electro-thermal models. Lumped-parameter models can be further classified into single-state and two-state models. Bernardi [44] introduced the single-state aggregate parameter model, which partitions battery heat generation into reversible entropy and irreversible components. This framework remains a cornerstone in contemporary battery thermal modeling due to its widespread adoption and efficacy in capturing heat production dynamics. Two methods of calculating the heat transfer in batteries are proposed in [45]; these are the direct calculation method and the analytical approximation method. In [46], a methodology integrating an electro-thermal coupling model with multi-parameter constraints was proposed for assessing the battery state of charge. The findings demonstrated that the prediction of the battery surface temperature across various ambient conditions exhibited a maximum error below 1.2 °C, underscoring the precision and applicability of the proposed approach. The two-state lumped-parameter thermal model considers the heat transfer between the battery core and the surface during the heat calculation process, which largely improves the accuracy of the model, and at the same time focuses on the core of the battery in a way that is more meaningful to the safety of the battery. Ref. [47] presents a constructed two-state lumped-parameter thermal model designed to estimate internal temperatures. This model directly simulates the internal temperature using the current and voltage measured from a cylindrical lithium-ion battery, and the model is simple and reliable, meaning that it can be applied to BMS. An enhanced electro-thermal coupling model is proposed, integrating a 2-RC equivalent circuit with a two-state lumped-parameter thermal model, in [48]. A synergistic estimation approach is developed to determine the battery capacity, SOC, core and surface temperatures. The validation of the battery model and estimation method is conducted using COMSOL Multiphysics® 2023 simulation software. The results indicate an output voltage estimation error of ±9 mV under urban road cycle (UDDS) conditions, with core and surface temperature errors of ±0.5 K and ±0.2 K, respectively. The root mean square error (RMSE) of SOC is 0.5%, affirming the applicability of the two-state lumped-parameter thermal model for precise battery state estimation in practical applications. Furthermore, a multi-level battery prototype simulation system covering cells, modules and battery packs based on the theory of the single-state model and 1-RC equivalent circuit model is proposed in [49], using the MATLAB/Simulink platform; this achieves the coupling of the electrical and thermal performance of batteries, optimizes and identifies the mapping relationship between the model parameters, temperature and state of charge. The joint estimation of SOC, SOH and SOP is performed, providing a basis for the feasibility of digital twinning in future Li-ion battery management systems.
3.1.2. SOP Estimation Based on Model Parameter Constraints
The SOP of Li-ion batteries is influenced by several factors including the voltage, current, temperature, maximum available capacity, and SOC. Model-based estimation methods often employ one or more of these factors to limit peak currents, thereby determining the battery’s peak power across varying charge and discharge scenarios. This section offers a comprehensive overview of the SOC constraint method, voltage constraint method, and methodologies utilizing multiple constraints.
SOC Constraint Method
The SOC constraint approach relies on defining the upper and lower limits of SOC permissible for the battery, facilitating the computation of the peak current and subsequently the peak power. Utilizing the ampere–time integration method, changes in the battery SOC over a specified timeframe are represented by the following equation:
where is the charge/discharge coulomb efficiency, and is the rated capacity of the battery. The current is positive when charging and negative when discharging. In addition, the SOC estimation methods are comprehensively summarized in the following Table 3.
Table 3.
SOC estimation methods.
During the , considering the upper and lower constraints and of the battery SOC, the peak current can be derived from Equation (9) and calculated as follows:
Following the computation of the peak charging and discharging currents using Equation (10), the SOP constrained by SOC limits can be determined by estimating the battery terminal voltage based on the applied model. This approach considers the peak power in . However, in scenarios where the SOC range is extensive, relying solely on the SOC for constrained peak current estimation often yields higher inaccuracies. Therefore, this method is typically integrated with complementary techniques to formulate a comprehensive SOP estimation approach under multiple constraints.
Voltage Constraint Method
The voltage constraint method incorporates specific battery voltage limits to compute the peak power state, ensuring adherence to the prescribed maximum and minimum voltage thresholds during both charging and discharging operations. Based on Kirchhoff’s laws governing voltage and current, and the interplay among current, voltage, and capacitance, the equations describing the 1-RC equivalent circuit model in continuous time can be formulated as follows:
Under the assumption that the input or output current of the battery remains constant across L sampling periods, and with the parameters in the state matrix and input matrix of the battery state equation assumed to be constant, the state of the battery at the (k + L)th sampling period can be forecasted based on its state at the kth sampling period. According to the battery model equation, the following expression for the voltage of the battery at the moment k + 1 can be obtained:
The current characteristic of the battery is determined using Equation (12). However, due to the nonlinear correlation between SOC and OCV, directly solving for peak current is impractical. Therefore, it becomes necessary to employ a Taylor expansion of Equation (12) around the SOC point to approximate the peak current:
Here, represents the residual term resulting from the Taylor expansion, which is typically negligible. By integrating the computations from Equations (12) and (13), the formulation for the peak current can be derived:
Here, and denote the peak charging and peak discharging current, respectively, determined through calculations using the voltage constraint method. The voltage constraint method offers enhanced accuracy and reliability in contrast to the SOC constraint method. It incorporates SOC variations throughout the calculation process, enabling SOP estimation over extended time intervals.
Multiple Constraints Method
The multiple constraints method represents a prevalent approach in contemporary lithium-ion battery power state estimation. This method integrates voltage, current, and SOC constraints, enabling precise state estimation across diverse operational scenarios and accuracy thresholds. A joint method of estimating SOP under SOC and multiple constraints was proposed in [60], achieving SOP estimation under SOC and voltage constraints. A multi-constraint dynamic method based on the voltage and current is proposed using fuzzy logic controllers for parameter identification and the SOP is estimated considering the aging effects in [61]. A model based on the electro-thermal coupling model is proposed to constrain the peak current based on parameters such as the battery temperature, SOC, and voltage to achieve the accurate estimation of the battery SOP in [46]. A multi-constraint dynamic method based on the temperature, voltage, current and SOC is considered in [62] for the estimation of the SOP of the battery, considering the effect of the electrochemical reaction and Joule heating on the heat transfer to air. A SOP estimation method based on the multi-cell parameter constraints for a Li-FePO4 battery is proposed in [63]. The multiple constraints method presents results with a higher accuracy compared to the estimation method with a single constraint; in addition, the method is not very complicated, but its computation will be greatly increased for the higher number of battery cells in the battery pack, and it is more demanding on the hardware of the BMS.
3.2. Data-Driven SOP Estimation
The data-driven SOP estimation method regards the battery as a “black box” whose internal functional structure and parameter interactions are unknown. Without considering the internal reaction mechanism and characteristic changes of the battery, the relevant characteristic parameters of the battery are inputted from the outside, and the SOP is used as the output of the model, which is trained by using data analysis and machine learning methods to achieve the estimation of the battery SOP. Data analysis and machine learning methods are used to train the model to estimate the SOP of the battery. The main methods used so far are the BP neural network, the adaptive neuro-fuzzy inference system (ANFIS) and the support vector machine method (SVM), and the network structure of BP and ANFIS is shown in Figure 5.
Figure 5.
Schematic representation of the principles of different machine learning methods: (a) BP neural network; (b) ANFIS.
A new data-driven model fusion approach was proposed to construct a feed-forward neural network (FNN) using the SOC, discharge rate, and pulse runtime as inputs, combining data-driven and equivalent circuit model-based approaches to achieve the estimation of SOP in [64]. Both [65,66] used ANFIS with characteristic parameters such as the battery voltage, current, and operating temperature as inputs to obtain highly accurate SOP estimation results. The data-driven-based estimation method can improve the estimation accuracy and work efficiency, and has a wide range of applications, but the results are limited by data collection and processing, and for large-scale battery management systems, the calculations are more complicated and a longer training time is required. Therefore, the data-driven based method needs further research and optimization for large-scale battery energy storage system applications.
3.3. Multi-State Joint Estimation
The joint multi-state estimation method integrates algorithms like Kalman filtering to simultaneously estimate multiple states such as the SOC, SOP, state of energy (SOE), and state of heath (SOH). This approach enhances the accuracy of battery state estimation by accounting for variations in battery characteristic parameters and the dynamic interactions between these states during operation.
3.3.1. State of Charge and State of Power
The SOC, as a pivotal battery state parameter, significantly influences the estimation of the SOP. Variations in the SOC impose constraints on the battery voltage, thereby affecting the current constraints. Consequently, numerous researchers have implemented integrated methods for estimating both the SOC and SOP using filtering algorithms. The methodological framework is illustrated in Figure 6.
Figure 6.
Joint SOC and SOP estimation framework.
A combined SOC and SOP estimation methodology was proposed to estimate the battery parameters using a data-driven approach in [67]. This technique leverages adaptive extended Kalman filtering (AEKF) to achieve robust SOC and SOP estimations, ensuring high reliability. Ref. [68] used the same joint estimation algorithm, which considers the SOH of the battery during the estimation process and improves the estimation accuracy of the aging battery. The joint estimation of SOC and SOP for plug-in hybrid electric vehicle batteries using AEKF based on a dynamic electrochemical polarization battery model is performed in [69]. In [70], an enhanced 1-RC equivalent circuit model that incorporates hysteresis effects is introduced. This study employs a Double Extended Kalman Filter (DEKF) to estimate both the model parameters and the state of charge (SOC), while proposing a rapid method of computing the state of power (SOP). By implementing a discretization technique, the computational interval for SOP prediction is reduced, thereby improving efficiency. The DEKF exhibits a strong robustness and estimation accuracy, adapting more effectively to changes in battery dynamic characteristics than the Kalman Filter (KF). However, it requires prior knowledge of the system model and high-quality system observations; otherwise, it may result in slow convergence or failure to converge. Table 4 summarizes the joint estimation methods and their characteristics, and presents the joint SOC and SOP estimation results for the filtering algorithms DEKF [70], EKF [71], UKF [72], PF [73], CKF [74] and H∞ [75].
Table 4.
Joint estimation algorithm.
3.3.2. State of Energy and State of Power
SOE denotes the residual battery energy level and serves as a critical indicator of its power supply capacity. Given the interdependence between batteries’ power state and their available energy, relying solely on SOE or SOP estimates poses challenges for ensuring safe battery operation and avoiding the risk of overcharging, over discharging, and premature battery failure. Consequently, the joint estimation of SOE and SOP stands out as a crucial method for enhancing the reliable operation of batteries. A joint estimation algorithm for SOE and SOP is introduced, utilizing an open-circuit voltage model based on a three-dimensional response and adaptive untraceable Kalman filtering (AUKF) in [76]. This approach significantly enhances the precision and dependability of SOE and SOP estimation. An advanced online SOP estimation algorithm is introduced in [31], utilizing a regression algorithm (RBA) and the forward prediction of model parameters to achieve accurate SOP estimation. The particle swarm optimization (PSO)–untraceable Kalman filter (UKF) algorithm is used to identify battery model parameters and estimate the battery states within the equivalent circuit model in [77]. This approach specifically addresses temperature impacts and time-varying variations. PSO is employed for real-time parameter identification on a macroscopic time scale, while UKF is utilized for the concurrent estimation of the SOE and SOP at a microscopic level.
3.3.3. State of Charge, State of Heathy and State of Power
In practical applications, the two-state joint estimation method faces limitations due to the significant coupling observed among three or more battery states. Figure 7 visually depicts the interdependencies among SOH, SOC, and SOP.
Figure 7.
Interrelationship between SOH, SOC and SOP.
In reference [78], the interdependence among battery states is addressed through the joint estimation of SOC, SOH, and SOP using an extended Kalman filter model. This approach incorporates the online identification of battery parameters and enhances the state estimation accuracy through continuous updates of the capacity and related parameters. A joint state estimation procedure incorporating multiple time scales was developed to enhance the accuracy of SOC estimation in [79]. This approach includes periodic updates of the model parameters via refined mobile-level estimation, thereby facilitating the concurrent estimation of SOH and SOP. The outcomes demonstrated that the prediction errors for SOC and capacity were below 3% for both new and aged batteries utilizing this method. An adaptive multi-state estimation algorithm is presented for battery cells and packs in [80], integrating temperature compensation to account for varying aging states and operational temperature influences on state estimation. A joint estimation methodology that combines unscented Kalman filtering (UKF), a 3D response OCV model, PSO, and multi-constraint computation is introduced in [81]. This approach aims to update parameters and achieve the cohesive estimation of battery states across diverse loading conditions and aging stages. An auto-regressive equivalent circuit model is introduced to enhance the dynamic adjustment of battery parameters in [82]. The study employs square root untraceable Kalman filtering (SR-UKF) to achieve the joint estimation of multiple states, ensuring that the RMSE for the SOH and SOC of aging batteries remains below 2% accuracy in both ideal and noisy environments. A multi-state joint estimation approach is applied to an equivalent circuit model using a multi-input extreme learning machine (MI-ELM) coupled with online model parameter identification in [83]. Validation comparisons indicate that MI-ELM achieves a notably enhanced accuracy and performance compared to alternative filtering algorithms.
4. SOP Estimation Methods for Battery Packs
To fulfill the operational demands of power and energy of battery energy storage systems, multiple individual batteries are interconnected in various configurations to compose a battery pack. Variations among individual battery cells within a pack arise from both manufacturing processes and the operational conditions. These disparities directly influence the available energy and aging characteristics of the battery cells, thereby constraining the accuracy of the battery pack’s state estimation [84]. The SOP estimation method for battery packs is similar to that for individual cells, and the estimation process mainly consists of battery pack modelling and SOP estimation. When modeling battery packs, it is necessary to consider not only the influence of battery cell model parameters in the battery pack model by temperature, discharge multiplier, number of cycles, and others. Additionally, the complexity of the battery pack model parameters is influenced by variations among battery cells within the pack, as well as the differences in the performance estimation methods used across various battery assembly techniques. When estimating the SOP of battery packs, it is essential to consider the influence of individual battery cells, including factors like cell-to-cell variability and grouping methodologies. Figure 8 provides an overview of the current methodologies for SOP estimation in battery packs.
Figure 8.
Battery pack SOP estimation methods.
4.1. Battery Pack Inconsistency Analysis
The variability between individual lithium-ion battery cells within a pack poses a significant challenge in accurately modeling battery packs for state estimation. Characterizing these inconsistencies effectively is crucial for improving the reliability of battery pack models. Battery group inconsistency is defined as the phenomenon that sees batteries of the same model and the same specification, under the action of temperature, process, environment and other elements, appearing to differ in voltage, internal resistance, battery capacity, etc. [85]. Figure 9 shows the battery group inconsistency phenomenon schematically; when the battery in the middle with the least amount of power takes the lead in being fully charged or discharged, the other batteries that still have power cannot be charged and discharged again, and the remaining power cannot be utilized, which will seriously reduce the power and state of the whole group [86].
Figure 9.
Battery pack inconsistency schematic: (a) Maximum discharge capacity; (b) Maximum charge capacity.
The reasons for cell inconsistency within the battery pack can be divided into two types: the inconsistency of internal parameters and the inconsistency of external parameters. Discrepancies in the internal parameters primarily arise due to variations in manufacturing processes, materials, and assembly methodologies [87]. For instance, lithium evaporation during production can affect the usable capacity and coulombic efficiency of batteries [88], and ohmic resistance is affected by the electrode thickness, contact area, electrolyte [89], etc. The inconsistency of external parameters is mainly caused by the differences in the operation conditions of each single cell in the battery pack, such as the current multiplication, ambient temperature, load resistance, etc. Due to variations in the heat dissipation mechanisms such as conduction and convection within battery packs, each individual cell experiences different thermal conditions. Consequently, achieving a uniform temperature distribution across single cells within the pack is challenging. Temperature discrepancies can lead to disparities in the effective capacity, charge–discharge performance, and chemical composition degradation of individual battery cells [90]. Various methods of grouping batteries have distinct impacts on the voltage and current distribution within battery packs, thereby contributing to inconsistencies across different aspects of the pack. These inconsistencies can be classified into three main categories: capacity, internal resistance, and voltage inconsistencies. There are illustrated in Figure 10. For series and parallel battery packs, the inconsistency of the internal resistance and voltage of individual cells will present a different condition. Based on current theoretical analysis, it is established that in a series-connected battery pack, the current through each branch remains uniform throughout. Moreover, a higher internal resistance correlates with an elevated single-cell voltage during charge and discharge cycles, thereby amplifying energy loss and heat generation, which is more likely to lead to inconsistency within the battery pack. In parallel-connected battery packs, a uniform cell voltage results in varying currents flowing through cells with differing internal resistances. Consequently, this disparity leads to uneven depths of discharge among individual cells simultaneously, exacerbating overall pack inconsistency. The voltage inconsistency among single cells primarily manifests in the phenomenon of mutual charging within parallel-connected battery packs. However, when one cell voltage is lower than others in the pack, the remaining cells will charge the lower voltage cell. Consequently, the capacity of the low-voltage cell experiences a slight increase, while the capacity of the higher voltage cells will decrease significantly. Significant energy is lost during the process of mutual charging between battery packs, accompanied by the generation of excess heat, which can be detrimental to the overall health and longevity of the batteries. Therefore, it is imperative to consider battery pack inconsistency when conducting battery pack modeling and state estimation.
Figure 10.
Schematic representation of the three types of inconsistency.
4.2. Series-Connected Battery Pack Modeling and SOP Estimation Methods
Series-connected battery packs can be categorized into three primary modeling approaches: the overall model, the battery pack average model, and the battery pack individual characteristic model. The overall model approach simplifies the battery pack by treating it as a single large-capacity cell, thereby reducing the number of model parameters and computational complexity. However, this method overlooks the internal composition and discrepancies among individual battery cells within the pack, leading to diminished model accuracy. In the battery pack averaging model for series-connected cells, the terminal voltage of the pack is determined by summing the voltage of each individual cell. This model assumes a series configuration of n cells, each represented by a single-cell model. Thus, the collective behavior of the battery pack can be conceptualized as an aggregate of these individual cell models. Modeling battery packs based on individual cell characteristics involves selecting specific features that can effectively represent the pack. Therefore, it becomes imperative to employ inconsistency quantification methods to identify and model these feature characteristics for the battery pack.
The method of estimating SOP in series-connected battery packs is presented in [91], utilizing voltage, SOC, and current constraints. The approach incorporates iterative correction through dichotomous methods. An algorithm for estimating power in a dynamic series battery system is introduced in [92]; this integrates current, voltage, and SOC constraints. The method considers the energy efficiency factor and polarization characteristics of batteries. Additionally, the study analyzes the suitability of three equivalent circuit models: the Rint model, the PNGV model, and the equivalent circuit model. The dynamic behavior of series-connected battery packs is modeled using a 1-RC model in [93]. Additionally, an algorithm for estimating the SOP in series-connected battery systems is proposed, employing extended Kalman filtering techniques.
The average model method builds a battery pack by selecting cells with an average capacity or average resistance and controlling the difference between other cells and the average value instead of other cells. The modeling approach focuses on the inter-cell resistance within a battery pack in [94]. An optimization algorithm is employed to ensure the real-time and accurate estimation of the SOP, while considering the aging state of the cells. In reference [95], an approach that combines a ratio vector-based parameter identification technique with the characterization of individual cell parameter variations within a battery system is developed. And this method considers voltage and current limitations to estimate the SOP in series-connected battery systems effectively. The characteristic cell method conceptualizes the battery as a collection of n characteristic cells, chosen from among the individual cell units within the battery bank. An algorithm for estimating the SOP in battery packs and employing a dual adaptive extended Kalman filtering (DAEKF) approach is introduced in [96]. This method utilizes voltage and resistance parameters to filter characteristic cell units, adhering to constraints related to the SOC and voltage characteristics, respectively.
In the study of the SOP estimation of series-connected battery packs, the overall method is hardly used because it ignores the inconsistency within the battery pack, has poor accuracy and a small range of use, and cannot reflect the effect of temperature and the aging degree of the cells on the SOP; the average model method is mostly used in the estimation of the SOP by considering the factors of the battery’s internal resistance, current, aging, and voltage. The featured cell method has a wide range of application scenarios, and can be used in the estimation of the SOP of the series battery system, considering the factors of the battery’s temperature and aging. The characteristic cell method is widely used to estimate the SOP of series-connected battery systems considering factors such as cell temperature and aging.
4.3. Parallel-Connected Battery Pack Modeling and SOP Estimation Methods
Non-series battery configurations encompass parallel and series-parallel hybrid arrangements, in addition to the series configuration. In parallel-connected battery packs, each circuit shares the same voltage, but the current varies due to disparities among the cells. Thus, modeling parallel battery banks typically involves two main aspects: firstly, understanding how various factors influence the distribution of current among branches; and secondly, developing algorithms for estimating or calculating this current distribution. Studies on series-parallel hybrid modeling have primarily concentrated on rectifying and compensating for discrepancies in the parameters of battery cells. The impact of variable cell parameters on the current distribution within parallel battery packs was explored using Simulink for modeling purposes in [97]. A fuzzy proportional–integral model regulator is incorporated into the conventional equivalent circuit-based model of parallel battery packs in [98]. The fuzzy controller is employed to monitor variations in the branch currents and SOC within the parallel battery pack, ensuring timely corrections. This approach effectively captures the impact of cell parameter inconsistencies on the discharging characteristics of parallel battery packs. The developed model demonstrates high accuracy in replicating measured voltage during discharging under constant current and UDDS conditions, particularly in the discharge’s final stages. It exhibits a maximum absolute voltage error of less than 0.12 V. A model for series-parallel hybrid battery packs was formulated using linear state-space equations in [99], focusing on the interplay between the string current and pack current. In [100], several prevalent battery pack models are simplified and consolidated, integrating them with Monte Carlo simulation to investigate the impact of battery pack connection methodologies and cell parameters on current distribution. This approach facilitates the rapid simulation of battery pack models, offering insights into their operational characteristics.
Regarding SOP estimation for non-series battery packs, ref. [101] introduces an SOP estimation algorithm tailored to parallel-type battery systems. This method employs the traceless particle filtering technique in conjunction with a specific single battery pack model. A series-parallel hybrid battery pack model was constructed using linear state-space equations in [100], which achieved SOP estimation for series-parallel hybrid battery packs. Research focused on examining the cell distribution mechanism within parallel LiFePO4 battery packs in [102], alongside analyzing their operational characteristics. In [103], an advanced SOC estimation algorithm for series-parallel hybrid battery packs is introduced, utilizing an enhanced Kalman filtering approach. The study also incorporates battery parameter identification through hybrid power pulse testing. The series-parallel hybrid battery pack is conceptualized as a series assembly of n parallel battery units in [11], while concurrently addressing the hysteresis effects of the batteries. This study undertakes a joint estimation of the SOC and SOP, thereby contributing to the comprehensive understanding and modeling accuracy of such hybrid battery configurations. In general, the current methods for estimating SOP in non-series battery packs primarily rely on indirect conversion techniques to derive estimated values, with relatively fewer research outcomes available on this topic.
5. Conclusions
This paper presents a comprehensive review of power estimation methodologies for lithium-ion batteries, encompassing three key areas: parameter identification, modeling techniques for both battery cells and packs, and methods for SOP estimation. Despite advancements in parameter identification and SOP estimation methods for batteries, achieving high-accuracy and real-time performance in state estimation remains a significant challenge, especially for large-scale battery energy storage systems.
- (1)
- The current parameter identification method mainly uses the collected voltage, current and other parameters; combined with the mechanism and algorithm used to identify the parameters of the established battery model, the error and robustness need to be further improved. With the rapid development of sensing technology, the model parameters directly obtained through the online real-time measurement of the parameters is one of the research directions.
- (2)
- For single-cell SOP estimation, the initial step involves constructing a precise battery model capable of capturing various behavioral aspects. This model explores the correlations between external electrical characteristics and internal parameters, encompassing the electrochemical, electrical, thermal, and aging characteristics of the battery. The next step involves addressing the intricate interdependencies among multiple states such as the SOC, SOH or RUL, SOP, and SOE. This is achieved by integrating sophisticated intelligent algorithms capable of jointly estimating these states. Enhancing the estimation accuracy depends on state estimation methods that leverage multi-feature fusion models and consider the association among multiple states concurrently.
- (3)
- Current research on battery management focuses on advanced techniques for parameter identification and state estimation. Methods such as machine learning and artificial intelligence are able to determine the nonlinear characteristics and complex behavioral properties of batteries, but such methods often require a large amount of training data to obtain more accurate results. New battery management systems based on big data, cloud computing platforms and digital twins will become the future trend; they will break through the traditional hardware terminal limitations and upgrade traditional offline estimation to active online real-time estimation.
- (4)
- For battery packs, the inconsistency of different connection methods is the main factor affecting the power state, and accurately describing the dynamic inconsistency of the battery pack model is the basis of state estimation. Furthermore, the inconsistency of battery packs is influenced by various factors, including temperature variations, multiplicity, aging, and more. It is crucial to consider how these factors affect battery parameters and introduce inconsistencies when coupled together. Facing this challenge involves balancing model accuracy and the complexity inherent in battery packs, and enabling the faster and more accurate estimation of the battery pack power state.
Author Contributions
Conceptualization, J.Y. and C.M.; methodology, C.W.; investigation, L.W.; resources, X.C.; data curation, C.M.; writing—original draft preparation, C.M.; writing—review and editing, J.Y.; supervision, Y.W.; project administration, L.L. All authors have read and agreed to the published version of the manuscript.
Funding
This research was funded by the special fund for scientific and technological innovation in carbon peak and carbon neutralization of Jiangsu province (No. BE2022031-3).
Data Availability Statement
The data that support the findings of this study are available upon request from the corresponding author.
Conflicts of Interest
We declare that we have no financial and personal relationships with other people or organizations that might have inappropriately influenced our work and that we have no professional or other personal interests of any nature or kind in any product, service and/or company that could be construed as influencing the position presented in this review.
References
- Sun, X.L.; Li, Z.G.; Wang, X.L.; Li, C.G. Technology Development of Electric Vehicles: A Review. Energies 2020, 13, 90. [Google Scholar] [CrossRef]
- Arun, M.D.; Manickam, M.; Parisa, A.B.; Shashi, P.; Pooja, K.; Anoop, M.D.; Krishna, N.M. Rational design on materials for developing next generation lithium-ion secondary battery. Prog. Solid State Chem. 2021, 62, 100298. [Google Scholar]
- Feng, X.N.; Ouyang, M.G.; Liu, X.; Lu, L.G.; Xia, Y.; He, X.M. Thermal runaway mechanism of lithium-ion battery for electric vehicles: A review. Energy Storage Mater. 2018, 10, 246–267. [Google Scholar] [CrossRef]
- Wang, Y.J.; Tian, J.Q.; Sun, Z.D.; Wang, L.; Xu, R.L.; Li, M.; Chen, Z.H. A comprehensive review of battery modeling and state estimation approaches for advanced battery management systems. Renew. Sustain. Energy Rev. 2020, 131, 110015. [Google Scholar] [CrossRef]
- Wang, Y.J.; Chen, Z.H.; Zhang, C.B. On-line remaining energy prediction: A case study in embedded battery management system. Appl. Energy 2017, 194, 688–695. [Google Scholar] [CrossRef]
- Liu, X.T.; He, Y.; Zeng, G.J.; Zheng, X.X. State-of-Power Estimation for Li-ion Battery Considering the Effect of Temperature. Trans. China Electrotech. Soc. 2016, 31, 155–163. [Google Scholar]
- Wang, Z.L.; Feng, G.J.; Liu, X.W.; Gu, F.S.; Ball, A. A novel method of parameter identification and state of charge estimation for lithium-ion battery energy storage system. J. Energy Storage 2022, 49, 104124. [Google Scholar] [CrossRef]
- Lin, X.Y.; Tang, Y.L.; Ren, J.; Wei, Y.M. State of charge estimation with the adaptive unscented Kalman filter based on an accurate equivalent circuit model. J. Energy Storage 2021, 41, 102840. [Google Scholar] [CrossRef]
- Cao, L.J. Research on Electronic Information Measurement and Error Analysis and Correction; Northeast Normal University Press: Changchun, China, 2017; pp. 260–265. [Google Scholar]
- Hua, G.Y. Least Squares Identification and Comparison of Generalized Methods. Sci. Technol. Innov. 2023, 4, 14–17. [Google Scholar]
- Mitra, D.; Ghosh, S.; Mukhopadhyay, S. Model-based estimation of state of charge and state of power of a lithium-ion battery pack and their effects on energy management in hybrid electric vehicles. Int. J. Dyn. Control 2023, 12, 2033–2049. [Google Scholar] [CrossRef]
- Li, B.W.; Wang, S.L.; Fernandez, C.; Yu, C.M.; Xia, L.L.; Fan, Y.C. A linear recursive state of power estimation method based on fusion model of voltage and state of charge limitations. J. Energy Storage 2021, 40, 102583. [Google Scholar] [CrossRef]
- Zhang, S.Z.; Xu, G.; Zhang, X.W. A novel one-way transmitted co-estimation framework for capacity and state-of-charge of lithium-ion battery based on double adaptive extended Kalman filters. J. Energy Storage 2021, 33, 102093. [Google Scholar]
- Ye, J.L.; Wu, C.; Ma, C.L.; Yuan, Z.J.; Guo, Y.L.; Wang, R.Y.; Wu, Y.P.; Sun, J.L.; Liu, L.L. An Adaptive Peak Power Prediction Method for Power Lithium-Ion Batteries Considering Temperature and Aging Effects. Processes 2023, 11, 2449. [Google Scholar] [CrossRef]
- Wu, M.Y.; Qin, L.L.; Wu, G. State of charge estimation of power lithium-ion battery based on an adaptive time scale dual extend Kalman filtering. J. Energy Storage 2021, 39, 102535. [Google Scholar] [CrossRef]
- Yang, Z.; Wang, X.M. An improved parameter identification method considering multi-timescale characteristics of lithium-ion batteries. J. Energy Storage 2023, 59, 106462. [Google Scholar] [CrossRef]
- Xin, L.; He, L.; Wang, S.Y.; Zhou, L.; Zhang, Y.F.; Sun, T.; Zheng, Y.J. Co-estimation of state of charge and state of power for lithium-ion batteries based on fractional variable-order model. J. Clean. Prod. 2020, 255, 120203. [Google Scholar]
- Yu, Z.H.; Xiao, L.J.; Li, H.Y.; Zhu, X.L.; Huai, R.T. Model Parameter Identification for Lithium Batteries Using the Coevolutionary Particle Swarm Optimization Method. IEEE Trans. Ind. Electron. 2017, 64, 5690–5700. [Google Scholar] [CrossRef]
- Liu, C.H.; Hu, M.H.; Jin, G.Q.; Xu, Y.D.; Zhai, J. State of power estimation of lithium-ion battery based on fractional-order equivalent circuit model. J. Energy Storage 2021, 41, 102954. [Google Scholar] [CrossRef]
- Li, L.; Hu, M.M.; Xu, Y.D.; Fu, C.Y.; Jin, G.Q.; Li, Z.H. State of Charge Estimation for Lithium-Ion Power Battery Based on H-Infinity Filter Algorithm. Appl. Sci. 2020, 10, 6371. [Google Scholar] [CrossRef]
- Seongyoon, K.; Sanghyun, K.; Yun, Y.C.; Jung-Il, C. Bayesian parameter identification in electrochemical model for lithium-ion batteries. J. Energy Storage 2023, 71, 108129. [Google Scholar]
- Wang, B.C.; He, Y.B.; Liu, J.; Luo, B. Fast parameter identification of lithium-ion batteries via classification model-assisted Bayesian optimization. Energy 2024, 288, 129667. [Google Scholar] [CrossRef]
- Minho, K.; Chun, H.Y.; Jungsoo, K.; Kwangrae, K.; Jungwook, Y.; Taegyun, K.; Soohee, H. Data-efficient parameter identification of electrochemical lithium-ion battery model using deep Bayesian harmony search. Appl. Energy 2019, 254, 113644. [Google Scholar]
- Wang, H.; Zheng, Y.P.; Yu, Y. Joint Estimation of SOC of Lithium Battery Based on Dual Kalman Filter. Processes 2021, 9, 1412. [Google Scholar] [CrossRef]
- Guo, P.; Wu, X.; Lopes, A.M.; Cheng, A.; Xu, Y.; Chen, L. Parameter Identification for Lithium-Ion Battery Based on Hybrid Genetic–Fractional Beetle Swarm Optimization Method. Mathematics 2022, 10, 3056. [Google Scholar] [CrossRef]
- Hicham, B.S.; Fatima, E.; Es-Sbai, N. State of charge estimation by multi-innovationunscented Kalman filter for vehicular applications. J. Energy Storage 2020, 32, 101978. [Google Scholar]
- Zhao, J.H.; Qian, X.X.; Jiang, B.; Wang, B. Lithium battery model parameter identification based on the GA-LM algorithm. Int. J. Green Energy 2023, 21, 1147–1160. [Google Scholar] [CrossRef]
- Johnson, V.H. Battery performance models in ADVISOR. J. Power Sources 2002, 110, 321–329. [Google Scholar] [CrossRef]
- Liaw, B.Y.; Ganesan, N.; Rudolph, G.J.; Daniel, H.D. Modeling of lithium-ion cells—A simple equivalent-circuit model approach. Solid State Ion. 2004, 175, 835–839. [Google Scholar]
- Andre, D.; Meiler, M.; Steiner, K.; Wimmer, C.; Soczka, T.; Sauer, D.U. Characterization of high-power lithium-ion batteries by electrochemical impedance spectroscopy. I. Experimental investigation. J. Power Sources 2011, 196, 5334–5341. [Google Scholar] [CrossRef]
- Guo, R.H.; Shen, W.X. An enhanced multi-constraint state of power estimation algorithm for lithium-ion batteries in electric vehicles. J. Energy Storage 2022, 50, 104628. [Google Scholar] [CrossRef]
- Feiner, A.S.; Mccevoy, A.J. The Nernst equation. J. Chem. Educ. 1994, 71, 493. [Google Scholar] [CrossRef]
- Freeborn, T.J.; Maundy, B.; Elwakil, A.S. Fractional-order models of supercapacitors, batteries and fuel cells: A survey. Mater. Renew. Sustain. Energy 2015, 4, 9. [Google Scholar]
- Newman, J.; Itedemann, W. Porous-electrode theory with battery applications. AIChE J. 1975, 21, 25–41. [Google Scholar]
- Doyle, M.; Fuller, T.F.; Newman, J. Modeling of galvanostatic charge and discharge of the lithium/polymer/insertion cell. J. Electrochem. Soc. 1993, 140, 1526–1533. [Google Scholar] [CrossRef]
- Prada, E.; Domenico, D.D.; Creff, Y.; Bernard, J.; Sauvant, V.M.; Huet, F. Simplified electrochemical and thermal model of LiFePO4-Graphite Lion batteries for fast charge applications. J. Electrochem. Soc. 2012, 159, A1508–A1519. [Google Scholar] [CrossRef]
- Rahimian, S.K.; Rayman, S.; Ralph, E.W. Extension of physics-based single particle model for higher Charge-Discharge rates. J. Power Sources 2013, 224, 180–194. [Google Scholar] [CrossRef]
- Sun, X.D.; Xu, N.X.; Chen, Q.; Yang, J.F.; Zhu, J.G.; Xu, J.; Zheng, L.F. State of Power Capability Prediction of Lithium-Ion Battery From the Perspective of Electrochemical Mechanisms Considering Temperature Effect. IEEE Trans. Transp. Electrif. 2022, 9, 2453–2463. [Google Scholar] [CrossRef]
- An, Z.J.; Jia, L.; Wei, L.T.; Yang, C.L. Numerical modeling and analysis of thermal behavior and Li+ transport characteristic in lithium-ion battery. Int. J. Heat Mass Transf. 2018, 127, A1351–A1366. [Google Scholar]
- Wang, L.X.; Song, Y.K.; Lyu, C.; Yang, D.Z.; Wang, W.T.; Ge, Y. Online maximum discharge power prediction for lithium-ion batteries with thermal safety constraints. J. Energy Storage 2023, 71, 108041. [Google Scholar]
- Ye, Y.H.; Shi, Y.X.; Cai, N.S.; Lee, J.J.; He, X.M. Electro-thermal modeling and experimental validation for lithium-ion battery. J. Power Sources 2012, 199, 227–238. [Google Scholar] [CrossRef]
- Madani, S.S.; Ziebert, C.; Marzband, M. Thermal Behavior Modeling of Lithium-Ion Batteries: A Comprehensive Review. Symmetry 2023, 15, 1597. [Google Scholar] [CrossRef]
- Robert, R.R.; Zhao, S.; David, A.H. On-board monitoring of 2-D spatially-resolved temperatures in cylindrical lithium-ion batteries: Part I. Low-order thermal modelling. J. Power Sources 2016, 326, 377388. [Google Scholar]
- Bernardi, D.; Pawlikowski, E.; Newman, J. A General Energy Balance for Battery Systems. J. Electrochem. Soc. 1984, 132, 512. [Google Scholar]
- Thomas, K.E.; Newman, J. Heats of mixing and of entropy in porous insertion electrodes. J. Power Sources 2003, 119, 844–849. [Google Scholar]
- Wang, C.Y.; Cui, N.X.; Li, C.L.; Zhang, C.H. State of Power Prediction Based on Electro-thermal Battery Model and Multi-parameter Constraints for Lithium-ion Battery. J. Mech. Eng. 2019, 55, 28–35. [Google Scholar]
- Forgez, C.; Dinh, V.D.; Friedrich, G.; Mathieu, M.; Charles, D. Thermal modeling of a cylindrical LiFePO4/graphite lithium-ion battery. J. Power Sources 2010, 195, 2961–2968. [Google Scholar] [CrossRef]
- Khadija, S.; Houda, B.; Nacer, K.M.; Mohammed, O.B. Lithium-ion battery electro-thermal modelling and internal states co-estimation for electric vehicles. J. Energy Storage 2023, 63, 107072. [Google Scholar]
- Xu, Z.C.; Zhang, C.; Sun, B.; Liu, S.Z. The electric-thermal coupling simulation and state estimation of lithium-ion battery. J. Energy Storage 2023, 58, 106431. [Google Scholar]
- Jeong, Y.M.; Cho, Y.K.; Ahn, J.H.; Ryu, S.H.; Lee, B.K. Enhanced Coulomb counting method with adaptive SOC reset time for estimating OCV. In Proceedings of the 2014 IEEE Energy Conversion Congress and Exposition, Pittsburgh, PA, USA, 14–18 September 2014; pp. 1313–1318. [Google Scholar]
- Chen, X.K.; Lei, H.; Xiong, R.; Shen, W.X.; Yang, R.X. A novel approach to reconstruct open circuit voltage for state of charge estimation of lithium-ion batteries in electric vehicles. Appl. Energy 2019, 255, 113758. [Google Scholar]
- Westerhoff, U.; Kroker, T.; Kurbach, K.; Kurrat, M. Electrochemical impedance spectroscopy based estimation of the state of charge of lithium-ion batteries. J. Energy Storage 2016, 8, 244–256. [Google Scholar]
- Wadi, A.; Abdel-Hafez, M.; Hashim, H.A.; Hussein, A.A. An Invariant Method for Electric Vehicle Battery State-of-Charge Estimation Under Dynamic Drive Cycles. IEEE Access 2023, 11, 8663–8673. [Google Scholar]
- Lin, C.; Mu, H.; Xiong, R.; Shen, W.X. A novel multi-model probability battery state of charge estimation approach for electric vehicles using H-infinity algorithm. Appl. Energy 2016, 166, 76–83. [Google Scholar]
- Sun, C.C.; Lin, H.P.; Cai, H.; Gao, M.Y.; Zhu, C.X.; He, Z.W. Improved parameter identification and state-of-charge estimation for lithium-ion battery with fixed memory recursive least squares and sigma-point Kalman filter. Electrochim. Acta 2021, 387, 138501. [Google Scholar]
- Chemali, E.; Kollmeyer, P.J.; Preindl, M.; Ahmed, R.; Emadi, A. Long Short-Term Memory Networks for Accurate State-of-Charge Estimation of Li-ion Batteries. IEEE Trans. Ind. Electron. 2018, 65, 6730–6739. [Google Scholar]
- Ma, L.; Zhang, T.L. Deep learning-based battery state of charge estimation: Enhancing estimation performance with unlabelled training samples. J. Energy Chem. 2023, 80, 48–57. [Google Scholar]
- Liu, Y.F.; Li, J.Q.; Zhang, G.; Hua, B.; Xiong, N. State of Charge Estimation of Lithium-Ion Batteries Based on Temporal Convolutional Network and Transfer Learning. IEEE Access 2021, 9, 34177–34187. [Google Scholar]
- Liu, D.T.; Li, L.; Song, Y.C.; Wu, L.F.; Peng, Y. Hybrid state of charge estimation for lithium-ion battery under dynamic operating conditions. Int. J. Electr. Power Energy Syst. 2019, 110, 48–61. [Google Scholar]
- Zhang, X.H.; Zhang, Z.F.; Yu, Z.H. Joint Estimation of SOC and SOP of Lithium Battery. Control Eng. China 2021, 5, 1–10. [Google Scholar]
- Esfandyari, M.J.; Esfahanian, V.; Hairi, M.R.; Nehzati, H.; Shekoofa, O. A new approach to consider the influence of aging state on Lithium-ion battery state of power estimation for hybrid electric vehicle. Energy 2019, 176, 505–520. [Google Scholar]
- Wu, J.J.; Zhang, N.; Li, P.C.; Chen, N. A Temperature-Based Peak Power Capability Estimation Method for Lithium-Ion Batteries. Procedia Eng. 2017, 187, 249–256. [Google Scholar]
- Wang, Y.J.; Pan, R.; Liu, C.; Chen, Z.H.; Ling, Q. Power capability evaluation for lithium iron phosphate batteries based on multi-parameter constraints estimation. J. Power Sources 2018, 374, 12–23. [Google Scholar]
- Guo, R.H.; Shen, W.X. A data-model fusion method for online state of power estimation of lithium-ion batteries at high discharge rate in electric vehicles. Energy 2022, 254, 124270. [Google Scholar]
- Fleischer, C.; Waag, W.; Bai, Z.; Dirk, U.S. Adaptive on-line state-of-available power prediction of lithium-ion batteries. J. Power Electron 2013, 13, 516–527. [Google Scholar]
- Lou, T.T.; Guo, X.; Sun, B.X.; Guo, H.Y.; Zheng, T.R.; Zhang, D.D. Research on Lithium-Ion Battery Peak Power Prediction Model for Hybrid Electric Vehicles. J. State Grid Technol. Coll. 2018, 21, 19–23. [Google Scholar]
- Xiong, R.; Sun, F.C.; He, H.W.; Trong, D.N. A data-driven adaptive state of charge and power capability joint estimator of lithium-ion polymer battery used in electric vehicles. Energy 2013, 63, 295–308. [Google Scholar]
- Sun, F.C.; Xiong, R.; He, H.W. Estimation of state-of-charge and state-of-power capability of lithium-ion battery considering varying health conditions. J. Power Sources 2014, 259, 166–176. [Google Scholar]
- Xiong, R.; He, H.W.; Sun, F.C.; Liu, X.L.; Liu, Z.T. Model-based state of charge and peak power capability joint estimation of lithium-ion battery in plug-in hybrid electric vehicles. J. Power Sources 2013, 229, 159–169. [Google Scholar]
- Tan, Y.Q.; Luo, M.J.; She, L.Y.; Cui, X.Y. Joint Estimation of Ternary Lithium-ion Battery State of Charge and State of Power Based on Dual Polarization Model. Int. J. Electrochem. Sci. 2020, 15, 1128–1147. [Google Scholar]
- Xiang, S.; Hu, G.D.; Huang, R.S.; Zhou, P.K. Lithium-Ion Battery Online Rapid State-of-Power Estimation under Multiple Constraints. Energies 2018, 11, 283. [Google Scholar] [CrossRef]
- Qin, P.J.; Che, Y.B.; Li, H.F.; Jiang, M.D. Joint SOC–SOP estimation method for lithium-ion batteries based on electro-thermal model and multi-parameter constraints. J. Power Electron. 2022, 22, 490–502. [Google Scholar]
- Tang, X.P.; Wang, Y.J.; Yao, K.; He, Z.W.; Gao, F.R. Model migration-based battery power capability evaluation considering uncertainties of temperature and aging. J. Power Sources 2019, 440, 227141. [Google Scholar]
- Cheng, Z.; Xing, Y.H.; Cheng, S.L.; Guo, P.Y. Power prediction method of lithium-ion battery for unmanned vehicles based on combined constraint intelligence algorithm. Clust. Comput. 2018, 22, 8553–8560. [Google Scholar]
- Li, Y.F.; Xu, B.Q.; Zhang, Y.M. Estimation of state-of-power capability for lithium-ion battery considering limiting conditions recalibration. Energy Sources Part A Recovery Util. Environ. Eff. 2021, 1–18. [Google Scholar] [CrossRef]
- Zhang, W.G.; Shi, W.; Ma, Z.Y. Adaptive unscented Kalman filter based state of energy and power capability estimation approach for lithium-ion battery. J. Power Sources 2015, 289, 50–62. [Google Scholar]
- Zhang, X.; Wang, Y.J.; Wu, J.; Chen, Z.H. A novel method for lithium-ion battery state of energy and state of power estimation based on multi-time-scale filter. Appl. Energy 2018, 216, 442–451. [Google Scholar]
- Shen, P.; Ouyang, M.G.; Lu, L.G.; Li, J.Q.; Feng, X.N. The Co-estimation of State of Charge, State of Health, and State of Function for Lithium-Ion Batteries in Electric Vehicles. IEEE Trans. Veh. Technol. 2018, 67, 92–103. [Google Scholar]
- Hu, X.S.; Jiang, H.F.; Feng, F.; Liu, B. An enhanced multi-state estimation hierarchy for advanced lithium-ion battery management. Appl. Energy 2020, 257, 114019. [Google Scholar]
- Shu, X.; Li, G.; Shen, J.W.; Lei, Z.Z.; Chen, Z.; Liu, Y.G. An adaptive multi-state estimation algorithm for lithium-ion batteries incorporating temperature compensation. Energy 2020, 207, 118262. [Google Scholar]
- Zhang, T.; Guo, N.Y.; Sun, X.X.; Fan, J.; Yang, N.F.; Song, J.J.; Zou, Y. A Systematic Framework for State of Charge, State of Health and State of Power Co-Estimation of Lithium-Ion Battery in Electric Vehicles. Sustainability 2021, 23, 5166. [Google Scholar]
- Liu, F.; Shao, C.; Su, W.X.; Liu, Y. Online joint estimator of key states for battery based on a new equivalent circuit model. J. Energy Storage 2022, 52 Pt A, 104780. [Google Scholar]
- Zhao, X.B.; Qian, X.; Xuan, D.J.; Jung, S. State of charge estimation of lithium-ion battery based on multi-input extreme learning machine using online model parameter identification. J. Energy Storage 2022, 56 Pt A, 105796. [Google Scholar]
- MI, C.; Masrur, M.A.; Gao, W.Z. Hybrid Electric Vehicles: Principles and Applications with Practical Perspectives; John Wiley & Sons: Hoboken, NJ, USA, 2011. [Google Scholar]
- Yang, C.F.; Wang, X.Y.; Fang, Q.H.; Dai, H.F.; Cao, Y.Q.; Wei, X.Z. An online SOC and capacity estimation method for aged lithium-ion battery pack considering cell inconsistency. J. Energy Storage 2020, 29, 101250. [Google Scholar]
- Zhang, J.L. Research on Key Technology of Active Battery Balancing System; Harbin Institute of Technology: Harbin, China, 2018. [Google Scholar]
- Dubarry, M.; Vuillaume, N.; Liaw, B.Y. Origins and accommodation of cell variations in Li-ion battery pack modeling. Int. J. Energy Res. 2010, 34, 216–231. [Google Scholar]
- Arunkumar, T.A.; Wu, Y.; Manthiram, A. Factors Influencing the Irreversible Oxygen Loss and Reversible Capacity in Layered Li[Li1/3Mn2/3]O2−Li[M]O2(M = Mn0.5−yNi0.5−yCo2y and Ni1−yCoy) Solid Solutions. Chem. Mater. 2007, 19, 3067–3073. [Google Scholar]
- Tran, H.Y.; Greco, G.; Täubert, C.; Margret, W.M.; Haselrieder, W.; Kwade, A. Influence of electrode preparation on the electrochemical performance of LiNi0.8Co0.15Al0.05O2 composite electrodes for lithium-ion batteries. J. Power Sources 2012, 210, 276–285. [Google Scholar] [CrossRef]
- Deng, C. Research and Design of Lithium Iron Phosphate Battery Management System for FCEV Vehicles; Wuhan University of Technology: Wuhan, China, 2011. [Google Scholar]
- Plett, G.L. High-performance battery-pack power estimation using a dynamic cell model. IEEE Trans. Veh. Technol. 2004, 53, 1586–1593. [Google Scholar]
- Zhang, C.P.; Zhang, C.N.; Sharkh, S.M. Estimation of real-time peak power capability of a traction battery pack used in an HEV. In Proceedings of the Asia-Pacific Power and Energy Engineering Conference, Chengdu, China, 28–31 March 2010. [Google Scholar]
- Dong, G.Z.; Wei, J.W.; Chen, Z.H. Kalman filter for onboard state of charge estimation and peak power capability analysis of lithium-ion batteries. J. Power Sources 2016, 328, 615–626. [Google Scholar] [CrossRef]
- Waag, W.; Fleischer, C.; Suer, D.U. Adaptive on-line prediction of the available power of lithium-ion batteries. J. Power Sources 2013, 242, 548–559. [Google Scholar] [CrossRef]
- Jiang, B.; Dai, H.G.; Wei, X.Z.; Zhu, Z.T.; Sun, Z.C. Online reliable peak charge/discharge power estimation of series-connected lithium-ion battery packs. Energies 2017, 10, 390. [Google Scholar] [CrossRef]
- Zhou, Z.K.; Kang, Y.Z.; Shang, Y.L.; Cui, N.X.; Zhang, C.H.; Duan, B. Peak power prediction for series-connected LiNCM battery pack based on representative cells. J. Clean. Prod. 2019, 230, 1061–1073. [Google Scholar]
- Gong, X.Z.; Xiong, R.; Mi, C.C. Study of the characteristics of battery packs in electric vehicles with parallel-connected lithium-ion battery cells. IEEE Trans. Ind. Appl. 2014, 51, 1872–1879. [Google Scholar] [CrossRef]
- Peng, S.M.; Miao, Y.F.; Xiong, R.; Bai, J.W.; Cheng, M.Z.; Pecht, M. State of charge estimation for a parallel battery pack jointly by fuzzy-PI model regulator and adaptive unscented Kalman filter. Appl. Energy 2024, 360, 122807. [Google Scholar] [CrossRef]
- Han, W.J.; Altaf, F.; Zou, C.F.; Wik, T. State of Power Prediction for Battery Systems with Parallel-Connected Units. IEEE Trans. Transp. Electrif. 2022, 8, 925–935. [Google Scholar] [CrossRef]
- Fan, X.Y.; Zhang, W.G.; Wang, Z.G.; An, F.L.; Li, H.; Jiang, J.C. Simplified Battery Pack Modeling Considering Inconsistency and Evolution of Current Distribution. IEEE Trans. Intell. Transp. Syst. 2021, 22, 630–639. [Google Scholar] [CrossRef]
- Zhong, L.; Zhang, C.B.; He, Y.; Chen, Z.H. A method for the estimation of the battery pack state of charge based on in-pack cells uniformity analysis. Appl. Energy 2014, 113, 558–564. [Google Scholar] [CrossRef]
- Shi, W.; Hu, X.S.; Jin, C.; Jiang, J.C.; Zhang, Y.R.; Yip, T. Effects of imbalanced currents on large-format LiFePO4/graphite batteries systems connected in parallel. J. Power Sources 2016, 313, 198–204. [Google Scholar] [CrossRef]
- Wang, S.L.; Fernandez, C.; Yu, C.M.; Fan, Y.C.; Cao, W.; Stroe, D.I. A novel charged state prediction method of the lithium-ion battery packs based on the composite equivalent modeling and improved splice Kalman filtering algorithm. J. Power Sources 2020, 471, 228450. [Google Scholar] [CrossRef]
Disclaimer/Publisher’s Note: The statements, opinions and data contained in all publications are solely those of the individual author(s) and contributor(s) and not of MDPI and/or the editor(s). MDPI and/or the editor(s) disclaim responsibility for any injury to people or property resulting from any ideas, methods, instructions or products referred to in the content. |
© 2024 by the authors. Licensee MDPI, Basel, Switzerland. This article is an open access article distributed under the terms and conditions of the Creative Commons Attribution (CC BY) license (https://creativecommons.org/licenses/by/4.0/).




