Evaluation of Supercapacitive Properties of a PPY/PANI Bilayer Electrodeposited onto Carbon-Graphite Electrodes Obtained from Spent Batteries
Abstract
:1. Introduction
2. Materials and Methods
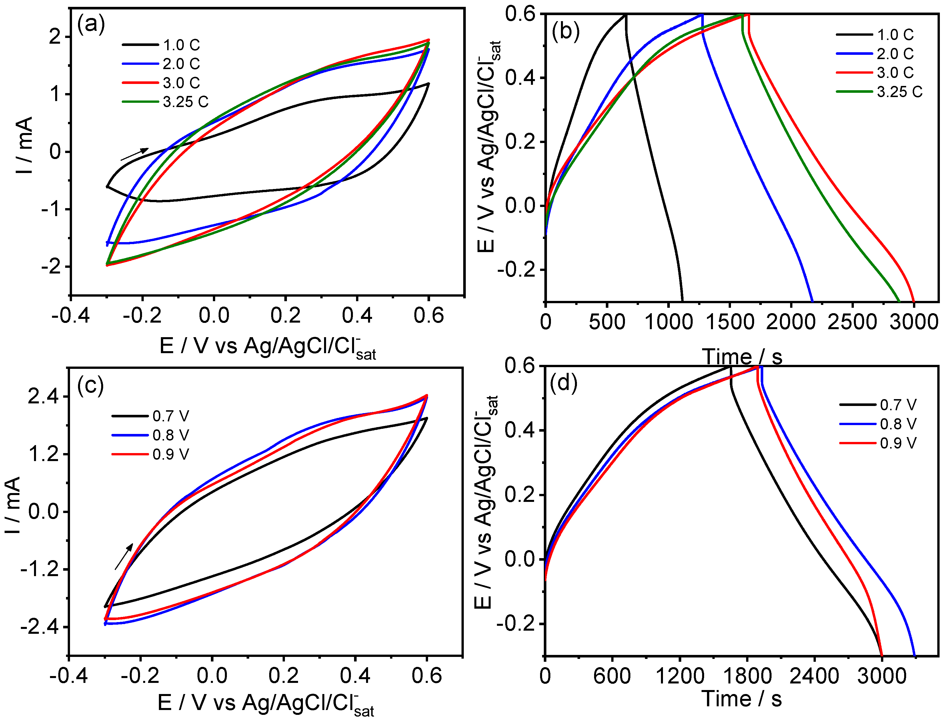
3. Results and Discussion
4. Conclusions
Supplementary Materials
Author Contributions
Funding
Data Availability Statement
Acknowledgments
Conflicts of Interest
References
- Vadivel, S.; Tejangkura, W.; Sawangphruk, M. Graphite/Graphene Composites from the Recovered Spent Zn/Carbon Primary Cell for the High-Performance Anode of Lithium-Ion Batteries. ACS Omega 2020, 5, 15240–15246. [Google Scholar] [CrossRef] [PubMed]
- Yoshimura, A.; Hemmi, K.; Moriwaki, H.; Sakakibara, R.; Kimura, H.; Aso, Y.; Kinoshita, N.; Suizu, R.; Shirahata, T.; Yao, M.; et al. Improvement in Cycle Life of Organic Lithium-Ion Batteries by In-Cell Polymerization of Tetrathiafulvalene-Based Electrode Materials. ACS Appl. Mater. Interfaces 2022, 14, 35978–35984. [Google Scholar] [CrossRef] [PubMed]
- Almeida, R.H.D.; Monroy-Guzmán, F.; Juárez, C.R.A.; Rocha, J.M.; Bustos, E.B. Electrochemical detector based on a modified graphite electrode with phthalocyanine for the elemental analysis of actinides. Chemosphere 2021, 276, 130114. [Google Scholar] [CrossRef] [PubMed]
- Ferdowsi, G.S.; Seyedsadjadi, S.A.; Ghaffarinejad, A. Ni nanoparticle modified graphite electrode for methanol electrocatalytic oxidation in alkaline media. J. Nanostruct. Chem. 2014, 5, 17–23. [Google Scholar] [CrossRef]
- Santos, C.S.; Oliveira, R.D.; Marchesi, L.F.; Pessoa, C.A. Electrodeposited cobalt hydroxide in expanded carbon graphite electrode obtained from exhausted batteries applied as energy storage device. Arab. J. Chem. 2020, 13, 3448–3459. [Google Scholar] [CrossRef]
- Hryniewicz, B.M.; Bach-Toledo, L.; Vidotti, M. Harnessing energy from micropollutants electrocatalysis in a high-performance supercapacitor based on PEDOT nanotubes. Appl. Mater. Today 2020, 18, 100538. [Google Scholar] [CrossRef]
- Gilshtein, E.; Flox, C.; Ali, F.S.M.; Mehrabimatin, B.; Fedorov, F.S.; Lin, S.; Zhao, X.; Nasibulin, A.G.; Kallio, T. Superior environmentally friendly stretchable superior based on nitrogen-doped graphene/fydrogel and single-walled carbon nanotubes. J. Energy Storage 2020, 30, 101505. [Google Scholar] [CrossRef]
- Pereira, G.F.L.; Fileti, E.E.; Siqueira, L.J.A. Comparing Graphite and Graphene Oxide Supercapacitors with a Constant Potential Model. J. Phys. Chem. C 2021, 125, 2318–2326. [Google Scholar] [CrossRef]
- Chen, X.; Paul, R.; Dai, L. Carbon-based supercapacitors for efficient energy storage. Natl. Sci. Rev. 2017, 4, 453–489. [Google Scholar] [CrossRef]
- Bertana, V.; Scordo, G.; Camili, E.; Ge, L.; Zaccagnini, P.; Lamberti, A.; Marasso, S.L.; Scaltrito, L. 3D Printed Supercapacitor Exploiting PEDOT-Based Resin and Polymer Gel Electrolyte. Polymers 2023, 15, 2657. [Google Scholar] [CrossRef]
- Jadhav, S.A.; Dhas, S.D.; Pail, K.T.; Moholkar, A.V.; Patil, P.S. Polyaniline (PANI)-manganese dioxide (MnO2) nanocomposites as efficient electrode materials for supercapacitors. Chem. Phys. Lett. 2021, 778, 138764. [Google Scholar] [CrossRef]
- Cai, X.; Sun, K.; Qiu, Y.; Jiao, X. Recent Advances in Graphene and Conducting Polymer Composites for Supercapacitors Electrodes: A Review. Crystals 2021, 11, 947. [Google Scholar] [CrossRef]
- Zhu, H.; Wang, X.; Yang, X. Integrated Synthesis of Poly(o-phenylenediamine)-Derived Carbon Materials for High Performance Supercapacitors. Adv. Mater. 2012, 24, 6524–6529. [Google Scholar] [CrossRef] [PubMed]
- Wang, W.; Cao, J.; Yu, J.; Tian, F.; Luo, X.; Hao, Y.; Huang, J.; Wang, F.; Zhou, W.; Xu, J.; et al. Flexible Supercapacitors Based on Stretchable Conducting Polymer Electrodes. Polymers 2023, 15, 1856. [Google Scholar] [CrossRef] [PubMed]
- Strakhov, I.S.; Rodnaya, A.I.; Mezhuev, Y.O.; Korshak, Y.V.; Vagramyan, T.A. Enhancement of the strength of a composite material based on ED-20 epoxy resin by reinforcement with a carbon fiber modified by electrochemical deposition of poly(o-phenylenediamine). Russ. J. Appl. Chem. 2014, 87, 1918–1922. [Google Scholar] [CrossRef]
- Kandulna, K.; Choudhary, R.B.; Singh, R. Free Exciton Absorptions and Quasi-reversible Redox Actions in Polypyrrole-Polyaniline-Zinc Oxide Nanocomposites as Electron Transporting Layer for Organic Light Emitting Diode and Electrode Material for Supercapacitors. J. Inorg. Organomet. Polym. Mater. 2019, 29, 730–744. [Google Scholar] [CrossRef]
- Wang, Q.; Li, J.; Wang, D.; Niu, J.; Du, P.; Liu, J.; Liu, P. Enhanced electrochemical performance of polyaniline-based electrode for supercapacitors in mixed aqueous electrolyte. Electrochim. Acta 2020, 349, 136348. [Google Scholar] [CrossRef]
- Shi, Y.; Peng, L.; Ding, Y.; Zhao, Y.; Yu, G. Nanostructured conductive polymers for advanced energy storage. Chem. Soc. Rev. 2015, 44, 6684–6696. [Google Scholar] [CrossRef]
- Budi, S.; Deswara, R.D.; Mahmud, A.; Paristiowati, M.; Handoko, E.; Sugihartono, I.; Fahdiran, R. Specific capacitance and impedance of electrodeposited polyaniline, polypyrrole and polyaniline/polypyrrole composites films. J. Phys. Conf. Ser. 2019, 1402, 066015. [Google Scholar] [CrossRef]
- Dubal, D.P.; Patil, S.V.; Gund, G.S.; Lokhande, C.D. Polyaniline-polypyrrole nanograined composite via electrostatic adsorption for high performance electrochemical supercapacitors. J. Alloys Compd. 2013, 552, 240–247. [Google Scholar] [CrossRef]
- Qiu, T.; Yang, J.G.; Bai, X.J.; Wang, Y.L. The preparation of synthetic graphite materials with hierarchical pores from lignite by one-step impregnation and their characterization as dye absorbents. RSC Adv. 2019, 9, 12737–12746. [Google Scholar] [CrossRef] [PubMed]
- Zhao, T.; She, S.; Ji, X.; Guo, X.; Jin, W.; Zhu, R.; Dang, A.; Li, H.; Li, T.; Wei, B. Expanded graphite embedded with aluminum nanoparticles as superior thermal conductivity anodes for high-performance lithium-ion batteries. Sci. Rep. 2016, 6, 33833. [Google Scholar] [CrossRef] [PubMed]
- Liu, W.; Yan, X.; Chen, J.; Feng, Y.; Xue, Q. Novel and high-performance asymmetric micro-supercapacitors based on graphene quantum dots and polyaniline nanofibers. Nanoscale 2013, 5, 6053–6062. [Google Scholar] [CrossRef] [PubMed]
- Fleischmann, S.; Mitchell, J.B.; Wang, R.; Zhan, C.; Jiang, D.-E.; Presser, V.; Augustyn, V. Pseudocapacitance: From Fundamental Understanding to High Power Energy Storage Materials. Chem. Rev. 2020, 120, 6738–6782. [Google Scholar] [CrossRef] [PubMed]
- Hao, L.; Dong, C.; Zhang, L.; Zhu, K.; Yu, D. Polypyrrole Nanomaterials: Structure, Preparation and Application. Polymers 2022, 14, 5139. [Google Scholar] [CrossRef] [PubMed]
- Liang, B.; Qin, Z.; Li, T.; Dou, Z.; Zeng, F.; Cai, Y.; Zhu, M.; Zhou, Z. Poly(aniline-co-pyrrole) on the surface of reduced graphene oxide as high-performance electrode materials for supercapacitors. Eletrochim. Acta 2015, 177, 335–342. [Google Scholar] [CrossRef]
- Lei, W.; He, P.; Zhang, S.; Dong, F.; Ma, Y. One-step triple-phase interfacial synthesis of polyaniline-coated polypyrrole composite and its application as electrode materials for supercapacitors. J. Power Sources 2014, 266, 347–352. [Google Scholar] [CrossRef]
- Marchesi, L.M.; Jacumasso, S.C.; Quintanilha, R.C.; Winnischofer, H.; Vidotti, M. The electrochemical impedance spectroscopy behavior of poly(aniline) nanocomposite electrodes modified by Layer-by-Layer deposition. Electrochim. Acta 2015, 174, 864–870. [Google Scholar] [CrossRef]
- Santos, M.J.L.; Brolo, A.G.; Girotto, E.M. Study of polaron and bipolaron states in polypyrrole by in situ Raman spectroelectrochemistry. Electrochim. Acta 2007, 52, 6141–6145. [Google Scholar] [CrossRef]
- Deshmukh, S.P.; Dhodamani, A.G.; Patil, S.M.; Mullani, S.B.; More, K.V.; Deleka, S.D. Interfacially interactive ternary silver-supported polyaniline/multiwalled carbon nanotube nanocomposites for catalytic and antibacterial activity. ACS Omega 2020, 5, 219–227. [Google Scholar] [CrossRef]
- Dupont, M.F.; Donne, S.W. Charge storage mechanisms in electrochemical capacitors: Effects of electrode properties on performance. J. Power Sources 2016, 326, 613–623. [Google Scholar] [CrossRef]
- Hryniewicz, B.M.; Lima, R.V.; Marchesi, L.F.; Vidotti, M. Impedimetric studies about the degradation of polypyrrole nanotubes during galvanostatic charge and discharge cycles. J. Electroanal. Chem. 2019, 855, 113636. [Google Scholar] [CrossRef]
- Huang, Y.; Zhu, M.; Pei, Z.; Huang, Y.; Geng, H.; Zhi, C. Extremely Stable Polypyrrole Achieved via Molecular Ordering for Highly Flexible Supercapacitors. Electrochim. Acta 2016, 8, 2435–2440. [Google Scholar] [CrossRef] [PubMed]
- Hamra, A.A.B.; Lim, H.N.; Hafiz, S.M.; Kamaruzaman, S.; Abdul Rashid, S.; Yunus, R.; Altarawneh, M.; Jiang, Z.T.; Huang, N.M. Performance stability of solid-state polypyrrole-reduced graphene oxide-modified carbon bundle fiber for supercapacitor application. Electrochim. Acta 2018, 285, 9–15. [Google Scholar] [CrossRef]
- Liu, T.; Finn, L.; Yu, M.; Wang, H.; Zhai, T.; Lu, X.; Tong, Y.; Li, Y. Polyaniline and Polypyrrole Pseudocapacitor Electrodes with Excellent Cycling Stability. Nano Lett. 2014, 14, 2522–2527. [Google Scholar] [CrossRef] [PubMed]
- Wan, C.; Jiao, Y.; Li, J. Flexible, highly conductive, and free-standing reduced graphene oxide/polypyrrole/cellulose hybrid papers for supercapacitor electrodes. J. Mater. Chem. A 2017, 5, 3819–3831. [Google Scholar] [CrossRef]
- Alcaraz-Espinoza, J.J.; Oliveira, H.P. Flexible supercapacitor based on a ternary composite of polyaniline/polypyrrole/graphite on gold coated sandpaper. Electrochim. Acta 2018, 274, 200–207. [Google Scholar] [CrossRef]
- Zhang, G.; Zhang, J.; Li, W.; Wang, J.; Li, X. Flexible core/shelled Ppy@PANI nanotube porous films for hybrid supercapacitors. Nanotechnology 2022, 33, 065407. [Google Scholar] [CrossRef] [PubMed]
- Xie, X.; Xin, B.; Chen, Z.; Xu, Y. Preparation and characterization of PANI-PPY/PET fabric conductive composite for supercapacitors. J. Text. Inst. 2022, 113, 2443–2450. [Google Scholar] [CrossRef]
- Xie, Y.; Wang, D. Supercapacitance performance of polypyrrole/titanium nitride/polyaniline coaxial nanotube hybrid. J. Alloys Compd. 2016, 665, 323–332. [Google Scholar] [CrossRef]








| Current Density/mA cm−2 | Specific Capacitance/mF cm−2 |
|---|---|
| 1 | 3431 |
| 2 | 3416 |
| 3 | 2998 |
| 4 | 2792 |
| 5 | 2608 |
| 7 | 2320 |
| 10 | 1968 |
| Electrodes | Csp | j | Retention Capacitance | Reference |
|---|---|---|---|---|
| CG/PPY/PANI | 3416 mF cm−2 | 2.0 mA cm−2 | 76% (850 cycles) | This work |
| PAn-PPy-Grt-Sp a | 55.4 mF cm−2 | 0.3 mA cm−2 | 80% (3000 cycles) | [37] |
| PPy@PANI/NHGR film electrode | 1348 mF cm−2 | 1.0 mA cm−2 | 73.7% (7000 cycles) | [38] |
| PANI-PPY/PET fabric conductive composite | 1046 mF cm−2 | 2.0 mA cm−2 | 54.2% (1000 cycles) | [39] |
| PANI-PPY | 723 F g−1 | 5.0 mA cm−2 | 84% (2000 cycles) | [20] |
| PPY/PANI | 348 F g−1 | 1.0 A g−1 | 51.6% (100 cycles) | [27] |
| PPY/PANI/TiN b | 288.4 F g−1 | 1.0 A g−1 | 78% (200 cycles) | [40] |
| PPY-PANI-ZnO | 436.14 F g−1 | 0.2 A g−1 | 90.3% (2000 cycles) | [16] |
Disclaimer/Publisher’s Note: The statements, opinions and data contained in all publications are solely those of the individual author(s) and contributor(s) and not of MDPI and/or the editor(s). MDPI and/or the editor(s) disclaim responsibility for any injury to people or property resulting from any ideas, methods, instructions or products referred to in the content. |
© 2023 by the authors. Licensee MDPI, Basel, Switzerland. This article is an open access article distributed under the terms and conditions of the Creative Commons Attribution (CC BY) license (https://creativecommons.org/licenses/by/4.0/).
Share and Cite
Oliveira, R.D.; Santos, C.S.; Hryniewicz, B.M.; Marchesi, L.F.; Pessoa, C.A. Evaluation of Supercapacitive Properties of a PPY/PANI Bilayer Electrodeposited onto Carbon-Graphite Electrodes Obtained from Spent Batteries. Processes 2024, 12, 31. https://doi.org/10.3390/pr12010031
Oliveira RD, Santos CS, Hryniewicz BM, Marchesi LF, Pessoa CA. Evaluation of Supercapacitive Properties of a PPY/PANI Bilayer Electrodeposited onto Carbon-Graphite Electrodes Obtained from Spent Batteries. Processes. 2024; 12(1):31. https://doi.org/10.3390/pr12010031
Chicago/Turabian StyleOliveira, Rafaela D., Cleverson S. Santos, Bruna M. Hryniewicz, Luís F. Marchesi, and Christiana A. Pessoa. 2024. "Evaluation of Supercapacitive Properties of a PPY/PANI Bilayer Electrodeposited onto Carbon-Graphite Electrodes Obtained from Spent Batteries" Processes 12, no. 1: 31. https://doi.org/10.3390/pr12010031
APA StyleOliveira, R. D., Santos, C. S., Hryniewicz, B. M., Marchesi, L. F., & Pessoa, C. A. (2024). Evaluation of Supercapacitive Properties of a PPY/PANI Bilayer Electrodeposited onto Carbon-Graphite Electrodes Obtained from Spent Batteries. Processes, 12(1), 31. https://doi.org/10.3390/pr12010031

