Experimental Assessment of a Decentralized Control Strategy for a Back-to-Back Modular Multilevel Converter Operating in Low-Frequency AC Transmission
Abstract
1. Introduction
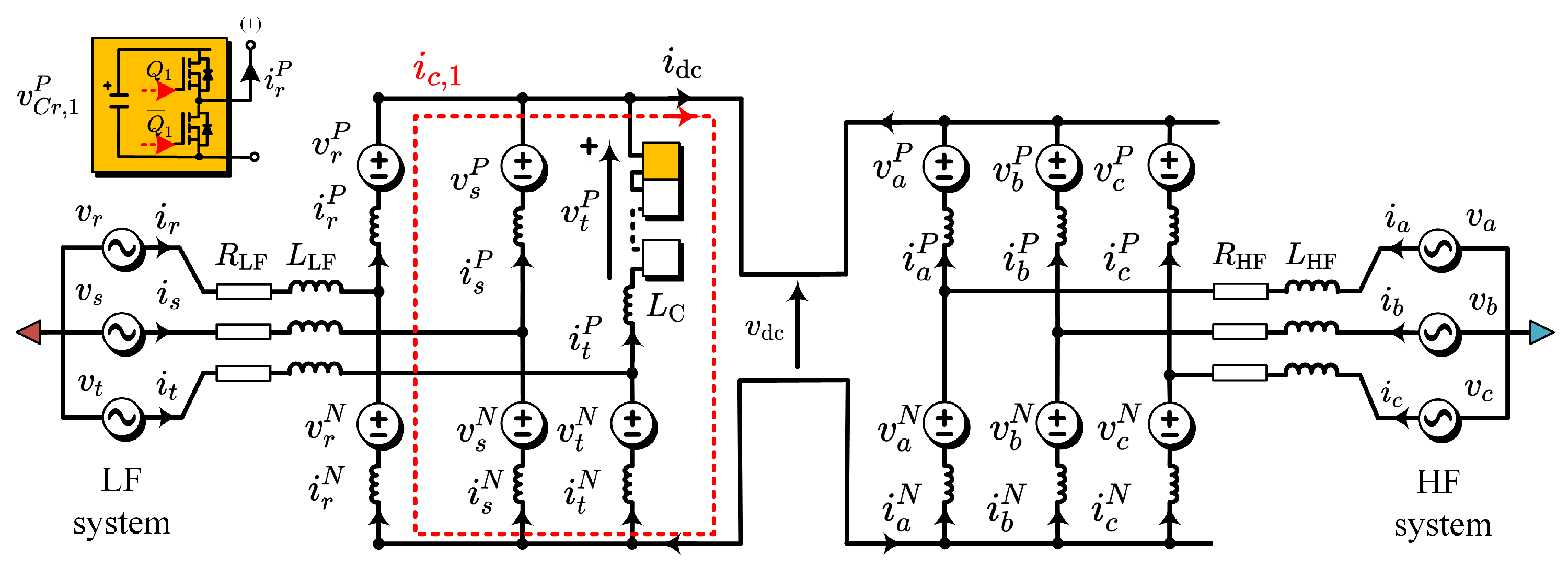
2. Modeling of the MMC
2.1. Voltage–Current Model
2.2. Power-Voltage Model
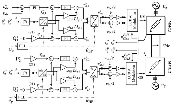
3. Proposed Control Strategy
4. Experimental Results
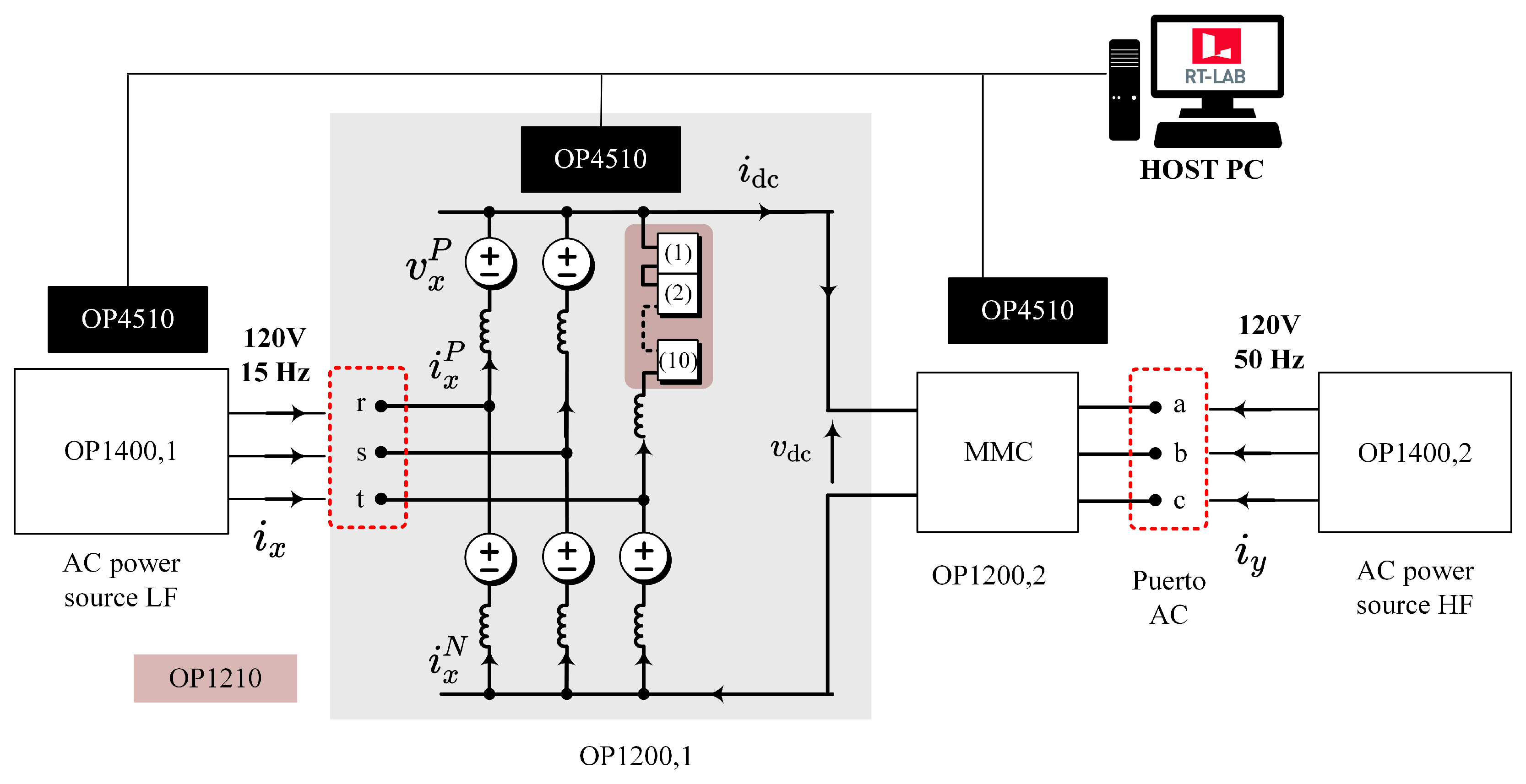
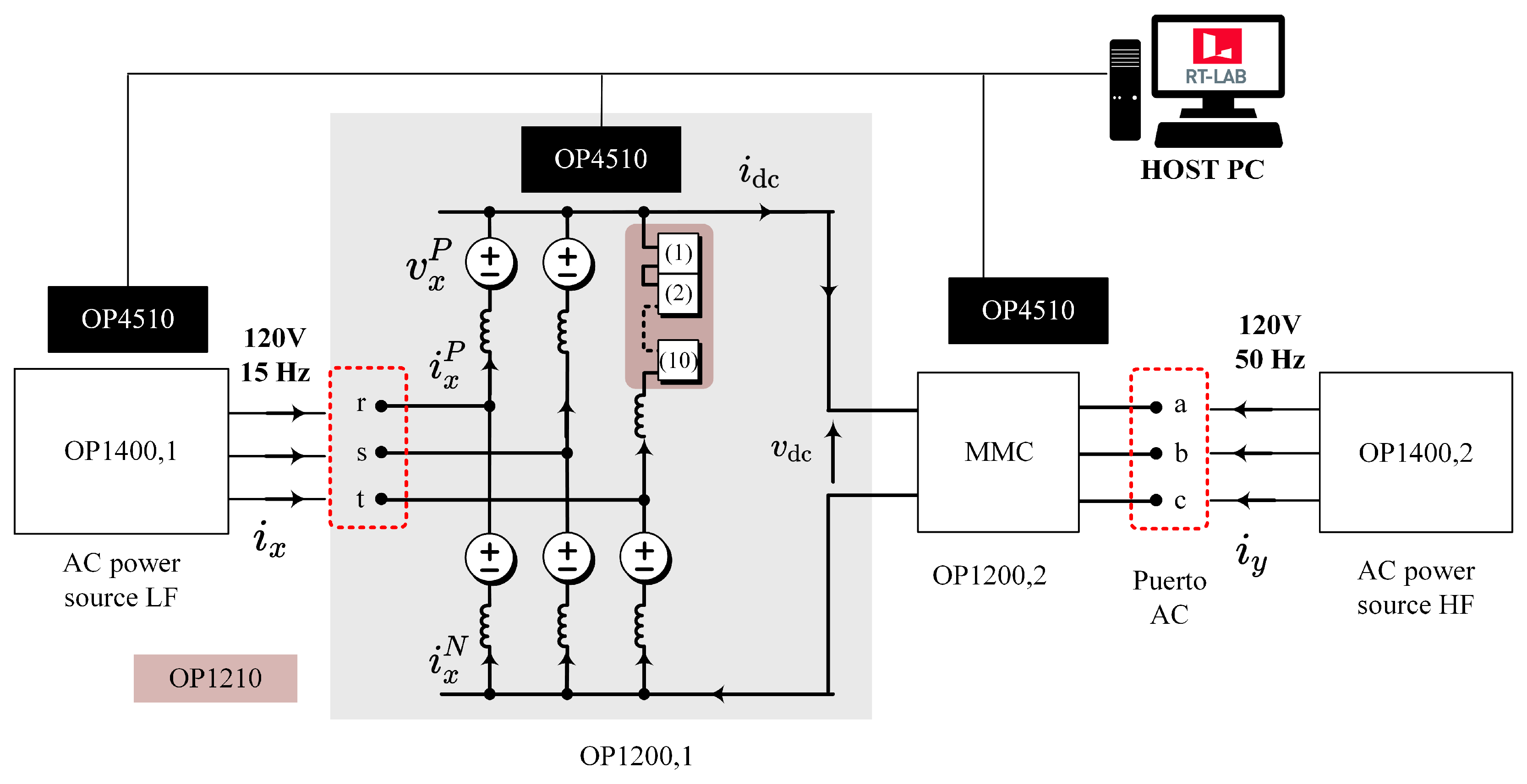
4.1. Prototype Description
4.2. Test 1: 3 kw Power Transference
4.3. Test 2: 3 kw Inverted Power Transference
4.4. Test 3: Variations in Power Transference
5. Conclusions
Author Contributions
Funding
Data Availability Statement
Conflicts of Interest
References
- Global Wind Energy Counci. Global Wind Report 2023.Technical Report. Available online: https://gwec.net/globalwindreport2023/ (accessed on 1 September 2023).
- European Commission. Boosting Offshore Renewable Energy. Technical Report. 2020. Available online: https://ec.europa.eu/commission/presscorner/detail/en/IP_20_2096 (accessed on 1 September 2023).
- Rehman, A.; Koondhar, M.A.; Ali, Z.; Jamali, M.; El-Sehiemy, R.A. Critical Issues of Optimal Reactive Power Compensation Based on an HVAC Transmission System for an Offshore Wind Farm. Sustainability 2023, 15, 14175. [Google Scholar] [CrossRef]
- Xiang, X.; Merlin, M.; Green, T. Cost analysis and comparison of HVAC, LFAC and HVDC for offshore wind power connection. In Proceedings of the 12th IET International Conference on AC and DC Power Transmission (ACDC 2016), Beijing, China, 28–29 May 2016; Institution of Engineering and Technology: London, UK, 2016; pp. 1–6. [Google Scholar] [CrossRef]
- Li, Y.; Liu, H.; Fan, X.; Tian, X. Engineering practices for the integration of large-scale renewable energy VSC-HVDC systems. Glob. Energy Interconnect. 2020, 3, 149–157. [Google Scholar] [CrossRef]
- Cherix, N. Functional Description and Control Design of Modular Multilevel Converters: Towards Energy Storage Applications for Traction Networks; EPFL: Lausanne, Switzerland, 2015. [Google Scholar] [CrossRef]
- Guidi, G.; Fosso, O. Investment cost of HVAC cable reactive power compensation off-shore. In Proceedings of the 2012 IEEE International Energy Conference and Exhibition (ENERGYCON), Florence, Italy, 9–12 September 2012; pp. 299–304. [Google Scholar] [CrossRef]
- Koondhar, M.A.; Kaloi, G.S.; Saand, A.S.; Chandio, S.; Ko, W.; Park, S.; Choi, H.J.; El-Sehiemy, R.A. Critical Technical Issues with a Voltage-Source-Converter-Based High Voltage Direct Current Transmission System for the Onshore Integration of Offshore Wind Farms. Sustainability 2023, 15, 13526. [Google Scholar] [CrossRef]
- Rahman, S.; Khan, I.; Alkhammash, H.I.; Nadeem, M.F. A Comparison Review on Transmission Mode for Onshore Integration of Offshore Wind Farms: HVDC or HVAC. Electronics 2021, 10, 1489. [Google Scholar] [CrossRef]
- Ruddy, J.; Meere, R.; O’Donnell, T. Low Frequency AC transmission for offshore wind power: A review. Renew. Sustain. Energy Rev. 2016, 56, 75–86. [Google Scholar] [CrossRef]
- Ryndzionek, R.; Sienkiewicz, L. Evolution of the HVDC Link Connecting Offshore Wind Farms to Onshore Power Systems. Energies 2020, 13, 1914. [Google Scholar] [CrossRef]
- Lesnicar, A.; Marquardt, R. An innovative modular multilevel converter topology suitable for a wide power range. In Proceedings of the 2003 IEEE Bologna Power Tech Conference Proceedings, Bologna, Italy, 23–26 June 2003; Volume 3, p. 6. [Google Scholar] [CrossRef]
- Saeedifard, M.; Iravani, R. Dynamic performance of a modular multilevel back-to-back HVDC system. IEEE Trans. Power Deliv. 2010, 25, 2903–2912. [Google Scholar] [CrossRef]
- Akagi, H. Classification, terminology, and application of the modular multilevel cascade converter (MMCC). IEEE Trans. Power Electron. 2011, 26, 3119–3130. [Google Scholar] [CrossRef]
- Meere, R.; Ruddy, J.; McNamara, P.; O’Donnell, T. Variable AC transmission frequencies for offshore wind farm interconnection. Renew. Energy 2016, 103, 321–332. [Google Scholar] [CrossRef]
- Ma, J.; Dahidah, M.; Pickert, V.; Yu, J. Modular multilevel matrix converter for offshore low frequency AC transmission system. In Proceedings of the IEEE International Symposium on Industrial Electronics, Edinburgh, UK, 19–21 June 2017; IEEE: Piscataway, NJ, USA, 2017; pp. 768–774. [Google Scholar] [CrossRef]
- Al-Tameemi, M.; Miura, Y.; Liu, J.; Bevrani, H.; Ise, T. A novel control scheme for multi-terminal low-frequency AC electrical energy transmission systems using modular multilevel matrix converters and virtual synchronous generator concept. Energies 2020, 13, 747. [Google Scholar] [CrossRef]
- Diaz, M.; Cardenas, R.; Espinoza, M.; Rojas, F.; Mora, A.; Clare, J.C.; Wheeler, P. Control of Wind Energy Conversion Systems Based on the Modular Multilevel Matrix Converter. IEEE Trans. Ind. Electron. 2017, 64, 8799–8810. [Google Scholar] [CrossRef]
- Yuan, C.; Zhou, R.; Tong, M. Topologies and control of low-frequency alternating current for offshore wind farms based on modular multilevel matrix converter. J. Eng. 2019, 2019, 2271–2277. [Google Scholar] [CrossRef]
- Liu, S.; Wang, X.; Meng, Y.; Sun, P.; Luo, H.; Wang, B. A decoupled control strategy of modular multilevel matrix converter for fractional frequency transmission system. IEEE Trans. Power Deliv. 2017, 32, 2111–2121. [Google Scholar] [CrossRef]
- Diaz, M.; Cárdenas Dobson, R.; Ibaceta, E.; Mora, A.; Urrutia, M.; Espinoza, M.; Rojas, F.; Wheeler, P. An Overview of Applications of the Modular Multilevel Matrix Converter. Energies 2020, 13, 5546. [Google Scholar] [CrossRef]
- Diaz, M.; Cardenas, R.; Ibaceta, E.; Mora, A.; Urrutia, M.; Espinoza, M.; Rojas, F.; Wheeler, P. An Overview of Modelling Techniques and Control Strategies for Modular Multilevel Matrix Converters. Energies 2020, 13, 4678. [Google Scholar] [CrossRef]
- Espinoza, M.; Cárdenas, R.; Díaz, M.; Clare, J.C. An Enhanced dq-Based Vector Control System for Modular Multilevel Converters Feeding Variable-Speed Drives. IEEE Trans. Ind. Electron. 2017, 64, 2620–2630. [Google Scholar] [CrossRef]
- Kolb, J.; Kammerer, F.; Gommeringer, M.; Braun, M. Cascaded Control System of the Modular Multilevel Converter for Feeding Variable-Speed Drives. IEEE Trans. Power Electron. 2015, 30, 349–357. [Google Scholar] [CrossRef]
- Sun, P.; Tian, Y.; Pou, J.; Konstantinou, G. Beyond the MMC: Extended Modular Multilevel Converter Topologies and Applications. IEEE Open J. Power Electron. 2022, 3, 317–333. [Google Scholar] [CrossRef]
- Karwatzki, D.; Mertens, A. Generalized Control Approach for a Class of Modular Multilevel Converter Topologies. IEEE Trans. Power Electron. 2018, 33, 2888–2900. [Google Scholar] [CrossRef]
- Xia, B.; Li, Y.; Li, Z.; Konstantinou, G.; Xu, F.; Gao, F.; Wang, P. Decentralized Control Method for Modular Multilevel Converters. IEEE Trans. Power Electron. 2019, 34, 5117–5130. [Google Scholar] [CrossRef]
- Espinoza, M.; Cárdenas, R.; Díaz, M.; Mora, A.; Soto, D. Modelling and control of the modular multilevel converter in back to back configuration for high power induction machine drives. In Proceedings of the IECON 2016—42nd Annual Conference of the IEEE Industrial Electronics Society, Florence, Italy, 23–26 October 2016; IEEE: Piscataway, NJ, USA, 2016; pp. 5046–5051. [Google Scholar] [CrossRef]
- Rejas, M.; Mathe, L.; Dan Burlacu, P.; Pereira, H.; Sangwongwanich, A.; Bongiorno, M.; Teodorescu, R. Performance comparison of phase shifted PWM and sorting method for modular multilevel converters. In Proceedings of the 2015 17th European Conference on Power Electronics and Applications (EPE’15 ECCE-Europe), Geneva, Switzerland, 8–10 September 2015; pp. 1–10. [Google Scholar] [CrossRef]
- Meshram, P.M.; Borghate, V.B. A Simplified Nearest Level Control (NLC) Voltage Balancing Method for Modular Multilevel Converter (MMC). IEEE Trans. Power Electron. 2015, 30, 450–462. [Google Scholar] [CrossRef]
- Nguyen, M.H.; Kwak, S. Nearest-Level Control Method with Improved Output Quality for Modular Multilevel Converters. IEEE Access 2020, 8, 110237–110250. [Google Scholar] [CrossRef]
- Lee, J.; Kang, D.; Lee, J. A Study on the Improved Capacitor Voltage Balancing Method for Modular Multilevel Converter Based on Hardware-In-the-Loop Simulation. Electronics 2019, 8, 1070. [Google Scholar] [CrossRef]
- Ricco, M.; Mathe, L.; Hammami, M.; Franco, F.L.; Rossi, C.; Teodorescu, R. A Capacitor Voltage Balancing Approach Based on Mapping Strategy for MMC Applications. Electronics 2019, 8, 449. [Google Scholar] [CrossRef]
- Toh, C.L.; Norum, L. VHDL implementation of capacitor voltage balancing control with level-shifted PWM for modular multilevel converter. Int. J. Power Electron. Drive Syst. 2016, 7, 94. [Google Scholar] [CrossRef]













| Parameter | Value |
|---|---|
| Active power | 3000 W |
| LF port voltage/freq. | 120 V/15 Hz |
| HF port voltage/freq. | 120 V/50 Hz |
| LF port current. | 7.5 A |
| HF port current | 7.5 A |
| DC port voltage | 400 V |
| DC port current | 7.5 A |
| Power cell capacitance | 6 mF |
| Cluster inductance | 2.5 mH |
| Number of cells per cluster | 10 |
| Power cell voltage | 40 V |
| Switching frequency | 4 kHz |
Disclaimer/Publisher’s Note: The statements, opinions and data contained in all publications are solely those of the individual author(s) and contributor(s) and not of MDPI and/or the editor(s). MDPI and/or the editor(s) disclaim responsibility for any injury to people or property resulting from any ideas, methods, instructions or products referred to in the content. |
© 2024 by the authors. Licensee MDPI, Basel, Switzerland. This article is an open access article distributed under the terms and conditions of the Creative Commons Attribution (CC BY) license (https://creativecommons.org/licenses/by/4.0/).
Share and Cite
Ibaceta, E.; Diaz, M.; Rajendran, S.; Arias, Y.; Cárdenas, R.; Rodriguez, J. Experimental Assessment of a Decentralized Control Strategy for a Back-to-Back Modular Multilevel Converter Operating in Low-Frequency AC Transmission. Processes 2024, 12, 155. https://doi.org/10.3390/pr12010155
Ibaceta E, Diaz M, Rajendran S, Arias Y, Cárdenas R, Rodriguez J. Experimental Assessment of a Decentralized Control Strategy for a Back-to-Back Modular Multilevel Converter Operating in Low-Frequency AC Transmission. Processes. 2024; 12(1):155. https://doi.org/10.3390/pr12010155
Chicago/Turabian StyleIbaceta, Efrain, Matias Diaz, Saravanakumar Rajendran, Yeiner Arias, Roberto Cárdenas, and Jose Rodriguez. 2024. "Experimental Assessment of a Decentralized Control Strategy for a Back-to-Back Modular Multilevel Converter Operating in Low-Frequency AC Transmission" Processes 12, no. 1: 155. https://doi.org/10.3390/pr12010155
APA StyleIbaceta, E., Diaz, M., Rajendran, S., Arias, Y., Cárdenas, R., & Rodriguez, J. (2024). Experimental Assessment of a Decentralized Control Strategy for a Back-to-Back Modular Multilevel Converter Operating in Low-Frequency AC Transmission. Processes, 12(1), 155. https://doi.org/10.3390/pr12010155

