Next Article in Journal
Dynamic Job-Shop Scheduling Based on Transformer and Deep Reinforcement Learning
Previous Article in Journal
Exact Analytical Relations for the Average Release Time in Diffusional Drug Release
 
 
Font Type:
Arial Georgia Verdana
Font Size:
Aa Aa Aa
Line Spacing:
Column Width:
Background:
Review

A Flexibility Platform for Managing Outages and Ensuring the Power System’s Resilience during Extreme Weather Conditions

1
Core Department, National and Kapodistrian University of Athens (NKUA), Euripus Complex, 34400 Psahna Euboea, Greece
2
Faculty of Electrical Engineering, University of Belgrade, Bul. Kralja Aleksandra 73, 11000 Belgrade, Serbia
3
EnergoinfoGroup, N. Ninkovica 3, 11090 Belgrade, Serbia
4
Independent Power Transmission Operator (IPTO), Dyrrachiou 89 & Kifissou, 10443 Athens, Greece
5
Department of Electrical and Electronics Engineering Educators, ASPETE—School of Pedagogical and Technological Education of Athens, 15122 Marousi, Greece
*
Author to whom correspondence should be addressed.
Processes 2023, 11(12), 3432; https://doi.org/10.3390/pr11123432
Submission received: 25 October 2023 / Revised: 4 December 2023 / Accepted: 5 December 2023 / Published: 14 December 2023
(This article belongs to the Section Energy Systems)

Abstract

:
It is challenging for the European power system to exactly predict RES output and match energy production with demand due to changes in wind and sun intensity and the unavoidable disruptions caused by severe weather conditions. Therefore, in order to address the so-called “flexibility challenge” and implement the variable RES production, the European Union needs flexible solutions. In order to accommodate quicker reactions, compared to those performed today, and the adaptive exploitation of flexibility, grid operators must adjust their operational business model, as the electrical grid transitions from a fully centralized to a largely decentralized system. OneNet aspires to complete this crucial step by setting up a new generation of grid services that can fully utilize distributed generation, storage, and demand responses while also guaranteeing fair, open, and transparent conditions for the consumer. Using AI methods and a cloud-computing approach, the current work anticipates that active management of the power system for TSO–DSO coordination will be improved by the web-based client-server application F-channel. In the current work, a user’s experience with the platform for a Business Use Case (BUC) under the scenario of severe weather conditions is presented. The current work aims to increase the reliability of outage and maintenance plans for the system operators (SOs) by granting them a more accurate insight into the conditions under which the system may be forced to operate in the upcoming period and the challenges that it might face based on those conditions. In this way, the methodology applied in this case could, via AI-driven data exchange and analyses, help SOs change the maintenance and outage plans so the potential grave consequences for the system can be avoided. The SOs will have accurate forecasts of the relevant weather parameters at their disposal that will be used in order to achieve the set targets. The main results of the presented work are that it has a major contribution to the optimal allocation of the available resources, ensures the voltage and frequency stability of the system, and provides an early warning for hazardous power system regimes.

1. Introduction

It is necessary to emphasize the way in which the Greek power system fits into the framework set by the predefined goals and targets of the OneNet project [1]. The first target that was set, before the development of any solution included in the OneNet project, was that related to the definition of the common market design for all of Europe [2,3], especially considering the standardization of the products and the key parameters for the grid services, aiming at the better coordination of all the actors in the energy market, starting from the grid operators, all the way to the aggregators and the customers [4,5,6,7]. As already proclaimed, the main outcome of the current work is the development of the F-channel platform—a universal platform that will be available to any of the market participants, making the communication between them seamless and the flow of the various processes regularly taking place within the market much smoother.
If we consider the situation that the energy market is in today [8], with the different channels used for communication between different actors, several issues can be seen, starting with the large potential for human errors or oversights during the exchange of data, especially if the communication to the different external actors is handled by several people within the same company. In continuation of this, a problem can also be noticed regarding the format used for each of these exchanges, with the lack of unification also providing space for the possible issues related to the conversion from one format to another, possibly severely affecting the reliability of the processes happening in the energy market. Finally, what is recognized as one of the burning topics throughout Europe is the chronic problem of the coordination procedures between the TSOs and the DSOs not being developed enough, with some of the initiatives set in the last decade aiming at this exact problem and the way in which it could optimally be resolved [9,10,11]. Following these principles, the F-channel platform, with its features, aims exactly at the highlighted room for improvement, ensuring a common space for communication and coordination between all the participants taking part in the energy market processes with its all-encompassing and user-friendly approach.
Another goal, which has been stated as one of the top priorities of the OneNet vision, refers to the definition of the common IT architecture and IT interfaces that would stand at the disposal of the participants in the market processes. However, this does not necessarily mean the creation of a single IT platform for all the products, but does, nonetheless, mean enabling the open architecture of the interactions among several platforms, in order to enable any interested parties to join any energy market across Europe [12,13]. Even though the F-channel platform actually focuses on the establishment of a unique space that could be used by any interested participant and/or stakeholder in the energy market, this is not a downside or an indicator that this platform is missing the target set by this goal, but actually an advantage, as if this or a similar kind of platform existed on a European scale, it would indeed make the joining of any energy market much easier for the potential candidates. Of course, there were some pre-requirements that needed to be taken into account when creating such a platform to maximize the potential for usage that it offered, with the first and probably most prominent being the application of the proper cyber-security measures in order to determine the amount and the type of data that would be available to each of the users, depending on the category to which each user belongs. This was heavily considered during the development of the F-channel platform, with the most relevant inputs in this phase coming from the Greek operators, who were quite familiar with the issues of data confidentiality and the protection of sensitive information. Along with that, it was also necessary to prevent leaks, in which some of the confidential data would be released to the public, so some of the most up-to-date standards regarding cyber-security had to be integrated into the platform during its creation. Since this was achieved, it is safe to say that the F-channel platform is aligned with this goal as well.
Certainly, the final stated goal of the OneNet project was that referring to the large-scale demonstrations needed for the implementation and showcasing of the scalable solutions that have been developed throughout the OneNet cycle. This was achieved by creating four different clusters in Europe, with the countries assigned to the cluster depending on their geographic location. Hence, the focus here will not be on the clusters themselves but on the single term used in the declaration of this target, which is scalability [14]. To simplify, scalability means that the solutions developed within the OneNet project need to be able, with some minor modifications, to accommodate almost any environment or user that would be interested in trying it out, which is more of a complex issue than it may seem in the first place, as an increase in the number of users also means an increase in the potential requests that those users could have from the solution. In order to adhere to this idea, the F-channel platform was developed in a way that makes its use simple and rather intuitive for users. A user’s ability to participate in the processes covered by the platform solely depends on their ability to obtain the data required to be fed into the platform’s base. The F-channel platform can be scaled up as much as required if it is considered that users do have access to the relevant information linked to the items involved.
The balancing market (BM) represents the TSO’s efforts to maintain system balance, such as discrepancies between market demand forecasts and actual system demand. For the settlement of these balancing operations, it establishes the imbalance settlement price. The BM is crucial to the system’s safety since it has not only economic [15,16,17] but also physical impacts [18,19,20]. The basis of the balancing market in Greece is the unit-based/central dispatching system. The system operator in Greece selects the production units that will perform each function and then selects the bids with the lowest prices using an optimization algorithm [21,22]. The ability to provide balancing services in line with the operator’s expectations is guaranteed, particularly in the early phases. The entities that provide balancing services are then issued the appropriate directions, as needed. The three primary balancing capacity products that the market design has specified are the upward and downward frequency containment reserve (FCR), the upward and downward automatic frequency restoration reserve (aFRR), and the manual upward and downward frequency restoration reserve (mFRR) [21,23,24]. The OneNet system provides operators with useful tools to simultaneously coordinate the flexible resources located at the distribution grid and monitor the condition of the real-time distribution grid. Flexible resources, the DSO, the TSO, and the market operator have successfully collaborated [25,26,27,28,29].
DSOs and TSOs manage the energy systems in an affordable and safe manner by utilizing a vital set of techniques and tools collectively referred to as active system management (ASM). The Peloponnese and Crete regions of Greece will receive the development and implementation of the F-platform—an advanced forecasting platform that assesses the requirements and flexibilities for balancing and congestion management. Recently, the Greek mainland and the island of Crete were connected, allowing Crete to join the pan-European integrated power network. There are many wind parks established in the Peloponnese region because it is a mountainous region with a strong wind capacity, but the current network capacity is inadequate for the area. Utilizing and improving smart and digital grids, operational planning and forecasting procedures, and the capability to modulate generation and demand-encompassing flexibility instruments in various timeframes and specific areas are all necessary to address system-operation-related challenges. As a result, integration with energy markets, proper integration of renewable energy sources (RES), and a large percentage of distributed energy resources (DER) are all guaranteed.
The EU funds projects that seek to address the flexibility challenge in order to aid in the energy transition. These energy projects all have a different role in enabling the energy transition. The four-year COLLECTiEF project [30] will result in the implementation of a scalable and interoperable energy management system with the goal of transforming buildings into smart habitats. To accomplish this, COLLECTiEF provides improvement in flexibility on the supply and demand. The goal of the EUniversal project [31] is to develop plans for the successful establishment of an interoperable flexibility ecosystem across the continent of Europe. In order to assist consumers, prosumers, and energy communities in actively engaging in the energy transition, it provides a foundation for the creation of new services, market solutions, and practical procedures. The focus of this new approach will be on the flexibility that DSOs use and their interactions with markets.
The FEVER project [32] aims to maximize flexibility in energy production, consumption, and storage through the demonstration and application of strategies. The goal of FEVER is to encourage the best possible control over power grids that run on renewable energy. The primary project goals are to monitor, aggregate, automate control, and manage flexibility in the market. Three European pilots tested FEVER’s services and products in real-world situations in Germany, Cyprus, and Spain. The goal of FLEXGRID [33] is to offer a complete smart grid architecture solution in the future. Modern models, technologies, data analytics, and precise projections are all used by FLEXGRID. The initiative works with renewable energy source producers (RESPs) and energy service providers (ESPs) to help DSOs and TSOs manage their power grids safely and economically through special flexibility market procedures. Furthermore, both RESPs and ESPs have the ability to develop into successful, market-leading businesses that, in the case of RESPs, optimize the utilization and composition of their output. The market operator (MO), flexible resources, DSOs, and TSOs can all simultaneously operate efficiently. This cooperation is facilitated by the OneNet system, which permits frequent data and information exchange between the different entities.
This work can be seen as a continuation of [34,35] and an overview of the key initiatives that went into creating and implementing the F-platform in Greece [1]. The F-channel platform is examined in-depth in this paper, as it was initially presented in [34,35]. In order to remove any uncertainty from the conversation, the details mentioned in this work concentrate on the tasks that have recently been accomplished and implemented into the solution. On the other hand, most of the features mentioned in [34,35] are more generic in nature and focus on the theoretical concepts and elements that served as the platform’s initial motivation.
As a significant addition to the forecasting module, part of the system of interest in Greece has been georeferenced, allowing for the results to be presented on a map. This was carried out in the scope of the GEOGRID solution and massively improved the quality and user-friendliness of the platform in turn. Trying to manage outages and ensure the power system’s resilience during extreme weather conditions, the platform itself has been created in such a way to combine the necessary options for the web-based client-server application that will contribute to the desired effects and the user-friendly interface that would make the introduction of the new clients to the platform intuitive and fast. The findings provide an unprecedentedly accurate foundation in the fields of congestion management, mFRR and aFRR dimensioning and activations, and other enhanced transmission and distribution system planning and operation processes related to weather forecasting.
The structure of this work is as follows: In Section 2, the F-channel platform and its input data are introduced. In Section 3, the GEOGRID and its expected tasks are presented. Section 4 presents a scenario that includes severe weather conditions for testing the F-platform and reveals how this platform can be used, providing flexibility and resilience to the power grid. The discussion and concluding notes are provided in the last two sections.

2. The F-Channel Platform

The F-channel platform will contribute to enhancing the active management of the power system for TSO–DSO coordination by using AI methods and cloud calculation engines. However, in order to accomplish this, certain requirements had to be satisfied, the first of which was the availability of comprehensive models of climate data. The convenience of having these models at hand made it possible to forecast the different parameters that are important from the perspective of the SOs. For example, the ability to modify the AI algorithms was made possible by the reasonably high-resolution predictions of wind speeds and insolation patterns [36,37,38,39] and connecting those predictions with the behavior of the generation units in the power system in a way that has never been seen before. In addition, the power demand estimates as well as the possibility of conductor icing and storms that could compromise the system’s operational reliability are important. These can be viewed as the concepts guiding the improvements and innovations made to the flexibility channel [40,41,42].
To enable the flawless execution of the foreseen processes and calculations, while maintaining the desired level of the user-friendliness, it was necessary to find the optimal engines for performing the analyses that can be paired with the appropriate UI. To make that happen, the cloud-computing engines were selected for the role. The diagram provided in Figure 1 provides an overview of the basic architecture of the proposed web application, while Figure 2 presents the expected role of this platform in the flexibility market.
The TSO and DSO in Greece will share flexibility resources and coordinate their efforts to meet their augmenting regional challenges through grid services stemming from prosumers, aggregators, suppliers, and producers, while at the same time optimizing the use of network assets and big-data-processing tools for network predictability and observability. F-channel modules will incorporate “prosumers”, “aggregators”, and their forms of participation in the energy mix and flexibility provision, such as flexibility providers/storage owners/EV charging station operators. Forecasting engines can be used to include consumers by using aggregations based on the geographic location of POIs. The production capability of local consumers can be precisely included in the forecasting system. Modeling the RES capacities of local industries and families allows for the planning of consumer activities. Customers can participate by entering their daily, weekly, or hourly needs. This strategy can be particularly helpful for local companies that have time-sensitive, repetitive processes with known steady loads. They can benefit from demo with knowledge if (and when) they can use local capacity. Furthermore, by tracking their needs, demo can propose installing RES capacity if none is present for the consumer.
As suggested by Figure 1 and Figure 2, the F-channel platform was designed to pay great attention to finding the best possible combination of the technical proficiency of the functionalities and easy-to-adapt-to UI, affording the users the best possible experience. At the same time, it will satisfy the standards set by the modern tools that are applied for the system analyses by the interested parties. Regarding the storage of the data needed for conducting the foreseen procedures, databases and storage accounts were required. The allocated computing resources have been divided into two groups: continuously allocated ones and ones allocated per computation.
Furthermore, it was also necessary to specify the way in which the required databases would be structured, and for this purpose, it was decided to use the traditional RDBM rational model. The geospatial data display was provided by the middleware software architecture supporting WMS and WFS. The server infrastructure security was paid special attention because, in recent years, there have been an increasing number of data leaks and hacker attacks, even on some of the biggest and most well-defended companies whose expertise is in power systems and their management. As a result, the security of the server infrastructure has become more and more important. Thus, the server access codes required encryption using relevant SSH keys. Additionally, access to the various sections of the platform was limited, such that users could only access the designated IP address ranges. Following that strategy, user-side web application access had to be restricted to verified user accounts, and each user could only view the relevant page on the F-channel platform, based on the specified type provided to them.
For the purpose of enabling the foreseen functionalities of the F-channel platform in the best possible way, it was also necessary to obtain the appropriate amount of input data from the Greek system operators, both in the form of the exact values related to the specifications of the system in the regions of interest for the projects and in the form of experience regarding the practical manner in which certain processes that are supposed to be included in the platform take place. In [34,35], the following data requests have been stated:
  • network models’ data
  • geospatial data
  • technical data for wind turbines
  • technical data for solar parks
  • technical data for selected overhead lines.
The data had to be delivered for the area of interest of Greece, which included the geographic regions of Crete Island and the Peloponnese Peninsula. The geographic map of this region (with Peloponnese in blue and Crete in red) can be seen in Figure 3.
Due to the interconnection between Crete and Peloponnese, the network that was taken into consideration for the chosen region includes the grid at all voltages, from 400 kV down to 20 kV, for a total of 50 substations in Peloponnese and 1 substation in Crete. Out of the 50 substations in the Peloponnese, 28 had a connected load and 22 had a connection with renewable energy sources. Virtual customers served as the demo’s clients. The following numbers are accurate when it comes to the resources considered in the current work:
  • 161 overhead lines (OHL)
  • 13 solar power plants (SPPs) (additional SPPs were originally planned, but the necessary data were only available for 13 SPPs)
  • 37 wind power plants (WPPs).
The hourly production power values for all of the mentioned WPPs and SPPs were gathered over a five-year period and used. These values cannot be demonstrated in the current work due to problems with data confidentiality. In addition, data were gathered at the EU level for instances of critical wind-icing and precipitation combinations as well as wind–precipitation combinations, validating the platform’s utility for forecasting of critical weather circumstances that could result in severe system states. Even if that were not the case, one could still find the routes of the system’s lines on the map services available online. The routes of the lines in the system have typically been provided by the system operators.
The goal of the work presented here is how the F-channel platform can manage outages and ensure the power system’s resilience during extreme weather conditions. The extreme weather conditions fulfill some specific criteria that can affect the power system. The weather parameters that can cause critical system situations are:
  • high wind speeds (over 12 m/s)
  • low barometric pressure (under 960 mbar)
  • cloud cover
  • lightning
  • icing of the power lines
  • low wind speeds (under 5 m/s) combined with the appearance of clouds (simultaneous halting of the production of wind and solar units).
If operators spot that critical system situations can occur due to the extreme conditions (fulfilling some of the above-mentioned weather parameters), then the course of action needs to be chosen. Such a scenario is presented in Section 4 of this paper.

2.1. Development Environment

Before any kind of activity was performed in the creation of the “F-channel” platform, it was necessary to determine the best tool that could be used for managing the databases containing the information needed for the successful operation of the platform. For this role, MySQL 8.0 was selected. The selection was based on the fact that the work in this database is quite intuitive, and a majority of experts are somewhat familiar with it already due to its wide range of applications and adaptability, as well as its nature as an open-source tool. This means that it is possible for anyone to use this software and modify it according to their own preferences and the task for which they intend to use it. Moreover, it is well-known for data security (with the possible leaks and the cyber-security issues posing more and more of a threat in the era of digitalization) and efficiency, ensuring the smooth running of the processes for which the MySQL database is applied.

2.2. F-Channel GUI Platform

In the F-Channel GUI platform, there are five types of users (accounts): FSP/aggregator, DSO, TSO, market operator, and guest. The most important section of this platform and, probably, the section on which the user will spend the majority of their time, would be the dashboard. The dashboard can be seen as a sort of homepage that is first opened as soon as the log-in process is successfully completed. What is included in it, however, varies depending on the role that is taken by the user, with the “need-to-know” principle applied when designing the dashboards for each of the five specified types. The sole exception from this rule is the pages for the TSO and for the DSO, which are quite similar, with the main difference between them being the set of products relevant for the respective system operators. This exact window is shown in Figure 4, where the functionalities offered to the system operators can be seen.
When choosing which parts of the system, such as individual homes or single production units in the power plants, need to be modeled to the lowest-level entities, special consideration must be given. An understanding of the necessary modeling proficiency for each and every energy market participant can be gained from Figure 5.
The goal of the modeling process was to enable the F-channel platform’s users—primarily the SOs—to obtain information about the current system state that was, until now, inaccessible to them, i.e., real-time alterations in each household’s behavior, as shown in Figure 5. The operators have all the potentially relevant information needed to make informed decisions and come to successful conclusions by providing them realistic data on the system entities that interest them. As a result, the decisions made would be in keeping with the needs of everyone involved in the system as a whole. After all applications were gathered, carefully examined, and assessed, the GEOGRID (GEOreferenced GRID simulation model) solution was chosen, and it is extensively detailed in the following section.

3. The GEOGRID Solution

The main targets of the GEOGRID solution were the development of the power system simulation model, including the voltage levels down to the lowest ones, and the creation of the GIS server, which would then be used for the visualization of the obtained results. In addition, another goal that was defined was the development of an appropriate GUI that would both hold the option of introducing all the achievements of this solution to the users and fit into the overall environment of the F-channel platform, especially considering the desired levels of simplicity, intuitiveness, and efficiency.
The activities that had been foreseen for GEOGRID were, after defining the main targets, divided into five main tasks. A short description of each of those five tasks can be found below, where it needs to be underlined that, even though the tasks were mostly performed in sequential order, there were some occasions in which the work on several tasks took place simultaneously for the purposes of optimal usage of the resources that were at the disposal of the solution developers. The tasks expected from the GEOGRID are depicted in the flow chart of Figure 6.
In the scope of the GEOGRID solution, it was, before conducting any other activities, necessary to determine the load profiles that can be assigned to the specific types of demand in the system. This was necessary to determine related to the number of consumption categories that would be considered, so that the number was high enough to successfully cover all of the major types of loads that exist in the system, but low enough to justify the introduction of the load categories at all. Hence, it was determined that it is optimal for the demand to be divided into four specific types:
  • household demand
  • industry demand
  • commercial services demand
  • electric vehicles demand.
For each of these demand types, it was then necessary to figure out the daily diagram, by which the power of that type of load would vary throughout the day. To make that happen, the data obtained from the measurements were combined with the statements and estimations provided in the literature dealing with similar topics. In line with the order in which the different types of load were mentioned in the list above, the first kind of consumption that was analyzed in detail by the GEOGRID solution developers was the household demand, typical for rural areas in which the industry is not developed yet, as well as for the urban areas that are not foreseen as the ones in which large factories will be located, i.e., areas that will not be a part of the city’s industrial zone in the future. The typical daily diagram of this type of demand can be seen in Figure 7, reflecting the behavior of household consumption on a characteristic day of winter, but also on the day of the measured winter peak of the demand power. These are marked with different colors in Figure 7, with the blue color corresponding to the demand’s behavior on the day of the winter peak regime and the grey line marking the change in the demand’s power during the approximate winter characteristic day.
The next type of demand that was considered in the scope of the third task of the GEOGRID solution was industry consumption, typical for a major industrial zone in which a large number of factories is located. This can either be the zones in the rural areas, located there to preserve the ecological standards of the air and water quality in the nearby towns, or they can be placed near the outskirts of the cities, depending on the types of processes that take place in the facilities in the industrial zone and the decisions and priorities of the local governments. For this demand’s behavior to be properly illustrated, Figure 8 is presented, with the different colors of the lines once again corresponding to the chosen days of the winter period. The orange and gray lines, respectively, show the valid data for the winter peak load day and the winter characteristic day.
The third type of demand that will be briefly explained here is the commercial load, for which the daily diagram of power variation can be seen in Figure 9. This category of demand corresponds, among other consumers that cannot be placed in the last two types, to the administration offices, which is the very example upon which the figure provided below was based.
The fourth and final type of consumer demand that was considered separately in the scope of this work was the demand related to the charging process of electric vehicles. For this demand type, it needs to be stated that it was not present in the literature until recently, but with the number of electric vehicles on the streets increasing daily, it became a necessity to separate it from the other three categories. Along with the different types of variation throughout the day, what also makes this category of demand so different from the other three is the fact that its power does not depend so much on the weather conditions or the season of the year, for instance (both of these are rather prominent factors for household demand), but on whether the observed day belongs to the weekend or not. This is understandable, as the load related to this demand type and its distribution during the day change with the number of people going to work or on fieldtrips. In line with this conclusion, the diagram in Figure 10 contains two lines, but this time, the orange color marks the weekday’s load behavior, and the grey color symbolizes the behavior of the load during the weekend, which is different from the concept used for the previous three figures.
Along with these diagrams and the comments regarding the practical situations in which all these demand types can be encountered, the GEOGRID also contains a discussion regarding the flexibility potential that every demand type can offer to the system, based on the daily diagrams referring to each of these types. Here, it can be seen that the peaks of this demand are in the morning and in the evening, when people are going to work and returning from work, respectively. For the morning peak, the vehicles are commonly charged in the buildings in which the drivers of these vehicles work, so the smart charger system could be implemented to distribute the load throughout the working hours. On the other hand, during the evening peak, during which vehicles are typically charged in the homes of the drivers, the appropriate tariff system could help spread the load throughout the night.
With the demand profiles out of the way, the developers of the GEOGRID solution moved to the next level, encompassing the development of the simulation models of the various microgrids that were later combined with the model of the Crete transmission system based on the data delivered by IPTO, so the model of the entire area of interest could be established. The approach that was adopted in this step was that each of the microgrids that were modeled needed to correspond to one of the load profiles developed in the previous part of this task. Therefore, four different microgrid models have been created, with Figure 11 providing insight into the grid corresponding to household demand, the first out of the mentioned four types.
This example of the microgrid includes all the entities that can be encountered in the common segment of the distribution system that contains the household load, with the 110 kV transmission system here in the form of the appropriate equivalent network. The provided diagram shows that, along with this equivalent, the microgrid contains the transformer connecting the transmission and distribution grids, the bus in the 20 kV part of the 110/20 kV substation, and the branches that go from that busbar toward the loads in the observed section of the system. For this instance, it was decided that the load in the selected microgrid can be supplied by three feeders, with each of them containing three nodes with the demand attached. Two of the feeders are connected by an additional line (line 5 in Figure 11), but the switch on that line is treated as turned off in the normal operation, matching the typical approach used when planning the distribution grid. Along with the nine loads, the created microgrid also contains four PV units (attached to nodes 7, 8, 10, and 14), as well as two batteries (attached to nodes 10 and 14). Of course, the microgrids that were developed to correspond to the remaining three types of demand kept some of the elements presented here the same, such as the external grid, while bringing enough variation to show different schematics of the distribution system’s operation. This will be shown in the following lines, each dealing with one of the microgrid types developed for the solution.
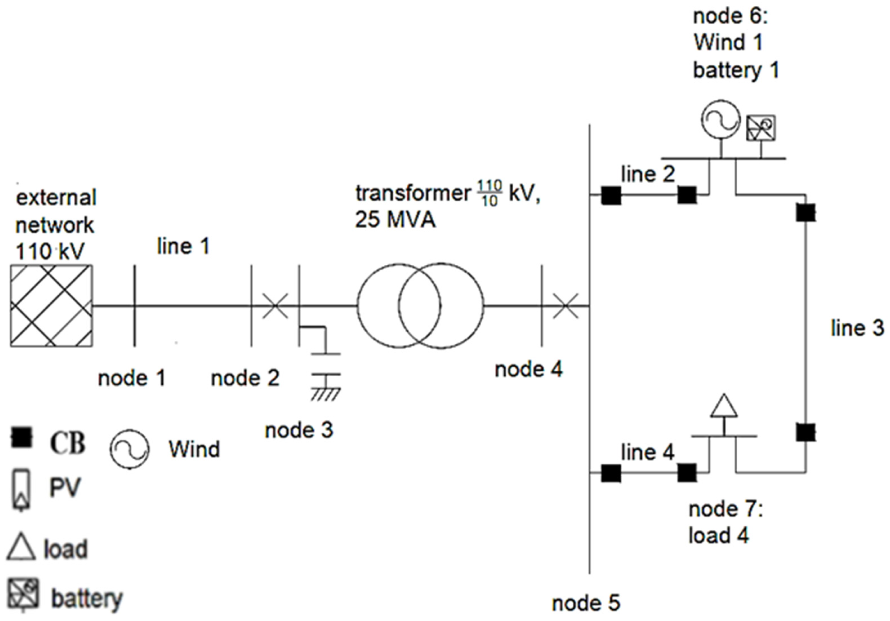
In the same manner, Figure 12 shows the schematic of the microgrid that has been created for industry consumption. As can be seen, the concept of energy provision for the needs of households is rather different than the one used for the supply of energy for large industrial consumers, with the most obvious difference being the fact that, in the case of household consumption, there is more than one consumer that is supplied via a HV/MV transformer. However, the demand that belongs to some of the larger industrial facilities is often supplied via its own transformer, as illustrated in Figure 12. Alongside the difference regarding the transformer, the microgrid that was created for showcasing the situation related to the industry also contains a single node with a load (shown in the bottom part of the schematic) and another node, to which the system, composed of the wind generation unit and the battery, is connected (shown in the upper part of the schematic). This concept of the microgrid reflects the modern-day tendency of large industrial facilities to have at least some sort of energy production in the close vicinity of the load, with the storage system added for at least partial damping of the production power variations of the wind generation unit. What should also be underlined is the fact that each of the two mentioned nodes is radially connected to the 10 kV node in the 110/10 kV substation, but that there is also an additional link that connects those two nodes directly, numbered 3 in Figure 12. This link is switched off in normal operation, following the same logic as the one described for the household load, and serves as a voucher of the uninterrupted supply in case of an outage of one of the other 10 kV lines. For the industrial load, this can be even more important than for households, due to the chemicals typically used in the industry today.
Figure 13 provides a schematic of the microgrid exclusively used for commercial consumption. Once again, a comparison can be made between the microgrid created for the sake of including the load of the commercial service providers and the grids made for illustrating the behavior of the loads for the previous two cases and, once again, some differences can be spotted. The first of these is the fact that, in this case, each of the different loads of the commercial service providers has its own feeder, connecting it to the 20 kV bus in the 110/20 kV substation. However, this time, there is no additional line that could serve as a backup in case one of the lines gets tripped, so the uninterrupted supply of energy is not guaranteed. This can be tolerated here since the load itself is less sensitive than, for example, industrial facilities, where even the shortest pause in the supply could cause a disaster and put not only the facility but also the surrounding area at risk of a natural catastrophe. It is presumed that each of the three commercial loads is equipped with its own solar unit and that the energy storage (assumed to be the battery) is common for all of them and located at the 20 kV bus in the 110/20 kV substation. The external 110 kV grid is, in line with what was already said, present here as well.
Finally, Figure 14 shows the schematic of the microgrid for the EV charging demand. Even though this schematic appears to be the simplest of the four, it becomes a bit more complicated than that if the load that is attached to node 5 of this diagram does not represent a single charging socket but all the sockets that are in the same facility are taken into consideration. In addition to this, it was assumed that this charging station is equipped with a solar production unit, ensuring maximal potential for the provision of flexibility to the system by applying the combination of the generation in the solar unit and the load of the EV chargers.
Now, with the descriptions of each of the four microgrids created for the purposes of the GEOGRID solution out of the way, a couple of points regarding the usage of these microgrids in the models and calculations must be made. First, the apparent discrepancy between the voltage levels used in the models of microgrids shown here and the real-life situation in Crete needs to be addressed. Namely, the models from the solution use the 110 kV level as the HV side of the transformers, whereas the voltage of the transmission grid in Crete is 150 kV, so some readers could wonder if these models could even be integrated with the rest of the Crete grid. To clarify this, one must start with the fact that each of the microgrid models has only two elements for which the HV level is relevant: the external grid element and the HV/MV transformer. By simply changing the parameters of this transformer, it could easily be modified to be suitable for connecting the HV side to the 150 kV level. On the other hand, an external grid is nothing more than a fictitious element that would, in case the model of the microgrid merged with some other model, most likely end up being deleted.
That was the exact case with the situation in which the unified model of the Crete grid needed to be created. To make that happen, the authors of the GEOGRID solution took the accurate model of the 150 kV transmission grid in the region of interest and then, instead of combining it with the accurate model of the distribution grid, used the developed microgrids (modified to be able to be connected to the 150 kV level) as the proxies of the distribution system. This step had to be completed in that way due to the unavailability of high-quality input data related to the distribution system at the time of the creation of the unified model. Of course, if the input data regarding the distribution grid were available, it would be better to use those instead of simulating it with the microgrids shown here. However, the mentioned situation at the time of the unified model’s creation left the authors with no other option besides using the microgrids. This was achieved by taking each of the 150 kV nodes to which part of the distribution system should be connected and attaching one of the microgrids to it instead. The unified model, created in the described way, will be shown in the later part of this section. Before that, the codes that were written to add the necessary features to the solution must be briefly explained.
The information provided in the sheets varied depending on the type of element to which that sheet was dedicated; thus, for example, the sheet related to the external grid contained solely the power flow from the external grid to the microgrid. The sheets related to the lines and the transformers, on the other hand, contained the flows over those elements, measured on both the starting and ending buses. The sheet dedicated to the buses finally contained the columns for the active and reactive power demand in every bus, as well as the value of the voltage in those nodes and the phase angles of those voltages.
With this, the entirety of the activities foreseen for the first three tasks of the GEOGRID have been completed, allowing the developers to move on to the last two tasks related to this process. Furthermore, what needed to be completed was the creation of the simulation model that would cover the entire island of Crete (the 150 kV grid, the transformers connecting that grid, the distribution voltage levels, the distribution level microgrids, and the generation capacities and demand). In accordance with that, this task was divided into four sub-tasks before starting the actions upon its completion:
  • creation of the unified model of the selected part of the system on Crete Island
  • modification of the codes for the load flow calculation to run the analysis on the unified model
  • projection of the created unified model on the appropriate map
  • enabling the presentation of the obtained results on the map in a comprehensive manner.
The first two sub-tasks here can be seen as the upscaling of the achievements already included in the third task of GEOGRID. Therefore, attention will be given to the latter two sub-tasks, with the georeferenced map of the entire grid of Crete Island (all voltage levels) shown in Figure 15.
Here, it can also be seen that, once the map was zoomed in to the scale enough, the yellow pins showed the locations of the distribution level facilities as well, and the blue lines, marking the routes of the distribution power lines, also became visible. However, to make the application of this functionality even more user-friendly, an additional option was added, allowing the potential users to select the layers that the map will include, with one of the layers containing, for example, the 150 kV grid in the area of interest. By switching that layer off, the user can put more emphasis on the state of the distribution grid in case the report on which they are currently working requests it. With this sub-task completed, the sole thing remaining to be completed before the official finalization of Task 4 was the development of the way the results of load flow calculations could be included in the grid map. This was one of the most demanding challenges put before the authors of the GEOGRID solution, but also one of the main advancements that aided GEOGRID in being selected during the Open Call process. Namely, the proper resolution of this issue also meant that the results of the performed analyses could be shown in a manner understandable both to the engineers that work in the software tools for these calculations daily and to the public, where the presentations of the most prominent conclusions of these analyses could be held. This improvement was seen as one of the main assets that could enhance communication between the power industry and the authorities, explaining why this sub-task was set as one of the highest priorities by the mentors assigned to the project’s developers.
For this to be accomplished, the developers first needed to choose the way in which the power flows and the voltages in the selected part of the georeferenced map would be presented, with the option of having the color schemes for both of those parameters’ surfaces as the best ones in the end. Therefore, for the lines, the different colors of their representation refer to the various loadings, with the blue shades showing the relatively low loading of the lines and the red shades indicating the high loading of the lines. For the nodes and their voltages, a similar logic was used: if the color surrounding the node was in the blue part of the spectrum, the voltage of that node was on the low side, and if the color was closer to the yellow shades, that meant that the voltage of the node was closer to the rated value. This approach may seem confusing when described in this way, but it is rather intuitive and simple to understand, which can be confirmed in Figure 16, showing the loadings of the lines and voltages in the distribution grid around Agios Nikolaos. Line 3 from bus 12 is more loaded than lines 1 and 2 from the same node. This can easily be seen in Figure 16, since that line is colored in red, whereas the other two are marked in yellow.
Finally, the tests and verifications (Task 2 of Figure 6), necessary before the activities regarding the development of the GEOGRID solution were considered finished, took place in the form of checking the four predefined criteria:
  • confirmation of the accuracy of the used input data
  • confirmation of the precision of the conducted calculations
  • confirmation of the replicability of the obtained results
  • confirmation of the reliability of the graphical representation.
As there was no difference between the expectations and the obtained results of the verification process, it was concluded that the created solution successfully passed the final challenges that were put before it and that the final task of GEOGRID was completed without any major problems occurring during this step.

4. Scenario for Testing

To avoid severe damage to the equipment and load losses, it is of utmost importance to prepare the power system elements for the incoming severe weather conditions, as well as for the power system conditions that could occur because of those weather conditions. To make that happen, it is necessary to provide the operators with improved identification of severe weather conditions so they can predict the potentially harmful system states and contingencies and avoid the potential consequences. The forecasts must be presented with greater accuracy and encompass a longer period than what is currently provided, with increased identification of the requirements for system flexibility and available resources that could be utilized to saturate the needs being just as important. The process itself starts similarly to those included in other scenarios, with the weather forecast provider informing the operators of the expected climatic conditions and the units in the operator companies making the unified grid model based on those forecasts. Then, the calculations are performed on these models, with the employees working on those calculations monitoring the appearance of any possibly dangerous system regimes. If such a regime happens, the critical outages and the critical elements that could be at risk in the event of those outages are listed, closely followed by the mitigation measures determined by experts based on the established set of flexibility resources that stand at the operators’ disposal in this scenario.
Of course, all of this would make much more sense if some of the practical examples for these situations that could be forecasted could be found. Luckily, these examples can be found at almost any voltage level, considering almost any element of the power system. For instance, if the area rich in wind potential was observed and it was assumed that the major share of the energy production in this area came from the wind power plants, it would be priceless for the system operator to know in advance the wind speed for a specific hour in the future. Since both of those events could lead to the zero production of the wind units, the operator would need to make sure that the missing energy can either be produced by other sources in the same area or imported from some other area. If this does not happen, there is a risk of the security of the energy supply to the load being compromised. A similar situation could be provided for areas with high solar production and clouds that could substantially reduce the generation power of the solar units, leading to the same effects as the extreme wind speed variations from the previous example. Moreover, it should be considered that this kind of phenomenon is not only focused on the generation capacities, as already mentioned. For instance, the early-warning system could indicate the possibility of ice appearing on conductors of the power lines, alerting the operators of the potential outage of those lines. If this were to happen, the operator would have a sufficient amount of time to activate the flexibility resources at their disposal (changes in the generation pattern, demand-side response, switching the circuit breakers on or off, etc.) in order to minimize the effect that the expected icing of the lines would have on the remainder of the system and, especially, on the users supplied with energy by the system. Hopefully, these examples provide somewhat better insight into the idea behind the implementation of this feature on the platform and the scenario dedicated to it.

F-Platform Users’ Experience for the Business Use Case (BUC) Scenario: “Enhanced Severe Weather Condition Management and Outage Management”

The Business Use Case relates to the enhanced severe weather condition management and outage management for the operators of the different parts of the power system. Here, the situation that is considered can be briefly summarized as follows: the weather service provider (WSP) sends the improved weather forecasts to the system operators, after which they convert those into the chosen power system parameters (the demand power, the RES production power, and the ampacities of the lines in the selected area). Within the context of this BUC, the following scenario is envisioned: as shown in Figure 17, the WSP provides a high-resolution weather forecast for the area of interest.
The system operators receive predictions of the chosen power system parameters, such as the RES production, the system’s load, and the transmission lines’ capabilities, based on that weather forecast. Furthermore, the hourly results for a RES power plant that the user is interested in can be extracted separately. The load flow calculation results on the generated model show that possible issues in the system could occur if no action is taken; thus, the system operators update the unified grid model with these parameters and carry out the generation optimization procedure. Figure 15 provides a georeferenced map of Crete Island based on this model.
If the system operators notice that critical system situations can occur due to the extreme conditions dictated by the delivered weather parameters (for instance, these conditions can mean wind speeds over the cut-off speed, the appearance of storms, icing of the lines, low wind speeds combined with the appearance of clouds, and so on), the proper course of action needs to be identified. This course of action could go in two directions, depending on the problem that needs to be resolved:
  • If the issue can be mitigated or fully avoided by the actions of the system operators (for example, this could happen in a situation in which the extreme conditions cause the contingencies in the grid, but only if they happen simultaneously with the maintenance of some of the grid elements, or the solution can be found in modifying the maintenance schedule in order to avoid the simultaneous appearance of the outage of those elements and the extreme weather conditions), then the process never leaves the system operator and does not require any action from the market operators or from the registered FSPs.
  • If the issue must be resolved by activating the services of the FSPs, with the system operator informing the market operator of the required services, the market operator setting up and watching over the auction process, and the flexibility of service providers submitting their bids via the developed platform, all of them are informed of the final auction results in the end.
Three distinct scenarios were developed and discussed within this BUC, depending on the severity of the indicated grid concerns and services that could aid in improving the situation.
Scenario 1: In this scenario, contingencies in the grid are taken into account, and excessive loading or even overloading of the line is recognized. This can be easily seen because the GUI used to present the findings employs color coding of the lines to illustrate their loading. The loading of the line is less than half of its legal limit (less than 40% of the maximum allowable transmission capacity), as seen in Figure 18, where a blue-colored line is shown. Different colors (such as yellow or red) would indicate a higher loading and possibly point to a circumstance where the SO would need to take action.
Scenario 2: This scenario takes into account instances where voltages exceed the defined limits, and this could indicate an excessively high- or low-voltage alert. This is also clearly visible on the georeferenced grid map, where the legend on the left side of the map corresponds to the color of each node, denoting its voltage value. Figure 19 illustrates this method of displaying the voltages by using yellow to indicate higher voltages and blue to indicate lower voltages.
The procedure of acquiring services begins by defining the flexibility services that might solve the stated problem and forwarding them to the market operator. Only flexibility service providers that have successfully completed the prequalification process are listed in the FSP register, as Figure 20 illustrates.
Subsequently, the market operator organizes an auction, whereby the system operators select the required services and the appropriate rates to be paid for those services. This may be accomplished quite easily by following the guidelines included in the F-channel platform’s Auction Wizard. Notified of the upcoming auction, the FSPs or their aggregators that meet the requirements for the chosen service place their bids, if any. The Bid Submission Wizard is used to submit the bids. In line with these descriptions, the roles that each of the participants play in this process also depend on the nature of the discovered issue, with some of them even being left out in certain situations. More on this can be found in the brief descriptions below:
  • The system operators are responsible for both seeing the issue and resolving it by conducting some of the actions from their repertoire, such as the modification of the maintenance schedule, to avoid having the planned outages of the elements in critical moments for the state of the grid.
  • The market operator is involved halfway through the process, having begun when it is notified that a new auction must be put up in order to receive the necessary services. This operator uses the tools that have been introduced in the F-channel platform to build an auction.
It is clear that the system operators have been treated as a single entity, which is justified by the fact that their courses of action are the same, except for the fact that they are responsible for the maintenance and operation of different parts of the system in the selected area.
Examples of tracking the critical, severe weather conditions for the overall European continent are presented in Figure 21. The following parameters are monitored:
  • wind speed
  • icing
  • precipitation and storms.
Tables contained in Figure 21 present the results of the single run of the weather forecast along a predetermined line route. Results are the wind speed, shown as “wmax” (in m/s), and critical possible icing thickness, presented as “ice_thickness” (in mm). The column “affected_geometry” is the geometry of the affected element (here, it would be the OHL route). Columns “d1” and “d2” of the report are the dates when the analyzed event started and ended. Since the run was performed in the summer period, the possibility for icing was low, explaining why the thickness was lower than 1 mm and the duration was close to 1 h. The columns “near_poi_name”, “reg_0”, “reg_1”, and “reg_2” are the geographical references of the affected areas.
Data are further exchanged with other TSOs through the critical information exchange module, built as an integral part of the F-channel platform.
Operators must decide what to do if they notice that extreme weather conditions caused by the provided weather parameters could lead to critical system situations. Examples of such conditions include high wind speeds, storms, icing of the lines, low wind speeds combined with the appearance of clouds, which would cause the production of solar and wind power units to stop simultaneously, and so on. There are two possible outcomes from this course of action:
  • If the system operators can take steps to mitigate or completely prevent the problem (such as when extreme weather conditions lead to grid contingencies, but only if those events occur at the same time with some grid element maintenance, or if the solution lies in adjusting the maintenance schedule to prevent those elements’ outages from occurring simultaneously with severe weather conditions), then the process remains within the system operator’s control and does not necessitate significant intervention from market operators or registered FSPs.
  • If the problem can only be solved by turning on the FSPs’ services, then the process is pretty much the same as it was for BUC 1: the system operator notifies the market operator of the services that are required, the market operator sets up and oversees the auction, and the flexibility service providers use the developed platform to submit their bids. All of these parties, as well as any prospective guests who are logged in, are notified of the final auction results at the conclusion of the procedure.
According to these explanations, each participant’s role in this process is largely determined by the nature of the problem that has been identified; in some cases, this results in their exclusion from the process. Further details are provided in the following descriptions:
  • The only parties involved in each scenario are the system operators. In the first scenario, they are responsible for identifying the problem in the grid and resolving it by implementing some of their repertoire, such as adjusting the maintenance schedule to prevent scheduling planned element outages during critical periods for the grid’s condition. In the second scenario, their responsibilities and experiences are comparable to those previously discussed for the first BUC.
  • In the first of the cases mentioned, the market operator plays no part at all because the system operators handle the problems and the remaining players in the energy market do not need to take any action. In the second case, the role is the same as that specified in the first BUC’s description.
  • In the first case mentioned, the flexibility service provider does not take part because the system operators handle the problems and the remaining players in the energy market do not need to take any action. In the second case, the role is the same as that specified in the first BUC’s description.
In line with previous remarks, the guests—users lacking a defined role in the energy market and, consequently, no defined role within the F-channel platform—do not have any special responsibility for identifying issues and securing the services required to mitigate them; however, they may be notified of the outcomes of the auctions once they become available. The platform affords the operator the possibility of tracking the extreme weather conditions and being prepared for the consequences of the related outages. The procedure of auctions via the appropriate wizard (scheduling the auction, bidding, prequalification, etc.) has previously been analytically described. Once this is completed, the selection of the FSPs would need to take place, but that step exceeds the scope of the platform, so it cannot be shown in the current work.

5. Conclusions

The F-channel platform’s development and implementation were covered in this article. For TSO–DSO coordination, the F-channel platform is a web-based, client-server application that makes use of cloud computation engines, georeferenced map-based GUI, artificial intelligence (AI) techniques, and high-resolution weather forecasts. Ensuring the effective, efficient, and high-power quality operation of future distribution grids, the OneNet system will provide SOs with helpful tools to monitor the distribution grid’s operation in real time and automatically coordinate the flexible resources located at the distribution grid, especially under severe weather conditions.
In accordance with the OneNet architecture, the general objective of this work was the implementation and evaluation of a pilot project in Greece that deals with the challenges of developing and implementing a flexibility platform for the transmission and distribution systems that are under severe weather conditions, providing resilience and outage management. According to scientific studies, human-induced climate change is likely to increase the frequency and intensity of extreme weather events, including heat waves and big storms. Therefore, the scenario presented in this study is very likely to be even more severe in the near future and will be a major threat to the power system. It is necessary for the TSO, DSO, market operator, and flexible resources to effectively work together to face such a threat. This collaboration will be made simpler by the OneNet system, which allows the various entities to exchange data and information. The coordination module and integration with the OneNet ecosystem and its services will be implemented in the future.

Author Contributions

Conceptualization, M.Z. (Magda Zafeiropoulou), N.S., M.Z. (Mileta Zarkovic), V.R., A.T., D.M., T.I.M., E.Z. and G.F.; methodology, M.Z. (Magda Zafeiropoulou), N.S., M.Z. (Mileta Zarkovic), V.R., A.T., D.M., T.I.M., E.Z. and G.F.; validation, M.Z. (Magda Zafeiropoulou), N.S., M.Z. (Mileta Zarkovic), V.R., A.T., T.I.M., E.Z., V.V. and G.F.; formal analysis, M.Z. (Magda Zafeiropoulou), N.S., M.Z. (Mileta Zarkovic), V.R., A.T., T.I.M., E.Z. and G.F.; writing—original draft preparation, M.Z. (Magda Zafeiropoulou), N.S., M.Z. (Mileta Zarkovic), V.R., A.T., D.M., T.I.M., E.Z. and G.F.; writing—review and editing, M.Z. (Magda Zafeiropoulou), N.S., M.Z. (Mileta Zarkovic), V.R., A.T., D.M., T.I.M., E.Z. and G.F.; supervision, V.V., T.I.M. and G.F. All authors have read and agreed to the published version of the manuscript.

Funding

This research was funded by the European Union’s Horizon 2020 research and innovation program under grant agreement No. 957739 (ONENET project). The authors acknowledge financial support for the publication of this work from the European Union through Horizon 2020 research and innovation program under grant agreement No. 957739 (ONENET project).

Data Availability Statement

Data are contained within the article.

Conflicts of Interest

The authors declare no conflict of interest.

List of Abbreviations

AI artificial intelligence
aFRRautomatic frequency restoration reserve
ANNartificial neural network
ASMactive system management
BMbalancing market
BUCBusiness Use Case
DSOdistribution system operator
ESPenergy service provider
FCRfrequency containment reserve
FSPflexibility service provider
GEOGRIDGEOreferenced GRID simulation model
GISgeographic information system
GUIgraphical user interface
ITinformation technology
IPinformation protocol
MAPEmean absolute percentage error
mFRRmanual frequency restoration reserve
MOmarket operator
OHLoverhead line
OneNetOne Network for Europe
RDBMrelational database management
RESrenewable energy sources
RESPrenewable energy source producer
SOsystem operator
SSHsecure shell
SPPsolar power plant
TSOtransmission system operator
UIuser interface
WMSweb map services
WFSweb feature services
WPPwind power plant
WSPweather service provider

References

  1. Launching OneNet: One Network for Europe. Available online: https://onenet-project.eu/launching-onenet-one-network-for-europe (accessed on 11 July 2023).
  2. European Union. Directive 2009/72/EC of the European Parliament and of the Council Concerning Common Rules for the Internal Market in Electricity and Repealing Directive 2003/54/EC; OJ L 211, 14.8.2009; European Union: Brussels, Belgium, 2009; pp. 55–93. Available online: https://leap.unep.org/countries/eu/national-legislation/directive-200972ec-european-parliament-and-council-concerning (accessed on 11 July 2023).
  3. European Union. Directive (EU) 2019/944 of the European Parliament and of the Council on Com-Mon Rules for the Internal Market for Electricity and Amending Directive 2012/27/EU; OJ L 158, 14.6.2019; European Union: Brussels, Belgium, 2019; pp. 125–199. Available online: https://eur-lex.europa.eu/legal-content/EN/TXT/PDF/?uri=CELEX:32019L0944 (accessed on 21 July 2023).
  4. European Union. Commission Regulation (EU) 2017/2195 Establishing a Guideline on Electricity Balancing; OJ L 312, 28.11.2017; European Union: Brussels, Belgium, 2017; pp. 6–53. Available online: https://eur-lex.europa.eu/legal-content/EN/TXT/PDF/?uri=CELEX:32017R2195&from=EN (accessed on 21 July 2023).
  5. European Union. Commission Regulation (EU) 2017/1485 Establishing a Guideline on Electricity Transmission System Operation; OJ L 220, 25.8.2017; European Union: Brussels, Belgium, 2017; pp. 1–120. Available online: https://eur-lex.europa.eu/legal-content/EN/TXT/?uri=CELEX%3A32017R1485 (accessed on 11 July 2023).
  6. European Union. Commission Regulation (EU) 2015/1222 Establishing a Guideline on Capacity Allocation and Congestion Management; OJ L 197, 25.7.2015; European Union: Brussels, Belgium, 2015; pp. 24–72. Available online: https://op.europa.eu/en/publication-detail/-/publication/b91aa370-3293-11e5-9f85-01aa75ed71a1 (accessed on 11 July 2023).
  7. European Union. Commission Regulation (EU) 2016/1719 of 26 September 2016 Establishing a Guideline on Forward Capacity Allocation; OJ L 259, 27.9.2016; European Union: Brussels, Belgium, 2016; pp. 42–68. Available online: https://eur-lex.europa.eu/legal-content/EN/TXT/PDF/?uri=CELEX:32016R1719&from=SV (accessed on 1 July 2023).
  8. Honkapuro, S.; Jaanto, J.; Annala, S. A Systematic Review of European Electricity Market Design Options. Energies 2023, 16, 3704. [Google Scholar] [CrossRef]
  9. Alazemi, T.; Darwish, M.; Radi, M. TSO/DSO Coordination for RES Integration: A Systematic Literature Review. Energies 2022, 15, 7312. [Google Scholar] [CrossRef]
  10. Yan, Z.; Li, Y.; Wang, Y.; Li, Y.; Qi, K. Real Time Command System for Power Network Scheduling Based on Blockchain Technology. In Proceedings of the 2023 IEEE International Conference on Image Processing and Computer Applications (ICIPCA), Kuala Lumpur, Malaysia, 8–11 October 2023; p. 1451. [Google Scholar]
  11. Alves, I.M.; Carvalho, L.M.; Peças Lopes, J. Modeling demand flexibility impact on the long-term adequacy of generation systems. Int. J. Electr. Power Energy Syst. 2023, 151, 109169. [Google Scholar] [CrossRef]
  12. Heymann, F.; Galus, M.D. Digital platforms in the energy sector—A menu of regulatory options for policy makers. In Proceedings of the 21st Mediterranean Electrotechnical Conference (MELECON), Palermo, Italy, 14–16 June 2022; pp. 1045–1049. [Google Scholar] [CrossRef]
  13. Nooren, P.; Gorp, V.N.; Fathaigh, R. Should We Regulate Digital Platforms? A New Framework for Evaluating Policy Options. Policy Internet 2018, 10, 264–301. [Google Scholar] [CrossRef]
  14. Calvo, A.R.; Cossent, R.; Frías, P. Scalability and replicability analysis of large-scale smart grid implementations: Approaches and proposals in Europe. Renew. Sustain. Energy Rev. 2018, 93, 1–15. [Google Scholar] [CrossRef]
  15. Andrew, B.; Crawford, J.; Gabriel, S.A. Demand Response as a Real-Time, Physical Hedge for Retail Electricity Providers: The Electric Reliability Council of Texas Market Case Study. Energies 2021, 14, 808. [Google Scholar]
  16. Liu, H.; Chen, X.; Xie, J. Optimal Bidding Strategy for Electricity Sales Company Considering Contract for Difference and Risk. In Proceedings of the 2019 IEEE 3rd Conference on Energy Internet and Energy System Integration (EI2), Changsha, China, 8–10 November 2019; pp. 2155–2160. [Google Scholar]
  17. Londoño, A.A.; Velásquez, J.D. Risk Management in Electricity Markets: Dominant Topics and Research Trends. Risks 2023, 11, 116. [Google Scholar] [CrossRef]
  18. Fotis, G.; Vita, V.; Maris, T.I. Risks in the European Transmission System and a Novel Restoration Strategy for a Power System after a Major Blackout. Appl. Sci. 2023, 13, 83. [Google Scholar] [CrossRef]
  19. Vita, V.; Fotis, G.; Pavlatos, C.; Mladenov, V. A New Restoration Strategy in Microgrids after a Blackout with Priority in Critical Loads. Sustainability 2023, 15, 1974. [Google Scholar] [CrossRef]
  20. Haes Alhelou, H.; Hamedani-Golshan, M.E.; Njenda, T.C.; Siano, P. A Survey on Power System Blackout and Cascading Events: Research Motivations and Challenges. Energies 2019, 12, 682. [Google Scholar] [CrossRef]
  21. Ocker, F.; Ehrhart, K.-M. The German Paradox in the Balancing Power Markets. Renew. Sustain. Energy Rev. 2017, 67, 892–898. [Google Scholar] [CrossRef]
  22. EU Monitor. Explanatory Memorandum to COM (2016) 861—Internal Market for Electricity. 2016. Available online: https://www.eumonitor.eu/9353000/1/j4nvhdfdk3hydzq_j9vvik7m1c3gyxp/vk9njvls0xzt (accessed on 21 June 2023).
  23. IPTO. System Balancing. 2020. Available online: https://www.admie.gr/en/market/general/capacity-calculation (accessed on 11 July 2023).
  24. IPTO. Balancing Market Rulebook. 2020. Available online: https://www.admie.gr/en/market/regulatory-framework/balancing-market-rule-book (accessed on 11 July 2023).
  25. Salman, U.T.; Shafiq, S.; Al-Ismail, F.S.; Khalid, M. A Review of Improvements in Power System Flexibility: Implementation, Operation and Economics. Electronics 2022, 11, 581. [Google Scholar] [CrossRef]
  26. Hadi, M.B.; Moeini-Aghtaie, M.; Khoshjahan, M.; Dehghanian, P. A Comprehensive Review on Power System Flexibility: Concept, Services, and Products. IEEE Access 2022, 10, 99257–99267. [Google Scholar] [CrossRef]
  27. Akrami, A.; Doostizadeh, M.; Aminafar, F. Power system flexibility: An overview of emergence to evolution. J. Mod. Power Syst. Clean Energy 2019, 7, 987–1007. [Google Scholar] [CrossRef]
  28. Ndlela, N.W.; Davidson, I.E. Network Coordination between High-Voltage DC and High-Voltage AC Transmission Systems Using Flexible AC Transmission System Controllers. Energies 2022, 15, 7402. [Google Scholar] [CrossRef]
  29. Natale, N.; Pilo, F.; Pisano, G.; Soma, G.G. Quantitative Assessment of Flexibility at the TSO/DSO Interface Subject to the Distribution Grid Limitations. Appl. Sci. 2022, 12, 1858. [Google Scholar] [CrossRef]
  30. The COLLECTiEF Project. Available online: https://collectief-project.eu/ (accessed on 11 November 2023).
  31. The EUniversal Project: Linking Active System Management to Flexibility Markets. Available online: https://euniversal.eu/# (accessed on 11 November 2023).
  32. FEVER: Flexible Energy Production, Demand and Storage-Based Virtual Power Plants for Electricity Markets and Resilient DSO Operation. Available online: https://fever-h2020.eu/ (accessed on 11 November 2023).
  33. The FLEXGRID Project. Available online: https://flexgrid-project.eu/ (accessed on 11 November 2023).
  34. Sijakovic, N.; Terzic, A.; Fotis, G.; Mentis, I.; Zafeiropoulou, M.; Maris, T.I.; Zoulias, E.; Elias, C.; Ristic, V.; Vita, V. Active System Management Approach for Flexibility Services to the Greek Transmission and Distribution System. Energies 2022, 15, 6134. [Google Scholar] [CrossRef]
  35. Zafeiropoulou, M.; Mentis, I.; Sijakovic, N.; Terzic, A.; Fotis, G.; Maris, T.I.; Vita, V.; Zoulias, E.; Ristic, V.; Ekonomou, L. Forecasting Transmission and Distribution System Flexibility Needs for Severe Weather Condition Resilience and Outage Management. Appl. Sci. 2022, 12, 7334. [Google Scholar] [CrossRef]
  36. Mohsin, S.M.; Maqsood, T.; Madani, S.A. Solar and Wind Energy Forecasting for Green and Intelligent Migration of Traditional Energy Sources. Sustainability 2022, 14, 16317. [Google Scholar] [CrossRef]
  37. Shukri, N.B.M.; Jumaat, S.A.B. ANN—Based Model for Prediction Electricity from Wind Energy. In Proceedings of the 11th IEEE Symposium on Computer Applications & Industrial Electronics (ISCAIE), Penang, Malaysia, 31 March 2021; pp. 36–41. [Google Scholar] [CrossRef]
  38. Siddhant, K.; Garg, H.; Saha, A.; Singh, N.; Choudhary, N.K.; Singh, D.K. Solar Energy Forecasting using Artificial Neural Network. In Proceedings of the IEEE Students Conference on Engineering and Systems (SCES), Prayagraj, India, 1–3 July 2022; pp. 1–5. [Google Scholar] [CrossRef]
  39. Pavlatos, C.; Makris, E.; Fotis, G.; Vita, V.; Mladenov, V. Utilization of Artificial Neural Networks for Precise Electrical Load Prediction. Technologies 2023, 11, 70. [Google Scholar] [CrossRef]
  40. Ostovar, S.; Moeini-Aghtaie, M.; Hadi, M.B. Designing a new procedure for participation of prosumers in day-ahead local flexibility market. Int. J. Electr. Power Energy Syst. 2023, 146, 108694. [Google Scholar] [CrossRef]
  41. Acosta, R.R.; Wanigasekara, C.; Lehnhoff, S.; Gómez, J.M. Evaluating Distribution System Flexibility Markets Based on Smart Grid Key Performance Indicators. In Proceedings of the 2023 3rd Power System and Green Energy Conference (PSGEC), Shanghai, China, 24–26 August 2023; p. 393. [Google Scholar]
  42. Simion, C.-P.; Verdeș, C.-A.; Mironescu, A.-A.; Anghel, F.-G. Digitalization in Energy Production, Distribution, and Consumption: A Systematic Literature Review. Energies 2023, 16, 1960. [Google Scholar] [CrossRef]
Figure 1. The web application architecture for the F-platform.
Figure 1. The web application architecture for the F-platform.
Processes 11 03432 g001
Figure 2. The role of the flexibility market in the F-channel platform.
Figure 2. The role of the flexibility market in the F-channel platform.
Processes 11 03432 g002
Figure 3. Indication of the positions of Crete (in red color) and Peloponnese (in blue color).
Figure 3. Indication of the positions of Crete (in red color) and Peloponnese (in blue color).
Processes 11 03432 g003
Figure 4. F-channel platform—TSO/DSO dashboard.
Figure 4. F-channel platform—TSO/DSO dashboard.
Processes 11 03432 g004
Figure 5. Deep network representation modeling of all voltage levels.
Figure 5. Deep network representation modeling of all voltage levels.
Processes 11 03432 g005
Figure 6. Flow chart of the tasks expected by the GEOGRID solution.
Figure 6. Flow chart of the tasks expected by the GEOGRID solution.
Processes 11 03432 g006
Figure 7. Daily diagram of the household demand.
Figure 7. Daily diagram of the household demand.
Processes 11 03432 g007
Figure 8. Daily diagram of the industry demand.
Figure 8. Daily diagram of the industry demand.
Processes 11 03432 g008
Figure 9. Daily diagram of the commercial demand.
Figure 9. Daily diagram of the commercial demand.
Processes 11 03432 g009
Figure 10. Daily diagram of the electric vehicle demand.
Figure 10. Daily diagram of the electric vehicle demand.
Processes 11 03432 g010
Figure 11. Created microgrid model—household demand.
Figure 11. Created microgrid model—household demand.
Processes 11 03432 g011
Figure 12. Created microgrid model—industry demand.
Figure 12. Created microgrid model—industry demand.
Processes 11 03432 g012
Figure 13. Created microgrid model—commercial demand.
Figure 13. Created microgrid model—commercial demand.
Processes 11 03432 g013
Figure 14. Created microgrid model—EV charging stations.
Figure 14. Created microgrid model—EV charging stations.
Processes 11 03432 g014
Figure 15. Georeferenced map of the Crete grid (the power lines are in red color, the substations are indicated with yellow locator pins and the blue lines mark the distribution voltage levels).
Figure 15. Georeferenced map of the Crete grid (the power lines are in red color, the substations are indicated with yellow locator pins and the blue lines mark the distribution voltage levels).
Processes 11 03432 g015
Figure 16. Power flows and voltage levels in the distribution grid of Agios Nikolaos.
Figure 16. Power flows and voltage levels in the distribution grid of Agios Nikolaos.
Processes 11 03432 g016
Figure 17. Load flow results using a georeferenced presentation.
Figure 17. Load flow results using a georeferenced presentation.
Processes 11 03432 g017
Figure 18. Georeferenced representation of the load flow results.
Figure 18. Georeferenced representation of the load flow results.
Processes 11 03432 g018
Figure 19. Georeferenced representation of the voltage values.
Figure 19. Georeferenced representation of the voltage values.
Processes 11 03432 g019
Figure 20. Coordination module and critical information exchange between the potential service provider and the system operator.
Figure 20. Coordination module and critical information exchange between the potential service provider and the system operator.
Processes 11 03432 g020
Figure 21. Icing report from the F-channel platform: (a) first part and (b) second part.
Figure 21. Icing report from the F-channel platform: (a) first part and (b) second part.
Processes 11 03432 g021
Disclaimer/Publisher’s Note: The statements, opinions and data contained in all publications are solely those of the individual author(s) and contributor(s) and not of MDPI and/or the editor(s). MDPI and/or the editor(s) disclaim responsibility for any injury to people or property resulting from any ideas, methods, instructions or products referred to in the content.

Share and Cite

MDPI and ACS Style

Zafeiropoulou, M.; Sijakovic, N.; Zarkovic, M.; Ristic, V.; Terzic, A.; Makrygiorgou, D.; Zoulias, E.; Vita, V.; Maris, T.I.; Fotis, G. A Flexibility Platform for Managing Outages and Ensuring the Power System’s Resilience during Extreme Weather Conditions. Processes 2023, 11, 3432. https://doi.org/10.3390/pr11123432

AMA Style

Zafeiropoulou M, Sijakovic N, Zarkovic M, Ristic V, Terzic A, Makrygiorgou D, Zoulias E, Vita V, Maris TI, Fotis G. A Flexibility Platform for Managing Outages and Ensuring the Power System’s Resilience during Extreme Weather Conditions. Processes. 2023; 11(12):3432. https://doi.org/10.3390/pr11123432

Chicago/Turabian Style

Zafeiropoulou, Magda, Nenad Sijakovic, Mileta Zarkovic, Vladan Ristic, Aleksandar Terzic, Dimitra Makrygiorgou, Emmanouil Zoulias, Vasiliki Vita, Theodoros I. Maris, and Georgios Fotis. 2023. "A Flexibility Platform for Managing Outages and Ensuring the Power System’s Resilience during Extreme Weather Conditions" Processes 11, no. 12: 3432. https://doi.org/10.3390/pr11123432

APA Style

Zafeiropoulou, M., Sijakovic, N., Zarkovic, M., Ristic, V., Terzic, A., Makrygiorgou, D., Zoulias, E., Vita, V., Maris, T. I., & Fotis, G. (2023). A Flexibility Platform for Managing Outages and Ensuring the Power System’s Resilience during Extreme Weather Conditions. Processes, 11(12), 3432. https://doi.org/10.3390/pr11123432

Note that from the first issue of 2016, this journal uses article numbers instead of page numbers. See further details here.

Article Metrics

Back to TopTop