Review of the Progress of Energy Saving of Hydraulic Control Systems
Abstract
:1. Introduction
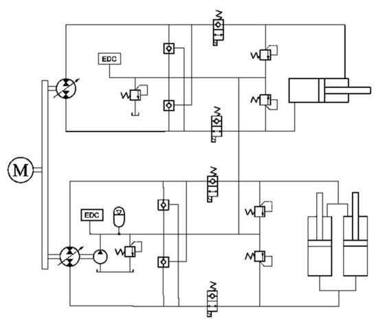
2. Working Principle of Hydraulic Control System
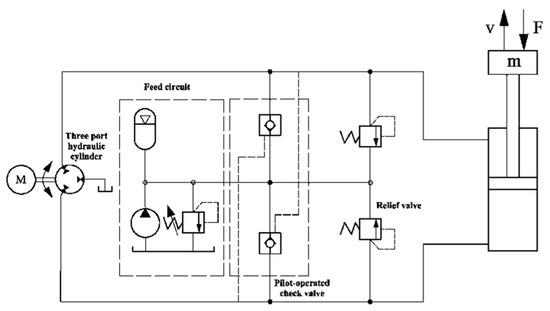
2.1. The Working Principle of the Valve Control System
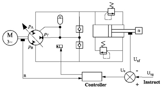
2.2. The Working Principle of the Pump Control System
3. Factors Affecting Power Loss in Hydraulic Control Systems and Energy-Saving Measures
- (1)
- Energy conversion loss
- (2)
- Energy transmission loss
- (3)
- Energy-matching loss
- (4)
- Energy loss caused by impact
- (1)
- Improving the efficiency of hydraulic components and reducing energy loss in controlling them
- (2)
- Improve the matching relationship of energy
- (3)
- Reduce pressure loss during transmission
- (4)
- Reduce the vibration generated during equipment startup
4. Current Status of Energy-Saving Research on Hydraulic Control Systems
4.1. Current Research Status of Energy-Saving Circuits and Structures in Hydraulic Control Systems
4.1.1. Current Research Status of Energy-Saving Circuits and Structures in Valve Control Systems
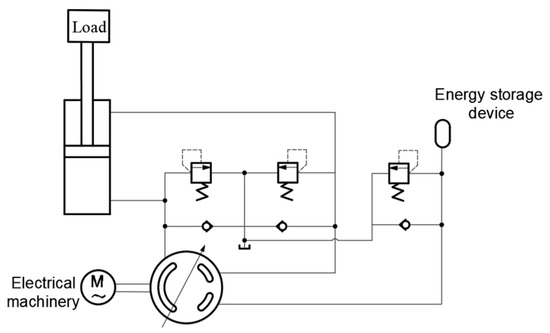
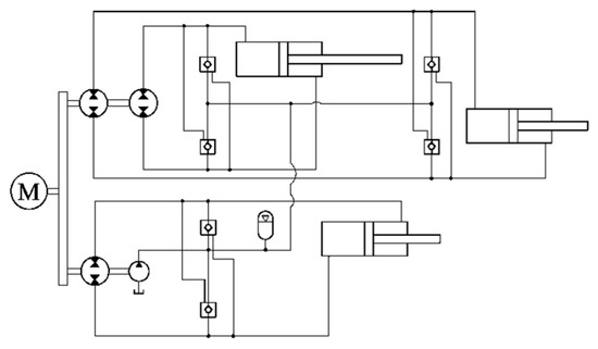
4.1.2. Current Research Status of Energy-Saving Circuits and Structures in Pump Control Systems
4.2. Current Research Status of Energy-Saving Control Strategies for Hydraulic Control Systems
4.2.1. Research Status of Energy-Saving Control Strategies for Valve Control Systems
4.2.2. Current Research Status of Energy-Saving Control Strategies for Pump Control Systems
5. Discussion
6. Conclusions
Author Contributions
Funding
Data Availability Statement
Acknowledgments
Conflicts of Interest
References
- Wang, C. Hydraulic Control System, 3rd ed.; China Machine Press: Beijing, China, 2011; pp. 60–65. [Google Scholar]
- Yang, N.; Li, B.; Xu, W.B.; Zhang, J.R. Present Status and Development Trend of Energy Saving and Emission Reduction of Construction Machinery. Mach. Des. Manuf. 2021, 1, 300–304. [Google Scholar]
- Zhang, R.X. Design and Research on Hydraulic Control System of 50 kg High Speed Impact Testing Machine. Master’s Thesis, Shenyang University of Technology, Shenyang, China, 28 May 2022. [Google Scholar]
- Ding, R.; Zhang, J.; Xu, B.; Cheng, M. Programmable hydraulic control technique in construction machinery: Status, challenges and countermeasures. Autom. Constr. 2018, 95, 172–192. [Google Scholar] [CrossRef]
- Qin, X.H.; Qi, T.T. Application of servo valves in hydraulic systems. Equip. Manag. Maint. 2022, 17, 121–123. [Google Scholar]
- Yu, Z.P.; Han, W.; Xu, S.Y.; Xiong, L. Review on hydraulic pressure control of electro-hydraulic brake system. J. Mech. Eng. 2017, 53, 1–15. [Google Scholar] [CrossRef]
- Wang, Y.X.; Jing, H.R.; Zhang, D.X.; Cui, T.; Zhong, X.J.; Yang, L. Development and performance evaluation of an electric-hydraulic control system for subsoiler with flexible tines. Comput. Electron. Agric. 2018, 151, 249–257. [Google Scholar] [CrossRef]
- Xu, B.; Shen, J.; Liu, S.; Su, Q.; Zhang, J. Research and development of electro-hydraulic control valves oriented to industry 4.0: A review. Chin. J. Mech. Eng. 2020, 33, 29. [Google Scholar] [CrossRef]
- Jin, F.Y.; Luo, Y.Y.; Zhao, Q.; Cao, J.L. Energy loss analysis of transition simulation for a prototype reversible pump turbine during load rejection process. Energy 2023, 284, 129216. [Google Scholar] [CrossRef]
- Li, R.C.; Yuan, W.T.; Ding, X.K.; Xu, J.K.; Sun, Q.Y.; Zhang, Y.S. Review of Research and Development of Hydraulic Synchronous Control System. Processes 2023, 11, 981–1013. [Google Scholar] [CrossRef]
- Shanbhag, V.V.; Meyer, T.J.; Caspers, L.W.; Schlanbusch, R. Failure monitoring and predictive maintenance of hydraulic cylinder—State-of-the-art review. IEEE/ASME Trans. Mechatron. 2021, 26, 3087–3103. [Google Scholar] [CrossRef]
- Kong, X.D.; Cai, B.P.; Liu, Y.H.; Zhu, H.M.; Liu, Y.Q.; Shao, H.D.; Yang, C.; Li, H.J.; Mo, T.Y. Optimal sensor placement methodology of hydraulic control system for fault diagnosis. Mech. Syst. Signal Process 2022, 174, 109069. [Google Scholar] [CrossRef]
- Venkaiah, P.; Sarkar, B.K. Electrohydraulic proportional valve-controlled vane type semi-rotary actuated wind turbine control by feedforward fractional-order feedback controller. Proc. Inst. Mech. Eng. Part I J. Syst. Control. Eng. 2022, 2, 318–337. [Google Scholar] [CrossRef]
- Sun, J.Q.; Zhang, P.Z.; Cao, X.F.; Zhai, L.J.; Han, N. Characteristic Analysis and Position Control of Valve Controlled Asymmetric Cylinder System. Mach. Tools Hydraul. 2022, 50, 29–34. [Google Scholar]
- Manring, N.D.; Fales, R.C. Hydraulic Control Systems, 1st ed.; John Wiley & Sons: Hoboken, NJ, USA, 2019; pp. 72–84. [Google Scholar]
- Qi, W.; Yang, B.; Chao, Y. Research on Hydraulic Servo Valve Control Based on Fuzzy RBF. J. Phys. Conf. Ser. 2022, 2417, 012029. [Google Scholar] [CrossRef]
- Jin, X.; Chen, K.; Zhao, Y.; Ji, J.T.; Pang, J. Simulation of hydraulic transplanting robot control system based on fuzzy PID controller. Measurement 2020, 164, 108023. [Google Scholar] [CrossRef]
- Pu, H.Y.; Jiang, G.; Hao, X.A.; Zou, H.F.; Liu, S.S.; Chen, Q.P.; Xu, W.G. Compound Control Strategy of Valve-controlled Asymmetric Cylinder Based on Variable Fuzzy PID Controller. Hydraul. Pneum. 2022, 46, 82–89. [Google Scholar]
- Liu, N.; Wang, F. Analysis and Countermeasures About Cavitation in Valve-controlled-asymmetrical-cylinder System. Hydraul. Pneum. 2021, 45, 177–182. [Google Scholar]
- Deng, W.X.; Yao, J.Y.; Wang, Y.Y.; Yang, X.W.; Chen, J.H. Output feedback backstepping control of hydraulic actuators with valve dynamics compensation. Mech. Syst. Signal Process 2021, 158, 107769. [Google Scholar] [CrossRef]
- Chu, X.L.; Guan, Y.B. New valve control system for forging hydraulic press. Mech. Des. 2023, 40, 168–172. [Google Scholar]
- Shen, J.J.; Tang, Z.; Wang, B.Q.; Jia, F. Constant Speed Control of Snow Removal and Salt Sprinkle Truck Based on Optimized Fuzzy Adaptive PlD. Hydraul. Pneum. 2021, 45, 177–182. [Google Scholar]
- Wang, C.W.; Quan, L.; Zhang, S.J.; Meng, H.J.; Lan, Y. Reduced-order Model Based Active Disturbance Rejection Control of Hydraulic Servo System with Singular Value Perturbation Theory. ISA Trans. 2017, 68, 455–465. [Google Scholar] [CrossRef]
- Xu, S.W. Development of Pump-Controlled-System Abroad. Hydraul. Pneum. Seals 2010, 30, 1–4. [Google Scholar]
- Liu, L.; Deng, Q.; Tang, D.W. Research on Sliding Mode Control Strategy for Electro-hydraulic Position Servo System of Valve-controlled Asymmetric Hydraulic Cylinder. Eng. Mach. 2023, 54, 78–81. [Google Scholar]
- Yang, X.W.; Xiong, Q.Q.; Yang, T. The Simulation Analysis for Dynamical Characteristics of the Hydraulic System Controlled by Electro-Hyaraulic Based on Power Graph and Simulink. Mech. Des. Manuf. 2019, 12, 128–130. [Google Scholar]
- Feng, L.J. Research on Nonlinear Models and Control Techniques for Valve-Controlled Servo Systems. Ph.D. Thesis, Beijing Jiaotong University, Beijing, China, 13 September 2021. [Google Scholar]
- Qin, N.; Ma, N.; Xu, B.; Zhang, Q. Design and energy efficiency analysis of valve controlled Hydraulic and electric compound drive excavator turn system. J. Mech. Eng. 2023, 21, 54–55. [Google Scholar]
- Helian, B.B.; Lu, L.T.; Chen, Z.; Yao, B. Trajectory Tracking Control of a Direct-drive Variable Speed Pump Control System with a Non-linear Model Compensation. Hydraul. Pneum. 2021, 45, 1–6. [Google Scholar]
- Liu, X.T.; Zhang, S.Z.; Zhang, L.; Zhang, X.F. Dynamic Characteristics and Compound Control of Tirple-pump Direct Driven Hydraulics. Modul. Mach. Tool Autom. Manuf. Tech. 2021, 12, 101–104. [Google Scholar]
- Bian, Y.M.; Yin, J.G.; Yang, J.X.; Xu, B.M. Study of Gear Pump/Motor Efficiency for Variable-Speed Pump-Controlled-Motor System. In Proceedings of the 2019 International Conference on Advances in Construction Machinery and Vehicle Engineering, Changsha, China, 14–16 May 2019. [Google Scholar]
- Han, Y.; Zou, B.Y. Stability Control and Simulation of Motor Speed in Pump-Control-Motor Hydraulic System. Mach. Tools Hydraul. 2023, 23, 1–9. [Google Scholar]
- He, J.J.; Zhang, C.; Tang, C.Q.; Li, K.; Xie, S. Study on Independent Variable Speed Pump Control System of truck Crane. M&E Eng. Technol. 2022, 51, 28–31. [Google Scholar]
- Chen, W. Research on Hybrid Pressure Compensation Hydraulic Control System. Master’s Thesis, Guizhou University, Guizhou, China, 10 June 2021. [Google Scholar]
- Kang, J. Research on Power Matching Control of Hydraulic Excavator Power System. Master’s Thesis, Dallian University of Technology, Dalian, China, 9 June 2022. [Google Scholar]
- Yin, X. Analysis and Energy Saving Research on the Slewing System of Large Hydraulic Excavator. Master’s Thesis, China University of Mining & Technology, Xuzhou, China, 9 June 2020. [Google Scholar]
- Li, Z.H.; Khajepour, A.; Song, J.C. A comprehensive review of the key technologies for pure electric vehicles. Energy 2019, 182, 824–839. [Google Scholar] [CrossRef]
- Peng, H.Q. Study of Performance and Energy Consumption for Valve-controlled Asymmetric Cylinder. Ind. Saf. Environ. Prot. 2018, 44, 93–96. [Google Scholar]
- Tan, L.S.; He, X.Y.; Xiao, G.X.; Jiang, M.J.; Yuan, Y.L. Design and energy analysis of novel hydraulic regenerative potential energy systems. Energy 2022, 249, 123780. [Google Scholar] [CrossRef]
- Jia, J.L.; Zhu, G.Y.; Zhang, C.C.; Shen, Y.B.; Zhang, C. Research on Energy Conservation of Self-discharging Pilot Hydraulic Control System. Constr. Mach. Equip. 2022, 53, 110–114. [Google Scholar]
- Song, J.; Yin, M.Y.; Meng, J.X.; Wang, W.F.; Kong, X.D.; Ai, C. Analysis of Pressure Loss in Hydraulic System of Excavator with Positive Flow Control. Hydraul. Pneum. 2020, 6, 12–21. [Google Scholar]
- Yu, Y.X.; Do, T.; Park, Y.; Ahn, K. Energy saving of hybrid hydraulic excavator with innovative powertrain. Energy Convers. Manag. 2021, 244, 114447. [Google Scholar] [CrossRef]
- Wu, Y.H.; Zhang, H.J.; Guo, J. Energy Saving Control of Metal Powder Press Hydraulic System Based on AMESim. Hydraul. Pneum. 2022, 50, 161–165. [Google Scholar]
- Lin, T.L.; Lin, Y.Z.; Ren, H.L.; Chen, H.B.; Li, Z.S.; Chen, Q.H. A double variable control load sensing system for electric hydraulic excavator. Energy 2021, 223, 119999. [Google Scholar] [CrossRef]
- Wang, W.P. Research on Boom Potential Energy Recovery System of Large Hydraulic Excavator Based on Gas-Hydraulic Balance Unit. Ph.D. Thesis, China University of Mining & Technology, Xuzhou, China, 9 June 2018. [Google Scholar]
- Shen, Y.H.; Niu, T.W.; Liu, Z.X. Analysis of Energy Saving of Distributed-Drive Articulated Vehicle Based on Electro-Hydraulic Hybrid Steering System. J. South China Univ. Technol. (Nat. Sci. Ed.) 2022, 50, 84–92. [Google Scholar]
- Zhang, J.Y. Design and Research of Hydraulic Control System for Die Cushion of 500 kN Press. Master’s Thesis, Shenyang University of Technology, Shenyang, China, 28 May 2022. [Google Scholar]
- Zhang, X.W.; Gong, Q. Analyze and Verify Energy Saving Technology of Shield Propulsion Hydraulic System. Hydraul. Pneum. 2022, 46, 158–164. [Google Scholar]
- Zhang, Y.B. Study on Energy Saving System Design and Energy Saving Efficiency of Pump Controlled Hydraulic Die-cushion. Master’s Thesis, Yanshan University, Qinhuangdao, China, 23 May 2022. [Google Scholar]
- Yang, M.K.; Chen, G.X.; Lu, J.X.; Yu, C.; Yan, G.S.; Ai, C.; Li, Y.W. Research on energy transmission mechanism of the electro-hydraulic servo pump control system. Energies 2021, 16, 4869. [Google Scholar] [CrossRef]
- Sato, S.; Kobayashi, K.; Watanabe, S. A parallel drive control system of a hydraulic motor using pump control and valve control. In Proceedings of the 2nd International Conference on Fluid Power, Hangzhou, China, 20–22 March 1989; pp. 40–45. [Google Scholar]
- Sheng, W.X.; Wang, S.A.; Lin, Y.Q. A new solution to improve the performance of hydraulic speed servo systems. Mach. Tool Hydraul. 1993, 2, 69–72. [Google Scholar]
- Bury, P.; Stosiak, M.; Urbanowicz, K.; Kodura, A.; Kubrak, M.; Malesińska, A. A Case Study of Open- and Closed-Loop Control of Hydrostatic Transmission with Proportional Valve Start-Up Process. Energies 2022, 15, 1860. [Google Scholar] [CrossRef]
- Bai, W.X. Comparative Analysis of Energy-saving Characteristics of Fixed-Variable and Bi-Variable Hydraulic Systems of Wheel Loader. Master’s Thesis, Jilin University, Changchun, China, 30 May 2021. [Google Scholar]
- Wang, X.Y.; Yang, J.; Quan, L.; Zhang, X.G.; Wang, J. A Novel High-Efficiency Wheel Loader Power Steering System with Fault-Tolerant Capability. IEEE/ASME Trans. Veh. Technol. 2018, 67, 9273–9283. [Google Scholar] [CrossRef]
- Dell’Amico, A.; Krus, P. Modeling, simulation, and experimental investigation of an electrohydraulic closed-center power steering system. IEEE/ASME Trans. Mechatron. 2015, 20, 2452–2462. [Google Scholar] [CrossRef]
- Dell’Amico, A. Pressure Control in Hydraulic Power Steering Systems; Linköping University Electronic Press: Linköping, Sweeden, 2013. [Google Scholar]
- Zhao, C.H.; Guo, Y. Research on Energy-saving of Hydraulic Excavator Based on Hydraulic Transformer. Mach. Tool Hydraul. 2021, 49, 157–161. [Google Scholar]
- Zhou, Y.F.; Liu, Z.P.; Han, Y.G.; Niu, Z.J. Technical research on brake pressure control of airplane anti-skid brake system. Aviat. Precis. Manuf. Technol. 2020, 56, 44–48. [Google Scholar]
- Xie, Y.; Ma, L.R.; Wei, M.J.; Liu, S.Q. Simulation and Analysis of Vibration of Hydraulic Brake System Based on Fluent. Hydraul. Pneum. 2020, 3, 158–162. [Google Scholar]
- Cao, Q.; Ouyang, H.; Friswell, M.; Mottershead, J. Linear eigenvalue analysis of the disc-brake squeal problem. Int. J. Numer. Methods Eng. 2004, 61, 1546–1563. [Google Scholar] [CrossRef]
- Zhang, Q.W. Research on System Dynamic Characteristics and Vibration Suppress Methods of Aircraft Braking Hydraulic System. Ph.D. Thesis, Yanshan University, Qinhuangdao, China, 23 December 2020. [Google Scholar]
- Wrat, G.; Bhola, M.; Ranjan, P.; Mishra, S.K.; Das, J. Energy saving and Fuzzy-PID position control of electro-hydraulic system by leakage compensation through proportional flow control valve. ISA Trans. 2020, 101, 269–280. [Google Scholar] [CrossRef]
- Karpenko, M.; Stosiak, M.; Šukevičius, Š.; Skačkauskas, P.; Urbanowicz, K.; Deptuła, A. Hydrodynamic Processes in Angular Fitting Connections of a Transport Machine’s Hydraulic Drive. Machines 2023, 11, 355. [Google Scholar] [CrossRef]
- Ma, Y.B.; Zhao, B.; Hao, Y.X. Characteristics Analysis of Asymmetric Pump-controlled Single-rod Hydraulic Cylinder System. Hydraul. Pneum. 2020, 8, 167–175. [Google Scholar]
- Rahmfeld, R.; Ivantysynova, M. Displacement Controlled Linear Actuator with Differential Cylinder-A Way to Save Primary Energy in Mobile Machines. In Proceedings of the 5th International Conference on Fluid Power Transmission and Control, Hangzhou, China, 6–8 April 2001. [Google Scholar]
- Ni, H.; Ge, L.; Quan, L. Efficiency Characteristics of Hydraulic Rotary Mechanical Linear Actuator Controlled by Closed Pump. Hydraul. Pneum. 2022, 46, 67–73. [Google Scholar]
- Zhang, X.G.; Qian, L.; Yang, Y.; Wang, C.B.; Yao, L.W. Theoretical Analysis and Experimental Research on Characteristics of Parallel Three Assignment Windows Axial Piston Pump. J. Mech. Eng. 2011, 47, 151–157. [Google Scholar] [CrossRef]
- Wang, C.B. The Simulation and Test Study on the System of Constant Speed Servo Pump-Controlled Differential Cylinder. Hydraul. Pneum. Seal. 2014, 8, 12–14. [Google Scholar]
- Chen, M.D.; Zhao, D.X.; Ni, T. Boom energy-saving system with closed oil in hydraulic excavator. J. Jilin Univ. (Eng. & Technol. Ed.) 2012, 42, 1140–1144. [Google Scholar]
- Yao, J.; Wang, P.; Dong, Z.S.; Kong, X.D. Coupling Characteristics of Independent Volume-in and Volume-out Control for Open Circuit Pump-controlled Asymmetric Cylinder Systems. China Mech. Eng. 2017, 28, 1639–1645. [Google Scholar]
- Wang, B.; Li, Y.H.; Zhao, B.; Ge, L.; Quan, L. Comparative Study on Energy Efficiency Characteristics of Pump-controlled Asymmetric Hydraulic Cylinder Systems. Hydraul. Pneum. 2018, 10, 8–14. [Google Scholar]
- Gao, Y.S.; Quan, L.; Zhao, B.; Wang, A.H.; Lv, Z.F. Technology to Recover and Utilize the Energy of the Working Devices for Construction Machinery: State of the Art. Hydraul. Pneum. 2019, 10, 1–10. [Google Scholar]
- Gao, Y.S.; Cheng, J.; Huang, J.H.; Quan, L. Simulation Analysis and Test of Variable-displacement Asymmetric Axial Piston Pump. J. Mech. Eng. 2018, 54, 215–224. [Google Scholar] [CrossRef]
- Huang, J.H.; He, W.; Hao, H.M.; Quan, L. Analysis of Control Characteristics of Variable-displacement Asymmetric Axial Piston Pump. Trans. Chin. Soc. Agric. Mach. 2019, 50, 368–376. [Google Scholar]
- Wang, M.; Gao, Y.S.; Zhao, X.X.; Li, X. Theoretical Study on Potential Energy Recovery of Asymmetric Pump-Controlled System. Mach. Tools Hydraul. 2022, 50, 215–224. [Google Scholar]
- Christopher, W.; Shinok, L.; Monika, I. Active vibration damping for an off-road behicle with displacement controlled actuators. IJFP 2009, 22, 5–16. [Google Scholar]
- Zhang, X.G. The Theory and Experiment Studies on Three Assignment Windows Axial Piston pump Assignment. Ph.D. Thesis, Taiyuan University of Technology, Taiyuan, China, 1 November 2011. [Google Scholar]
- Xu, B.; Yang, H.Y. Summarization on VVVF Controlled Hydraulic Elevator System. China Mech. Eng. 2001, 12, 1082–1087. [Google Scholar]
- Xu, B.; Zhang, B.; Lin, J.J. Energy Consumption Characteristics of VVVF Controlled Hydraulic Elevators. J. Mech. Eng. 2006, 2, 137–141. [Google Scholar] [CrossRef]
- Wang, W.P.; Cheng, C.; Zou, W.; Lu, X.N. Integrated energy saving and position tracking controller for the hydraulic lifting servo system. ISA Trans. 2022, 119, 196–207. [Google Scholar] [CrossRef]
- Wang, W.P.; Du, W.F.; Cheng, C.; Lu, X.N.; Zou, W. Output feedback control for energy-saving asymmetric hydraulic servo system based on desired compensation approach. Appl. Math. Model. 2022, 101, 360–379. [Google Scholar] [CrossRef]
- Lv, H. Research on Energy-saving Characteristics of Hybrid Hydraulic Excavator. Master’s Thesis, Taiyuan University of Technology, Taiyuan, China, 13 June 2021. [Google Scholar]
- Mao, Y.L. Speed Control of Valve-controlled Motor Based on AMESim and Simulink Simulation. Electromech. Eng. Technol. 2020, 49, 93–95. [Google Scholar]
- Jiang, S.Y.; Liu, Y.J. Intelligent control on valve-controlled motor speed servo system. Adv. Mater. Res. 2014, 47, 1543–1546. [Google Scholar] [CrossRef]
- Dang, B.B.; Zhao, T.S.; Zheng, W.; Li, S.X. Application of Fuzzy Control Based on PLC in Valve Controlled Motor System. Constr. Mach. Technol. Manag. 2018, 31, 61–64. [Google Scholar]
- Li, S.S.; He, X.H.; Wang, Q.; Zhang, T. Characteristics of Proportional Valve Controlling Motor System of an Electronically Controlled Hydraulic-drive Vehicle. Hydraul. Pneum. 2020, 5, 145–150. [Google Scholar]
- Wang, C.T.; Lu, D.; Qian, P.F.; Xia, P.; Xie, F.W.; Zhang, B. Modeling and Constant Rotational Speed Control of Valve Controlled Vane Pneumatic Motor. Hydraul. Pneum. 2018, 10, 29–34. [Google Scholar]
- Yan, J.X.; Zhao, Y.G.; Wang, Y.L.; Li, Q.; Chen, T. Modeling and Simulation of Electro-hydraulic Walking Control System for Double Track Robot. Mach. Tool Hydraul. 2019, 47, 120–124. [Google Scholar]
- Yan, Z. Research on Dynamic Characteristics of Angular Displacement Servo System of Valve Control Hydraulic Motor. Hydraul. Pneum. 2020, 6, 43–51. [Google Scholar]
- Lei, X.S.; Hou, S.; Qin, X.; Wang, Y.F.; Meng, F.H.; Wang, K. Electro-Hydraulic Proportional Valve-controlled Hydraulic Motor System of Fuzzy PID Constant Speed Control. Fluid Power Transm. Control 2016, 1, 42–46. [Google Scholar]
- Liu, Z.R.; Muhetar, K. Load Feedforward and Feedback Constant Speed Control of Cotton Picking Head Hydraulic System. Mach. Tool Hydraul. 2021, 49, 130–134. [Google Scholar]
- Tian, Y. The Identification of Electro-Hydraulic Proportional Valve-Controlled Motor System and The Study of Constant Power Control Strategy. Master’s Thesis, Chang’an University, Xi’an, China, 6 May 2014. [Google Scholar]
- Guan, C.; Pan, S. Adaptive sliding mode control of electro-hydraulic system with nonlinear unknown parameters. Control Eng. Pract. 2008, 16, 1275–1284. [Google Scholar] [CrossRef]
- Xiong, Z.M. Data-driven Adaptive Control Method and Application. Master’s Thesis, Qingdao University of Science & Technology, Qingdao, China, 8 April 2022. [Google Scholar]
- Zhao, X.L. Design and Control of Rotary Drive of Rocket Weapons. Master’s Thesis, Nanjing University of Science & Technology, Nanjing, China, 23 March 2020. [Google Scholar]
- Mu, D.J.; Wang, J.X. Research on Self-Adaptive Control Strategy of Position Servo System. Ind. Control Comput. 2017, 30, 55–58. [Google Scholar]
- Wang, J.; Lu, Z.X.; Chang, J.X.; Li, M.J. Design and test of tractor’s hydraulic steering by-wire system. Chin. J. Agric. Mech. 2013, 34, 188–192. [Google Scholar]
- Wen, A.M.; Wu, J.G.; Liu, Y.G.; Mei, S.K.; Lu, Z.X. Study on road feeling control strategy of tractor hydraulic steering by-wire system. China J. Agric. Mech. 2015, 36, 156–159. [Google Scholar]
- Diao, X.Y.; Lu, Z.X.; Mei, S.K.; Gong, J.H.; Zhong, W.J. Co-simulation on hydraulic steer-by-wire system of tractor. Res. Agric. Mod. 2015, 36, 315–320. [Google Scholar]
- Ma, Y.; Li, R.C.; Xu, J.K.; Liu, Z.; Zhao, P.; Liu, Y.J. Study on the Fuzzy PID Auto-control Strategy for Tractor Tillage Depth. Agric. Mech. Res. 2019, 41, 241–247. [Google Scholar]
- Li, Y.H.; Yang, L.M.; Zhang, Z.H. Study on Second-order Sliding Mode Control Law for Electro-hydraulic Servo System. J. Mech. Eng. 2005, 3, 72–75. [Google Scholar] [CrossRef]
- Huang, H.J. Research on Variable Speed Pump-Controlled System and Application in Electric Drive Excavator. Master’s Thesis, Fujian University of Technology, Fujian, China, 28 June 2020. [Google Scholar]
- Kan, Y.J.; Su, J.; Ding, X.L. Research on Hydraulic Control Strategy of Engineering Vehicle Based on Fuzzy PID Control. J. Lanzhou Univ. Arts Sci. (Nat. Sci. Ed.) 2022, 36, 78–82. [Google Scholar]
- Zhang, S.Z.; Zhang, X.F.; Zheng, X.P.; Liu, X.H.; Liu, Y. Direct-driven Pump-controlled Three-chamber Cylinder System Using Feedforward Fuzzy PID Control. Hydraul. Pneum. 2023, 47, 79–87. [Google Scholar]










| Valve Control System | Pump Control System | |
|---|---|---|
| Main Control Components | Proportional Valve, Servo Valve | Variable Displacement Pump |
| Characteristic | 1. The system must have an air circulation circuit to prevent equipment overload; 2. When the system is idling, there must be an unloading circuit; 3. When the system is overloaded, excess hydraulic oil will flow back to the oil tank through the safety valve or overflow valve, consuming a large amount of energy and causing the system to heat up; 4. In the valve control system, there is internal leakage loss of the valve and resistance loss caused by hydraulic oil passing through the valve. The more valves are used, the greater the leakage and resistance loss. | 1. When the equipment is started, the variable displacement pump is in the zero-flow position, so there is no unloading circuit, and the system will not overload during startup; 2. When the equipment is in standby, the pump can return to the zero-flow position, thereby reducing the no-load energy loss of the system; 3. When the system pressure reaches the set value, excess hydraulic oil does not overflow from the overflow valve, and the system safety protection is achieved by reducing the pump flow output; 4. When the system needs to accelerate or decelerate, it can be achieved by increasing or decreasing the pump flow output to achieve speed regulation, without the need for throttle valve speed regulation; 5. The pump control system reduces valve leakage and resistance loss due to the reduction in the control valves. |
| Advantage | Good dynamic characteristics, low cost, excellent control precision, quick reaction time, and simplicity of use | The system has high efficiency, low heat generation, low energy loss, relatively simple control principle, low noise, easy maintenance, and convenient installation |
| Disadvantage | Low system efficiency, high system heat generation, and complex control principles | Poor dynamic characteristics, low control accuracy, and high cost |
| Energy Conversion Loss | Energy Transmission Loss | Energy-Matching Loss | Energy Loss Caused by External Shocks | |
|---|---|---|---|---|
| Reason | The loss of energy conversion components in hydraulic control systems during energy conversion | The energy loss generated by the transmission of hydraulic working medium throughout the entire hydraulic system | The energy loss caused by the mismatch between the energy provided by the power source and the energy required by the load | The impact pressure may reach 3–4 times the normal working pressure, causing damage to components, pipelines, instruments, etc. in the system |
| Classification | Mechanical friction loss, pressure loss, and volume loss | flow loss | Local pressure loss and frictional pressure loss | |
| Measure | By improving component quality and developing new energy-saving components | Reduce the friction torque of the output shaft of the prime mover and improve the power-matching relationship between the two | By designing the structure of hydraulic components reasonably, the usage of bent pipe joints is reduced; make the structural design of the entire hydraulic control system as compact as possible | Add a more suitable coupling between the active and driven shafts of the equipment; reduce interference from proportional valves |
Disclaimer/Publisher’s Note: The statements, opinions and data contained in all publications are solely those of the individual author(s) and contributor(s) and not of MDPI and/or the editor(s). MDPI and/or the editor(s) disclaim responsibility for any injury to people or property resulting from any ideas, methods, instructions or products referred to in the content. |
© 2023 by the authors. Licensee MDPI, Basel, Switzerland. This article is an open access article distributed under the terms and conditions of the Creative Commons Attribution (CC BY) license (https://creativecommons.org/licenses/by/4.0/).
Share and Cite
Li, R.; Zhang, Y.; Feng, Z.; Xu, J.; Wu, X.; Liu, M.; Xia, Y.; Sun, Q.; Yuan, W. Review of the Progress of Energy Saving of Hydraulic Control Systems. Processes 2023, 11, 3304. https://doi.org/10.3390/pr11123304
Li R, Zhang Y, Feng Z, Xu J, Wu X, Liu M, Xia Y, Sun Q, Yuan W. Review of the Progress of Energy Saving of Hydraulic Control Systems. Processes. 2023; 11(12):3304. https://doi.org/10.3390/pr11123304
Chicago/Turabian StyleLi, Ruichuan, Yisheng Zhang, Zhen Feng, Jikang Xu, Xiaowei Wu, Mengnan Liu, Yuhai Xia, Qiyou Sun, and Wentao Yuan. 2023. "Review of the Progress of Energy Saving of Hydraulic Control Systems" Processes 11, no. 12: 3304. https://doi.org/10.3390/pr11123304
APA StyleLi, R., Zhang, Y., Feng, Z., Xu, J., Wu, X., Liu, M., Xia, Y., Sun, Q., & Yuan, W. (2023). Review of the Progress of Energy Saving of Hydraulic Control Systems. Processes, 11(12), 3304. https://doi.org/10.3390/pr11123304
