A Smart Sensors-Based Solar-Powered System to Monitor and Control Tube Well for Agriculture Applications
Abstract
:1. Introduction
1.1. Motivation and Background
1.2. Literature Review
1.3. Research Gaps
1.4. Contributions
- The GSM module of the proposed system exchanges acknowledgement messages with the operator and controller about the various status, such as weather and environmental conditions, soil conditions (wet or dry), crop conditions, and toggle status of motor (OFF, ON/main power supply or solar power).
- Based on the weather and environmental conditions, soil conditions, crop conditions, and parameters sensor output, the motor is turned on or off automatically via the Arduino microcontroller to prevent excessive usage of water and electricity.
- The motor is turned off automatically when rain is started to save power.
- The proposed system is powered via solar plant that reduces power consumption and power outages.
1.5. Organization
2. Approach and Methodology
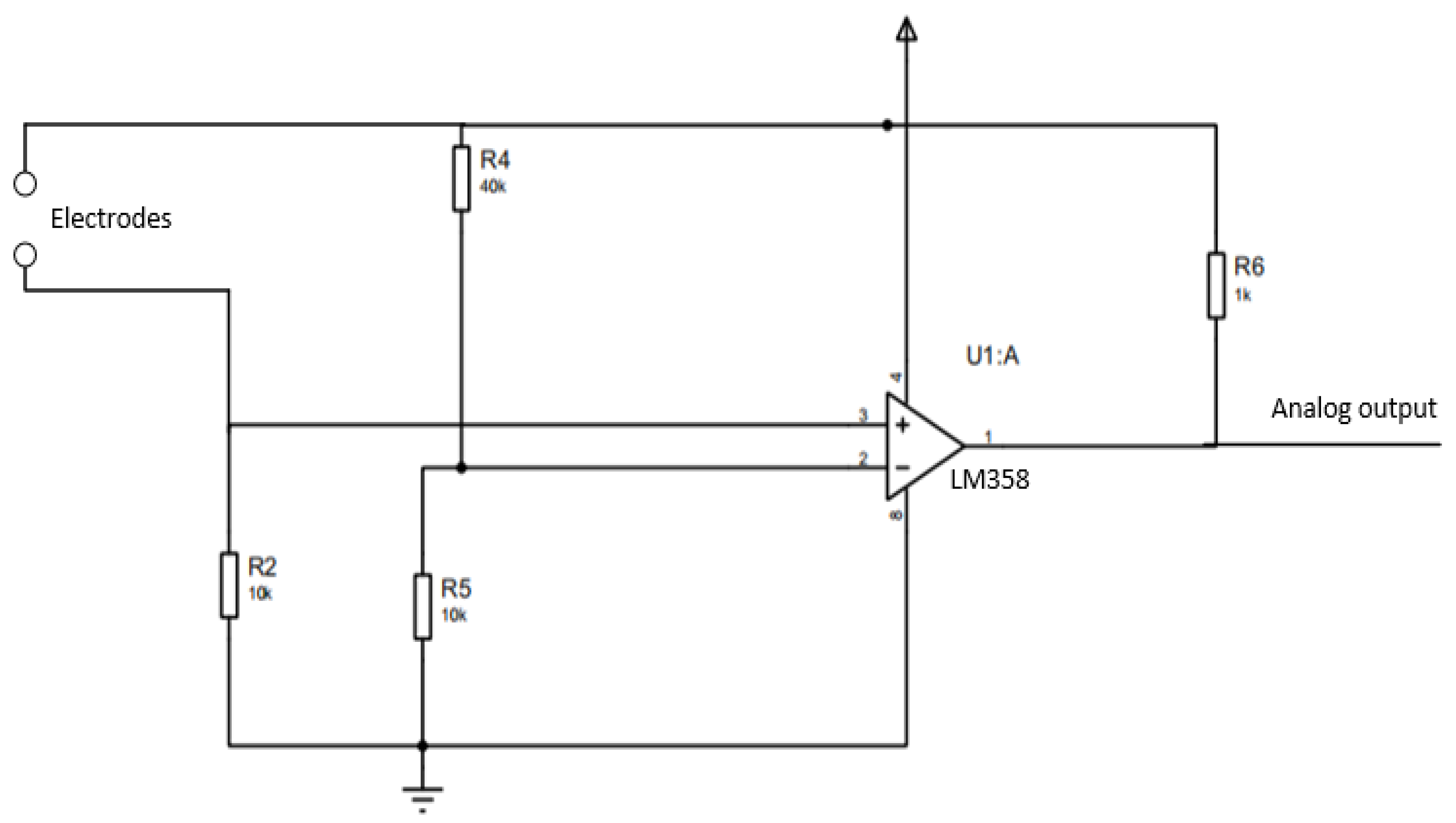
2.1. Sensors Module
Water Flow Sensor
2.2. Irradiance Measurement
2.3. Solar-Powered Water Pump
2.4. Motor Switching
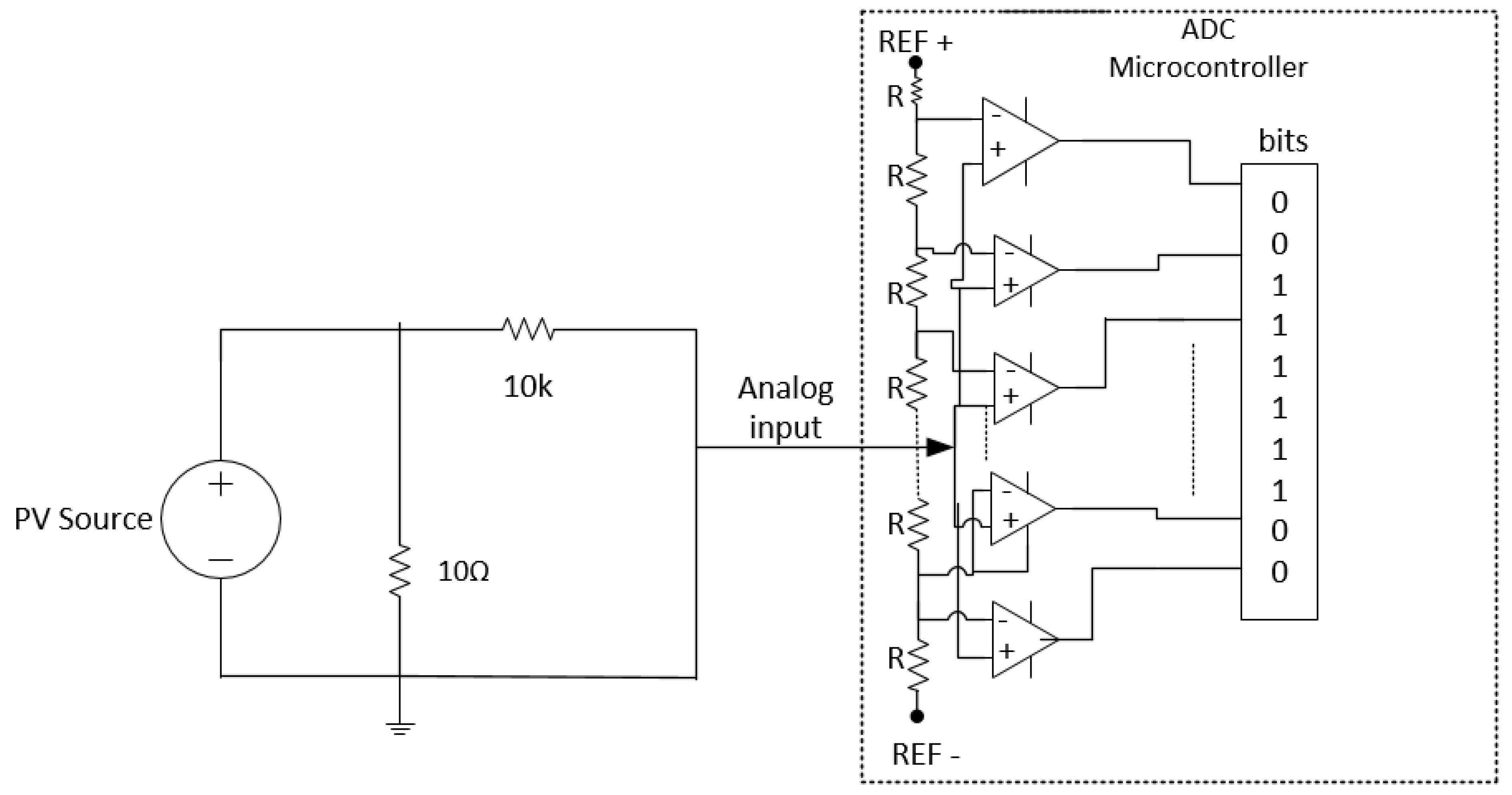
2.5. ADC
2.6. Voltage Regulator
3. Experimental Setup, Results, and Discussion
4. Discussion
- The obtained results listed in Table 7 illustrate that the proposed smart irrigation system takes 41.7%, 20.89%, and 14.92% less time compared to existing systems, such as [65], [66], and [67], respectively. Additionally, the capital cost of the proposed approach is nearly 10% less than the existing systems, such as [65], [66], and [67], respectively.
5. Conclusions
- The controller will be programmed based on the Lyapunov optimization technique to solve the irrigation scheduling problem in real time, where on-field events and requests will be responded to for effective irrigation.
- A Lyapunov-optimization-technique-based controller will be employed in fog- and cloud-based environments to solve the irrigation scheduling problem under dynamic and uncertain conditions for remote fields that the farmer is unable to access.
Author Contributions
Funding
Institutional Review Board Statement
Informed Consent Statement
Data Availability Statement
Acknowledgments
Conflicts of Interest
Abbreviations and Acronyms
| Abbreviations | Explanation |
| GSM | Global System for Mobile Communication |
| FL | Fuzzy Logic |
| IoT | Internet of Things |
| PIC | Peripheral Interface Controller |
| SMS | Short Messaging Service |
| LCD | Liquid Crystal Display |
| LDR | Light Dependent Resistor |
| SVR | Support Vector Regression |
| GPRS | General Packet Radio Service |
| ADC | Analog-to-Digital Converter |
| DC | Direct Current |
| AC | Alternating Current |
| I/O | Input/Output |
| NO | Normally Open |
| NC | Normally Closed |
| SIM | Subscriber Identity Module |
| PV | Photovoltaic |
| PC | Personal Computer |
| CPU | Central Processing Unit |
| RAM | Random Access Memory |
| Gnd | Ground |
| Vcc | Voltage Common Collector |
| Voc | Open Circuit Voltage |
| Q | Flow rate in liters/minute |
| E | Irradiance |
| P | Electrical Power |
| A | Area |
| R | Resistance |
| V | Voltage |
| Vin | Input Voltage |
| Iin | Input Current |
| Pmax | Maximum Electrical Power |
| Pd | Dissipated Power |
| Dout | Digital Value of Input Voltage |
| Vref | Reference Analog Voltage |
| Aout | Analog Output Voltage |
| Do | ADC Reference Voltage |
| M | Percentage Moisture in Soil |
| Sd | Water Depletion of Soil in Inches |
| Swf | Content of Soil at Field Capacity in Inches |
| Swc | Current Water Content of Soil |
| V | Volume of the Tank |
| H | Height of Tank |
| W | Width of the Tank |
| D | Depth of the Tank |
| Wh | Watt Hours |
References
- Khan, M.H. Agriculture in Pakistan: A Revisit. Pak. Dev. Rev. 2020, 59, 115–120. [Google Scholar] [CrossRef]
- Muangprathub, J.; Boonnam, N.; Kajornkasirat, S.; Lekbangpong, N.; Wanichsombat, A.; Nillaor, P. IoT and agriculture data analysis for smart farm. Comput. Electron. Agric. 2019, 156, 467–474. [Google Scholar] [CrossRef]
- Tariq, M.; Van De Giesen, N.; Janjua, S.; Shahid, M.; Farooq, R. An Engineering Perspective of Water Sharing Issues in Pakistan. Water 2020, 12, 477. [Google Scholar] [CrossRef] [Green Version]
- Yang, Y.; Peng, J.C.; Ye, C.; Ye, Z.; Ding, Y. A Criterion and Stochastic Unit Commitment towards Frequency Resilience of Power Systems. IEEE Trans. Power Syst. 2021, 37, 640–652. [Google Scholar] [CrossRef]
- Gondchawar, N.; Kawitkar, R.S. IoT based smart agriculture. Int. J. Adv. Res. Comput. Commun. Eng. 2016, 5, 838–842. [Google Scholar]
- Sakthipriya, N. An effective method for crop monitoring using wireless sensor network. Middle-East J. Sci. Res. 2014, 20, 1127–1132. [Google Scholar]
- Zhang, N.; Wang, M.; Wang, N. Precision agriculture—A worldwide overview. Comput. Electron. Agric. 2002, 36, 113–132. [Google Scholar] [CrossRef]
- Khanna, A.; Kaur, S. Evolution of Internet of Things (IoT) and its significant impact in the field of Precision Agriculture. Comput. Electron. Agric. 2019, 157, 218–231. [Google Scholar] [CrossRef]
- Li Johansson, E.; Fader, M.; Seaquist, J.W.; Nicholas, K.A. Simulating potential water grabbing from large-scale land acquisitions in Africa. In Proceedings of the 19th EGU General Assembly Conference Abstracts, Vienna, Austriap, 23–28 April 2017; p. 9285. [Google Scholar]
- Doungmanee, P. The nexus of agricultural water use and economic development level. Kasetsart J. Soc. Sci. 2016, 37, 38–45. [Google Scholar] [CrossRef] [Green Version]
- Velasco-Muñoz, J.; Aznar-Sánchez, J.; Belmonte-Ureña, L.; Román-Sánchez, I. Sustainable Water Use in Agriculture: A Review of Worldwide Research. Sustainability 2018, 10, 1084. [Google Scholar] [CrossRef] [Green Version]
- Papageorgiou, E.I.; Kokkinos, K.; Dikopoulou, Z. Fuzzy sets in agriculture. In Fuzzy Logic in Its 50th Year; Springer: Cham, Switzerland, 2016; pp. 211–233. [Google Scholar]
- Cao, B.; Zhao, J.; Liu, X.; Arabas, J.; Tanveer, M.; Singh, A.K.; Lv, Z. Multiobjective Evolution of the Explainable Fuzzy Rough Neural Network with Gene Expression Programming. IEEE Trans. Fuzzy Syst. 2022. [Google Scholar] [CrossRef]
- Zhang, L.; Zheng, H.; Cai, G.; Zhang, Z.; Wang, X.; Koh, L.H. Power-frequency oscillation suppression algorithm for AC microgrid with multiple virtual synchronous generators based on fuzzy inference system. IET Renew. Power Gener. 2022, 16, 1589–1601. [Google Scholar] [CrossRef]
- Bahat, M.; Inbar, G.; Yaniv, O.; Schneider, M. A fuzzy irrigation controller system. Eng. Appl. Artif. Intell. 2000, 13, 137–145. [Google Scholar] [CrossRef]
- Touati, F.; Al-Hitmi, M.; Benhmed, K.; Tabish, R. A fuzzy logic based irrigation system enhanced with wireless data logging applied to the state of Qatar. Comput. Electron. Agric. 2013, 98, 233–241. [Google Scholar] [CrossRef]
- Li, M.; Sui, R.; Meng, Y.; Yan, H. A real-time fuzzy decision support system for alfalfa irrigation. Comput. Electron. Agric. 2019, 163, 104870. [Google Scholar] [CrossRef]
- Ibrahim, F.S.; Konditi, D.; Musyoki, S. Smart irrigation system using a fuzzy logic method. Int. J. Eng. Res. Technol. 2018, 11, 1417–1436. [Google Scholar]
- Izzuddin, T.A.; Johari, M.A.; Rashid, M.Z.A.; Jali, M.H. Smart irrigation using fuzzy logic method. ARPN J. Eng. Appl. Sci. 2018, 13, 1819–6608. [Google Scholar]
- Ponnusamy, R.; Rajaprakash, S.; Jaichandran, R. Fuzzy Logic Controller for Effective Irrigation Based on Field Soil Moisture and Availability of Water. J. Adv. Res. Dyn. Control. Syst. 2017, 9, 90–97. [Google Scholar]
- Villarrubia, G.; De Paz, J.F.; De La Iglesia, D.H.; Bajo, J. Combining Multi-Agent Systems and Wireless Sensor Networks for Monitoring Crop Irrigation. Sensors 2017, 17, 1775. [Google Scholar] [CrossRef] [Green Version]
- Cao, B.; Zhang, Y.; Zhao, J.; Liu, X.; Skonieczny, L.; Lv, Z. Recommendation Based on Large-Scale Many-Objective Optimization for the Intelligent Internet of Things System. IEEE Internet Things J. 2021, 9, 15030–15038. [Google Scholar] [CrossRef]
- Rajkumar, M.N.; Abinaya, S.; Kumar, V.V. Intelligent irrigation system—An IOT based approach. In Proceedings of the 2017 International Conference on Innovations in Green Energy and Healthcare Technologies (IGEHT), Coimbatore, India, 16–18 March 2017; pp. 1–5. [Google Scholar]
- Difallah, W.; Benahmed, K.; Bounnama, F.; Draoui, B.; Saaidi, A. Intelligent Irrigation Management System. Int. J. Adv. Comput. Sci. Appl. 2018, 9. [Google Scholar] [CrossRef]
- Liu, S.; Guo, L.; Webb, H.; Yao, X.; Chang, X. Internet of Things Monitoring System of Modern Eco-Agriculture Based on Cloud Computing. IEEE Access 2019, 7, 37050–37058. [Google Scholar] [CrossRef]
- Narvekar, P.R.; Kumbhar, M.M.; Patil, S.N. Grape leaf diseases detection & analysis using SGDM matrix method. Int. J. Innov. Res. Comput. Commun. Eng. 2014, 2, 3365–3372. [Google Scholar]
- Zhang, L.; Wang, X.; Zhang, Z.; Cui, Y.; Ling, L.; Cai, G. An adaptative control strategy for interfacing converter of hybrid microgrid based on improved virtual synchronous generator. IET Renew. Power Gener. 2021, 16, 261–273. [Google Scholar] [CrossRef]
- Yu, D.; Ma, Z.; Wang, R. Efficient Smart Grid Load Balancing via Fog and Cloud Computing. Math. Probl. Eng. 2022, 2022, 3151249. [Google Scholar] [CrossRef]
- Liu, J.; Yin, Y.; Wang, K.; Wei, P.; Lu, H.; Song, C.; Liang, Q.; Huang, W. Domain size control in all-polymer solar cells. iScience 2022, 25, 104090. [Google Scholar] [CrossRef]
- Zhang, Y.; Shi, X.; Zhang, H.; Cao, Y.; Terzija, V. Review on deep learning applications in frequency analysis and control of modern power system. Int. J. Electr. Power Energy Syst. 2022, 136, 107744. [Google Scholar] [CrossRef]
- Shang, L.; Dong, X.; Liu, C.; Gong, Z. Fast Grid Frequency and Voltage Control of Battery Energy Storage System Based on the Amplitude-Phase-Locked-Loop. IEEE Trans. Smart Grid 2022, 13, 941–953. [Google Scholar] [CrossRef]
- Navarro-Hellín, H.; Martínez-Del-Rincon, J.; Domingo-Miguel, R.; Soto-Valles, F.; Torres-Sánchez, R. A decision support system for managing irrigation in agriculture. Comput. Electron. Agric. 2016, 124, 121–131. [Google Scholar] [CrossRef] [Green Version]
- Rawal, S. IOT based smart irrigation system. Int. J. Comput. Appl. 2017, 159, 7–11. [Google Scholar] [CrossRef]
- Barker, J.B.; Heeren, D.M.; Neale, C.M.; Rudnick, D.R. Evaluation of variable rate irrigation using a remote-sensing-based model. Agric. Water Manag. 2018, 203, 63–74. [Google Scholar] [CrossRef] [Green Version]
- Zhang, B.; Jiang, H.-F.; Han, X. Study on Corn Water Saving Irrigation Decision-making Model. Adv. J. Food Sci. Technol. 2015, 9, 9–12. [Google Scholar]
- Sami, M.; Khan, S.Q.; Khurram, M.; Farooq, M.U.; Anjum, R.; Aziz, S.; Qureshi, R.; Sadak, F. A Deep Learning-Based Sensor Modeling for Smart Irrigation System. Agronomy 2022, 12, 212. [Google Scholar] [CrossRef]
- Katta, S.; Ramatenki, S.; Sammeta, H. Smart irrigation and crop security in agriculture using IoT. In AI, Edge and IoT-Based Smart Agriculture; Academic Press: Cambridge, MA, USA, 2022; pp. 143–155. [Google Scholar] [CrossRef]
- López-Andreu, F.J.; López-Morales, J.A.; Erena, M.; Skarmeta, A.F.; Martínez, J.A. Monitoring System for the Management of the Common Agricultural Policy Using Machine Learning and Remote Sensing. Electronics 2022, 11, 325. [Google Scholar] [CrossRef]
- Ahansal, Y.; Bouziani, M.; Yaagoubi, R.; Sebari, I.; Sebari, K.; Kenny, L. Towards Smart Irri-gation: A Literature Review on the Use of Geospatial Technologies and Machine Learning in the Management of Water Re-sources in Arboriculture. Agronomy 2022, 12, 297. [Google Scholar] [CrossRef]
- Chauhan, A.; Sah, R.R.; Khatri, R. IoT-Based Smart Irrigation System—A Hardware Review. In IOT with Smart Systems; Springer: Singapore, 2022; pp. 647–659. [Google Scholar]
- Vivekanandhan, V.; Sakthivel, S.; Manikandan, M. Adaptive neuro fuzzy inference system to enhance the classification performance in smart irrigation system. Comput. Intell. 2021, 38, 308–322. [Google Scholar] [CrossRef]
- Rehman, A.U.; Asif, R.M.; Tariq, R.; Javed, A. Gsm based solar automatic irrigation system using moisture, temperature and humidity sensors. In Proceedings of the 2017 International Conference on Engineering Technology and Technopreneurship (ICE2T), Kuala Lumpur, Malaysia, 18–20 September 2017; pp. 1–4. [Google Scholar]
- Kansara, K.; Zaveri, V.; Shah, S.; Delwadkar, S.; Jani, K. Sensor based automated irrigation system with IOT: A technical review. Int. J. Comput. Sci. Inf. Technol. 2015, 6, 5331–5333. [Google Scholar]
- Ishak, S.; Malik, N.A.; Latiff, N.A.; Ghazali, N.E.; Baharudin, M. Smart home garden irrigation system using Raspberry Pi. In Proceedings of the 2017 IEEE 13th Malaysia International Conference on Communications (MICC), Johor Bahru, Malaysia, 28–30 November 2017; pp. 101–106. [Google Scholar]
- Cao, B.; Fan, S.; Zhao, J.; Tian, S.; Zheng, Z.; Yan, Y.; Yang, P. Large-Scale Many-Objective Deployment Optimization of Edge Servers. IEEE Trans. Intell. Transp. Syst. 2021, 22, 3841–3849. [Google Scholar] [CrossRef]
- Yu, D.; Wu, J.; Wang, W.; Gu, B. Optimal performance of hybrid energy system in the presence of electrical and heat storage systems under uncertainties using stochastic p-robust optimization technique. Sustain. Cities Soc. 2022, 83, 103935. [Google Scholar] [CrossRef]
- Zhong, C.; Li, H.; Zhou, Y.; Lv, Y.; Chen, J.; Li, Y. Virtual synchronous generator of PV generation without energy storage for frequency support in autonomous microgrid. Int. J. Electr. Power Energy Syst. 2022, 134, 107343. [Google Scholar] [CrossRef]
- Zheng, C.; An, Y.; Wang, Z.; Wu, H.; Qin, X.; Eynard, B.; Zhang, Y. Hybrid offline programming method for robotic welding systems. Robot. Comput. Manuf. 2022, 73, 102238. [Google Scholar] [CrossRef]
- Zhu, D.; Wang, B.; Ma, H.; Wang, H. Research on evaluating vulnerability of integrated electricity-heat-gas systems based on high-dimensional random matrix theory. CSEE J. Power Energy Syst. 2020, 6, 1–10. [Google Scholar] [CrossRef]
- Hu, S.; Wu, H.; Liang, X.; Xiao, C.; Zhao, Q.; Cao, Y.; Han, X. A preliminary study on the eco-environmental geological issue of in-situ oil shale mining by a physical model. Chemosphere 2022, 287, 131987. [Google Scholar] [CrossRef] [PubMed]
- Quan, Q.; Gao, S.; Shang, Y.; Wang, B. Assessment of the sustainability of Gymnocypris eckloni habitat under river damming in the source region of the Yellow River. Sci. Total Environ. 2021, 778, 146312. [Google Scholar] [CrossRef]
- Li, J.; Wang, F.; He, Y. Electric Vehicle Routing Problem with Battery Swapping Considering Energy Consumption and Carbon Emissions. Sustainability 2020, 12, 10537. [Google Scholar] [CrossRef]
- Xu, X.; Niu, D.; Xiao, B.; Guo, X.; Zhang, L.; Wang, K. Policy analysis for grid parity of wind power generation in China. Energy Policy 2020, 138, 111225. [Google Scholar] [CrossRef]
- Wang, H.; Zheng, X.; Yuan, X.; Wu, X. Low-Complexity Model-Predictive Control for a Nine-Phase Open-End Winding PMSM With Dead-Time Compensation. IEEE Trans. Power Electron. 2022, 37, 8895–8908. [Google Scholar] [CrossRef]
- Li, H.; Hou, K.; Xu, X.; Jia, H.; Zhu, L.; Mu, Y. Probabilistic energy flow calculation for regional integrated energy system considering cross-system failures. Appl. Energy 2022, 308, 118326. [Google Scholar] [CrossRef]
- Xie, X.; Chen, D. Data-driven dynamic harmonic model for modern household appliances. Appl. Energy 2022, 312, 118759. [Google Scholar] [CrossRef]
- Li, H.; Zhang, Y.; Tai, Y.; Zhu, X.; Qi, X.; Zhou, L.; Li, Z.; Lan, H. Flexible transparent electromagnetic interference shielding films with silver mesh fabricated using electric-field-driven microscale 3D printing. Opt. Laser Technol. 2022, 148, 107717. [Google Scholar] [CrossRef]
- Li, J.; Xu, K.; Chaudhuri, S.; Yumer, E.; Zhang, H.; Guibas, L.J. GRASS: Generative recursive autoencoders for shape structures. ACM Trans. Graph. 2017, 36, 1–14. [Google Scholar] [CrossRef]
- Vatari, S.; Bakshi, A.; Thakur, T. Green house by using IoT and cloud computing. In Proceedings of the 2016 IEEE International Conference on Recent Trends in Electronics, Information & Communication Technology (RTEICT), Bangalore, India, 20–21 May 2016; pp. 246–250. [Google Scholar]
- Patel, J.; Patel, E.; Pati, P. Sensor and cloud based smart irrigation system with Arduino: A technical review. Int. J. Eng. Appl. Sci. Technol. 2019, 3, 25–29. [Google Scholar]
- Goap, A.; Sharma, D.; Shukla, A.K.; Krishna, C.R. An IoT based smart irrigation management system using Machine learning and open source technologies. Comput. Electron. Agric. 2018, 155, 41–49. [Google Scholar] [CrossRef]
- Munir, M.S.; Bajwa, I.S.; Naeem, M.A.; Ramzan, B. Design and Implementation of an IoT System for Smart Energy Consumption and Smart Irrigation in Tunnel Farming. Energies 2018, 11, 3427. [Google Scholar] [CrossRef] [Green Version]
- Munir, M.S.; Bajwa, I.S.; Cheema, S.M. An intelligent and secure smart watering system using fuzzy logic and blockchain. Comput. Electr. Eng. 2019, 77, 109–119. [Google Scholar] [CrossRef]
- Nawandar, N.K.; Satpute, V.R. IoT based low cost and intelligent module for smart irrigation system. Comput. Electron. Agric. 2019, 162, 979–990. [Google Scholar] [CrossRef]
- Krishnan, R.S.; Julie, E.G.; Robinson, Y.H.; Raja, S.; Kumar, R.; Thong, P.H.; Son, L.H. Fuzzy Logic based Smart Irrigation System using Internet of Things. J. Clean. Prod. 2020, 252, 119902. [Google Scholar] [CrossRef]
- Benyezza, H.; Bouhedda, M.; Rebouh, S. Zoning irrigation smart system based on fuzzy control technology and IoT for water and energy saving. J. Clean. Prod. 2021, 302, 127001. [Google Scholar] [CrossRef]
- Veerachamy, R.; Ramar, R.; Balaji, S.; Sharmila, L. Autonomous Application Controls on Smart Irrigation. Comput. Electr. Eng. 2022, 100, 107855. [Google Scholar] [CrossRef]


















| Existing Systems | Sensors | Controllers | User Interface | Connectivity | Power Source | Features |
|---|---|---|---|---|---|---|
| [61,62] | Soil moisture, soil and air temperature, and humidity | Kmeans clustering and SVR model implemented in the server | SPI, Xbee, and Wi-Fi | Webpage | Utility | Water wastage and cost minimization, irrigation requirement prediction accuracy |
| [63,64] | Soil moisture, light, temperature, camera, and humidity | FL based decision support system implemented in server | Bluetooth and Wi-Fi | Android application, IoT | Utility | Water wastage and energy minimization, remote monitoring, secure communication |
| [65] | Soil moisture, rain, water level, LDR, temperature, and humidity | FL implemented in Arduino | GSM, and GPRS | LCD display, and mobile phone | Utility and solar | Water wastage and energy consumption minimization, remote monitoring, and low labor cost |
| [66] | Soil moisture and temperature | FL implemented in the server | SPI, RF, and Wi-Fi | Node-RED server (web-based access, no need to install application) | Utility | Water wastage, energy consumption, and cost minimization, remote monitoring, low labor cost, zoning-based irrigation, easy installation |
| [67] | Soil moisture, temperature, rainfall, and humidity | Arduino UNO with Atmega328 | GSM, and Espressif (ESP) 8266-WiFi | LCD display, mobile phone, application, IoT and cloud platform | Utility | Reduces water utilization, human labor, and remote monitoring |
| Proposed smart irrigation system | Weather and environmental conditions (rainfall, temperature, irradiance, and humidity, etc.), soil conditions (wet or dry), and crop conditions | Arduino UNO with microcontroller ATmega328p | GSM, and GPRS | Local LCD display, mobile phone, android application, and TV platform | Utility and solar | Remote monitoring and controlling, moisture and appropriate conditions essential for crops, water resource preservation, water wastage, energy consumption, cost minimization, low-cost, low manual labor cost, efficient, easy to implement, solar power, secure tube well operation, and optimized energy consumption |
| Components | Types | Specifications |
|---|---|---|
| Humidity and temperature sensor | DHT22 | 3.0 V to 6 V −40 °C to 80 °C ±0.5% 0 to 100%RH Humidity $4.99/$9.90 ±2% |
| Soil moisture sensor | YL 69 | 3.3 V to 5 V Moisture $1.00/$2.00 ±2% |
| Rain level monitoring sensor | -- | 3.3 V to 5 V Rain detection $1.00/$2.00 ±2% |
| Processor | RAM | Execution Time (s) | CPU Usage (%) |
|---|---|---|---|
| 2.40 GHz 64-bit, Intel(R) Core(TM) 3110 M | 6.00 GB | 10−14 | 65 |
| Sensed Parameters | Operation Status |
|---|---|
| Rain | No |
| Soil | Dry |
| Irradiance | 950 watt/meter square |
| Flow | 10 l/m |
| Motor | On |
| Sensed Parameters | Operation Status |
|---|---|
| Rain | Yes |
| Soil | Wet |
| Flow | 0 l/m |
| Irradiance | 950 watt/meter square |
| Motor | Off |
| Parameters | Operation Status |
|---|---|
| Request | Data |
| SMS | Detected |
| User | Authorized |
| Rain | No rain |
| Soil | Dry |
| Flow | 10 l/m |
| Motor | On |
| Irrigation Systems | Consumed Water (L) | Actuators Operating Time |
|---|---|---|
| [65] | 68 | 01 h 35 mn 00 s |
| [66] | 61 | 01 h 21 mn 45 s |
| [67] | 57 | 01 h 17 mn 15 s |
| Proposed system | 45 | 01 h 06 mn 52 s |
| Irrigation Systems | Water Consumption (L) | Energy Consumption (Wh) |
|---|---|---|
| [65] | 68 | 42 |
| [66] | 61 | 38 |
| [67] | 57 | 35 |
| Proposed system | 45 | 29 |
Publisher’s Note: MDPI stays neutral with regard to jurisdictional claims in published maps and institutional affiliations. |
© 2022 by the authors. Licensee MDPI, Basel, Switzerland. This article is an open access article distributed under the terms and conditions of the Creative Commons Attribution (CC BY) license (https://creativecommons.org/licenses/by/4.0/).
Share and Cite
Ullah, S.; Hafeez, G.; Rukh, G.; Albogamy, F.R.; Murawwat, S.; Ali, F.; Khan, F.A.; Khan, S.; Rehman, K. A Smart Sensors-Based Solar-Powered System to Monitor and Control Tube Well for Agriculture Applications. Processes 2022, 10, 1654. https://doi.org/10.3390/pr10081654
Ullah S, Hafeez G, Rukh G, Albogamy FR, Murawwat S, Ali F, Khan FA, Khan S, Rehman K. A Smart Sensors-Based Solar-Powered System to Monitor and Control Tube Well for Agriculture Applications. Processes. 2022; 10(8):1654. https://doi.org/10.3390/pr10081654
Chicago/Turabian StyleUllah, Sana, Ghulam Hafeez, Gul Rukh, Fahad R. Albogamy, Sadia Murawwat, Faheem Ali, Farrukh Aslam Khan, Sheraz Khan, and Khalid Rehman. 2022. "A Smart Sensors-Based Solar-Powered System to Monitor and Control Tube Well for Agriculture Applications" Processes 10, no. 8: 1654. https://doi.org/10.3390/pr10081654
APA StyleUllah, S., Hafeez, G., Rukh, G., Albogamy, F. R., Murawwat, S., Ali, F., Khan, F. A., Khan, S., & Rehman, K. (2022). A Smart Sensors-Based Solar-Powered System to Monitor and Control Tube Well for Agriculture Applications. Processes, 10(8), 1654. https://doi.org/10.3390/pr10081654

