Impact of Geomagnetic Fields on the Geochemical Evolution of Oil
Abstract
1. Introduction
2. Materials and Methods
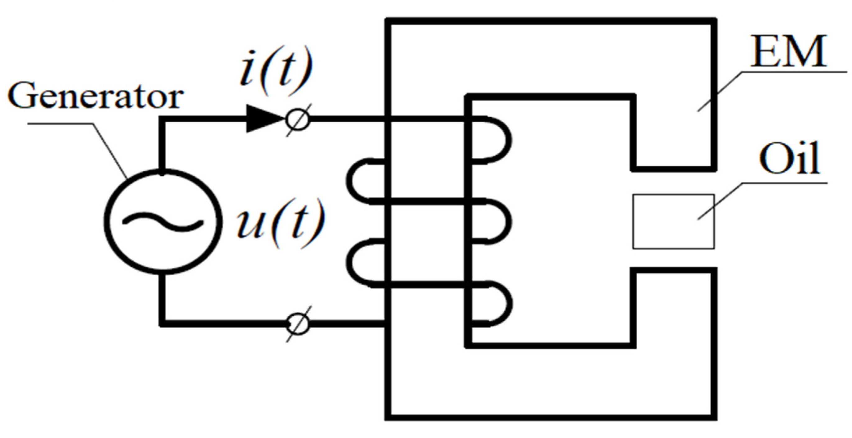
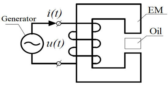
2.1. Oil Samples and Electromagnetic Treatment
2.2. Methods
3. Results
3.1. Gas Chromatography Results
3.2. Isotopic Mass Spectrometry Results
3.3. EPR Results
3.4. Statistical Analysis Results
4. Discussion
5. Conclusions
Author Contributions
Funding
Institutional Review Board Statement
Informed Consent Statement
Data Availability Statement
Acknowledgments
Conflicts of Interest
References
- Andreev, P.; Bogomolov, A.; Dobryanskii, A.; Kartsev, A. Transformation of Petroleum in Nature; Elsevier: Amsterdam, The Netherlands, 1968; p. 484. [Google Scholar] [CrossRef]
- Kartsev, A.A.; Tabasaransky, Z.A.; Subbota, M.I.; Mogilevskii, G.A. Geochemical Methods of Prospecting and Exploration for Petroleum and Natural Gas; Cambridge University Press: London, UK, 1959; p. 287. [Google Scholar] [CrossRef]
- Evans, R.C.; Rogers, M.A.; Bailey, N.J.L. Evolution and Alteration of Petroleum in Western Canada. Chem. Geol. 1971, 8, 147–170. [Google Scholar] [CrossRef]
- Bailey, N.J.L.; Krouse, H.R.; Evans, C.R.; Rogers, M.A. Alteration of Crude Oil by Waters and Bacteria: Evidence from eochemical and Isotope Studies. AAPG Bull. 1973, 57, 1276–1290. [Google Scholar] [CrossRef]
- Bailey, N.J.L.; Jobson, A.M.; Rogers, M.A. Bacterial Degradation of Crude Oil: Comparison of Field and Experimental Data. Chemistry 1973, 11, 203–221. [Google Scholar] [CrossRef]
- Milner, C.W.D.; Rogers, M.A.; Evans, C.R. Petroleum Transformations in Reservoirs. J. Geochem. Explor. 1977, 7, 101–153. [Google Scholar] [CrossRef]
- Tissot, B.P.; Welte, D.H. Petroleum Formation and Occurrence: A New Approach to Oil and Gas Exploration. Geol. J. 1979, 116, 243–244. [Google Scholar] [CrossRef]
- Cox, A. Plate Tectonics and Geomagnetic Reversal; WH Freeman & Co.: San Francisco, CA, USA, 1973; p. 702. [Google Scholar]
- Carbone, V.; Sorriso-Valvo, L.; Vecchio, A.; Lepreti, F.; Veltri, P.; Harabaglia, P.; Guerra, I. Clustering of Polarity Reversals of the Geomagnetic Field. Phys. Rev. Lett. 2006, 96, 128501. [Google Scholar] [CrossRef]
- Coe, R.; Prévot, M.; Camps, P. New Evidence for Extraordinarily Rapid Change of the Geomagnetic Field During a Reversal. Nature 1995, 374, 687–692. [Google Scholar] [CrossRef]
- Cande, S.C.; Kent, D.V. Revised Calibration of the Geomagnetic Polarity Timescale for the Late Cretaceous and Cenozoic. J. Geophys. Res. 1995, 100, 6093–6095. [Google Scholar] [CrossRef]
- Kent, D.V.; Gradstein, F.M. A Jurassic to Recent Chronology. The Geology of North America. Geol. Soc. Am. 1986, M, 45–50. [Google Scholar]
- Huestis, S.P.; Acton, G.D. On the Construction of Geomagnetic Timescales from Non-prejudical Treatment of Magnetic Anomaly Data from Multiple Ridges. Geophys. J. Int. 1997, 129, 176–182. [Google Scholar] [CrossRef]
- Heirtzler, J.R.; Dickson, G.O.; Herron, E.M.; Pittman, W.C., III; Le Pichon, X. Marine Magnetic Anomalies, Geomagnetic Field Reversals, and Motions of the Ocean floor and Continents. J. Geophys. Res. 1968, 73, 2119–2136. [Google Scholar] [CrossRef]
- Chulliat, A.; Macmillan, S.; Alken, P.; Beggan, C.; Nair, M.; Hamilton, B.; Woods, A.; Ridley, V.; Maus, S.; Thomson, A. The US/UK World Magnetic Model for 2015–2020; British Geological Survey (BGS) and National Centers for Environmental Information (NOAA): London, UK, 2015; 112p. [Google Scholar] [CrossRef]
- Nowaczyk, N.R.; Arz, H.W.; Frank, U.; Kind, J.; Plessen, B. Dynamics of the Laschamp Geomagnetic xcursion from Black Sea Sediments. Earth Planet. Sci. Lett. 2012, 351–352, 54–69. [Google Scholar] [CrossRef]
- Vakhin, A.V.; Khelkhal, M.A.; Mukhamatdinov, I.I.; Mukhamatdinova, R.E.; Tajik, A.; Slavkina, O.V.; Malaniy, S.Y.; Gafurov, M.R.; Nasybullin, A.R.; Morozov, O.G. Changes in Heavy Oil Saturates and Aromatics in the Presence of Microwave Radiation and Iron-Based Nanoparticles. Catalysts 2022, 12, 514. [Google Scholar] [CrossRef]
- Vakhin, A.V.; Khelkhal, M.A.; Tajik, A.; Gafurov, M.R.; Morozov, O.G.; Nasybullin, A.R.; Karandashov, S.A.; Ponomarev, A.A.; Krapivnitskaia, T.O.; Glyavin, M.Y.; et al. The Role of Nanodispersed Catalysts in Microwave Application during the Development of Unconventional Hydrocarbon Reserves: A Review of Potential Applications. Processes 2021, 9, 420. [Google Scholar] [CrossRef]
- Jing, J.Q.; Shi, W.; Wang, Q.; Zhang, B.G. Viscosity-reduction mechanism of waxy crude oil in low-intensity magnetic field. Energy Sources Part A Recovery Util. Environ. Eff. 2019, 44, 5080–5093. [Google Scholar] [CrossRef]
- Davletbaev, A.; Kovaleva, L.; Babadagli, T. Mathematical Modeling and Field Application of Heavy Oil Recovery by Radio-Frequency Electromagnetic Stimulation. J. Pet. Sci. Eng. 2011, 78, 646–653. [Google Scholar] [CrossRef]
- Hasanvand, M.Z.; Golparvar, A. A Critical Review of Improved Oil Recovery by Electromagnetic Heating. Pet. Sci. Technol. 2014, 32, 631–637. [Google Scholar] [CrossRef]
- Pivovarova, N.A.; Unger, F.G.; Tumanyan, B.P. Effect of a Constant Magnetic Field on the Paramagnetic Activity of Petroleum Systems. Chem. Technol. Fuels Oils 2002, 38, 381–385. [Google Scholar] [CrossRef]
- Demidov, V.N.; Ivanov, E.V.; Zarembo, Y.V. Supramolecular Association in Liquid Mediums within the Thermodynamic Cluster-continuum Model. Chem. Ind. 2003, 80, 34–43. [Google Scholar]
- Martyanov, O.N.; Larichev, Y.V.; Morozov, E.V.; Trukhan, S.N.; Kazarian, S.G. The Stability and Evolution of Oil Systems Studied via Advanced Methods in Situ. Russ. Chem. Rev. 2017, 86, 999. [Google Scholar] [CrossRef]
- Mehrabi-Kalajahi, S.S.; Varfolomeev, M.A.; Yuan, C.; Emelianov, D.A.; Khayarov, K.R.; Klimovitskii, A.I.; Rodionov, A.A.; Orlinskii, S.B.; Gafurov, M.R.; Afanasiev, I.S.; et al. EPR as a Complementary Tool for the Analysis of Low-Temperature Oxidation Reactions of Crude Oils. J. Pet. Sci. Eng. 2018, 169, 673–682. [Google Scholar] [CrossRef]
- Gafurov, M.; Mamin, G.; Gracheva, I.; Murzakhanov, F.; Ganeeva, Y.; Yusupova, T.; Orlinskii, S. High-Field (3.4 T) ENDOR Investigation of Asphaltenes in Native Oil and Vanadyl Complexes by Asphaltene Adsorption on Alumina Surface. Geofluids 2019, 2019, 3812875. [Google Scholar] [CrossRef]
- Gafurov, M.R.; Ponomarev, A.A.; Mamin, G.V.; Rodionov, A.A.; Murzakhanov, F.F.; Arash, T.; Orlinskii, S.B. Application of pulsed and high-frequency electron paramagnetic resonance techniques to study petroleum disperse systems. Georesursy Georesources 2020, 22, 2–14. [Google Scholar] [CrossRef]
- Gafurov, M.R.; Mamin, G.V.; Zverev, D.G. Modernization of the X-band EPR spectrometer Bruker ElexSys E580 for dynamic nuclear polarization. Magn. Reson. Solids 2021, 23, 21202. [Google Scholar] [CrossRef]
- Buchachenko, A.L. New Isotopy in Chemistry and Biochemistry; Russian Academy of Sciences, Monograph: Moscow, Russia, 2007; p. 189. [Google Scholar]
- Buchachenko, A.L. Magnetic Isotopy: New Horizons. Her. Russ. Acad. Sci. 2010, 80, 22–28. [Google Scholar] [CrossRef]
- Buchachenko, A.; Berdinskii, V. Spin Catalysis as a New Type of Catalysis in Chemistry. Russ. Chem. Rev. 2004, 73, 1033. [Google Scholar] [CrossRef]
- Buchachenko, A.; Molin, Y.; Sagdeev, R.; Salikhov, K.; Frankevich, E.L. Magnetic Spin Effects in Chemical Reactions. Uspekhi Fiz. Nauk. 1987, 151, 173. [Google Scholar] [CrossRef]
- Salikhov, K.M.; Molin, Y.N.; Sagdeev, R.Z.; Buchachenko, A.L. Spin Polarization and Magnetic Effects in Radical Reactions. “Studies in Physical and Theoretical Chemistry”; Elsevier Scientific Publ. Comp.: Amsterdam, The Netherlands, 1984; Volume 22, p. 419. [Google Scholar] [CrossRef]
- Ponomarev, A.A.; Golozubenko, V.A.; Hafizov, F.Z.; Savchenkov, A.L. Savchenkov Experimental Studies of Mechanism for Oil Heavy Fractions Cracking from the Bazhenov Suite. Period. Tche Quim. 2018, 15, 198–205. [Google Scholar]
- Ponomarev, A.A. The mechanism of cracking hydrocarbons in electromagnetic fields—to the question of oil in Bazhenov formation. Oil Gas Stud. 2019, 1, 14–18. (In Russian) [Google Scholar] [CrossRef]
- Nesterov, I.I.; Alexandrov, V.M.; Ponomaryov, A.A.; Zavatsky, M.D.; Lobodenko, E.I.; Kobylinsky, D.A.; Kadyrov, M.A. Experimental Studies of Radical Reactions of Hydrocarbons Conversion. Oil Gas Stud. 2019, 4, 57–69. [Google Scholar] [CrossRef]
- Bazhenova, O.K.; Burlin, Y.K.; Sokolov, B.A.; Khain, V.E. Geologiya I Geokhimiya Goryuchikh Iskopaemykh Geology and Geochemistry of Fossil Fuels, 3rd ed.; Moscow State University: Moscow, Russia, 2004. (In Russian) [Google Scholar]
- Bray, E.; Evans, E.D. Distribution of n-paraffins as a Clue to Recognition of Surce Beds. Geochim. Et Cosmochim. Acta 1961, 22, 2–15. [Google Scholar] [CrossRef]
- Philippi, G.T. On the Depth, Time and Mechanism of Petroleum Generation. Geochim. Et Cosmochim. Acta 1965, 29, 1021–1049. [Google Scholar] [CrossRef]
- Kontorovich, A.E.; Kostyreva, E.A.; Sarayev, S.V.; Melenevsky, V.N.; Fomin, A.N. Geochemistry of the Organic Matter of the Cambrian Pre-Yenisei Subprovince (based on the results of drilling Vostok-1 and Vostok-3 cores). Geol. Geophys. 2011, 52, 737–750. [Google Scholar]
- Poturay, V.A.; Kompanichenko, V.N. Composition and Distribution of Saturated Hydrocarbons in the Thermal Waters and Vapor–water Mixture of the Mutnovskii Geothermal Field and Uzon Caldera, Kamchatka. Geohimia 2019, 64, 79–88. [Google Scholar]
- Galimov, E.M.; Sevastianov, V.S.; Kamaleyeva, A.I.; Kuznetsova, O.V.; Konopleva, I.V.; Vlasova, L.N.; Karpov, G.A. Hydrocarbons From a Volcanic Area, Oil Seeps in the Uzon Caldera, Kamchatka. Geochem. Int. 2015, 53, 1019–1027. [Google Scholar] [CrossRef]
- Pevneva, G.S.; Fursenko, E.A.; Voronetskaya, N.G.; Mozhaiskaya, M.V.; Golovko, A.K.; Nesterov, I.I.; Kashirtsev, V.A.; Shevchenko, N.P. Hydrocarbon Composition and Structural Characteristics of Resins and Asphaltenes of Naphtene Oils of Northern West Siberia. Geol. Geophys. 2017, 58, 522–532. [Google Scholar] [CrossRef]
- Koons, C.B.; Peirce, F.L.; Bond, J.G. Effects of Depositional Environment and Postdepositional History on Chemical Composition of Lower Tuscaloosa Oils: Abstract. AAPG Bull. 1972, 56, 633–634. [Google Scholar] [CrossRef]
- Zubkov, M.Y. Mineral Composition and Presence of δ13C in Fissured Carbonate Rocks of the Bazheno-Abalak Complex of West Siberia. Geol. Oil Gas 2017, 6, 67–81. [Google Scholar]
- Magomedov, S.A.; Mamayev, O.A.; Chuplaev, C.M.; Rasulov, G.S. Determining the Maturity of Oil by the Isotopic Composition of Methane Carbon. In Proceedings of the All-Russian Conference “New Ideas in Oil-and-Gas Geology”, Moscow State University, Moscow, Russia, 25–26 May 2017; pp. 95–199. Available online: http://www.spsl.nsc.ru/FullText/cdrom/HoвыеГеoлИдеи2017.pdf (accessed on 11 June 2022).
- Djimasbe, R.; Varfolomeev, M.A.; Al-muntaser, A.A.; Yuan, C.; Suwaid, M.A.; Feoktistov, D.A.; Rakhmatullin, I.Z.; Milovankin, A.A.; Murzakhanov, F.; Morozov, V. Deep Insights into Heavy Oil Upgrading Using Supercritical Water by a Comprehensive Analysis of GC, GC–MS, NMR, and SEM–EDX with the Aid of EPR as a Complementary Technical Analysis. ACS Omega 2021, 6, 135–147. [Google Scholar] [CrossRef]
- Kuznetcov, I.; Kantzas, A.; Bryant, S. Electro-acoustic excitation of the interface. Adv. Colloid Interface Sci. 2020, 283, 102217. [Google Scholar] [CrossRef]
- Hassan, Y.M.; Guan, B.H.; Zaid, H.M.; Hamza, M.F.; Adil, M.; Adam, A.A.; Hastuti, K. Application of magnetic and dielectric nanofluids for electromagnetic-assistance enhanced oil recovery: A review. Crystals 2021, 11, 106. [Google Scholar] [CrossRef]
- Shi, Z.; Dou, L.; Shi, J.; Bai, J.; Xue, L.; Chen, B.; Wang, L. Geochemical characteristics of crude oils and hydrocarbon accumulation in the Palogue Oilfield, Melut Basin, South Sudan. J. Afr. Earth Sci. 2022, 195, 104642. [Google Scholar] [CrossRef]
- Ma, X.; Wei, L.; Hou, D.; Xu, C.; Man, Y.; Li, W.; Wu, P. Geochemical Characteristics of Three Oil Families and Their Possible Source Rocks in the Sub-Sag A of Weixinan Depression, Beibuwan Basin, Offshore South China Sea. ACS Omega 2022, 7, 24795–24811. [Google Scholar] [CrossRef]
- Sikiru, S. Ionic transport and influence of electromagnetic field interaction within electric double layer in reservoir sandstone. J. Mol. Liq. 2021, 344, 117675. [Google Scholar] [CrossRef]
- Landeau, M.; Fournier, A.; Nataf, H.C.; Cébron, D.; Schaeffer, N. Sustaining Earth’s magnetic dynamo. Nat. Rev. Earth Environ. 2022, 3, 255–269. [Google Scholar] [CrossRef]















| Sample | T1 (µs) | T2 (ns) |
|---|---|---|
| Untreated | 21.3 (3) | 610 (20) |
| EM treatment 10 min. | 22.2 (3) | 620 (20) |
| EM treatment 20 min. | 24.6 (4) | 640 (20) |
| EM treatment 40 min. | 25.2 (3) | 635 (20) |
| EM treatment 50 min. | 24.8 (3) | 660 (20) |
| EM treatment 60 min. | 26.2 (4) | 690 (20) |
Publisher’s Note: MDPI stays neutral with regard to jurisdictional claims in published maps and institutional affiliations. |
© 2022 by the authors. Licensee MDPI, Basel, Switzerland. This article is an open access article distributed under the terms and conditions of the Creative Commons Attribution (CC BY) license (https://creativecommons.org/licenses/by/4.0/).
Share and Cite
Ponomarev, A.A.; Gafurov, M.R.; Kadyrov, M.A.; Tugushev, O.A.; Drugov, D.A.; Vaganov, Y.V.; Zavatsky, M.D. Impact of Geomagnetic Fields on the Geochemical Evolution of Oil. Processes 2022, 10, 2376. https://doi.org/10.3390/pr10112376
Ponomarev AA, Gafurov MR, Kadyrov MA, Tugushev OA, Drugov DA, Vaganov YV, Zavatsky MD. Impact of Geomagnetic Fields on the Geochemical Evolution of Oil. Processes. 2022; 10(11):2376. https://doi.org/10.3390/pr10112376
Chicago/Turabian StylePonomarev, Andrey A., Marat R. Gafurov, Marsel A. Kadyrov, Oscar A. Tugushev, Denis A. Drugov, Yuri V. Vaganov, and Mikhail D. Zavatsky. 2022. "Impact of Geomagnetic Fields on the Geochemical Evolution of Oil" Processes 10, no. 11: 2376. https://doi.org/10.3390/pr10112376
APA StylePonomarev, A. A., Gafurov, M. R., Kadyrov, M. A., Tugushev, O. A., Drugov, D. A., Vaganov, Y. V., & Zavatsky, M. D. (2022). Impact of Geomagnetic Fields on the Geochemical Evolution of Oil. Processes, 10(11), 2376. https://doi.org/10.3390/pr10112376

