Measuring Vapor and Liquid Concentrations for Binary and Ternary Systems in a Microbubble Distillation Unit via Gas Sensors
Abstract
1. Introduction
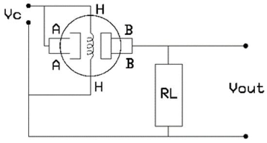
1.1. Metal Oxide Gas Sensors
1.2. Gas Sensor Array Models Based on Polynomial Regression
2. Materials and Methods
2.1. Microbubble Distillation Unit
2.2. Materials and Methods
2.2.1. Materials
2.2.2. Measurements of the Vapor Phase Concentration in Binary Mixtures
2.3. Measurements of the Liquid Phase Concentration in Ternary Mixtures
3. Results and Discussion
3.1. Vapor Phase Concentration in Binary Mixtures
3.2. Liquid Phase Concentration in Ternary Mixtures
4. Conclusions
Author Contributions
Funding
Acknowledgments
Conflicts of Interest
References
- Liu, X.; Cheng, S.; Liu, H.; Hu, S.; Zhang, D.; Ning, H. A survey on gas sensing technology. Sensors 2012, 12, 9635–9665. [Google Scholar] [CrossRef] [PubMed]
- Khalaf, W. Sensor Array System for Gases Identification and Quantification. In Recent Advances in Technologies; Strangio, M.A., Ed.; InTech: Rijeka, Croatia, 2009; Available online: http://cdn.intechopen.com/pdfs/9272/InTech-Sensor_array_system_for_gases_identification_and_quantification.pdf (accessed on 25 May 2018).
- Pace, C.; Fragomeni, L.; Khalaf, W. Developments and Applications of Electronic Nose Systems for Gas Mixtures Classification and Concentration Estimation. In Applications in Electronics Pervading Industry, Environmental and Society; De Gloria, A., Ed.; Springer International Publishing: Basel, Switzerland, 2016; pp. 1–7. ISBN 978-3-319-20226-6. [Google Scholar]
- Miecznikowski, J.C.; Sellers, K.F. Statistical Analysis of Chemical Sensor Data. In Advances in Chemical Sensors; Wang, W., Ed.; InTechOpen: London, UK, 2012; ISBN 978-953-307-792-5. [Google Scholar]
- Scott, S.M.; James, D.; Ali, Z. Data analysis for electronic nose systems. Microchim. Acta 2006, 156, 183–207. [Google Scholar] [CrossRef]
- Wilson, A.; Baietto, M. Applications and advances in electronic-nose technologies. Sensors 2009, 9, 5099–5148. [Google Scholar] [CrossRef] [PubMed]
- Pace, C.; Khalaf, W.; Latino, M.; Donato, N.; Neri, G. E-nose development for safety monitoring applications in refinery environment. Procedia Eng. 2012, 47, 1267–1270. [Google Scholar] [CrossRef]
- Kurup, P.U. An electronic nose for detecting hazardous chemicals and explosives. In Proceedings of the 2008 IEEE Conference on Technologies for Homeland Security, Waltham, MA, USA, 12–13 May 2008; Volume 978, pp. 144–149. [Google Scholar] [CrossRef]
- Rudnitskaya, A.; Legin, A. Sensor systems, electronic tongues and electronic noses, for the monitoring of biotechnological processes. J. Ind. Microbiol. Biotechnol. 2008, 35, 443–451. [Google Scholar] [CrossRef] [PubMed]
- Ryabtsev, S.V.; Shaposhnick, A.V.; Lukin, A.N.; Domashevskaya, E.P. Application of semiconductor gas sensors for medical diagnostics. Sens. Actuators B Chem. 1999, 59, 26–29. [Google Scholar] [CrossRef]
- Jiang, H.; Zhang, H.; Chen, Q.; Mei, C.; Liu, G. Recent advances in electronic nose techniques for monitoring of fermentation process. World J. Microbiol. Biotechnol. 2015, 31, 1845–1852. [Google Scholar] [CrossRef] [PubMed]
- Gardner, J.W.; Bartlett, P.N. Performance definition and standardisation of electronic noses. Sens. Actuators B Chem. 1996, 33, 60–67. [Google Scholar] [CrossRef]
- Gardner, J.W.; Bartlett, P.N. Electronic Noses: Principles and Applications; Oxford University Press: New York, NY, USA, 1999; ISBN 9780198559559. [Google Scholar]
- Rock, F.; Barson, N.; Weimar, U. Metal oxide gas sensor arrays: Geometrical design and selectivity. AIP Conf. Proc. 2009, 1137. [Google Scholar] [CrossRef]
- Vargas-Bernal, R. Techniques to optimize the selectivity of a gas sensor. In Proceedings of the Robotics and Automotive Mechanics Conference (CERMA 2007), Morelos, Mexico, 25–28 September 2007. [Google Scholar] [CrossRef]
- Wang, C.; Yin, L.; Zhang, L.; Gao, R. Metal oxide gas sensors: Sensitivity and influencing factors. Sensors 2010, 10, 2088–2106. [Google Scholar] [CrossRef] [PubMed]
- Gardner, J.W. Detection of vapours and odours from a multisensory array using pattern recognition: Part 1. Principal component and cluster analysis. Sens. Actuators B Chem. 1991, 4, 109–115. [Google Scholar] [CrossRef]
- Gardner, J.W.; Hines, E.L.; Tang, H.C. Detection of vapours and odours from a multisensory array using pattern-recognition techniques. Part 2: Artificial neural networks. Sens. Actuators B Chem. 1992, 9, 9–15. [Google Scholar] [CrossRef]
- Abdulrazzaq, N.N.; Al-Sabbagh, B.H.; Rees, J.M.; Zimmerman, W.B. Purification of bioethanol using microbubbles generated by fluidic oscillation: A dynamical evaporation model. Ind. Eng. Chem. Res. 2016, 55, 12909–12918. [Google Scholar] [CrossRef]
- Abdulrazzaq, N.N. Application of Microbubbles Generated by Fluidic Oscillation in the Upgrading of Bio Fuels. Ph.D. Thesis, University of Sheffield, Sheffield, UK, 2016. [Google Scholar]
- Gardner, J.W.; Bartlett, P.N. A brief history of electronic noses. Sens. Actuators B Chem. 1994, 18, 210–211. [Google Scholar] [CrossRef]
- Yang, Y.; Yi, J.; Jin, R.; Mason, A.J. Power-error analysis of sensor array regression algorithms for gas mixture quantification in low-power microsystems. In Proceedings of the 2003 IEEE SENSORS, Baltimore, MD, USA, 3–6 November 2013. [Google Scholar] [CrossRef]
- Khalaf, W.; Pace, C.; Gaudioso, M. Gas detection via machine learning. World Acad. Sci. Eng. Technol. 2008, 37, 139–143. [Google Scholar]
- Khalaf, W.; Pace, C.; Gaudioso, M. Least square regression method for estimating gas concentration in an electronic nose system. Sensors 2009, 9, 1678–1691. [Google Scholar] [CrossRef] [PubMed]
- Zhou, H.; Homer, M.L.; Shevader, A.V.; Ryan, M.A. Nonlinear least-squares based method for identifying and quantifying single and mixed contaminants in air with an electronic nose. Sensors 2006, 6, 1–18. [Google Scholar] [CrossRef]
- Gaudioso, M.; Khalaf, W.; Pace, C. On the use of the SVM approach in analyzing an electronic nose. In Proceedings of the 7th International Conference on Hybrid Intelligent Systems, Kaiserslautern, Germany, 17–19 September 2007; pp. 42–46, ISBN 0-7695-2946-1. [Google Scholar]
- Flick, E. Industrial Solvents Handbook, 5th ed.; William Andrew Noyes Publications: New York, NY, USA, 1998; ISBN 9780815518099. [Google Scholar]
- Di Carlo, S.; Falasconi, M. Drift correction methods for gas chemical sensors in artificial olfaction systems. In Advances in Chemical Sensors; Wang, W., Ed.; IntechOpen: London, UK, 2012; ISBN 978-953-307-792-5. [Google Scholar]






| Ethanol x-y Equilibrium Data (vol%) | Measured Average Vapor Concentration (vol%) | Error Percentage (%) | |
|---|---|---|---|
| 96 | 96.39 | 96.35 | 0.041 |
| 98 | 98.05 | 98.15 | 0.102 |
| 70 | 85.99 | 85.73 | 0.302 |
| 100 | 100 | 99.93 | 0.07 |
| 80 | 88.66 | 88.70 | 0.045 |
| 90 | 92.28 | 92.56 | 0.303 |
| 60 | 83.67 | 84.05 | 0.454 |
| 50 | 81.16 | 81.40 | 0.296 |
| 15 | 61.31 | 61.90 | 0.962 |
| 35 | 76.75 | 76.02 | 0.951 |
| 25 | 71.53 | 71.00 | 0.741 |
| 65 | 84.79 | 85.00 | 0.248 |
| 20 | 67.93 | 67.64 | 0.427 |
| 40 | 78.76 | 77.88 | 1.1177 |
| Actual Concentration (%) | Measured from Constraint Equation | Measured by Humidity Sensor |
|---|---|---|
| 59 | 59.92 | 55.36 |
| 50 | 49.32 | 47.46 |
| 41 | 40.63 | 38.23 |
| 32 | 30.91 | 29.99 |
| 23 | 23.75 | 20.44 |
| 14 | 12.55 | 12.53 |
| 54 | 52.99 | 51.41 |
| 45 | 43.61 | 45.49 |
| 36 | 41.68 | 36.59 |
| 27 | 27.14 | 27.36 |
| 18 | 20.53 | 17.14 |
| 49 | 50.50 | 49.44 |
| 40 | 37.36 | 44.17 |
| 31 | 27.465 | 32.97 |
| 22 | 20.78 | 22.42 |
| 13 | 13.13 | 12.70 |
| 44 | 43.98 | 46.80 |
| 35 | 36.40 | 38.24 |
| 26 | 26.99 | 29.01 |
| 17 | 16.57 | 17.47 |
© 2018 by the authors. Licensee MDPI, Basel, Switzerland. This article is an open access article distributed under the terms and conditions of the Creative Commons Attribution (CC BY) license (http://creativecommons.org/licenses/by/4.0/).
Share and Cite
Abdulrazzaq, N.N.; Al-Sabbagh, B.H.; Rees, J.M.; Zimmerman, W.B. Measuring Vapor and Liquid Concentrations for Binary and Ternary Systems in a Microbubble Distillation Unit via Gas Sensors. Chemosensors 2018, 6, 31. https://doi.org/10.3390/chemosensors6030031
Abdulrazzaq NN, Al-Sabbagh BH, Rees JM, Zimmerman WB. Measuring Vapor and Liquid Concentrations for Binary and Ternary Systems in a Microbubble Distillation Unit via Gas Sensors. Chemosensors. 2018; 6(3):31. https://doi.org/10.3390/chemosensors6030031
Chicago/Turabian StyleAbdulrazzaq, Nada N., Baseem H. Al-Sabbagh, Julia M. Rees, and William B. Zimmerman. 2018. "Measuring Vapor and Liquid Concentrations for Binary and Ternary Systems in a Microbubble Distillation Unit via Gas Sensors" Chemosensors 6, no. 3: 31. https://doi.org/10.3390/chemosensors6030031
APA StyleAbdulrazzaq, N. N., Al-Sabbagh, B. H., Rees, J. M., & Zimmerman, W. B. (2018). Measuring Vapor and Liquid Concentrations for Binary and Ternary Systems in a Microbubble Distillation Unit via Gas Sensors. Chemosensors, 6(3), 31. https://doi.org/10.3390/chemosensors6030031

