Abstract
Quality control is mandatory in the food industry and chemical sensors play a crucial role in this field. Coffee is one of the most consumed and commercialized food products globally, and its quality is of the utmost importance. Many scientific papers have analyzed coffee quality using different approaches, such as analytical and sensor analyses, which, despite their good performance, are limited to structured lab implementation. This study aims to evaluate the capability of a smart electrochemical sensor to discriminate among different beverages prepared using coffee beans with different moisture content (0%, 2%, >4%) and ground in three sizes (fine, medium and coarse). These parameters reflect real scenarios where coffee is produced and its quality influenced. The possibility of optimizing coffee quality in real time by tuning these parameters could open the way to intelligent coffee machines. A specific experimental setup has been designed, and the data has been analyzed using machine learning techniques. The results obtained from Principal Component Analysis (PCA) and Partial Least Square Discriminant Analysis (PLS-DA) show the sensor’s capability to distinguish between samples of different quality, with a percentage of correct classification of 86.6%. This performance underscores the potential benefits of this sensor for coffee quality assessment, enabling time and resource savings, while facilitating the development of analytical methods based on smart electrochemical sensors.
1. Introduction
Coffee is one of the most commercialized products globally among foods and beverages. In 2022/2023, approximately 168 million bags (1 bag = 60 kg) were produced []. This crop constitutes a real source of income for more than twenty million farmers distributed between Latin America, Africa and Asia, representing a driver of socio-economic development for the populations of these regions. In contrast, consumers are distributed in the countries of the Global North, with the European Union in first place, followed by the USA and Japan []. Although not a mass market, there is growing interest in specialty coffee. According to the Center for the Promotion of Imports (CPI), an agency of the Ministry of Foreign Affairs of the Netherlands, the number of outlets for this high-quality Arabica coffee has increased by 3.4% in 2019 []. This type of coffee is characterized by having an excellent flavor and taste that is unique and depends on the land of origin []. These single-origin beans are usually roasted from light to medium grade to obtain a superior final cup. The term “specialty” is given by the Specialty Coffee Association (SCA) when the coffee reaches at least 80 points on a 100-point scale [].
The organoleptic qualities of this type of product are of the utmost importance, and the roasting phase and subsequent storage phase influence it. As a result of the roasting phase, a change occurs in the structure of the bean due to the high temperatures to which it is subjected, leading to the production and/or degradation of acids, caffeine, lipids and carbohydrates []. The drink that results, therefore, has a complex chemical composition, which also depends on coffee variety (Coffea Arabica vs. Coffea Canephora), origin, environmental growing conditions, roasting phase, storage, grinding, ratio of ground coffee/water used, water temperature and percolation time [,,,,]. Among the chemicals that most characterize coffee, caffeine has been extensively studied, both chemically and for its effects on the body, being a stimulant of the central nervous system that acts as a mild cognitive enhancer. Besides caffeine, coffee has other classes of molecules that contribute to the drink’s popularity. Following the roasting phase, high temperatures lead to the Maillard reaction occurring between the carbohydrates and proteins and to the formation of melanoidins and other secondary compounds, among which the phenolic ones can reach up to 15%, which have been extensively investigated in coffee [,,,,], which confer typical organoleptic characteristics to the drink, such as malty, bread crust-like, caramel, bitterness, burnt, sweaty and cabbage []. These compounds are also responsible for the drink’s antioxidant activity along with various phenols naturally present in coffee [,,,]. The growing attention given to these compounds is mainly due to their demonstrated scavenging capacity against radicals, balancing the oxidative state of physiological systems []. This homeostasis is essential for the prevention of several diseases caused by oxidants, including cancer, cardiovascular disease, immune system decline, and brain dysfunction, as well as for the ageing process []. Among the phenolic compounds, the main ones are hydroxycinnamic acids, which also play an important role in the beverage taste and quality of coffee beans and flavonoid derivatives, including caffeic acid and chlorogenic acid []. The main methods used to assay the total phenolic content (TPC) is the Folin–Ciocalteu assay, while the antioxidant activity is assayed with the DPPH assay and ABTS assay [,,,]. Usually, more than one assay is performed on a single sample due to various factors including multiple antioxidant action mechanisms, differences in the radical species used for each assay, and specific interferents [,,,,,,,,]. Alongside the roasting phase, the subsequent storage phase can also influence the quality of the final beverage. Coffee, just like other foods, is influenced by its moisture content, which can affect its structural characteristics, shelf-life, grinding, and the quality of the final product. It is during the storage phase that the environmental conditions (temperature and relative humidity), together with its state (bean or ground), influence its water adsorption [,]. From this perspective, studying adsorption isotherms is fundamental for preserving the quality of coffee, providing an understanding of the critical moisture level and thus understanding the product’s shelf life, as well as, for example, selecting the best type of packaging []. In recent years, coffee-producing countries have tried to understand the changes that water absorption causes through water adsorption isotherms. Their goal is to predict, using mathematical models, the optimal storage and transport conditions of the raw material and guarantee the final product’s safety, quality and sensorial properties. All of these aspects become even more challenging when coffee is served by an automatic machine, making the need for a feasible and reliable method to assess and ensure quality even more critical.
Hence, the quality of coffee is influenced by a multiplicity of intrinsic and extrinsic factors. The first is due to the geographical origins of coffee and the variety of coffee, which directly influence its chemical composition and thus also its polyphenol content. The latter includes both the processing practices (the cultivation method, treatment of the raw material and roasting) and the storage conditions. For these reasons, analyzing and understanding coffee quality is extremely complex and requires multiple analyses (usually very expensive), complex machinery and qualified operators [,,]. Therefore, it is necessary to develop innovative, inexpensive, easy to perform and fast analysis methods. In this context, electrochemical sensors emerge as a potential alternative to classical analysis methods [,,,,,]. This study aims to evaluate the differences among several espressos prepared with specialty coffee stored under different environmental conditions and ground to three different particle sizes. The analysis was conducted using a novel electrochemical sensor, with chemical data incorporated to support and validate the results.
2. Materials and Methods
2.1. Samples Preparation
Roasted specialty coffee beans were used for the analyses. For each cycle of analysis, approximately 60 g of coffee was used, divided into three samples of 20 g each, in order to obtain samples with different moisture contents. Initially, all coffee beans were left to dry in an oven at 90 °C for about 72 h, or until the samples had the same weight in three consecutive weighings. Once the fully dried coffee was obtained, two of the three coffee samples of 20 g each were placed in hermetically sealed containers, the environmental conditions inside of which were closely monitored for the entire duration of the experiment. Using a two-channel flowmeter and by varying the percentage of nitrogen bubbling inside a flask containing distilled water, it was possible to change the amount of moisture present in the headspace of the hermetic container with coffee. An integrated system based on temperature and humidity sensors was implemented to monitor the two environmental parameters. More specifically, for both samples, a constant temperature of 25 °C (room temperature) was maintained, while the relative humidity values were, in one case, 50–55%, values corresponding to the ambient humidity usually found in an indoor environment, while in the other sample, the relative humidity was maintained at about 80%, so as to obtain samples with very different moisture content. As a result, the coffee beans showed an increase in weight corresponding to an increase in moisture content of 2% and >4%, respectively.
Once the three coffee samples with different moisture content (desiccated coffee, 2% coffee and coffee > 4%) had been obtained, they were ground setting the coffee grinder in three different modes so as to obtain three different powders with coarse (1.19 mm), medium (0.84 mm) and fine (0.59 mm) particle size distribution, as already done by Baptestini et al. [] and Correa et al. [], to obtain three different powders for each coffee sample. Finally, ground coffee was used to obtain the final drink.
The beverages were then prepared using an espresso machine and special metal capsules filled with a fixed amount of coffee, so as to keep the water/coffee ratio constant (9 mL per gram of coffee). The water outlet temperature was equal to 90 °C and the percolation time equal to 25 s at 19 bars of pressure. The procedure was repeated three times to carry out the analysis in triplicate.
2.2. Optical Analysis
For each sample, a UV–VIS analysis was performed using a spectrophotometer (model UV-1800, Shimadzu Corporation, Kyoto, Japan), taking into account two different wavelengths: 600 nm, considered as the optical density index [,] and used to assess the difference in the infusion of the different samples, and 280 nm, which corresponds to the absorbance peak of caffeine []. To read the samples at 600 nm and 280 nm, each prepared coffee beverage was previously diluted 10-fold and 100-fold in distilled water, respectively.
2.3. Chemical Analysis
2.3.1. Total Phenolic Content and Antioxidant Activity
To measure the total polyphenol content, the Folin–Ciocalteu assay was employed, adapting the method described by Waterhouse []. Briefly, 20 μL of the sample was diluted in 1.58 mL of water, to which 100 μL of Folin–Ciocalteu reagent was then added. After 8 min, 300 μL of sodium carbonate solution was added and after 30 min at 40 °C, the absorbance of the samples at 765 nm was read using the spectrophotometer (model UV-1800, Shimadzu Corporation, Kyoto, Japan). Standard solutions of gallic acid were used to obtain the calibration curve. The results were expressed as mg of Gallic Acid Equivalents (GAE) per coffee beverage and then the relative percentage was calculated. All measurements were performed in duplicate.
2.3.2. TEAC Assay
Antioxidant activity was evaluated in terms of radical scavenging using the method of Spagnuolo et al. [] revisited. Briefly, ABTS radical cations (ABTS•+) were obtained by reacting 7 mM ABTS solution with 2.5 mM potassium persulphate solution in 5 mM phosphate buffer (pH 7.4) for 16h in the dark. After this time, the ABTS solution was diluted with additional saline buffer until an absorbance value of 0.70 ± 0.02 read at 730 nm was reached. Then 50 μL of sample or 50 μL of Trolox solution at different concentrations were added to 950 μL of ABTS solution. The reading was taken at 730 nm after 90 s, and ΔAbs was calculated for each sample. Final results were expressed as μM of Trolox Equivalent (TE) per coffee beverage and then the relative percentage was calculated. All measurements were performed in duplicate.
2.3.3. DPPH Assay
An additional assay used to assess antioxidant activity is the DPPH assay, revisiting the method described by Padmanabhan and Jamgle []. After preparing the DPPH stock [1 mM], a fresh dilute radical solution of 0.1 mM DPPH was prepared at the time of the assay, using ethanol as solvent. A volume of 50 μL of sample or 50 μL of Trolox solution at different concentrations was added to 950 μL of dilute DPPH solution after the initial absorbance at 518 nm was recorded (T0). Samples were incubated in the dark for 20 min and then the 518 nm reading was taken again (T1). Finally, ΔAbs were calculated for each point of the calibration curve and for each sample. Results were expressed as μM of Trolox Equivalent (TE) per coffee beverage and then the relative percentage was calculated. All measurements were performed in duplicate.
2.4. Sensor Analysis
A sensor for the analysis of liquids was developed to evaluate qualitative differences between the coffee samples. The sensor has been designed by the Electronics for Sensor Systems unit of “Università Campus Bio-Medico di Roma”. The device consists of two main blocks: an electronic interface and a sensing module based on an electrochemical cell.
2.4.1. Electronic Interface
The device includes a microcontroller ATSAMD21G18 ARM Cortex M0 Processor (Adafruit Industries, New York City, NY, USA), clocked at 48 MHz and operating at 3.3 V logic. This kind of interface provides Bluetooth low-energy connectivity for real-time wireless communication. The presence of a 3.7 V 500 mAh battery pack (Adafruit Industries, New York City, NY, USA) and a 100 mA LiPo battery charger makes the device (Adafruit Industries, New York City, NY, USA) fully portable and ready to be used in the field (e.g., in an automatic coffee machine).
The developed electronic interface is implemented with a low-noise circuit topology, ensuring high stability and measurement repeatability for the analyzed sample. The voltage supply of the device is 3.3 V, stabilized by an internal voltage regulator. A 1.6 V voltage regulator sets the voltage reference to handle ± 1.6 V signals. A 12-bit resolution DAC with a minimum applicable potential of 805 μV was used. The DAC has an I2C communication protocol and a slew rate of 0.55 V/μs.
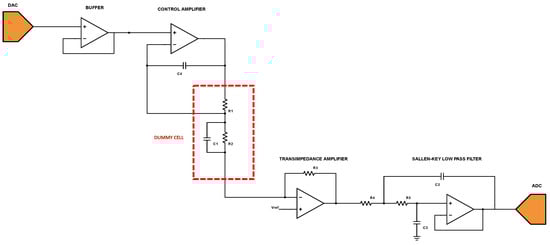
The Electronic Interface generates an input signal for the electrochemical cell (sensing module, Figure 1). The sensing module comprises a 3-electrode cell (working, reference, and counter). The input signal for the electrochemical cell is applied through a control amplifier (CA) to the reference electrode (RE). This configuration limits the current supplied by the signal generator and automatically controls the current supplied by the operational amplifier through the counter electrode (CE). This electronic control ensures stability of the signal, thus enhancing the reproducibility of the sensor response.

Figure 1.
Schematic overview of electronic interface for electrochemical cell. Different stages are shown: control amplifier, electrochemical cell, transimpedance amplifier, active low pass filter (Sallen key).
The signal resulting from the oxidation/reduction reaction due to the applied current inside the electrochemical cell, which varies the conductivity, generates an electrochemical signal that is first converted from current to voltage by a transimpedance amplifier (TIA) and then goes through the acquisition chain, first with an amplification and filtering stage and then through the signal conversion by an ADC.
The current-to-voltage conversion stage (I–V) through the transimpedance amplifier has been optimized and improved by incorporating a digital potentiometer capable of increasing the detectable current range with a theoretical minimum detectable current of 500 nA, thus increasing sensor resolution.
The output signal is filtered and amplified by an active Sallen–Key filter with a gain in the passband of 0 dB and a −40 dB/decade 2-pole response. This filter topology is also known as a VCVS (voltage-controlled voltage source filter). The circuit includes two low-pass RC networks that produce a roll-off of −40 dB/decade beyond the critical frequency. The first RC network is composed of R4 and C2, while the second one consists of R5 and C3. A distinctive characteristic of the Sallen–Key low-pass filter is the capacitor C2, which supplies feedback to shape the frequency response at the cutoff region of the passband.
The signals (filtered and unfiltered) are first buffered and then sent to the ADC along with the buffered input signal. The ADC is an integrated circuit with 16-bit resolution and a signal acquisition resolution of 50 μV.
2.4.2. Noise Considerations
It is important to consider the noise generated by the implemented electronic interface. To this regard, it is advisable to evaluate the signal-to-noise ratio (SNR), which represents the ratio between the power of the desired signal and the power of the noise present in the circuit.
The noise evaluation was performed using LTSpice (LTspice®) (Analog Devices, Inc., Wilmington, MA, USA). The maximum and minimum noise obtained by varying the feedback resistance of the TIA has been calculated. In both configurations, where R3 is equal to 100 ohms or in the configuration with maximum gain where R3 is 100 kilohms, the noise current is 91 pA. The reason is that the main contribution is attributed to the operational amplifier (OP484).
The use of high-performance components designed for noise reduction, along with an optimized configuration of the electronic interface, results in a noise current of 91 pA, which is considerably lower than the minimum detectable current of 500 nA by the ADC. The magnitude of the VRMS noise generated by the device is 1.51 μV.
2.4.3. Firmware and Software
The control code developed for the device is designed to apply various electrochemical analysis techniques, such as Cyclic Voltammetry (CV), Square Wave Voltammetry (SWV), and Chronoamperometry (CA). The acquired data can be sent via USB or BLE to the paired device and displayed through a cloud-based user interface. The interface not only includes the measurement history but also allows for analysis and local saving of the data. The whole device is compact (53 × 21 mm), allowing its implementation in the field.
2.4.4. The Operating Principle: Cyclic Voltammetry
The operating principle of the electrochemical sensor is based on cyclic voltammetry. The electronic interface (outlined above) is capable of supplying a triangular voltage waveform, ranging from +1 V to −1 V, as the input signal, while also capturing output data through a Screen-Printed Electrode (SPE; DRP-250BT, Metrohm, Herisau, Switzerland) probe (Working: Gold, Counter: Platinum, Reference: Silver), which functions as a disposable sensing element. When the electrode is immersed in the solution, the applied voltage triggers redox reactions of the molecules present in the sample. This process results in the generation of an output current, driven by the electrons involved in these reactions, which is then recorded. Compared to the standard approach, this novel system has three peculiar features: the electrodes are not functionalized, the system allows frequency and amplitude modulation of the input voltage, and finally the I/O signal has high stability. For the analysis of the coffee samples, the frequency of the input signal was fixed at 10 mHz and the output signal was acquired at 200 ms intervals. Consequently, the output signal consisted of 500 values per measurement cycle that was considered as multidimensional data and thus analyzed with a fingerprinting approach. Seven measurement cycles were performed for each sample analysis, and the acquired data were then analyzed as described in the Data Analysis section.
2.5. Data Analysis
Given the large multidimensional data obtained from the use of the device, the approach for analyzing the raw data was based on the consideration of the entire oxidation-reduction profile of the various coffee samples as an electrochemical fingerprint. To understand the information in the data set and reduce its dimensionality, multivariate analysis techniques were employed: Principal Component Analysis (PCA) and Partial Least Square Discriminant Analysis (PLS-DA). PCA was performed to assess the instrument’s ability to discriminate between the various coffee samples on the basis of the different moisture content and the degree of grinding. The PLS-DA model was used to assess the reliability of a classification model: the data was divided into a training dataset (group of 57 samples divided into 10 classes) and a validation dataset (group of 30 samples), resulting in prediction accuracy metrics at the end. All statistical analyses were conducted using the PLS-Toolbox (Eigenvector Research Inc., Manson, WA, USA) in the Matlab environment (The MathWorks, Natick, MA, USA).
3. Results and Discussion
Coffee with different moisture contents (dried, 2% moisture and >4% moisture) was ground in three sizes (fine, medium and coarse), resulting in three different types of ground coffee for each sample. The obtained espresso coffee samples were optically analyzed (infusion index at 600 nm; absorbance peak of caffeine at 280 nm) using a spectrophotometer, the total polyphenol content was determined through the Folin–Ciocalteu assay, and their antioxidant activity was assessed by ABTS and DPPH assay. In addition to these laboratory analyses, the electrochemical sensor was used to perform a qualitative analysis of the coffee samples: the effectiveness of the device in discriminating between the various coffee beverages and the correspondence of the results obtained with those obtained by laboratory methods were evaluated. All the results have been normalized due to the intrinsic heterogeneity of the food matrix considered. In particular, for each analysis, we calculated the relative absorbance/polyphenols content/antioxidant activity with regards to three different references. In one case, we set as a reference the dried sample ground “fine” (0% F) to get a general overview of the differences between the various coffees. In the second case, grouping samples with equal moisture content, we took as a reference the “fine” ground coffee (0% F; 2% F; >4% F) for each set, so as to correlate the output of the experiments with the different moisture content. Finally, in the third case, samples were grouped for the same degree of grinding, and the coffee at 0% moisture content (0% F, 0% M, 0% C) was considered as a reference for the respective set.
Concerning optical analysis, the normalized results of the spectrophotometer readings at 600 nm and 280 nm are shown in Figure 2 and Figure 3.

Figure 2.
Relative Absorbance at 600 nm, considering the samples divided into sub-groups having the same moisture content, but different levels of grinding (a) and the same degree of grinding but different moisture content (b). In (c) is represented a general overview of the samples, ordered in descending order: 0% F, 2% F, 0% M, 2% M, 0% C, 4% F, 4% M, 2% C, 4% C.

Figure 3.
Relative Absorbance at 280nm, considering the samples divided into sub-groups having the same moisture content, but different levels of grinding (a) and the same degree of grinding but different moisture content (b). In (c) is represented a general overview of the samples, ordered in descending order: 0% F, 2% F, 4% F, 0% M, 2% M, 4% M, 2% C, 0% C, 4% C.
It can be seen from the graphs (Figure 2a) that, for the same moisture content, the degree of grinding leads to differences in the degree of infusion of the coffee drink. The major optical density index difference can be observed in samples prepared with dried coffee and coffee at 2% moisture content, where fine grinding allows for a higher solute extraction than medium and coarse grinding. This is because the coffee, when finely ground, increases the surface area that interacts directly with the extracting water and, consequently, increases the amount of solutes present in the solution. For beverages prepared with coffee that has a moisture content > 4%, the differences in terms of infusion are less noticeable. This phenomenon is mostly due to two different factors: (i) the decreasing of the surface area offered by the bigger particle size of ground coffee to the extracting water during the drink preparation; (ii) the so-called ’plasticizing effect’ of the water occurring when the water molecules present in the coffee bean interact with its physical structure and moisture levels > 4% are reached. This phenomenon means the water cannot correctly pass through the structure of the ground coffee particles during the drink preparation, because the bean has lost its characteristic brittleness and porosity, and, consequently, the beverage obtained will be lower in solutes than the one obtained with drier coffee. This shows how the quality of the final drink is influenced not only by the grinding size of the coffee, but also by its starting moisture content. The same applies to the amount of caffeine in the drink (Figure 3a), as the caffeine content in the beverage is higher for fine grindings than for medium and coarse grindings. However, it is important to note that, in this case, the moisture content only slightly influences the difference in caffeine content between the various samples. In this study, we also wanted to investigate the influence of the degree of moisture in the coffee beans on the final drink obtained. The normalized results are shown in Figure 2b and Figure 3b. In this comparison, the differences in terms of infusion index (Figure 2b) between the various samples are insignificant, with only the finely ground samples showing greater differences. In terms of caffeine content (Figure 3b), the differences are only somewhat relevant between one sample and another, despite the different starting moisture content. Particularly, for coarse grinding, no differences occur between the samples. Consequently, this degree of grinding affects the final quality of the beverage regardless of the starting moisture content of the bean. Figure 2c and Figure 3c show the general trend of the different samples considering infusion index and caffeine content, respectively. In both cases, the greatest differences are noted in the samples with the lowest moisture content (0% and 2%) and those which are finely ground. On the other hand, for the samples with the highest moisture content (>4%) and/or which are more coarsely ground, the differences become less pronounced, indicating, as mentioned above, that it is the degree of coffee grinding that particularly influences the final quality of the beverage.
The determination of polyphenols content was obtained through Folin–Ciocalteu assay, and the results are shown in Figure 4.

Figure 4.
Relative Polyphenols content expressed as Gallic Acid Equivalent (GAE). In (a) are represented the samples divided into sub-categories having the same moisture content but different levels of grinding; in (b) the samples are divided into sub-groups having same level of grinding but different moisture content; in (c) is represented a general overview of the samples, ordered in descending order: 2% F, 0% F, 4% F, 0% M, 2% M, 4% M, 2% C, 0% C, 4% C.
The trends already observed with the optical analysis of caffeine at 280 nm are here confirmed. The beverages prepared with coffee with the same moisture content, but different degrees of grinding (Figure 4a), show comparable differences: the gap between fine, medium and coarse ground samples is similar for coffees with different moisture contents (dried, 2%, >4%). This confirms that the degree of grinding plays a key role in determining the total polyphenol content of the final beverage: a finer grind results in a higher extraction of the phenolic compounds as it increases the surface area that comes into contact with the water during the beverage preparation. Comparing samples with the same degree of grinding but different moisture content (Figure 4b), the differences in total polyphenols in the beverage are less significant, with a slightly downward trend as the moisture content increases when the coffee is ground fine and medium, whereas, when the grinding is coarse, the differences between the samples are almost negligible. This trend is highlighted also in Figure 4c, where an overall view of the samples is shown. For finer grinding levels, the differences in polyphenols content between the beverages are noticeable, while for greater grinding levels the differences are slightly evident, despite the initial coffee bean moisture content.
The evaluation of the antioxidant activity, determined with the ABTS and DPPH assays, reconfirmed the results already obtained with the Folin–Ciocalteu assay (Figure 5 and Figure 6).

Figure 5.
Relative antioxidant activity from DPPH assay. In (a) are represented the samples divided into sub-categories having the same moisture content but different levels of grinding; in (b) the samples are divided into sub-groups having same level of grinding but different moisture content; in (c) is represented a general overview of the samples, ordered in descending order: 0% F, 4% F, 2% F, 2% M, 0% M, 4% M, 2% C, 0% C, 4% C.

Figure 6.
Relative antioxidant activity from TEAC assay. In (a) are represented the samples divided into sub-categories having the same moisture content but different levels of grinding; in (b) the samples are divided into sub-groups having same level of grinding but different moisture content; in (c) is represented a general overview of the samples, ordered in descending order: 0% F, 2% F, 4% F, 0% M, 2% M, 4% M, 0% C, 2% C, 4% C.
The results reported in the graphs in Figure 5 and Figure 6 show a similar trend. If we consider Figure 5a and Figure 6a, the gaps within each group are similar, which means that the degree of grinding influences the antioxidant activity of the drinks prepared. In particular, fine grindings correspond to higher levels of antioxidant activity than medium and coarse grindings. On the contrary, when antioxidant activity is analyzed by taking the degree of grinding as a constant parameter and the moisture content as variable one (Figure 5b and Figure 6b), the moisture content does not particularly influence the antioxidant activity of the beverages. This confirms that the influence of the moisture content is minimal compared to the influence of the level of grinding, as already demonstrated by other assays. This evidence is perfectly shown also in Figure 5c and Figure 6c, where the greater differences in antioxidant activity are found between finer ground coffee beans than in coarser coffee beans, despite the initial moisture content. This phenomenon is clearly explained by the surface–water ratio, as stated before: the finer the level of grinding, the more the water extraction occurs, leading to a drink richer in solutes and thus in antioxidant molecules.
The measurements performed with the electrochemical sensor provided a pattern composed of 500 values per sample measurement cycle. In Figure 7 three examples are reported of fingerprints obtained in different conditions of humidity and different levels of grinding, following the same procedure of optical measurements.

Figure 7.
Electrochemical fingerprints of coffee obtained from (a) beans with 0% moisture content and at different degrees of grinding, (b) beans with 2% moisture content and at different degrees of grinding and (c) beans with >4% moisture content and at different degrees of grinding.
As highlighted in the fingerprints, the responses are very similar to each other. The excellent reproducibility of the system allows even small differences to be evidenced and evaluated. What emerges is that the clusters are different within the same category and among themselves.
The ability to emphasize these differences was further achieved using multivariate data analysis techniques. Unlike traditional electrochemical analyses, our method focuses on the entire electrochemical signal, which encompasses a wide voltage range from -1 V to +1 V. This approach contrasts with more conventional electrochemical techniques, which usually target narrow voltage ranges tailored to detect specific molecules of interest. Nonetheless, the electrochemical fingerprint of the coffee samples is highly complex, with numerous overlapping contributions from various chemical components. As such, attempting to attribute specific peaks to individual molecules would be both reductive and misleading. The use of machine learning algorithms in this context allows for the identification of patterns and relationships within the entire signal, which would be difficult to discern using traditional methods focused on isolated peaks. Therefore, coffees’ electrochemical fingerprints were analyzed as multidimensional data applying the Principal Component Analysis (PCA) and Partial Least Square Discriminant Analysis (PLS-DA), which helped to reveal the underlying trends and classifications within this complex data set.
In Figure 8a is shown the scores plot of the first and second components obtained with the PCA model. The PC with the highest information content is PC1 (89.88%). Along this direction, the analyzed samples are grouped into two main distinct clusters: the water cluster (the solvent used in the preparation of the drink) and the coffee. To understand whether the sensor is able to discriminate coffee samples without the presence of the blank, the PCA scores plot for the coffee samples alone was also processed (Figure 8b). Along PC1 (59.34%) it is possible to observe a clusterization of the various coffee samples into three main subgroups: (i) the first group: the most concentrated coffee samples (0% F); (ii) the second group: composed of 0% M, 2% F and >4% F, which are the samples that, in the laboratory analysis, were also usually found to have intermediate values; (iii) the third group: composed of the most diluted coffee samples (0% C, 2% M, 2% C, >4% M and >4% C). The arrangement of the subgroups in the scores plot shows how these samples are distributed according to decreasing solute concentration, thus, from the coffee with the highest solute content (0% F) to the most diluted coffee (>4% C). This is coherent with the fact that the coffee samples are discriminated as high quality samples and lower quality samples. The higher solute content indicates a correct extraction during beverage preparation and, as a consequence, the organoleptic properties will also be more evident. The results obtained from the application of the sensor agree with those obtained from the laboratory analysis and confirm the electrochemical sensor’s capability to discriminate qualitatively between different coffee samples.

Figure 8.
(a) Scores plot of coffee samples and blank (oligo-mineral water). It can be seen how the sensor can discriminate the blank from the coffee samples. (b) Score plot of only coffee samples. The effectiveness of the sensor in qualitatively discriminating the different coffee samples can be seen, distributed along PC1 according to decreasing solute concentration.
The findings obtained in PCA are also confirmed by PLS-DA. The validation of the supervised classification model has been carried out through a classic machine learning technique usually applied for small datasets. Specifically, the whole data was divided randomly into a training and a validation dataset. Then, the classifier was trained using the former group of data and finally the prediction accuracy was calculated against the testing dataset. Figure 9 shows the confusion matrix obtained by applying the predictive model calculated on a test group of 30 samples; the model has been trained on a group of 57 samples (divided into 10 classes). The percentage of correct classification is 86.6%, indicating the effectiveness of the electrochemical sensor in distinguishing the different types of samples analyzed.

Figure 9.
Confusion matrix of the PLS-DA model used for prediction of tested samples; green and red cells represent correct and incorrect predictions, respectively. The model has been trained on a group of 57 samples, while the test consists of a group of 30 samples.
4. Conclusions
The quality aspect is of the utmost importance for food such as coffee, especially for consumers, and even more so when this quality must be sensed by automatic machines. Understanding its quality is complex, and several analyses must be conducted. The results obtained in this study demonstrate that the evaluation of coffee quality is possible using smart sensors. Many papers report on the possibility of discriminating between different types of coffee, but the implementation of those methods directly in the field is not possible. Generally, indeed, the instruments used to analyze coffee are complex to use (GC-MS, HPLC, UV–VIS spectrophotometer), requiring specialized personnel and, generally, are very expensive. The application of an electrochemical sensor for the analysis of coffee and its compounds has already been used in some studies to assess the origin of coffee and its authentication [], the caffeine and chlorogenic acid in beverages [], the characterization of polyphenols in coffee and tea [], the antioxidant capacity of coffee, green tea and red wine [], as well as to correlate organoleptic (sensorial) analyses in the general evaluation of coffee []. However, none of these studies, to date, has focused on the evaluation of multiple qualitative aspects characterizing the beverage (infusion index, caffeine content, total polyphenols and antioxidant activity) with regard to the comparison with electrochemical fingerprints, and also relating them to the initial moisture content of the coffee bean and the degree of grinding. All these features, if evaluated by a single, cheap, scalable (in size), low-voltage, low-noise and effective sensor, would allow its application in the field.
The sensor technology described in our study has significant potential for real-world application, particularly in the context of coffee production and quality control. One promising direction for integration is the miniaturization of the sensor, which would allow it to be seamlessly incorporated into professional espresso machines used in both commercial and high-end domestic settings, revolutionizing the way coffee quality is monitored and adjusted in real time. For instance, in an automated espresso machine, the sensor could analyze the coffee just during the extraction, adjusting brewing parameters like grind size, temperature, pressure, and water-to-coffee ratio in real time based on the sensor’s readings, thereby improving both the flavor and consistency of the final cup. This capability would be beneficial especially in professional settings, where consistent quality is essential for customer satisfaction and operational efficiency. By providing dynamic adjustments based on real-time environmental and product conditions, the system could help baristas and operators achieve consistently high-quality espresso with minimal intervention. Moreover, the integration of such a system could streamline quality control processes, allowing for a more standardized approach to espresso preparation, even across different machines and operators.
A promising approach for integrating our smart electrochemical sensor into automated coffee machines would be to miniaturize the electrodes and position them directly in the coffee dispensing nozzles. This would allow the sensor to collect electrochemical data in real time directly from the dispensed coffee, enabling continuous monitoring of key quality parameters, such as the presence of compounds influencing taste, texture, and temperature. This setup not only facilitates immediate and continuous quality assessment but also eliminates the need for sample collection, thus making the process more efficient and non-intrusive for end users. As for the electronic interface, which is more susceptible to heat, moisture, dust, and steam typical in coffee machines, it could be positioned inside the coffee machine body, within a protected compartment that ensures adequate thermal insulation and waterproofing. This design would minimize the risk of damage to the electronics, protecting sensitive components from harsh environmental conditions while ensuring long-term operational durability.
However, this solution does present certain technical challenges, such as the need for calibration of the electrodes in direct contact with the coffee and ensuring reliable data collection in such a dynamic environment. Specifically, the sensors would need to operate stably under the temperature and pressure fluctuations inherent in the brewing process, and the data obtained must be consistent and actionable in real time for process optimization. Despite these challenges, the integration of miniaturized electrodes in the dispensing nozzles and the protection of the electronic interface within the machine body presents a practical and innovative solution for making the electrochemical sensor an efficient and easily deployable tool in modern coffee machines, enhancing both product quality and consistency in a simple and cost-effective manner.
The obtained results confirm how the final beverage’s quality depends closely on the degree of grinding of the bean and the starting moisture content of the coffee. In particular, fine grindings showed a greater extraction of solutes, including caffeine and phenolic compounds, which leads to beverages having greater antioxidant activity. This is because the finer particles increase the contact surface offered to the extracting water, thus leading to higher solubilization of solutes and more concentrated coffees than more coarsely ground counterparts. It also emerged that moisture content influences the quality of the final beverage, although to a lesser degree than the degree of grinding. The sensor has demonstrated the ability to accurately distinguish coffee samples based on their preparation and final quality.
Concerning laboratory analyses, the correlation of electrochemical data with chemical data was not intended to provide new insights into the state of the art in coffee quality assessments. The purpose of employing chemical assays was to interpret and validate the results obtained from the electrochemical sensor presented in our study. While the sensor itself is primarily designed for detecting specific markers of coffee quality, the chemical assays were used as a complementary approach to cross-validate the electrochemical data and provide a more comprehensive assessment of the coffee’s quality parameters. Therefore, the results of our sensor show trends that align with those obtained from established chemical assays. Furthermore, we would like to emphasize that the primary advantage of the smart electrochemical sensor lies in its ability to provide rapid, real-time analysis without the need for complex sample preparation, expensive reagents nor the need for specialized personnel. While traditional methods can offer high accuracy and reliability, they are typically labor intensive and less suitable for real time, in situ measurements. Our electrochemical sensor, on the other hand, offers the benefit of portability and ease of use in operational environments, providing continuous and immediate information about key quality parameters. Beyond sensor performance, other aspects are related to the ease of production of such an electronic interface with low noise, low power, and non-mandatory chemical modification of the electrodes.
In summary, a miniaturized sensor could play a key role in modernizing espresso machines, offering a level of precision and adaptability that is currently not available in most commercial coffee production systems. Its ability to dynamically adjust to changes in the coffee bean’s moisture content and other environmental variables would not only improve the consistency of the coffee produced but could also serve as a valuable tool for optimizing the overall coffee preparation process.
Author Contributions
Conceptualization, S.G., M.V.D.L. and G.P.; methodology, S.G.; validation, M.V.D.L.; formal analysis, S.G., M.V.D.L. and L.V.; investigation, S.G. and M.V.D.L.; resources, A.Z., D.C. and L.D.G.; data curation, L.V.; writing—original draft preparation, M.V.D.L.; writing—review and editing, S.G. and M.S.; visualization, S.G., D.C. and A.Z.; supervision, G.P. and L.D.G.; project administration, M.S. All authors have read and agreed to the published version of the manuscript.
Funding
This research was funded by Project ECS 0000024 Rome Technopole—CUP C83C22000510001, NRP Mission 4 Component 2 Investment 1.5, Funded by the European Union—NextGenerationEU.
Institutional Review Board Statement
Not applicable.
Informed Consent Statement
Not applicable.
Data Availability Statement
Dataset available on request from the authors.
Conflicts of Interest
The authors declare no conflicts of interest.
References
- International Coffee Organization. Coffee Market Report. January 2024. Available online: https://www.icocoffee.org/documents/cy2023-24/cmr-0124-e.pdf (accessed on 12 April 2024).
- International Coffee Organization, Statistics on Coffee. 2021. Available online: https://www.ico.org/documents/cy2022-23/annual-review-2021-2022-e.pdf (accessed on 12 April 2024).
- European Market Potential for Specialty Coffee. September 2020. Available online: https://www.cbi.eu/market-information/coffee/specialty-coffee/market-potential#which-trends-offer-opportunities-in-the-european-specialty-coffee-market (accessed on 8 May 2024).
- Velásquez, S.; Peña, N.; Bohórquez, J.C.; Gutierrez, N.; Sacks, G.L. Volatile and Sensory Characterization of Roast Coffees—Effects of Cherry Maturity. Food Chem. 2019, 274, 137–145. [Google Scholar] [CrossRef] [PubMed]
- Specialty Coffee Association (SCA). The Washed Arabica Green Coffee Defect Guide; Specialty Coffee Association Research Center: Santa Ana, CA, USA, 2018. [Google Scholar]
- de Barbosa, M.S.G.; Scholz, M.B.; Kitzberger, C.S.G.; de Benassi, M.T. Correlation between the composition of green Arabica coffee beans and the sensory quality of coffee brews. Food Chem. 2019, 292, 275–280. [Google Scholar] [CrossRef] [PubMed]
- Cordoba, N.; Fernandez-Alduenda, M.; Moreno, F.L.; Ruiz, Y. Coffee extraction: A review of parameters and their influence on the physicochemical characteristics and flavour of coffee brews. Trends Food Sci. Technol. 2020, 96, 45–60. [Google Scholar] [CrossRef]
- Cordoba, N.; Moreno, F.L.; Osorio, C.; Velasquez, S.; Ruiz, Y. Chemical and sensory evaluation of cold brew coffees using different roasting profiles and brewing methods. Int. Food Res. 2021, 141, 110141. [Google Scholar] [CrossRef] [PubMed]
- Fuller, M.; Rao, N.Z. The effect of time, roasting temperature, and grind size on caffeine and chlorogenic acid concentrations in cold brew coffee. Sci. Rep. 2017, 7, 17979. [Google Scholar] [CrossRef]
- Seninde, D.R.; Chambers, E.; Chambers, D. Determining the Impact of Roasting Degree, Coffee to Water Ratio and Brewing Method on the Sensory Characteristics of Cold Brew Ugandan Coffee. Food Res. Int. 2020, 137, 109667. [Google Scholar] [CrossRef]
- Baggenstoss, J.; Perren, R.; Escher, F. Water content of roasted coffee: Impact on grinding behaviour, extraction, and aroma retention. Eur. Food Res. Technol. 2008, 227, 1357–1365. [Google Scholar] [CrossRef][Green Version]
- Bekedam, E.K.; Schols, H.A.; Van Boekel, M.A.J.S.; Smit, G. Incorporation of chlorogenic acids in coffee brew melanoidins. J. Agric. Food. Chem. 2008, 56, 2055–2063. [Google Scholar] [CrossRef] [PubMed]
- Nunes, F.M.; Coimbra, M.A. Melanoidins from Coffee Infusions. Fractionation, Chemical Characterization, and Effect of the Degree of Roast. J. Agric. Food. Chem. 2007, 55, 3967–3977. [Google Scholar] [CrossRef] [PubMed]
- Perrone, D.; Farah, A.; Donangelo, C.M. Influence of Coffee Roasting on the Incorporation of Phenolic Compounds into Melanoidins and Their Relationship with Antioxidant Activity of the Brew. J. Agric. Food. Chem. 2012, 60, 4265–4275. [Google Scholar] [CrossRef]
- Pilipczuk, T.; Kusznierewicz, B.; Zielinska, D.; Bartoszek, A. The Influence of Roasting and Additional Processing on the Content of Bioactive Components in Special Purpose Coffees. J. Food Sci. Technol. 2015, 52, 5736–5744. [Google Scholar] [CrossRef]
- Carcea, M.; Danesi, I.; De Gara, L.; Diretto, G.; Fanali, C.; Raffo, A.; Turfani, V. Chemical composition and sensory profile of the Italian espresso coffee powder and beverage under different roasting conditions. Eur. Food Res. Technol. 2023, 249, 1287–1301. [Google Scholar] [CrossRef]
- Flament, I.; Bessière-Thomas, Y. Coffee Flavor Chemistry; John Wiley & Sons: New York, NY, USA, 2002. [Google Scholar]
- Clifford, M.N. Chlorogenic acids and other cinnamates–nature, occurrence and dietary burden. J. Sci. Food Agric. 1999, 79, 362–372. [Google Scholar] [CrossRef]
- Delgado-Andrade, C.; Rufián-Henares, J.A.; Morales, F.J. Assessing the antioxidant activity of melanoidins from coffee brews by different antioxidant methods. J. Agric. Food. Chem. 2005, 53, 7832–7836. [Google Scholar] [CrossRef] [PubMed]
- Parras, P.; Martínez-Tomé, A.M.; Jiménez, M.A.M. Antioxidant Capacity of Coffees of Several Origins Brewed Following Three Different Procedures. Food Chem. 2007, 102, 582–592. [Google Scholar] [CrossRef]
- Gómez-Ruiz, J.Á.; Ames, J.M.; Leake, D.S. Antioxidant activity and protective effects of green and dark coffee components against human low density lipoprotein oxidation. Eur. Food Res. Technol. 2008, 227, 1017–1024. [Google Scholar] [CrossRef]
- Parliament, T.H. An Overview of Coffee Roasting. In Caffeinated Beverages: Health Benefits, Physiological Effects and Chemistry; ACS Symposium Series 754; American Chemical Society: Washington, DC, USA, 2000; pp. 188–201. [Google Scholar]
- Oliveira-Neto, J.R.; Rezende, S.G.; de Fátima Reis, C.; Benjamin, S.R.; Lavorenti Rocha, M.; de Souza Gil, E. Electrochemical Behavior and Determination of Major Phenolic Antioxidants in Selected Coffee Samples. Food Chem. 2016, 190, 506–512. [Google Scholar] [CrossRef] [PubMed]
- Niseteo, T.; Komes, D.; Belšcak-Cvitanović, A.; Horžić, D.; Budeč, M. Bioactive Composition and Antioxidant Potential of Different Commonly Consumed Coffee Brews Affected by Their Preparation Technique and Milk Addition. Food Chem. 2012, 134, 1870–1877. [Google Scholar] [CrossRef] [PubMed]
- Uslu, N. The Influence of Decoction and Infusion Methods and Times on Antioxidant Activity, Caffeine Content and Phenolic Compounds of Coffee Brews. Eur. Food Res. Technol. 2022, 248, 2021–2030. [Google Scholar] [CrossRef]
- Kucera, L.; Papoušek, R.; Kurka, O.; Barták, P.; Bednár, P. Study of Composition of Espresso Coffee Prepared from Various Roast Degrees of Coffea Arabica L. Coffee Beans. Food Chem. 2016, 199, 727–735. [Google Scholar] [CrossRef] [PubMed]
- Sanchez-Moreno, C. Methods Used to Evaluate the Free Radical Scavenging Activity in Food and Biological Systems. Food Sci. Technol. Int. 2002, 3, 121–137. [Google Scholar] [CrossRef]
- Prior, R.L.; Wu, X.; Schaich, K. Standardized Methods for the Determination of Antioxidant Capacity and Phenolics in Foods and Dietary Supplements. J. Agric. Food. Chem. 2005, 53, 4290–4302. [Google Scholar] [CrossRef]
- Huang, D.; Ou, B.; Prior, R.L. The chemistry behind antioxidant capacity assays. J Agric Food Chem. 2005, 53, 1841–1856. [Google Scholar] [CrossRef] [PubMed]
- Wood, L.G.; Gibson, P.G.; Garg, M.L. Fatty Acids in Asthma and Inflammation. J. Sci. Food Agric. 2006, 86, 2057. [Google Scholar] [CrossRef]
- MacDonald-Wicks, L.K.; Wood, L.G.; Garg, M.L. Methodology for the Determination of Biological Antioxidant Capacity In Vitro: A Review. J. Sci. Food Agric. 2006, 86, 2046–2056. [Google Scholar] [CrossRef]
- Shahidi, F.; Zhong, Y. Antioxidant Measurement and Applications. ACS Symp. Ser. 2007, 956, 36. [Google Scholar]
- Magalhães, L.M.; Segundo, M.A.; Reis, S.; Lima, J.L. Methodological aspects about in vitro evaluation of antioxidant properties. Anal. Chim. Acta 2008, 613, 1–19. [Google Scholar] [CrossRef] [PubMed]
- Moon, J.K.; Shibamoto, T. Antioxidant assays for plant and food components. J. Agric. Food. Chem. 2009, 57, 1655–1666. [Google Scholar] [CrossRef] [PubMed]
- Tonto, T.C.; Cimini, S.; Grasso, S.; Zompanti, A.; Santonico, M.; De Gara, L.; Locato, V. Methodological pipeline for monitoring post-harvest quality of leafy vegetables. Sci. Rep. 2023, 13, 20568. [Google Scholar] [CrossRef]
- Iaccheri, E.; Laghi, L.; Cevoli, C.; Berardinelli, A.; Ragni, L.; Romani, S.; Rocculi, P. Different Analytical Approaches for the Study of Water Features in Green and Roasted Coffee Beans. J. Food Eng. 2015, 146, 28–35. [Google Scholar] [CrossRef]
- Tripetch, P.; Borompichaichartkul, C. Effect of packaging materials and storage time on changes of colour, phenolic content, chlorogenic acid and antioxidant activity in arabica green coffee beans (Coffea arabica L. cv. Catimor). J. Stored Prod. Res. 2019, 84, 101510. [Google Scholar] [CrossRef]
- Arslan-Tontul, S. Moisture sorption isotherm, isosteric heat and adsorption surface area of whole chia seeds. LWT 2020, 119, 108859. [Google Scholar] [CrossRef]
- Jones, J.; Magri, R.; Rios, R.; Jones, M. The Detection of Caffeine and Cotinine in Umbilical Cord Tissue Using Liquid Chromatography-Tandem Mass Spectrometry. Anal. Methods 2011, 3, 1310–1315. [Google Scholar] [CrossRef]
- López-Martinez, L.; López-de-Alba, P.L.; Garcia-Campos, R.; León-Rodriguez, L.M. Simultaneous Determination of Methylxanthines in Coffees and Teas by UV-Vis Spectrophotometry and Partial Least Squares. Anal. Chim. Acta 2003, 493, 83–94. [Google Scholar] [CrossRef]
- Regan, F.; Shakalisava, Y. Rapid Simultaneous Determination of Alkylxanthines by Capillary Zone Electrophoresis and Its Applications in Analysis of Pharmaceuticals and Food Samples. Anal. Chim. Acta 2005, 540, 103–110. [Google Scholar] [CrossRef]
- Blasco, A.J.; Crevillén, A.G.; González, M.C.; Escarpa, A. Direct electrochemical sensing and detection of natural antioxidants and antioxidant capacity in vitro systems. Electroanalysis 2007, 19, 2275–2286. [Google Scholar] [CrossRef]
- Kilmartin, P.A.; Hsu, C.F. Characterization of Polyphenols in Green, Oolong, and Black Teas, and in Coffee, Using Cyclic Voltammetry. Food Chem. 2003, 82, 501–512. [Google Scholar] [CrossRef]
- Lino, F.M.A.; Sá, L.Z.; Torres, I.M.S.; Rocha, M.L.; Ghedini, P.C.; Somerset, V.S.; Gil, E.S. Voltammetric and Spectrometric Determination of Antioxidant Capacity of Selected Wines. Electrochim. Acta 2014, 128, 25–31. [Google Scholar] [CrossRef]
- Greco, G.; Carmona, E.N.; Sberveglieri, G.; Genzardi, D.; Sberveglieri, V. A New Kind of Chemical Nanosensors for Discrimination of Espresso Coffee. Chemosensors 2022, 10, 186. [Google Scholar] [CrossRef]
- Escarpa, A. Food electroanalysis: Sense and simplicity. Chem Rec. 2012, 12, 72–91. [Google Scholar] [CrossRef]
- Maddaloni, L.; Grasso, S.; De Gara, L.; Pennazza, G.; Zompanti, A.; Rapa, M.; Ruggieri, R.; Vinci, G.; Santonico, M. An Electrochemical Sensor for Monitoring Biogenic Amines in Anchovies as Quality and Safety Index. Sens. Actuators B Chem. 2021, 347, 130648. [Google Scholar] [CrossRef]
- Baptestini, F.M.; Corrêa, P.C.; De Oliveira, G.H.H.; Cecon, P.R.; Soares, N.F.F. Kinetic modeling of water sorption by roasted and ground coffee. Acta Sci. Agron. 2017, 39, 273–281. [Google Scholar] [CrossRef][Green Version]
- Correa, P.; Oliveira, G.; Oliveira, A.; Vargas-Elías, G.; Baptestini, F. Particle size and roasting on water sorption in conilon coffee during storage. Coffee Sci. 2016, 11, 221–233. [Google Scholar]
- Qin, J.; Lu, R. Measurement of the Absorption and Scattering Properties of Turbid Liquid Foods Using Hyperspectral Imaging. Appl. Spectrosc. 2007, 61, 388–396. [Google Scholar] [CrossRef] [PubMed]
- Mytilinaios, I.; Salih, M.; Schofield, H.K.; Lambert, R.J.W. Growth Curve Prediction from Optical Density Data. Int. J. Food Microbiol. 2012, 154, 169–176. [Google Scholar] [CrossRef]
- Sik, B. Development and Validation of a Green High Performance Liquid Chromatographic Method for the Determination of Some Artificial Sweeteners and Caffeine in Soft Drinks. Food Anal. Methods 2012, 5, 1443–1452. [Google Scholar] [CrossRef]
- Waterhouse, A.L. Determination of Total Phenolics. In Current Protocols in Food Analytical Chemistry; John Wiley & Sons: New York, NY, USA, 2002; Volume 6, pp. I1.1.1–I1.1.8. [Google Scholar]
- Spagnuolo, L.; Della Posta, S.; Fanali, C.; Dugo, L.; De Gara, L. Antioxidant and Antiglycation Effects of Polyphenol Compounds Extracted from Hazelnut Skin on Advanced Glycation End-Products (AGEs) Formation. Antioxidants 2021, 10, 424. [Google Scholar] [CrossRef]
- Padmanabhan, P.; Jangle, S.N. Evaluation of DPPH Radical Scavenging Activity and Reducing Power of Four Selected Medicinal Plants and Their Combinations. Int. J. Pharm. Sci. Drug Res. 2012, 4, 143–146. [Google Scholar] [CrossRef]
- Mutz, Y.S.; do Rosario, D.; Silva, L.R.; Galvan, D.; Stefano, J.S.; Janegitz, B.C.; Conte-Junior, C.A. Lab-made 3D printed electrochemical sensors coupled with chemometrics for Brazilian coffee authentication. Food Chem. 2023, 403, 134411. [Google Scholar] [CrossRef] [PubMed]
- Yardım, Y.; Keskin, E. & Şentürk, Z. Voltammetric determination of mixtures of caffeine and chlorogenic acid in beverage samples using a boron-doped diamond electrode. Talanta 2013, 116, 1010–1017. [Google Scholar]
- Juárez-Gómez, J.; Ramírez-Silva, M.T.; Guzmán-Hernández, D.S.; Romero-Romo, M.; Palomar-Pardavé, M. Novel electrochemical method to evaluate the antioxidant capacity of infusions and beverages, based on in situ formation of free superoxide radicals. Food Chem. 2020, 332, 127409. [Google Scholar] [CrossRef] [PubMed]
- Lopetcharat, K.; Kulapichitr, F.; Suppavorasatit, I.; Chodjarusawad, T.; Phatthara-aneksin, A.; Pratontep, S.; Borompichaichartkul, C. Relationship between overall difference decision and electronic tongue: Discrimination of civet coffee. J. Food Eng. 2016, 180, 60–68. [Google Scholar] [CrossRef]
Disclaimer/Publisher’s Note: The statements, opinions and data contained in all publications are solely those of the individual author(s) and contributor(s) and not of MDPI and/or the editor(s). MDPI and/or the editor(s) disclaim responsibility for any injury to people or property resulting from any ideas, methods, instructions or products referred to in the content. |
© 2025 by the authors. Licensee MDPI, Basel, Switzerland. This article is an open access article distributed under the terms and conditions of the Creative Commons Attribution (CC BY) license (https://creativecommons.org/licenses/by/4.0/).