Modelling the Process of Production of Diesel Fuels by the Use of Generalized Nets
Abstract
:1. Introduction
2. Short Remarks on the Theory of Generalized Nets
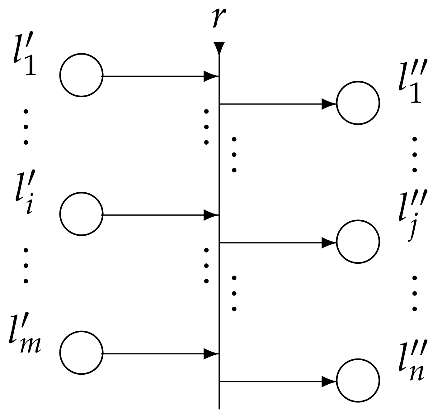
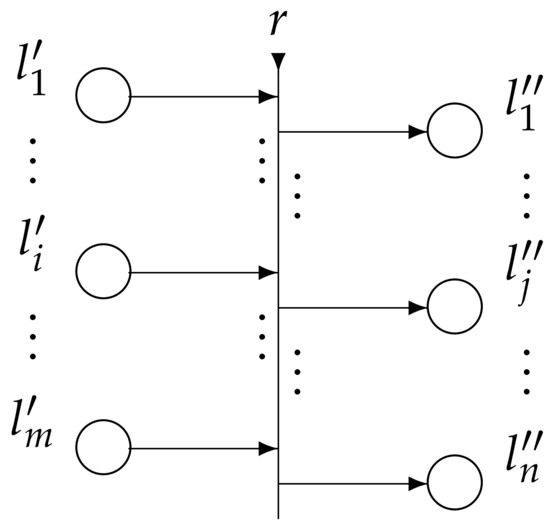
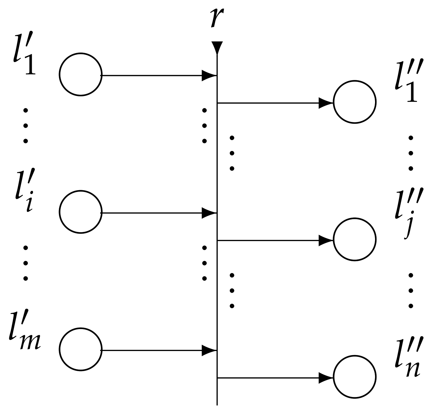
- and are finite, non-empty sets of places (the transition’s input and output places, respectively); for the transition in Figure 1, these are and
- r is the transition’s condition determining which tokens will pass (or transfer) from the transition’s inputs to its outputs; this has the form of an Index Matrix (IM; see [17]):is the predicate that corresponds to the i-th input and j-th output place . When its truth value is “true”, a token from the i-th input place transfers to the j-th output place; otherwise, this is not possible.
- A is a set of transitions;
- K is the set of the GN’s tokens;
- X is the set of all initial characteristics that the tokens can obtain on entering the net;
- is the characteristic function that assigns new characteristics to every token when it makes the transfer from an input to an output place of a given transition.
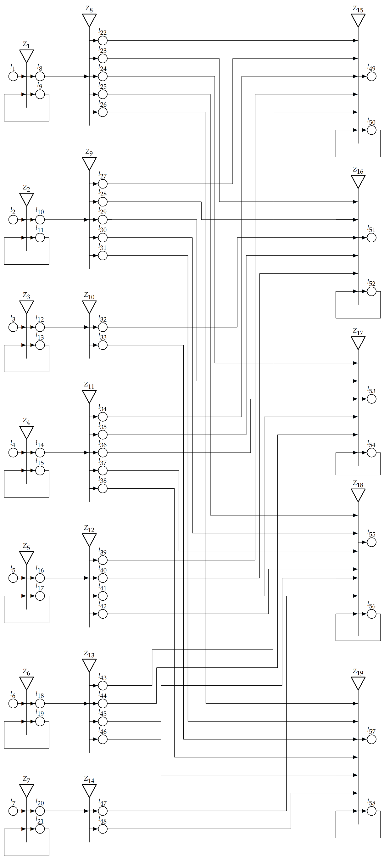
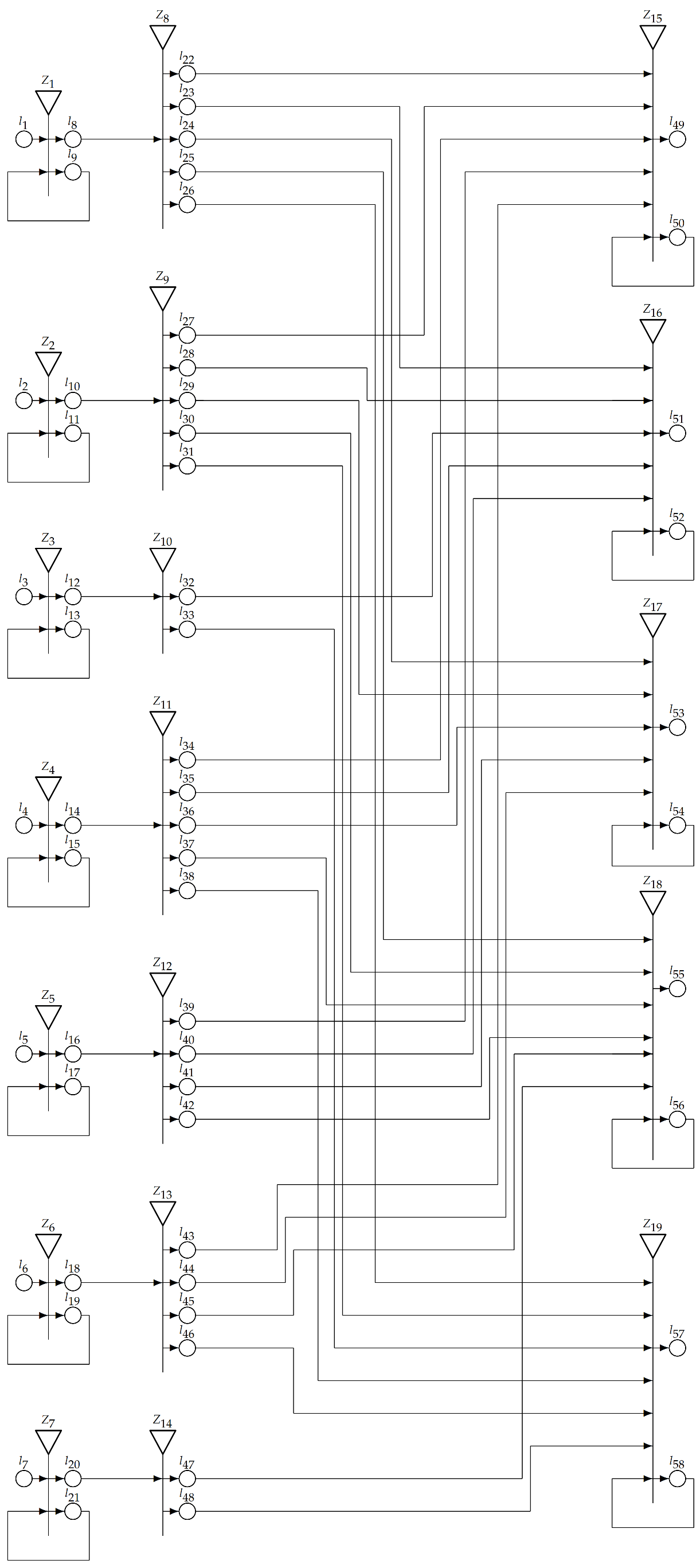
3. Generalized Net Model of Production of Diesel Fuel Grades from Seven Different Diesel Fuel Components in the LUKOIL Neftohim Burgas Refinery
- -tokens represent hydrotreated heavy middle distillates with a sulphur level less than 10 ppm;
- -tokens represent a mixture of hydrotreated light and heavy-middle distillates with a sulphur level less than 10 ppm;
- -tokens represent biodiesel;
- -tokens represent cetane improvers;
- -tokens represent lubricating additives;
- -tokens represent cold flow improvers;
- -tokens represent antistatic additives.
- -tokens represent Euro VI diesel fuel for export;
- -tokens represent Euro VI diesel fuel containing a biodiesel component;
- -tokens represent off-road diesel fuel;
- -tokens represent Euro VI arctic diesel fuel;
- -tokens represent Euro VI arctic diesel fuel containing a biodiesel component.
containing biodiesel component; or off-road diesel fuel; or Euro VI arctic diesel fuel; or Euro
VI arctic diesel fuel containing biodiesel component)”
- “there is a need for tons/cubic meters of hydrotreated heavy middle distillates with a sulphur level less than 10 ppm (diesel from HDS-5)”,
- “there is a need for tons/cubic meters of hydrotreated heavy middle distillates with a sulphur level less than 10 ppm (diesel from HDS-5)”,
- “there is a need for tons/cubic meters of hydrotreated heavy middle distillates with a sulphur level less than 10 ppm (diesel from HDS-5)”,
- “there is a need for tons/cubic meters of hydrotreated heavy middle distillates with a sulphur level less than 10 ppm (diesel from HDS-5)”,
- “there is a need for tons/cubic meters of hydrotreated heavy middle distillates with a sulphur level less than 10 ppm (diesel from HDS-5)”.
- “there is a need for tons/cubic meters of a mixture of hydrotreated light and heavy middle distillates with a sulphur level less than 10 ppm (diesel from HDS-3)”,
- “there is a need for tons/cubic meters of a mixture of hydrotreated light and heavy middle distillates with a sulphur level less than 10 ppm (diesel from HDS-3)”,
- “there is a need for tons/cubic meters of a mixture of hydrotreated light and heavy middle distillates with a sulphur level less than 10 ppm (diesel from HDS-3)’,
- “there is a need for tons/cubic meters of a mixture of hydrotreated light and heavy middle distillates with a sulphur level less than 10 ppm (diesel from HDS-3)”,
- “there is a need for tons/cubic meters of a mixture of hydrotreated light and heavy middle distillates with a sulphur level less than 10 ppm (diesel from HDS-3)”.
- “there is a need for tons/cubic meters of biodiesel”,
- “there is a need for tons/cubic meters of biodiesel”.
- “there is a need for tons/cubic meters of cetane improver ”,
- “there is a need for tons/cubic meters of cetane improver ”,
- “there is a need for tons/cubic meters of cetane improver ”,
- “there is a need for tons/cubic meters of cetane improver ”,
- “there is a need for tons/cubic meters of cetane improver ”.
- “there is a need for tons/cubic meters of lubricating additive ”,
- “there is a need for tons/cubic meters of lubricating additive ”,
- “there is a need for tons/cubic meters of lubricating additive ”,
- “there is a need for tons/cubic meters of lubricating additive ”.
- “there is a need for tons/cubic meters of cold flow improver”,
- “there is a need for tons/cubic meters of cold flow improver”,
- “there is a need for tons/cubic meters of cold flow improver”,
- “there is a need for tons/cubic meters of cold flow improver”.
- “there is a need for tons/cubic meters of antistatic additive ”,
- “there is a need for tons/cubic meters of antistatic additive ”.
4. Conclusions
Author Contributions
Funding
Institutional Review Board Statement
Informed Consent Statement
Data Availability Statement
Conflicts of Interest
References
- Zhoua, J.; Reniers, G.; Zhang, L. A weighted fuzzy Petri-net based approach for security risk assessment in the chemical industry. Chem. Eng. Sci. 2017, 174, 136–145. [Google Scholar] [CrossRef]
- Forman, G.S.; Divita, V.B.; Han, J.; Cai, H.; Elgowainy, A.; Wang, M. U.S. Refinery Efficiency: Impacts Analysis and Implications for Fuel Carbon Policy Implementation. Environ. Sci. Technol. 2014, 48, 7625–7633. [Google Scholar] [CrossRef] [Green Version]
- Yang, Y.; Barton, P.I. Refinery Optimization Integrated with a Nonlinear Crude Distillation Unit Model. IFAC-Pap. OnLine 2015, 48, 205–210. [Google Scholar] [CrossRef]
- Chen, R.; Deng, T.; Huang, S.; Qin, R. Optimal crude oil procurement under fluctuating price in an oil refinery. Eur. J. Oper. Res. 2015, 245, 438–445. [Google Scholar] [CrossRef]
- Menezes, B.C.; Kelly, J.D.; Grossmann, I.E.; Vazacopoulos, A. Generalized capital investment planning of oil-refineries using MILPand sequence-dependent setups. Comput. Chem. Eng. 2015, 80, 140–154. [Google Scholar] [CrossRef]
- Li, W.; Hui, C.W.; Li, A.X. Integrating CDU, FCC and product blending models into refinery planning. Comput. Chem. Eng. 2005, 29, 2010–2028. [Google Scholar] [CrossRef]
- Moro, L.F.L.; Zanin, A.C.; Pinto, J.M. A Planning Model for Refinery Diesel Production. Comput. Chem. Eng. 1998, 22, 1039–1042. [Google Scholar] [CrossRef]
- Pinto, J.M.; Joly, M.; Moro, L.F.L. Planning and scheduling models for refinery operations. Comput. Chem. Eng. 2000, 24, 2259–2276. [Google Scholar] [CrossRef]
- Cafaro, V.G.; Pautasso, P.C.; Cerdá, J.; Cafaro, D.C. Efficient planning of crude oil supplies through long-distance pipelines. Comput. Chem. Eng. 2019, 122, 203–217. [Google Scholar] [CrossRef]
- Guerra, O.J.; Le Roux, G.A.C. Improvements in Petroleum Refinery Planning: 1. Formulation of Process Models. Ind. Eng. Chem. Res. 2011, 50, 13403–13418. [Google Scholar] [CrossRef]
- Alexieva, J.; Choy, E.; Koycheva, E. Review and bibliography on generalized nets theory and applications. In A Survey of Generalized Nets; Choy, E., Krawczak, M., Shannon, A., Szmidt, E., Eds.; Raffles KvB Monograph No. 10; Raffles KvB Institute Pty Ltd.: North Sydney, Australia, 2007; pp. 207–301. [Google Scholar]
- Atanassov, K. Generalized Nets; World Scientific: Singapore, 1991. [Google Scholar]
- Atanassov, K. On Generalized Nets Theory; “Prof. M. Drinov” Academic Publishing House: Sofia, Bulgaria, 2007. [Google Scholar]
- Petri, C.-A. Kommunikation Mit Automaten. Ph.D. Thesis, University of Bonn, Zentrum, Germany, 1962. [Google Scholar]
- Jensen, K. Coloured Petri Nets; Lecture Notes in Computer Science; Springer: Berlin, Germany, 1987; Volume 254, pp. 248–299. [Google Scholar]
- Genrich, H. Predicate/Transition Nets; Lecture Notes in Computer Science; Springer: Berlin, Germany, 1987; Volume 254, pp. 207–247. [Google Scholar]
- Atanassov, K. Index Matrices: Towards an Augmented Matrix Calculus; Springer: Cham, Switzerland, 2014. [Google Scholar]
- Atanassov, K.; Vassilev, P.; Roeva, O. Level Operators over Intuitionistic Fuzzy Index Matrices. Mathematics 2021, 9, 366. [Google Scholar] [CrossRef]
- Stratiev, D.; Zoteva, D.; Stratiev, D.; Atanassov, K. Modelling the process of production of automotive gasoline by the use of Generalized Nets. In Advances and New Developments in Fuzzy Logic and Technology; Atanassov, K., Atanassova, V., Kacprzyk, J., Kaluszko, A., Krawczak, M., Owsinski, J.W., Sotirov, S.S., Sotirova, E., Szmidt, E., Zadrozny, S., Eds.; Springer: Cham, Switzerland, 2021; in press. [Google Scholar]
- Atanassov, K.; Szmidt, E.; Kacprzyk, J. On intuitionistic fuzzy pairs. Notes Intuitionistic Fuzzy Sets 2013, 19, 1–13. [Google Scholar]
- Atanassov, K. Intuitionistic Fuzzy Logics; Springer: Cham, Switzerland, 2017. [Google Scholar]



Publisher’s Note: MDPI stays neutral with regard to jurisdictional claims in published maps and institutional affiliations. |
© 2021 by the authors. Licensee MDPI, Basel, Switzerland. This article is an open access article distributed under the terms and conditions of the Creative Commons Attribution (CC BY) license (https://creativecommons.org/licenses/by/4.0/).
Share and Cite
Stratiev, D.D.; Stratiev, D.; Atanassov, K. Modelling the Process of Production of Diesel Fuels by the Use of Generalized Nets. Mathematics 2021, 9, 2351. https://doi.org/10.3390/math9192351
Stratiev DD, Stratiev D, Atanassov K. Modelling the Process of Production of Diesel Fuels by the Use of Generalized Nets. Mathematics. 2021; 9(19):2351. https://doi.org/10.3390/math9192351
Chicago/Turabian StyleStratiev, Danail Dichev, Dicho Stratiev, and Krassimir Atanassov. 2021. "Modelling the Process of Production of Diesel Fuels by the Use of Generalized Nets" Mathematics 9, no. 19: 2351. https://doi.org/10.3390/math9192351
APA StyleStratiev, D. D., Stratiev, D., & Atanassov, K. (2021). Modelling the Process of Production of Diesel Fuels by the Use of Generalized Nets. Mathematics, 9(19), 2351. https://doi.org/10.3390/math9192351

