Common-Ground-Type Single-Source High Step-Up Cascaded Multilevel Inverter for Transformerless PV Applications
Abstract
1. Introduction
2. Proposed Topology and Operation Principle
2.1. Conventional CMI in PV Systems
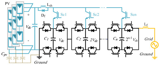
2.2. General Structure of the Proposed Topology
2.3. Three-Phase Configuration
2.4. Component Design
3. Benchmarking with Prior-Art Inverters
4. Simulation Results
4.1. Off-Grid Mode
4.2. Grid-Tied Mode
5. Experimental Results
5.1. Off-Gird Results
5.2. Grid-Tied Results
6. Conclusions
Author Contributions
Funding
Conflicts of Interest
References
- Wu, F.; Li, X.; Feng, F.; Gooi, H.B. Modified cascaded multilevel grid-connected inverter to enhance European efficiency and several extended topologies. IEEE Trans. Ind. Inform. 2015, 11, 1358–1365. [Google Scholar] [CrossRef]
- Sepahvand, H.; Liao, J.; Ferdowsi, M.; Corzine, K.A. Capacitor voltage regulation in single-DC-source cascaded H-bridge multilevel converters using phase-shift modulation. IEEE Trans. Ind. Electron. 2013, 60, 3619–3626. [Google Scholar] [CrossRef]
- Banaei, M.R.; Jahan, H.K.; Salary, E. Single-source cascaded transformers multilevel inverter with reduced number of switches. IET Power Electron. 2012, 5, 1748–1753. [Google Scholar] [CrossRef]
- Vazquez, S.; Leon, J.I.; Franquelo, L.G.; Padilla, J.J.; Carrasco, J.M. DC-voltage-ratio control strategy for multilevel cascaded converters fed with a single DC source. IEEE Trans. Ind. Electron. 2009, 56, 2513–2521. [Google Scholar] [CrossRef]
- Taghvaie, A.; Adabi, J.; Rezanejad, M. A multilevel inverter structure based on a combination of switched-capacitors and DC sources. IEEE Trans. Ind. Inform. 2017, 13, 2162–2171. [Google Scholar] [CrossRef]
- Jahan, H.K.; Zare, K.; Abapour, M. Verification of a low components nine-level cascaded-transformer multilevel inverter in grid-tied mode. IEEE J. Emerg. Sele. Topi. Power Electron. 2018, 6, 429–440. [Google Scholar] [CrossRef]
- Song, S.G.; Kang, F.S.; Park, S.J. Cascaded multilevel inverter employing three-phase transformers and single DC input. IEEE Trans. Ind. Electron. 2009, 56, 2005–2014. [Google Scholar] [CrossRef]
- Jahan, H.K.; Naseri, M.; Haji-Esmaeili, M.M.; Abapour, M.; Zare, K. Low component merged cells cascaded-transformer multilevel inverter featuring an enhanced reliability. IET Power Electron. 2017, 10, 855–862. [Google Scholar] [CrossRef]
- Panda, A.K.; Suresh, Y. Performance of cascaded multilevel inverter by employing single and three-phase transformers. IET Power Electron. 2012, 5, 1694–1705. [Google Scholar] [CrossRef]
- Pereda, J.; Dixon, J. High-frequency link: A solution for using only one dc source in asymmetric cascaded multilevel inverters. IEEE Trans. Ind. Electron. 2011, 58, 3884–3892. [Google Scholar] [CrossRef]
- Wang, L.; Zhang, D.; Wang, Y.; Wu, B.; Athab, H.S. Power and voltage balance control of a novel three-phase solid-state transformer using multilevel cascaded H-bridge inverters for microgrid applications. IEEE Trans. Power Electron. 2016, 31, 3289–3301. [Google Scholar] [CrossRef]
- Barzegarkhoo, R.; Kojabadi, H.M.; Zamiry, E.; Vosough, N.; Chang, L. Generalized structure for a single phase switched-capacitor multilevel inverter using a new multiple DC link producer with reduced number of switches. IEEE Trans. Power Electron. 2016, 31, 5604–5617. [Google Scholar] [CrossRef]
- Du, Z.; Ozpineci, B.; Tolbert, L.M.; Chiasson, J.N. DC–AC Cascaded H-bridge multilevel boost inverter with no inductors for electric/hybrid electric vehicle applications. IEEE Trans. Ind. Appl. 2009, 45, 963–970. [Google Scholar] [CrossRef]
- Villanueva, E.; Correa, P.; Rodriguez, J.; Pacas, M. Control of a single-phase cascaded H-bridge multilevel inverter for grid-connected photovoltaic systems. IEEE Trans. Ind. Electron. 2009, 56, 4399–4406. [Google Scholar] [CrossRef]
- Zhou, Y.; Li, H. Analysis and suppression of leakage current in cascaded-multilevel-inverter-based PV systems. IEEE Trans. Power Electron. 2014, 29, 5265–5277. [Google Scholar] [CrossRef]
- Kadam, A.; Shukla, A. A multilevel transformerless inverter employing ground connection between PV negative terminal and grid neutral point. IEEE Trans. Ind. Electron. 2017, 64, 8897–8907. [Google Scholar] [CrossRef]
- Siwakoti, Y.P.; Blaabjerg, F. A single-phase transformerless inverter with charge pump circuit concept for grid-tied PV applications. IEEE Trans. Ind. Electron. 2018, 65, 2100–2111. [Google Scholar] [CrossRef]
- Anurag, A.; Deshmukh, N.; Maguluri, A.; Anand, S. Integrated DC–DC Converter Based Grid-Connected Transformerless Photovoltaic Inverter with Extended Input Voltage Range. IEEE Trans. Power Electron. 2018, 33, 8322–8330. [Google Scholar] [CrossRef]
- Khan, M.N.H.; Forouzesh, M.; Siwakoti, Y.P.; Li, L.; Kerekes, T.; Blaabjerg, F. Transformerless Inverter Topologies for Single-Phase Photovoltaic Systems: A Comparative Review. IEEE J. Emerg. Sele. Topi. Power Electron. 2019, 65, 805–835. [Google Scholar] [CrossRef]
- Kumar, V.V.S.P.; Fernandes, B.G. Minimization of inter-module leakage current in cascaded H-bridge multilevel inverters for grid connected solar PV applications. Proc. IEEE Appl. Power Electron. Conf. Expo. 2016, 2673–2678. [Google Scholar] [CrossRef]
- Wang, F.; Li, Z.; Do, H.T.; Zhang, D. A modified phase disposition pulse width modulation to suppress the leakage current for the transformerless cascaded H-bridge inverters. IEEE Trans. Ind. Electron. 2018, 65, 1281–1289. [Google Scholar] [CrossRef]
- Sun, X.; Wang, B.; Zhou, Y.; Wang, W.; Du, H.; Lu, Z. A Single DC Source Cascaded Seven-Level Inverter Integrating Switched-Capacitor Techniques. IEEE Trans. Ind. Electron. 2016, 63, 7184–7194. [Google Scholar] [CrossRef]
- Lee, S.S. Single-Stage Switched-Capacitor Module (S3CM) Topology for Cascaded Multilevel Inverter. IEEE Trans. Power Electron. 2018, 33, 8204–8207. [Google Scholar] [CrossRef]
- Phanikumar, C.; Roy, J.; Agarwal, V. A Hybrid Nine-Level, 1-φ Grid Connected Multilevel Inverter with Low Switch Count and Innovative Voltage Regulation Techniques across Auxiliary Capacitor. IEEE Trans. Power Electron. 2019, 34, 2159–2170. [Google Scholar] [CrossRef]
- Liu, J.; Lin, W.; Wu, J.; Zeng, J. A Novel Nine-Level Quadruple Boost Inverter with Inductive-Load Ability. IEEE Trans. Power Electron. 2019, 34, 4014–4018. [Google Scholar] [CrossRef]
- Sandeep, N.; Yaragatti, U.R. Operation and Control of an Improved Hybrid Nine-Level Inverter. IEEE Trans. Ind. Appl. 2017, 53, 5676–5686. [Google Scholar] [CrossRef]
- Siddique, M.D.; Mekhilef, S.; Shah, N.M.; Sandeep, N.; Ali, J.S.M.; Iqbal, A.; Ahmed, M.; Ghoneim, S.S.; Al-Harthi, M.M.; Alamri, B.; et al. A Single DC Source Nine-Level Switched-Capacitor Boost Inverter Topology with Reduced Switch Count. IEEE Access 2020, 8, 5840–5851. [Google Scholar] [CrossRef]
- Siddique, M.D.; Mekhilef, S.; Shah, N.M.; Ali, J.S.M.; Meraj, M.; Iqbal, A.; Al-Hitmi, M.A. A New Single Phase Single Switched-Capacitor Based Nine-Level Boost Inverter Topology with Reduced Switch Count and Voltage Stress. IEEE Access 2019, 7, 174178–174188. [Google Scholar] [CrossRef]
- Jahan, H.K.; Abapour, M.; Zare, K.; Hosseini, S.H.; Blaabjerg, F.; Yang, Y. A Multilevel Inverter with Minimized Components Featuring Self-balancing and Boosting Capabilities for PV Applications. IEEE J. Emerg. Sel. Top. Power Electron. 2019. [Google Scholar] [CrossRef]






















| Levels | Main Switches | Charging Switches | Capacitors | Vout |
|---|---|---|---|---|
| S11, S31, S12S32S13, S33 | Sc1, Sc2,Sc2 | C1, C2, C3 | ||
| 7 | 010101 | 100 | C,D,D | 7Vdc |
| 6 | 000101 | 100 | C,D,D | 6Vdc |
| 5 | 100101 | 010 | D,C,D | 5Vdc |
| 4 | 000001 | 100 | C,D,D | 4Vdc |
| 3 | 100001 | 010 | D,C,D | 3Vdc |
| 2 | 001001 | 100 | C,D,D | 2Vdc |
| 1 | 101001 | 001 | D,DC | 1Vdc |
| 0 | 000000 | 100 | C,F,F | 0 |
| −1 | 100000 | 010 | D,C,D | −1Vdc |
| −2 | 001000 | 100 | C,D,D | −2Vdc |
| −3 | 101000 | 001 | D,D,C | −3Vdc |
| −4 | 000010 | 100 | C,F,D | −4Vdc |
| −5 | 100010 | 010 | D,C,D | −5Vdc |
| −6 | 001010 | 100 | C,D,D | −6Vdc |
| −7 | 101010 | 000 | D,D,D | −7Vdc |
| Topology | Nsw | Nd | Nc | G | TSV | Coupled Inductor | Leakage Current Limiting |
|---|---|---|---|---|---|---|---|
| [22] | 14 | 0 | 2 | 3 | 4.67 | no | no |
| [23] | 12 | - | 2 | 2 | 5.5 | no | no |
| [24] | 10 | - | 2 | 0.5 | 8 | yes | yes |
| [25] | 8 | 3 | 3 | 4 | 5.75 | no | no |
| [26] | 12 | - | 3 | 4 | 5.25 | no | no |
| [27] | 9 | - | 2 | 2 | 5.5 | no | no |
| [28] | 11 | - | 3 | 2 | 5 | no | no |
| [29] | 8 | 4 | 4 | 2 | 6 | no | no |
| [Proposed] | 10 | 0 | 2 | 3 | 5 | no | yes |
| Component | Value | Component | Value |
|---|---|---|---|
| Vdc | 46 V | Lch (3ϕ) | 0.5 mH |
| Power rating | 550 W | C1, C2, C3 | 3300 µF |
| Lch (ϕ) | 1.8 mH | fsw | 5 kHz |
| Reference voltage | 311 V (peak), 50 Hz | ||
| Ki | 42.3 | Grid-side filter | 2.8 mH + 30 mΩ |
| Kp | 700 | fsw | 5 kHz |
| 320 V | Lch | 1.8 mH | |
| f | 50 Hz | C1, C2, C3 | 3300 µF |
| Component | Specification | Electrical Parameter | Value |
|---|---|---|---|
| Main Switches | IRFP350 | Resistive load | 550 W |
| Charging switches | IRFP460 | RL load | 650 VA |
| Opto-coupler | TLP250 | Vout(RMS) | 220 v, 50 Hz |
| Capacitors | 3300 µF | Vdc | 47 V |
| Lch | 2.8 mH | fsw | 5 kHz |
| Diodes | FFPF20UP40S | # of HB cells | 3 (15-level) |
| Main Switches | FQA14N30 | Grid-side filter | 1.73 mH |
| Charging switches | STP30NM30N | Switching frequency (fsw) | 22 kHz |
| RMS grid voltage | 220 V | Lch | 1.6 mH |
| Grid frequency (f) | 50 Hz | C1, C2 | 3300 µF |
© 2020 by the authors. Licensee MDPI, Basel, Switzerland. This article is an open access article distributed under the terms and conditions of the Creative Commons Attribution (CC BY) license (http://creativecommons.org/licenses/by/4.0/).
Share and Cite
Jahan, H.K.; Kurdkandi, N.V.; Abapour, M.; Zare, K.; Hosseini, S.H.; Yang, Y.; Blaabjerg, F. Common-Ground-Type Single-Source High Step-Up Cascaded Multilevel Inverter for Transformerless PV Applications. Mathematics 2020, 8, 1716. https://doi.org/10.3390/math8101716
Jahan HK, Kurdkandi NV, Abapour M, Zare K, Hosseini SH, Yang Y, Blaabjerg F. Common-Ground-Type Single-Source High Step-Up Cascaded Multilevel Inverter for Transformerless PV Applications. Mathematics. 2020; 8(10):1716. https://doi.org/10.3390/math8101716
Chicago/Turabian StyleJahan, Hossein Khoun, Naser Vosoughi Kurdkandi, Mehdi Abapour, Kazem Zare, Seyed Hossein Hosseini, Yongheng Yang, and Frede Blaabjerg. 2020. "Common-Ground-Type Single-Source High Step-Up Cascaded Multilevel Inverter for Transformerless PV Applications" Mathematics 8, no. 10: 1716. https://doi.org/10.3390/math8101716
APA StyleJahan, H. K., Kurdkandi, N. V., Abapour, M., Zare, K., Hosseini, S. H., Yang, Y., & Blaabjerg, F. (2020). Common-Ground-Type Single-Source High Step-Up Cascaded Multilevel Inverter for Transformerless PV Applications. Mathematics, 8(10), 1716. https://doi.org/10.3390/math8101716

