A Piecewise Linear SBM Network DEA Model with Undesirable Outputs for Benchmarking and Stage-Priority Analysis of Airports
Abstract
1. Introduction
2. Theoretical Foundations of Network DEA
2.1. Network DEA and Slack-Based Measures
2.2. Piecewise Linear DEA and Nonlinear Valuation
3. Methodology and Model Formulation
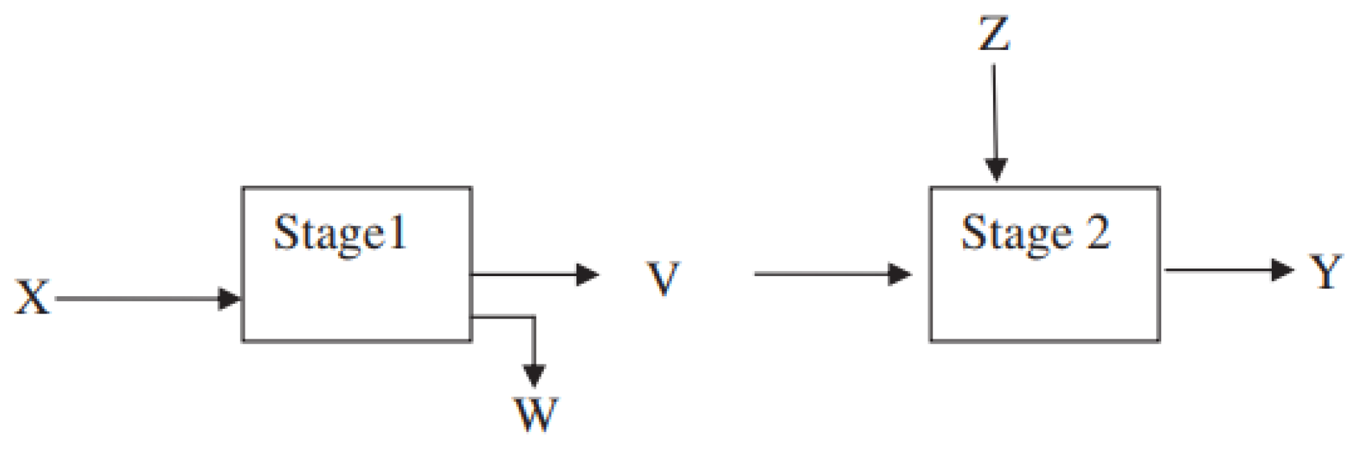
3.1. Two-Stage Network Structure
3.2. Model Formulation
3.2.1. Benchmarking Based on SBM-NDEA
3.2.2. Stage Priority Analysis
4. Empirical Results and Discussions
- ▪
- Stage 1 Input Variables: Total runway area (x1), apron capacity (x2), and number of boarding gates (x3).
- ▪
- Stage 2 Independent Inputs: Number of baggage belts (z1) and number of check-in counters (z2).
- ▪
- Undesirable Outputs of Stage 1: Number of delayed flights (w1) and accumulated flight delays (w2).
- ▪
- Desirable Intermediate Outputs Exiting Stage 1 and Entering Stage 2: Aircraft traffic movement (v1).
- ▪
- Final Desirable Outputs of Stage 2: Annual passenger movement (y1) and cargo landed (y2).
5. Conclusions
Author Contributions
Funding
Data Availability Statement
Conflicts of Interest
References
- Yang, H.H. Measuring the efficiencies of Asia–Pacific international airports: Parametric and non-parametric evidence. Comput. Ind. Eng. 2010, 59, 697–702. [Google Scholar] [CrossRef]
- Farrell, M.J. The measurement of productive efficiency. J. R. Stat. Soc. Ser. A 1957, 120, 253–290. [Google Scholar] [CrossRef]
- Banker, R.D.; Charnes, A.; Cooper, W.W. Some models for estimating technical and scale inefficiencies in data envelopment analysis. Manag. Sci. 1984, 30, 1078–1092. [Google Scholar] [CrossRef]
- Charnes, A.; Cooper, W.W.; Rhodes, E. Measuring the efficiency of decision-making units. Eur. J. Oper. Res. 1978, 2, 429–444. [Google Scholar] [CrossRef]
- Kao, C. Network data envelopment analysis: A review. Eur. J. Oper. Res. 2014, 239, 1–16. [Google Scholar] [CrossRef]
- Afonso, G.P.; Ferreira, D.C.; Figueira, J.R. A network-DEA model to evaluate the impact of quality and access on hospital performance. Ann. Oper. Res. 2024, 342, 2169–2199. [Google Scholar] [CrossRef]
- Ratner, S.V.; Shaposhnikov, A.M.; Lychev, A.V. Network DEA and its applications (2017–2022): A systematic literature review. Mathematics 2023, 11, 2141. [Google Scholar] [CrossRef]
- Yang, R.; Zhu, Z.; Li, L.; Wang, Y.; Zhuang, Y. China’s environmental governance efficiency evaluation based on novel cross-efficiency network DEA model. Sci. Rep. 2025, 15, 32800. [Google Scholar] [CrossRef] [PubMed]
- Lozano, S.; Gutiérrez, E.; Moreno, P. Network DEA approach to airports performance assessment considering undesirable outputs. Appl. Math. Model. 2013, 37, 1665–1676. [Google Scholar] [CrossRef]
- Maghbouli, M.; Amirteimoori, A.; Kordrostami, S. Two-stage network structures with undesirable outputs: A DEA-based approach. Measurement 2014, 48, 109–118. [Google Scholar] [CrossRef]
- Chu, Y.C.; Yu, J.; Huang, Y.B. Measuring airport production efficiency based on two-stage correlative DEA. In Proceedings of the IEEE 17th International Conference on Industrial Engineering and Engineering Management, Xiamen, China, 29–31 October 2010. [Google Scholar]
- Wanke, P.F. Physical infrastructure and flight consolidation efficiency drivers in Brazilian airports: A two-stage network DEA approach. J. Air Transp. Manag. 2013, 31, 1–5. [Google Scholar] [CrossRef]
- Amirteimoori, A. Efficiency analysis in two-stage data envelopment analysis with shared resources and undesirable outputs: An application in the banking sector. Int. Trans. Oper. Res. 2024, 32, 2453–2473. [Google Scholar] [CrossRef]
- Lai, P.L.; Potter, A.; Beynon, M.; Beresford, A. Evaluating the efficiency performance of airports using an integrated AHP/DEA-AR technique. Transp. Policy 2015, 42, 75–85. [Google Scholar] [CrossRef]
- Nagy, G. Performance measurement and quality assurance in higher education: Application of DEA, AHP, and Bayesian models. Trends High. Educ. 2025, 4, 54. [Google Scholar] [CrossRef]
- Keskin, B.; Köksal, C.D. A hybrid AHP/DEA-AR model for measuring and comparing the efficiency of airports. Int. J. Product. Perform. Manag. 2019, 68, 524–541. [Google Scholar] [CrossRef]
- Olfat, L.; Amiri, M.; Soufi, J.B.; Pishdar, M. A dynamic network efficiency measurement of airports performance considering sustainable development concept: A fuzzy dynamic network DEA approach. J. Air Transp. Manag. 2016, 57, 272–290. [Google Scholar] [CrossRef]
- Pacagnella Junior, A.C.; Hollaender, P.S.; Mazzanati, G.V.; Bortoletto, W.W. Infrastructure and flight consolidation efficiency of public and private Brazilian international airports: A two-stage DEA and Malmquist index approach. J. Adv. Transp. 2020, 2020, 8872314. [Google Scholar] [CrossRef]
- Pacagnella, A.; Hollaender, P.S.; Mazzanati, G.V.; Bortoletto, W.W. Efficiency drivers of international airports: A worldwide benchmarking study. J. Air Transp. Manag. 2021, 90, 101941. [Google Scholar] [CrossRef]
- Roudabr, N.; Najafi, S.E.; Moghaddas, Z.; Movahedi Sobhani, F. Overall efficiency of four-stage structure with undesirable outputs: A new SBM network DEA model. Complexity 2022, 2022, 4876231. [Google Scholar] [CrossRef]
- Cook, W.D.; Zhu, J. Piecewise linear output measures in DEA (third revision). Eur. J. Oper. Res. 2009, 197, 312–319. [Google Scholar] [CrossRef]
- Kao, C. Efficiency decomposition in network data envelopment analysis: A relational model. Eur. J. Oper. Res. 2009, 192, 949–962. [Google Scholar] [CrossRef]
- Kao, C. Efficiency measurement for parallel production systems. Eur. J. Oper. Res. 2009, 196, 1107–1112. [Google Scholar] [CrossRef]
- Tone, K. A slacks-based measure of efficiency in data envelopment analysis. Eur. J. Oper. Res. 2001, 130, 498–509. [Google Scholar] [CrossRef]
- He, J.; Lau, W.-Y.; Ng, K.-H. A machine learning–enhanced three-stage SBM-DEA model with undesirable outputs for measuring green total factor productivity on a global scale. Financ. Res. Lett. 2025, 86, 108611. [Google Scholar] [CrossRef]
- Yu, M.M. Performance assessment of transport services with the ERM-NDEA model: Evidence from a domestic airline in Taiwan. Transp. Plan. Technol. 2012, 35, 697–714. [Google Scholar] [CrossRef]
- Cook, W.D.; Liang, L.; Zhu, J. Measuring performance of two-stage network structures by DEA: A review and future perspective. Omega 2010, 38, 423–430. [Google Scholar] [CrossRef]
- Tone, K.; Tsutsui, M. Network DEA: A slacks-based measure approach. Eur. J. Oper. Res. 2009, 197, 243–252. [Google Scholar] [CrossRef]
- Tone, K.; Tsutsui, M. Dynamic DEA with network structure: A slacks-based measure approach. Omega 2014, 42, 124–131. [Google Scholar] [CrossRef]
- Lozano, S.; Adenso-Díaz, B. Increasing sustainability of logistic networks by reducing product losses: A network DEA approach. Math. Probl. Eng. 2018, 2018, 2158723. [Google Scholar] [CrossRef]
- Gharakhani, D.; Toloie Eshlaghy, A.; Fathi Hafshejani, K.; Kiani Mavi, R.; Hosseinzadeh Lotfi, F. Common weights in dynamic network DEA with goal programming approach for performance assessment of insurance companies in Iran. Manag. Res. Rev. 2018, 41, 920–938. [Google Scholar] [CrossRef]
- Lozano, S.; Adenso-Díaz, B. Network DEA-based biobjective optimization of product flows in a supply chain. Ann. Oper. Res. 2018, 264, 307–323. [Google Scholar] [CrossRef]
- Akbarian, D. Network DEA based on DEA-ratio. Financ. Innov. 2021, 7, 73. [Google Scholar] [CrossRef]
- Chao, S.L.; Yu, M.M.; Hsieh, W.F. Evaluating the efficiency of major container shipping companies: A framework of dynamic network DEA with shared inputs. Transp. Res. Part A 2018, 117, 44–57. [Google Scholar] [CrossRef]
- Yousefi, S.; Soltani, R.; Saen, R.F.; Pishvaee, M.S. A robust fuzzy possibilistic programming for a new network GP-DEA model to evaluate sustainable supply chains. J. Clean. Prod. 2017, 166, 537–549. [Google Scholar] [CrossRef]
- Yang, T.; Wang, P.; Li, F. Centralized resource allocation and target setting based on data envelopment analysis model. Math. Probl. Eng. 2018, 2018, 5834872. [Google Scholar] [CrossRef]
- Badiezadeh, T.; Saen, R.F.; Samavati, T. Assessing sustainability of supply chains by double frontier network DEA: A big data approach. Comput. Oper. Res. 2018, 98, 284–290. [Google Scholar] [CrossRef]
- Su, Y.; Sun, W. Sustainability evaluation of the supply chain with undesired outputs and dual-role factors based on double frontier network DEA. Soft Comput. 2018, 22, 5525–5533. [Google Scholar] [CrossRef]
- Kao, C. Network Data Envelopment Analysis; Springer: New York, NY, USA, 2017; pp. 1–16. [Google Scholar]
- Guo, C.; Shureshjani, R.A.; Foroughi, A.A.; Zhu, J. Decomposition weights and overall efficiency in two-stage additive network DEA. Eur. J. Oper. Res. 2017, 257, 896–906. [Google Scholar] [CrossRef]
- Li, H.; Chen, C.; Cook, W.D.; Zhang, J.; Zhu, J. Two-stage network DEA: Who is the leader? Omega 2018, 74, 15–19. [Google Scholar] [CrossRef]
- Seth, H.; Deepak, D.; Ruparel, N.; Chadha, S.; Agarwal, S. Assessment of working capital management efficiency: A two-stage slack-based measure of data envelopment analysis. Manag. Financ. 2024, 50, 1344–1365. [Google Scholar] [CrossRef]
- Färe, R.; Grosskopf, S. Network DEA. Socio-Econ. Plan. Sci. 2000, 34, 35–49. [Google Scholar] [CrossRef]
- Cook, W.D.; Yang, F.; Zhu, J. Nonlinear inputs and diminishing marginal value in DEA. J. Oper. Res. Soc. 2009, 60, 1567–1574. [Google Scholar] [CrossRef]
- Lotfi, F.H.; Rostamy-Malkhalifeh, M.; Moghaddas, Z. Modified piecewise linear DEA model. Eur. J. Oper. Res. 2010, 205, 729–733. [Google Scholar] [CrossRef]
- Moghaddas, Z.; Vaez-Ghasemi, M.; Hosseinzadeh Lotfi, F. A novel DEA approach for evaluating sustainable supply chains with undesirable factors. Econ. Comput. Econ. Cybern. Stud. Res. 2021, 55, 177–192. [Google Scholar] [CrossRef]
- Despotis, D.K.; Stamati, L.V.; Smirlis, Y.G. Data envelopment analysis with nonlinear virtual inputs and outputs. Eur. J. Oper. Res. 2010, 202, 604–613. [Google Scholar] [CrossRef]
- Despotis, D.K.; Sotiros, D. Value-based data envelopment analysis: A piecewise linear programming approach. Int. J. Multicriteria Decis. Mak. 2014, 4, 47–68. [Google Scholar] [CrossRef]
- Ji, A.B.; Ji, Y.; Qiao, Y. DEA-based piecewise linear discriminant analysis. Comput. Econ. 2018, 51, 809–820. [Google Scholar] [CrossRef]
- Güner, S.; Antunes, J.J.M.; Codal, K.S.; Wanke, P. Network centrality driven airport efficiency: A weight-restricted network DEA. J. Air Transp. Manag. 2024, 116, 102551. [Google Scholar] [CrossRef]
- Kao, C. A classification of slacks-based efficiency measures in network data envelopment analysis with an analysis of the properties possessed. Eur. J. Oper. Res. 2018, 270, 1109–1121. [Google Scholar] [CrossRef]



| Airports | x1 | x2 | x3 | v1 | w1 | w2 | z1 | z2 | y1 | y2 |
|---|---|---|---|---|---|---|---|---|---|---|
| Badajoz | 171,000 | 1 | 2 | 4.033 | 137 | 2365.4 | 4 | 1 | 81.010 | 0 |
| Barcelona | 475,000 | 121 | 65 | 321.693 | 33,036 | 645,924.6 | 143 | 19 | 30,272.084 | 103,996.489 |
| Cordoba | 62,100 | 23 | 1 | 9.604 | 14 | 254.4 | 1 | 0 | 22.230 | 0 |
| El Hierro | 37,500 | 3 | 2 | 4.775 | 27 | 641.6 | 5 | 1 | 195.425 | 171.717 |
| Gran Canaria | 139,500 | 55 | 38 | 116.252 | 7463 | 136,380.7 | 86 | 19 | 10,212.123 | 33,695.248 |
| Ibiza | 126,000 | 25 | 12 | 57.233 | 6193 | 152,840.1 | 48 | 8 | 4647.360 | 3928.387 |
| Jerez | 103,500 | 9 | 5 | 50.551 | 1174 | 19,292.2 | 13 | 3 | 1303.817 | 90.428 |
| La Gomera | 45,000 | 3 | 2 | 3.393 | 17 | 420.7 | 5 | 1 | 41.890 | 7.863 |
| La Palma | 99,000 | 5 | 5 | 20.109 | 423 | 8286.0 | 13 | 2 | 1151.357 | 1277.264 |
| Madrid Barajas | 927,000 | 263 | 230 | 469.746 | 52,526 | 908,360.0 | 484 | 53 | 50,846.494 | 329,186.631 |
| Malaga | 144,000 | 43 | 30 | 119.821 | 15,548 | 277,663.8 | 85 | 16 | 12,813.472 | 4800.271 |
| Melilla | 64,260 | 5 | 2 | 10.959 | 218 | 2979.6 | 4 | 1 | 314.643 | 386.340 |
| Pamplona | 99,315 | 7 | 2 | 12.971 | 666 | 11,691.8 | 4 | 1 | 434.477 | 52.942 |
| Reus | 110,475 | 5 | 5 | 26.676 | 943 | 18,240.8 | 8 | 3 | 1278.074 | 119.848 |
| Salamanca | 150,000 | 6 | 2 | 12.450 | 427 | 6626.1 | 4 | 2 | 60.103 | 0 |
| Tenerife North | 153,000 | 16 | 16 | 67.800 | 1783 | 32,637.0 | 37 | 5 | 4236.615 | 20,781.674 |
| Valencia | 144,000 | 35 | 18 | 96.795 | 4998 | 102,719.2 | 42 | 8 | 5779.343 | 13,325.799 |
| DMU | Efficiency Scores | ||
|---|---|---|---|
| Proposed Model | Cooperative Model | Relational Model | |
| 1 | 1 | 1 | 1 |
| 2 | 1 | 1 | 1 |
| 3 | 0.721 | 0.820 | 0.869 |
| 4 | 1 | 1 | 1 |
| 5 | 1 | 1 | 1 |
| 6 | 0.575 | 0.743 | 0.890 |
| 7 | 1 | 1 | 1 |
| 8 | 0.824 | 0.978 | 0.996 |
| 9 | 0.961 | 1 | 1 |
| 10 | 1 | 1 | 1 |
| 11 | 0.930 | 1 | 1 |
| 12 | 1 | 1 | 1 |
| 13 | 0.854 | 0.901 | 1 |
| 14 | 1 | 1 | 1 |
| 15 | 0.897 | 0.921 | 1 |
| 16 | 0.911 | 1 | 1 |
| 17 | 1 | 1 | 1 |
| DMU | etotal | e1 | e2 |
|---|---|---|---|
| 3 | 0.721 | 1 | 0.596 |
| 6 | 0.575 | 0.667 | 0.484 |
| 8 | 0.824 | 0.999 | 0.752 |
| 9 | 0.961 | 0.802 | 0.999 |
| 11 | 0.930 | 1 | 0.879 |
| 13 | 0.854 | 0.641 | 1 |
| 15 | 0.897 | 0.910 | 0.766 |
| 16 | 0.911 | 1 | 0.988 |
| DMU | The Benchmarks | |
|---|---|---|
| 3 | DMU1, DMU7 | |
| 6 | DMU1, DMU7, DMU10 | |
| 8 | DMU1, DMU2, DMU14 | |
| 9 | DMU2, DMU7, DMU12 | |
| 11 | DMU5, DMU7, DMU17 | |
| 13 | DMU7, DMU12, DMU17 | |
| 15 | DMU1, DMU10, DMU12 | |
| 16 | DMU7, DMU14, DMU17 |
| DMU | x1 | x2 | x3 | v1 | w1 | w2 | z1 | z2 | y1 | y2 |
|---|---|---|---|---|---|---|---|---|---|---|
| 3 | 0 | 0 | 0 | 0 | 3 | 0 | 0 | 0 | 58.77 | 0 |
| 6 | 13.500 | 0 | 26 | 0 | 1270 | 0 | 0 | 0 | 5564.763 | 29,766.861 |
| 8 | 81,426 | 8 | 3.46 | 17.93 | 392 | 0 | 8 | 2 | 1278 | 1481 |
| 9 | 67,422 | 5.48 | 2.28 | 13 | 268 | 3853.36 | 5 | 1.16 | 479.69 | 365.15 |
| 11 | 144,000 | 33.21 | 22 | 60 | 3419.17 | 62,889 | 52.49 | 10.42 | 8251.99 | 18,311.92 |
| 13 | 94,974.94 | 10.18 | 4.36 | 21.94 | 497.53 | 7975.6 | 10.84 | 0 | 1917.47 | 2418.8 |
| 15 | 75,780 | 6.64 | 2.98 | 19.2 | 419.81 | 6468.58 | 6.89 | 0 | 856.61 | 307.3 |
| 16 | 66,125.17 | 5.27 | 0 | 12.28 | 250.42 | 3540.28 | 4.47 | 0 | 403.19 | 373.57 |
| DMU6 | λ = 0 | λ = 0.1 | λ = 0.2 | λ = 0.3 | λ = 0.4 | λ = 0.5 | ||||||
| e1 | e2 | e1 | e2 | e1 | e2 | e1 | e2 | e1 | e2 | e1 | e2 | |
| 0.667 | 0.484 | 0.6487 | 0.5023 | 0.6304 | 0.5206 | 0.6121 | 0.5389 | 0.5938 | 0.5572 | 0.5755 | 0.5755 | |
| λ = 0.6 | λ = 0.7 | λ = 0.8 | λ = 0.9 | λ = 1 | ||||||||
| e1 | e2 | e1 | e2 | e1 | e2 | e1 | e2 | e1 | e2 | |||
| 0.5572 | 0.5938 | 0.5389 | 0.6121 | 0.5206 | 0.6304 | 0.5023 | 0.6487 | 0.484 | 0.667 | |||
Disclaimer/Publisher’s Note: The statements, opinions and data contained in all publications are solely those of the individual author(s) and contributor(s) and not of MDPI and/or the editor(s). MDPI and/or the editor(s) disclaim responsibility for any injury to people or property resulting from any ideas, methods, instructions or products referred to in the content. |
© 2026 by the authors. Licensee MDPI, Basel, Switzerland. This article is an open access article distributed under the terms and conditions of the Creative Commons Attribution (CC BY) license.
Share and Cite
Roudabr, N.; Zhang, S.; Moghaddas, Z.; Afzal, W. A Piecewise Linear SBM Network DEA Model with Undesirable Outputs for Benchmarking and Stage-Priority Analysis of Airports. Mathematics 2026, 14, 811. https://doi.org/10.3390/math14050811
Roudabr N, Zhang S, Moghaddas Z, Afzal W. A Piecewise Linear SBM Network DEA Model with Undesirable Outputs for Benchmarking and Stage-Priority Analysis of Airports. Mathematics. 2026; 14(5):811. https://doi.org/10.3390/math14050811
Chicago/Turabian StyleRoudabr, Nasim, Shimo Zhang, Zohreh Moghaddas, and Waseem Afzal. 2026. "A Piecewise Linear SBM Network DEA Model with Undesirable Outputs for Benchmarking and Stage-Priority Analysis of Airports" Mathematics 14, no. 5: 811. https://doi.org/10.3390/math14050811
APA StyleRoudabr, N., Zhang, S., Moghaddas, Z., & Afzal, W. (2026). A Piecewise Linear SBM Network DEA Model with Undesirable Outputs for Benchmarking and Stage-Priority Analysis of Airports. Mathematics, 14(5), 811. https://doi.org/10.3390/math14050811

