Overshoot Reduction Using Adaptive Neuro-Fuzzy Inference System for an Autonomous Underwater Vehicle
Abstract
1. Introduction
- (a)
- In this work, the autonomous underwater vehicle is considered to be the most effective object for underwater activities such as inspection of oil industry pipelines, target search, seabed surface reconstruction, military operation, etc.;
- (b)
- It is a challenging issue to design the controller of the autonomous underwater vehicle because of its eminent nature of dynamism and nonlinearity characteristics;
- (c)
- Therefore, it is required to adapt a technique that must be robust and adaptive, and also, it is necessary to rationally optimize the space motion model of autonomous underwater vehicle so that it can adapt to the complex and have high reliability;
- (d)
- Various linear and nonlinear control techniques have been developed to handle non-linearity, time-varying dynamic characteristics, and disturbances of sea waves and currents;
- (e)
- The PID control techniques cannot offer better performance because the dynamic characteristics of an autonomous underwater vehicle are quite complex;
- (f)
- Self-tuning fuzzy-PID is then considered for the operation of autonomous underwater vehicles. However, the performance is weak in terms of settling time, more overshoot, and slow response. Moreover, acceptable overshoot and oscillations appear because of the consideration of reducing the complexity and difficulty of the controller design process;
- (g)
- In the presence of various uncertain factors, the system with the ANFIS method can adapt to the complex environment and unknown ocean current interference so that the control effect of the controller can remain consistent and has good robustness. The ANFIS controller performed better than other control techniques when hydrodynamic constraints varied.
2. Mathematical Model Design of Autonomous Underwater Vehicle
2.1. Heading Plane Model
2.2. Depth Plane Control
3. Controlling Techniques
3.1. Fuzzy Logic Controller
3.2. Self-Tuning Fuzzy-PID
- If the deviation error is greater, the KP value should be viewed as being larger, the KD value should be smaller, and the KI value should be as small as possible;
- Where deviation error is medium (intermediate), should be small to reduce the percentage of overshoot;
- Where deviation error is small, should be larger value to improve the stability, and is mentioned.
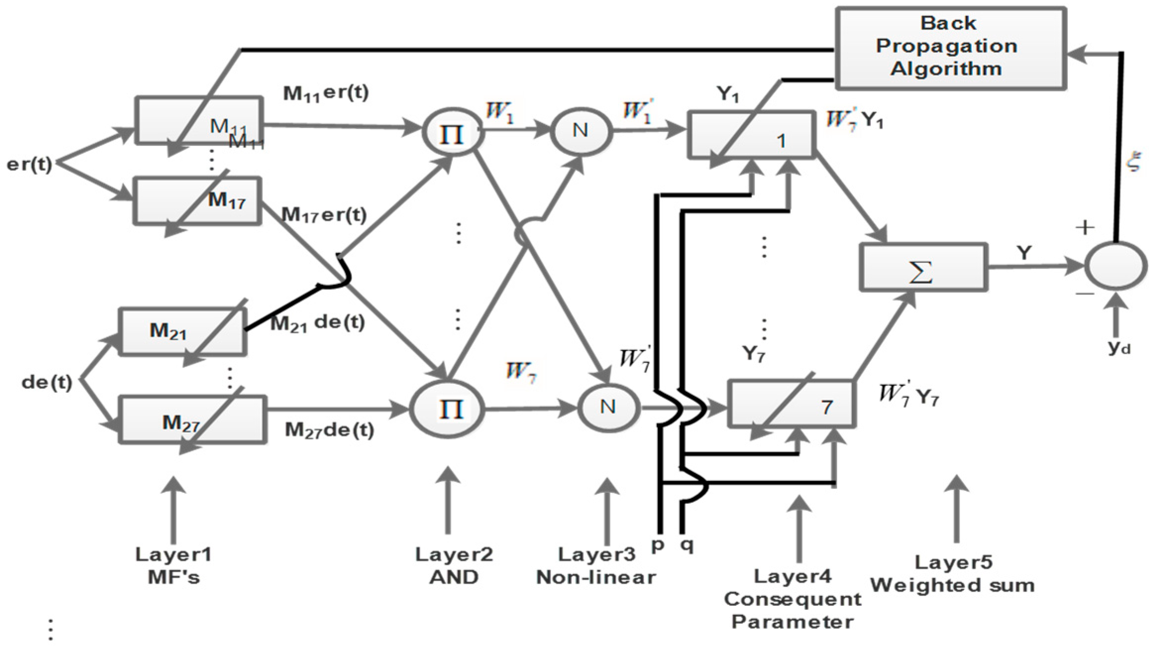
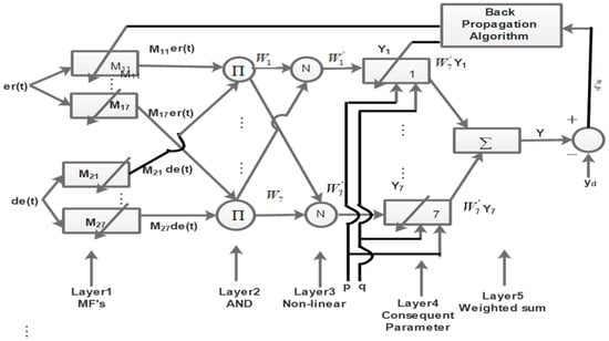
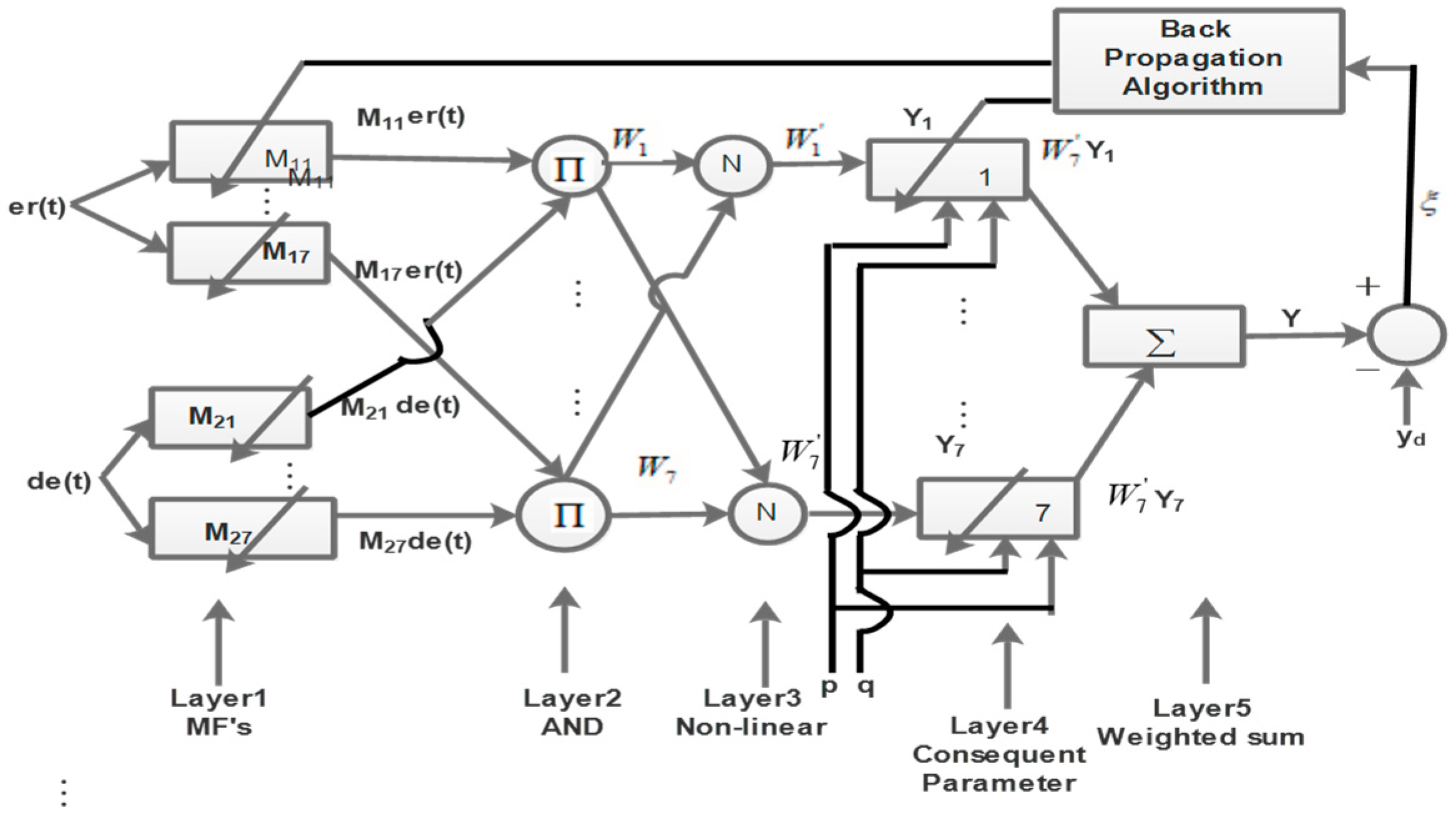
3.3. ANFIS Controller
ANFIS Controller Training
4. Simulation Results
5. Conclusions
Author Contributions
Funding
Data Availability Statement
Acknowledgments
Conflicts of Interest
References
- Fossen, T.I. Guidance and Control of Ocean Vehicles; Wiley: Hoboken, NY, USA, 1994. [Google Scholar]
- Fossen, T.I. Maritime Control Systems—Guidance, Navigation and Control of Ships, Rigs and Underwater Vehicles. In Marine Cybernetics; Springer: Trondheim, Norway, 2002. [Google Scholar]
- Fossen, T.I. Handbook of Marine Craft Hydrodynamics and Motion Control; Norwegian University of Science and Technology: Trondheim, Norway, 2011. [Google Scholar]
- Huang, H.; Zhang, C.; Ding, W.; Zhu, X.; Sun, G.; Wang, H. Design of the Depth Controller for a Floating Ocean Seismograph. J. Mar. Sci. Eng. 2020, 8, 166. [Google Scholar] [CrossRef]
- Tchilian, R.S.; Rafikova, E.; Gafurov, S.A.; Rafikov, M. Optimal control of an underwater glider vehicle. Procedia Eng. 2017, 176, 732–740. [Google Scholar] [CrossRef]
- Srivastava, A.; Tripathy, A.K.; Prasad, M.P.R. Comparative Analysis on Depth Control of an Underwater Vehicle. In Proceedings of the Innovations in Power and Advanced Computing Technologies, Vellore, India, 22–23 March 2019; pp. 1–5. [Google Scholar]
- Liu, C.; Yue, X.; Shi, K.; Sun, Z. Spacecraft Attitude Control: A Linear Matrix Inequality Approach; Elsevier: Amsterdam, The Netherlands, 2022. [Google Scholar]
- Liu, C.; Shi, K.; Yue, X.; Sun, Z. Inertia-free saturated output feedback attitude stabilization for uncertain spacecraft. Int. J. Robust Nonlinear Control 2020, 30, 5101–5121. [Google Scholar] [CrossRef]
- Zhao, T.; Chen, Y.; Dian, S.; Guo, R.; Li, S. General type-2 fuzzy gain scheduling PID controller with application to powerline inspection robots. Int. J. Fuzzy Syst. 2020, 22, 181–200. [Google Scholar] [CrossRef]
- Huo, X.; Ge, T.; Wang, X. Horizontal path-following control for deep-sea work-class ROVs based on a fuzzy logic system. Ships Offshore Struct. 2018, 13, 637–648. [Google Scholar] [CrossRef]
- Xiang, X.; Yu, C.; Lapierre, L.; Zhang, J.; Zhang, Q. Survey on Fuzzy-Logic-Based Guidance and Control of Marine Surface Vehicles and Underwater Vehicles. Int. J. Fuzzy Syst. 2018, 20, 572–586. [Google Scholar] [CrossRef]
- Zadeh, L.A. Fuzzy sets. Inf. Control 1965, 8, 338–353. [Google Scholar] [CrossRef]
- Chu, Z.; Xiang, X.; Zhu, D.; Luo, C.; Xie, D. Adaptive Fuzzy Sliding Mode Diving Control for Autonomous Underwater Vehicle with Input Constraint. Int. J. Fuzzy Syst. 2018, 20, 1460–1469. [Google Scholar] [CrossRef]
- Londhe, P.S.; Patre, B.M. Adaptive fuzzy sliding mode control for robust trajectory tracking control of an autonomous underwater vehicle. Intell. Serv. Robot. 2019, 12, 87–102. [Google Scholar] [CrossRef]
- Londhe, P.S.; Dhadekar, D.D.; Patre, B.M.; Waghmare, L.M. Uncertainty and disturbance estimator based sliding mode control of an autonomous underwater vehicle. Int. J. Dyn. Control 2017, 5, 1122–1138. [Google Scholar] [CrossRef]
- Yao, F.; Yang, C.; Liu, X.; Zhang, M. Experimental Evaluation on Depth Control Using Improved Model Predictive Control for Autonomous Underwater Vehicle (AUVs). Sensors 2018, 18, 2321. [Google Scholar] [CrossRef] [PubMed]
- Sudirman, R.M.; Effend, R. Model Predictive Control of Autonomous Underwater Vehicles Based on Horizon Optimization. JAREE-J. Adv. Res. Electr. Eng. 2020, 4, 107884. [Google Scholar] [CrossRef]
- Makavita, C.D.; Jayasinghe, S.G.; Nguyen, H.D.; Ranmuthugala, D. Experimental Study of Command Governor Adaptive Control for Unmanned Underwater Vehicles. IEEE Trans. Control Syst. Technol. 2019, 27, 332–345. [Google Scholar] [CrossRef]
- Chen, Y.; Wang, K.; Chen, W. Adaptive fuzzy depth control with trajectory feedforward compensator for autonomous underwater vehicles. Adv. Mech. Eng. 2019, 11, 1687814019838172. [Google Scholar] [CrossRef]
- Guerreroa, J.; Torresa, J.; Creuzeb, V.; Chemorib, A. Trajectory tracking for autonomous underwater vehicle: An adaptive approach. Ocean Eng. 2019, 172, 511–522. [Google Scholar] [CrossRef]
- Wang, N.; Sun, J.C.; Er, M.J. Tracking-error-based universal adaptive fuzzy control for output tracking of nonlinear systems with completely unknown dynamics. IEEE Trans. Fuzzy Syst. 2018, 26, 869–883. [Google Scholar] [CrossRef]
- Zheng, Z.; Huang, Y.; Xie, L.; Zhu, B. Adaptive trajectory tracking control of a fully actuated surface vessel with asymmetrically constrained input and output. IEEE Trans. Control Syst. Technol. 2017, 97, 83–91. [Google Scholar] [CrossRef]
- Makavita, C.D.; Jayasinghe, S.G.; Nguyen, H.D.; Ranmuthugala, D. Experimental Study of a Command Governor Adaptive Depth Controller for an Unmanned Underwater Vehicle. Appl. Ocean Res. 2019, 86, 61–72. [Google Scholar] [CrossRef]
- Manzanilla, A.; Castillo, P.; Lozano, R. Nonlinear algorithm with adaptive properties to stabilize an underwater vehicle real-time experiments. IFAC 2017, 50, 6857–6862. [Google Scholar] [CrossRef]
- Wang, N.; Qian, C.; Sun, J.C.; Liu, Y.C. Adaptive robust finite time trajectory tracking control of fully actuated marine surface vehicles. IEEE Trans. Control Syst. Technol. 2016, 24, 1454–1462. [Google Scholar] [CrossRef]
- Hassaneina, O.; Anavattib, S.G.; Shimc, H.; Ray, T. Model-based adaptive control system for autonomous underwater vehicles. Ocean Eng. 2016, 127, 58–69. [Google Scholar] [CrossRef]
- Cui, R.; Yang, C.; Li, Y.; Sharma, S. Adaptive Neural Network Control of AUVs With Control Input Nonlinearities Using Reinforcement Learning. IEEE Trans. Syst. Man Cybern. Syst. 2017, 47, 1019–1029. [Google Scholar] [CrossRef]
- Geranmehr, B.; Vafaee, K. Hybrid Adaptive Neural Network AUV Controller Design with Sliding Mode Robust Term. IJMT 2017, 72, 49–55. [Google Scholar] [CrossRef]
- Alvarado, R.H.; Valdovinos, L.G.G.; Jiménez, T.S.; Espinosa, A.G.; Navarro, F.F. Neural Network-Based Self-Tuning PID Control for Underwater Vehicles. Sensors 2016, 16, 1429. [Google Scholar] [CrossRef]
- Huang, H.; Zhang, G.; Qing, H.; Zhou, Z. Autonomous underwater vehicle precise motion control for target following with model uncertainty. Int. J. Adv. Robot. Syst. 2017, 14, 1729881417719808. [Google Scholar]
- Xiang, X.; Yu, C.; Zhang, Q. Robust fuzzy 3D path following for autonomous underwater vehicle subject to uncertainties. Comput. Oper. Res. 2017, 84, 165–177. [Google Scholar] [CrossRef]
- Jin, P.; Wang, B.; Li, L.; Chao, P.; Xie, F. Semi-supervised underwater acoustic source localization based on residual convolutional auto encoder. EURASIP J. Adv. Signal Process. 2022, 2022, 107. [Google Scholar] [CrossRef]
- Ma, H.; Mu, X.; He, B. Adaptive Navigation Algorithm with Deep Learning for Autonomous Underwater Vehicle. Sensors 2021, 21, 6406. [Google Scholar] [CrossRef]
- Wu, H.; Song, S.; You, K.; Wu, C. Depth control of model-free AUVs via reinforcement learning. IEEE Trans. Syst. Man Cybern. Syst. 2018, 49, 2499–2510. [Google Scholar] [CrossRef]
- Duan, K.; Fong, S.; Chen, C.P. 2022. Reinforcement learning based model-free optimized trajectory tracking strategy design for an AUV. Neurocomputing 2022, 469, 289–297. [Google Scholar] [CrossRef]
- Parhi, D.R.; Kundu, S. Reactive Navigation of Underwater Mobile Robot Using ANFIS Approach in a Manifold Manner. Int. J. Autom. Comput. 2017, 14, 307–320. [Google Scholar]
- Nayak, N.; Das, P.; Das, S.R. Heading plane control of an autonomous underwater vehicle: A novel fuzzy and model reference adaptive control approach. In Proceedings of the 2020 Third International Conference on Advances in Electronics, Computers and Communications (ICAECC), Bengaluru, India, 11–12 December 2020; pp. 1–5. [Google Scholar]





























| Degrees of Freedom | Motion | Position and Angle | Linear and Angular Velocities | Force and Moment |
|---|---|---|---|---|
| 1 | Surge (x-axis motion) | x | u | X |
| 2 | Sway (y-axis motion) | y | v | Y |
| 3 | Heave (z-axis motion) | z | w | Z |
| 4 | Roll (x-axis rotation) | Φ | p | K |
| 5 | Pitch (y-axis rotation) | θ | q | M |
| 6 | Yaw (z-axis rotation) | Ψ | r | N |
| Parameter | Value | Units | Description |
|---|---|---|---|
| −0.58 | kg | Mass (added) | |
| −46.003 | kg·m/s | Combined term | |
| −6.534 | kg·m/s | Combined term | |
| −23.899 | kg | Mass (added) | |
| 1.9986 | kg·m | Mass (added) | |
| −39.04 | kg·m/s2 | Fin lift | |
| 20.026 | kg·m/s | Combined term | |
| −3.49236 | kg·m2/s2 | Hydrostatic force | |
| −6.002 | kg·m2/s | Combined term | |
| 3.12 | kg·m | Mass (added) | |
| −3.022 | kg·m2 | Mass (added) | |
| −16.07 | kg·m2/s2 | Fin lift |
| Inertia | Value | Units |
|---|---|---|
| 0.05398 | ||
| 1.2697 | ||
| 1.2799 |
| ΔE | NLA | NME | NSM | ZER | PSM | PME | PLA | |
|---|---|---|---|---|---|---|---|---|
| ΔDE | ||||||||
| NLA | NEL | NME | NME | NLA | NME | NME | ZER | |
| NME | NLA | NLA | NME | NME | NSM | ZER | PME | |
| NSM | NME | NME | NME | NSM | ZER | PSM | PME | |
| ZER | NLA | NME | NSM | ZER | PSM | PME | PLA | |
| PSM | NME | NSM | ZER | PSM | PME | PLA | PLA | |
| PME | NME | ZER | PSM | PME | PLA | PLA | PLA | |
| PLA | ZER | PSM | PME | PLA | PLA | PLA | PEL | |
| Time Response | FLC | STFPID | ANFIS | PID |
|---|---|---|---|---|
| Tr (ms) | 246.7 | 211.05 | 318.89 | 217.93 |
| Ts (ms) | 749.8 | 705.0058 | 703.76 | 1446.4 |
| %Overshoot | 2.0971 | 2.57 | 0 | 8.87 |
| Time Response | FLC | STFPID | ANFIS | PID |
|---|---|---|---|---|
| Tr (ms) | 92.56 | 254.29 | 248.69 | 117.75 |
| Ts (ms) | 677.063 | 553.22 | 429.35 | 955.6 |
| %Overshoot | 7.65 | 0.0228 | 0 | 9.46 |
Disclaimer/Publisher’s Note: The statements, opinions and data contained in all publications are solely those of the individual author(s) and contributor(s) and not of MDPI and/or the editor(s). MDPI and/or the editor(s) disclaim responsibility for any injury to people or property resulting from any ideas, methods, instructions or products referred to in the content. |
© 2023 by the authors. Licensee MDPI, Basel, Switzerland. This article is an open access article distributed under the terms and conditions of the Creative Commons Attribution (CC BY) license (https://creativecommons.org/licenses/by/4.0/).
Share and Cite
Nayak, N.; Das, S.R.; Panigrahi, T.K.; Das, H.; Nayak, S.R.; Singh, K.K.; Askar, S.S.; Abouhawwash, M. Overshoot Reduction Using Adaptive Neuro-Fuzzy Inference System for an Autonomous Underwater Vehicle. Mathematics 2023, 11, 1868. https://doi.org/10.3390/math11081868
Nayak N, Das SR, Panigrahi TK, Das H, Nayak SR, Singh KK, Askar SS, Abouhawwash M. Overshoot Reduction Using Adaptive Neuro-Fuzzy Inference System for an Autonomous Underwater Vehicle. Mathematics. 2023; 11(8):1868. https://doi.org/10.3390/math11081868
Chicago/Turabian StyleNayak, Narayan, Soumya Ranjan Das, Tapas Kumar Panigrahi, Himansu Das, Soumya Ranjan Nayak, Krishna Kant Singh, S. S. Askar, and Mohamed Abouhawwash. 2023. "Overshoot Reduction Using Adaptive Neuro-Fuzzy Inference System for an Autonomous Underwater Vehicle" Mathematics 11, no. 8: 1868. https://doi.org/10.3390/math11081868
APA StyleNayak, N., Das, S. R., Panigrahi, T. K., Das, H., Nayak, S. R., Singh, K. K., Askar, S. S., & Abouhawwash, M. (2023). Overshoot Reduction Using Adaptive Neuro-Fuzzy Inference System for an Autonomous Underwater Vehicle. Mathematics, 11(8), 1868. https://doi.org/10.3390/math11081868

