Realization of Intelligent Observer for Sensorless PMSM Drive Control
Abstract
1. Introduction
- Developing the initial intelligent observer algorithm with the MJNN method;
- Collecting the learning data from several PMSM control simulations;
- Training and validating the ML-basing observer developed in the first step using the data obtained from the second step;
- Merging the trained ML-based observer algorithm with the PLL function to be an intelligent observer;
- Simulating the intelligent observer in the PMSM sensorless control simulation process by using Simulink-MATLAB;
- Implementing the intelligent observer into the experimental hardware platform.
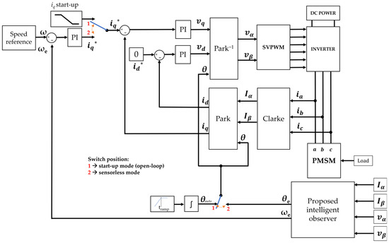
2. Sensorless PMSM Drive System
3. Proposed Intelligent Observer
3.1. Modified Jordan Neural Network
3.2. Learning Process
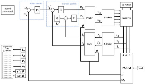
3.2.1. Learning Data Acquisition
3.2.2. Training and Validating Process
3.3. Intelligent Observer Function Block
4. Simulation Results and Discussions
4.1. Simulation Results of Rotor Position Information
4.2. Simulation Results of Rotor Speed Feedback Information
4.3. Simulation Results of Rotor Speed Control
4.4. Simulation Results of the Current Response and External Load Robustness
5. Experimental Results and Discussions
5.1. Experimental Results for Speed Variation
5.2. Experimental Results for Load Variation
6. Conclusions
Author Contributions
Funding
Data Availability Statement
Conflicts of Interest
Nomenclature
| Iα and Iβ | The currents generated by Clarke transform in the FOC process |
| vα and vβ | The voltages generated by Park inverse transform in the FOC process |
| θ | The rotor position angle |
| ω | The rotor speed |
| id and iq | The currents on the d-q axis |
| vd and vq | The voltages on the d-q axis |
| k | Discrete time |
| x | Input layer’s neurons |
| y | Output layer’s neurons |
| y’ | Feedback from the output layer’s neurons |
| z | Hidden layer’s neurons |
| c | Context layer’s neurons |
| mch and mcho | The context layer’s memory coefficients |
| vb | The bias of the hidden neuron |
| vx | The weights between input layer’s neurons and hidden layer’s neurons |
| vy’ | The weights between feedback neurons and hidden layer’s neurons |
| vc | The weights between context layer’s neurons and hidden layer’s neurons |
| wb | The bias of the output neurons |
| wz | The weights between hidden layer’s neurons and output layer’s neurons |
| Z−1 | Delay |
References
- Rauth, S.S.; Samanta, B. Comparative Analysis of IM/BLDC/PMSM Drives for Electric Vehicle Traction Applications Using ANN-Based FOC. In Proceedings of the 2020 IEEE 17th India Council International Conference (INDICON), New Delhi, India, 10–13 December 2020; pp. 1–8. [Google Scholar]
- Sakunthala, S.; Kiranmayi, R.; Mandadi, P.N. A Study on Industrial Motor Drives: Comparison and Applications of PMSM and BLDC Motor Drives. In Proceedings of the 2017 International Conference on Energy, Communication, Data Analytics and Soft Computing (ICECDS), Chennai, India, 1–2 August 2017; pp. 537–540. [Google Scholar]
- Derammelaere, S.; Haemers, M.; De Viaene, J.; Verbelen, F.; Stockman, K. A Quantitative Comparison between BLDC, PMSM, Brushed DC and Stepping Motor Technologies. In Proceedings of the 2016 19th International Conference on Electrical Machines and Systems (ICEMS), Chiba, Japan, 13–15 November 2016; pp. 1–5. [Google Scholar]
- Park, S.-Z.; Kim, Y.-K.; Song, C.-H.; Lee, J.-W.; Mok, H.-S. Operation Method of Electric Bicycle Using Change of BLDC Operation Mode and PMSM Operation Mode. In Proceedings of the 8th International Conference on Power Electronics–ECCE Asia, Jeju, Republic of Korea, 30 May–3 June 2011; pp. 2529–2536. [Google Scholar]
- Badini, S.S.; Kumar, C.D.; Verma, V. Single Sensor Based Vector Controlled PMSM Drive. In Proceedings of the 2020 IEEE International Conference on Power Electronics, Drives and Energy Systems (PEDES), Jaipur, India, 16–19 December 2020; pp. 1–5. [Google Scholar]
- Kumar, C.D.; Shiva, B.S.; Verma, V. Vector Control of PMSM Drive with Single Current Sensor. In Proceedings of the 2020 IEEE Students Conference on Engineering & Systems (SCES), Prayagraj, India, 10–12 July 2020; pp. 1–6. [Google Scholar]
- Bi, Q.; Shao, D.; Li, J. Signal Correction of Linear Hall for PMSM Control System. In Proceedings of the 2019 IEEE 3rd Advanced Information Management, Communicates, Electronic and Automation Control Conference (IMCEC), Chongqing, China, 11–13 October 2019; pp. 341–345. [Google Scholar]
- Nauduri, B.S.; Shaga, G. A Novel Approach of Using a Planar Inductive Position Sensor for the Permanent Magnet Synchronous Motor Control Application. In Proceedings of the 2018 IEEE Sensors Applications Symposium (SAS), Seoul, Republic of Korea, 12–14 March 2018; pp. 1–5. [Google Scholar]
- Xiong, Y.; Wang, A.; Zhang, T. Sensor-Less Complex System Control of PMSM Based on Improved SMO. In Proceedings of the 2021 6th International Conference on Automation, Control and Robotics Engineering (CACRE), Dalian, China, 15–17 July 2021; pp. 228–232. [Google Scholar]
- Nicola, M.; Nicola, C.-I. Sensorless Control of PMSM Using SMC and Sensor Fault Detection Observer. In Proceedings of the 2021 18th International Multi-Conference on Systems, Signals & Devices (SSD), Monastir, Tunisia, 22–25 March 2021; pp. 518–525. [Google Scholar]
- Yan, H.; Wang, W.; Xu, Y.; Zou, J. Position Sensorless Control for PMSM Drives With Single Current Sensor. IEEE Trans. Ind. Electron. 2023, 70, 178–188. [Google Scholar] [CrossRef]
- Wei, X.; Yan, L.; Jin, Z.; Zhou, Y.; Xiang, P. SPMSM Deadbeat Predictive Control with HF Injection Sensorless Rotor Position Estimate. In Proceedings of the 2022 IEEE 17th Conference on Industrial Electronics and Applications (ICIEA), Chengdu, China, 16–19 December 2022; pp. 920–925. [Google Scholar]
- Wu, L.; Lyu, Z.; Chen, Z.; Liu, J.; Lu, Y. An Enhanced Sensorless Control Scheme for PMSM Drives Considering Self-Inductance Asymmetry. CES Trans. Electr. Mach. Syst. 2022, 6, 384–392. [Google Scholar] [CrossRef]
- Yao, G.; Xing, L.; Huang, Y. Sensorless Control Simulation of Permanent Magnet Synchronous Motor Based on Sliding Mode Observer. In Proceedings of the 2022 IEEE 5th International Conference on Automation, Electronics and Electrical Engineering (AUTEEE), Shenyang, China, 18–20 November 2022; pp. 688–693. [Google Scholar]
- Nahid-Mobarakeh, B.; Meibody-Tabar, F.; Sargos, F.-M. Back EMF Estimation-Based Sensorless Control of PMSM: Robustness With Respect to Measurement Errors and Inverter Irregularities. IEEE Trans. Ind. Appl. 2007, 43, 485–494. [Google Scholar] [CrossRef]
- Genduso, F.; Miceli, R.; Rando, C.; Galluzzo, G.R. Back EMF Sensorless-Control Algorithm for High-Dynamic Performance PMSM. IEEE Trans. Ind. Electron. 2010, 57, 2092–2100. [Google Scholar] [CrossRef]
- Wang, Z.; Lu, K.; Blaabjerg, F. A Simple Startup Strategy Based on Current Regulation for Back-EMF-Based Sensorless Control of PMSM. IEEE Trans. Power Electron. 2012, 27, 3817–3825. [Google Scholar] [CrossRef]
- Bi, G.; Zhang, G.; Wang, Q.; Ding, D.; Li, B.; Wang, G.; Xu, D. High-Frequency Injection Angle Self-Adjustment Based Online Position Error Suppression Method for Sensorless PMSM Drives. IEEE Trans. Power Electron. 2023, 38, 1412–1417. [Google Scholar] [CrossRef]
- Choi, C.-H.; Seok, J.-K. Compensation of Zero-Current Clamping Effects in High-Frequency-Signal-Injection-Based Sensorless PM Motor Drives. IEEE Trans. Ind. Appl. 2007, 43, 1258–1265. [Google Scholar] [CrossRef]
- Li, H.; Zhang, X.; Yang, S.; Liu, S. Unified Graphical Model of High-Frequency Signal Injection Methods for PMSM Sensorless Control. IEEE Trans. Ind. Electron. 2020, 67, 4411–4421. [Google Scholar] [CrossRef]
- Liu, J.M.; Zhu, Z.Q. Novel Sensorless Control Strategy With Injection of High-Frequency Pulsating Carrier Signal Into Stationary Reference Frame. IEEE Trans. Ind. Appl. 2014, 50, 2574–2583. [Google Scholar] [CrossRef]
- Wang, S.; Yang, K.; Chen, K. An Improved Position-Sensorless Control Method at Low Speed for PMSM Based on High-Frequency Signal Injection into a Rotating Reference Frame. IEEE Access 2019, 7, 86510–86521. [Google Scholar] [CrossRef]
- Trancho, E.; Ibarra, E.; Arias, A.; Kortabarria, I.; Prieto, P.; Martínez de Alegría, I.; Andreu, J.; López, I. Sensorless Control Strategy for Light-Duty EVs and Efficiency Loss Evaluation of High Frequency Injection under Standardized Urban Driving Cycles. Appl. Energy 2018, 224, 647–658. [Google Scholar] [CrossRef]
- Bolognani, S.; Oboe, R.; Zigliotto, M. Sensorless Full-Digital PMSM Drive with EKF Estimation of Speed and Rotor Position. IEEE Trans. Ind. Electron. 1999, 46, 184–191. [Google Scholar] [CrossRef]
- Termizi, M.S.; Lazi, J.M.; Ibrahim, Z.; Talib, M.H.N.; Aziz, M.J.A.; Ayob, S.M. Sensorless PMSM Drives Using Extended Kalman Filter (EKF). In Proceedings of the 2017 IEEE Conference on Energy Conversion (CENCON), Kuala Lumpur, Malaysia, 30–31 October 2017; pp. 145–150. [Google Scholar]
- Nak, H.; Gülbahce, M.O.; Gokasan, M.; Ergene, A.F. Performance Investigation of Extended Kalman Filter Based Observer for PMSM Using in Washing Machine Applications. In Proceedings of the 2015 9th International Conference on Electrical and Electronics Engineering (ELECO), Bursa, Turkey, 26–28 November 2015; pp. 618–623. [Google Scholar]
- Quang, N.K.; Hieu, N.T.; Ha, Q.P. FPGA-Based Sensorless PMSM Speed Control Using Reduced-Order Extended Kalman Filters. IEEE Trans. Ind. Electron. 2014, 61, 6574–6582. [Google Scholar] [CrossRef]
- Bolognani, S.; Tubiana, L.; Zigliotto, M. Extended Kalman Filter Tuning in Sensorless PMSM Drives. IEEE Trans. Ind. Appl. 2003, 39, 1741–1747. [Google Scholar] [CrossRef]
- Lu, Q.; Quan, L.; Zhu, X.; Zuo, Y.; Wu, W. Improved Sliding Mode Observer for Position Sensorless Open-Winding Permanent Magnet Brushless Motor Drives. Prog. Electromagn. Res. M 2019, 77, 147–156. [Google Scholar] [CrossRef]
- An, Q.; An, Q.; Liu, X.; Zhang, J.; Bi, K. Improved Sliding Mode Observer for Position Sensorless Control of Permanent Magnet Synchronous Motor. In Proceedings of the 2018 IEEE Transportation Electrification Conference and Expo, Asia-Pacific (ITEC Asia-Pacific), Piscataway, NJ, USA, 6–9 June 2018; pp. 1–7. [Google Scholar]
- Kung, Y.-S.; Risfendra, R.; Lin, Y.-D.; Huang, L.-C. FPGA-Realization of a Sensorless Speed Controller for PMSM Drives Using Novel Sliding Mode Observer. Microsyst. Technol. 2018, 24, 79–93. [Google Scholar] [CrossRef]
- Kung, Y.-S.; Risfendra; Lin, Y.-D.; Huang, L.-C. FPGA-Based Sensorless Controller for PMSM Drives Using Sliding Mode Observer and Phase Locked Loop. In Proceedings of the 2016 International Conference on Applied System Innovation (ICASI), Okinawa, Japan, 26–30 May 2016; pp. 1–4. [Google Scholar]
- Hoai, H.-K.; Chen, S.-C.; Than, H. Realization of the Sensorless Permanent Magnet Synchronous Motor Drive Control System with an Intelligent Controller. Electronics 2020, 9, 365. [Google Scholar] [CrossRef]
- Hoai, H.-K.; Chen, S.-C.; Chang, C.-F. Realization of the Neural Fuzzy Controller for the Sensorless PMSM Drive Control System. Electronics 2020, 9, 1371. [Google Scholar] [CrossRef]
- Zhang, Z.; Kong, L.; Wu, Y.; Zhang, S.; Liu, Z. PMSM Sensorless Control Based on Adaptive Luenberger Observer. In Proceedings of the 2022 37th Youth Academic Annual Conference of Chinese Association of Automation (YAC), Beijing, China, 19–20 November 2022; pp. 398–403. [Google Scholar]
- Lagrioui, A.; Mahmoudi, H. Speed and Current Control for the PMSM Using a Luenberger Observer. In Proceedings of the 2011 International Conference on Multimedia Computing and Systems, Ouarzazate, Morocco, 7–9 April 2011; pp. 1–6. [Google Scholar]
- Makni, Z.; Zine, W. Rotor Position Estimator Based on Machine Learning. In Proceedings of the IECON 2016 42nd Annual Conference of the IEEE Industrial Electronics Society, Florence, Italy, 23–26 October 2016; pp. 6687–6692. [Google Scholar]
- Zine, W.; Makni, Z.; Monmasson, E.; Idkhajine, L.; Condamin, B. Interests and Limits of Machine Learning-Based Neural Networks for Rotor Position Estimation in EV Traction Drives. IEEE Trans. Ind. Inform. 2018, 14, 1942–1951. [Google Scholar] [CrossRef]
- Putra, D.S.; Chen, S.-C.; Khong, H.-H.; Cheng, F. Design and Implementation of a Machine-Learning Observer for Sensorless PMSM Drive Control. Appl. Sci. 2022, 12, 2963. [Google Scholar] [CrossRef]
- Matsuura, K.; Akatsu, K. A Motor Control Method by Using Machine Learning. In Proceedings of the 2020 23rd International Conference on Electrical Machines and Systems (ICEMS), Hamamatsu, Japan, 24–27 November 2020; pp. 652–655. [Google Scholar]
- Beniaguev, D.; Segev, I.; London, M. Single Cortical Neurons as Deep Artificial Neural Networks. Neuron 2021, 109, 2727–2739. [Google Scholar] [CrossRef]
- Pang, Z.; Niu, F.; O’Neill, Z. Solar Radiation Prediction Using Recurrent Neural Network and Artificial Neural Network: A Case Study with Comparisons. Renew. Energy 2020, 156, 279–289. [Google Scholar] [CrossRef]
- Grossi, E.; Buscema, M. Introduction to Artificial Neural Networks. Eur. J. Gastroenterol. Hepatol. 2007, 19, 1046. [Google Scholar] [CrossRef]
- Bengio, E.; Bacon, P.-L.; Pineau, J.; Precup, D. Conditional Computation in Neural Networks for Faster Models. arXiv 2015, arXiv:1511.06297. [Google Scholar]
- Siegelmann, H.T.; Sontag, E.D. On the Computational Power of Neural Nets. In Proceedings of the 5th Annual Workshop on Computational Learning Theory, Pittsburgh, PE, USA, 27–29 July 1992; Association for Computing Machinery: New York, NY, USA, 1 July, 1992; pp. 440–449. [Google Scholar]
- Pham, D.T.; Karaboga, D. Training Elman and Jordan Networks for System Identification Using Genetic Algorithms. Artif. Intell. Eng. 1999, 13, 107–117. [Google Scholar] [CrossRef]
- Xing, J.; Qin, Z.; Lin, C.; Jiang, X. Research on Startup Process for Sensorless Control of PMSMs Based on I-F Method Combined With an Adaptive Compensator. IEEE Access 2020, 8, 70812–70821. [Google Scholar] [CrossRef]
- Song, Z.; Yao, W.; Lee, K.; Li, W. An Efficient and Robust I-f Control of Sensorless IPMSM With Large Startup Torque Based on Current Vector Angle Controller. IEEE Trans. Power Electron. 2022, 37, 15308–15321. [Google Scholar] [CrossRef]
- Tang, Q.; Chen, D.; He, X. Integration of Improved Flux Linkage Observer and I–f Starting Method for Wide-Speed-Range Sensorless SPMSM Drives. IEEE Trans. Power Electron. 2020, 35, 8374–8383. [Google Scholar] [CrossRef]
- Xu, Y.; Lin, C.; Xing, J.; Zeng, Q.; Sun, J. I-f Starting Rapid and Smooth Transition Method of Full-Speed Sensorless Control for Low Current Harmonic Ultra-High-Speed PMSM. In Proceedings of the 2022 IEEE Applied Power Electronics Conference and Exposition (APEC), Houston, TX, USA, 20–24 March 2022; pp. 1820–1826. [Google Scholar]
- El Naqa, I.; Murphy, M.J. What Is Machine Learning? In Machine Learning in Radiation Oncology: Theory and Applications; El Naqa, I., Li, R., Murphy, M.J., Eds.; Springer International Publishing: Cham, Switzerland, 2015; pp. 3–11. ISBN 978-3-319-18305-3. [Google Scholar]
- Putra, D.S.; Azmi, M.; Muslikhin; Purwanto, W. ANN Activation Function Comparative Study for Sinusoidal Data. J. Phys. Conf. Ser. 2022, 2406, 012029. [Google Scholar] [CrossRef]
- Motor Control Blockset Documentation. Available online: https://www.mathworks.com/help/mcb/ (accessed on 27 February 2022).
- Per-Unit System—MATLAB & Simulink. Available online: https://www.mathworks.com/help/mcb/gs/per-unit-system.html (accessed on 17 April 2022).






















| No | MENN Processing Time (Second) | MJNN Processing Time (Second) |
|---|---|---|
| 1 | 12.34 | 9.42 |
| 2 | 13.45 | 9.79 |
| 3 | 13.43 | 10.54 |
| 4 | 12.60 | 10.76 |
| 5 | 12.77 | 10.15 |
| 6 | 11.97 | 10.24 |
| 7 | 13.02 | 10.12 |
| 8 | 13.33 | 9.79 |
| 9 | 13.16 | 9.67 |
| 10 | 12.93 | 9.99 |
| Average | 12.90 | 10.05 |
| No | Motor | Power | Rate Voltage | Rate Current | Rate Speed | Used for |
|---|---|---|---|---|---|---|
| 1 | PMSM 1 | 40 W | 24 Vac | 1.80 A | 6000 rpm | Learning, testing |
| 2 | PMSM 2 | 40 W | 24 Vac | 3.50 A | 4000 rpm | Learning, testing |
| 3 | PMSM 3 | 400 W | 200 Vac | 2.80 A | 3000 rpm | Learning, testing |
| 4 | PMSM 4 | 40 W | 24 Vac | 7.10 A | 6000 rpm | Testing |
| 5 | PMSM 5 | 750 W | 220 Vac | 4.24 A | 2000 rpm | Testing |
| No | Motor | Average Error Position (p.u) |
|---|---|---|
| 1 | PMSM 1 | 0.0069 |
| 2 | PMSM 2 | 0.0062 |
| 3 | PMSM 3 | 0.0089 |
| 4 | PMSM 4 | 0.0081 |
| 5 | PMSM 5 | 0.0088 |
| Average | 0.0078 |
| No | Hardware | Specification |
|---|---|---|
| 1 | PMSM | 750 W; 4.24 A; 220 Vac; 2000 rpm |
| 2 | Motor control developer | Texas Instrument TMDSHVMTRPFCKIT |
| 3 | Control card | TMS320F28335 |
| 4 | Generator | 750 W |
| 5 | Electrical load | Configurable capacitors and resistors |
| 6 | MATLAB | Version 2021b with academic license |
| 7 | Code Composer Studio | Version 9.1.0 |
| No | Result | Position Error (p.u-Position) | |
|---|---|---|---|
| Previous Study [39] | Proposed Observer | ||
| 1 | Simulation | 0.0127 | 0.0078 |
| 2 | Experimental | 0.0607 | 0.0100 |
Disclaimer/Publisher’s Note: The statements, opinions and data contained in all publications are solely those of the individual author(s) and contributor(s) and not of MDPI and/or the editor(s). MDPI and/or the editor(s) disclaim responsibility for any injury to people or property resulting from any ideas, methods, instructions or products referred to in the content. |
© 2023 by the authors. Licensee MDPI, Basel, Switzerland. This article is an open access article distributed under the terms and conditions of the Creative Commons Attribution (CC BY) license (https://creativecommons.org/licenses/by/4.0/).
Share and Cite
Putra, D.S.; Chen, S.-C.; Khong, H.-H.; Chang, C.-F. Realization of Intelligent Observer for Sensorless PMSM Drive Control. Mathematics 2023, 11, 1254. https://doi.org/10.3390/math11051254
Putra DS, Chen S-C, Khong H-H, Chang C-F. Realization of Intelligent Observer for Sensorless PMSM Drive Control. Mathematics. 2023; 11(5):1254. https://doi.org/10.3390/math11051254
Chicago/Turabian StylePutra, Dwi Sudarno, Seng-Chi Chen, Hoai-Hung Khong, and Chin-Feng Chang. 2023. "Realization of Intelligent Observer for Sensorless PMSM Drive Control" Mathematics 11, no. 5: 1254. https://doi.org/10.3390/math11051254
APA StylePutra, D. S., Chen, S.-C., Khong, H.-H., & Chang, C.-F. (2023). Realization of Intelligent Observer for Sensorless PMSM Drive Control. Mathematics, 11(5), 1254. https://doi.org/10.3390/math11051254

