Flexible Metamaterial-Based Frequency Selective Surface with Square and Circular Split Ring Resonators Combinations for X-Band Applications
Abstract
:1. Introduction
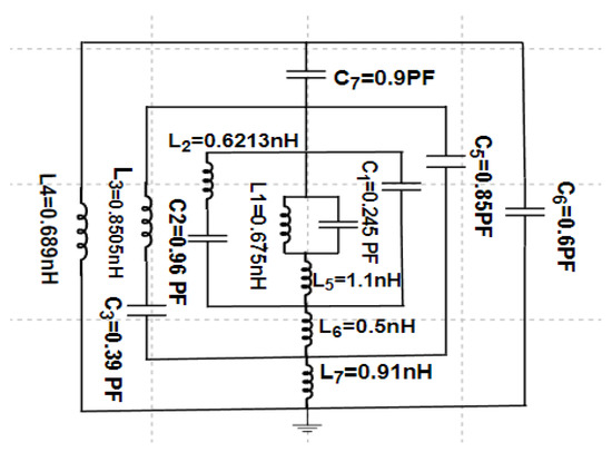
2. Unit Cell Array Analysis with FEM Approach
Validation of the Unit Cell
3. Measurement and Result Analysis
3.1. Parametric Analysis for the Radiating Patch
3.2. E, H and Zurface Current Analysis of the Proposed Structure
3.3. Bending Analysis for the Proposed Design
4. Discussion
5. Conclusions
Author Contributions
Funding
Institutional Review Board Statement
Informed Consent Statement
Data Availability Statement
Conflicts of Interest
References
- Islam, M.T.; Islam, M.R.; Islam, M.T.; Hoque, A.; Samsuzzaman, M. Linear regression of sensitivity for meander line parasitic resonator based on ENG metamaterial in the application of sensing. J. Mater. Res. Technol. 2021, 10, 1103–1121. [Google Scholar] [CrossRef]
- Galaydych, V.; Azarenkov, M. Slow surface electromagnetic waves on a mu-negative medium. Appl. Phys. B 2022, 128, 132. [Google Scholar] [CrossRef]
- Hakim, M.L.; Alam, T.; Soliman, M.S.; Sahar, N.M.; Baharuddin, M.H.; Almalki, S.H.; Islam, M.T. Polarization insensitive symmetrical structured double negative (DNG) metamaterial absorber for Ku-band sensing applications. Sci. Rep. 2022, 12, 1–8. [Google Scholar]
- Zhou, Q.; Xue, B.; Gu, S.; Ye, F.; Fan, X.; Duan, W. Ultra broadband electromagnetic wave absorbing and scattering properties of flexible sandwich cylindrical water-based metamaterials. Results Phys. 2022, 38, 105587. [Google Scholar] [CrossRef]
- Esmail, B.A.; Koziel, S.; Szczepanski, S. Overview of planar antenna loading metamaterials for gain performance enhancement: The two decades of progress. IEEE Access 2022, 10, 27381–27403. [Google Scholar] [CrossRef]
- Mishra, R.K.; Gupta, R.D.; Datar, S. Metamaterial microwave absorber (MMA) for electromagnetic interference (EMI) shielding in X-band. Plasmonics 2021, 16, 2061–2071. [Google Scholar] [CrossRef]
- Alam, M.J.; Faruque, M.R.; Allen, T.; Abdullah, S.; Islam, M.T.; Maulud, K.N.; Ahamed, E. Depiction and analysis of a modified theta shaped double negative metamaterial for satellite application. Open Phys. 2018, 16, 839–847. [Google Scholar] [CrossRef]
- Elwi, T.A.; Al-Saegh, A.M. Further realization of a flexible metamaterial-based antenna on indium nickel oxide polymerized palm fiber substrates for RF energy harvesting. Int. J. Microw. Wirel. Technol. 2021, 13, 67–75. [Google Scholar] [CrossRef]
- Yang, W.; Lin, Y.S. Tunable metamaterial filter for optical communication in the terahertz frequency range. Opt. Express 2020, 28, 17620–17629. [Google Scholar] [CrossRef]
- Ma, L.; Chen, D.; Zheng, W.; Li, J.; Zahra, S.; Liu, Y.; Zhou, Y.; Huang, Y.; Wen, G. Advanced electromagnetic metamaterials for temperature sensing applications. Front. Phys. 2021, 9, 657790. [Google Scholar] [CrossRef]
- Ali, H.O.; Al-Hindawi, A.M.; Abdulkarim, Y.I.; Nugoolcharoenlap, E.; Tippo, T.; Alkurt, F.Ö.; Altintaș, O.; Karaaslan, M. Simulated and experimental studies of a multi-band symmetric metamaterial absorber with polarization independence for radar applications. Chin. Phys. B 2022, 31, 058401. [Google Scholar] [CrossRef]
- Idrus, I.N.; Faruque, M.R.; Abdullah, S.; Khandaker, M.U.; Tamam, N.; Sulieman, A. An Oval-Square Shaped Split Ring Resonator Based Left-Handed Metamaterial for Satellite Communications and Radar Applications. Micromachines 2022, 13, 578. [Google Scholar] [CrossRef]
- Abouelnaga, T.G.; Tayel, M.B.; Desouky, A.F. High Gain UWB Four Elements Antenna Array for C-Band and X-Band Application. Open J. Antennas Propag. 2020, 8, 19. [Google Scholar] [CrossRef]
- Faruque, M.R.; Ahamed, E.; Rahman, M.A.; Islam, M.T. Flexible nickel aluminate (NiAl2O4) based dual-band double negative metamaterial for microwave applications. Results Phys. 2019, 14, 102524. [Google Scholar] [CrossRef]
- Ramachandran, T.; Faruque, M.R.; Ahamed, E. Composite circular split ring resonator (CSRR)-based left-handed metamaterial for C-and Ku-band application. Results Phys. 2019, 14, 102435. [Google Scholar] [CrossRef]
- Hasan, M.M.; Faruque, M.R.; Islam, M.T. Improved square-Z-shaped DNG meta-atom for C-and X-band application. Curr. Sci. 2018, 114, 2518–2524. [Google Scholar] [CrossRef]
- Alam, T.; Ashraf, F.B.; Islam, M.T. Flexible paper substrate based wide band NRI metamaterial for X-band application. Microw. Opt. Technol. Lett. 2018, 60, 1309–1312. [Google Scholar] [CrossRef]
- Nguyen, T.T.; Lim, S. Bandwidth-enhanced and Wide-angle-of-incidence Metamaterial Absorber using a Hybrid Unit Cell. Sci. Rep. 2017, 7, 14814. [Google Scholar] [CrossRef]
- Liu, S.H.; Guo, L.X.; Li, J.C. Left-handed metamaterials based on only modified circular electric resonators. J. Mod. Opt. 2016, 63, 2220–2225. [Google Scholar] [CrossRef]
- Ramachandran, T.; Faruque, M.R.; Islam, M.T. Symmetric square shaped metamaterial structure with quintuple resonance frequencies for S, C, X and Ku band applications. Sci. Rep. 2021, 11, 4270. [Google Scholar] [CrossRef]
- Siddiky, A.M.; Faruque, M.R.; Islam, M.T.; Abdullah, S. A multi-split based square split ring resonator for multiband satellite applications with high effective medium ratio. Results Phys. 2021, 22, 103865. [Google Scholar] [CrossRef]
- Faruque, M.R.; Siddiky, A.M.; Ahamed, E.; Islam, M.T.; Abdullah, S. Parallel LC shaped metamaterial resonator for C and X band satellite applications with wider bandwidth. Sci. Rep. 2021, 11, 1–5. [Google Scholar] [CrossRef] [PubMed]
- Islam, S.S.; Khan, M.S.; Faruque, M.R. Design and analysis of modified-split-H-shaped DNG metamaterial for microwave application. Mater. Res. Express 2020, 6, 125808. [Google Scholar] [CrossRef]
- Bilal, M.; Saleem, R.; Abbasi, Q.H.; Kasi, B.; Shafique, M.F. Miniaturized and flexible FSS-based EM shields for conformal applications. IEEE Trans. Electromagn. Compat. 2020, 62, 1703–1710. [Google Scholar] [CrossRef]
- Ghosh, J.; Dutta, R.; Sarkhel, A.; Abbasi, Q.H. Design of miniaturize flexible wideband frequency selective surface for electromagnetic shielding application. Waves Random Complex Media 2022, 1–21. [Google Scholar] [CrossRef]




























| Variable | Dimension (mm) |
|---|---|
| L | 10 |
| w | 10 |
| rint | 3.5 |
| rout | 4.3 |
| g | 0.4 |
| p | 0.8 |
| p1 | 1.09 |
| d | 0.3 |
| d1 | 0.5 |
| x1 | 4.8 |
| x2 | 3.2 |
| x3 | 1.6 |
| x4 | 0.8 |
| Parameter | Negative Frequency Band Range (GHz) |
|---|---|
| Mu () | (8.20–8.3) and (8.66–11.70) |
| Epsilon () | (9.69–10.93) and (11.32–12) |
| Refractive index () | (7–12) |
| References | Design of the Radiating Patch | Operating Frequency Band | Unit Cell 2D Size (mm2) | Type of Dielectric Material | Resonant Frequency (GHz) | Absorption |
|---|---|---|---|---|---|---|
| [3] | Square type SRR with multi splits | Ku | 9 × 9 | FR4 | 14.62, 16.30 | 99.99% |
| [6] | Circular type SRR | X | 12 × 12 | FR4 | 9.828 | 99.99996% |
| [7] | E-Shape | X and Ku | 9 × 9 | FR4 | 8.14 and 14.01 | - |
| [12] | Oval shape | C and X | 9 × 9 | Rogers | 7.33 and 9.06 | |
| [13] | Hexagonal SRR | C and X | 10 × 7.29 | FR4 | 5.3, 10.5 | - |
| [14] | Square type SRR | X and Ku | 12.5 × 10 | Ni Al2 O4 | 8.83, 13.18 and 14.36 | - |
| [15] | Circular type SRR | C and Ku | 8 × 8 | FR4 | 6.46 and 16.92 | - |
| [16] | Z-shape | C and X | 10 × 10 | Epoxy resin | 9.12 and 5.83 | - |
| [18] | Circle with splits | X | 8.8 × 8.8 | FR4 | 10.45 | 91% |
| [20] | Square shape | S, C, X and Ku | 14 × 14 | Rogers RT6002 | 3.384, 5.436, 7.002, 11.664 and 17.838 | - |
| [21] | Square | S, C, X and Ku | 9 × 9 | Rogers RT5880 | 2.5, 4.7, 8.8, 11.3, 14.4 and 15.5 | - |
| [22] | Parallel LC shape | C And X | 10 × 13 | FR4 | 5 and 10.84 | - |
| This work | Circular SRRs and square split ring resonators combination | X | 10 × 10 | Polyimide | 9.84 and 11.46 | - |
Disclaimer/Publisher’s Note: The statements, opinions and data contained in all publications are solely those of the individual author(s) and contributor(s) and not of MDPI and/or the editor(s). MDPI and/or the editor(s) disclaim responsibility for any injury to people or property resulting from any ideas, methods, instructions or products referred to in the content. |
© 2023 by the authors. Licensee MDPI, Basel, Switzerland. This article is an open access article distributed under the terms and conditions of the Creative Commons Attribution (CC BY) license (https://creativecommons.org/licenses/by/4.0/).
Share and Cite
Prasad, N.; Pardhasaradhi, P.; Madhav, B.T.P.; Das, S.; Awan, W.A.; Hussain, N. Flexible Metamaterial-Based Frequency Selective Surface with Square and Circular Split Ring Resonators Combinations for X-Band Applications. Mathematics 2023, 11, 800. https://doi.org/10.3390/math11040800
Prasad N, Pardhasaradhi P, Madhav BTP, Das S, Awan WA, Hussain N. Flexible Metamaterial-Based Frequency Selective Surface with Square and Circular Split Ring Resonators Combinations for X-Band Applications. Mathematics. 2023; 11(4):800. https://doi.org/10.3390/math11040800
Chicago/Turabian StylePrasad, Nagandla, Pokkunuri Pardhasaradhi, Boddapati Taraka Phani Madhav, Sudipta Das, Wahaj Abbas Awan, and Niamat Hussain. 2023. "Flexible Metamaterial-Based Frequency Selective Surface with Square and Circular Split Ring Resonators Combinations for X-Band Applications" Mathematics 11, no. 4: 800. https://doi.org/10.3390/math11040800
APA StylePrasad, N., Pardhasaradhi, P., Madhav, B. T. P., Das, S., Awan, W. A., & Hussain, N. (2023). Flexible Metamaterial-Based Frequency Selective Surface with Square and Circular Split Ring Resonators Combinations for X-Band Applications. Mathematics, 11(4), 800. https://doi.org/10.3390/math11040800

