Time-Varying Pseudoinversion Based on Full-Rank Decomposition and Zeroing Neural Networks
Abstract
1. Introduction
- A new ZNN model, called ZNNFRDP, for the calculation of the time-varying pseudoinverse based on FRD is introduced and investigated. Keep in mind that ZNNFRDP stands for ZNN model based on FRD for the calculation of pseudoinverse.
- Theoretical analysis supported by five numerical experiments show that the ZNNFRDP model performs as well as, if not better than, other well-performing ZNN models in the computation of the time-varying pseudoinverse.
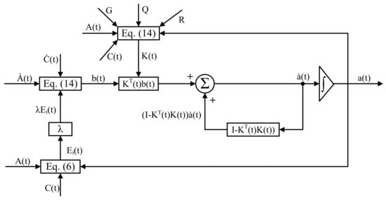
2. Materials and Methods
| Algorithm 1. Matrix Q calculation. |
Require: The number of columns n and rows r of matrix .
Ensure: The matrix Q. |
| Algorithm 2. Matrix G calculation. |
Require: The number of columns n and rows r of matrix .
Ensure: The matrix G. |
| Algorithm 3. Matrix R calculation. |
Require: A real symmetric matrix’s column or row number r.
Ensure: The matrix R. |
3. Results
3.1. Experiment 1
3.2. Experiment 2
3.3. Experiment 3
3.4. Experiment 4
3.5. Experiment 5
4. Discussion
- The convergence of the ZNNFRDP model starts from a non-optimal initial price and converge in a small period of time to the zero matrix.
- The errors caused in the Moore-Penrose equations (i)–(iv) and the and solutions trajectories act consistently due to the EMEGs’ proclivity toward convergence.
- The EMEGs will converge more quickly when the price of the design parameter is greater.
- The ZNNFRDP model performs as well as, if not better than, the ZNNP and ZNNSVDP models.
- In essence, the time-varying pseudoinverses are calculated with exceptional and efficient performance by the ZNNFRDP model.
5. Conclusions
Author Contributions
Funding
Data Availability Statement
Acknowledgments
Conflicts of Interest
References
- Zhang, S.; Dong, Y.; Ouyang, Y.; Yin, Z.; Peng, K. Adaptive neural control for robotic manipulators with output constraints and uncertainties. IEEE Trans. Neural Netw. Learn. Syst. 2018, 29, 5554–5564. [Google Scholar] [CrossRef] [PubMed]
- Mourtas, S.; Katsikis, V.; Kasimis, C. Feedback control systems stabilization using a bio-inspired neural network. EAI Endorsed Trans. AI Robot. 2022, 1, 1–13. [Google Scholar] [CrossRef]
- Yuan, Y.; Wang, Z.; Guo, L. Event-triggered strategy design for discrete-time nonlinear quadratic games with disturbance compensations: The noncooperative case. IEEE Trans. Syst. Man Cybern. Syst. 2018, 48, 1885–1896. [Google Scholar] [CrossRef]
- Yang, X.; He, H. Self-learning robust optimal control for continuous-time nonlinear systems with mismatched disturbances. Neural Netw. 2018, 99, 19–30. [Google Scholar] [CrossRef] [PubMed]
- Mourtas, S.D. A weights direct determination neuronet for time-series with applications in the industrial indices of the federal reserve bank of St. Louis. J. Forecast. 2022, 14, 1512–1524. [Google Scholar] [CrossRef]
- Li, S.; He, J.; Li, Y.; Rafique, M.U. Distributed recurrent neural networks for cooperative control of manipulators: A game-theoretic perspective. IEEE Trans. Neural Netw. Learn. Syst. 2017, 28, 415–426. [Google Scholar] [CrossRef]
- Ben-Israel, A.; Greville, T.N.E. Generalized Inverses: Theory and Applications, 2nd ed.; CMS Books in Mathematics; Springer: New York, NY, USA, 2003. [Google Scholar] [CrossRef]
- Wang, G.; Wei, Y.; Qiao, S.; Lin, P.; Chen, Y. Generalized Inverses: Theory and Computations; Springer: Singapore, 2018; Volume 53. [Google Scholar]
- Tan, N.; Yu, P.; Ni, F. New varying-parameter recursive neural networks for model-free kinematic control of redundant manipulators with limited measurements. IEEE Trans. Instrum. Meas. 2022, 71, 3161713. [Google Scholar] [CrossRef]
- Zhong, N.; Huang, Q.; Yang, S.; Ouyang, F.; Zhang, Z. A varying-parameter recurrent neural network combined with penalty function for solving constrained multi-criteria optimization scheme for redundant robot manipulators. IEEE Access 2021, 9, 50810–50818. [Google Scholar] [CrossRef]
- Kornilova, M.; Kovalnogov, V.; Fedorov, R.; Zamaleev, M.; Katsikis, V.N.; Mourtas, S.D.; Simos, T.E. Zeroing neural network for pseudoinversion of an arbitrary time-varying matrix based on singular value decomposition. Mathematics 2022, 10, 1208. [Google Scholar] [CrossRef]
- Aleskerov, F.; Ersel, H.; Piontkovski, D. Linear Algebra for Economists; Springer Texts in Business and Economics; Springer: Berlin/Heidelberg, Germany, 2011. [Google Scholar] [CrossRef]
- Gupta, A.K. Numerical Methods Using MATLAB; MATLAB solutions series; Apress: Berkeley, CA, USA, 2014. [Google Scholar]
- Katsikis, V.N.; Pappas, D.; Petralias, A. An improved method for the computation of the Moore–Penrose inverse matrix. Appl. Math. Comput. 2011, 217, 9828–9834. [Google Scholar] [CrossRef]
- Stanimirović, P.S.; Roy, F.; Gupta, D.K.; Srivastava, S. Computing the Moore-Penrose inverse using its error bounds. Appl. Math. Comput. 2020, 371, 124957. [Google Scholar] [CrossRef]
- Leithead, W.E.; Zhang, Y. O(N2)-operation approximation of covariance matrix inverse in Gaussian process regression based on quasi-Newton BFGS method. Commun. Stat. Simul. Comput. 2007, 36, 367–380. [Google Scholar] [CrossRef]
- Zhang, Z.; Lu, Y.; Zheng, L.; Li, S.; Yu, Z.; Li, Y. A new varying-parameter convergent-differential neural-network for solving time-varying convex QP problem constrained by linear-equality. IEEE Trans. Autom. Control 2018, 63, 4110–4125. [Google Scholar] [CrossRef]
- Simos, T.E.; Katsikis, V.N.; Mourtas, S.D.; Stanimirović, P.S.; Gerontitis, D. A higher-order zeroing neural network for pseudoinversion of an arbitrary time-varying matrix with applications to mobile object localization. Inf. Sci. 2022, 600, 226–238. [Google Scholar] [CrossRef]
- Zhang, Z.; Zheng, L.; Yu, J.; Li, Y.; Yu, Z. Three recurrent neural networks and three numerical methods for solving a repetitive motion planning scheme of redundant robot manipulators. IEEE/ASME Trans. Mechatron. 2017, 22, 1423–1434. [Google Scholar] [CrossRef]
- Katsikis, V.N.; Mourtas, S.D.; Stanimirović, P.S.; Li, S.; Cao, X. Time-varying mean-variance portfolio selection problem solving via LVI-PDNN. Comput. Oper. Res. 2022, 138, 105582. [Google Scholar] [CrossRef]
- Bai, L.; Zheng, K.; Wang, Z.; Liu, J. Service provider portfolio selection for project management using a BP neural network. Ann. Oper. Res. 2022, 308, 41–62. [Google Scholar] [CrossRef]
- Zhang, Y.; Guo, D.; Li, Z. Common nature of learning between back-propagation and Hopfield-type neural networks for generalized matrix inversion with simplified models. IEEE Trans. Neural Netw. Learn. Syst. 2013, 24, 579–592. [Google Scholar] [CrossRef]
- Lv, X.; Xiao, L.; Tan, Z.; Yang, Z.; Yuan, J. Improved gradient neural networks for solving Moore–Penrose inverse of full-rank matrix. Neural Process. Lett. 2019, 50, 1993–2005. [Google Scholar] [CrossRef]
- Zhang, Y.; Ge, S.S. Design and analysis of a general recurrent neural network model for time-varying matrix inversion. IEEE Trans. Neural Netw. 2005, 16, 1477–1490. [Google Scholar] [CrossRef]
- Chai, Y.; Li, H.; Qiao, D.; Qin, S.; Feng, J. A neural network for Moore-Penrose inverse of time-varying complex-valued matrices. Int. J. Comput. Intell. Syst. 2020, 13, 663–671. [Google Scholar] [CrossRef]
- Sun, Z.; Li, F.; Jin, L.; Shi, T.; Liu, K. Noise-tolerant neural algorithm for online solving time-varying full-rank matrix Moore-Penrose inverse problems: A control-theoretic approach. Neurocomputing 2020, 413, 158–172. [Google Scholar] [CrossRef]
- Wu, W.; Zheng, B. Improved recurrent neural networks for solving Moore-Penrose inverse of real-time full-rank matrix. Neurocomputing 2020, 418, 221–231. [Google Scholar] [CrossRef]
- Zhang, Y.; Yang, Y.; Tan, N.; Cai, B. Zhang neural network solving for time-varying full-rank matrix Moore-Penrose inverse. Computing 2011, 92, 97–121. [Google Scholar] [CrossRef]
- Qiao, S.; Wang, X.Z.; Wei, Y. Two finite-time convergent Zhang neural network models for time-varying complex matrix Drazin inverse. Linear Algebra Its Appl. 2018, 542, 101–117. [Google Scholar] [CrossRef]
- Qiao, S.; Wei, Y.; Zhang, X. Computing time-varying ML-weighted pseudoinverse by the Zhang neural networks. Numer. Funct. Anal. Optim. 2020, 41, 1672–1693. [Google Scholar] [CrossRef]
- Wang, X.; Stanimirovic, P.S.; Wei, Y. Complex ZFs for computing time-varying complex outer inverses. Neurocomputing 2018, 275, 983–1001. [Google Scholar] [CrossRef]
- Zhang, H.; Wan, L. Zeroing neural network methods for solving the Yang-Baxter-like matrix equation. Neurocomputing 2020, 383, 409–418. [Google Scholar] [CrossRef]
- Dai, J.; Yang, X.; Xiao, L.; Jia, L.; Liu, X.; Wang, Y. Design and analysis of a self-adaptive zeroing neural network for solving time-varying quadratic programming. IEEE Trans. Neural Netw. Learn. Syst. 2022, 1–10. [Google Scholar] [CrossRef]
- Dai, J.; Tan, P.; Yang, X.; Xiao, L.; Jia, L.; He, Y. A fuzzy adaptive zeroing neural network with superior finite-time convergence for solving time-variant linear matrix equations. Knowl.-Based Syst. 2022, 242, 108405. [Google Scholar] [CrossRef]
- Xiao, L.; Tan, H.; Dai, J.; Jia, L.; Tang, W. High-order error function designs to compute time-varying linear matrix equations. Inf. Sci. 2021, 576, 173–186. [Google Scholar] [CrossRef]
- Graham, A. Kronecker Products and Matrix Calculus with Applications; Courier Dover Publications: Mineola, NY, USA, 2018. [Google Scholar]
- Liao, B.; Zhang, Y. From different ZFs to different ZNN models accelerated via Li activation functions to finite-time convergence for time-varying matrix pseudoinversion. Neurocomputing 2014, 133, 512–522. [Google Scholar] [CrossRef]
- Wang, X.Z.; Ma, H.; Stanimirović, P.S. Nonlinearly activated recurrent neural network for computing the Drazin inverse. Neural Process. Lett. 2017, 46, 195. [Google Scholar] [CrossRef]
- Xiao, L. A finite-time convergent neural dynamics for online solution of time-varying linear complex matrix equation. Neurocomputing 2015, 167, 254–259. [Google Scholar] [CrossRef]
- Xiao, L. A nonlinearly-activated neurodynamic model and its finite-time solution to equality-constrained quadratic optimization with nonstationary coefficients. Appl. Soft Comput. 2016, 40, 252–259. [Google Scholar] [CrossRef]




Disclaimer/Publisher’s Note: The statements, opinions and data contained in all publications are solely those of the individual author(s) and contributor(s) and not of MDPI and/or the editor(s). MDPI and/or the editor(s) disclaim responsibility for any injury to people or property resulting from any ideas, methods, instructions or products referred to in the content. |
© 2023 by the authors. Licensee MDPI, Basel, Switzerland. This article is an open access article distributed under the terms and conditions of the Creative Commons Attribution (CC BY) license (https://creativecommons.org/licenses/by/4.0/).
Share and Cite
Alharbi, H.; Jerbi, H.; Kchaou, M.; Abbassi, R.; Simos, T.E.; Mourtas, S.D.; Katsikis, V.N. Time-Varying Pseudoinversion Based on Full-Rank Decomposition and Zeroing Neural Networks. Mathematics 2023, 11, 600. https://doi.org/10.3390/math11030600
Alharbi H, Jerbi H, Kchaou M, Abbassi R, Simos TE, Mourtas SD, Katsikis VN. Time-Varying Pseudoinversion Based on Full-Rank Decomposition and Zeroing Neural Networks. Mathematics. 2023; 11(3):600. https://doi.org/10.3390/math11030600
Chicago/Turabian StyleAlharbi, Hadeel, Houssem Jerbi, Mourad Kchaou, Rabeh Abbassi, Theodore E. Simos, Spyridon D. Mourtas, and Vasilios N. Katsikis. 2023. "Time-Varying Pseudoinversion Based on Full-Rank Decomposition and Zeroing Neural Networks" Mathematics 11, no. 3: 600. https://doi.org/10.3390/math11030600
APA StyleAlharbi, H., Jerbi, H., Kchaou, M., Abbassi, R., Simos, T. E., Mourtas, S. D., & Katsikis, V. N. (2023). Time-Varying Pseudoinversion Based on Full-Rank Decomposition and Zeroing Neural Networks. Mathematics, 11(3), 600. https://doi.org/10.3390/math11030600

