Power System Transient Stability Assessment Based on Machine Learning Algorithms and Grid Topology
Abstract
1. Introduction
- Numerical integration of a system of algebraic differential equations, which describe the dynamic behavior of a power system;
- Energy-based analysis (equal area criterion) [9].
2. Literature Review
- Artificial neural networks (ANN);
- Support vector machine (SVM);
- Random forest (RF);
- Ensemble algorithms (EA);
- Deep learning (DL).
- Pre-disturbance active power output of a synchronous generator;
- Voltage at generator bus;
- Impedance between fault location and generator bus;
- Governor control response.
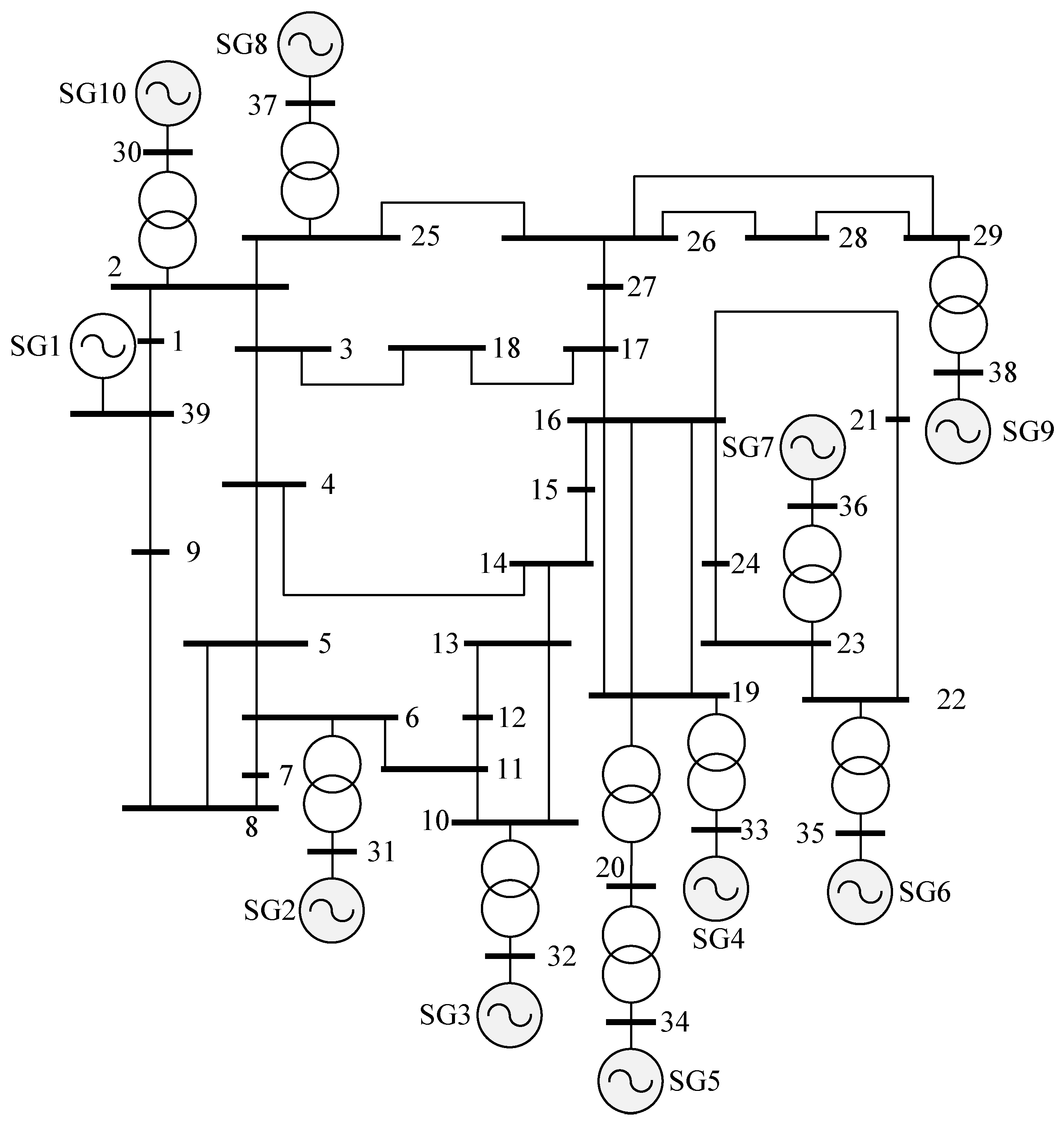
3. Transient Stability Analysis of a Test Power System Model
3.1. Data Sampling
- Power outputs of synchronous generators (nine generators in total; Generator 1 is performing the role of the external power system, and its stability is not taken into account) were varied in the range of 60%, 80%, and 100% of their rated capacity;
- Fault locations (buses): Single-phase, two-phase, and three-phase faults with duration of 0.15 s were simulated in each bus (39 buses in total);
- Topology of the power system: Maintenance of a single line was simulated (37 lines in total), no transformer maintenance was considered.
3.2. The XGBoost Algorithm Learning Results
- L1 regularization, penalty for weight functions (base value of 0): 0.1;
- L2 regularization, penalty for weight functions (base value of 0): 0.2;
- The required minimum decrease of the function in a process of creating a new leaf (base value 0): 0.5;
- The maximum tree depth of the base classification system. This parameter determines complexity of the model and level of retrain (base value 3): 5;
- Base value of probability that a data line corresponds to binary cases; it allows for correction of the dropping accuracy due to class imbalance (base value 0.5): 0.8;
- A basic classificatory number of the composition; it controls complexity of the model: 400;
- Pace of gradient descent; it controls the possibility of losing the local minima: 1;
- Training sample rate; this parameter is selected randomly for training of one tree (base value 1): 0.8.
3.3. The Results of the Random Forest Algorithm Learning
- The number of base classifiers (base value 100): 550;
- Tree depth of a base classifier (base value 1): 3;
- The minimum number of copies of the data required for splitting (base value 2 strings): 0.005;
- The minimum rate of data copies in the leaf (base value 1 string): 0.002;
- Fraction of features in the training sample, chosen randomly for learning of one tree: 0.6;
- Class weights in the importance-graph-described weights are the following: for Class 0, where weight for the Class 1 is constant (base value 1 for every class): 6.
- Selection of a random data set whose target variable is categorical;
- Dividing the data set into training and test parts;
- Calculation of the impurity node of each specific column where it branches. This is determined by calculating the right impurity and the left impurity branching off from the main node;
- Calculating the importance of the column function for this particular decision tree by calculating weighted averages of impurity nodes;
- The obtained values of the importance of the features will be averaged over the number of decision trees constructed. These obtained values of the importance of the features will be the final values in relation to the random forest classifier algorithm;
- The values will be in the range from 0 to 1. This will give a clearer idea of the choice of functions or columns for effective training of the model.
4. A Configuration of the Information-Gathering System for the Transient Stability Analysis of a Power System Based on the Machine Learning
- Calculation results of electromechanical transients obtained from a verified model of the power system. In the practice of managing the modes of power systems, simulation models are used, the parameters of which can be taken from the passports of power equipment or test data. The values of loads, voltage levels, and other parameters of the electrical regime are obtained as a result of the assessment of the condition;
- Data obtained as a result of recordings of real transients occurring in the power system.
5. Results and Discussion
6. Conclusions
Author Contributions
Funding
Data Availability Statement
Conflicts of Interest
References
- Khalyasmaa, A.I.; Senyuk, M.; Eroshenko, S.A. High-Voltage Circuit Breakers Technical State Patterns Recognition Based on Machine Learning Methods. IEEE Trans. Power Deliv. 2019, 34, 1747–1756. [Google Scholar] [CrossRef]
- Wang, H.; Huang, X.; Gao, S.; Yang, Z.; Gao, T.; Zhao, Q.; Ding, H. Electric vehicle charging load clustering and load forecasting based on long short term memory neural network. In Proceedings of the 2022 IEEE 5th International Electrical and Energy Conference (CIEEC), Nangjing, China, 27–29 May 2022; pp. 3196–3200. [Google Scholar]
- Keerthisinghe, C.; Mickelson, E.; Kirschen, D.; Shih, N.; Gibson, S. Improved PV Forecasts for Capacity Firming. IEEE Access 2020, 8, 152173–152182. [Google Scholar] [CrossRef]
- Gelli, R.; Manimaran, G. Anomaly Detection and Mitigation for Wide-Area Damping Control using Machine Learning. In Proceedings of the 2020 IEEE Power & Energy Society General Meeting (PESGM), Montreal, QC, Canada, 2–6 August 2020. [Google Scholar]
- Hong, G.; Kim, Y.S. Supervised Learning Approach for State Estimation of Unmeasured Points of Distribution Network. IEEE Access 2020, 8, 113918–113931. [Google Scholar] [CrossRef]
- Dhibi, K.; Fezai, R.; Mansouri, M.; Trabelsi, M.; Kouadri, A.; Bouzara, K.; Nounou, H.; Nounou, M. Reduced Kernel Random Forest Technique for Fault Detection and Classification in Grid-Tied PV Systems. IEEE J. Photovolt. 2020, 10, 1864–1871. [Google Scholar] [CrossRef]
- De Oliveira-De Jesus, P.M.; Rodriguez, N.A.; Celeita, D.F.; Ramos, G.A. PMU-Based System State Estimation for Multigrounded Distribution Systems. IEEE Trans. Power Syst. 2021, 36, 1071–1081. [Google Scholar] [CrossRef]
- Hong, T.; Chen, C.; Huang, J.; Lu, N.; Xie, L.; Zareipour, H. Guest Editorial Big Data Analytics for Grid Modernization. IEEE Trans. Smart Grid 2016, 7, 2395–2396. [Google Scholar] [CrossRef]
- Kundur, P. Power System Stability and Control; McGraw-Hill, Inc.: New York, NY, USA, 1994. [Google Scholar]
- Glavic, M.; Ernst, D.; Ruiz-Vega, D.; Wehenkel, L.; Pavella, M. E-SIME—A method for transient stability closed-loop emergency control: Achievements and prospects. In Proceedings of the 2007 iREP Symposium—Bulk Power System Dynamics and Control-VII. Revitalizing Operational Reliability, Charleston, SC, USA, 19–24 August 2007; pp. 1–10. [Google Scholar]
- Beryozkina, S.; Senyuk, M.; Berdin, A.; Dmitrieva, A.; Dmitriev, S.; Erokhin, P. The Accelerate Estimation Method of Power System Parameters in Static and Dynamic Processes. IEEE Access 2022, 10, 61522–61529. [Google Scholar] [CrossRef]
- Dabou, R.T.; Kamwa, I.; Chung, C.; Mugombozi, C.F. Time Series-Analysis Based Engineering of High-Dimensional Wide-Area Stability Indices for Machine Learning. IEEE Access 2021, 9, 104927–104939. [Google Scholar] [CrossRef]
- Chen, K. Indirect PCA Dimensionality Reduction Based Machine Learning Algorithms for Power System Transient Stability Assessment. In Proceedings of the 2019 IEEE Innovative Smart Grid Technologies—Asia (ISGT Asia), Chengdu, China, 21–24 May 2019; pp. 4175–4179. [Google Scholar]
- Mi, D.; Wang, T.; Gao, M.; Li, C.; Wang, Z. Online transient stability margin prediction of power systems with wind farms using ensemble regression trees. Int. Trans. Electr. Energ. Syst. 2021, 31, e13057. [Google Scholar] [CrossRef]
- Liu, T.; Liu, Y.; Xu, L.; Liu, J.; Mitra, J.; Tian, Y. Non-parametric statistics-based predictor enabling online transient stability assessment. IET Gener. Transm. Distrib. 2018, 12, 5761–5769. [Google Scholar] [CrossRef]
- Sarajcev, P.; Kunac, A.; Petrovic, G.; Despalatovic, M. Power System Transient Stability Assessment Using Stacked Autoencoder and Voting Ensemble. Energies 2021, 14, 3148. [Google Scholar] [CrossRef]
- Amjady, N.; Ehsan, M. Transient stability assessment of power systems by a new estimating neural network. Can. J. Electr. Comput. Eng. 1997, 22, 131–137. [Google Scholar] [CrossRef]
- Hou, J.; Xie, C.; Wang, T.; Yu, Z.; Lü, Y.; Dai, H. Power System Transient Stability Assessment Based on Voltage Phasor and Convolution Neural Network. In Proceedings of the 2018 IEEE International Conference on Energy Internet (ICEI), Beijing, China, 21–25 May 2018; pp. 247–251. [Google Scholar]
- Zhou, Y.; Zhao, W.; Guo, Q.; Sun, H.; Hao, L. Transient Stability Assessment of Power Systems Using Cost-sensitive Deep Learning Approach. In Proceedings of the 2018 2nd IEEE Conference on Energy Internet and Energy System Integration (EI2), Beijing, China, 20–22 October 2018; pp. 1–6. [Google Scholar] [CrossRef]
- Shinde, B.; Wang, S.; Dehghanian, P.; Babakmehr, M. Real-Time Detection of Critical Generators in Power Systems: A Deep Learning HCP Approach. In Proceedings of the 2020 IEEE Texas Power and Energy Conference (TPEC), College Station, TX, USA, 6–7 February 2020; pp. 1–6. [Google Scholar]
- Shao, D.; Xu, Y.; Ma, S.; Jing, Y.; Sun, W.; Zhou, T.; Yang, J. Transient Stability Assessment Method for Power System Based on SVM with Adaptive Parameters Adjustment. In Proceedings of the 2021 IEEE 4th International Electrical and Energy Conference (CIEEC), Wuhan, China, 28–30 May 2021; pp. 1–6. [Google Scholar]
- Moulin, L.S.; da Silva, A.; El-Sharkawi, M.; Marks, R.J. Support vector machines for transient stability analysis of large-scale power systems. IEEE Trans. Power Syst. 2004, 19, 818–825. [Google Scholar] [CrossRef]
- Wang, B.; Fang, B.; Wang, Y.; Liu, H.; Liu, Y. Power System Transient Stability Assessment Based on Big Data and the Core Vector Machine. IEEE Trans. Smart Grid 2016, 7, 2561–2570. [Google Scholar] [CrossRef]
- Mukherjee, R.; De, A. Development of an Ensemble Decision Tree-Based Power System Dynamic Security State Predictor. IEEE Syst. J. 2020, 14, 3836–3843. [Google Scholar] [CrossRef]
- Baltas, N.G.; Mazidi, P.; Ma, J.; de Asis Fernandez, F.; Rodriguez, P. A Comparative Analysis of Decision Trees, Support Vector Machines and Artificial Neural Networks for On-line Transient Stability Assessment. In Proceedings of the 2018 International Conference on Smart Energy Systems and Technologies (SEST), Seville, Spain, 10–12 September 2018; pp. 1–6. [Google Scholar]
- Amraee, T.; Ranjbar, S. Transient Instability Prediction Using Decision Tree Technique. IEEE Trans. Power Syst. 2013, 28, 3028–3037. [Google Scholar] [CrossRef]
- Azman, S.K.; Isbeih, Y.; Moursi, M.; Elbassioni, K. A Unified Online Deep Learning Prediction Model for Small Signal and Transient Stability. IEEE Trans. Power Syst. 2020, 35, 4585–4598. [Google Scholar] [CrossRef]
- Hang, F.; Huang, S.; Chen, Y.; Mei, S. Power system transient stability assessment based on dimension reduction and cost-sensitive ensemble learning. In Proceedings of the 2017 IEEE Conference on Energy Internet and Energy System Integration (EI2), Beijing, China, 26–28 November 2017; pp. 1–6. [Google Scholar]
- Li, N.; Li, B.; Gao, L. Transient Stability Assessment of Power System Based on XGBoost and Factorization Machine. IEEE Access 2020, 8, 28403–28414. [Google Scholar] [CrossRef]
- Chen, T.; Guestrin, C. XGBoost: A Scalable Tree Boosting System; Krishnapuram, B.; Shah, M.; Smola, A.J.; Aggarwal, C.C.; Shen, D.; Rastogi, R., Eds. In Proceedings of the 22nd ACM SIGKDD International Conference on Knowledge Discovery and Data Mining, San Francisco, CA, USA, 13–17 August 2016. [Google Scholar]
- Zhang, N.; Qian, H.; He, Y.; Li, L.; Sun, C. A Data-Driven Method for Power System Transient Instability Mode Identification Based on Knowledge Discovery and XGBoost Algorithm. IEEE Access 2021, 9, 154172–154182. [Google Scholar] [CrossRef]
- Liu, X.; Min, Y.; Chen, L.; Zhang, X.; Feng, C. Data-driven Transient Stability Assessment Based on Kernel Regression and Distance Metric Learning. J. Mod. Power Syst. Clean Energy 2021, 9, 27–36. [Google Scholar] [CrossRef]
- Li, X.; Liu, C.; Guo, P.; Liu, S.; Ning, J. Deep learning-based transient stability assessment framework for large-scale modern power system. Int. J. Electr. Power Energy Syst. 2022, 139, 108010. [Google Scholar] [CrossRef]
- Subrahmanyam, V.S.; Jain, S.; Narayanan, G. Real-time Simulation of IEEE 10-Generator 39-Bus System with Power System Stabilizers on Miniature Full Spectrum Simulator. In Proceedings of the 2019 IEEE International Conference on Sustainable Energy Technologies and Systems (ICSETS), Bhubaneswar, India, 26 February–1 March 2019; pp. 161–166. [Google Scholar]
- Zhao, J.; Gómez-Expósito, A.; Netto, M.; Mili, L.; Abur, A.; Terzija, V.; Kamwa, I.; Pal, B.; Singh, A.K.; Qi, J.; et al. Power System Dynamic State Estimation: Motivations, Definitions, Methodologies, and Future Work. IEEE Trans. Power Syst. 2019, 34, 3188–3198. [Google Scholar] [CrossRef]
- Senyuk, M.; Safaraliev, M.; Gulakhmadov, A.; Ahyoev, J. Application of the Conditional Optimization Method for the Synthesis of the Law of Emergency Control of a Synchronous Generator Steam Turbine Operating in a Complex-Closed Configuration Power System. Mathematics 2022, 10, 3979. [Google Scholar] [CrossRef]








| Algorithm | Advantages | Disadvantages |
|---|---|---|
| ANN [17] | Short time response | Time-consuming learning procedures |
| SVM [21,22,23] | Short time response | Sensitivity to noise in the input data, no automatic selection of the algorithm core |
| RF [24,25,26] | Parallel calculations, simple adjustment | Proneness to re-learning |
| EA [27,28,29] | Short time response | Large amounts of data are required |
| XGBoost [30] | Short time response, high accuracy | Large amounts of data are required |
| DL [33] | Ability to create new functions from a limited set of functions, the ability to identify the most important functions | Complexity of interpretation of the results obtained, high resource intensity |
| No | Name | Description |
|---|---|---|
| Features | ||
| 1 | f1 | Maintenance of Line 1–2 (values: 1 or 0) |
| 2 | f2 | Maintenance of Line 2–3 (values: 1 or 0) |
| 37 | f37 | Maintenance of Line 39–1 (values: 1 or 0) |
| 38 | f38 | Active power outputs of Generators SG 2–10 (values: 0.6, 0.8, or 1) |
| 39 | f39 | Fault at Bus 2 (values: 1 or 0) |
| 77 | f77 | Fault at Bus 38 (values: 1 or 0) |
| 78 | f78 | Single-phase fault (values: 1 or 0) |
| 79 | f79 | Two-phase fault (values: 1 or 0) |
| 80 | f80 | Three-phase fault (values: 1 or 0) |
| 81 | f81 | Pre-disturbance load angle of Generator SG 2 (values: from 0 to 180) |
| 90 | f90 | Pre-disturbance load angle of Generator SG 10 (values: from 0 to 180) |
| 91 | f91 | Pre-disturbance voltage of stator winding of Generator SG 2 (values: from 0.5 to 1.2 from rated voltage) |
| 100 | f100 | Pre-disturbance voltage of stator winding of Generator SG 10 (values: from 0.5 to 1.2 from rated voltage) |
| Target | ||
| 1 | t | Transient stability of Generators SG 2–10 (values: 1 or 0) |
| Parameter | XGBoost | Random Forest |
|---|---|---|
| Accounting for power system topology | ||
| Accuracy | 0.915 | 0.816 |
| Average accuracy between classes | 0.864 | 0.744 |
| Precision | 0.898 | 0.847 |
| Recall | 0.858 | 0.851 |
| Not accounting for power system topology | ||
| Accuracy | 0.806 | 0.801 |
| Average accuracy between classes | 0.817 | 0.711 |
| Precision | 0.815 | 0.816 |
| Recall | 0.824 | 0.801 |
Disclaimer/Publisher’s Note: The statements, opinions and data contained in all publications are solely those of the individual author(s) and contributor(s) and not of MDPI and/or the editor(s). MDPI and/or the editor(s) disclaim responsibility for any injury to people or property resulting from any ideas, methods, instructions or products referred to in the content. |
© 2023 by the authors. Licensee MDPI, Basel, Switzerland. This article is an open access article distributed under the terms and conditions of the Creative Commons Attribution (CC BY) license (https://creativecommons.org/licenses/by/4.0/).
Share and Cite
Senyuk, M.; Safaraliev, M.; Kamalov, F.; Sulieman, H. Power System Transient Stability Assessment Based on Machine Learning Algorithms and Grid Topology. Mathematics 2023, 11, 525. https://doi.org/10.3390/math11030525
Senyuk M, Safaraliev M, Kamalov F, Sulieman H. Power System Transient Stability Assessment Based on Machine Learning Algorithms and Grid Topology. Mathematics. 2023; 11(3):525. https://doi.org/10.3390/math11030525
Chicago/Turabian StyleSenyuk, Mihail, Murodbek Safaraliev, Firuz Kamalov, and Hana Sulieman. 2023. "Power System Transient Stability Assessment Based on Machine Learning Algorithms and Grid Topology" Mathematics 11, no. 3: 525. https://doi.org/10.3390/math11030525
APA StyleSenyuk, M., Safaraliev, M., Kamalov, F., & Sulieman, H. (2023). Power System Transient Stability Assessment Based on Machine Learning Algorithms and Grid Topology. Mathematics, 11(3), 525. https://doi.org/10.3390/math11030525

