Next Article in Journal
A Hybrid Multitask Learning Framework with a Fire Hawk Optimizer for Arabic Fake News Detection
Next Article in Special Issue
Determining Unintentional Island Threshold to Enhance the Reliability in an Electrical Distribution Grid
Previous Article in Journal
Estimating the Risk of Contracting COVID-19 in Different Settings Using a Multiscale Transmission Dynamics Model
 
 
Font Type:
Arial Georgia Verdana
Font Size:
Aa Aa Aa
Line Spacing:
Column Width:
Background:
Article

Evaluation of the Fast Synchrophasors Estimation Algorithm Based on Physical Signals

1
Department of Automated Electrical Systems, Ural Federal University, 620002 Yekaterinburg, Russia
2
College of Computer Science and Information System, Najran University, Najran 1988, Saudi Arabia
3
Department of Electrical Engineering, Canadian University Dubai, Dubai 117781, United Arab Emirates
*
Author to whom correspondence should be addressed.
Mathematics 2023, 11(2), 256; https://doi.org/10.3390/math11020256
Submission received: 20 November 2022 / Revised: 28 December 2022 / Accepted: 29 December 2022 / Published: 4 January 2023
(This article belongs to the Special Issue Modeling, Simulation, and Analysis of Electrical Power Systems)

Abstract

The goal of this study is to evaluate the performance of the fast algorithm for synchrophasor estimation proposed on the basis of a physical system. The test system is represented by a physical model of a power system with four synchronous generators (15 and 5 kVA). Three synchronous machines represent steam turbine generators, while the fourth machine represents a hydro generator. The proposed method of accuracy assessment is based on comparison of the original and the recovered signals, using values of amplitude and phase angle. The experiments conducted in the study include three-phase faults, two-phase faults and single-phase faults at various buses of the test model. Functional dependencies of initial signal standard deviation from the recovered signal are obtained, as well as those for sampling rate and window width. Based on the results, the following requirements for measurement system and window width are formulated: sampling rate of analog-to-digital converter should be 10 kHz; and window width should start from 5 ms. In addition, the fast algorithm of synchrophasor estimation was tested on event recorder signals. The sampling rate of these signals was 2 kHz. Acceptable window width for event recorder signals is 8 ms. The algorithm was implemented using programming language Python 3 for the testing purposes. The proposed fast algorithm of synchrophasor estimation can be applied in methods for emergency control and equipment state monitoring with short time response.

1. Introduction

Phasor measurement units (PMU) are important in control and modelling of modern power systems. Creation of the PMU had become possible due to launch of the global positioning system (GPS), increased computational capabilities, and development of digital processing algorithms, namely those for current and voltage [1]. The first prototype was built and tested at the Virginia Polytechnic Institute and State University in 1980s [1], with support from the US government and the National Science Foundation. Synchrophasors estimation was carried out using the discrete Fourier transform (DFT).
PMUs attracted a widespread interest in terms of solving practical problems of power system control, as well as in academic studies due to their high accuracy of measurements synchronization and high sampling rate of synchrophasors estimation. The main applications of PMUs include:
  • Monitoring of power system operation [2];
  • State estimation [3];
  • Dynamic state estimation [4];
  • Estimation of power system parameters [5];
  • Low frequency oscillation analysis [6];
  • Emergency control [7];
  • Estimation of inertia constant [8];
  • Event detection [9];
  • Stability analysis [10];
  • Signal selection and design of Automatic Voltage Regulator (AVR) and Power System Stabilizer (PSS) [11];
  • Control and operation of isolate power systems [12].
Modern PMUs are one of the primary tools of dynamic analysis of low-inertia power systems with integrated renewable energy sources (RES). Decommissioning of conventional fossil fuel generation results in decreased inertia of a power system, which in turn is caused by a decrease in the total amount of rotating masses represented by rotor of synchronous machines. At the same time, a significant amount of zero-inertia RES-based generation is being incorporated. As a result, the time of electromechanical transients decreases and leads to inaccurate operation of traditional protection and control devices. The problem of decreased inertia of a power system is solved by means of synthetic inertia [13]. Updates in dynamic behavior of modern power systems promote development of new PMU-based algorithms and provide both numerical values of estimation accuracy and minimal time response [14].
The purpose of this study is to evaluate the fast algorithm of synchrophasor estimation proposed in [15]. The evaluation is based on a real-life physical model of a power system, and those from event recorders installed on a substation in a Russian power system. As a result, the optimal settings of the synchrophasors estimation algorithm and sampling rate of instantaneous currents and voltages are found.
The paper is organized as follows. In Section 1, we introduce and describe the study. Section 2 is devoted to a review of modern literature on PMU-based algorithms. Section 3 describes the proposed modification of the algorithm in [15]. The evaluation on a physical model is presented in Section 4. Section 5 contains results of the testing based on event recorder data. The program implementation of the fast algorithm of synchrophasor estimation is described in Section 6. A concluding summary of the study and further research prospects are presented in Section 7.
This paper extends the results established in [15] as follows:
  • A novel algorithm for correction of the basic angular velocity is proposed;
  • A new method for estimating the accuracy of determining the synchrophasor in the absence of reference values is proposed;
  • Testing was performed on a physical model of the power system;
  • Algorithms for estimating synchrophasors are implemented in Python 3 programming language.
The main scientific contribution of the study is to determine the optimal width of the window of the algorithm for accelerated identification of synchrophasors proposed in [15]. In particular, the optimal window is derived for currents and voltages of physical signals that are obtained in the electrodynamic model of the power system. Determining the value of the calculation window on physical signals allows us to demonstrate the applicability of the algorithm [15] in the conditions of noise, outliers and asymmetry of the original data. Moreover, an enhancement of the algorithm [15] for operation under conditions of a significant deviation of the frequency of alternating current is provided.

2. Literature Review

Algorithms of synchrophasor estimation are key elements of modern PMUs. Accuracy and adequacy of power system control actions depend on parameters and mathematical basis of an algorithm. Hence, the algorithm used by a PMU should provide fast time response, rated accuracy of synchrophasors estimation and reliability, i.e., ability to avoid estimates when the algorithm is not stable enough.
The majority of existing algorithms of synchrophasors estimation can be divided into two types:
  • Static mode algorithms: synchrophasors estimation is possible in steady state only (constant frequency);
  • Dynamic mode algorithms: synchrophasors estimation is possible in both steady state and transient states (variable frequency).
The first type of the algorithms include: DFT, interpolated discrete Fourier transform (IpDFT) and fast Fourier transform (FFT).
The second type of the algorithms are the following: least squares (LS), weighted least squares (WLS), Taylor–Fourier transform (TFT), Hilbert transform (HT), Prony method (MP), digital filtering and discrete wavelet transform (DWT).
The classification of synchrophasor estimation algorithms is shown on Figure 1.
DFT, IpDFT and FFT were some of the first algorithms applied in PMUs [16,17,18,19,20,21,22,23,24]. DFT-based algorithms are simple, fast and reliable. Most often the sliding window with width of full cycle (50 or 60 Hz) is used in DFT. Frequency deviation from the nominal value leads to spectrum shifting and rapid drop of synchrophasor estimation accuracy. IpDFT was developed in order to overcome this obstacle. Spectral leakage is compensated by interpolation of the DFT results using fundamental frequency of a signal. There exist several forms of FDT in literature. However, the most effective are those based on the half-cycle [25], although even these types of algorithms are highly sensitive to noise and higher harmonics.
The need to estimate synchrophasors in dynamic conditions of power system operations has facilitated the development of algorithms that are not based on the assumption that parameters of the signal under analysis are constant. LS and WLS were two of the first algorithms to estimate dynamically changing synchrophasors [26,27]. These algorithms are simple and reliable. However, requirement to choose a model of signal variation and existence of higher harmonics can make these algorithms more difficult to use. The TFT algorithm has been widely used in synchrophasors estimation [28]. Time-domain based estimation and high accuracy in dynamic conditions can be achieved using this algorithm. However, the major drawback is its high computational costs. The HT can also be used to estimate synchrophasors in dynamic modes of operation [29]. This algorithm is based on orthogonal decomposition of a signal with further calculation of amplitude and phase. The sliding window of significant width (starting from several cycles) is needed for effective operation of the HT. The MP is used to estimate synchrophasors in [30]. A great number of algorithms aimed at estimation of synchrophasors in dynamic conditions are based on digital filters [31]. Moreover, the Kalman filter is observed to be used [32]. In [15] the fast algorithm of synchrophasors estimation was used in dynamic conditions of power system operation. It was shown in [14] that the required accuracy can be ensured with window width starting from 3 ms and sampling rate starting from 5 kHz.
Table 1 shows the comparison of the considered algorithms for synchrophasors estimation.
The above methods for synchrophasor estimation have several advantages and disadvantages. In dynamic conditions, the main drawback of these algorithms is related to the use of window width from one to several cycles. It can be negated by means of using the fast algorithm of synchrophasor estimation [15].

3. The Algorithm for Synchrophasor Estimation in Dynamic Conditions

The algorithm for synchrophasor estimation, which was proposed in [15], is based on the orthogonal decomposition using sliding windows. Dynamic model of a signal is given by the equation:
x ( t ) = a 0 ( t ) + a ( t ) · sin ( w · t ) + b ( t ) · cos ( w · t ) ,
where x(t) is signal value, a0(t) is constant component of a signal, a(t) is sine factor, b(t) is cosine factor, w is the basic angular velocity of the signal.
The factors of the model (1) are found by using the LS approximation. Amplitude and phase of the signal are estimated using the factor values obtained in (1):
A ( t ) = a 0 ( t ) + a ( t ) 2 + b ( t ) 2 ,
φ ( t ) = a r c s i n a ( t ) a ( t ) 2 + b ( t ) 2 ,
where A(t) is amplitude, φ(t) is phase. The frequency is found by numerical differentiation of the phase signal.
The procedure of angular velocity correction is used in order to prevent an increase in the synchrophasor estimation error in dynamic conditions (Figure 2). The correction of angular velocity boils down to replacement of basic angular velocity value in (1) by the value that was obtained in the previous cycle as a result of synchrophasor estimation.
The algorithm for the correction of the value of w is as follows:
  • The initial value for w is set according to the value of the AC frequency at 50 Hz;
  • For a given value of the calculation window, the coefficients of the expression (1) are calculated;
  • The calculated values of expression (1) are used to find the amplitude, phase and frequency of the signal;
  • In the next calculation cycle, the value of w is calculated based on the frequency value obtained in the previous cycle.
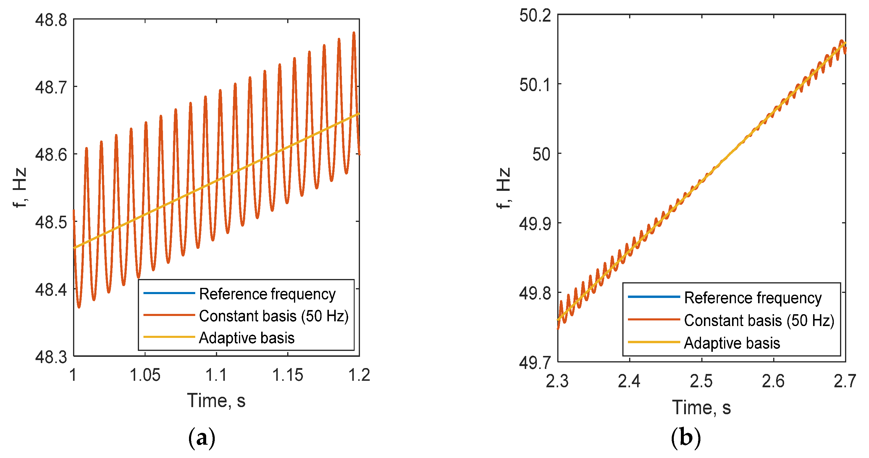
Comparison of the frequency values obtained by using the constant basis for the fundamental frequency of 50 Hz and using the adaptive basis in (1), respectively, are shown in Figure 3. The signal with incremental frequency increase from 47.5 Hz to 51.5 Hz and frequency increase rate of 1 Hz/s was used as the test frequency.
The use of constant basic angular velocity results in oscillations of phase, amplitude and instantaneous frequency. Oscillation magnitudes increase along with an increase in frequency deviation from the fundamental value (50 Hz). Accuracy of synchrophasor estimation is evaluated without available benchmark signal values (when it is impossible to calculate total vector error). For this purpose, a new approach is proposed based on the static analysis of deviation of the original signal using the following equation:
x r e c ( t ) = x 0 ( t ) + A ( t ) · sin ( φ ( t ) ) ,
where xrec(t) is the value of the recovered signal at time t.
An example of the current signal recovery is shown in Figure 4. The signal is obtained as a result of transient simulation on the physical model of power system. The difference between the initial and the recovered signals is denoted by «∆», while the instantaneous current signal is denoted by «i».
It is observed that the difference «∆» does not exceed 1 A for the signal under consideration. The proposed signal recovery procedure allows us to evaluate the accuracy of calculating synchrophasors of physical signals for which there are no reference values. This procedure allows us to configure the algorithm for estimating the synchrophasor and evaluate the effect of distortions in the shape of the curve of the source data.

4. Results of Testing on a Real-Life Physical Model of a Power System

The fast algorithm of synchrophasors estimation was tested using signals of current and voltage from stator windings of synchronous machines. These signals were obtained during transient tests on a physical model of a power system. The analog-to-digital converter (ADC) with sampling rate of 60 kHz was used to obtain data sets with different sampling rates. After applying multiple decimation, the range of sampling rate values was expanded to 5, 10, 15, 20, 30, and 60 kHz.

4.1. Description of the Real-Life Physical Model of a Power System

The physical model of a power system [33] includes synchronous machines, loads, transmission lines, power electronics units and control devices. Photos of the model are presented on Figure 5. A detailed description of the experimental setup and the measurement system is given in [34].
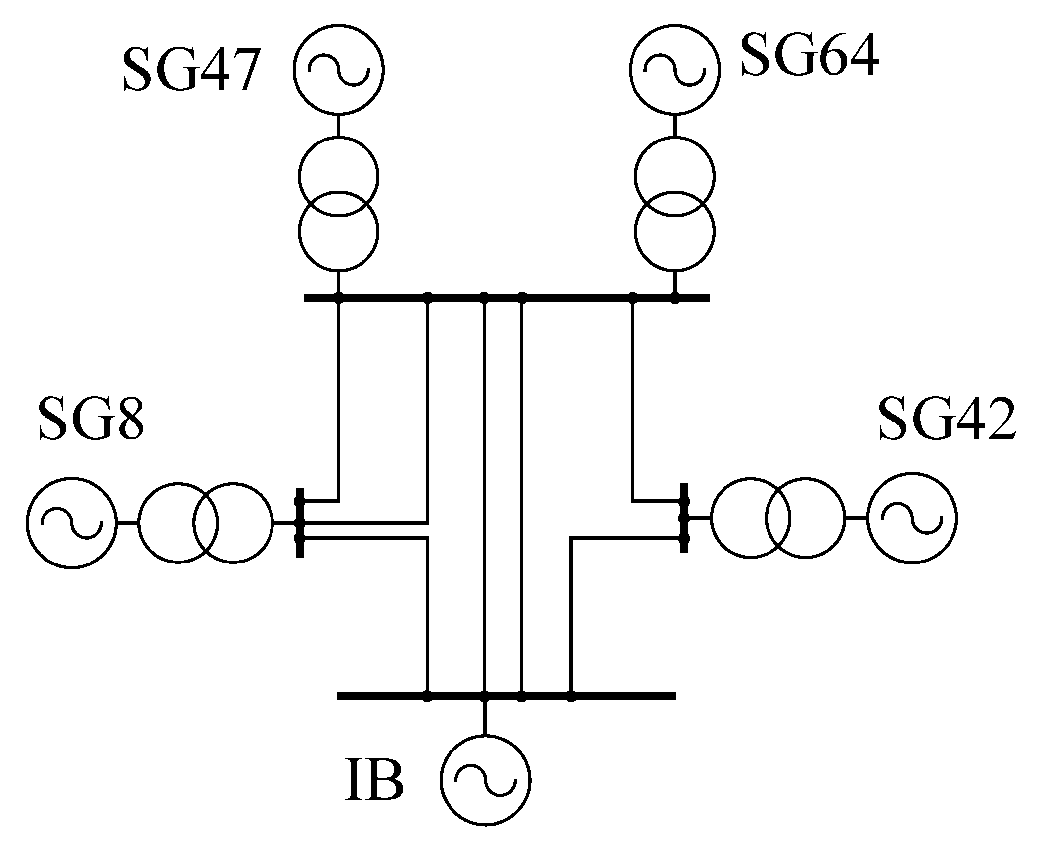
The evaluation of the fast algorithm for synchrophasor estimation [15] was carried out using the prepared 4-machine model of power system including infinite bus (IB) (Figure 6). The parameters of synchronous generators (SG) are shown in Table 2.
The following notation is used in the tables:
  • Srated—Rated apparent power capacity of a machine;
  • cos(φrated)Power factor;
  • Urated—Rated voltage;
  • Irated—Rated stator winding current;
  • Zbase—Base impedance.
Total harmonic distortion (THD) was used to evaluate the distortions of a signal in steady state. The derived values of THD and non-symmetry factor for negative (K2U) and zero sequences (K0U), respectively, are shown in Table 3.
Examples of phase and line-to-line voltages combined with approximation sine wave are shown in Figure 7.
It can be seen from Table 3 and Figure 7 that distortion of phase voltage is almost 20 times lower than that of line-to-line voltage. Therefore, it is recommended to use line-to-line voltages to estimate instantaneous frequency values.

4.2. The Results of Testing the Fast Algorithm for Synchrophasors Estimation

Figure 8 shows the distribution of root mean square (RMS) value for the difference between the original and recovered signals. It was done in relation to window width and sampling rate of initial data for the post-emergency state for the SG 42 after close three-phase fault.
It is observed that using a sampling rate of 10 kHz and higher, the impact of the difference between the original and restored signals on RMS is not essential for all conducted experiments. As a result, application of the proposed algorithm for fast synchrophasor estimation is possible with a data sampling rate of 10 kHz or higher.
Figure 9 describes the results of signal processing that were obtained from testing a two-phase fault near SG 42. The minimum SD value of difference between the original and the restored signals for simulated events related to SG 42 is equal to window width of 3 ms. The «i» is the instantaneous current value, «u» is the instantaneous voltage value.
Table 4 shows the results of signal processing for several experiments that were conducted on the physical model of the power system. The following designations are used in Table 4: NS is Normal state; ES is Emergency state; PES is Post emergency state; K(3) is three-phase fault; K(2) is two-phase fault; and K(1) is single-phase fault.
Values of window width and sampling rate that provide SD equal to 10% and 5% are calculated. In case the required accuracy is not obtainable, the table cell is indicated with «–». The calculated value of SD is shown in brackets. It is found that the acceptable sampling rate is 10 kHz in all conducted experiments for SG 64, 47, 42 and 8. In addition, acceptable window width depends on the requirements of signal recovery. This value is in the range from 2 to 12 ms when SD = 5%, and in the range from 2 to 10 ms when SD = 10%.
The requirements for the window width parameter estimation method and sampling rate of primary analog measurements are set based on the results of experiments. Moreover, it was observed that the window width should change in line with the parameters of SG operation states.

5. The Results of the Experiments Based on the Signals Obtained from Event Recorders

The fast algorithm for estimating the synchrophasors of current and voltage [15] was tested using the data from event recorders. The sampling rate for initial data was 2 kHz. Table 5 shows the test results with values of window width providing minimum difference between the original and the restored signals. Figure 10 describes the results of voltage synchrophasor estimation, where «u» denotes the signal of instantaneous voltage and «p.u.» denotes the per unit.
Next, the sampling rate is set at 2 kHz. This particular value was chosen to analyze the accuracy of synchrophasors estimation using event recorder signals. The event recorder data show that the acceptable window width starts from 8 ms.

6. Implementation of the Synchrophasor Estimation Algorithm

The fast algorithm for synchrophasor estimation of currents and voltages was implemented using Python 3 programming language with the following libraries:
  • PyQt5—graphical user interface;
  • Matplotlib—visualization and plots;
  • Requests—database exchange via Rest API;
  • Xlwt—export to Microsoft Excel;
  • Pandas, scipy—algorithms and calculations.
A snapshot of the main window of the developed program is shown in Figure 11, along with the results of the voltage synchrophasor estimation.
The following functions were implemented:
  • Removal of outliers in original signals using the model filter;
  • Estimation of inception and ending of an electromagnetic transient [35];
  • Estimation of synchrophasors of currents and voltages;
  • Calculation of instantaneous frequency;
  • Calculation of active and reactive power values;
  • Calculation of load angle of a synchronous machine.
The software implementation requires the following minimum criteria: Processor Intel (R) Core (TM) i5-4670K CPU @ 2.90 GHz or better. In case of availability of multiple processing cores, the computing times can be improved using parallel processing.
Comparison of computational delays of one calculation iteration is shown in Figure 12. A computer with the following parameters is used: processor Intel (R) Core (TM) i7-7700T 2.90 GHz and 16.0 Gb RAM.
Calculation of non-filter signal parameters was done for the purpose of comparison. It can be seen that computer parameters have a huge impact on the computational delay. Note that computational delays on more capable computers are 3–10 times less than those of less effective computers.

7. Conclusions

This study presents the results of testing the fast algorithm for synchrophasor estimation using a real-life power system and the corresponding event recorders. It was shown that a sampling rate of 10 kHz is enough to ensure acceptable accuracy of synchrophasors estimation. In addition, the acceptable window width is less than 10 ms for all conducted experiments with SD value limited to 10%. The results of the experiments can be used to develop promising devices of power system protection and control, such as adaptive protection devices, and closed-loop emergency control devices with real time detection capabilities. In addition, fast estimation of synchrophasors of current and voltage can be used to ensure highly accurate estimation of equivalent circuit parameters for equipment state monitoring, as well as the automation of technological processes and actions.
Based on the results of this study, the following set of recommendations is formulated for the application of the accelerated synchrophasor estimation algorithm:
  • The optimal sampling rate is 10 kHz;
  • The value of the calculation window depends on the degree of signal distortion and starts from 8 ms;
  • The computational delay of the synchrophasor estimation algorithm depends directly on the performance of the processor.
The next step in research is the development of a PMU based on the above fast estimation algorithm. This prototype is planned to be tested both on the Real-Time Digital Simulator and the physical model of power system. The proposed algorithm for estimating synchrophasors of currents and voltages is planned to be used for an adaptive algorithm for emergency control of power system modes [36,37,38].

Author Contributions

Conceptualization, M.S. (Mihail Senyuk); Formal analysis, K.R. and F.K.; Funding acquisition, K.R. and F.K.; Investigation, M.S. (Mihail Senyuk) and F.K.; Methodology, K.R. and M.S. (Murodbek Safaraliev). Project administration, F.K.; Resources, M.S. (Mihail Senyuk). Software, M.S. (Mihail Senyuk). Supervision, K.R. and M.S. (Murodbek Safaraliev). Visualization, M.S. (Murodbek Safaraliev). Writing—original draft, M.S. (Mihail Senyuk). Writing—review and editing, M.S. (Murodbek Safaraliev). All authors have read and agreed to the published version of the manuscript.

Funding

This research received no external funding.

Data Availability Statement

Conflicts of Interest

The authors declare no conflict of interest.

Abbreviations

AbbreviationMeaning
ADCAnalog-to-digital converter
AVRAutomatic voltage regulator
DFTDiscrete Fourier transform
DWTDiscrete wavelet transform
ESEmergency state
FFTFast Fourier transform
GPSGlobal positioning system
HTHilbert transform
IBInfinite bus
IpDFTInterpolated discrete Fourier transform
LSLeast squares
MPProny method
NSNormal state
PESPost-emergency state
PMUPhasor measurement unit
PSSPower system stabilizer
RESRenewable energy sources
RMSRoot mean square
SDStandard deviation
SGSynchronous generator
TFTTaylor–Fourier transform
THDTotal harmonic distortion
WLSWeighted least squares

References

  1. Phadke, A. Synchronized phasor measurements-a historical overview. Transm. Distrib. Conf. Exhib. Asia Pac. IEEE/PES IEEE 2003, 1, 476–479. [Google Scholar] [CrossRef]
  2. Sufyan, M.A.A.; Zuhaib, M.; Anees, M.A.; Khair, A.; Rihan, M. Implementation of PMU-Based Distributed Wide Area Monitoring in Smart Grid. IEEE Access 2021, 9, 140768–140778. [Google Scholar] [CrossRef]
  3. Kiio, M.N.; Wekesa, C.W.; Kamau, S.I. Evaluating Performance of a Linear Hybrid State Estimator Utilizing Measurements From RTUs and Optimally Placed PMUs. IEEE Access 2022, 10, 63113–63131. [Google Scholar] [CrossRef]
  4. Shalini; Samantaray, S.R.; Sharma, A. Enhancing Performance of Wide-Area Back-Up Protection Scheme Using PMU Assisted Dynamic State Estimator. IEEE Trans. Smart Grid 2019, 10, 5066–5074. [Google Scholar] [CrossRef]
  5. Wang, C.; Centeno, V.A.; Jones, K.D.; Yang, D. Transmission Lines Positive Sequence Parameters Estimation and Instrument Transformers Calibration Based on PMU Measurement Error Model. IEEE Access 2019, 7, 145104–145117. [Google Scholar] [CrossRef]
  6. Meng, Y.; Yu, Z.; Lu, N.; Shi, D. Time Series Classification for Locating Forced Oscillation Sources. IEEE Trans. Smart Grid 2021, 12, 1712–1721. [Google Scholar] [CrossRef]
  7. Tealane, M.; Kilter, J.; Popov, M.; Bagleybter, O.; Klaar, D. Online Detection of Out-of-Step Condition Using PMU-Determined System Impedances. IEEE Access 2022, 10, 14807–14818. [Google Scholar] [CrossRef]
  8. AbolhasaniJabali, M.; Kazemi, M.H. Estimation of inertia constant of Iran power grid using the largest simulation model and PMU data. In Proceedings of the 2016 24th Iranian Conference on Electrical Engineering (ICEE), Shiraz, Iran, 10–12 May 2016; pp. 158–160. [Google Scholar] [CrossRef]
  9. Cui, M.; Wang, J.; Tan, J.; Florita, A.R.; Zhang, Y. A Novel Event Detection Method Using PMU Data With High Precision. IEEE Trans. Power Syst. 2019, 34, 454–466. [Google Scholar] [CrossRef]
  10. Yan, Y.; Shi, D.; Bian, D.; Huang, B.; Yi, Z.; Wang, Z. Small-Signal Stability Analysis and Performance Evaluation of Microgrids Under Distributed Control. IEEE Trans. Smart Grid 2019, 10, 4848–4858. [Google Scholar] [CrossRef]
  11. Dehghani, M.; Rezaei, M.; Shayanfard, B.; Vafamand, N.; Javadi, M.S.; Catalao, J.P.S. PMU-Based Power System Stabilizer Design: Optimal Signal Selection and Controller Design. IEEE Trans. Ind. Appl. 2021, 57, 5677–5686. [Google Scholar] [CrossRef]
  12. Rodrigues, Y.R.; Abdelaziz, M.M.A.; Wang, L. D-PMU Based Distributed Voltage and Frequency Control for DERs in Islanded Microgrids. IEEE Trans. Sustain. Energy 2021, 12, 451–468. [Google Scholar] [CrossRef]
  13. Nema, S.; Prakash, V.; Pandzic, H. Adaptive Synthetic Inertia Control Framework for Distributed Energy Resources in Low-Inertia Microgrid. IEEE Access 2022, 10, 54969–54979. [Google Scholar] [CrossRef]
  14. System, P.; Committee, R.; Power, I.; Society, E. IEEE Standard for Synchrophasor Measurements for Power Systems—Amendment 1: Modification of Selected Performance Requirements. IEEE Std C37.118.1a-2014 (Amend. IEEE Std C37.118.1-2011) 2014, 2014, 1–25. [Google Scholar] [CrossRef]
  15. Beryozkina, S.; Senyuk, M.; Berdin, A.; Dmitrieva, A.; Dmitriev, S.; Erokhin, P. The Accelerate Estimation Method of Power System Parameters in Static and Dynamic Processes. IEEE Access 2022, 10, 61522–61529. [Google Scholar] [CrossRef]
  16. Petri, D.; Fontanelli, D.; Macii, D. A Frequency-Domain Algorithm for Dynamic Synchrophasor and Frequency Estimation. IEEE Trans. Instrum. Meas. 2014, 63, 2330–2340. [Google Scholar] [CrossRef]
  17. Belega, D.; Petri, D. Accuracy Analysis of the Multicycle Synchrophasor Estimator Provided by the Interpolated DFT Algorithm. IEEE Trans. Instrum. Meas. 2013, 62, 942–953. [Google Scholar] [CrossRef]
  18. Macii, D.; Petri, D.; Zorat, A. Accuracy Analysis and Enhancement of DFT-Based Synchrophasor Estimators in Off-Nominal Conditions. IEEE Trans. Instrum. Meas. 2012, 61, 2653–2664. [Google Scholar] [CrossRef]
  19. Karimi-Ghartemani, M.; Ooi, B.-T.; Bakhshai, A. Application of Enhanced Phase-Locked Loop System to the Computation of Synchrophasors. IEEE Trans. Power Deliv. 2011, 26, 22–32. [Google Scholar] [CrossRef]
  20. Romano, P.; Paolone, M. Enhanced Interpolated-DFT for Synchrophasor Estimation in FPGAs: Theory, Implementation, and Validation of a PMU Prototype. IEEE Trans. Instrum. Meas. 2014, 63, 2824–2836. [Google Scholar] [CrossRef]
  21. Derviskadi´c, A.; Romano, P.; Paolone, M. Iterative-Interpolated DFT for Synchrophasor Estimation: A Single Algorithm for P- and M-Class Compliant PMUs. IEEE Trans. Instrum. Meas. 2018, 67, 547–558. [Google Scholar] [CrossRef]
  22. Frigo, G.; Derviškadić, A.; Paolone, M. Reduced Leakage Synchrophasor Estimation: Hilbert Transform Plus Interpolated DFT. IEEE Trans. Instrum. Meas. 2018, 68, 3468–3483. [Google Scholar] [CrossRef]
  23. Agrez, D. Weighted multi-point interpolated DFTF to improve amplitude estimation of multi-frequency signal. In Proceedings of the 17th IEEE Instrumentation and Measurement Technology Conference, Baltimore, MD, USA, 1–4 May 2000; Volume 2, pp. 998–1003. [Google Scholar] [CrossRef]
  24. Orallo, C.M.; Caruaati, I.; Strack, J.; Maestri, S.; Donato, P.G. Comparative Analysis of DFT-Based Synchrophasor Estimators. In Proceedings of the 2018 Argentine Conference on Automatic Control (AADECA), Buenos Aires, Argentina, 7–9 November 2018; pp. 1–6. [Google Scholar]
  25. Yu, C.-S.; Huang, Y.-S.; Jiang, J.-A. A Full- and Half-Cycle DFT-based technique for fault current filtering. In Proceedings of the 2010 IEEE International Conference on Industrial Technology, Via del Mar, Chile, 14–17 March 2010; pp. 859–864. [Google Scholar] [CrossRef]
  26. Rao, A.V.K.; Soni, K.M.; Sinha, S.K.; Nasiruddin, I. Accurate phasor and frequency estimation during power system oscillations using least squares. IET Sci. Meas. Technol. 2019, 13, 989–994. [Google Scholar] [CrossRef]
  27. Kim, J.; Kim, H.; Choi, S. Performance Criterion of Phasor Measurement Units for Distribution System State Estimation. IEEE Access 2019, 7, 106372–106384. [Google Scholar] [CrossRef]
  28. Castello, P.; Liu, J.; Muscas, C.; Pegoraro, P.A.; Ponci, F.; Monti, A. A Fast and Accurate PMU Algorithm for P+M Class Measurement of Synchrophasor and Frequency. IEEE Trans. Instrum. Meas. 2014, 63, 2837–2845. [Google Scholar] [CrossRef]
  29. de la O Serna, J.A.; Vázquez Martínez, E. Smart grids Part 2: Synchrophasor measurement challenges. IEEE Trans. Instrum. Meas. 2015, 18, 13–16. [Google Scholar] [CrossRef]
  30. Khodaparast, J.; Fosso, O.B.; Molinas, M. Phasor Estimation Based on Modified Recursive Prony. In Proceedings of the 2018 IEEE Conference on Control Technology and Applications (CCTA), Copenhagen, Denmark, 21–24 August 2018; pp. 1767–1771. [Google Scholar] [CrossRef]
  31. Duda, K.; Zielinski, T.P.; Bien, A.; Barczentewicz, S.H. Harmonic Phasor Estimation With Flat-Top FIR Filter. IEEE Trans. Instrum. Meas. 2020, 69, 2039–2047. [Google Scholar] [CrossRef]
  32. Pradhan, A. Voltage phasor estimation using complex linear Kalman filter. In Proceedings of the 8th IEE International Conference on Developments in Power System Protection, Amsterdam, The Netherlands, 5–8 April 2004; Volume 1, pp. 24–27. [Google Scholar] [CrossRef]
  33. Kovalenko, P.Y.; Moiseichenkov, A. Comparing the techniques of defining the synchronous machine load angle. J. Phys. Conf. Ser. 2017, 870, 12013. [Google Scholar] [CrossRef]
  34. Senyuk, M.; Beryozkina, S.; Berdin, A.; Moiseichenkov, A.; Safaraliev, M.; Zicmane, I. Testing of an Adaptive Algorithm for Estimating the Parameters of a Synchronous Generator Based on the Approximation of Electrical State Time Series. Mathematics 2022, 10, 4187. [Google Scholar] [CrossRef]
  35. Kovalenko, P.Y.; Senyuk, M.D.; Mukhin, V.I.; Kornilova, D.D. Detection Event Inception Point Algorithms Based on Instantaneous Point-on-wave Measurements. In Proceedings of the 2020 Ural Smart Energy Conference (USEC), Ekaterinburg, Russia, 13–15 November 2020; pp. 151–154. [Google Scholar] [CrossRef]
  36. Senyuk, M.; Safaraliev, M.; Gulakhmadov, A.; Ahyoev, J. Application of the Conditional Optimization Method for the Synthesis of the Law of Emergency Control of a Synchronous Generator Steam Turbine Operating in a Complex-Closed Configuration Power System. Mathematics 2022, 10, 3979. [Google Scholar] [CrossRef]
  37. Senyuk, M.; Beryozkina, S.; Gubin, P.; Dmitrieva, A.; Kamalov, F.; Safaraliev, M.; Zicmane, I. Fast Algorithms for Estimating the Disturbance Inception Time in Power Systems Based on Time Series of Instantaneous Values of Current and Voltage with a High Sampling Rate. Mathematics 2022, 10, 3949. [Google Scholar] [CrossRef]
  38. Kovalenko, P.Y.; Senyuk, M.D.; Mukhin, V.I. Acceleration Energy Analysis of Synchronous Generator Rotor During a Disturbance Taking into Account Current Transformer Saturation. In Proceedings of the 2021 IEEE Conference of Russian Young Researchers in Electrical and Electronic Engineering (ElConRus), Moscow, Russia, 26–29 January 2021; pp. 1458–1461. [Google Scholar] [CrossRef]
Figure 1. Classification of synchrophasor estimation algorithms.
Figure 1. Classification of synchrophasor estimation algorithms.
Mathematics 11 00256 g001
Figure 2. The correction of the basic angular velocity in (1).
Figure 2. The correction of the basic angular velocity in (1).
Mathematics 11 00256 g002
Figure 3. Comparison of the frequency values obtained by using the constant basis for the fundamental frequency of 50 Hz and using the adaptive basis in (1), respectively: (a) time period 1–1.2 s; (b) time period 2.3–2.7 s.
Figure 3. Comparison of the frequency values obtained by using the constant basis for the fundamental frequency of 50 Hz and using the adaptive basis in (1), respectively: (a) time period 1–1.2 s; (b) time period 2.3–2.7 s.
Mathematics 11 00256 g003
Figure 4. An example of the current signal recovery: (a) the original signal and the recovered signal; (b) the difference between the original and the recovered signals.
Figure 4. An example of the current signal recovery: (a) the original signal and the recovered signal; (b) the difference between the original and the recovered signals.
Mathematics 11 00256 g004
Figure 5. Photos of the physical model of power system: (a) general view; (b) generators.
Figure 5. Photos of the physical model of power system: (a) general view; (b) generators.
Mathematics 11 00256 g005
Figure 6. Single-line diagram of the physical model of the power system.
Figure 6. Single-line diagram of the physical model of the power system.
Mathematics 11 00256 g006
Figure 7. Examples of phase and line-to-line voltages combined with approximation sine wave: (a) phase A voltage; (b) AB voltage.
Figure 7. Examples of phase and line-to-line voltages combined with approximation sine wave: (a) phase A voltage; (b) AB voltage.
Mathematics 11 00256 g007
Figure 8. Functional dependency of RMS on the window width and data sampling rate.
Figure 8. Functional dependency of RMS on the window width and data sampling rate.
Mathematics 11 00256 g008
Figure 9. Results of SG42 estimation for post-emergency state of three-phase fault, where the sampling rate is 10 kHz: (a) instantaneous voltage of phase A and its amplitude; (b) recovered signal of instantaneous voltage of phase A; (c) instantaneous current of phase A and its amplitude; (d) recovered signal of instantaneous current of phase A; (e) functional dependency of SD on window width for voltage of phase A; (f) functional dependency of SD on window width for current of phase A.
Figure 9. Results of SG42 estimation for post-emergency state of three-phase fault, where the sampling rate is 10 kHz: (a) instantaneous voltage of phase A and its amplitude; (b) recovered signal of instantaneous voltage of phase A; (c) instantaneous current of phase A and its amplitude; (d) recovered signal of instantaneous current of phase A; (e) functional dependency of SD on window width for voltage of phase A; (f) functional dependency of SD on window width for current of phase A.
Mathematics 11 00256 g009aMathematics 11 00256 g009b
Figure 10. The results of processing measurements from the event recorder: (a) original signals of voltage; (b) phase A voltage (blue line) and amplitude of the signal (orange line); (c) phase A angle.
Figure 10. The results of processing measurements from the event recorder: (a) original signals of voltage; (b) phase A voltage (blue line) and amplitude of the signal (orange line); (c) phase A angle.
Mathematics 11 00256 g010aMathematics 11 00256 g010b
Figure 11. Snapshot of Python implementation of the algorithm for estimating the voltage and current synchrophasors.
Figure 11. Snapshot of Python implementation of the algorithm for estimating the voltage and current synchrophasors.
Mathematics 11 00256 g011
Figure 12. Comparison of computational delays to calculate signal parameters.
Figure 12. Comparison of computational delays to calculate signal parameters.
Mathematics 11 00256 g012
Table 1. Comparison of synchrophasors estimation algorithms.
Table 1. Comparison of synchrophasors estimation algorithms.
AlgorithmAdvantagesDisadvantages
DFT, IpDFT, FFTSimplicity.For static conditions only. Spectral leakage occurs when frequency changes.
LS, WLSLow noise-sensitivity, high reliability.Higher harmonics cause substantial accuracy drop.
TFTHigh accuracy in dynamic conditions.High computational costs.
HTLow computational costs.If window is smaller than frequency cycle, then required accuracy cannot be ensured.
MPLow computational costs.Limited frequency resolution on short time periods.
Digital FiltersHarmonic composition can be estimated.High sampling rate is necessary.
KFSmall number of measurements is used to estimate a synchrophasor.Nonlinear filter can be unstable.
DWTWavelet bases have many different base functions that can be used to solve different problems.Ambiguous selection of the mother wavelet.
Fast estimation algorithm [15]Short time response, high accuracy and reliability.Testing is required.
Table 2. Parameters of the synchronous generators.
Table 2. Parameters of the synchronous generators.
SGSrated, kVAcos(φrated)Urated, VIrated, AZbase, Ω
8150.823037.53.52
4250.823012.510.58
4750.823012.510.58
6450.823012.510.58
Table 3. The found values of THD and non-symmetry factors.
Table 3. The found values of THD and non-symmetry factors.
Phase VoltagesLine-to-Line Voltages
SignalTHD, %SignalTHD, %
Phase A2.431AB0.117
Phase B2.447BC0.127
Phase C2.466CA0.121
Mean2.448Mean0.121
K0U, %K0U, %
4.0310.001
K2U, %K2U, %
0.5860.011
Table 4. Results of experiments on the physical model of power system.
Table 4. Results of experiments on the physical model of power system.
SGExperimentSampling Rate, kHzWindow Width for SD 5%Window Width for SD 10%
64K(3), phase voltage, NS104 ms3 ms
K(3), phase voltage, ES10
K(3), phase voltage, PES1012 ms7 ms
K(3), phase current, PES104 ms3 ms
47K(3), phase voltage, PES1012 ms10 ms
K(3), phase current, PES105 ms3 ms
K(2), phase voltage, PES1012 ms8 ms
K(2), phase current, PES103 ms
K(1), phase voltage, PES1011 ms10 ms
K(1), phase current, PES103 ms
42K(2), phase voltage, PES1014 ms8 ms
K(2), phase current, PES102 ms
8K(1), phase voltage, PES1012 ms8 ms
K(1), phase current, PES104 ms2 ms
K(1), phase voltage, NS106 ms4 ms
K(1), phase current, NS104 ms3 ms
Table 5. The results of processing of event recorder signals.
Table 5. The results of processing of event recorder signals.
EventMinimal SD, %Calculation Window Width, ms
11.088
20.508
30.8610
42.7010
51.028
62.7810
71.058
84.8610
91.258
105.5115
114.298
123.0810
135.7610
141.048
150.848
160.848
171.288
181.098
Disclaimer/Publisher’s Note: The statements, opinions and data contained in all publications are solely those of the individual author(s) and contributor(s) and not of MDPI and/or the editor(s). MDPI and/or the editor(s) disclaim responsibility for any injury to people or property resulting from any ideas, methods, instructions or products referred to in the content.

Share and Cite

MDPI and ACS Style

Senyuk, M.; Rajab, K.; Safaraliev, M.; Kamalov, F. Evaluation of the Fast Synchrophasors Estimation Algorithm Based on Physical Signals. Mathematics 2023, 11, 256. https://doi.org/10.3390/math11020256

AMA Style

Senyuk M, Rajab K, Safaraliev M, Kamalov F. Evaluation of the Fast Synchrophasors Estimation Algorithm Based on Physical Signals. Mathematics. 2023; 11(2):256. https://doi.org/10.3390/math11020256

Chicago/Turabian Style

Senyuk, Mihail, Khairan Rajab, Murodbek Safaraliev, and Firuz Kamalov. 2023. "Evaluation of the Fast Synchrophasors Estimation Algorithm Based on Physical Signals" Mathematics 11, no. 2: 256. https://doi.org/10.3390/math11020256

APA Style

Senyuk, M., Rajab, K., Safaraliev, M., & Kamalov, F. (2023). Evaluation of the Fast Synchrophasors Estimation Algorithm Based on Physical Signals. Mathematics, 11(2), 256. https://doi.org/10.3390/math11020256

Note that from the first issue of 2016, this journal uses article numbers instead of page numbers. See further details here.

Article Metrics

Back to TopTop