Retrial Queueing System for Analyzing Impact of Priority Ultra-Reliable Low-Latency Communication Transmission on Enhanced Mobile Broadband Quality of Service Degradation in 5G Networks
Abstract
:1. Introduction
- A mathematical framework based on queueing theory to analyze the impact of URLLC priority traffic on eMBB traffic data transmission.
- An algorithm for calculating metrics of interest based on using a matrix-geometric solution.
- Numerical analysis of the main metrics of interest: eMBB session blocking and interruption probabilities to assess the impact of URLLC traffic on eMBB traffic transmission.
2. Related Work
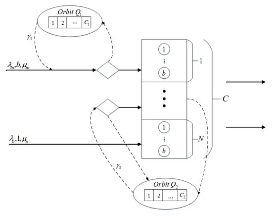
3. System Model
3.1. General Assumptions
3.2. Resource Sharing
3.3. Admission Control
3.4. Retrial Policy
4. Queueing Model
4.1. Continuous-Time Markov Chain
4.2. Transition Rates between CTMC States
- 1.
- When a new URLLC session arrives:
- (a)
- It will start if there is at least one mini-slot available.
- (b)
- It will start and one randomly selected active eMBB session will be interrupted and put into the 2-buffer if there are no free mini-slots and at least one eMBB session is active.
- (c)
- It will be blocked if there are no free mini-slots and no active eMBB sessions.
- 2.
- When a new eMBB session arrives:
- (a)
- It will start if there are at least b mini-slots available and the 1- and 2-buffers are empty.
- (b)
- It will be delayed and put into the 1-buffer if the 1- and 2-buffers are not empty and there is at least one empty place in the 1-buffer.
- (c)
- It will be blocked in other cases.
- 3.
- When an active URLLC session ends, it will release one mini-slot.
- 4.
- When an active eMBB session ends, it will release b mini-slots.
- 5.
- When a delayed eMBB session from the 1-buffer retries to start:
- (a)
- It will start if the 2-buffer is empty and there are at least b mini-slots available.
- (b)
- It will still wait in the 1-buffer if the 2-buffer is not empty or there are no b free mini-slots.
- 6.
- When an interrupted eMBB session from the 2-buffer retries to resume:
- (a)
- It will resume if there are at least b mini-slots available.
- (b)
- It will still wait in the 2-buffer if there are no b free mini-slots.
- A
- New eMBB and URLLC session arrivals and endings for empty buffers (with fixed and ) when a new eMBB session starts. Accepting new eMBB sessions is possible since the buffers are empty, and the maximum number of eMBB sessions in the absence of URLLC sessions is N.
- B
- New eMBB and URLLC session arrivals and endings for non-empty buffers (with fixed or ) when a new eMBB session is delayed. New eMBB sessions are sent to the 1-buffer for delay since the buffers are not empty, so, in this case, only URLLC session arrivals are possible.
- C
- New eMBB sessions delaying into the 1-buffer (with fixed and ). The number of active sessions remains unchanged, and only the arrival of new eMBB sessions in the 1-buffer is considered, depending on the different states of the 2-buffer.
- D
- Delayed eMBB sessions retrials from the 1-buffer (with fixed and ). New URLLC sessions do not arrive and cannot interrupt already active eMBB sessions, so if there are available resources, only delayed eMBB requests can be accepted.
- E
- Interrupted eMBB sessions retrials from the 2-buffer (with fixed and ). New URLLC and eMBB sessions do not arrive, so if there are available resources, only interrupted eMBB sessions can be accepted.
- F
- New URLLC session arrivals due to eMBB session interruption (with fixed ). New eMBB sessions do not arrive, but new URLLC sessions interrupt an eMBB session and send it to the 2-buffer.
4.3. Infinitesimal Generator
4.4. Stationary Distribution
4.5. Metrics of Interest
- The blocking probability of a new URLLC session:
- The probability that a new eMBB session will be delayed:where represents the set of states where such a delay will occur.
- The interruption probability of an active eMBB session:whereindicates the presence of at least one active URLLC session;indicates the possibility of starting the delayed eMBB session;indicates the possibility of resuming the interrupted eMBB session.
- The blocking probability of a new eMBB session:
- The average number of active URLLC sessions:
- The average number of active eMBB sessions:
- The average number of delayed eMBB sessions:
- The average number of interrupted eMBB sessions:
5. Numerical Results
5.1. Considered Scenarios
5.2. Impact of URLLC Arrivals
- For … 10,000, the number of active eMBB sessions decreases, leading to an increase in the interruption probability of an eMBB session. This decrease in the number of eMBB active sessions is due to their interruption.
- For k = 10,000 … 30,000, the number of active eMBB sessions slowly decreases, indicating fewer interruptions.
- For 30,000, the two plots behave similarly to the first area.
5.3. Impact of eMBB Retrials
5.4. Discussion
- 1.
- When only the blocking probability of eMBB sessions is constrained, such as being less than 0.04 (as shown in Figure 15), and can range from 250 to infinity. However, the arrival of URLLC sessions should not exceed the arrival of eMBB sessions by more than 5000 times (i.e., ).
- 2.
- When there is only a constraint on the interruption probability of eMBB sessions—for example, less than , as shown in Figure 16c—suitable values can be: (i) and from 0 to 150 with ; (ii) and from 0 to 300 with 15,000; (iii) and from 0 to 750 with 25,000.
- 3.
- When constraints are imposed on both blocking and interruption probabilities, the following cases arise:
- If the blocking probability should be less than 0.03 and the interruption probability less than , there are no values that satisfy these constraints.
- If the blocking probability should be less than 0.04 and the interruption probability less than , and should range from 250 to 750 when .
5.5. Comparing Different Schemes
6. Conclusions
Author Contributions
Funding
Informed Consent Statement
Data Availability Statement
Acknowledgments
Conflicts of Interest
Abbreviations
| 5G | Fifth Generation |
| CTMC | Continuous-time Markov chain |
| DRL | Deep reinforcement learning |
| eMBB | Enhanced mobile broadband |
| mMTC | Massive machine-type communications |
| NOMA | Non-orthogonal multiple access |
| OFDM | Orthogonal frequency-division multiplexing |
| OMA | Orthogonal multiple access |
| PRB | Physical resource block |
| QoS | Quality of service |
| RU | Resource unit |
| URLLC | Ultra-reliable low-latency communications |
References
- Fuentes, M.; Carcel, J.L.; DIetrich, C.; Yu, L.; Garro, E.; Pauli, V.; Lazarakis, F.I.; Grondalen, O.; Bulakci, O.; Yu, J.; et al. 5G New Radio Evaluation against IMT-2020 Key Performance Indicators. IEEE Access 2020, 8, 110880–110896. [Google Scholar] [CrossRef]
- Moltchanov, D.; Sopin, E.; Begishev, V.; Samuylov, A.; Koucheryavy, Y.; Samouylov, K. A Tutorial on Mathematical Modeling of 5G/6G Millimeter Wave and Terahertz Cellular Systems. IEEE Commun. Surv. Tutor. 2022, 24, 1072–1116. [Google Scholar] [CrossRef]
- Varsier, N.; Dufrene, L.A.; Dumay, M.; Lampin, Q.; Schwoerer, J. A 5G New Radio for Balanced and Mixed IoT Use Cases: Challenges and Key Enablers in FR1 Band. IEEE Commun. Mag. 2021, 59, 82–87. [Google Scholar] [CrossRef]
- Khan, B.S.; Jangsher, S.; Ahmed, A.; Al-Dweik, A. URLLC and eMBB in 5G Industrial IoT: A Survey. IEEE Open J. Commun. Soc. 2022, 3, 1134–1163. [Google Scholar] [CrossRef]
- The International Telecommunication Union (ITU). IMT Vision—Framework and Overall Objectives of the Future Development of IMT for 2020 and Beyond; Recommendation ITU-R M.2083-0; The International Telecommunication Union (ITU): Geneva, Switzerland, 2015; Available online: https://www.itu.int/rec/R-REC-M.2083-0-201509-I (accessed on 1 August 2023).
- Osama, M.; Ateya, A.; Ahmed Elsaid, S.; Muthanna, A. Ultra-Reliable Low-Latency Communications: Unmanned Aerial Vehicles Assisted Systems. Information 2022, 13, 430. [Google Scholar] [CrossRef]
- Paramonov, A.; Peng, J.; Kashkarov, D.; Muthanna, A.; Elgendy, I.; Koucheryavy, A.; Maleh, Y.; Abd El-Latif, A. Study and Analysis of Multiconnectivity for Ultrareliable and Low-Latency Features in Networks and V2X Communications. Wirel. Commun. Mob. Comput. 2021, 2021, 1718099. [Google Scholar] [CrossRef]
- Kochetkov, D.; Almaganbetov, M. Using Patent Landscapes for Technology Benchmarking: A Case of 5G Networks. Adv. Syst. Sci. Appl. 2021, 21, 20–28. [Google Scholar] [CrossRef]
- Kochetkov, D.; Vuković, D.; Sadekov, N.; Levkiv, H. Smart Cities and 5G Networks: An Emerging Technological Area? J. Geogr. Inst. Jovan Cvijic SASA 2019, 69, 289–295. [Google Scholar] [CrossRef]
- Bairagi, A.K.; Munir, M.S.; Alsenwi, M.; Tran, N.H.; Alshamrani, S.S.; Masud, M.; Han, Z.; Hong, C.S. Coexistence Mechanism between eMBB and uRLLC in 5G Wireless Networks. IEEE Trans. Commun. 2021, 69, 1736–1749. [Google Scholar] [CrossRef]
- Gerasin, I.; Krasilov, A.; Khorov, E. Dynamic Multiplexing of URLLC Traffic and eMBB Traffic in an Uplink Using Nonorthogonal Multiple Access. J. Commun. Technol. Electron. 2020, 65, 750–755. [Google Scholar] [CrossRef]
- Saggese, F.; Moretti, M.; Popovski, P. Power Minimization of Downlink Spectrum Slicing for eMBB and URLLC Users. IEEE Trans. Wirel. Commun. 2022, 21, 11051–11065. [Google Scholar] [CrossRef]
- Yang, K.; Yang, N.; Ye, N.; Jia, M.; Gao, Z.; Fan, R. Non-Orthogonal Multiple Access: Achieving Sustainable Future Radio Access. IEEE Commun. Mag. 2019, 57, 116–121. [Google Scholar] [CrossRef]
- Popovski, P.; Trillingsgaard, K.F.; Simeone, O.; Durisi, G. 5G Wireless Network Slicing for eMBB, URLLC, and mMTC: A Communication-Theoretic View. IEEE Access 2018, 6, 55765–55779. [Google Scholar] [CrossRef]
- Shen, X.; Zeng, Z.; Liu, X. RIS-Assisted Network Slicing Resource Optimization Algorithm for Coexistence of eMBB and URLLC. Electronics 2022, 11, 2575. [Google Scholar] [CrossRef]
- Yun, J.; Goh, Y.; Yoo, W.; Chung, J.M. 5G Multi-RAT URLLC and eMBB Dynamic Task Offloading With MEC Resource Allocation Using Distributed Deep Reinforcement Learning. IEEE Internet Things J. 2022, 9, 20733–20749. [Google Scholar] [CrossRef]
- Li, J.; Zhang, X. Deep Reinforcement Learning-Based Joint Scheduling of eMBB and URLLC in 5G Networks. IEEE Wirel. Commun. Lett. 2020, 9, 1543–1546. [Google Scholar] [CrossRef]
- Alsenwi, M.; Tran, N.H.; Bennis, M.; Pandey, S.R.; Bairagi, A.K.; Hong, C.S. Intelligent Resource Slicing for eMBB and URLLC Coexistence in 5G and Beyond: A Deep Reinforcement Learning Based Approach. IEEE Trans. Wirel. Commun. 2021, 20, 4585–4600. [Google Scholar] [CrossRef]
- Ivanova, D.; Markova, E.; Moltchanov, D.; Pirmagomedov, R.; Koucheryavy, Y.; Samouylov, K. Performance of Priority-Based Traffic Coexistence Strategies in 5G mmWave Industrial Deployments. IEEE Access 2022, 10, 9241–9256. [Google Scholar] [CrossRef]
- Ivanova, D.; Adou, Y.; Markova, E.; Gaidamaka, Y.; Samouylov, K. Mathematical Framework for Mixed Reservation- and Priority-Based Traffic Coexistence in 5G NR Systems. Mathematics 2023, 11, 1046. [Google Scholar] [CrossRef]
- Prathyusha, Y.; Sheu, T.L. Coordinated Resource Allocations for eMBB and URLLC in 5G Communication Networks. IEEE Trans. Veh. Technol. 2022, 71, 8717–8728. [Google Scholar] [CrossRef]
- Chen, Q.; Wu, J.; Wang, J.; Jiang, H. Coexistence of URLLC and eMBB Services in MIMO-NOMA Systems. IEEE Trans. Veh. Technol. 2023, 72, 839–851. [Google Scholar] [CrossRef]
- Darabi, M.; Jamali, V.; Lampe, L.; Schober, R. Hybrid Puncturing and Superposition Scheme for Joint Scheduling of URLLC and eMBB Traffic. IEEE Commun. Lett. 2022, 26, 1081–1085. [Google Scholar] [CrossRef]
- Filali, A.; Mlika, Z.; Cherkaoui, S.; Kobbane, A. Dynamic SDN-Based Radio Access Network Slicing With Deep Reinforcement Learning for URLLC and eMBB Services. IEEE Trans. Netw. Sci. Eng. 2022, 9, 2174–2187. [Google Scholar] [CrossRef]
- Chen, G.; Shao, R.; Shen, F.; Zeng, Q. Slicing Resource Allocation Based on Dueling DQN for eMBB and URLLC Hybrid Services in Heterogeneous Integrated Networks. Sensors 2023, 23, 2518. [Google Scholar] [CrossRef]
- Chen, N.; Cheng, Z.; Zhao, Y.; Huang, L.; Du, X.; Guizani, M. Joint Dynamic Spectrum Allocation for URLLC and eMBB in 6 G Networks. IEEE Trans. Netw. Sci. Eng. 2023, 1–14. [Google Scholar] [CrossRef]
- Huang, Y.; Thomas Hou, Y.; Lou, W. DELUXE: A DL-Based Link Adaptation for URLLC/eMBB Multiplexing in 5G NR. IEEE J. Sel. Areas Commun. 2022, 40, 143–162. [Google Scholar] [CrossRef]
- Esmaeily, A.; Mendis, H.V.K.; Mahmoodi, T.; Kralevska, K. Beyond 5G Resource Slicing with Mixed-Numerologies for Mission Critical URLLC and eMBB Coexistence. IEEE Open J. Commun. Soc. 2023, 4, 727–747. [Google Scholar] [CrossRef]
- Almekhlafi, M.; Arfaoui, M.A.; Elhattab, M.; Assi, C.; Ghrayeb, A. Joint Resource Allocation and Phase Shift Optimization for RIS-Aided eMBB/URLLC Traffic Multiplexing. IEEE Trans. Commun. 2022, 70, 1304–1319. [Google Scholar] [CrossRef]
- Zhang, J.; Liu, L.; Ruan, J.; Li, L.; Wang, K.; Sun, R. A Service-Aware Latency-Relaxed uRLLC Multiplexing Strategy within eMBB Traffic for Hyperloop Communications. Wirel. Commun. Mob. Comput. 2022, 2022, 6838376. [Google Scholar] [CrossRef]
- Kesava, G.S.; Mehta, N.B. Multi-Connectivity for URLLC and Coexistence With eMBB in Time-Varying and Frequency-Selective Fading Channels. IEEE Trans. Wirel. Commun. 2023, 22, 3599–3611. [Google Scholar] [CrossRef]
- Liu, B.; Zhu, P.; Li, J.; Wang, D.; Wang, Y. Energy-Efficient Optimization via Joint Power and Subcarrier Allocation for eMBB and URLLC Services. IEEE Wirel. Commun. Lett. 2022, 11, 2340–2344. [Google Scholar] [CrossRef]
- Liu, B.; Zhu, P.; Li, J.; Wang, D.; You, X. Energy-Efficient Optimization in Distributed Massive MIMO Systems for Slicing eMBB and URLLC Services. IEEE Trans. Veh. Technol. 2023, 72, 10473–10487. [Google Scholar] [CrossRef]
- Al-Ali, M.; Yaacoub, E. Resource allocation scheme for eMBB and uRLLC coexistence in 6G networks. Wirel. Netw. 2023, 29, 2519–2538. [Google Scholar] [CrossRef]
- Zhao, Y.; Chi, X.; Qian, L.; Zhu, Y.; Hou, F. Resource Allocation and Slicing Puncture in Cellular Networks With eMBB and URLLC Terminals Coexistence. IEEE Internet Things J. 2022, 9, 18431–18444. [Google Scholar] [CrossRef]
- Shi, B.; Zheng, F.C.; She, C.; Luo, J.; Burr, A.G. Risk-Resistant Resource Allocation for eMBB and URLLC Coexistence Under M/G/1 Queueing Model. IEEE Trans. Veh. Technol. 2022, 71, 6279–6290. [Google Scholar] [CrossRef]
- Setayesh, M.; Bahrami, S.; Wong, V.W. Resource Slicing for eMBB and URLLC Services in Radio Access Network Using Hierarchical Deep Learning. IEEE Trans. Wirel. Commun. 2022, 21, 8950–8966. [Google Scholar] [CrossRef]
- Ranasohaib, R.M.S.; Onireti, O.; Sambo, Y.; Swash, R.; Ansari, S.; Imran, M.A. Intelligent Resource Management for eMBB and URLLC in 5G and beyond Wireless Networks. IEEE Access 2023, 11, 65205–65221. [Google Scholar] [CrossRef]
- Jiang, X.; Liang, K.; Chu, X.; Li, C.; Karagiannidis, G.K. Multiplexing eMBB and URLLC in Wireless Powered Communication Networks: A Deep Reinforcement Learning-based Approach. IEEE Wirel. Commun. Lett. 2023, 1. [Google Scholar] [CrossRef]
- Makeeva, E.; Polyakov, N.; Kharin, P.; Gudkova, I. Probability Model for Performance Analysis of Joint URLLC and eMBB Transmission in 5G Networks. Lect. Notes Comput. Sci. 2019, 11660, 635–648. [Google Scholar] [CrossRef]
- Kushchazli, A.; Ageeva, A.; Kochetkova, I.; Kharin, P.; Chursin, A.; Shorgin, S. Model of Radio Admission Control for URLLC and Adaptive Bit Rate eMBB in 5G Network. CEUR Workshop Proc. 2021, 2946, 74–84. [Google Scholar]
- Kochetkova, I.A.; Kushchazli, A.I.; Kharin, P.A.; Shorgin, S.Y. Model for Analyzing Priority Admission Control of URLLC and eMBB Communications in 5G Networks as A Resource Queuing System. Inform. I Ee Primen. 2021, 15, 87–92. (In Russian) [Google Scholar] [CrossRef]
- Kochetkova, I.; Makeeva, E.; Ageeva, A.; Gorshenin, A. Model for Analyzing Impact of Path Loss on eMBB Bit Rate Degradation Under Priority URLLC Transmission in 5G Network. Lect. Notes Comput. Sci. 2022, 13766, 176–189. [Google Scholar] [CrossRef]
- Naumov, V.; Samuilov, K. Analysis of Networks of the Resource Queuing Systems. Autom. Remote Control 2018, 79, 822–829. [Google Scholar] [CrossRef]
- Naumov, V.; Samouylov, K. Resource System with Losses in a Random Environment. Mathematics 2021, 9, 2685. [Google Scholar] [CrossRef]


















| Ref. | Resource Sharing | Methods | Impact on eMBB Traffic |
|---|---|---|---|
| [26] | Dynamic multiplexing, OFDMA | Machine learning, matching theory, advanced K-granularity coloring (AKGC) | Bandwidth reduction |
| [28] | Dynamic multiplexing, OFDMA | Puncturing method, slicing, mixed numerology | Transmission delay, reduction in sum of eMBB rates |
| [15] | Network slicing | Reconfigurable intelligent surface (RIS) | Transmission power reduction |
| [32] | OFDM, hybrid OMA and NOMA | Difference of convex (DC) programming | Performance degradation |
| [33] | Network slicing, NOMA | Difference of convex (DC) programming | Throughput reduction |
| [29] | RIS-aided multiplexing, OFDMA | RIS phase-shift matrix optimization, puncturing method | Transmission rate reduction |
| [30] | Novel latency-relaxation concept of multiplexing | Particle swarm optimization (PSO) algorithm, simulation analysis | Throughput reduction |
| [30] | Dynamic multiplexing | Adaptive modulation and coding (AMC) | Puncturing eMBB traffic |
| [34] | OFDM, optimal and sub-optimal approaches | Puncturing method | Puncturing eMBB traffic |
| [31] | OFDM | Multi-connectivity, modulation, and coding | Throughput reduction |
| [21] | NOMA | Puncturing technique, numerical simulations | Throughput reduction |
| [35] | Dynamic resource allocation and puncturing strategy (DRAPS) | Lyapunov drift-plus-penalty (DPP) method, block coordinate descent (BCD) algorithm | Transmission rate reduction |
| [36] | Risk-resistant model | M/G/1 queue model, simulation | Transmission rate reduction |
| [37] | Network slicing | Attention mechanism, DRL | Puncturing eMBB traffic |
| [38] | Intelligent resource management framework | Co-training DRL (CDRL), deep neural network (DNN), convolutional neural network (CNN) | Performance degradation |
| [25] | Network slicing | DRL, dueling deep Q network (Dueling DQN) | Bandwidth reduction |
| [39] | Mixed deep deterministic policy gradient (Mixed-DDPG) | DRL, preemptive puncturing | Puncturing eMBB traffic, transmission interruption |
| [27] | Dynamic multiplexing | DL, deep function approximator (DFA) | Throughput and performance reduction |
| [23] | Hybrid puncturing and superposition, NOMA | Simulation | Transmission rate reduction |
| Parameter | Description |
|---|---|
| System Parameters | |
| N | Total number of slots (number of PRBs) |
| b | Number of mini-slots in one slot |
| Total number of mini-slots | |
| Maximum number of delayed eMBB sessions (size of 1-buffer) | |
| Maximum number of interrupted eMBB sessions (size of 2-buffer) | |
| Arrival rate of eMBB sessions, 1/s | |
| Arrival rate of URLLC sessions, 1/s | |
| Average duration of an eMBB session, s | |
| Average duration of an URLLC session, s | |
| Retrial rate of delayed eMBB sessions (from 1-buffer), 1/s | |
| Retrial rate of interrupted eMBB sessions (from 2-buffer), 1/s | |
| Continuous-Time Markov Chain (CTMC) | |
| Number of active eMBB sessions | |
| Number of active URLLC sessions | |
| Number of delayed eMBB sessions (in 1-buffer) | |
| Number of interrupted eMBB sessions (in 2-buffer) | |
| State of the system | |
| Set of states | |
| Stationary distribution | |
| Transition Rate | Condition | |
|---|---|---|
| 1(a) | ||
| 1(b) | ||
| 2(a) | ||
| 2(b) | ||
| 3 | ||
| 4 | ||
| 5(a) | ||
| 6(a) |
| Parameter | Description | Value (Case 1) | Value (Case 2) |
|---|---|---|---|
| B | Bandwidth | 1.4 MHz | 1.4 MHz |
| N | Total number of slots (number of PRBs) | 6 | 6 |
| b | Number of mini-slots in one slot | 7 | 7 |
| Total number of mini-slots | 42 | 42 | |
| Maximum number of delayed eMBB sessions (size of 1-buffer) | 9 | 9 | |
| Maximum number of interrupted eMBB sessions (size of 2-buffer) | 9 | 9 | |
| Arrival rate of eMBB sessions | sess./s | sess./s | |
| k | Multiplier for the arrival rate of URLLC sessions | sess./s | |
| Arrival rate of URLLC sessions | sess./s | sess./s | |
| Average duration of an eMBB session | 60 s | 60 s | |
| Average duration of a URLLC session | 1 ms | 1 ms | |
| Retrial rate of delayed eMBB sessions (from 1-buffer) | sess./s | sess./s | |
| Retrial rate of interrupted eMBB sessions (from 2-buffer) | sess./s | sess./s |
Disclaimer/Publisher’s Note: The statements, opinions and data contained in all publications are solely those of the individual author(s) and contributor(s) and not of MDPI and/or the editor(s). MDPI and/or the editor(s) disclaim responsibility for any injury to people or property resulting from any ideas, methods, instructions or products referred to in the content. |
© 2023 by the authors. Licensee MDPI, Basel, Switzerland. This article is an open access article distributed under the terms and conditions of the Creative Commons Attribution (CC BY) license (https://creativecommons.org/licenses/by/4.0/).
Share and Cite
Makeeva, E.; Kochetkova, I.; Alkanhel, R. Retrial Queueing System for Analyzing Impact of Priority Ultra-Reliable Low-Latency Communication Transmission on Enhanced Mobile Broadband Quality of Service Degradation in 5G Networks. Mathematics 2023, 11, 3925. https://doi.org/10.3390/math11183925
Makeeva E, Kochetkova I, Alkanhel R. Retrial Queueing System for Analyzing Impact of Priority Ultra-Reliable Low-Latency Communication Transmission on Enhanced Mobile Broadband Quality of Service Degradation in 5G Networks. Mathematics. 2023; 11(18):3925. https://doi.org/10.3390/math11183925
Chicago/Turabian StyleMakeeva, Elena, Irina Kochetkova, and Reem Alkanhel. 2023. "Retrial Queueing System for Analyzing Impact of Priority Ultra-Reliable Low-Latency Communication Transmission on Enhanced Mobile Broadband Quality of Service Degradation in 5G Networks" Mathematics 11, no. 18: 3925. https://doi.org/10.3390/math11183925
APA StyleMakeeva, E., Kochetkova, I., & Alkanhel, R. (2023). Retrial Queueing System for Analyzing Impact of Priority Ultra-Reliable Low-Latency Communication Transmission on Enhanced Mobile Broadband Quality of Service Degradation in 5G Networks. Mathematics, 11(18), 3925. https://doi.org/10.3390/math11183925

