A Novel DC Electronic Load Topology Incorporated with Model Predictive Control Approach
Abstract
1. Introduction
- is the output voltage of the converter.
- is the input voltage of the converter.
- is the number of turns on the primary side of the coupled inductor.
- is the number of turns on the secondary side of the coupled inductor.
- is the duty ratio of the pulse-width modulation (PWM) gating signal.
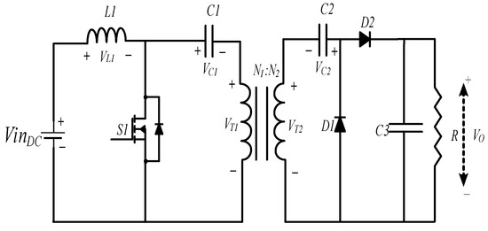
- The proposed converter fundamentally evolved from the conventional isolated SEPIC converter by employing the transformer and a few auxiliary components to boost the gain of the converter.
- Transformer provides electrical isolation between the input and the electrical load.
- This converter is appropriate for medium power applications as it uses a real transformer rather than a coupled inductor.
- The proposed converter is cost-effective as it uses only one switch for its operation and control.
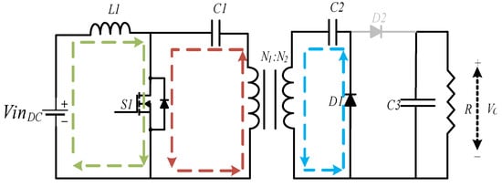
2. Working of Proposed Converter in CCM and DCM Mode of Operation
- is inductor voltage.
- is the voltage across capacitor C1.
- is the voltage across capacitor C2.
- is the primary side voltage of the transformer.
- is the secondary side voltage of the transformer.
- is switch voltage when it is not conducting.
- is the converter input power.
- is the converter output power.
- is the inductor average current.
- is the required inductance of the inductor.
- is the switching frequency.
- is the permissible ripple in the capacitor voltage.
- is the required capacitance.
3. Implementation of Model Predictive Control
4. Performance Comparison
5. Simulation Results
6. Hardware Results
7. Conclusions
8. Future Work
Author Contributions
Funding
Data Availability Statement
Conflicts of Interest
References
- Elavarasan, R.M.; Shafiullah, G.M.; Padmanaban, S.; Kumar, N.M.; Annam, A.; Vetrichelvan, A.M.; Mihet-Popa, L.; Holm-Nielsen, J.B. A Comprehensive Review on Renewable Energy Development, Challenges, and Policies of Leading Indian States with an International Perspective. IEEE Access 2020, 8, 74432–74457. [Google Scholar] [CrossRef]
- Colak, A.; Ahmed, K. A Brief Review on Capacity Sizing, Control and Energy Management in Hybrid Renewable Energy Systems. In Proceedings of the 2021 10th International Conference on Renewable Energy Research and Application (ICRERA), Istanbul, Turkey, 26–29 September 2021; pp. 453–458. [Google Scholar] [CrossRef]
- Qazi, A.; Hussain, F.; Rahim, N.A.; Hardaker, G.; Alghazzawi, D.; Shaban, K.; Haruna, K. Towards Sustainable Energy: A Systematic Review of Renewable Energy Sources, Technologies, and Public Opinions. IEEE Access 2019, 7, 63837–63851. [Google Scholar] [CrossRef]
- Strasser, T.; Andren, F.; Kathan, J.; Cecati, C.; Buccella, C.; Siano, P.; Leitao, P.; Zhabelova, G.; Vyatkin, V.; Vrba, P.; et al. A Review of Architectures and Concepts for Intelligence in Future Electric Energy Systems. IEEE Trans. Ind. Electron. 2015, 62, 2424–2438. [Google Scholar] [CrossRef]
- Pachauri, N.; Thangavel, V.; Suresh, V.; Kantipudi, M.P.; Kotb, H.; Tripathi, R.N.; Bajaj, M. A Robust Fractional-Order Control Scheme for PV-Penetrated Grid-Connected Microgrid. Mathematics 2023, 11, 1283. [Google Scholar] [CrossRef]
- Liu, X.; Yu, S.S.; Zhang, G.; Lin, W.; Liu, T.; Le, W. Design and Experimental Verification of a General Single-Switch N-Stage Z-Network High Gain Boost Converter. Mathematics 2022, 10, 4758. [Google Scholar] [CrossRef]
- Hu, D.; Yin, A.; Ghaderi, D. A transformer-less single-switch boost converter with high-voltage gain and mitigated-voltage stress applicable for photovoltaic utilizations. Int. Trans. Electr. Energy Syst. 2020, 30, 1–22. [Google Scholar] [CrossRef]
- Barry, B.C.; Hayes, J.G.; Rylko, M.S. CCM and DCM operation of the interleaved two-phase boost converter with discrete and coupled inductors. IEEE Trans. Power Electron. 2015, 30, 6551–6567. [Google Scholar] [CrossRef]
- Aquino, R.N.A.L.E.S.; Tofoli, F.L.; Praca, P.P.; de Souza Oliveira, D.; Barreto, L.H.S.C., Jr. Soft switching high-voltage gain DC–DC interleaved boost converter. IET Power Electron. 2015, 8, 120–129. [Google Scholar] [CrossRef]
- Forouzesh, Y.P.; Siwakoti, S.A.; Gorji, F.; Blaabjerg, F.; Lehman, B. Step-up DC–DC converters: A comprehensive review of voltage-boosting techniques, topologies, and applications. IEEE Trans. Power Electron. 2017, 32, 9143–9178. [Google Scholar] [CrossRef]
- Miao, S.; Wang, F.; Ma, X. A new transformerless buck-boost converter with positive output voltage. IEEE Trans. Ind. Electron. 2016, 63, 2965–2975. [Google Scholar] [CrossRef]
- Meinagh, F.A.A.; Meinagh, A.; Yuan, J.; Yang, Y. New high voltage gain DC–DC converter based on modified quasi-Z-source network. In Proceedings of the IEEE 13th International Conference on Compatibility, Power Electronics and Power Engineering (CPE-POWERENG), Sonderborg, Denmark, 23–25 April 2019; pp. 1–6. [Google Scholar] [CrossRef]
- Ahmad, J.; Zaid, M.; Sarwar, A.; Lin, C.-H.; Asim, M.; Yadav, R.K.; Tariq, M.; Satpathi, K.; Alamri, B. A New High-Gain DC-DC Converter with Continuous Input Current for DC Microgrid Applications. Energies 2021, 14, 2629. [Google Scholar] [CrossRef]
- Ahmad, J.; Zaid, M.; Sarwar, A.; Tariq, M.; Sarwer, Z. A New Transformerless Quadratic Boost Converter with High Voltage Gain. Smart Sci. 2020, 8, 163–183. [Google Scholar] [CrossRef]
- Li, Z.; Li, M.; Zhao, Y.; Wang, Z.; Yu, D.; Xu, R. An Optimized Control Method of Soft-Switching and No Backflow Power for LLC Resonant-Type Dual-Active-Bridge DC-DC Converters. Mathematics 2023, 11, 287. [Google Scholar] [CrossRef]
- Ławryńczuk, M. Special Issue. Model Predictive Control: Algorithms and Applications: Foreword by the Guest Editor. Algorithms 2022, 15, 452. [Google Scholar] [CrossRef]
- Vazquez, S.; Leon, J.I.; Franquelo, L.G.; Rodriguez, J.; Young, H.A.; Marquez, A.; Zanchetta, P. Model predictive control: A review of its applications in power electronics. IEEE Ind. Electron. Mag. 2014, 8, 16–31. [Google Scholar] [CrossRef]
- Nami, A.; Zare, F.; Ghosh, A.; Blaabjerg, F. A hybrid cascade converter topology with series-connected symmetrical and asymmetrical diodeclamped H-bridge cells. IEEE Trans. Power Electron. 2011, 26, 51–65. [Google Scholar] [CrossRef]
- Correa, P.; Pacas, M.; Rodrıguez, J. A predictive torque control for inverter-fed induction machines. IEEE Trans. Ind. Electron. 2007, 54, 1073–1079. [Google Scholar] [CrossRef]
- Cortes, P.; Rodrıguez, J.; Antoniewicz, P.; Kazmierkowski, M. Direct power control of an AFE using predictive control. IEEE Trans. Power Electron. 2008, 23, 2516–2523. [Google Scholar] [CrossRef]
- Bibian, S.; Jin, H. High performance predictive dead-beat digital controller for dc power supplies. IEEE Trans. Power Electron. 2022, 17, 420–427. [Google Scholar] [CrossRef]
- Oettmeier, F.M.; Neely, J.; Pekarek, S.; DeCarlo, R.; Uthaichana, K. MPC of switching in a boost converter using a hybrid state model with a sliding mode observer. IEEE Trans. Ind. Electron. 2009, 56, 3453–3466. [Google Scholar] [CrossRef]
- Ghasemi, A.; Adib, E.; Mohammadi, M.R. A new isolated SEPIC converter with coupled inductors for photovoltaic applications. In Proceedings of the 2011 19th Iranian Conference on Electrical Engineering, Tehran, Iran, 17–19 May 2011; pp. 1–5. [Google Scholar]
- Komurcugil, H.; Biricik, S.; Guler, N. Indirect sliding mode control for DC-DC SEPIC converters. IEEE Trans. Ind. Informat. 2019, 16, 4099–4108. [Google Scholar] [CrossRef]
- Choi, W.-Y.; Choi, J.-Y. High-efficiency power conditioning system for grid-connected photovoltaic modules. J. Power Electron. 2011, 11, 561–567. [Google Scholar] [CrossRef]
- Jiang, S.; Cao, D.; Li, Y.; Peng, F.-Z. Grid-connected boost-half-bridge photovoltaic microinverter system using repetitive current control and maximum power point tracking. IEEE Trans. Power Electron. 2012, 27, 4711–4722. [Google Scholar] [CrossRef]
- Spiazzi, G.; Mattavelli, P.; Costabeber, A. High step-up ratio flyback converter with active clamp and voltage multiplier. IEEE Trans. Power Electron. 2011, 26, 3205–3214. [Google Scholar] [CrossRef]
- Maroti, P.K.; Padmanaban, S.; Nielsen, J.B.H.; Bhaskar, M.S.; Meraj, M.; Iqbal, A. A new structure of high voltage gain SEPIC converter for renewable energy applications. IEEE Access 2019, 7, 89857–89868. [Google Scholar] [CrossRef]
- Banaei, M.R.; Sani, S.G. Analysis and implementation of a new SEPIC-based single-switch buck–boost DC–DC converter with continuous input current. IEEE Trans. Power Electron. 2018, 33, 10317–10325. [Google Scholar] [CrossRef]
- Gules, R.; Santos, W.M.D.; dos Reis, F.A.F.; Romanelli, E.F.R.; Badin, A.A. A modified SEPIC converter with high static gain for renewable applications. IEEE Trans. Power Electron. 2014, 29, 5860–5871. [Google Scholar] [CrossRef]
- Tang, Y.; Wang, T.; He, Y. A switched-capacitor-based active-network converter with high voltage gain. IEEE Trans. Power Electron. 2014, 29, 2959–2968. [Google Scholar] [CrossRef]
- Wu, B.; Li, S.; Liu, Y.; Smedley, K.M. A new hybrid boosting converter for renewable energy applications. IEEE Trans. Power Electron. 2016, 31, 1203–1215. [Google Scholar] [CrossRef]
- Zhou, G.; Mao, G.; Zhao, H.; Zhang, W.; Xu, S. Digital average voltage/digital average current predictive control for switching DC-DC converters. IEEE J. Emerg. Sel. Topics Power Electron. 2018, 6, 1819–1830. [Google Scholar] [CrossRef]
- Cheng, L.; Acuna, P.; Aguilera, R.P.; Jiang, J.; Wei, S.; Fletcher, J.E.; Lu, D.D. Model predictive control for DC–DC boost converters with reduced-prediction horizon and constant switching frequency. IEEE Trans. Power Electron. 2018, 33, 9064–9075. [Google Scholar] [CrossRef]
- Karamanakos, P.; Geyer, T.; Manias, S. Direct model predictive current control strategy of DC-DC boost converters. IEEE J. Emerg. Sel. Topics Power Electron. 2013, 1, 337–346. [Google Scholar] [CrossRef]
- Guler, N.; Biricik, S.; Bayhan, S.; Komurcugil, H. Model Predictive Control of DC–DC SEPIC Converters with Autotuning Weighting Factor. IEEE Trans. Ind. Electron. 2021, 68, 9433–9443. [Google Scholar] [CrossRef]
- Humaidi, A.J.; Hameed, A.H.; Hameed, M.R. Robust adaptive speed control for DC motor using novel weighted E-modified MRAC. In Proceedings of the 2017 IEEE International Conference on Power, Control, Signals and Instrumentation Engineering (ICPCSI), Chennai, India, 21–22 September 2017; pp. 313–319. [Google Scholar] [CrossRef]
- Bindi, M.; Garcia, C.I.; Corti, F.; Piccirilli, M.C.; Luchetta, A.; Grasso, F.; Manetti, S. Comparison Between PI and Neural Network Controller for Dual Active Bridge Converter. In Proceedings of the 2021 IEEE 15th International Conference on Compatibility, Power Electronics and Power Engineering (CPE-POWERENG), Florence, Italy, 14–16 July 2021; pp. 1–6. [Google Scholar] [CrossRef]
- Leyva, R.; Martinez-Salamero, L.; Jammes, B.; Marpinard, J.C.; Guinjoan, F. Identification and control of power converters by means of neural networks. IEEE Trans. Circuits Syst. I Fundam. Theory Appl. 1997, 44, 735–742. [Google Scholar] [CrossRef]
- Hajihosseini, M.; Andalibi, M.; Gheisarnejad, M.; Farsizadeh, H.; Khooban, M.-H. DC/DC Power Converter Control-Based Deep Machine Learning Techniques: Real-Time Implementation. IEEE Trans. Power Electron. 2020, 35, 9971–9977. [Google Scholar] [CrossRef]

















| Topology | Components | Total | |||||
|---|---|---|---|---|---|---|---|
| NS | NL | ND | NC | ||||
| [25] | 1 | 1 | 2 | 2 | 6 | ||
| [26] | 2 | 2 | 2 | 4 | 10 | ||
| [27] | 2 | 1 | 2 | 4 | 9 | ||
| [28] | 1 | 3 | 3 | 3 | 10 | ||
| [29] | 1 | 4 | 3 | 6 | 14 | ||
| [30] | 1 | 2 | 2 | 3 | 8 | ||
| [31] | 2 | 2 | 3 | 3 | 10 | ||
| [32] | 1 | 1 | 3 | 3 | 8 | ||
| Proposed | 1 | 1 | 2 | 3 | 7 | ||
| Description | [16] | [24] | [36] | [34] | [35] | [33] | Proposed | |
|---|---|---|---|---|---|---|---|---|
| Topology | DC-DC Buck | DC-DC SEPIC | DC-DC SEPIC | DC-DC Boost | DC-DC Boost | DC-DC Buck | DC-DC Isolated SEPIC (Modified) | |
| Control approach | MPC | SMC | MPC | MPC | MPC | Predictive control | MPC | |
| Complexity | Difficult since the Kalman filter is being used | Easy | Easy, it does not require any filter or observer and uses autotuning weighing factor | Difficult due to the use of an observer | Difficult because of the use of the Kalman filter | Quite complex due to the employment of numerous control parameters. | Easy | |
| Switching frequency control | The switching frequency control (fsw) varies over time and it is not controllable. | The switching frequency control (fsw) varies over time and is not controllable. | The switching frequency (fsw) is almost constant and it can be controllable | The switching frequency control (fsw) varies over time and it is not controllable. | The switching frequency control (fsw) varies over time and it is not controllable. | The switching frequency control varies over time and is not controllable. | The switching frequency control (fsw) control can be added. | |
| Robustness to parameter variations | Not durable | Durable | Not durable. But, the impact of parameter change is negligible. | Not durable | Not durable, since the Kalman filter is being used to reduce the effect of parameter variations. | Not durable. However, the impact of parameter change is acceptable. | Not durable. However, the impact of parameter change is negligible. | |
| Dynamic performance | Overshoot/undershoot | Exists | Exists | Exists | Exists | Exists | Exits | Exits |
| Settling time | Lengthy | Very Small | Moderate | Very small | Very small | Very small | Moderate | |
| Steady-state error Vo | Zero | Zero | Zero | Possibly non-zero due to inaccurate load current estimation | Zero | Zero | Zero | |
| Sensor requirement | 2 | 2 | 2 | 2 | 2 | 2 | 2 | |
| Parameter | Specification |
|---|---|
| Input voltage | 24 V~30 V |
| Transformer turn ratio | 1:1 |
| Switching frequency fs | 50 kHz |
| Duty Ratio (D) | 0.4 |
| RL Load | 100 Ω, 200 Ω |
| Capacitor C1, C2 | |
| Capacitor C3 | |
| Inductor L1 | |
| Sampling time TS | 1 |
| Parameter | Specification |
|---|---|
| Input voltage | 20 V~30 V |
| Transformer turn ratio | 1:1 |
| Switching frequency fs | 100 kHz |
| RL Load | 50 Ω, 100 Ω, 200 Ω, 250 Ω |
| Power MOSFET | C3M0060065K |
| Diode | C3D02060A |
| Capacitor C1, C2 | , 63 V, 8604VENT |
| Capacitor C3 | , 200 V, SAMXON |
| Sampling time TS |
Disclaimer/Publisher’s Note: The statements, opinions and data contained in all publications are solely those of the individual author(s) and contributor(s) and not of MDPI and/or the editor(s). MDPI and/or the editor(s) disclaim responsibility for any injury to people or property resulting from any ideas, methods, instructions or products referred to in the content. |
© 2023 by the authors. Licensee MDPI, Basel, Switzerland. This article is an open access article distributed under the terms and conditions of the Creative Commons Attribution (CC BY) license (https://creativecommons.org/licenses/by/4.0/).
Share and Cite
Khan, M.S.; Lin, C.-H.; Ahmad, J.; Fahad, M.; Liu, H.-D. A Novel DC Electronic Load Topology Incorporated with Model Predictive Control Approach. Mathematics 2023, 11, 3353. https://doi.org/10.3390/math11153353
Khan MS, Lin C-H, Ahmad J, Fahad M, Liu H-D. A Novel DC Electronic Load Topology Incorporated with Model Predictive Control Approach. Mathematics. 2023; 11(15):3353. https://doi.org/10.3390/math11153353
Chicago/Turabian StyleKhan, Mohammad Suhail, Chang-Hua Lin, Javed Ahmad, Mohammad Fahad, and Hwa-Dong Liu. 2023. "A Novel DC Electronic Load Topology Incorporated with Model Predictive Control Approach" Mathematics 11, no. 15: 3353. https://doi.org/10.3390/math11153353
APA StyleKhan, M. S., Lin, C.-H., Ahmad, J., Fahad, M., & Liu, H.-D. (2023). A Novel DC Electronic Load Topology Incorporated with Model Predictive Control Approach. Mathematics, 11(15), 3353. https://doi.org/10.3390/math11153353

