Physics-Based Observers for Measurement-While-Drilling System in Down-the-Hole Drills
Abstract
1. Introduction
2. Materials and Methods
2.1. DTH Drilling System
2.2. Observer-Based MWD System
2.3. Observers Design
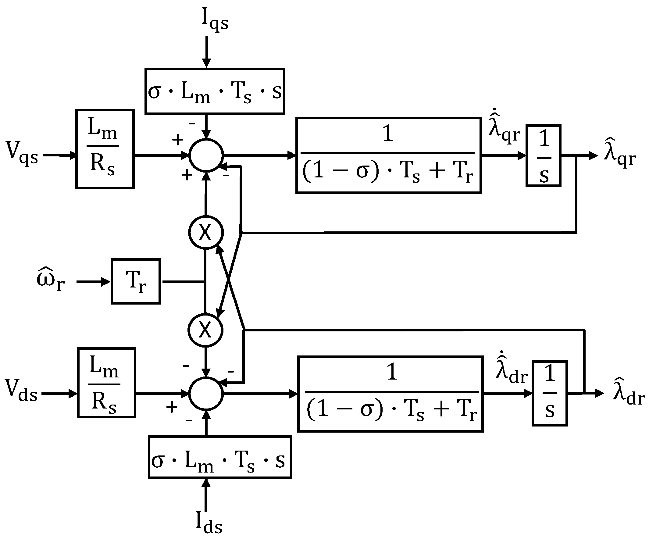
2.3.1. MRAS Back-EMF Rotor Speed Observer
2.3.2. Rotor Flux Linkage Observer
2.3.3. Bit Speed and Torque Observer
3. Results
3.1. Drilling Testing Specimens
- Specimen of type (a) is a high hardness tonalite (granite) phaneritic crystalline formed by plagioclase (large crystals), quartz, biotite, and hornblende. The approximate dimensions of the testing samples are 300 mm × 700 mm × 400 mm (height × width × depth).
- Specimen of type (b) is a metamorphic rock from a pelitic protolith presenting foliation between slate and schistoseis. The approximate dimensions of the testing samples are 200 mm × 500 mm × 300 mm (height × width × depth)
- Specimen of type (c) is a concrete block composed of 55% of concrete type H-25 (compressive strength ≥ 25 MPa) and 45% of gravel of one inch or smaller size. The approximate dimensions of the testing samples are 300 mm × 300 mm × 300 mm (height × width × depth)
- Specimen (d) is concrete H-10 (compressive strength ≥ 10 MPa). Sample dimensions are similar to specimen c.
3.2. Estimation of Rotor Flux
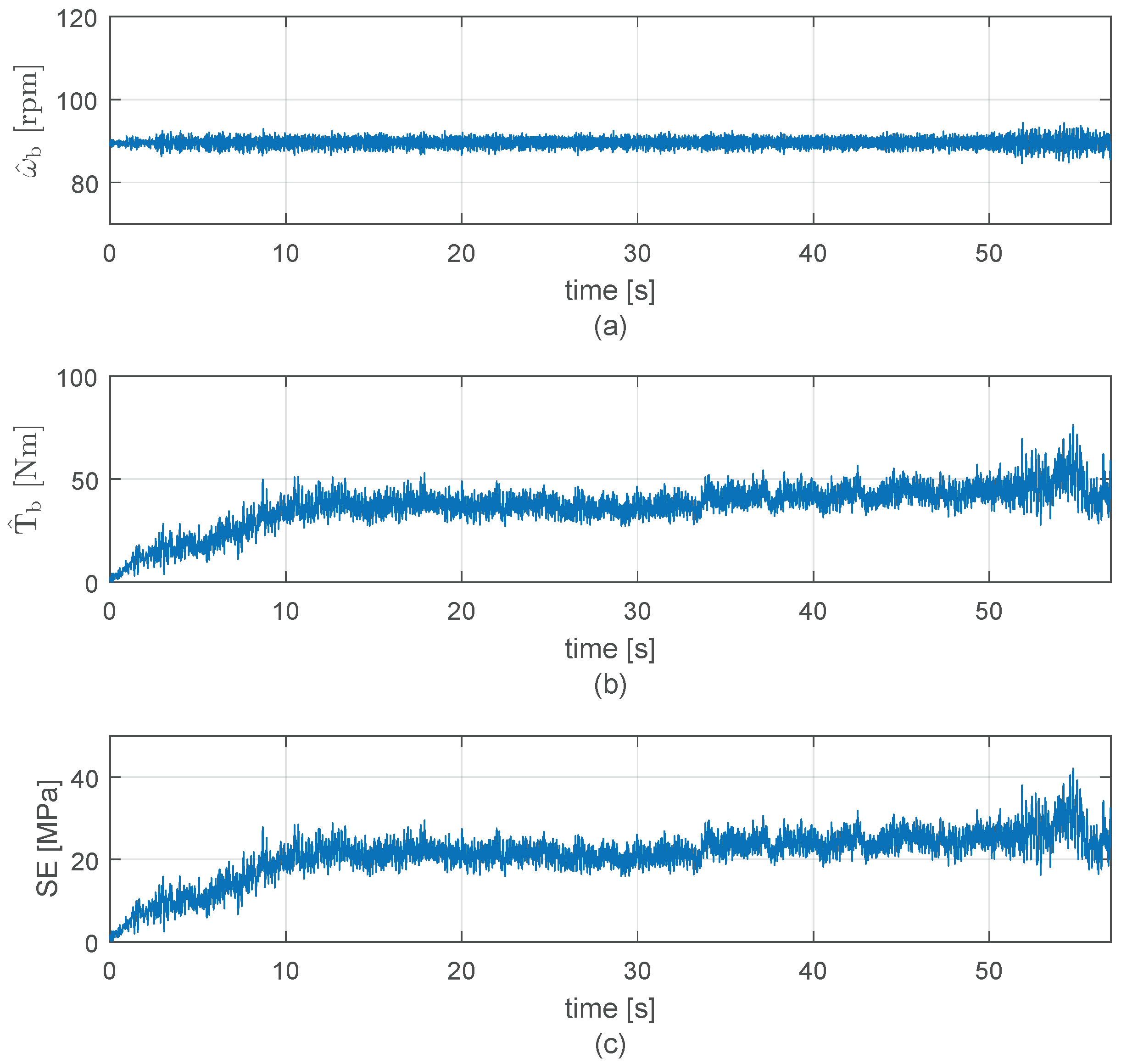
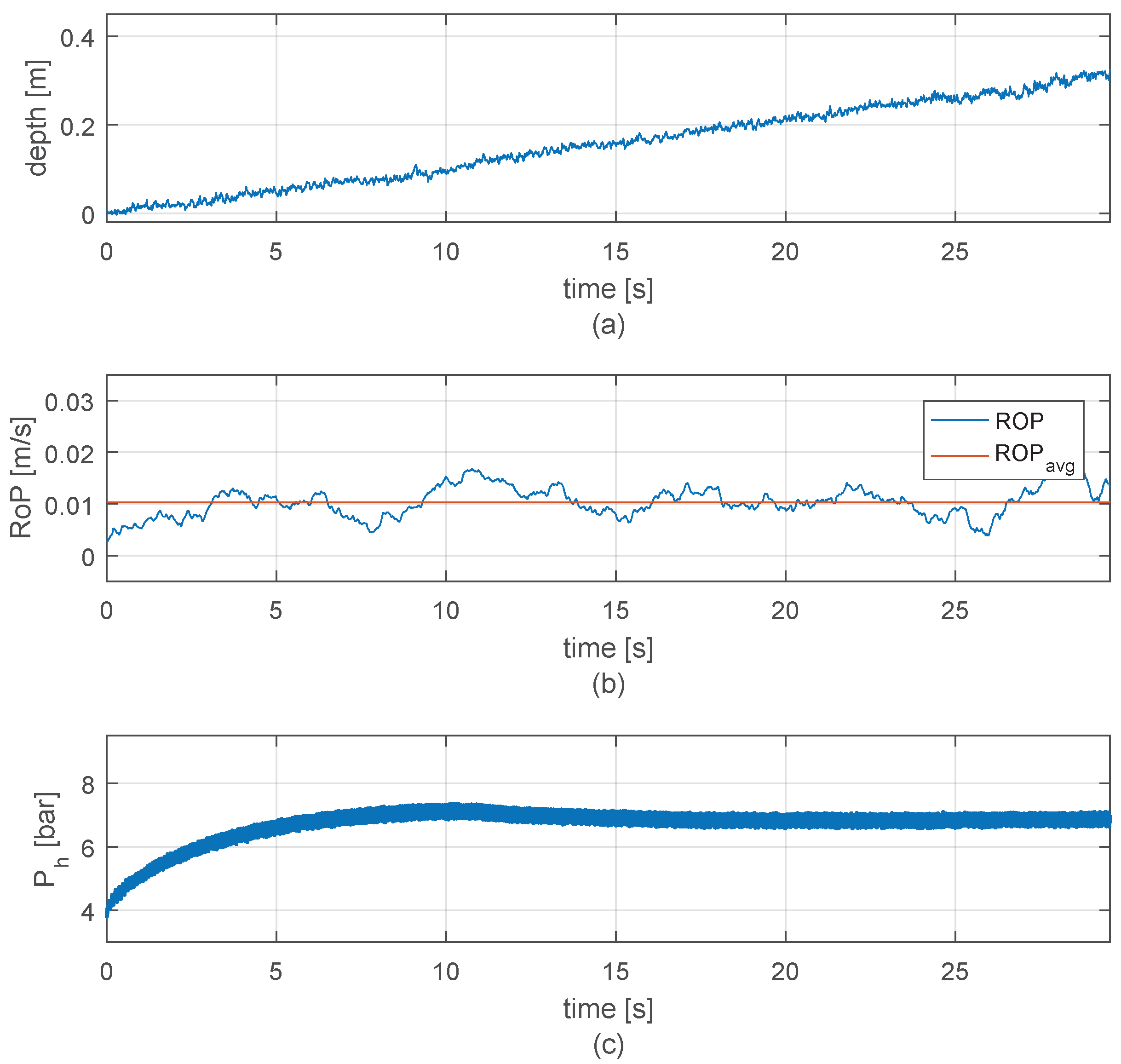
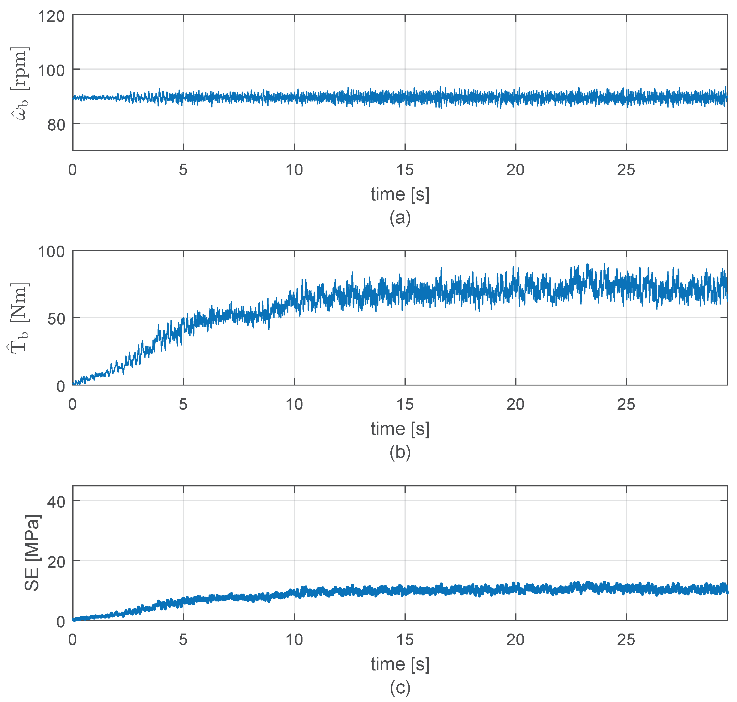
3.3. Bit Speed and Torque Estimation
3.4. Evaluation of the Observer-Based MWD System
4. Discussion
5. Conclusions
Author Contributions
Funding
Institutional Review Board Statement
Informed Consent Statement
Acknowledgments
Conflicts of Interest
References
- Gooneratne, C.P.; Li, B.; Deffenbaugh, M.; Moellendick, T. Instruments Measurement Principles and Communication Technologies for Downhole Drilling Environments, 1st ed.; Springer: Cham, Switzerland, 2019. [Google Scholar]
- Khorzoughi, M.B.; Hall, R. Processing of measurement while drilling data for rock mass characterization. Int. J. Min. Sci. Technol. 2016, 26, 989–994. [Google Scholar] [CrossRef]
- Navarro, J.; Segarra, P.; Sanchidrián, J.; Castedo, R.; Pérez Fortes, A.; Natale, M.; Lopez, L. Application of an in-house MWD system for quarry blasting. In Proceedings of the 12th International Symposium on Rock Fragmentation by Blasting, Luleå, Sweden, 11–13 June 2018. [Google Scholar]
- Isheyskiy, V.; Sanchidrián, J.A. Prospects of Applying MWD Technology for Quality Management of Drilling and Blasting Operations at Mining Enterprises. Minerals 2020, 10, 925. [Google Scholar] [CrossRef]
- Liu, C.; Zheng, X.; Shahani, N.M.; Li, P.; Wang, C.; Guo, X. An Experimental Investigation into the Borehole Drilling and Strata Characteristics. PLoS ONE 2021, 16, e0253663. [Google Scholar] [CrossRef] [PubMed]
- Gooneratne, C.P.; Li, B.; Moellendick, T.E. Downhole Applications of Magnetic Sensors. Sensors 2017, 17, 2384. [Google Scholar] [CrossRef]
- Leighton, J.C. Development of a Correlation between Rotary Drill Performance and Controlled Blasting Powder Factors. Masteri’s Thesis, University of British Columbia, Vancouver, Canada, 1982. [Google Scholar]
- Scoble, M.J.; Peck, J. A technique for ground characterization using automated production drill monitoring. Int. J. Surf. Min. Reclam. Environ. 1987, 1, 41–54. [Google Scholar] [CrossRef]
- Khorzoughi, M.B.; Hall, R. Rock fracture density characterization using measurement while drilling (MWD) techniques. Int. J. Min. Sci. Technol. 2018, 28, 859–864. [Google Scholar] [CrossRef]
- Basarir, H. Prediction of rock mass P wave velocity using blasthole drilling information. Int. J. Min. Reclam. Environ. 2019, 33, 61–74. [Google Scholar] [CrossRef]
- Lakshminarayana, C.R.; Tripathi, A.K.; Pal, S.K. Experimental investigation on potential use of drilling parameters to quantify rock strength. Int. J. Geo-Eng. 2021, 12, 1–15. [Google Scholar] [CrossRef]
- Alsaihati, A.; Elkatatny, S.; Mahmoud, A.; Abdulraheem, A. Use of Machine Learning and Data Analytics to Detect Downhole Abnormalities While Drilling Horizontal Wells, With Real Case Study. ASME J. Energy Resour. Technol. 2021, 143, 1–15. [Google Scholar] [CrossRef]
- Navarro, J.; Seidl, T.; Hartlieb, P.; Sanchidrián, J.A.; Segarra, P.; Couceiro, P.; Schimek, P.; Godoy, C. Blastability and Ore Grade Assessment from Drill Monitoring for Open Pit Applications. Rock Mech. Rock Eng. 2021, 54, 3209–3228. [Google Scholar] [CrossRef]
- Liu, H.; Yin, K.K. Analysis and interpretation of monitored rotary blast hole drill data. Int. J. Min. Reclam. Environ. 2001, 15, 177–203. [Google Scholar] [CrossRef]
- Kosolapov, A.I. Modern Methods and Tools for Determining Drillability and Blastability of Rocks. IOP Conf. Ser. Earth Environ. Sci. 2018, 459, 022097. [Google Scholar] [CrossRef]
- Kadkhodaie-Ilkhchi, A.; Monteiro, S.T.; Ramos, F.; Hatherly, P. Rock Recognition From MWD Data: A Comparative Study of Boosting, Neural Networks, and Fuzzy Logic. IEEE Geosci. Remote Sens. Lett. 2010, 7, 680–684. [Google Scholar] [CrossRef]
- Arata, F.; Gangemi, G.; Mele, M.; Tagliamonte, R.L.; Tarchiani, C.; Chinellato, F.; Denichou, J.M.; Maggs, D. High-resolution reservoir mapping: From ultradeep geosteering tools to real-time updating of reservoir models. In Proceedings of the Abu Dhabi International Petroleum Exhibition and Conference, Abu Dhabi, United Arab Emirates, 7 November 2016. SPE-183133-MS. [Google Scholar]
- Wodecki, J.; Góralczyk, M.; Krot, P.; Zietek, B.; Szrek, J.; Worsa-Kozak, M.; Zimroz, R.; Sliwinski, P.; Czajkowski, A. Process Monitoring in Heavy Duty Drilling Rigs—Data Acquisition System and Cycle Identification Algorithms. Energies 2020, 13, 6748. [Google Scholar] [CrossRef]
- Pastorek, N.; Young, K.; Eustes, A. Downhole Sensors in Drilling Operations. In Proceedings of the 44th Workshop on Geothermal Reservoir Engineering, Stanford, CA, USA, 11–13 February 2019. [Google Scholar]
- Pagtalunan, J.; Parmar, K.; Kim, S.; Moon, B.; Park, S.S. Experimental study on repeater-free acoustic telemetry for downhole operations. J. Petroleum Sci. Eng. 2021, 202, 108551. [Google Scholar] [CrossRef]
- Kianinezhad, R.; Nahid, B.; Betin, F.; Capolino, G.A. Observer-Based Sensorless Field-Oriented control of Induction Machines. In Proceedings of the 2004 IEEE International Symposium on Industrial Electronics, Ajaccio, France, 4–7 May 2004; Volume 2, pp. 1381–1386. [Google Scholar]
- Lorenz, R. Future Motor Drive Technology Issues and Their Evolution. In Proceedings of the 12th International Power Electronics and Motion Control Conference, Portoroz, Slovenia, 30 August–1 September 2006; pp. 18–24. [Google Scholar]
- Fabri, G.; Olivieri, C.; Tursini, M. Observer-based sensorless control of a five-phase brushless DC motor. In Proceedings of the International Conference on Electrical Machines, Rome, Italy, 6–8 September 2010; pp. 1–6. [Google Scholar]
- Observer-Based Motion Control. Available online: http://www.parkermotion.com/engineeringcorner/doc/ObserverControlArticle.pdf (accessed on 20 November 2022).
- Guzinski, J.; Abu-Rub, H.; Diguet, M.; Krzeminski, Z.; Lewicki, A. Speed and Load Torque Observer Application in High-Speed Train Electric Drive. IEEE Trans. Ind. Electron. 2010, 57, 565–574. [Google Scholar] [CrossRef]
- Mousavi, S.M.; Dashti, G.A. Application of Speed Estimation Techniques for Induction Motor Drives in Electric Traction Industries and vehicles. Int. J. Automot. Eng. 2014, 4, 857–868. [Google Scholar]
- Ramirez, G.; Lorenz, R.D.; Valenzuela, M.A. Observer-based estimation of modulus of elasticity for papermaking process. IEEE Trans. Ind. Appl. 2014, 50, 1678–1686. [Google Scholar] [CrossRef]
- Tang, L.; He, W.; Zhu, X. The effect of high-frequency torsional impacts on the dynamic response of a drill string in a stick state. Adv. Mech. Eng. 2019, 11, 1687814019828579. [Google Scholar] [CrossRef]
- Zhang, X.; Luo, Y.; Fan, L.; Peng, J.; Yin, K. Investigation of RC-DTH air hammer performance using CFD approach with dynamic mesh method. J. Adv. Res. 2019, 18, 127–135. [Google Scholar] [CrossRef]
- Bo, K.; Sun, S.; Hu, Y.; Wang, M. Design Optimization and Performance Analysis of the Pneumatic DTH Hammer with Self-Propelled Round Bit. Shock Vib. 2021, 2021, 6653390. [Google Scholar] [CrossRef]
- dSPACE-MicroLabBox Product Brochure 2020-01. Available online: https://www.dspace.com/en/inc/home/products/hw/microlabbox.cfm (accessed on 20 November 2022).
- STARTER Commissioning Tool for SINAMICS Coverters. Available online: https://mall.industry.siemens.com/mall/en/ww/catalog/products/10018085 (accessed on 20 November 2022).
- Bensiali, N.; Etien, E.; Benalia, N. Convergence analysis of back-EMF MRAS observers used in sensorless control of induction motor drives. Math. Comput. Simul. 2015, 115, 12–23. [Google Scholar] [CrossRef]
- Marwali, M.; Keyhani, A. A Comparative Study of Rotor Flux Based MRAS and Back EMF Based MRAS Speed Estimators for Speed Sensorless Vector Control of Induction Machines. In Proceedings of the Conference Record of the IEEE Industry Applications Conference, New Orleans, LA, USA, 5–9 October 1997; pp. 160–166. [Google Scholar]
- 3-Phase AC Induction Motor Vector Control Using DSP56F80x. Available online: https://www.nxp.com/docs/en/application-note/AN1930.pdf (accessed on 20 November 2022).
- Kaltjob, P. Mechatronic Systems and Process Automation: Model-Driven Approach and Practical Design Guidelines, 1st ed.; CRC Press: Boca Raton, FL, USA, 2018. [Google Scholar]
- ASTM D7012–14; Standard Test Method for Compressive Strength and Elastic Moduli of Intact Rock Core Specimens under Varying States of Stress and Temperatures, Annual Book of ASTM Standards. American Society for Testing and Materials: West Conshohocken, PA, USA, 2014.
- Hoek, E.; Brown, E.T. Practical estimates of rock mass strength. Int. J. Rock Mech. Min. Sci. 1997, 34, 1165–1186. [Google Scholar]













| Item | Value |
|---|---|
| Hole diameter | 90–130 mm |
| Working pressure | 0.5–1.0 Mpa |
| Air consumption | 6 m/min |
| Motor power | 4 kW |
| Motor speed | 1440 rpm |
| Motor voltage | 380 V |
| Compressor power | 37 kW |
| Compressor pressure | 0.8 Mpa |
| Gearbox reduction ratio | 11 |
| Bit speed | 90 rpm |
| Sensor type | Quantity | Range | Output |
|---|---|---|---|
| Voltage diff. probe | 3 | DC + AC peak: 1000 V | +/−5.0 V |
| Current clamp | 3 | DC + AC peak: 30 A | +/−100 mV/A |
| Depth (TOF laser) | 1 | 0.25–2.5 m | 0–10 V |
| Hammer pressure | 1 | 0–10 bar | 0–10V |
| Parameter | Value |
|---|---|
| Rated power | 4 kW |
| Rated speed | 1440 rpm |
| Rated voltage | 380 V |
| Rated frequency | 50 Hz |
| Stator resistance (Rs) | 1.3809 Ω |
| Rotor resistance (R) | 0.6843 Ω |
| Stator leakage inductance (L) | 0.1670 H |
| Rotor leakage inductance (L) | 0.1675 H |
| Magnetizing inductance (L | 158.37 mH |
| Parameter | Value |
|---|---|
| Total inertia | 0.0244 Kg m |
| Total viscous drag coefficient | 0.0100 Nms/rad |
| Static friction | 1.7 Nm |
| Specimen | UCS (MPa) | Classification (Grade) | Identifier |
|---|---|---|---|
| Quarry rock (a) | 161.51 ± 11.54 | Very strong (R5) | QR-R5 |
| Quarry rock (b) | 92.64 ± 42.89 | Strong (R4) | QR-R4 |
| Concrete block with gravel (c) | 25.42 ± 1.43 | Medium strong (R3) | CB-R3 |
| Pure concrete block (d) | 14.54 ± 3.65 | Weak (R2) | CB-R2 |
| Specimen | [m/s] | [Nm] | [MPa] | [MPa] |
|---|---|---|---|---|
| QR-R5 | 0.0032 | 54.76 | 25.30 | 161.51 |
| QR-R4 | 0.0026 | 40.57 | 23.24 | 92.64 |
| CB-R3 | 0.0054 | 60.39 | 16.85 | 25.42 |
| CB-R2 | 0.0103 | 70.23 | 10.30 | 14.54 |
Publisher’s Note: MDPI stays neutral with regard to jurisdictional claims in published maps and institutional affiliations. |
© 2022 by the authors. Licensee MDPI, Basel, Switzerland. This article is an open access article distributed under the terms and conditions of the Creative Commons Attribution (CC BY) license (https://creativecommons.org/licenses/by/4.0/).
Share and Cite
Bout, G.; Brito, D.; Gómez, R.; Carvajal, G.; Ramírez, G. Physics-Based Observers for Measurement-While-Drilling System in Down-the-Hole Drills. Mathematics 2022, 10, 4814. https://doi.org/10.3390/math10244814
Bout G, Brito D, Gómez R, Carvajal G, Ramírez G. Physics-Based Observers for Measurement-While-Drilling System in Down-the-Hole Drills. Mathematics. 2022; 10(24):4814. https://doi.org/10.3390/math10244814
Chicago/Turabian StyleBout, Gabriel, Diego Brito, René Gómez, Gonzalo Carvajal, and Guillermo Ramírez. 2022. "Physics-Based Observers for Measurement-While-Drilling System in Down-the-Hole Drills" Mathematics 10, no. 24: 4814. https://doi.org/10.3390/math10244814
APA StyleBout, G., Brito, D., Gómez, R., Carvajal, G., & Ramírez, G. (2022). Physics-Based Observers for Measurement-While-Drilling System in Down-the-Hole Drills. Mathematics, 10(24), 4814. https://doi.org/10.3390/math10244814

