Defects Classification of Hydro Generators in Indonesia by Phase-Resolved Partial Discharge
Abstract
1. Introduction
2. Partial Discharge Measurement for Rotating Machines
- (1)
- Overheating or deterioration of thermal cycling in the long term;
- (2)
- Poor impregnation of the epoxy inside;
- (3)
- Improper coating of the semiconductive;
- (4)
- Insufficient spacing between coils in the end-winding area;
- (5)
- Looseness of coils in the slot;
- (6)
- Contamination of winding by dust, dirty oil, moisture, etc.;
- (7)
- Cycling problems of the load;
- (8)
- Improper electrical connections.
2.1. Definitions
2.2. PRPD Pattern of Microvoids (S1)
2.3. PRPD Pattern of Delamination Tape Layer (S2)
2.4. PRPD Pattern of Slot Defect (S3)
2.5. PRPD Pattern of Internal Delamination Discharge (S4)
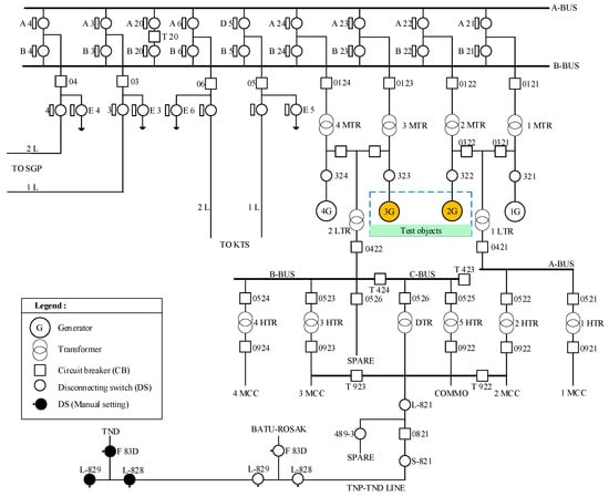
3. Partial Discharge Measurement Connection
4. Case Studies of Partial Discharge Measurement
- (1)
- Getting the series prediction and an indication of the insulation degradation in advance prior to failure;
- (2)
- Avoiding unexpected in-service failures of the equipment, furthermore, can extend uptime between outages;
- (3)
- Avoiding service that is not important and repairing old equipment by maximizing the operating hours;
- (4)
- Finding a problem and repairing it before it has a chance to fail the equipment;
- (5)
- Finding a problem with new equipment that is still under warranty;
- (6)
- Evaluating the quality of maintenance and repairing whether to rewind it before and after testing;
- (7)
- Comparing the results of similar equipment to decide on maintenance on those with higher levels of PD;
- (8)
- Identifying the root cause of the failure mechanism in the equipment to determine the action prior to an outage;
- (9)
- Improving the overall reliability of the equipment.
4.1. PD Measurement Test Procedures
- Step (1) Preparing the HV source test equipment (see Figure 11a);
- Step (2) Connecting the HV power output to the stator winding (see Figure 11b);
- Step (3) Connecting the HV return to the ground (see Figure 11c);
- Step (4) Connecting the PD sensor and coupling capacitor to stator winding (see Figure 11d);
- Step (5) Connect the output from the PD sensor to the measurement unit (see Figure 11e);
- Step (6) Connecting the PD measurement unit to the USB controller using fiber optic cable (see Figure 11e);
- Step (7) Connecting the USB controller to the PC for measurement (see Figure 11f);
- Step (8) Selecting the test voltage 20% Un (see Figure 11g);
- Step (9) Operating the HV output button, making sure to observe safety rules (see Figure 11g);
- Step (10) Recording the test voltage and PD stream as the PRPD output (see Figure 11h);
- Step (11) Discharging the test object using the ground device after finishing the test (see Figure 11i);
- Step (12) Following steps (8) to (12) for the test voltage 40%, 60%, 80%, and 100% Un.
4.2. PD Test Result of Phase R + S + T- Unit 2
- (1)
- PRPD pattern result of 20%, and 40% Un: The initial testing voltage was applied by injecting 20% Un, 1.27 kV, to the stator coil with interval duration time. The value of the voltage is 1.27 kV, which gradually increased during a specific interval time. This pattern is recorded without knowing the kind of PD fault during this setup voltage. After recording the PD stream, the test voltage is increased to 40% Un, 2.54 kV. The PRPD patterns in these two stages, 20% and 40% Un, are still flat and small as shown in Figure 13a,b, respectively.
- (2)
- PRPD pattern result of 60%, 80%, and 100% Un: The next step is voltages are set up to 60%, 80%, and 100% Un. The higher voltage obtains the higher PD magnitude as well. The PRPD pattern is shaped like a bowl and is asymmetric. The clearest pattern and largest PD magnitude are found in 100% Un. The recorded PRPD pattern has a triangular shape and is asymmetric since the positive charge magnitude is higher than the negative charge on 60%, 80%, and 100% Un as shown in Figure 13c–e, respectively. Hence, the PD fault from this PRPD pattern can be categorized as slot discharge (S3) as in the IEC standards [6,7,23]. The highest PD magnitude of the PRPD pattern result is during 100% Un.
4.3. PD Test Result of Phase R + S + T- Unit 3
- (1)
- PRPD pattern result of 20% and 40% Un: The initial testing voltage was applied by injecting 20% Un, 1.27 kV, to the stator coil with interval duration time. The value of the voltage is 1.27 kV, which gradually increased during a specific interval time. This pattern is recorded without knowing the kind of PD fault during this setup voltage. The PD magnitude during this voltage stage is small. After recording the PD stream, the test voltage is increased to 40% Un, 2.54 kV. The PRPD pattern and magnitudes of 40% Un are still small but larger than those of 20% Un. During this stage, there are not enough PRPD pattern results to recognize the kind of PD defect. However, the result is still higher than unit 2 since the maximum scale of the discharge was set to 14 nC compared with 8 nC for unit 2. The PRPD patterns and magnitudes of 20% and 40% Un are recorded as the output of MPD600 for further analysis as shown in Figure 19a,b, respectively.
- (2)
- PRPD pattern result of 60%, 80%, and 100% Un: The next step is the voltages are increased to 60%, 80%, and 100% Un, with the maximum scale of discharge set to 14 nC. The higher voltage obtains the higher PD magnitude. The pattern is shaped like a bowl and asymmetric since the negative charge magnitude is higher than the positive charge. The PRPD patterns and magnitudes for 60%, 80%, and 100% Un are larger than those for 20% and 40%. PRPD pattern results can be recognized for the kind of PD defect. The patterns have triangular shapes, are asymmetric, and have sickle shapes before having a bowl shape, as shown in Figure 19c–e, respectively. Referring to the PRPD pattern result, the PD defect can be indicated as delamination (S2) and slot discharge (S3), which also refers to the IEC standards and experiences of PD measurements [7,23].
4.4. PD Defect Measurement Found
4.5. Actual Experimental Inspection Found
- (1)
- (2)
- (3)
- (1)
- Tightening the loosened wedges by adding the pieces of wedges;
- (2)
- Replacing broken wedges with new ones, with the same dimension as well;
- (3)
- Cleaning the slot area of the stator coil by smoothly scrubbing it;
- (4)
- Re-taping the stator coil bar for the slightly broken stator bar;
- (5)
- Replacing the broken stator coil with a new one since there is a spare in the warehouse;
- (6)
- Renew all the total stator coils with new ones by conducting a precise inspection or major overhaul of the whole parts of the generator machine including turbine parts.
5. Discussion
- (1)
- Knowing the stator coil condition: The PD measurement can be stated as the preliminary checking of the condition of the stator coil without pulling out the rotor of the generator. The interpretation of PRPD analysis is necessary to indicate the stator coil condition prior to being inspected. The results of the PRPD pattern analysis in this research found that the defect on the stator coil on unit 2 is slot discharge (S3) with a high-risk level; unit 3 has delamination (S2) and slot discharge (S3) with a high-risk level.
- (2)
- Early detection for stator coil treatment: The PD measurement of units 2 and 3 shows the result condition of the stator coil insulation system. The result contributes to early detection for the future planning of the stator coil treatment by finding out whether to re-tape it or replace it with a new stator coil.
- (3)
- Priority maintenance plan of the generator: The PD fault interpreted by the results of the PRPD analysis can explain which unit of the generator has more PD activity. Then, the stator with the highest PD magnitude should be subjected to further inspection. Based on the result of this research, generator unit 3 should be planned to be inspected first rather than generator unit 2 since the former has a higher peak QPeak. The PD measurement is suggested to be periodically conducted to see the trend of PD activity on the stator coil.
6. Conclusions
Author Contributions
Funding
Institutional Review Board Statement
Informed Consent Statement
Data Availability Statement
Acknowledgments
Conflicts of Interest
References
- Koltunowicz, W.; Badicu, L.-V.; Broniecki, U.; Belkov, A. Increased operation reliability of HV apparatus through PD monitoring. IEEE Trans. Dielectr. Electr. Insul. 2016, 23, 1347–1354. [Google Scholar] [CrossRef]
- Cavallini, A.; Montanari, G.; Puletti, F.; Contin, A. A new methodology for the identification of PD in electrical apparatus: Properties and applications. IEEE Trans. Dielectr. Electr. Insul 2005, 12, 203–215. [Google Scholar] [CrossRef]
- Seo, I.-J.; Khan, U.A.; Hwang, J.-S.; Lee, J.-G.; Koo, J.-Y. Identification of Insulation Defects Based on Chaotic Analysis of Partial Discharge in HVDC Superconducting Cable. IEEE Trans. Appl. Supercond. 2015, 25, 5402005. [Google Scholar] [CrossRef]
- Omicron Energy Monitoring Solution Brochure. Partial Discharge Monitoring of High Voltage Assets; Omicron: Asotin, WA, USA, 2015. [Google Scholar]
- IEEE Std. 1434-2000 (R2005); IEEE Guide to the Measurement of Partial Discharges in Rotating Machinery. IEEE: New York, NY, USA, 2005.
- IEC60034-27; Rotating Electrical Machines - PD Measurements of Rotating Machinery. IEC Std.: Worcester, MA, USA, 2006.
- Hudon, C.; Belec, M. Partial discharge signal interpretation for generator diagnostics. IEEE Trans. Dielectr. Electr. Insul. 2005, 12, 297–319. [Google Scholar] [CrossRef]
- Baug, A.; Choudhury, N.R.; Ghosh, R.; Dalai, S.; Chatterjee, B. Identification of single and multiple partial discharge sources by optical method using mathematical morphology aided sparse representation classifier. IEEE Trans. Dielectr. Electr. Insul. 2017, 24, 3703–3712. [Google Scholar] [CrossRef]
- Lee, S.B.; Naeini, A.; Jayaram, S.; Stone, G.C.; Šašić, M. Surge Test-Based Identification of Stator Insulation Component With Partial Discharge Activity for Low Voltage AC Motors. IEEE Trans. Ind. Appl. 2020, 56, 2541–2549. [Google Scholar] [CrossRef]
- Johnson, J.S.; Warren, M. Detection of Slot Discharges in HV Stator Windings During Operation. Trans. AIEE 2009, 70, 1998–2000. [Google Scholar]
- Renforth, L.A.; Giussani, R.; Dodd, L.; Mendiola, M. On-line partial discharge insulation condition monitoring of complete high voltage (HV) networks. IEEE Trans. Ind. Appl. 2019, 55, 1021–1029. [Google Scholar] [CrossRef]
- Mondal, M.; Kumbhar, G.B.; Kulkarni, S.V. Localization of Partial Discharges inside a Transformer Winding Using a Ladder Network Constructed from Terminal Measurements. IEEE Trans. Power Deliv. 2018, 33, 1035–1043. [Google Scholar] [CrossRef]
- Petr Mraz, I. Aspect of Partial Discharge Activity Evaluation. Ph.D. Dissertation, Pilsen University, Pilsen, Czech Republic, 2014. [Google Scholar]
- Lwin, K.-S.; Park, N.-J.; Kim, H.-D.; Ju, Y.-H.; Park, D.-H. Off-line PD Diagnosis for Stator Winding of Rotating Machines using a UWB Sensor. J. Electr. Eng. Technol. 2008, 3, 263–269. [Google Scholar] [CrossRef][Green Version]
- Stone, G.C.; Sasic, M.; Dunn, D.; Culbert, I. Recent Problems Experienced with Motor and Generator Windings. In Proceedings of the Petroleum and Chemical Industry Conference, Industry Applications Society 56th Annual, Anaheim, CA, USA, 14–16 September 2009. [Google Scholar]
- Wang, X. Partial Discharge Analysis of Stator Insulation at Arbitrary Voltage Waveform Stimulus. Ph.D. Dissertation, KTH Electrical Engineering, Stockholm, Sweden, 2015. [Google Scholar]
- Altenburger, R.; Heitz, C.; Timmer, J. Analysis of phase-resolved partial discharge patterns of voids based on a stochastic process approach. J. Phys. D Appl. Phys. 2002, 35, 1149. [Google Scholar] [CrossRef]
- Li, Y.; Gao, W.; Huang, S.; Wang, R.; Yan, W.; Gevorgian, V.; Gao, D.W. Data-driven Optimal Control Strategy for Virtual Synchronous Generator via Deep Reinforcement Learning Approach. J. Mod. Power Syst. Clean Energy 2021, 9, 919–929. [Google Scholar] [CrossRef]
- Zhang, N.; Sun, Q.; Yang, L.; Li, Y. Event-Triggered Distributed Hybrid Control Scheme for the Integrated Energy System. IEEE Trans. Ind. Informat. 2022, 18, 835–846. [Google Scholar] [CrossRef]
- Gopinath, S.; Sathiyasekar, K.; Padmanaban, S.; Chokkalingam, B. Insulation Condition Assessment of High Voltage Rotating Machines Using Hybrid Techniques. IET Gener. Transm. Distrib. 2019, 13, 171–180. [Google Scholar] [CrossRef]
- Nair, R.P.; Sumangala, B.V.; Rao, N.B. Identification of slot discharges in rotating machine insulation system using variable frequency PD measurement. IET High Volt. 2018, 3, 179–186. [Google Scholar] [CrossRef]
- CIGRE Technical Brochure 258, Application of On-Line Partial Discharge Tests to Rotating Machines. 2015. Available online: https://e-cigre.org/publication/258-application-of-on-line-partial-discharge-tests-to-rotating-machines (accessed on 1 September 2022).
- IEC 60270; High–Voltage Test Techniques–Partial Discharge Measurements. 3rd ed. IEC Std.: Worcester, MA, USA, 2000.
- Parent, G.; Rossi, M.; Duchesne, S.; Dular, P. Determination of Partial Discharge Inception Voltage and Location of Partial Discharges by Means of Paschen’s Theory and FEM. IEEE Trans. Magn. 2019, 55, 7023504. [Google Scholar] [CrossRef]
- Stone, G.C.; Sedding, H.G.; Chan, C. Experience with online partial-discharge measurement in high-voltage inverter-fed motors. IEEE Trans. Ind. Appl. 2018, 54, 866–872. [Google Scholar] [CrossRef]
- Nippon Koei Co., Ltd. Project Completion Report, Vol. III Main Text (3); PT. Indonesia Asahan Aluminium: Jakarta Selatan, Indonesia, 1984. [Google Scholar]
- Nelson, J.K. Assessment of Partial Discharge and Electromagnetic Interference On-Line Testing of Turbine-Driven Generator Stator Winding Insulation Systems; EPRI: Palo Alto, CA, USA, 2003; p. 1007742. [Google Scholar]
- Rotating Electrical Machines–Part 27-2: On-Line Partial Discharge Measurements on the Stator Winding Insulation of Rotating Electrical Machines, IEC/TS60034-27-2:2012-03. Available online: https://webstore.iec.ch/publication/131 (accessed on 1 September 2022).
- Edin, H. Partial Discharges Studied With Variable Frequency of the Applied Voltage. Ph.D. Dissertation, KTH Royal Institute of Technology, Stockholm, Sweden, 2001. [Google Scholar]
- Kurtz, M.; Lyles, J.F.; Stone, G.C. Application of partial discharge testing to hydro generator maintenance. IEEE Trans. Power Appar. Syst. 1984, PAS-103, 2148–2157. [Google Scholar] [CrossRef]
- Stone, G.C.; Goodeve, T.E.; Sedding, H.G.; McDermid, W. Unusual PD Pulse Phase Distributions in Operating Rotating Machines. IEEE Trans Dielectr. Electr. Insul 1995, 2, 567–577. [Google Scholar] [CrossRef]
- Yue, B.; Chen, X.; Cheng, Y.; Song, J.; Xie, H. Diagnosis of stator winding insulation of large generator based on partial discharge measurement. IEEE Trans. Energy Convers. 2006, 21, 387–395. [Google Scholar] [CrossRef]
- Stone, G.C.; Warren, V. Objective Methods to Interpret Partial-Discharge Data on Rotating-Machine Stator Windings. IEEE Trans. Ind. Appl. 2006, 42, 195–200. [Google Scholar] [CrossRef]
- Yazici, B. Statistical Pattern Analysis of Partial Discharge Measurements for Quality Assessment of Insulation Systems in High-Voltage Electrical Machinery. IEEE Trans. Ind. Appl. 2004, 40, 1579–1594. [Google Scholar] [CrossRef]
- MPD600 User Manual, Omicron Service Centers, www.omicronusa.net, a Publication of Omicron Electronics GmbH. 2013. Available online: http://www.ucaiug.org/Meetings/CIGRE_2014/USB%20Promo%20Content/OMICRON/Presentations/OMICRON-magazine-volume4-issue2-ENU.pdf (accessed on 1 September 2022).
- Sumereder, C.; Weiers, T. Significance of Defects Inside In-Service Aged Winding Insulations. IEEE Trans. Energy Convers. 2008, 23, 9–14. [Google Scholar] [CrossRef]



























| Root Cause of Insulation Damage | Percentage of Failures (%) |
|---|---|
| Aging | 31 |
| Contamination of winding | 25 |
| Internal PD | 22 |
| Loosing of bars | 10 |
| Thermal cycling of overloading | 7 |
| Defective corona protection | 3 |
| Overvoltage | 2 |
| PD Source | Risk | Remarks |
|---|---|---|
| Microvoid (S1) | Low | Does not indicate aging factors, whereas normal circumstances do not lead to remarkable aging. |
| Delamination tape layer (S2) | High | Internal delamination or tape layer commonly results from overheating and extreme mechanical forces, which can lead to separation of large areas of these layers. |
| Slot discharge (S3) | High | Generated by poor, missing, contact between field-grading layer and stator slot wall. |
| Delamination between conductors and insulation (S4) | High | Commonly results from overheating and extreme mechanical forces, which can lead to separation of large areas of these layers. |
| Un (%) | QPeak (pC) | QAvg (pC) | n (kPDs/s) | IDis (nC/s) | PDis (µW) | D (aC2/s) |
|---|---|---|---|---|---|---|
| 20 40 60 80 100 | 209.5 244.7 1930.0 3946.0 8098.0 | 141.1 139.3 1115.0 1995.0 4368.0 | 0.3 0.3 13.3 33.3 41.3 | 34.3 36.2 2,700.0 12,370.0 26,180.0 | 40.5 84.1 10,150.0 56,390.0 149,100.0 | 4.2 4.4 769.3 6436.0 25,070.0 |
| PD Threshold (pC) | PDIV (kV) | PDEV (kV) |
|---|---|---|
| 500 | 3.846 (60.57%) | 2.524 |
| 1000 | 3.857 (60.74%) | 2.528 |
| 1500 | 4.926 (77.57%) | 3.831 |
| 2000 | 5.185 (81.65%) | 4.046 |
| 2500 | 5.189 (81.72%) | 5.155 |
| Un (%) | QPeak (pC) | QAvg (pC) | n (kPDs/s) | IDis (nC/s) | PDis (µW) | D (aC2/s) |
|---|---|---|---|---|---|---|
| 20 40 60 80 100 | 4085 7121 16,760 16,690 15,760 | 804.8 731.8 6864.0 10,050.0 9165.0 | 2.2 3.1 29.2 39.4 45.7 | 635.3 698.4 10,690.0 25,070.0 39,660.0 | 729.2 2176.0 39,810.0 111,000.0 218,500.0 | 249.4 299.6 10,050.0 34,590.0 60,460.0 |
| PD Threshold (pC) | PDIV (kV) | PDEV (kV) |
|---|---|---|
| 500 | 1.262 (19.87%) | 1.216 |
| 1000 | 1.262 (19.87%) | 1.216 |
| 1500 | 1.262 (19.87%) | 1.216 |
| 2000 | 1.275 (20.08%) | 1.263 |
| 2500 | 1.275 (20.08%) | 1.263 |
| 3000 | 4.128 (65.01%) | 1.275 |
| 3500 | 4.132 (65.07%) | 1.275 |
| 4000 | 4.132 (65.07%) | 4.124 |
| 4500 | 4.132 (65.07%) | 4.124 |
| 5000 | 4.132 (65.07%) | 4.124 |
| 5500 | 4.132 (65.07%) | 4.125 |
| 6000 | 4.132 (65.07%) | 4.125 |
| 6500 | 4.133 (65.08%) | 4.125 |
| 7000 | 4.133 (65.08%) | 4.125 |
| 7500 | 4.133 (65.08%) | 4.130 |
| 8000 | 5.481 (86.32%) | 4.130 |
| 8500 | 5.657 (89.08%) | 4.130 |
| 9000 | 5.657 (89.08%) | 4.130 |
| 9500 | 5.657 (89.08%) | 4.130 |
| 10,000 | 5.657 (89.08%) | 4.130 |
| 10,500 | 5.731 (90.25%) | 4.130 |
| 11,000 | 5.731 (90.25%) | 4.130 |
| 11,500 | 5.731 (90.25%) | 4.130 |
Publisher’s Note: MDPI stays neutral with regard to jurisdictional claims in published maps and institutional affiliations. |
© 2022 by the authors. Licensee MDPI, Basel, Switzerland. This article is an open access article distributed under the terms and conditions of the Creative Commons Attribution (CC BY) license (https://creativecommons.org/licenses/by/4.0/).
Share and Cite
Lee, C.-Y.; Purba, N.; Zhuo, G.-L. Defects Classification of Hydro Generators in Indonesia by Phase-Resolved Partial Discharge. Mathematics 2022, 10, 3659. https://doi.org/10.3390/math10193659
Lee C-Y, Purba N, Zhuo G-L. Defects Classification of Hydro Generators in Indonesia by Phase-Resolved Partial Discharge. Mathematics. 2022; 10(19):3659. https://doi.org/10.3390/math10193659
Chicago/Turabian StyleLee, Chun-Yao, Nando Purba, and Guang-Lin Zhuo. 2022. "Defects Classification of Hydro Generators in Indonesia by Phase-Resolved Partial Discharge" Mathematics 10, no. 19: 3659. https://doi.org/10.3390/math10193659
APA StyleLee, C.-Y., Purba, N., & Zhuo, G.-L. (2022). Defects Classification of Hydro Generators in Indonesia by Phase-Resolved Partial Discharge. Mathematics, 10(19), 3659. https://doi.org/10.3390/math10193659

