Integrated Control of Spray System and Active Suspension Systems Based on Model-Assisted Active Disturbance Rejection Control Algorithm
Abstract
:1. Introduction
2. Dynamic Model of Spray-Active Suspensions Integrated System
2.1. Reaction Force Calculation of Fire Monitor
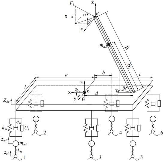
2.2. Integrated Dynamic Model
3. Design of Vehicle Attitude Stability Controller
4. Simulation Analysis
5. Experiments and Results Analysis
6. Discussion
7. Conclusions
Author Contributions
Funding
Institutional Review Board Statement
Informed Consent Statement
Data Availability Statement
Conflicts of Interest
References
- He, M.; Jia, C. Analysis on roll stability of urban main battle fire truck under working conditions. Fire Sci. Technol. 2018, 37, 3. [Google Scholar]
- Zirkohi, M.M.; Lin, T. Interval type-2 fuzzy-neural network indirect adaptive sliding mode control for an active suspension system. Nonlinear Dyn. 2015, 79, 513–526. [Google Scholar] [CrossRef]
- Gohrle, C.; Schindler, A.; Wagner, A.; Sawodny, O. Road Profile Estimation and Preview Control for Low-Bandwidth Active Suspension Systems. IEEE/ASME Trans. Mechatron. 2015, 20, 2299–2310. [Google Scholar] [CrossRef]
- Pan, H.; Jing, X.; Sun, W. Robust finite-time tracking control for nonlinear suspension systems via disturbance compensation. Mech. Syst. Signal Process. 2017, 88, 49–61. [Google Scholar] [CrossRef]
- Du, M.; Zhao, D.; Yang, B.; Wang, L. Terminal sliding mode control for full vehicle active suspension systems. J. Mech. Sci. Technol. 2018, 32, 2851–2866. [Google Scholar] [CrossRef]
- Mustafa, G.I.Y.; Wang, H.P.; Tian, Y. Vibration control of an active vehicle suspension systems using optimized model-free fuzzy logic controller based on time delay estimation. Adv. Eng. Softw. 2019, 127, 141–149. [Google Scholar] [CrossRef]
- Zhang, Y.; Liu, Y.; Liu, L. Minimal learning parameters-based adaptive neural control for vehicle active suspensions with input saturation. Neurocomputing 2020, 396, 153–161. [Google Scholar] [CrossRef]
- Yao, J.; Wang, M.; Li, Z.; Jia, Y. Research on Model Predictive Control for Automobile Active Tilt Based on Active Suspension. Energies 2021, 14, 671. [Google Scholar] [CrossRef]
- Li, P.; Lam, J.; Cheung, K.C. Multi-objective control for active vehicle suspension with wheelbase preview. J. Sound Vib. 2014, 333, 5269–5282. [Google Scholar] [CrossRef]
- Liu, Y.; Zeng, Q.; Tong, S.; Chen, C.L.P.; Liu, L. Adaptive Neural Network Control for Active Suspension Systems with Time-Varying Vertical Displacement and Speed Constraints. IEEE Trans. Ind. Electron. 2019, 66, 9458–9466. [Google Scholar] [CrossRef]
- Liu, Y.; Zeng, Q.; Tong, S.; Chen, C.L.P.; Liu, L. Actuator Failure Compensation-Based Adaptive Control of Active Suspension Systems with Prescribed Performance. IEEE Trans. Ind. Electron. 2020, 67, 7044–7053. [Google Scholar] [CrossRef]
- Li, H.; Liu, H.; Gao, H.; Shi, P. Reliable Fuzzy Control for Active Suspension Systems with Actuator Delay and Fault. IEEE Trans. Fuzzy Syst. 2012, 20, 342–357. [Google Scholar] [CrossRef]
- Li, H.; Zhang, Z.; Yan, H.; Xie, X. Adaptive Event-Triggered Fuzzy Control for Uncertain Active Suspension Systems. IEEE Trans. Cybern. 2019, 49, 4388–4397. [Google Scholar] [CrossRef] [PubMed]
- Kim, H.; Lee, H. Height and Leveling Control of Automotive Air Suspension System Using Sliding Mode Approach. IEEE Trans. Veh. Technol. 2011, 60, 2027–2041. [Google Scholar]
- Youn, I.; Im, J.; Tomizuka, M. Level and attitude control of the active suspension system with integral and derivative action. Veh. Syst. Dyn. 2006, 44, 659–674. [Google Scholar] [CrossRef]
- Van der Westhuizen, S.F.; Els, P.S. Slow active suspension control for rollover prevention. J. Terramech. 2013, 50, 29–36. [Google Scholar] [CrossRef]
- Tchamna, R.; Lee, M.; Youn, I. Attitude control of full vehicle using variable stiffness suspension control. Optim. Control Appl. Methods 2015, 36, 936–952. [Google Scholar] [CrossRef]
- Chen, H.; Gong, M.; Zhao, D.; Zhu, J. Body attitude control strategy based on road level for heavy rescue vehicles. Proc. Inst. Mech. Eng. Part D 2021, 235, 1351–1363. [Google Scholar] [CrossRef]
- Youn, I.; Wu, L.; Youn, E.; Tomizuka, M. Attitude motion control of the active suspension system with tracking controller. Int. J. Automot. Technol. 2015, 16, 593–601. [Google Scholar] [CrossRef]
- Sun, J.; Li, W.; He, M. Analysis of Fire Water Monitor Jet Reaction Forces and Their Influences on the Roll Stabilities of Urban Firefighting Vehicle. Fire Technol. 2019, 55, 2547–2566. [Google Scholar] [CrossRef]
- Gong, M.; Chen, H. Variable damping control strategy of a semi-active suspension based on the actuator motion state. J. Low Freq. Noise Vib. Act. Control 2020, 39, 787–802. [Google Scholar] [CrossRef]
- Wang, R.; Sheng, F.; Ding, R.; Meng, X.; Sun, Z. Vehicle attitude compensation control of magneto-rheological semi-active suspension based on state observer. Proc. Inst. Mech. Eng. Part D 2021, 235, 3299–3313. [Google Scholar] [CrossRef]
- Li, B.; Zheng, G.; Wang, Z. Attitude Control of the Vehicle with Six In-Wheel Drive and Adaptive Hydro Pneumatic Suspensions. In Proceedings of the WCX SAE World Congress Experience, Detroit, MI, USA, 9–11 April 2019. [Google Scholar]
- Guo, Q.; Zhao, D.; Zhao, X.; Li, Z.; Shi, X. Active Suspension Control Strategy of Multi-Axle Emergency Rescue Vehicle Based on Inertial Measurement Unit. Sensors 2021, 21, 6877. [Google Scholar] [CrossRef] [PubMed]
- Zeng, Q.; Ma, D.; Zhao, J. Adaptive Aperiodic Intermittent Control for Nonlinear Active Suspension Systems. In Proceedings of the Chinese Control Conference, Shanghai, China, 26–28 July 2021; pp. 1437–1441. [Google Scholar]
- Khodamipour, G.; Khorashadizadeh, S.; Farshad, M. Observer-based adaptive control of robot manipulators using reinforcement learning and the Fourier series expansion. Trans. Inst. Meas. Control 2021, 43, 2307–2320. [Google Scholar] [CrossRef]
- Izadbakhsh, A.; Khorashadizadeh, S.; Kheirkhahan, P. Tracking Control of Electrically Driven Robots Using a Model-free Observer. Robotica 2018, 37, 729–755. [Google Scholar] [CrossRef]
- Liu, B. Calculation of Blowdown Thrust Force due to The Rupture of Main Pipe in Nuclear Power Plant. Ph.D. Thesis, Harbin Institute of Technology, Harbin, China, 2014. [Google Scholar]
- Hasbullah, F.; Faris, W.F. Simulation of disturbance rejection control of half-car active suspension system using active disturbance rejection control with decoupling transformation. J. Phys. Conf. Ser. 2017, 949, 12025. [Google Scholar] [CrossRef]
- Herbst, G. A Simulative Study on Active Disturbance Rejection Control (ADRC) as a Control Tool for Practitioners. Electronics 2013, 2, 246–279. [Google Scholar] [CrossRef]
- Li, S.; Cao, M.; Li, J.; Cao, J.; Lin, Z. Sensorless-Based Active Disturbance Rejection Control for a Wind Energy Conversion System with Permanent Magnet Synchronous Generator. IEEE Access 2019, 7, 122663–122674. [Google Scholar] [CrossRef]
- Sobhy, A.; Lei, D. Model-assisted active disturbance rejection controller for maximum efficiency schemes of DFIG-based wind turbines. Int. Trans. Electr. Energy Syst. 2021, 31, e13107. [Google Scholar] [CrossRef]
- Wang, L.; Zhao, D.; Liu, F.; Liu, Q.; Meng, F. Linear active disturbance rejection control for electro-hydraulic proportional position synchronous. Control Theory Appl. 2018, 35, 1618–1625. [Google Scholar]
- Huang, Y. A new synthesis method for uncertain systems the Self-Stable Region approach. Int. J. Syst. Sci. 1999, 30, 33–38. [Google Scholar] [CrossRef]
- Zhao, L.; Yang, Y.; Xia, Y.; Liu, Z. Active Disturbance Rejection Position Control for a Magnetic Rodless Pneumatic Cylinder. IRE Trans. Ind. Electron. 2015, 62, 5838–5846. [Google Scholar] [CrossRef]
- Li, J.; Qi, X.; Xia, Y.; Pu, F.; Chang, K. Frequency domain stability analysis of nonlinear active disturbance rejection control system. ISA Trans. 2015, 56, 188–195. [Google Scholar] [CrossRef] [PubMed]
- Wu, D.; Chen, K. Limit cycle analysis of active disturbance rejection control system with two nonlinearities. ISA Trans. 2014, 53, 947–954. [Google Scholar] [CrossRef] [PubMed]
- Li, J.; Xia, Y.; Qi, X.; Gao, Z. On the necessity, Scheme, and Basis of the Linear-Nonlinear Switching in Active Disturbance Rejection Control. IRE Trans. Ind. Electron. 2017, 64, 1425–1435. [Google Scholar] [CrossRef]
- Li, J.; Xia, Y.; Qi, X.; Zhao, P. Robust absolute stability analysis for interval nonlinear active disturbance rejection based control system. ISA Trans. 2017, 69, 122–130. [Google Scholar] [CrossRef] [PubMed]














| Parameter | Symbol | Value | Unit |
|---|---|---|---|
| Sprung mass | ma1 | 25,649 | Kg |
| Boom mass | ma2 | 4249 | Kg |
| Unsprung mass | mw | 650 | Kg |
| Stiffness of suspension spring | ks | 130,000 | N/m |
| Damping of suspension | cs | 38,500 | N/m |
| Stiffness coefficient of tire | kt | 1.9 × 106 | N/m |
| Equivalent pitching moment of inertia | Iφ | 78,593 | Kg m2 |
| Equivalent rolling moment of inertia | Iφ | 26,506 | Kg m2 |
| Wheel tread | l | 2.15 | m |
| Distance of front axle and mass center of chassis | a | 3.65 | m |
| Distance of middle axle and mass center of chassis | b | 1.05 | m |
| Distance of rear axle and mass center of chassis | c | 2.70 | m |
| Distance of hinge of boom and mass center of chassis | d | 3.12 | m |
| Luffing angle of boom | δ | 85 | ° |
| Rotating angle of boom | γ | 0 | ° |
| Length of boom | B | 18 | m |
| Distance of hinge point of boom and mass center of boom | B1 | 8.4 | m |
| Angle between jet reaction force and horizontal direction | α | 20 | ° |
| Angle between jet reaction force and vertical direction | β | 45 | ° |
| Area of fire monitor outlet | s | 3.11 × 10−3 | m2 |
| Passive | ADRC | MADRC | |
|---|---|---|---|
| vertical displacement (mm) | 2.638 | 1.140(↓56.78%) | 0.786(↓70.20%) |
| pitch angle | 0.077 | 0.048(↓37.84%) | 0.016(↓79.22%) |
| roll angle | 0.477 | 0.205(↓56.92%) | 0.107(↓77.57%) |
| Vertical Displacement/mm | Pitch Angle/° | Roll Angle/° | |
|---|---|---|---|
| Conventional model | 11.17 | 0.29 | 0.68 |
| Integrated model | 8.96 | 0.23 | 0.37 |
| Difference | 2.21 | 0.06 | 0.31 |
| Performance improvement | 19.8% | 20.7% | 45.6% |
| Parameters | Value |
|---|---|
| Vehicle type | JP32G |
| Weight/kg | 29,898 |
| Chassis type | XPD36 |
| Number of axles | 3 |
| Number of wheels | 6 |
| Number of drive wheels | 6 |
| Tire specification | 445/95R25 |
| Wheelbase of first and second axle /mm | 4700 |
| Wheelbase of second and third axle /mm | 1650 |
| Wheel tread /mm | 2150 |
| Pitch Angle/° | Roll Angle/° | |||
|---|---|---|---|---|
| One side | Two sides | One side | Two sides | |
| Passive suspension | 0.73 | 1.85 | 1.68 | 0.55 |
| Integrated spray-active suspension | 0.65 | 1.41 | 1.29 | 0.46 |
| Difference | 0.08 | 0.44 | 0.39 | 0.08 |
| Performance improvement | 10.9% | 23.7% | 23.2% | 16.3% |
Publisher’s Note: MDPI stays neutral with regard to jurisdictional claims in published maps and institutional affiliations. |
© 2022 by the authors. Licensee MDPI, Basel, Switzerland. This article is an open access article distributed under the terms and conditions of the Creative Commons Attribution (CC BY) license (https://creativecommons.org/licenses/by/4.0/).
Share and Cite
Zhu, J.; Zhao, D.; Liu, S.; Zhang, Z.; Liu, G.; Chang, J. Integrated Control of Spray System and Active Suspension Systems Based on Model-Assisted Active Disturbance Rejection Control Algorithm. Mathematics 2022, 10, 3391. https://doi.org/10.3390/math10183391
Zhu J, Zhao D, Liu S, Zhang Z, Liu G, Chang J. Integrated Control of Spray System and Active Suspension Systems Based on Model-Assisted Active Disturbance Rejection Control Algorithm. Mathematics. 2022; 10(18):3391. https://doi.org/10.3390/math10183391
Chicago/Turabian StyleZhu, Jianxu, Dingxuan Zhao, Shuang Liu, Zilong Zhang, Guangyu Liu, and Jinming Chang. 2022. "Integrated Control of Spray System and Active Suspension Systems Based on Model-Assisted Active Disturbance Rejection Control Algorithm" Mathematics 10, no. 18: 3391. https://doi.org/10.3390/math10183391
APA StyleZhu, J., Zhao, D., Liu, S., Zhang, Z., Liu, G., & Chang, J. (2022). Integrated Control of Spray System and Active Suspension Systems Based on Model-Assisted Active Disturbance Rejection Control Algorithm. Mathematics, 10(18), 3391. https://doi.org/10.3390/math10183391
