Implementation of ANN Controller Based UPQC Integrated with Microgrid
Abstract
:1. Introduction
- The combined control of a PV-Battery-UPQC based ANN control system.
- Simultaneously voltage and current quality improvement using the proposed intelligent controller.
- Comparison between synchronous reference frame (SRF) and Artificial neural network (ANN) based controller.
- Designing and implementing an intelligent and cost-effective control technique for achieving better results for power quality improvement.
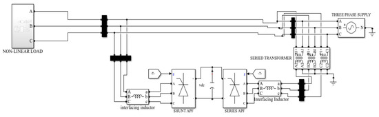
2. Configuration of System Integrated with UPQC
2.1. Maximum Power Point Tracking MPPT
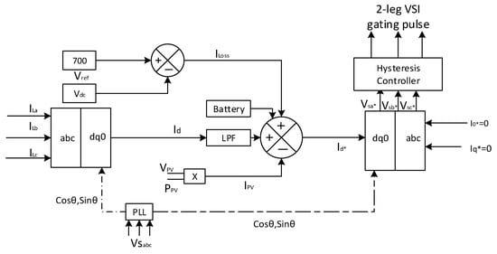
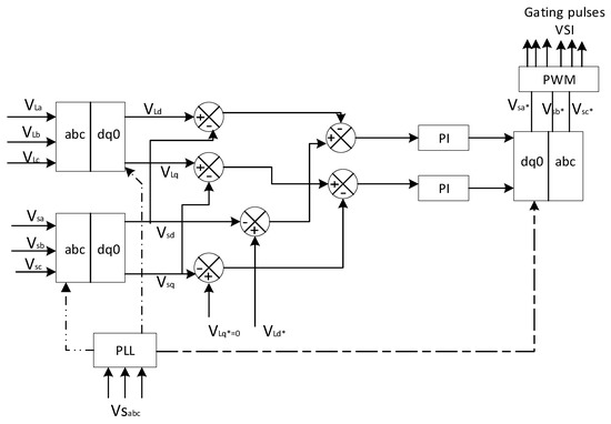
2.2. Control Algorithm of UPQC
2.2.1. Control Algorithm of UPQC Based on SRF
Control Technique of Shunt Compensator
Control Technique of Series Compensator
2.3. Control Algorithm of UPQC Based on ANN
- For creating and training the ANN model, the built-in command in MATLAB environment (nftool) is used, and its working is explained in Figure 7. Moreover the performance analyzed by looking at its mean square error and regression curve analysis.
- The network automatically sets by default based on the number of samples, 70% of samples for training, 15% for validation and 15% for testing.
- The size of the system can be selected according to the hidden layer selected for training the network. The number of neurons can be changed if the system does not perform well after training.
- The training will be continued until the generalization stops improving and the number of iterations has completed its desired epochs. It can be stopped by evaluating the mean square error; if it is small enough, then the user can stop it.
- After successful training the Simulink model can be created.
2.3.1. Balancing of DC-Link
2.3.2. Shunt Controller Based on ANN
2.3.3. Series Controller Based on ANN
3. Designing and Configuration of System
3.1. Design of PV & Battery
3.1.1. dc-Link Voltage Magnitude
3.1.2. Selection of Cdc
3.1.3. Shunt Compensator Interfacing Inductor
3.1.4. Injection Transformer
4. Results and Discussions
4.1. At Load Unbalanced Conditions
4.2. At Unbalanced Mitigation
4.3. At Sag Condition
4.4. At Swell Condition
4.5. Injected Voltage of Series Converter
4.6. Injected Current of Shunt Converter
4.7. Voltage Balancing of Capacitor
4.8. Total Harmonic Distortion
5. Conclusions
Author Contributions
Funding
Institutional Review Board Statement
Informed Consent Statement
Data Availability Statement
Conflicts of Interest
Nomenclature
| APF | Active power filter |
| ANFIS | Adaptive neuro fuzzy inference |
| MG | Micro grid system |
| MGU | Utility connected micro grid system |
| PQ | Power Quality |
| ANN | Artificial neural network |
| ANNMPC | Artificial Neural Model predictive control |
| PCC | Point of common coupling |
| UPQC | Unified power quality conditioner |
| VSI | Voltage source inverter |
| SRF | Synch nous reference frame |
| THD | Total harmonic distortion |
| MPPT | Maximum power point tracking |
| HPF | High pass filter |
| LPF | Low Pass Filter |
| MAF | Moving average filter |
| Voc | Open circuit voltage |
| ISC | Short circuit current |
| VSabc | Supply Voltages |
| IPVg | PV Current |
| PV | Photovoltaic Array |
| PPV | Photovoltaic Power |
| Ib | Battery Current |
| Idc | Dc Current |
| PWM | Pulse Width Modulation |
| VDC | Dc link Voltage |
| Vref | Reference Voltage |
| PI | Proportional Integral |
| LVRT | Low voltage ride through |
| SWT | synch squeezing wavelet transform |
| FACTS | Flexible AC transmission system |
| CPD | Custom power device |
| DVR | Distorted Voltage Regulator |
| APC | Active Power Conditioner |
| AVC | Active Voltage Conditioner |
| PLL | Phase Locked Loop |
| DSTATCOM | Distribution Static Synch nous Compensator |
| IAR | Instantaneous Active-Reactive |
| FFT | Fast Fourier Transform |
| UVT | Unit Vector Template |
| DWT | Discreet Wavelet Transform |
| ECA | Exponential Composition Algorithm |
References
- Devassy, S.; Singh, B. Design and Performance Analysis of Three-Phase Solar PV Integrated UPQC. IEEE Trans. Ind. Appl. 2018, 54, 73–81. [Google Scholar] [CrossRef]
- Devi, S.C.; Chandrakala, S.; Shah, P.; Devassy, S.; Singh, B. Solar PV array integrated UPQC for power quality improvement based on modified GI. In Proceedings of the 2020 IEEE 9th Power India International Conference (PIICON), Sonepat, India, 28 February–1 March 2020; pp. 1–6. [Google Scholar]
- Kinhal, V.G.; Agarwal, P.; Gupta, H.O.; Member, S. Performance Investigation of Neural-Network-Based Unified Power-Quality Conditioner. IEEE Trans. Power Deliv. 2011, 26, 431–437. [Google Scholar] [CrossRef]
- Kaushal, J.; Basak, P. Power quality control based on voltage sag/swell, unbalancing, frequency, THD and power factor using artificial neural network in PV integrated AC microgrid. Sustain. Energy Grids Netw. 2020, 23, 100365. [Google Scholar] [CrossRef]
- Gupta, N.; Seethalekshmi, K. Artificial neural network and synchrosqueezing wavelet transform based control of power quality events in distributed system integrated with distributed generation sources. Int. Trans. Electr. Energy Syst. 2021, 31, e12824. [Google Scholar] [CrossRef]
- Kumar, A.S.; Rajasekar, S.; Raj, P.A.-D.-V. Power Quality Profile Enhancement of Utility Connected Microgrid System Using ANFIS-UPQC. Procedia Technol. 2015, 21, 112–119. [Google Scholar] [CrossRef] [Green Version]
- Khadkikar, V. Enhancing electric power quality using UPQC: A comprehensive overview. IEEE Trans. Power Electron. 2012, 27, 2284–2297. [Google Scholar] [CrossRef]
- Han, B.; Bae, B.; Kim, H.; Baek, S. Combined operation of unified power-quality conditioner with distributed generation. IEEE Trans. Power Deliv. 2006, 21, 330–338. [Google Scholar] [CrossRef]
- Kesler, M.; Ozdemir, E. Synchronous-reference-frame-based control method for UPQC under unbalanced and distorted load conditions. IEEE Trans. Ind. Electron. 2011, 58, 3967–3975. [Google Scholar] [CrossRef]
- Lu, Y.; Xiao, G.; Wang, X.; Blaabjerg, F.; Lu, D. Control strategy for single-phase transformerless three-leg unified power quality conditioner based on space vector modulation. IEEE Trans. Power Electron. 2016, 31, 2840–2849. [Google Scholar] [CrossRef]
- Shukla, S.; Mishra, S.; Singh, B.; Kumar, S. Implementation of empirical mode decomposition based algorithm for shunt active filter. IEEE Trans. Ind. Appl. 2017, 53, 2392–2400. [Google Scholar] [CrossRef]
- Rahmani, B.; Li, W.; Liu, G. A wavelet-based unified power quality conditioner to eliminate wind turbine non-ideality consequences on grid-connected photovoltaic systems. Energies 2016, 9, 390. [Google Scholar] [CrossRef] [Green Version]
- Sindhu, S.; Sindhu, M.R.; Nambiar, T.N.P. An Exponential Composition Algorithm Based UPQC for Power Quality Enhancement. Procedia Technol. 2015, 21, 415–422. [Google Scholar] [CrossRef] [Green Version]
- Rao, R.V.D.R.; Pragaspathy, S. Enhancement of electric power quality using UPQC with adaptive neural network model predictive control. In Proceedings of the 2022 International Conference on Electronics and Renewable Systems (ICEARS), Tuticorin, India, 16–18 March 2022; pp. 233–238. [Google Scholar]
- Dheeban, S.S.; Selvan, N.B.M. ANFIS-based Power Quality Improvement by Photovoltaic Integrated UPQC at Distribution System. IETE J. Res. 2021, 1–19. [Google Scholar] [CrossRef]
- Aryanezhad, M.; Ostadaghaee, E. Robustness of unified power quality conditioner by neural network based on admittance estimation. Appl. Soft Comput. 2021, 107, 107420. [Google Scholar] [CrossRef]
- Vinnakoti, S.; Kota, V.R. Implementation of artificial neural network based controller for a five-level converter based UPQC. Alex. Eng. J. 2018, 57, 1475–1488. [Google Scholar] [CrossRef]
- Vinnakoti, S.; Kota, V.R. ANN based control scheme for a three-level converter based unified power quality conditioner. J. Electr. Syst. Inf. Technol. 2018, 5, 526–541. [Google Scholar] [CrossRef]
- Devassy, S.; Singh, B. Performance Analysis of Solar PV Array and Battery Integrated Unified Power Quality Conditioner for Microgrid Systems. IEEE Trans. Ind. Electron. 2021, 68, 4027–4035. [Google Scholar] [CrossRef]
- Kumar, R.; Bansal, H.O. Real-time implementation of adaptive PV-integrated SAPF to enhance power quality. Int. Trans. Electr. Energy Syst. 2019, 29, e12004. [Google Scholar] [CrossRef]
- Selmi, T.; Abdul-niby, M. P&O MPPT Implementation Using MATLAB/Simulink. In Proceedings of the 2014 Ninth International Conference on Ecological Vehicles and Renewable Energies (EVER), Monte-Carlo, Monaco, 25–27 March 2014; pp. 1–4. [Google Scholar]
- Kumar, A.; Mishra, V.M.; Ranjan, R. Low voltage ride through capability and power quality improvement in grid connected PV system using ANN tuned UPQC. In Proceedings of the 2021 IEEE 4th International Conference on Computing, Power and Communication Technologies (GUCON), Kuala Lumpur, Malaysia, 24–26 September 2021; pp. 1–6. [Google Scholar]


























| Parameter | Value | |
|---|---|---|
| Source | Frequency Peak to peak voltage | 50 Hz 415 Vrms |
| Load | Three phase unbalanced Non-Linear load | PLa = 3 KW, QLA = 9 kVAR PLb = 4 kW, QLB = 10 kVAR PLc = 4 kW, QLC = 10 kVAR P = 14 kW, QL = 1 kVAR |
| Series injection transformer | 10 KVA | |
| Shunt interfacing inductor | 15 mH | |
| Series interfacing inductor | 5 mH | |
| DC-link Capacitor | 6.6 mF |
| Parameters | Fundamental Component | % THD | |||
|---|---|---|---|---|---|
| Before | After | Before | After | ||
| SRF Source voltage | B | 342.9 | 342 | 14.27 | 3.56 |
| R | 342.8 | 340.1 | 15.5 | 3.56 | |
| G | 341.7 | 340.1 | 15.4 | 3.6 | |
| SRF Supply currents | B | 16.95 | 106.6 | 24.2 | 8.64 |
| R | 17.22 | 107.3 | 24.1 | 8.64 | |
| G | 15.46 | 109.4 | 24.1 | 8.1 | |
| ANN source voltage | B | 342.9 | 339.1 | 14.27 | 0.72 |
| R | 342.8 | 338 | 15.5 | 0.71 | |
| G | 341.7 | 339.1 | 15.4 | 0.71 | |
| ANN supply currents | B | 16.95 | 99.75 | 23.76 | 2.97 |
| R | 17.22 | 101.1 | 22.4 | 2.96 | |
| G | 15.48 | 102.2 | 22.8 | 2.97 | |
| Features | UPQC (Based on SRF Controller) | UPQC (Based on ANN Controller) |
|---|---|---|
| %THD | 3.56 | 0.70 |
| Complexity | High | Low |
| Process of Controlling | slower | Fast |
| Dynamic response | Low level | High Level |
| Accuracy | Low level | High Level |
Publisher’s Note: MDPI stays neutral with regard to jurisdictional claims in published maps and institutional affiliations. |
© 2022 by the authors. Licensee MDPI, Basel, Switzerland. This article is an open access article distributed under the terms and conditions of the Creative Commons Attribution (CC BY) license (https://creativecommons.org/licenses/by/4.0/).
Share and Cite
Mahar, H.; Munir, H.M.; Soomro, J.B.; Akhtar, F.; Hussain, R.; Elnaggar, M.F.; Kamel, S.; Guerrero, J.M. Implementation of ANN Controller Based UPQC Integrated with Microgrid. Mathematics 2022, 10, 1989. https://doi.org/10.3390/math10121989
Mahar H, Munir HM, Soomro JB, Akhtar F, Hussain R, Elnaggar MF, Kamel S, Guerrero JM. Implementation of ANN Controller Based UPQC Integrated with Microgrid. Mathematics. 2022; 10(12):1989. https://doi.org/10.3390/math10121989
Chicago/Turabian StyleMahar, Hina, Hafiz Mudasir Munir, Jahangir Badar Soomro, Faheem Akhtar, Rashid Hussain, Mohamed F. Elnaggar, Salah Kamel, and Josep M. Guerrero. 2022. "Implementation of ANN Controller Based UPQC Integrated with Microgrid" Mathematics 10, no. 12: 1989. https://doi.org/10.3390/math10121989
APA StyleMahar, H., Munir, H. M., Soomro, J. B., Akhtar, F., Hussain, R., Elnaggar, M. F., Kamel, S., & Guerrero, J. M. (2022). Implementation of ANN Controller Based UPQC Integrated with Microgrid. Mathematics, 10(12), 1989. https://doi.org/10.3390/math10121989

