A Frequency Regulation Strategy for Thermostatically Controlled Loads Combining Differentiated Deadband and Dynamic Droop Coefficients
Abstract
1. Introduction
- (1)
- Frequency Regulation Implemented Exclusively by Load Management
- (2)
- Frequency Regulation Implemented by Coordination of Load and Generators
- The operating mechanism of TCLs and the frequency response characteristics of thermal power units are analyzed, establishing a coordinated frequency regulation principle between TCLs and thermal power generation units based on the concept of “rapid compensation for deficiency.” This represents a significant improvement over conventional independent control strategies by enabling faster and more coordinated responses to frequency disturbances.
- A system nodal frequency considering the integration of renewable energy into the network is derived, and a method for setting TCL deadbands based on nodal frequency is proposed. This approach overcomes the limitations of traditional uniform deadband settings by accounting for spatial and temporal frequency variations in renewable-rich power systems.
- A dynamic droop coefficient adaptive tuning method for TCL frequency regulation is developed, enabling control parameters to be adaptively adjusted according to the regulation capability of TCLs. This innovation substantially enhances conventional fixed-coefficient methods by providing real-time self-adaptation to changing system conditions and available regulation resources.
2. Frequency Regulation Requirements Analysis of TCLs
2.1. Operational Principles Analysis of TCLs
2.2. Analysis of Frequency Response Characteristics of Thermal Power Generation Units
2.3. Frequency Regulation Principles of TCLs
- The deviation between nodal frequencies and the system COI frequency increases, and if the actuation deadbands are improperly set, TCLs are prone to undesired activations;
- TCLs vary in real time according to user behavior, and conventional fixed-parameter approaches may fail to fully exploit their regulation capability, preventing optimal frequency regulation.
3. Differentiated Deadband Setting Method Based on Nodal Frequency
3.1. Modeling of System Nodal Frequency
- Synchronous Generator Model
- 2.
- Load Model
- 3.
- Renewable Energy Source Model
- 4.
- Typical System Nodal Frequency Model Considering Renewable Energy
3.2. Differentiated Deadband Setting for Nodal Frequencies
4. Adaptive Tuning Method for Dynamic Droop Coefficients
4.1. Performance Indices for Frequency Regulation Strategies
- Maximum Frequency Deviation Δfdev_max
- Steady-State Frequency Deviation Δfdev_ss
- False Activation Rate R
- Energy Metric ΔWCL
4.2. Adaptive Droop Coefficient Tuning
5. TCL Frequency Regulation Control Strategy
6. Case Studies
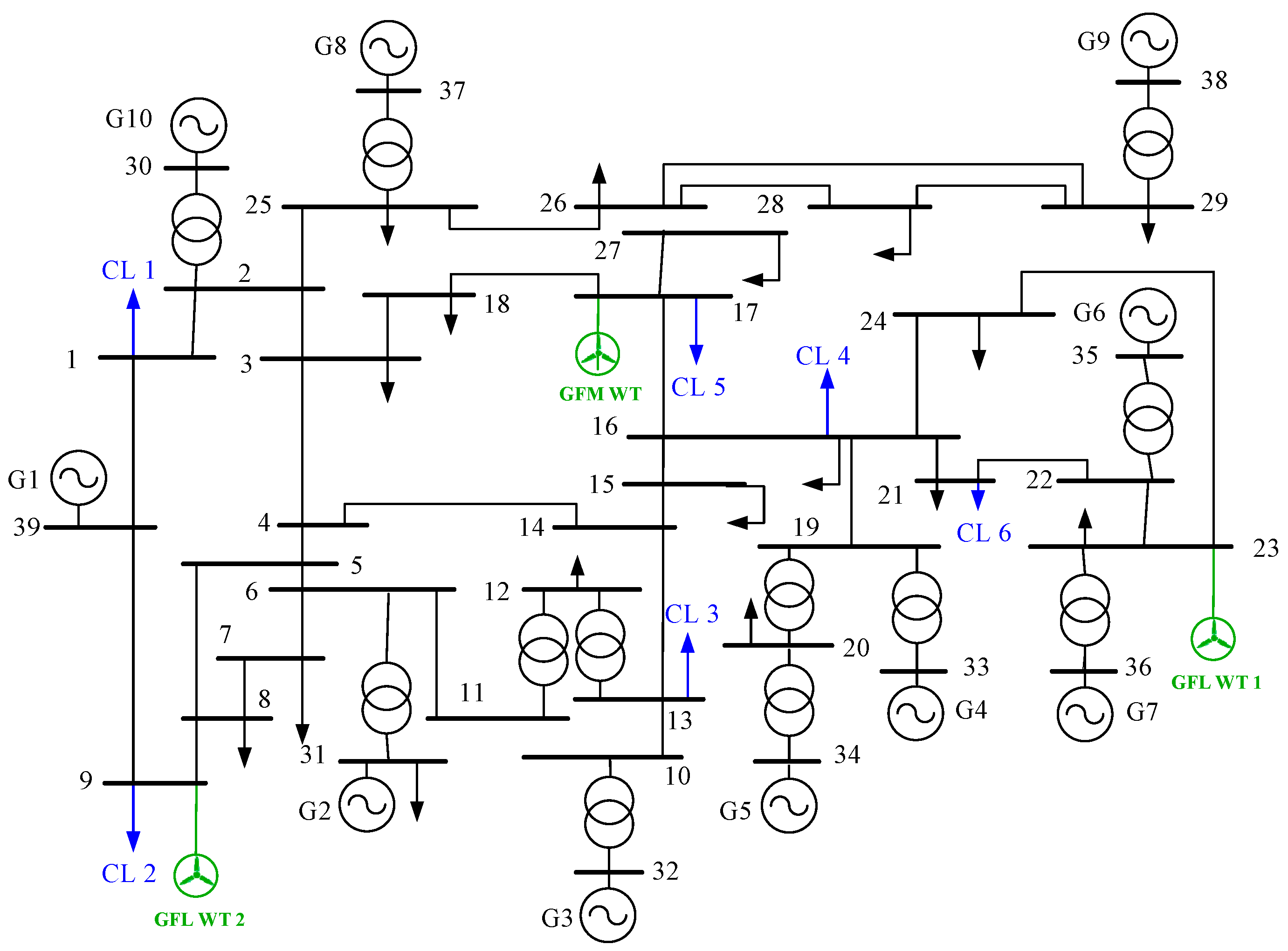
6.1. Case Background
6.2. Verification of Differentiated Deadband Effects
- No frequency regulation deadband: The deadband is set to 0.
- Fixed deadband: Based on the load fluctuations in the first condition, a fixed deadband of ±0.03 Hz is applied.
- Differentiated deadband: Building on the fluctuation data from the first condition, the frequency variation ranges at each monitoring node in the system are statistically analyzed. The maximum and minimum frequency deviations among all nodes are identified, and the largest absolute deviation from the steady-state frequency value is taken as the deadband width.
6.3. Effectiveness Verification of TCL Frequency Regulation Strategy Under Multiple Disturbance Scenarios
- Strategy 1: TCLs participate in frequency regulation with a fixed droop coefficient and no deadband.
- Strategy 2: TCLs participate in frequency regulation with a fixed droop coefficient and a differentiated deadband.
- Strategy 3: TCLs participate in frequency regulation with a dynamic droop coefficient and a differentiated deadband.
7. Conclusions
- The proposed differentiated deadband strategy effectively prevents TCL misoperation compared to conventional configurations;
- The developed TCL regulation strategy outperforms alternative approaches in elevating frequency nadir and improving the dynamic frequency response;
- The proposed evaluation metrics provide an accurate and comprehensive assessment of regulation effectiveness, TCL utilization efficiency, and user impact, with the strategy exhibiting excellent performance across all indices.
Author Contributions
Funding
Data Availability Statement
Conflicts of Interest
References
- Xu, D.; Wu, Z.; Guan, L.; Yanling, L. Distributionally robust frequency constrained unit commitment considering load side frequency support. Power Syst. Prot. Control 2025, 9, 1–13. [Google Scholar]
- Zhang, Z.; Zhang, N.; Du, E.; Kang, C.; Wang, Z. Review and Countermeasures on Frequency Security Issues of Power Systems with High Shares of Renewables and Power Electronics. Proc. CSEE 2022, 42, 1–25. [Google Scholar]
- Wang, Q.; Yu, P.; Guo, J.; Zhang, Z.; Li, J.; Wang, Z. The Wind Turbine Participates in the Virtual Inertia Optimization Control of the System’s Primary Frequency Modulation. Proc. CSEE 2025, 45, 6368–6380. [Google Scholar]
- Shi, Q.; Li, F.; Liu, G.; Shi, D.; Yi, Z.; Wang, Z. Thermostatic Load Control for System Frequency Regulation Considering Daily Demand Profile and Progressive Recovery. IEEE Trans. Smart Grid 2019, 10, 6259–6270. [Google Scholar] [CrossRef]
- Chakravorty, D.; Chaudhuri, B.; Hui, S.Y.R. Rapid Frequency Response From Smart Loads in Great Britain Power System. IEEE Trans. Smart Grid 2017, 8, 2160–2169. [Google Scholar] [CrossRef]
- Liu, Y.; Wu, Z.; Lai, X.; Xu, D. Cooperative control strategy for heterogeneous air-conditioning loads participating infrequency regulation of multi-area power systems. Power Syst. Prot. Control 2025, 53, 47–57. [Google Scholar]
- Bao, Y.; Yao, Z. Probability Control Strategy of Temperature Set-Point for Air Conditioning Load Participating in Frequency Regulation of Power System. Autom. Electr. Power Syst. 2023, 47, 69–78. [Google Scholar]
- Schweppe, F.C.; Tabors, R.D.; Kirtley, J.L.; Outhred, H.R.; Pickel, F.H.; Cox, A.J. Homeostatic Utility Control. IEEE Trans. Power Appar. Syst. 1980, PAS-99, 1151–1163. [Google Scholar] [CrossRef]
- Sun, Y.; Li, Z.; Liu, D.; Li, B.; Li, D.; Zheng, A. An Optimization Control Strategy for Intelligent UFLS Using Dynamically Aggregated Controllable Loads. Proc. CSEE 2018, 38, 1913–1921+2207. [Google Scholar]
- Vorwerk, J.; Markovic, U.; Aristidou, P.; Vrettos, E.; Hug, G. Modelling of variable-speed refrigeration for fast-frequency control in low-inertia systems. IET Smart Grid 2020, 3, 924–936. [Google Scholar] [CrossRef]
- Ranginkaman, S.; Mashhour, E.; Saniei, M. Bidding strategy of the virtual power plant consisting of thermal loads controlled by thermostats for providing primary frequency control ancillary service. Sustain. Energy Grids Netw. 2024, 38, 101242. [Google Scholar] [CrossRef]
- Muhssin, M.T.; Cipcigan, L.M.; Jenkins, N.; Slater, S.; Cheng, M.; Obaid, Z.A. Dynamic Frequency Response from Controlled Domestic Heat Pumps. IEEE Trans. Power Syst. 2018, 33, 4948–4957. [Google Scholar] [CrossRef]
- Zhou, T.; Zhou, Y.; Wang, S.; Zhang, N. Review on Synthetic Inertia Support of Inverter-Based Thermostatically Controlled Loads Participating in Power System Frequency Regulation. Proc. CSEE 2025, 1–26. [Google Scholar] [CrossRef]
- Wu, X.; He, J.; Xu, Y.; Lu, J.; Lu, N.; Wang, X. Hierarchical Control of Residential HVAC Units for Primary Frequency Regulation. IEEE Trans. Smart Grid 2018, 9, 3844–3856. [Google Scholar] [CrossRef]
- Liu, M.; Chu, X.; Zhang, W.; Wang, H. Cooperative Generation-Load Frequency Control Strategy Accounting for Power Network Constraints. Trans. China Electrotech. Soc. 2016, 31, 195–205. [Google Scholar]
- Wang, S.; Tomsovic, K. Fast Frequency Support from Wind Turbine Generators with Auxiliary Dynamic Demand Control. IEEE Trans. Power Syst. 2019, 34, 3340–3348. [Google Scholar] [CrossRef]
- Shi, Q.; Cui, H.; Li, F.; Liu, Y.; Ju, W.; Sun, Y. Hohai University A hybrid dynamic demand control strategy for power system frequency regulation. CSEE J. Power Energy Syst. 2017, 3, 176–185. [Google Scholar] [CrossRef]
- Wang, D.; Zhang, X.; Liu, Q.; Yu, T.; Pan, Z. Ensemble Learning for Generation-Consumption Coordinated Frequency Control in an Islanded Microgrid. Autom. Electr. Power Syst. 2018, 42, 46–52. [Google Scholar]
- Liu, M.; Li, Y.; Li, N.; Li, K.; Hong, Z.; Yang, W. Adaptive Frequency Control Strategy for the Coordination of Flexible Loads and Grid-Forming Wind Turbines. In Proceedings of the 3rd International Conference on Power Science and Technology (ICPST), Kunming, China, 16–18 May 2025; IEEE: Piscataway, NJ, USA, 2005. [Google Scholar]
- Lou, P.; Bian, X.; Cui, Y.; Wang, X.; Lin, F.; Zhao, Y. Optimal control strategy of source-load coordinated frequency regulation in microgrid considering ancillary service. Electr. Power Autom. Equip. 2022, 42, 156–163+177. [Google Scholar]
- Han, L.; Xu, G.; Wang, C.; Bi, T. Correlation Analysis and Distribution Characterization of Frequency Regulation Resources and Frequency Spatiotemporal Dynamics in Renewable Energy Power Systems. Proc. CSEE 2025, 45, 5106–5119. [Google Scholar]
- Li, W.; Ding, Q. A Preliminary Research on the Representation Form of Spatial-Temporal Distribution Characteristics of Power System Inertia Under Large Disturbances. Proc. CSEE 2024, 44, 4601–4615. [Google Scholar]
- Wu, X.; Li, Z.; Liu, F.; Zhu, L.; Duan, F.; Fan, W. Analysis of the emergency control strategy of system frequency considering system frequency distribution characteristics under large power disturbance. Power Syst. Prot. Control 2021, 49, 104–114. [Google Scholar]
- Liu, M.; Xie, X.; Yang, W.; Xu, F.; Gao, S.; Ding, L.; Liang, H. A two-level optimal scheduling control strategy for air source heat pump loads with phase change energy storage. IET Gener. Transm. Distrib. 2025, 19, e70004. [Google Scholar] [CrossRef]
- Li, C.; Feng, C.; Li, J.; Hu, D.; Zhu, X. Comprehensive frequency regulation control strategy of thermal power generating unit and ESS considering flexible load simultaneously participating in AGC. J. Energy Storage 2023, 58, 106394. [Google Scholar] [CrossRef]
- Anderson, P.; Mirheydar, M. A low-order system frequency response model. IEEE Trans. Power Syst. 1990, 5, 720–729. [Google Scholar] [CrossRef]
- Li, C.; Liu, Y.; Zhang, H.; Li, C.; Liu, Y.; Zhang, H.; Zhuang, K.; Cao, L.; Huang, Z. Power System Frequency Response Analysis Based on the Direct Current Loadflow. CSEE J. Power Energy Syst. 2009, 29, 36–41. [Google Scholar]
- Liu, W. Power System Frequency Regulation and Automatic Generation Control; China Electric Power Press: Beijing, China, 2006. [Google Scholar]
















| Bus No. | Deadband Width (Hz) | ||
|---|---|---|---|
| No Deadband | Fixed Deadband | Differentiated Deadband | |
| 1 | 0 | 0.0300 | 0.0319 |
| 9 | 0 | 0.0300 | 0.0321 |
| 13 | 0 | 0.0300 | 0.0297 |
| 16 | 0 | 0.0300 | 0.0274 |
| 17 | 0 | 0.0300 | 0.0279 |
| 21 | 0 | 0.0300 | 0.0270 |
| Bus No. | 1 | 9 | 13 | 16 | 17 | 21 | |
|---|---|---|---|---|---|---|---|
| False Operation | No Deadband | Yes | Yes | Yes | Yes | Yes | Yes |
| Fixed Deadband | No | No | Yes | Yes | Yes | Yes | |
| Differentiated Deadband | No | No | No | No | No | No | |
| Bus No. | Droop Coefficient (MW/Hz) | ||
|---|---|---|---|
| Strategy 1 | Strategy 2 | Strategy 3 | |
| 1 | 30 | 30 | 519 |
| 9 | 30 | 30 | 130 |
| 13 | 30 | 30 | 367 |
| 16 | 30 | 30 | 110 |
| 17 | 30 | 30 | 90 |
| 21 | 30 | 30 | 48 |
| Bus No. | Droop Coefficient (MW/Hz) | ||
|---|---|---|---|
| Strategy 1 | Strategy 2 | Strategy 3 | |
| 1 | 30 | 30 | 211.1 |
| 9 | 30 | 30 | 60 |
| 13 | 30 | 30 | 165.1 |
| 16 | 30 | 30 | 60 |
| 17 | 30 | 30 | 57.1 |
| 21 | 30 | 30 | 22 |
| Bus No. | Droop Coefficient (MW/Hz) | ||
|---|---|---|---|
| Strategy 1 | Strategy 2 | Strategy 3 | |
| 1 | 30 | 30 | 129.1 |
| 9 | 30 | 30 | 29.1 |
| 13 | 30 | 30 | 103.1 |
| 16 | 30 | 30 | 49.1 |
| 17 | 30 | 30 | 26 |
| 21 | 30 | 30 | 31.1 |
| Bus No. | Droop Coefficient (MW/Hz) | ||
|---|---|---|---|
| Strategy 1 | Strategy 2 | Strategy 3 | |
| 1 | 30 | 30 | 81.1 |
| 9 | 30 | 30 | 40 |
| 13 | 30 | 30 | 90 |
| 16 | 30 | 30 | 40 |
| 17 | 30 | 30 | 40 |
| 21 | 30 | 30 | 39 |
Disclaimer/Publisher’s Note: The statements, opinions and data contained in all publications are solely those of the individual author(s) and contributor(s) and not of MDPI and/or the editor(s). MDPI and/or the editor(s) disclaim responsibility for any injury to people or property resulting from any ideas, methods, instructions or products referred to in the content. |
© 2025 by the authors. Licensee MDPI, Basel, Switzerland. This article is an open access article distributed under the terms and conditions of the Creative Commons Attribution (CC BY) license (https://creativecommons.org/licenses/by/4.0/).
Share and Cite
Liu, M.; Gao, S.; Li, N.; Li, Y.; Sun, Y. A Frequency Regulation Strategy for Thermostatically Controlled Loads Combining Differentiated Deadband and Dynamic Droop Coefficients. Technologies 2025, 13, 510. https://doi.org/10.3390/technologies13110510
Liu M, Gao S, Li N, Li Y, Sun Y. A Frequency Regulation Strategy for Thermostatically Controlled Loads Combining Differentiated Deadband and Dynamic Droop Coefficients. Technologies. 2025; 13(11):510. https://doi.org/10.3390/technologies13110510
Chicago/Turabian StyleLiu, Meng, Song Gao, Na Li, Yudun Li, and Yuntao Sun. 2025. "A Frequency Regulation Strategy for Thermostatically Controlled Loads Combining Differentiated Deadband and Dynamic Droop Coefficients" Technologies 13, no. 11: 510. https://doi.org/10.3390/technologies13110510
APA StyleLiu, M., Gao, S., Li, N., Li, Y., & Sun, Y. (2025). A Frequency Regulation Strategy for Thermostatically Controlled Loads Combining Differentiated Deadband and Dynamic Droop Coefficients. Technologies, 13(11), 510. https://doi.org/10.3390/technologies13110510
