Next Article in Journal
Optimized Energy Management Strategy for an Autonomous DC Microgrid Integrating PV/Wind/Battery/Diesel-Based Hybrid PSO-GA-LADRC Through SAPF
Previous Article in Journal
Double Gold/Nitrogen Nanosecond-Laser-Doping of Gold-Coated Silicon Wafer Surfaces in Liquid Nitrogen
 
 
Font Type:
Arial Georgia Verdana
Font Size:
Aa Aa Aa
Line Spacing:
Column Width:
Background:
Article

Fault Diagnosis in a Four-Arm Delta Robot Based on Wavelet Scattering Networks and Artificial Intelligence Techniques

by
Claudio Urrea
* and
Carlos Domínguez
Electrical Engineering Department, Faculty of Engineering, University of Santiago of Chile (USACH), Las Sophoras 165, Estación Central, Santiago 9170020, Chile
*
Author to whom correspondence should be addressed.
Technologies 2024, 12(11), 225; https://doi.org/10.3390/technologies12110225
Submission received: 4 October 2024 / Revised: 29 October 2024 / Accepted: 6 November 2024 / Published: 8 November 2024

Abstract

This paper presents a comprehensive fault diagnosis approach for a delta robot utilizing advanced feature extraction and classification techniques. A four-arm delta robot prototype is designed in SolidWorks for realistic fault analysis. Two case studies investigate faults through control effort and vibration signals, with control effort detecting motor and encoder faults, while vibration signals identify bearing faults. This study compares time-domain signal features and wavelet scattering networks, applied by classification algorithms including wide neural networks (WNNs), efficient linear support vector machine (ELSVM), efficient logistic regression (ELR), and kernel naive Bayes (KNB). Results indicate that a WNN, using wavelet scattering features ranked by one-way anova, is optimal due to its consistency and reliability, while these features enhance computational efficiency by reducing classifier size. Sensitivity analysis demonstrates the classifier’s capacity to detect untrained faults, highlighting the importance of effective feature extraction and classification methods for fault diagnosis in complex robotic systems. This research significantly contributes to fault diagnosis in delta robots and lays the groundwork for future studies on fault tolerance control and predictive maintenance planning. Future work will focus on the physical implementation of the delta robot in laboratory settings, aiming to improve operational efficiency and reliability in industrial applications.

1. Introduction

Industrial automation has experienced significant growth in recent decades, driven by the adoption of industrial robots in various applications. These robots improve efficiency and precision in manufacturing and also enable the execution of dangerous or repetitive tasks, thereby reducing risks for human workers [1]. However, like any complex system, industrial robots are prone to failures.
The occurrence of faults in industrial robots can cause costly damage to manufacturing facilities and safety risks to workers and lead to production delays. Hence, implementing systems capable of diagnosing faults at an early stage is crucial to applying preventive maintenance routines that eliminate or reduce associated risks [2,3].
Fault diagnosis in industrial robots has become a highly relevant research field. Diagnostic methods are commonly classified into different categories, such as model-based, data-driven, and signal-based methods [4]. Recent advances in machine learning and artificial intelligence have enabled the development of more sophisticated techniques for fault diagnosis, enhancing the ability to detect and predict anomalies in robot operations.
Neural network-based methods have proven to be highly effective in fault diagnosis of complex industrial robots [5,6,7]. In [8], convolutional neural networks are used with both time-domain and time–frequency domain signals as inputs. The obtained results are compared with other deep learning algorithms, showing the superior accuracy of the proposed model. In [9], a back propagation multiclassification neural network-based method by taking feature fusion of position, attitude, and acceleration of the arm end-effector to establish the database for a neural network training is applied to a UR10. According to the authors, this algorithm achieves classification accuracies above 95% for each joint. A multi-joint attention residual network model was used by [10], with results showing superior classification percentages compared to some deep learning methods. On the other hand, [11] proposes a multiscale convolutional capsule network to learn discriminative features from the attitude data collected.
Support vector machines (SVMs) serve as the foundation for powerful supervised learning algorithms widely used in the field of fault diagnosis. Their ability to handle high-dimensional data and effectively separate classes allows for accurate and robust diagnoses under real operational conditions. These advantages have been supported by multiple studies [12,13] and are sometimes combined with other techniques such as principal component analysis (PCA) [14] and sparse auto-encoder [15], among others.
Another popular approach is the use of Bayesian networks, which are capable of handling uncertainties, making probabilistic predictions, and updating with new data, making them a valuable tool for fault diagnosis [16]. The integration of extreme learning machines (ELMs) with the level-based earning swarm optimizer (LLSO) becomes a powerful and efficient strategy. ELMs provide extremely fast training and the ability to model complex non-linear relationships, while the LLSO optimizes the model parameters to improve its accuracy and robustness [17].
In addition to artificial intelligence-based methods, other advanced techniques have been successfully applied, such as Bode equations vector fitting to estimate energy consumption patterns in the presence of faults [18]. In [19], a multiclass Mahalanobis–Taguchi system (MMTS) is used to classify categories by measuring the degree of deviation of the sample from the reference space. An integrated approach that contains two compact transformer networks is proposed by [20] to achieve accurate compound fault diagnosis in a six-axis industrial robot.
Although all these techniques are novel and efficient, they are primarily designed for serial manipulators. These methodologies, as conceived, would not yield satisfactory results if applied to parallel robots due to fundamental differences in their kinematic and dynamic structure.
Fault diagnosis in parallel robots requires a more specialized approach due to the complexity of their configuration. The redundancy and distribution of actuators, along with the interaction between parallel links, introduce interrelationships in the variables that must be considered. Therefore, it is necessary to develop specific methodologies that adapt to the unique structure of these manipulators to improve the effectiveness and accuracy of fault diagnosis.
An example of the application of parallel robots is in some three-dimensional printers that use linear delta robots. Several studies have analyzed fault diagnosis in these manipulators to prevent printing errors. In [21], support vector machine and back propagation neural network methods are compared, showing that the best accuracies are achieved with the SVM model using data from all channels. Additionally, [22] uses transfer support vector machines in such a printer, while [23] designs a double-structured echo state network for feature reinforcement and fault recognition.
Beyond the aforementioned works, the literature does not contemplate studies analyzing faults in industrial delta robots, despite their high susceptibility to wear and failures due to high operating speeds. Most of the research in the field of fault diagnosis has focused on serial robots, leaving a significant gap in the analysis and development of specific methodologies for parallel manipulators such as delta robots.
Considering this, the present research addresses the topic of fault diagnosis in parallel delta-type robots and proposes the use of wavelet scattering networks (WSNs) for the extraction of robust and invariant features that will be used in the classification of such faults. Wavelet scattering networks combine wavelet transform with convolutional networks, capturing essential features across multiple scales and resolutions.
Due to the high performance of this technique, it has been applied in various areas of knowledge. Several studies have used it in the identification of patterns in electroencephalogram signals [24,25]. It has also proven useful in fault diagnosis in circuits and rotating machinery [26,27]. In addition, [28] uses wavelet scattering networks to extract features from audio signals of a quadcopter and diagnose its structural condition, while [29] employs them for glaucoma detection in retinal fundus images, and [30] applies them in the classification of different Doppler signals.
Given the importance of delta robots in sectors such as assembly, packaging, and high-precision manufacturing, it is crucial to develop robust and efficient fault diagnosis techniques. This work aims to address the existing gap in the literature by contributing new methodologies adapted to the unique characteristics of this type of manipulator, thus improving their reliability and operational efficiency in industrial environments. The main contributions are:
  • The design in SolidWorks of a realistic prototype of a four-arm delta robot.
  • Two fault cases in the delta manipulator with different symptom variables are analyzed.
  • The selection of the fault features is performed using a time-domain method and wavelet scattering networks. The influence of each method on subsequent classification is analyzed.
  • The one-way anova and Kruskal–Wallis ranking methods are used, and it is demonstrated which is more appropriate in these fault cases.
  • Four classifiers based on neural networks, support vector machines, Bayesian inference, and linear regression are studied and compared.
  • The sensitivity of the classifiers and their capacity to detect untrained faults are analyzed.
The rest of this article is organized as follows: Section 2 describes the SolidWorks design of the robot under study. The faults analyzed for each case are presented in Section 3. All aspects related to the experimental design are detailed in Section 4. In Section 5, a stability analysis of the robot under fault and perturbed conditions is performed. Section 6 presents the results and analyzes their impact. Section 7 addresses the conclusions of this research, and the projections for future work are raised in Section 8.

2. Description and Design of the Delta Robot Under Study

A delta robot is a parallel manipulator in which a mobile platform is connected to a fixed base by identical kinematic chains. Each of these kinematic chains is composed of an arm connected by a revolution joint to a four-bar parallelogram link [31,32].
The advantage of this manipulator over others lies in the high speed and acceleration it can achieve. This is due to the characteristics of its design, making it the ideal robot for high-precision pick-and-place applications.
The robot analyzed in this research consists of four arms arranged at 90° to each other and has three degrees of freedom (DoF). The characteristics, geometric models, and the kinematic and dynamic analyses of this manipulator are not discussed in detail in this paper. For a more in-depth exploration of these topics, readers are referred to a previous work by the authors [33], which serves as the foundation for the new design presented in SolidWorks in this manuscript.
The goal of creating the mechanical design of the robot in this software is to incorporate a more realistic approach to the research, considering the possibility of a future physical implementation. SolidWorks 2024 SP1.0 was used to obtain the robot’s actual values in terms of weights, centers of mass, and inertias, which affect the relationship with gravitational force during the simulation.
Table 1 and Table 2 list the materials used and the dimensions of the manipulator, respectively. The design was exported to MATLAB/Simulink in its version R2023a, as shown in Figure 1, while Figure 2 displays the final assembly. If the reader would like to delve deeper into subjects related to the implemented controllers, please refer to [33].

3. Description of Analyzed Faults

Faults in industrial robots can occur due to various factors, including human errors, control system issues, or mechanical failures in the drive system. They can be grouped into two categories: logical faults and physical faults [34].
The first category is associated with errors in programming or activation of the control panel, which can lead to mistakes that might expose employees to injury risks. Programmers must be adequately informed about the process to achieve optimal installation and configuration of the robot. Likewise, operators must be well trained on the operation and maintenance of the manipulator to reduce the risk of human errors.
The second category occurs due to hardware failures in the robot, damage to electrical circuits, bearing wear, and other parts, as well as motor/gearbox failures.

3.1. Symptom Variables

In the presence of faults, significant changes are not always reflected in the outputs, especially if such faults are incipient or minor. Symptom variables are those where changes caused by the presence of faults are observed, and therefore, they are used for diagnosis [35].
Some characteristics that symptom variables should have are:
  • They must be sensitive to fault conditions, that is, they should show significant changes when a fault occurs in the system.
  • Ideally, a symptom variable should be specific to a type of fault to facilitate its precise identification. However, this is not always possible, and some variables may be sensitive to multiple types of faults.
  • They should be easy to monitor in real time or at regular intervals. This implies that the monitoring system must be designed to collect data from these variables without interfering with the normal operation of the system.
In this research, two cases are analyzed, considering that the symptom variables of the faults are different. In the first case, faults are identified by the corrective action of the control system, whose effort to maintain the output at the desired reference shows alterations when a malfunction occurs. In the second case under study, the symptom variable is the vibration measured in one of the arms of the manipulator.

3.2. Case 1: Control Effort as a Symptom Variable

3.2.1. Actuator Fault

For the simulation of this fault, a power cut to the servomotor of joint 4 was applied after five seconds of simulation. It corresponds to a failure that occurs abruptly, whose description is shown in Table 3.
This fault causes the motor to stop functioning, leaving the joint free and unresponsive to the control system. Figure 3 shows the outputs of the four actuated joints (q1, q2, q3, q4) in the presence of the fault in actuator 4. It can be verified that there is no substantial change in the joints’ outputs after the occurrence of the fault. However, in Figure 4, corresponding to the control efforts for each joint, the alteration due to the fault is notable, as explained in the previous section.
It can be observed that the control effort outputs for each joint are highly correlated. That is, a fault in one joint causes changes in the control effort of the others. This is logical, given the closed kinematic chain and high non-linearity of the delta robot.

3.2.2. Sensor Fault

Like other mechanical or electronic components, servomotors can suffer from failures. One of the most common is encoder failure. An encoder fault can cause poor position regulation of the shaft, leading to a loss of precision and inefficient servomotor performance. The characteristics of this fault can be seen in Table 4.
An encoder fault can occur for a variety of reasons, including:
  • Signal problems: this may be due to a loose connection or the presence of electromagnetic interference in the environment.
  • Mechanical damage: although the encoder is usually well protected at the rear of the servomotor, any impact on the servomotor shaft will affect the encoder and can cause significant damage to the encoding wheels or detection disks.
  • Contamination: the accumulation of dust, dirt, and other contaminants can obstruct the sensors and affect the accuracy of the output signal.
  • Electrical failure: electrical problems such as short circuits, surges, or wiring faults can damage the encoder’s electronic components.
  • Wear: over time, the mechanical and electronic components of the encoder may wear out and lose precision.
The fault is generated with random values. To analyze sensitivity, two fault magnitudes were created: small and medium.
  • Small: between −2° and 2° (−0.03491 and 0.03491 rad).
  • Medium: between −5° and 5° (−0.08727 and 0.08727 rad).
As with the actuator fault, in this case, the control effort shows significant changes in the presence of the encoder fault in servomotor 3. Figure 5 shows the control effort when the fault is of medium magnitude.

3.3. Case 2: Vibration as a Symptom Variable

In robots, joints are key components of the transmission system, responsible for transferring movement and force. Bearings within these joints are highly susceptible to efficiency loss due to volatile loads and speeds. In delta manipulators, this fault tends to occur more frequently due to the high speeds and accelerations they develop.
The designed robot has four arms, each with a mechanical system in the rotational joint composed of two bearings, as shown in Figure 6. The 608 bearings are used, whose characteristics are detailed in Table 5.
A damaged bearing can significantly impact the overall performance and reliability of the manipulator, affecting its capacity to perform tasks with precision and efficiency. This type of fault can cause additional friction within the mechanism and instability and misalignment in the robotic arm and accelerate the wear of other arm components.
Bearing faults can occur in the inner race, outer race, rolling elements (balls), or the bearing cage, as shown in Figure 7.
Different from the previously analyzed faults, in this case, the symptom variable is not the control output. When the rolling element, during its operation, hits a local fault on any of the races, or vice versa, an impact generates a high-frequency vibration specific to each type of fault [36,37]. These frequencies will be the symptom variables used for diagnosis and are defined by Equations (1)–(4). They are known as ball pass frequency inner race (BPFI), ball pass frequency outer race (BPFO), fundamental train frequency (FTF), and ball spin frequency (BSF) [38,39].
B P F I = n f r 2 1 + d D c o s θ
B P F O = n f r 2 1 d D c o s θ
F T F = f r 2 1 d D c o s θ
B S F = D f r 2 d 1 d D c o s θ 2
In these equations, n, d, D and θ are obtained from the technical specifications of the bearing (Table 5). The parameter f r refers to the rotational speed of the shaft where the bearing is housed. To obtain the rotational speed, the designed pulley system in the robot is analyzed, considering that the nominal speed of the motor is 3000 rpm [40].
The transmission ratio (i) between the pulleys is defined by (5).
i = D 1 D 2 = n 2 n 1
where:
  • D 1 = 14 mm: drive pulley diameter.
  • n 1 = 3000 rpm: driving speed.
  • D 2 = 40 mm: diameter of driven pulley.
  • n 2 : driven speed.
From (5), the transmission ratio i = 0.35 is obtained, so the driven pulley speed n 2 = 1050 rpm. Expressing this speed in Hz, it is obtained that f r = 17.5 Hz when the motor rotates at its nominal speed.
System vibrations are generated in a way that represents signals obtained from an accelerometer with a sampling frequency of 15 kHz. To generate faults in the delta robot, certain conditions are assumed:
  • It is assumed that there are no residual imbalances of the motor that could cause radial centrifugal force on the rotor, and thus a vibration.
  • It is known that in the designed delta robot, there are no gears, so gear-induced vibrations are not considered.
  • The effects of radial load on the bearing are neglected. These can cause asymmetric wear or misalignment in the bearing.
  • It is assumed that there is no rolling element slippage within the bearing cage that could deviate the vibration frequencies from the values obtained with Equations (1)–(4).
First, the normal vibrations present in the joint are considered. For this, a small vibration inherent to the driven pulley is generated, adding another medium-amplitude vibration, representing the meshing of the toothed belt with the driven pulley. The result is shown in Figure 8.
Faults are generated by a series of 5 ms impacts. Each impact is modeled as a 3 kHz sine wave. Figure 9, Figure 10, Figure 11 and Figure 12 show the faults generated in each case.
To obtain the complete vibration signals used as symptom variables, the vibration caused by the fault is added to the normal joint vibration. Figure 13, Figure 14, Figure 15 and Figure 16 show the results.
The vibration data are generated and stored for a time of 20 s. The figures show the signals over a shorter interval so that their characteristics can be observed.

4. Design of the Experiment

4.1. Training and Test Data

The data for the first case are obtained from the simulation of four trajectories: a rectangle, a V-shape, a circle, and a characteristic pick-and-place task trajectory. For each trajectory, the fault states were simulated with two controllers: PID and Fuzzy Type 2.
It is important to note that the PID controller exhibits errors in trajectory tracking due to its inability to cope with the high non-linearity of the delta parallel manipulator. However, its control signals were also included in the training stage so that the classifiers learn to distinguish between control errors and faults.
Simulations last 15 s, and the sampling time is 0.001 s, resulting in 15,001 data points for each stored simulation. In this case study, control effort data for each of the four joints are stored.
For the training stage, data from three trajectories are used, and for the test stage, simulations of the V-shape trajectory are reserved. The encoder fault is trained and tested in Case 1 with medium dimension. To organize the data introduced to the diagnostician, ensembles are used, as shown in Table 6 and Table 7.
In the second case study, for obtaining the training and test data related to bearing faults, simulations are performed considering different rotational frequencies. Based on the transmission ratio shown in (5), and knowing that the maximum f r = 17.5 Hz, simulations are stored with the following eight frequencies:
f r = 17.5 Hz                f r = 13 Hz
f r = 16 Hz                  f r = 11.6 Hz
f r = 15 Hz                  f r = 10 Hz
f r = 14.6 Hz                f r = 8.75 Hz
Of these simulations, 5 are used for the training stage and 3 are reserved for the testing stage. Each simulation has 300,000 data points. The ensembles are shown in Table 8 and Table 9.

4.2. Feature Extraction

Feature extraction is a crucial step in fault diagnosis, as it transforms raw signals into useful information that facilitates the identification and classification of anomalies in complex systems. It is important to consider that extracting too few features can result in a lack of relevant information for an adequate state estimation. On the other hand, extracting too many features can increase computational complexity without necessarily improving algorithm accuracy [41].
In this research, two techniques for feature extraction are addressed: the signal features option from Diagnostic Feature Designer in MATLAB and wavelet scattering networks. Using both techniques, the thirteen most relevant features are extracted to make an equivalent comparison. In Case 1, the features for the data of each joint were found independently.

4.2.1. Signal Features

These features belong to the time domain and provide general statistical metrics that can be applied to any type of signal, including average synchronized vibration signals in time. Variations in these features indicate changes in the system’s health state. In signal processing, statistical features, impulsive metrics, and signal processing metrics are included.
Statistical features include basic metrics such as mean, standard deviation, and root mean square (RMS). Additionally, the feature set includes the shape factor and the kurtosis and skewness statistics. All these statistics can be expected to change as the fault intrudes into the nominal signal.
Impulsive metrics are properties related to the signal peaks. Among them are peak value, impulse factor, crest factor, and clearance factor.
Signal processing metrics consist of distortion measurement functions. System degradation can cause an increase in noise, a change in a harmonic relative to the fundamental, or both. These metrics are subdivided into signal-to-noise ratio (SNR), total harmonic distortion (THD), and signal-to-noise and distortion ratio (SINAD) [42].

4.2.2. Wavelet Scattering Networks

Wavelet scattering networks represent an advanced signal analysis technique that has shown promise in the field of fault diagnosis. This technique combines the capability of wavelet transforms to decompose signals into different scales and the robustness of convolutional neural networks to extract relevant signal information that may not be evident through other analyses.
A WSN produces low-variance data representations that minimize differences within a class while preserving discriminability between classes. Its application requires few user-specified parameters to produce compact data representations that are robust against time shifts over a defined scale.
While fast Fourier transform-based analysis traditionally focuses on identifying dominant frequencies and fundamental frequencies in bearing diagnostics, WSNs provide a more comprehensive approach by extracting robust features from non-stationary signals without the need to calculate spectral density or directly analyze dominant frequencies as in the case of fast Fourier transform.
In Case 1, the use of a WSN results in a 10.9% reduction in sample size, which in turn facilitates a decrease in computation times in classification. Table 10 shows the reduction values.
Figure 17 shows the scaling function graphs and the real and imaginary parts of the wavelet corresponding to the lowest frequency of the first filter bank.
In Case 2, a reduction of 85% in the initial sample size is achieved, with results shown in Table 11. Figure 18 shows the corresponding graphs of the scaling function and the real and imaginary parts of the coarsest-scale wavelet from the first filter bank.
In Figure 17 and Figure 18, the scaling function is represented by the inverse transform of the low-pass filter and graphed centered at zero, showing how energy is maintained at low frequencies. In both cases, the vertical lines mark the range of the invariance scale. By analyzing these graphs, the symmetry and stability of the scaling function can be verified, which is crucial for efficiently capturing low-frequency signal characteristics. Additionally, the clear structure of the real and imaginary parts of the wavelets indicates a good ability to detect and represent high-frequency details. Note that the coarsest-scale wavelet does not exceed the invariance scale determined by the time support of the scaling function. These observations ensure that the invariance scale is adequately configured, allowing effective feature extraction.

4.3. Ranking Methods

In this research, features obtained are ranked using the one-way anova and Kruskal–Wallis methods to analyze their effect on fault classification. These are statistical techniques used to compare multiple samples and determine if there are significant differences between them. Both methods allow for the ranking of multiple classes by determining the significance of differences between groups.
One-Way Anova: The purpose of one-way anova is to determine if data from several groups of a factor have a common mean. In other words, it allows discovering if different groups of an independent variable have different effects on the response variable. Anova is based on the assumption that all sample populations have a normal distribution. It tests the hypothesis that all group means are equal against the alternative hypothesis that at least one group is different from the others.
Kruskal–Wallis: This is a non-parametric alternative to one-way anova. This test is valid for data with two or more groups. It is based on medians instead of means and uses data ranks instead of numerical values to calculate the test statistics. The F statistic used in classic one-way anova is replaced by a chi-squared statistic, and the p-value measures the significance of the chi-squared statistic. The Kruskal–Wallis test assumes that all samples come from populations that have the same continuous distribution, apart from possibly different locations due to group effects, and that all observations are mutually independent.

4.4. Analyzed Classifiers

Four algorithms are analyzed to classify the faults:
  • Wide neural networks (WNNs): These are neural networks that focus on having a large number of neurons in one or more layers, allowing the network to capture complex patterns through linear and non-linear combinations of input features.
  • Efficient linear support vector machine (ELSVM): This is an optimized variant of the traditional SVM algorithm designed to be more efficient in terms of computation time and memory usage. It works by finding the hyperplane that best separates the data into different classes.
  • Efficient logistic regression (ELR): This is the optimized implementation of the logistic regression algorithm. It is used to model the relationship between a dependent variable and one or more independent variables. The “efficient” variant of linear regression implies improving the efficiency of the model fitting process, making it faster and capable of handling large data volumes.
  • Kernel naive Bayes (KNB): This is an extension of the naive Bayes classifier based on the assumption of conditional independence between features. By applying a kernel, the model can capture non-linear relationships between features, improving generalization capability on more complex data.

5. Stability Analysis of the Delta Robot Under Fault and Perturbed Conditions

The stability of a robotic system, such as the delta robot, can be compromised by failures in its critical components. Malfunctions in actuators, sensors, or controllers alter the system’s dynamic behavior, deviating it from its desired state or trajectory. If the system does not adequately compensate for these faults, instability may arise. Such faults increase the robot’s sensitivity to internal and external disturbances, leading to unstable or chaotic behaviors that affect its safety and performance.
To address this issue, Lyapunov stability analysis has been applied, a key tool in dynamic systems theory. The Lyapunov exponents quantify system stability by measuring the rate of convergence or divergence of nearby trajectories in the phase space. In the context of robotic control systems, the largest Lyapunov exponent indicates the system’s overall behavior: a negative value implies stability, as trajectories converge over time, while a positive value signals instability and chaotic behavior.
Lyapunov exponents were calculated for the delta robot in two scenarios: the first considered perturbations in the initial conditions, and the second introduced a system failure. For the first scenario, the initial position of one of the actuated joints was varied by 0.5 rad, slightly altering the starting point of the trajectory. In the second scenario, the sensor fault was simulated due to its greater impact on the system. The Algorithm 1 details the procedure used to obtain the Lyapunov exponents.
Algorithm 1 Pseudo-code for obtaining Lyapunov exponents
1:
Begin
2:
Simulate the robot under its original initial conditions.
3:
Modify the initial position of joint 1 to 0.5 rad, which changes the initial point of the trajectory.
4:
Save the original and perturbed trajectories.
5:
Load the original and perturbed trajectories.
6:
Compute the distance between the original and perturbed trajectories at each time step.
7:
Normalize the distance by the initial value.
8:
Store the corresponding time from the original trajectory.
9:
Plot the normalized distance as a function of time.
10:
Compute the logarithm of the normalized distances.
11:
Define an initial time range (e.g., between 1 and 14 s).
12:
Extract the time and logarithmic distance values within that range.
13:
Fit a line (linear regression) to the time and logarithmic distance data.
14:
The slope of the fitted line represents the Lyapunov exponent.
15:
Display the calculated Lyapunov exponent.
16:
Plot the fitted line over the data.
17:
Simulate the robot under fault 2 and save the trajectory.
18:
Repeat the steps 5–16 but with fault trajectory instead of perturbed.
19:
End
Figure 19 and Figure 20 graphically present the analysis of logarithmic distances over time for both scenarios. Table 12 shows the results of the Lyapunov exponents in each case.
In the scenario with initial perturbations, the Lyapunov exponent was λ = 0.5397 , indicating system stability. The robot’s trajectory converges towards equilibrium, dissipating small disturbances, which suggests that the implemented control is robust and ensures global stability.
When a failure was introduced, the Lyapunov exponent changed to λ = 0.5024 . Although still negative, confirming stability, this value indicates slower convergence to equilibrium compared to the fault-free scenario. This implies that the system responds more slowly to disturbances caused by the failure, reflecting a reduced damping capacity.
The logarithmic distance plots over time in Figure 19 and Figure 20 reinforce these numerical results. Both curves exhibit parallel trends, indicating that the system’s behavior is predictable and stable, despite the presence of faults. However, the slope is steeper in the scenario with initial perturbations, suggesting faster stabilization compared to the failure scenario, where the system takes longer to dampen disturbances.
The Lyapunov exponent analysis confirms that the system is asymptotically stable under both initial perturbations and failures, though with a slower response in the latter case.

6. Results and Discussion

6.1. Case 1

In the first case study, faults are analyzed based on control effort data. These signals are typically smooth and regular and generally exhibit more predictable waveforms such as ramps, sinusoids, or steps.
Table 13 shows that by training the classifiers using signal features ranked with the one-way anova technique, the WNN method achieves an average performance of 91.7 % , standing out above the rest. However, when validating the training with the test data, KNB significantly excels with 89.1 % over the other classifiers.
A similar scenario occurs when using signal features ranked by Kruskal–Wallis. During training, WNN shows superior classification percentages, while the KNB algorithm performs better on the test data. This behavior can be seen in Table 14.
This situation may be due to potential overfitting of the WNN, ELSVM, and ELR algorithms to the training data, reducing their ability to generalize to new data. KNB, being a probabilistic method based on the assumption of conditional independence of features and using kernels to handle non-linearity, might avoid this overfitting and therefore generalize better to test data.
In contrast, when using features extracted via wavelet scattering networks, a significant improvement in overall performance is observed. The results shown in Table 15 and Table 16 demonstrate that all algorithms achieve high classification rates on the training set.
WNN achieves the best results during training with both ranking methods, being superior with one-way anova. With this combination of algorithm and ranking method, a percentage of 92.2 % is obtained, the highest achieved. Figure 21 and Figure 22 show the confusion matrices of this algorithm in the training and test stages for the four joints of the delta robot. These results indicate that joint 2 is the most challenging to diagnose with the proposed algorithms.
The results obtained indicate that wavelet scattering networks provide a more effective and robust representation of the fault signals compared to signal features. Their capacity to capture multiscale information, invariance to shifts, representation of non-linear features, and improved class separability contribute to better performance of classification models in detecting such faults.
These findings suggest that using features obtained through wavelet scattering networks, ranked with one-way anova, and the WNN algorithm is a highly recommended combination for fault diagnosis applications in complex systems such as the delta robot.

6.2. Case 2

In the second case study, focusing on bearing fault detection, the same feature extraction approaches and ranking methods as in Case 1 are applied. The difference lies in the symptom variable used, which is vibration. This type of signal tends to be more erratic and complex, characterized by patterns that can include peaks and harmonics.
Table 17 and Table 18 show the classification percentages based on signal features. It is notable that the ELSVM algorithm achieves the best results in the training stage for both one-way anova and Kruskal–Wallis ranking. In the test stage, the WNN, ELSVM, and ELR algorithms perform poorly, contrary to KNB, which achieves 90 % results with both ranking methods.
In this case, the KNB algorithm once again demonstrates its capability to model non-linear data distributions using kernel functions. This allows it to better adapt to the structure of the signal features in the test set, despite achieving lower percentages in the training stage.
Using wavelet scattering networks for feature extraction, more promising results are obtained, as shown in Table 19 and Table 20.
During training, all algorithms achieve high performance, with WNN reaching 100 % classification using one-way anova ranking and 97 % with Kruskal–Wallis ranking.
In the test stage, the four classifiers achieve 95 % classification rates, regardless of the ranking method used. Given this situation, it is advisable to prefer the classifier that shows more consistent and robust results during the training stage.
Considering these criteria, the results suggest that the WNN algorithm, applied with features obtained through wavelet scattering networks ranked by one-way anova, is the best option for this type of signal. Figure 23 shows the confusion matrices of this classifier in its training and test stages, indicating that the BPFI fault is misclassified as a BPFO fault in 25 % of the new test data.

6.3. Algorithm Size

The size of classification models is a factor to consider in fault diagnosis, especially when these models are intended for real-world applications. A compact model not only facilitates integration into systems with limited resources, such as robots, but also improves operational efficiency. Smaller models typically consume less energy. Additionally, a reduced size simplifies software updates and maintenance, essential in dynamic environments where robots must quickly adapt to changes and new conditions.
Figure 24 and Figure 25 show the sizes of the analyzed algorithms for each case, respectively. In both cases, it is observed that the KNB classifier requires more storage space, while the WNN algorithm is the most compact. It is also noteworthy that obtaining features through wavelet scattering networks contributes to reducing the size of the classifiers.

6.4. Analysis of Untrained Faults

To evaluate the sensitivity of the diagnostic system, tests are conducted with a fault for which the classifier was not specifically trained: an encoder fault with a small dimension. It is important to note that the classifiers were trained to recognize this type of fault, but in larger dimensions. Therefore, the control efforts used as symptom variables in the diagnosis exhibit different behaviors due to this variation in fault size.
Tests were performed using the four algorithms, considering only features obtained through wavelet scattering networks and ranked by one-way anova. These combinations were selected for having shown the best results in previous classifications.
Table 21 shows the classification percentages for the untrained fault. The results indicate that although the classifiers were not trained to recognize this malfunction, they show a reasonable capacity to identify the existence of the problem and classify it as an encoder fault.
The WNN algorithm demonstrates the best overall performance, confirming its suitability as the most appropriate option for this delta robot fault diagnosis application. Figure 26 shows the confusion matrices for this classifier in the untrained fault test.
In general, the studied classifiers, especially the WNN, demonstrate considerable sensitivity to incipient faults, given that the tested fault is smaller than the one they were trained on. This capability to identify less evident and harder-to-detect faults is crucial for the early prevention of more severe problems and the implementation of predictive maintenance schedules.

7. Conclusions

This study addressed the challenge of fault diagnosis in a four-arm delta robot. Through the implementation of advanced feature extraction and classification techniques, a significant improvement in the effectiveness of fault diagnosis in this type of complex robotic system was achieved. The construction of a delta robot prototype in SolidWorks provided an accurate representation of its structure and components, contributing to a realistic analysis of the studied faults.
This research focused on two fault cases in the delta manipulator, identifying and analyzing their symptom variables, which significantly differ in waveform complexity. For each case, the influence of two feature extraction approaches based on time-domain signal features and wavelet scattering networks was compared and analyzed.
Based on the classification results, the superiority of the feature extraction technique based on wavelet scattering networks in capturing relevant information from fault signals and improving class separability was demonstrated. Likewise, the contribution of this method in the size of the classification algorithm was also evidenced.
The impact of feature selection methods on subsequent fault classification was evaluated, demonstrating that the one-way anova ranking method is more appropriate than Kruskal–Wallis in the context of this study. Among the four analyzed classifiers, the wide neural network (WNN) algorithm, applied with features obtained through wavelet scattering networks and ranked by one-way anova, emerged as the most feasible option due to its consistency and reliability in fault classification. These results underscore the importance of properly selecting algorithms and feature extraction techniques to optimize the performance of the fault diagnosis system.
Furthermore, this paper provides valuable insights into the sensitivity of the diagnostic system to untrained faults, highlighting the capacity of classifiers to identify incipient anomalies and facilitate the implementation of predictive maintenance strategies.
This research not only makes a significant contribution to the field of fault diagnosis techniques for delta robots but also lays the foundation for future research in the development of more accurate and efficient fault detection systems with potential applications in other industrial robots.

8. Future Work

Given the imperative relevance of having reliable robotic systems and considering the scarcity of specific literature on delta robots in this field, future research will focus on fault tolerance control and its impact on predictive maintenance planning. These studies will lay the foundations for a future physical implementation of the delta robot in our laboratory, where the experimental developments will be carried out.

Author Contributions

Conceptualization, C.U. and C.D.; methodology, C.U. and C.D.; software, C.U. and C.D.; validation, C.U. and C.D.; formal analysis, C.U. and C.D.; investigation, C.U. and C.D.; writing—review and editing, C.U. and C.D.; supervision, C.U.; funding acquisition, C.U. and C.D. All authors have read and agreed to the published version of the manuscript.

Funding

This research received no external funding.

Institutional Review Board Statement

Not applicable.

Informed Consent Statement

Not applicable.

Data Availability Statement

The data presented in this study are contained in the article itself.

Acknowledgments

This work was supported by the Faculty of Engineering of the University of Santiago of Chile, Chile.

Conflicts of Interest

The authors declare no conflicts of interest.

Abbreviations

The following abbreviations, listed in alphabetical order, are used in this manuscript:
BPFIBall Pass Frequency Inner race
BPFOBall Pass Frequency Outer race
BSFBall Spin Frequency
DoFDegrees of Freedom
ELMExtreme Learning Machine
ELREfficient Logistic Regression
ELSVMEfficient Linear Support Vector Machine
FTFFundamental Train Frequency
KNBKernel Naive Bayes
LLSOLevel-based Learning Swarm Optimizer
MMTSMulticlass Mahalanobis–Taguchi System
PCAPrincipal Component Analysis
PIDProportional, Integral, Derivative
RMSRoot Mean Square
SINADSignal to Noise and Distortion Ratio
SNRSignal to Noise Ratio
SVMSupport Vector Machines
THDTotal Harmonic Distortion
WNNWide Neural Network
WSNWavelet Scattering Network

References

  1. Nguyen, V.L.; Kuo, C.H.; Lin, P.T. Compliance error compensation of a robot end-effector with joint stiffness uncertainties for milling: An analytical model. Mech. Mach. Theory 2022, 170, 104717. [Google Scholar] [CrossRef]
  2. Chen, C.; Wang, T.; Liu, C.; Liu, Y.; Cheng, L. Lightweight Convolutional Transformers Enhanced Meta-Learning for Compound Fault Diagnosis of Industrial Robot. IEEE Trans. Instrum. Meas. 2023, 72, 3520612. [Google Scholar] [CrossRef]
  3. Khalastchi, E.; Kalech, M. Fault Detection and Diagnosis in Multi-Robot Systems: A Survey. Sensors 2019, 19, 4019. [Google Scholar] [CrossRef] [PubMed]
  4. Zhou, J.; Zhu, Y.; Shao, Z.; Dong, Z.; Yang, C. Identification-based sensor and actuator fault diagnosis for industrial control systems and its application to HTR-PM. Control Eng. Pract. 2023, 131, 105402. [Google Scholar] [CrossRef]
  5. Jiao, J.; Zheng, X. Fault Diagnosis Method for Industrial Robots Based on DBN Joint Information Fusion Technology. Comput. Intell. Neurosci. 2022, 2022, 4340817. [Google Scholar] [CrossRef]
  6. Pan, J.; Qu, L.; Peng, K. Sensor and Actuator Fault Diagnosis for Robot Joint Based on Deep CNN. Entropy 2021, 23, 751. [Google Scholar] [CrossRef]
  7. Wang, J.; Wang, X.; Wang, Y.; Sun, Y.; Sun, G. Intelligent Joint Actuator Fault Diagnosis for Heavy-Duty Industrial Robots. IEEE Sens. J. 2024, 24, 15292–15301. [Google Scholar] [CrossRef]
  8. Zhang, Y.; Zang, Z.; Zhang, X.; Song, L.; Yu, Z.; Wang, Y.; Gao, Y.; Wang, L. Fault Diagnosis of Industrial Robot Based on Multi-Source Data Fusion and Channel Attention Convolutional Neural Networks. IEEE Access 2024, 12, 82247–82260. [Google Scholar] [CrossRef]
  9. Zhang, Y.; Zhu, Q. Neural Network-Enhanced Fault Diagnosis of Robot Joints. Algorithms 2023, 16, 489. [Google Scholar] [CrossRef]
  10. He, Y.; Zhao, C.; Zhou, X.; Shen, W. MJAR: A novel joint generalization-based diagnosis method for industrial robots with compound faults. Robot. Comput.-Integr. Manuf. 2024, 86, 102668. [Google Scholar] [CrossRef]
  11. Long, J.; Qin, Y.; Yang, Z.; Huang, Y.; Li, C. Discriminative feature learning using a multiscale convolutional capsule network from attitude data for fault diagnosis of industrial robots. Mech. Syst. Signal Process. 2023, 182, 109569. [Google Scholar] [CrossRef]
  12. Piltan, F.; Prosvirin, A.E.; Sohaib, M.; Saldivar, B.; Kim, J.M. An SVM-Based Neural Adaptive Variable Structure Observer for Fault Diagnosis and Fault-Tolerant Control of a Robot Manipulator. Appl. Sci. 2020, 10, 1344. [Google Scholar] [CrossRef]
  13. Maincer, D.; Benmahamed, Y.; Mansour, M.; Alharthi, M.; Ghonein, S.S.M. Fault Diagnosis in Robot Manipulators Using SVM and KNN. Intell. Autom. Comput. 2023, 35, 1957–1969. [Google Scholar] [CrossRef]
  14. Hsu, H.K.; Ting, H.Y.; Huang, M.B.; Huang, H.P. Intelligent Fault Detection, Diagnosis and Health Evaluation for Industrial Robots. Mechanika 2021, 27, 70–79. [Google Scholar] [CrossRef]
  15. Long, J.; Mou, J.; Zhang, L.; Zhang, S.; Li, C. Attitude data-based deep hybrid learning architecture for intelligent fault diagnosis of multi-joint industrial robots. J. Manuf. Syst. 2020, 61, 736–745. [Google Scholar] [CrossRef]
  16. Tarcsay, B.L.; Bárkányi, A.; Németh, S.; Chován, T.; Lovas, L.; Egedy, A. Risk-Based Fault Detection Using Bayesian Networks Based on Failure Mode and Effect Analysis. Sensors 2024, 24, 3511. [Google Scholar] [CrossRef]
  17. Guo, J.; Li, X.; Lao, Z.; Luo, Y.; Wu, J.; Zhang, S. Fault diagnosis of industrial robot reducer by an extreme learning machine with a level-based learning swarm optimizer. Adv. Mech. Eng. 2021, 13, 16878140211019540. [Google Scholar] [CrossRef]
  18. Sabry, A.H.; Nordin, F.H.; Sabry, A.; Kadir, M.Z.A.A. Fault Detection and Diagnosis of Industrial Robot Based on Power Consumption Modeling. IEEE Trans. Ind. Electron. 2020, 67, 7929–7940. [Google Scholar] [CrossRef]
  19. Sun, Y.; Xu, A.; Wang, K.; Zhou, X.; Guo, H.; Han, X. Intelligent Fault Diagnosis of Industrial Robot Based on Multiclass Mahalanobis-Taguchi System for Imbalanced Data. Entropy 2022, 24, 871. [Google Scholar] [CrossRef]
  20. Chen, C.; Liub, C.; Wang, T.; Zhang, A.; Wu, W.; Cheng, L. Compound Fault Diagnosis for Industrial Robots based on Dual-Transformer Networks. J. Manuf. Syst. 2023, 66, 163–178. [Google Scholar] [CrossRef]
  21. He, K.; Yang, Z.; Bai, Y.; Long, J.; Li, C. Intelligent Fault Diagnosis of Delta 3D Printers Using Attitude Sensors Based on Support Vector Machines. Sensors 2018, 18, 1298. [Google Scholar] [CrossRef] [PubMed]
  22. Guo, J.; Wu, J.; Sun, Z.; Long, J.; Zhang, S. Fault Diagnosis of Delta 3D Printers Using Transfer Support Vector Machine With Attitude Signals. IEEE Access 2019, 7, 40359–40368. [Google Scholar] [CrossRef]
  23. Zhang, S.; Sun, Z.; Li, C.; Cabrera, D.; Long, J.; Bai, Y. Deep Hybrid State Network With Feature Reinforcement for Intelligent Fault Diagnosis of Delta 3-D Printers. IEEE Trans. Ind. Inform. 2019, 16, 779–789. [Google Scholar] [CrossRef]
  24. Pham, T.D. Classification of Motor-Imagery Tasks Using a Large EEG Dataset by Fusing Classifiers Learning on Wavelet-Scattering Features. IEEE Trans. Neural Syst. Rehabil. Eng. 2023, 31, 1097–1107. [Google Scholar] [CrossRef]
  25. Sharma, N.; Sharma, M.; Tailor, J.; Chaudhari, A.; Joshi, D.; Acharya, U.R. Automated detection of depression using wavelet scattering networks. Med. Eng. Phys. 2024, 124, 104107. [Google Scholar] [CrossRef]
  26. Khemani, V.; Azarian, M.H.; Pecht, M.G. Learnable Wavelet Scattering Networks: Applications to Fault Diagnosis of Analog Circuits and Rotating Machinery. Electronics 2022, 11, 451. [Google Scholar] [CrossRef]
  27. Toma, R.N.; Gao, Y.; Piltan, F.; Im, K.; Shon, D.; Yoon, T.H.; Yoo, D.S.; Kim, J.M. Classification Framework of the Bearing Faults of an Induction Motor Using Wavelet Scattering Transform-Based Features. Sensors 2022, 22, 8958. [Google Scholar] [CrossRef]
  28. Lai, W.H.; Tsai, S.T.; Cheng, D.L.; Liang, Y.R. Application of Wavelet Scattering and Machine Learning on Structural Health Diagnosis for Quadcopter. Appl. Sci. 2021, 11, 10297. [Google Scholar] [CrossRef]
  29. Agboola, H.A.; Zaccheus, J.E. Wavelet image scattering based glaucoma detection. BMC Biomed. Eng. 2023, 5, 1. [Google Scholar] [CrossRef]
  30. Lone, A.W.; Aydin, N. Wavelet Scattering Transform based Doppler signal classification. Comput. Biol. Med. 2023, 167, 107611. [Google Scholar] [CrossRef]
  31. Pham, P.C.; Kuo, Y.L. Model-based and model-free collision detection and identification for a parallel Delta robot with uncertainties. Control Eng. Pract. 2023, 139, 105663. [Google Scholar] [CrossRef]
  32. Shen, H.; Meng, Q.; Li, J.; Deng, J.; Wu, G. Kinematic sensitivity, parameter identification and calibration of a non-fully symmetric parallel Delta robot. Mech. Mach. Theory 2021, 161, 104311. [Google Scholar] [CrossRef]
  33. Urrea, C.; Domínguez, C.; Kern, J. Modeling, design and control of a 4-arm delta parallel manipulator employing type-1 and interval type-2 fuzzy logic-based techniques for precision applications. Robot. Auton. Syst. 2024, 175, 104661. [Google Scholar] [CrossRef]
  34. Shuai, Y. Research on Fault Diagnosis Technology of Industrial Robot Operation Based on Deep Learning Belief Network. Sci. Program. 2022, 2022, 9260992. [Google Scholar] [CrossRef]
  35. Rodríguez, A.; Domínguez, C.; Rivera, P.J.; Serrano, E.I.; Beauchamp, G.; Rifón, L.A.; Llanes-Santiago, O. An approach to multiple fault diagnosis using fuzzy logic. J. Intell. Manuf. 2019, 30, 429–439. [Google Scholar] [CrossRef]
  36. Chen, Y.; Zhang, D.; Zhang, W. MSWR-LRCN: A new deep learning approach to remaining useful life estimation of bearings. Control Eng. Pract. 2022, 118, 104969. [Google Scholar] [CrossRef]
  37. Chen, J.; Hua, C.; Dong, D.; Ouyang, H. Adaptive scale decomposition and weighted multikernel correntropy for wheelset axle box bearing diagnosis under impact interference. Mech. Mach. Theory 2023, 181, 105220. [Google Scholar] [CrossRef]
  38. Kim, S.; An, D.; Choi, J.H. Diagnostics 101: A Tutorial for Fault Diagnostics of Rolling Element Bearing Using Envelope Analysis in MATLAB. Appl. Sci. 2020, 10, 7302. [Google Scholar] [CrossRef]
  39. Sacerdoti, D.; Strozzi, M.; Secchi, C. A Comparison of Signal Analysis Techniques for the Diagnostics of the IMS Rolling Element Bearing Dataset. Appl. Sci. 2023, 13, 5977. [Google Scholar] [CrossRef]
  40. Schneider Electric. BCH2MBA533CA5C, Servo Motor BCH2-IEC 40mm, 50W, IP65 con Chaveta Conector Estándar—3000 rpm—Encoder ST Absoluto 20 Bits Resolución; Schneider Elelctric: Hoofddorp, The Netherlands, 2023. [Google Scholar]
  41. Vujnovic, S.; Djurovic, Z.; Kvascev, G. Fan mill state estimation based on acoustic signature analysis. Control Eng. Pract. 2016, 57, 29–38. [Google Scholar] [CrossRef]
  42. MATLAB Help. Signal Features; The MathWorks, Inc.: Natick, MA, USA, 2023; R2023a. [Google Scholar]
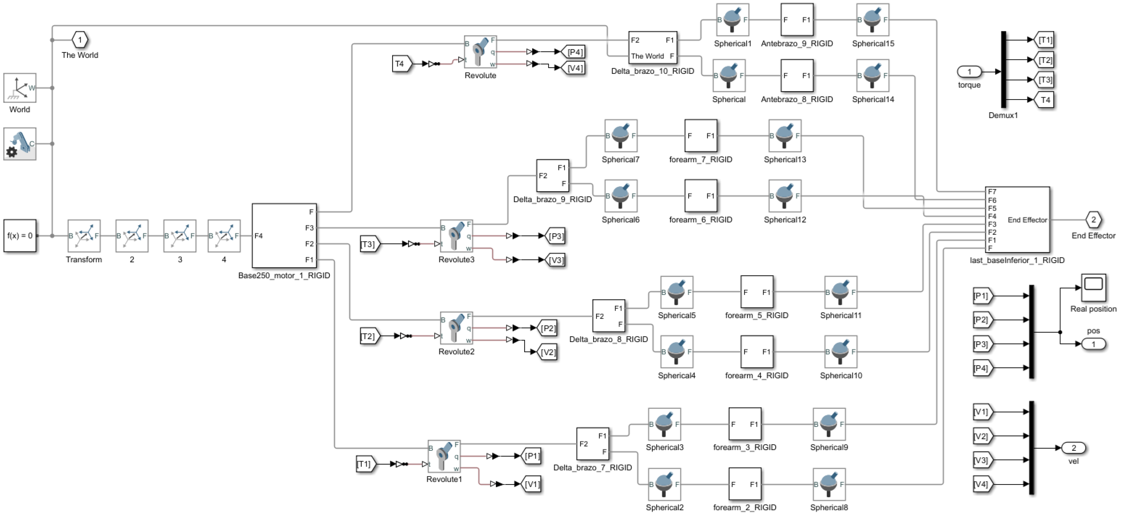
Figure 1. Delta robot design exported to Simscape.
Figure 1. Delta robot design exported to Simscape.
Technologies 12 00225 g001
Figure 2. Final assembly of the delta robot exported from SolidWorks.
Figure 2. Final assembly of the delta robot exported from SolidWorks.
Technologies 12 00225 g002
Figure 3. Outputs of the joints in case of failure in actuator 4.
Figure 3. Outputs of the joints in case of failure in actuator 4.
Technologies 12 00225 g003
Figure 4. Control effort outputs in case of failure in actuator 4.
Figure 4. Control effort outputs in case of failure in actuator 4.
Technologies 12 00225 g004
Figure 5. Control effort in the event of medium magnitude sensor failure.
Figure 5. Control effort in the event of medium magnitude sensor failure.
Technologies 12 00225 g005
Figure 6. Bearings at actuated joint of the Delta robot.
Figure 6. Bearings at actuated joint of the Delta robot.
Technologies 12 00225 g006
Figure 7. Elements susceptible to failure in a bearing.
Figure 7. Elements susceptible to failure in a bearing.
Technologies 12 00225 g007
Figure 8. Vibration without faults.
Figure 8. Vibration without faults.
Technologies 12 00225 g008
Figure 9. BPFI fault.
Figure 9. BPFI fault.
Technologies 12 00225 g009
Figure 10. BPFO fault.
Figure 10. BPFO fault.
Technologies 12 00225 g010
Figure 11. BSF fault.
Figure 11. BSF fault.
Technologies 12 00225 g011
Figure 12. FTF fault.
Figure 12. FTF fault.
Technologies 12 00225 g012
Figure 13. Vibration with BPFI fault.
Figure 13. Vibration with BPFI fault.
Technologies 12 00225 g013
Figure 14. Vibration with BPFO fault.
Figure 14. Vibration with BPFO fault.
Technologies 12 00225 g014
Figure 15. Vibration with BSF fault.
Figure 15. Vibration with BSF fault.
Technologies 12 00225 g015
Figure 16. Vibration with FTF fault.
Figure 16. Vibration with FTF fault.
Technologies 12 00225 g016
Figure 17. Scaling function and wavelets for Case 1.
Figure 17. Scaling function and wavelets for Case 1.
Technologies 12 00225 g017
Figure 18. Scaling function and wavelets for Case 2.
Figure 18. Scaling function and wavelets for Case 2.
Technologies 12 00225 g018
Figure 19. Logarithmic distance analysis of the delta robot under initial condition perturbation.
Figure 19. Logarithmic distance analysis of the delta robot under initial condition perturbation.
Technologies 12 00225 g019
Figure 20. Logarithmic distance analysis of the delta robot under fault condition.
Figure 20. Logarithmic distance analysis of the delta robot under fault condition.
Technologies 12 00225 g020
Figure 21. Classification of Case 1 training for WNN using wavelet scattering networks features ranked with one-way anova.
Figure 21. Classification of Case 1 training for WNN using wavelet scattering networks features ranked with one-way anova.
Technologies 12 00225 g021
Figure 22. Classification of Case 1 test for WNN using wavelet scattering networks features ranked with one-way anova.
Figure 22. Classification of Case 1 test for WNN using wavelet scattering networks features ranked with one-way anova.
Technologies 12 00225 g022
Figure 23. Classification of training and test data in Case 2 for WNN using wavelet scattering networks features ranked with one-way anova.
Figure 23. Classification of training and test data in Case 2 for WNN using wavelet scattering networks features ranked with one-way anova.
Technologies 12 00225 g023
Figure 24. Algorithm size for Case 1.
Figure 24. Algorithm size for Case 1.
Technologies 12 00225 g024
Figure 25. Algorithm size for Case 2.
Figure 25. Algorithm size for Case 2.
Technologies 12 00225 g025
Figure 26. Untrained fault classification with WNN using wavelet scattering networks features ranked with one-way anova.
Figure 26. Untrained fault classification with WNN using wavelet scattering networks features ranked with one-way anova.
Technologies 12 00225 g026
Table 1. Delta robot materials.
Table 1. Delta robot materials.
PartMaterial
Fixed platformAluminum 3003
ArmsAluminum 3003
Moving platformAluminum 3003
BeltNeoprene
MotorIron
BearingsStainless steel
Spherical jointsStainless steel
ForearmsCarbon fiber Hexcel AS4C
End effectorPlastic ABS
Table 2. Delta robot design parameters in SolidWorks.
Table 2. Delta robot design parameters in SolidWorks.
ParameterValue (mm)
Fixed platform
   Length200
   Width200
   Height20
Arms
   Length100
   Width15
   Height15
Elbow
   Radius10
   Length50
Forearms
   Radius5
   Length350
Moving platform
   Length60
   Width60
   Height10
Table 3. Fault generated in delta robot.
Table 3. Fault generated in delta robot.
Fault TypeDescriptionPossible Causes
Control system faultMotor fault in joint 4Motor driver card failure
Motor overcurrent protection
Table 4. Fault generated in delta robot.
Table 4. Fault generated in delta robot.
Fault TypeDescriptionPossible Causes
Control system faultMotor fault in joint 3Encoder failure
Table 5. Technical specifications of the 608 bearing.
Table 5. Technical specifications of the 608 bearing.
CharacteristicsValue
Inner diameter8 mm
Outer diameter22 mm
Width7 mm
Number of balls (n)7
Ball diameter (d)3.97 mm
Distance between balls of the diameter (D)15 mm
Contact angle ( θ )
Table 6. Case 1: training data ensemble.
Table 6. Case 1: training data ensemble.
TrajectorySignalFaultCode
Rectangle15,001 × 4 doubleNFjoint
Rectangle15,001 × 4 doubleNFjoint
Pick-and-place15,001 × 4 doubleNFjoint
Pick-and-place15,001 × 4 doubleNFjoint
Circle15,001 × 4 doubleNFjoint
Circle15,001 × 4 doubleNFjoint
Rectangle15,001 × 4 doubleMotor
Rectangle15,001 × 4 doubleMotor
Pick-and-place15,001 × 4 doubleMotor
Pick-and-place15,001 × 4 doubleMotor
Circle15,001 × 4 doubleMotor
Circle15,001 × 4 doubleMotor
Rectangle15,001 × 4 doubleEncoder
Rectangle15,001 × 4 doubleEncoder
Pick-and-place15,001 × 4 doubleEncoder
Pick-and-place15,001 × 4 doubleEncoder
Circle15,001 × 4 doubleEncoder
Circle15,001 × 4 doubleEncoder
Table 7. Case 1: test data ensemble.
Table 7. Case 1: test data ensemble.
TrajectorySignalFaultCode
Vshape15,001 × 4 doubleNFjoint
Vshape15,001 × 4 doubleNFjoint
Vshape15,001 × 4 doubleMotor
Vshape15,001 × 4 doubleMotor
Vshape15,001 × 4 doubleEncoder
Vshape15,001 × 4 doubleEncoder
Table 8. Case 2: training data ensemble.
Table 8. Case 2: training data ensemble.
FrecuencySignalFaultCode
17.5 Hz300,000 × 1 doubleNormalBearing
15 Hz300,000 × 1 doubleNormalBearing
14.6 Hz300,000 × 1 doubleNormalBearing
11.6 Hz300,000 × 1 doubleNormalBearing
8.75 Hz300,000 × 1 doubleNormalBearing
17.5 Hz300,000 × 1 doubleBPFI
15 Hz300,000 × 1 doubleBPFI
14.6 Hz300,000 × 1 doubleBPFI
11.6 Hz300,000 × 1 doubleBPFI
8.75 Hz300,000 × 1 doubleBPFI
17.5 Hz300,000 × 1 doubleBPFO
15 Hz300,000 × 1 doubleBPFO
14.6 Hz300,000 × 1 doubleBPFO
11.6 Hz300,000 × 1 doubleBPFO
8.75 Hz300,000 × 1 doubleBPFO
17.5 Hz300,000 × 1 doubleBSF
15 Hz300,000 × 1 doubleBSF
14.6 Hz300,000 × 1 doubleBSF
11.6 Hz300,000 × 1 doubleBSF
8.75 Hz300,000 × 1 doubleBSF
17.5 Hz300,000 × 1 doubleFTF
15 Hz300,000 × 1 doubleFTF
14.6 Hz300,000 × 1 doubleFTF
11.6 Hz300,000 × 1 doubleFTF
8.75 Hz300,000 × 1 doubleFTF
Table 9. Case 2: test data ensemble.
Table 9. Case 2: test data ensemble.
FrecuencySignalFaultCode
16 Hz300,000 × 1 doubleNormalBearing
13 Hz300,000 × 1 doubleNormalBearing
10 Hz300,000 × 1 doubleNormalBearing
16 Hz300,000 × 1 doubleBPFI
13 Hz300,000 × 1 doubleBPFI
10 Hz300,000 × 1 doubleBPFI
16 Hz300,000 × 1 doubleBPFO
13 Hz300,000 × 1 doubleBPFO
10 Hz300,000 × 1 doubleBPFO
16 Hz300,000 × 1 doubleBSF
13 Hz300,000 × 1 doubleBSF
10 Hz300,000 × 1 doubleBSF
16 Hz300,000 × 1 doubleFTF
13 Hz300,000 × 1 doubleFTF
10 Hz300,000 × 1 doubleFTF
Table 10. Results of the use of a WSN in Case 1.
Table 10. Results of the use of a WSN in Case 1.
Initial SamplesPathsTime WindowsFinal SamplesReduction
15,0013454138010.9%
Table 11. Results of the use of a WSN in Case 2.
Table 11. Results of the use of a WSN in Case 2.
Initial SamplesPathsTime WindowsFinal SamplesReduction
300,0007045352085.2%
Table 12. Lyapunov exponents results.
Table 12. Lyapunov exponents results.
ScenarioLyapunov Exponent
Initial condition perturbation−0.5397
Sensor fault−0.5024
Table 13. Fault classification in Case 1 using signal features ranked with one-way anova.
Table 13. Fault classification in Case 1 using signal features ranked with one-way anova.
TrainingTest
WNN ELSVM ELR KNB WNN ELSVM ELR KNB
Joint 188.9%55.6%61.1%88.9%33.3%33.3%33.3%85.6%
Joint 294.4%55.6%61.1%72.2%33.3%33.3%33.3%83.3%
Joint 383.3%61.1%83.3%94.4%33.3%33.3%33.3%100%
Joint 4100%72.2%83.3%88.9%33.3%33.3%33.3%87.8%
Average91.7%61.1%72.2%86.1%33.3%33.3%33.3%89.1%
Table 14. Fault classification in Case 1 using signal features ranked with Kruskal–Wallis.
Table 14. Fault classification in Case 1 using signal features ranked with Kruskal–Wallis.
TrainingTest
WNN ELSVM ELR KNB WNN ELSVM ELR KNB
Joint 188.9%66.7%61.1%77.8%33.3%33.3%33.3%81.2%
Joint 294.4%55.6%72.2%72.2%33.3%33.3%33.3%83.3%
Joint 388.9%50.0%72.2%72.2%33.3%33.3%33.3%100%
Joint 4100%72.2%83.3%83.3%33.3%33.3%33.3%84.3%
Average93.1%61.1%72.2%76.4%33.3%33.3%33.3%87.2%
Table 15. Fault classification in Case 1 using wavelet scattering networks features ranked with one-way anova.
Table 15. Fault classification in Case 1 using wavelet scattering networks features ranked with one-way anova.
TrainingTest
WNN ELSVM ELR KNB WNN ELSVM ELR KNB
Joint 1100%100%100%100%100%100%100%100%
Joint 292.4%81.2%79.9%77.1%75.0%75.0%68.8%58.3%
Joint 3100%100%100%98.6%100%100%100%100%
Joint 4100%100%100%100%93.8%89.6%95.8%95.8%
Average98.1%95.3%95.0%93.9%92.2%91.2%91.2%88.5%
Table 16. Fault classification in Case 1 using wavelet scattering networks features ranked with Kruskal–Wallis.
Table 16. Fault classification in Case 1 using wavelet scattering networks features ranked with Kruskal–Wallis.
TrainingTest
WNN ELSVM ELR KNB WNN ELSVM ELR KNB
Joint 1100%100%98.6%100%100%100%100%100%
Joint 286.8%79.2%79.2%74.3%72.9%75.0%68.8%58.3%
Joint 3100%100%100%99.3%100%100%100%100%
Joint 4100%100%100%100%91.7%89.6%95.8%95.8%
Average96.7%94.8%94.5%93.4%91.2%91.2%91.2%88.5%
Table 17. Fault classification in Case 2 using signal features ranked with one-way anova.
Table 17. Fault classification in Case 2 using signal features ranked with one-way anova.
TrainingTest
WNN ELSVM ELR KNB WNN ELSVM ELR KNB
Result60.0%90.0%90.0%75.0%20.0%20.0%20.0%90.0%
Table 18. Fault classification in Case 2 using signal features ranked with Kruskal–Wallis.
Table 18. Fault classification in Case 2 using signal features ranked with Kruskal–Wallis.
TrainingTest
WNN ELSVM ELR KNB WNN ELSVM ELR KNB
Result75.0%85.0%65.0%75.0%20.0%20.0%20.0%90.0%
Table 19. Fault classification in Case 2 using wavelet scattering networks features ranked with one-way anova.
Table 19. Fault classification in Case 2 using wavelet scattering networks features ranked with one-way anova.
TrainingTest
WNN ELSVM ELR KNB WNN ELSVM ELR KNB
Result100%90.0%95.0%95.0%95.0%95.0%95.0%95.0%
Table 20. Fault classification in Case 2 using wavelet scattering networks features ranked with Kruskal–Wallis.
Table 20. Fault classification in Case 2 using wavelet scattering networks features ranked with Kruskal–Wallis.
TrainingTest
WNN ELSVM ELR KNB WNN ELSVM ELR KNB
Result97.0%95.0%93.0%91.0%95.0%95.0%95.0%95.0%
Table 21. Classification of untrained fault using wavelet scattering networks features ranked with one-way anova.
Table 21. Classification of untrained fault using wavelet scattering networks features ranked with one-way anova.
Test with Untrained Fault
WNN ELSVM ELR KNB
Joint 198.4%96.9%95.3%93.8%
Joint 257.8%60.9%70.3%60.9%
Joint 393.8%87.5%96.9%85.9%
Joint 479.7%81.2%59.4%75.0%
Average82.4%81.6%80.5%78.9%
Disclaimer/Publisher’s Note: The statements, opinions and data contained in all publications are solely those of the individual author(s) and contributor(s) and not of MDPI and/or the editor(s). MDPI and/or the editor(s) disclaim responsibility for any injury to people or property resulting from any ideas, methods, instructions or products referred to in the content.

Share and Cite

MDPI and ACS Style

Urrea, C.; Domínguez, C. Fault Diagnosis in a Four-Arm Delta Robot Based on Wavelet Scattering Networks and Artificial Intelligence Techniques. Technologies 2024, 12, 225. https://doi.org/10.3390/technologies12110225

AMA Style

Urrea C, Domínguez C. Fault Diagnosis in a Four-Arm Delta Robot Based on Wavelet Scattering Networks and Artificial Intelligence Techniques. Technologies. 2024; 12(11):225. https://doi.org/10.3390/technologies12110225

Chicago/Turabian Style

Urrea, Claudio, and Carlos Domínguez. 2024. "Fault Diagnosis in a Four-Arm Delta Robot Based on Wavelet Scattering Networks and Artificial Intelligence Techniques" Technologies 12, no. 11: 225. https://doi.org/10.3390/technologies12110225

APA Style

Urrea, C., & Domínguez, C. (2024). Fault Diagnosis in a Four-Arm Delta Robot Based on Wavelet Scattering Networks and Artificial Intelligence Techniques. Technologies, 12(11), 225. https://doi.org/10.3390/technologies12110225

Note that from the first issue of 2016, this journal uses article numbers instead of page numbers. See further details here.

Article Metrics

Back to TopTop