State-of-the-Art DC-DC Converters for Satellite Applications: A Comprehensive Review
Abstract
1. Introduction
- We identify the design requirements for DC-DC converters and provide an up-to-date review of various isolated and non-isolated topologies for satellite applications.
- We analyze the scope of EP for future manned and deep space missions and review DC-DC converters for EP in satellites.
- We conduct a performance evaluation of the considered topologies in terms of practical parameters (like reliability, power density, size, efficiency, redundancy, modularity, and performance in harsh environmental conditions) and identify the best topology for a specific satellite application.
- We compare the topologies based on various applications and types of satellites.

2. Electrical Subsystems in Satellites
2.1. Unregulated and Regulated Bus Systems for Satellite EPSs and EPS Architectures
2.2. Electrical Propulsion Systems
2.3. Features of DC-DC Converters for Satellite Applications
- High power density.
- High efficiency.
- Minimum increase in volume/weight/heat management.
- Reliability.
- Modularity.
- Good performance in harsh environments like large temperature and pressure variations, mechanical vibrations, etc.
- High switching frequency to minimize the size of magnetic components.
- Lower Electromagnetic Interference (EMI).
3. Review of DC-DC Converters for Satellites
3.1. Non-Isolated Topologies
3.1.1. Buck-Derived Topologies
3.1.2. Boost-Derived Topologies
3.1.3. Buck–Boost-Derived Topologies
3.1.4. Other Non-Isolated Topologies
3.2. Isolated Topologies
3.2.1. Flyback and Forward Converters
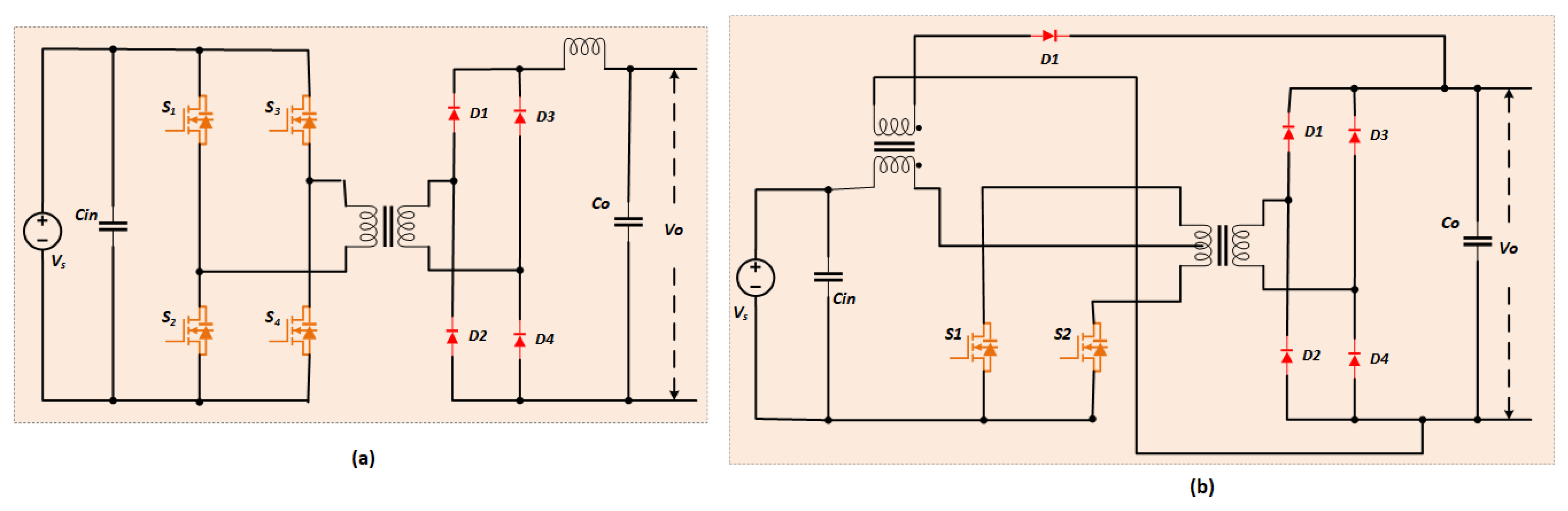
3.2.2. Full-Bridge Converter
3.2.3. Current-Fed Weinberg Converter
3.2.4. Current-Fed Cascaded Buck and Full-Bridge Converter
3.2.5. Resonant Converters
3.2.6. Dual-Active Bridge Converter
3.2.7. Active-Bridge Active-Clamp Converter
3.2.8. Active-Clamp Forward Converter
3.3. Integrated Topologies
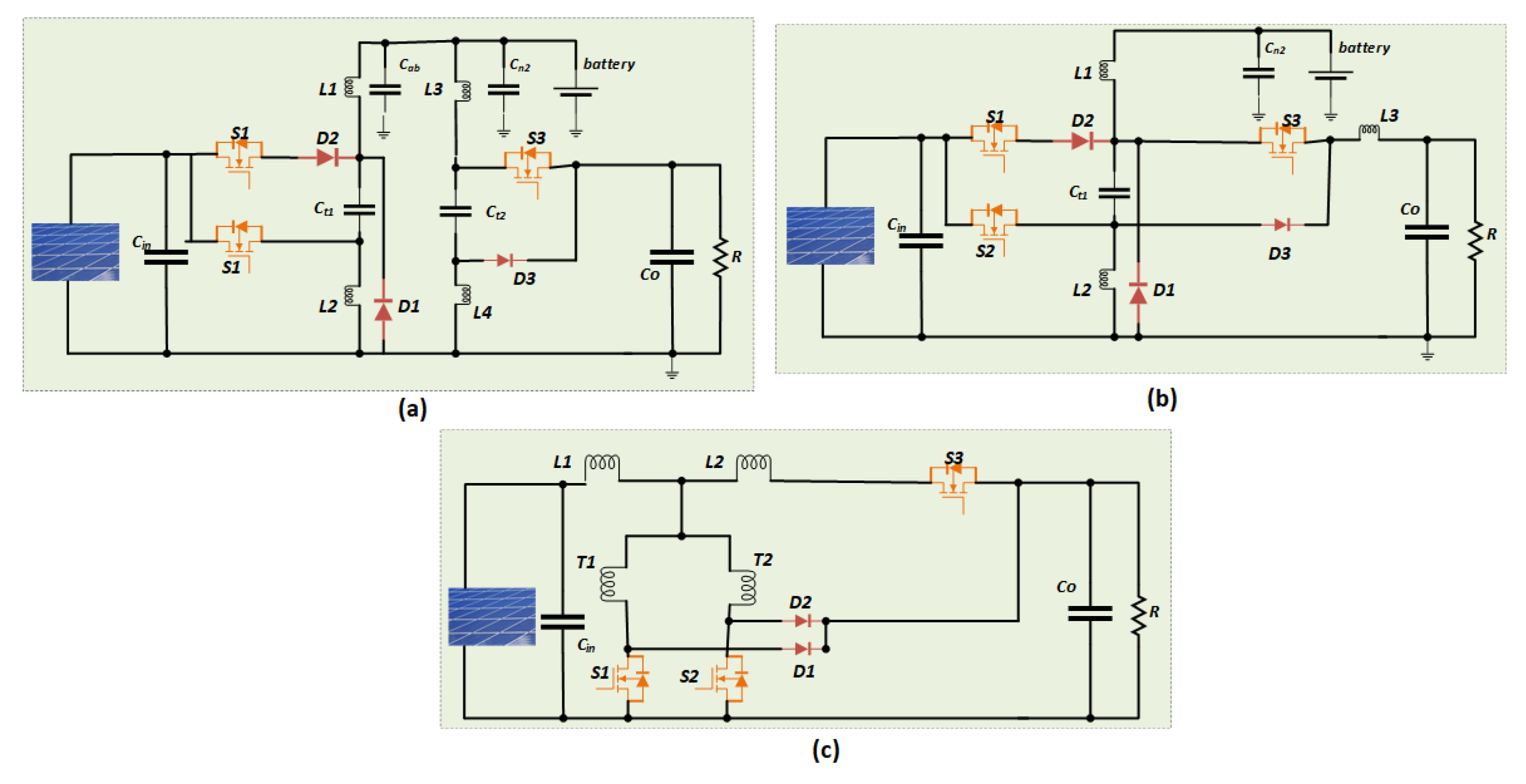
3.3.1. Three-Port Modified Half-Bridge Converter
3.3.2. Non-Isolated PWM Three-Port Converter
3.3.3. Two-Switch Forward with Integrated Buck Converter
- Non-Leg Structure: The converter should have a conservative design in which a fault at a node should not interrupt the functioning of the entire system, thus ensuring an extended life for the satellite. A non-leg structure was proposed in [115] as a potential solution in this context.
- PWM Controlled: To align with the strict EMI and EMC regulations in space and considering the variations in passive components in space, pulse-frequency modulation control is not recommended for DC-DC converters for satellites. Thus, PWM control is the proposed method of control [115].
3.4. DC-DC Converters for Electric Propulsion
4. Comparative Analysis of Various Topologies
5. Future Directions
5.1. Wide-Band-Gap Devices
5.2. Deep Space Missions
5.3. Solar Power Satellites
5.4. Wireless Power Transfer for Satellite Power Distribution
6. Conclusions
Author Contributions
Funding
Data Availability Statement
Conflicts of Interest
Abbreviations
| ABAC | Active-Bridge Active-Clamp |
| ACF | Active-Clamp Forward |
| ANPC | Active Neutral Point Clamped |
| B2R | Buck–Boost Regulator |
| B3R | Buck–Buck–Boost Regulator |
| BCR | Battery Charge Regulator |
| BDR | Battery Discharge Regulator |
| DAB | Dual Active Bridge |
| DET | Direct Energy Transfer |
| EMI | Electromagnetic Interference |
| EP | Electric Propulsion |
| EPS | Electrical Power System |
| GEO | Geosynchronous Earth Orbit |
| IC | Incremental Conductance |
| ISOP | Input-Series Output-Parallel |
| LEO | Low Earth Orbit |
| MEA | More Electric Aircraft |
| MEO | Medium Earth Orbit |
| MPPT | Maximum Power-Point Tracking |
| NPC | Neutral Point Clamped |
| P&0 | Perturb and Observe |
| PCDU | Power Conditioning and Distribution Unit |
| PPT | Pulsed Plasma Thruster |
| PPU | Power Processing Unit |
| RCC | Ripple Correlation Control |
| RTG | Radioisotope Thermoelectric Generator |
| S3R | Sequential Switching Shunt Regulator |
| S4R | Sequential Series Shunt Regulator |
| SBSP | Space-Based Solar Power |
| SEE | Single-Event Effect |
| SEB | Single-Event Burnout |
| TPC | Three-Port Converter |
| WBG | Wide Band Gap |
| WPT | Wireless Power Transfer |
References
- Murugan, P.; Agrawal, Y. Small satellites applications, classification and technologies. Int. J. Sci. Res. (IJSR) 2020, 9, 1682–1687. [Google Scholar] [CrossRef]
- Wu, J.; Deng, L.; Praks, J.; Anger, M.; Oleynik, P.; Hajdas, W.; Wang, J.D.; Zhang, S.Y.; Zhou, B.; Zeng, L.; et al. CORBES: Radiation belt survey with international small satellite constellation. Adv. Space Res. 2024. [Google Scholar] [CrossRef]
- Sweeting, M.N. Modern small satellites-changing the economics of space. Proc. IEEE 2018, 106, 343–361. [Google Scholar] [CrossRef]
- Chen, Y.K.; Lai, Y.C.; Lu, W.C.; Lin, A. Design and implementation of high reliability electrical power system for 2U NutSat. IEEE Trans. Aerosp. Electron. Syst. 2020, 57, 614–622. [Google Scholar] [CrossRef]
- Barnwell, N.; Ritz, T.; Parry, S.; Clark, M.; Serra, P.; Conklin, J.W. The Miniature Optical Communication Transceiver—A Compact, Power-Efficient Lasercom System for Deep Space Nanosatellites. Aerospace 2018, 6, 2. [Google Scholar] [CrossRef]
- Casado, P.; Torres, C.; Blanes, J.M.; Garrigós, A.; Marroquí, D. Implementation of a 6U CubeSat Electrical Power System Digital Twin. Aerospace 2024, 11, 688. [Google Scholar] [CrossRef]
- Qu, Z.; Zhang, G.; Cao, H.; Xie, J. LEO satellite constellation for Internet of Things. IEEE Access 2017, 5, 18391–18401. [Google Scholar] [CrossRef]
- Asher, J.; Acarregui, O.; Wang, J. Numerical Simulation of Ionic Electrospray Contamination for Small Satellite Formation Flight. IEEE Trans. Plasma Sci. 2023, 51, 2508–2514. [Google Scholar] [CrossRef]
- Curzi, G.; Modenini, D.; Tortora, P. Large constellations of small satellites: A survey of near future challenges and missions. Aerospace 2020, 7, 133. [Google Scholar] [CrossRef]
- State of the Art Small Spacecraft Technology Report. Available online: https://www.nasa.gov/smallsat-institute/sst-soa/ (accessed on 25 September 2024).
- The Lunar Atmosphere and Dust Environment Explorer(LADEE). Available online: https://science.nasa.gov/mission/ladee/ (accessed on 25 September 2024).
- Cyclone Global Navigation Satellite System. Available online: https://www.nasa.gov/cygnss (accessed on 25 September 2024).
- AeroCube 7-OCSD-A (AeroCube 7-Optical Communication and Sensor Demonstration-A). Available online: https://www.eoportal.org/satellite-missions/aerocube-ocsd (accessed on 25 September 2024).
- ALBA ORBITAL. Available online: http://www.albaorbital.com/unicorn-2 (accessed on 25 September 2024).
- Barato, F.; Toson, E.; Milza, F.; Pavarin, D. Investigation of different strategies for access to space of small satellites on a defined LEO orbit. Acta Astronaut. 2024, 222, 11–28. [Google Scholar] [CrossRef]
- Ocean Surface Topography from Space. Available online: https://sealevel.jpl.nasa.gov/missions/jason-1/summary/ (accessed on 25 September 2024).
- Satellite Batteries—For CubeSats, Nanosats, and Other form Factors. Available online: https://blog.satsearch.co/2021-06-23-satellite-batteries-for-cubesats-nanosats-and-other-form-factors (accessed on 25 September 2024).
- Park, J.E.; Han, J.K.; Choi, S.H.; Moon, G.W. Two-switch forward converter with an integrated buck converter for high bus voltage in satellites. IEEE Trans. Power Electron. 2022, 38, 2041–2051. [Google Scholar] [CrossRef]
- Gonzalez-Llorente, J.; Lidtke, A.A.; Hatanaka, K.; Kawauchi, R.; Okuyama, K.I. Solar module integrated converters as power generator in small spacecrafts: Design and verification approach. Aerospace 2019, 6, 61. [Google Scholar] [CrossRef]
- Lim, T.M.; Cramer, A.M.; Lumpp, J.E.; Rawashdeh, S.A. A modular electrical power system architecture for small spacecraft. IEEE Trans. Aerosp. Electron. Syst. 2018, 54, 1832–1849. [Google Scholar] [CrossRef]
- Cao, M.; Zhang, T.; Yu, B.; Liu, Y. A method for interval prediction of satellite battery state of health based on sample entropy. IEEE Access 2019, 7, 141549–141561. [Google Scholar] [CrossRef]
- Tan, B.; Tseng, K. Intelligent and reliable power supply system for small satellites. In Proceedings of the 25th International Telecommunications Energy Conference, Yokohama, Japan, 23–23 October 2003; INTELEC’03. IEEE: Piscataway, NJ, USA, 2003; pp. 249–255. [Google Scholar]
- Edpuganti, A.; Khadkikar, V.; El Moursi, M.S.; Zeineldin, H.; Al-Sayari, N.; Al Hosani, K. A comprehensive review on CubeSat electrical power system architectures. IEEE Trans. Power Electron. 2021, 37, 3161–3177. [Google Scholar] [CrossRef]
- Park, J.E.; Han, J.K.; Park, K.B.; Lee, B.H.; Moon, G.W. A new direct charging control for electrical power systems in low Earth orbit satellites. IEEE Trans. Aerosp. Electron. Syst. 2022, 59, 2566–2578. [Google Scholar] [CrossRef]
- O’Reilly, D.; Herdrich, G.; Kavanagh, D.F. Electric propulsion methods for small satellites: A review. Aerospace 2021, 8, 22. [Google Scholar] [CrossRef]
- Sun, L.; Zhao, Z.; Huang, H.; Zhao, X. A thrust inversion method for small satellite electric propulsion based on a momentum wheel. Acta Astronaut. 2024, 219, 982–995. [Google Scholar] [CrossRef]
- Sahoo, S.; Zhao, X.; Kyprianidis, K. A review of concepts, benefits, and challenges for future electrical propulsion-based aircraft. Aerospace 2020, 7, 44. [Google Scholar] [CrossRef]
- Pedrini, D.; Misuri, T.; Paganucci, F.; Andrenucci, M. Development of hollow cathodes for space electric propulsion at sitael. Aerospace 2017, 4, 26. [Google Scholar] [CrossRef]
- Gagne, K.R.; McDevitt, M.R.; Hitt, D.L. A Dual Mode Propulsion System for Small Satellite Applications. Aerospace 2018, 5, 52. [Google Scholar] [CrossRef]
- Fu, M.; Zhang, D.; Li, T. New electrical power supply system for all-electric propulsion spacecraft. IEEE Trans. Aerosp. Electron. Syst. 2017, 53, 2157–2166. [Google Scholar] [CrossRef]
- Caverly, R.J.; Di Cairano, S.; Weiss, A. Electric satellite station keeping, attitude control, and momentum management by MPC. IEEE Trans. Control Syst. Technol. 2020, 29, 1475–1489. [Google Scholar] [CrossRef]
- Saha, A.; Ghassemi, M. Optimal design of high-power density medium-voltage direct current bipolar power cables for lunar power transmission. Aerospace 2024, 11, 685. [Google Scholar] [CrossRef]
- Spacecraft Bus Voltage Selection 2015 Space Power Workshop 12–14 May 2015. Available online: https://ntrs.nasa.gov/api/citations/20150019744/downloads/20150019744.pdf (accessed on 28 October 2024).
- He, Y.; Perreault, D.J. Lightweight high-voltage power converters for electroaerodynamic propulsion. IEEE J. Emerg. Sel. Top. Ind. Electron. 2021, 2, 453–463. [Google Scholar] [CrossRef]
- Garcia, O.; Alou, P.; Oliver, J.A.; Diaz, D.; Meneses, D.; Cobos, J.A.; Soto, A.; Lapena, E.; Rancano, J. Comparison of boost-based MPPT topologies for space applications. IEEE Trans. Aerosp. Electron. Syst. 2013, 49, 1091–1107. [Google Scholar] [CrossRef]
- Yaqoob, M.; Lashab, A.; Vasquez, J.C.; Guerrero, J.M.; Orchard, M.E.; Bintoudi, A.D. A comprehensive review on small satellite microgrids. IEEE Trans. Power Electron. 2022, 37, 12741–12762. [Google Scholar] [CrossRef]
- Nagata, H.; Uno, M. Nonisolated PWM three-port converter realizing reduced circuit volume for satellite electrical power systems. IEEE Trans. Aerosp. Electron. Syst. 2020, 56, 3394–3408. [Google Scholar] [CrossRef]
- Qian, Z.; Abdel-Rahman, O.; Al-Atrash, H.; Batarseh, I. Modeling and control of three-port DC/DC converter interface for satellite applications. IEEE Trans. Power Electron. 2009, 25, 637–649. [Google Scholar] [CrossRef]
- Hussein, B.; Massoud, A.M.; Khattab, T. Optimized Load-Scheduling Algorithm for CubeSat’s Electric Power System Management Considering Communication Link. IEEE Trans. Aerosp. Electron. Syst. 2023, 59, 7455–7468. [Google Scholar] [CrossRef]
- National Aeronautics and Space Administration. Small Spacecraft Technology State of the Art (TP-2015-216648); NASA Technical Publication: Moffett Field, CA, USA, 2015.
- Hussein, B.; Massoud, A.M.; Khattab, T. Centralized, distributed, and module-integrated electric power system schemes in cubesats: Performance assessment. IEEE Access 2022, 10, 55396–55407. [Google Scholar] [CrossRef]
- Edpuganti, A.; Khadkikar, V.; El Moursi, M.S.; Zeineldin, H. A novel multiport converter interface for solar panels of cubesat. IEEE Trans. Power Electron. 2021, 37, 629–643. [Google Scholar] [CrossRef]
- Edpuganti, A.; Khadkikar, V.; Zeineldin, H.; El Moursi, M.S.; Al Hosani, M. Comparison of peak power tracking based electric power system architectures for CubeSats. IEEE Trans. Ind. Appl. 2021, 57, 2758–2768. [Google Scholar] [CrossRef]
- Mourra, O.; Fernandez, A.; Tonicello, F. Buck boost regulator (B 2 R) for spacecraft solar array power conversion. In Proceedings of the 2010 Twenty-Fifth Annual IEEE Applied Power Electronics Conference and Exposition (APEC), Palm Springs, CA, USA, 21–25 February 2010; pp. 1313–1319. [Google Scholar]
- Mostacciuolo, E.; Iannelli, L.; Sagnelli, S.; Vasca, F.; Luisi, R.; Stanzione, V. Modeling and power management of a LEO small satellite electrical power system. In Proceedings of the 2018 European Control Conference (ECC), San Antonio, TX, USA, 4–8 March 2018; pp. 2738–2743. [Google Scholar]
- Kompella, M.; Kaarthik, R.S.; Priyadarshnam, H.; Simha, H. Parallel operation of battery chargers in small satellite electrical power systems. In Proceedings of the 2019 IEEE 16th India Council International Conference (INDICON), Rajkot, India, 13–15 December 2019; pp. 1–4. [Google Scholar]
- Stevanovic, B.; Salinas López, G.; Alou Cervera, P.; Oliver Ramírez, J.A.; Vasic, M.; Cobos Márquez, J.A. Low power distribution module for space applications: Analysis and comparison of different architectures and dc/dc topologies. In Proceedings of the Presentation at Congress or Conference, Madrid, Spain, 23–24 March 2017. [Google Scholar]
- Skup, K.R.; Grudziński, P.; Orleański, P.; Nowosielski, W. A digital controller for satellite medium power DC/DC converters. In Proceedings of the 2013 18th International Conference on Methods & Models in Automation & Robotics (MMAR), Miedzyzdroje, Poland, 26–29 August 2013; pp. 566–571. [Google Scholar]
- Orts, C.; Garrigós, A.; Marroquí, D.; Franke, A. Sequential Switching Shunt Regulation Using DC Transformers for Solar Array Power Processing in High Voltage Satellites. IEEE Trans. Aerosp. Electron. Syst. 2024, 60, 421–429. [Google Scholar] [CrossRef]
- Padial, P.M. Secondary Power Distribution in Satellites. Available online: https://www.doeeet.com/content/eee-components/draft-secondary-power-distribution-in-satellites (accessed on 25 September 2024).
- Hosny, I.; Safwat, I.M.; Mokhtar, A.; Elewa, A. Sequential Switching Shunt Regulator S3R and Maximum Power Point Tracking MPPT for a 3U CubeSat. In Proceedings of the 2024 14th International Conference on Electrical Engineering (ICEENG), Cairo, Egypt, 21–23 March 2024; pp. 31–35. [Google Scholar]
- Schirone, L.; Ferrara, M.; Granello, P.; Paris, C.; Pellitteri, F. Power bus management techniques for space missions in low earth orbit. Energies 2021, 14, 7932. [Google Scholar] [CrossRef]
- Osullivan, D.; Weinberg, G. The sequential switching shunt regulator S3R. In Proceedings of the 3rd ESTEC Spacecraft Power Conditioning Seminar, Noordwijk, The Netherlands, 21–23 September 1977. [Google Scholar]
- Blanes, J.M.; Carrasco, J.A.; Garrigós, A.; Marroquí, D.; Torres, C. Sequential switching shunt regulator parallel power processing control for high capacitance solar arrays. Energies 2021, 14, 429. [Google Scholar] [CrossRef]
- Capel, A.; Perol, P. Comparative performance evaluation between the S4R and the S3R regulated bus topologies. In Proceedings of the 2001 IEEE 32nd Annual Power Electronics Specialists Conference (IEEE Cat. No. 01CH37230), Vancouver, BC, Canada, 17–22 June 2001; Volume 4, pp. 1963–1969. [Google Scholar] [CrossRef]
- Eddine, K.K.D.; Lina, W.; Abderrahmane, S.; Messaoud, B.; de Oliveira Nogueira, P.H.; Boualem, K.M. Comprehensive Analysis and Design of Electrical Power Systems for Nanosatellite Platforms: A Focus on Robust MPPT Control Using Sliding Mode Control Method. Int. J. Energy Res. 2024, 2024, 4879696. [Google Scholar] [CrossRef]
- Li, P.; Zhang, J.; Xu, R.; Zhou, J.; Gao, Z. Integration of MPPT algorithms with spacecraft applications: Review, classification and future development outlook. Energy 2024, 308, 132927. [Google Scholar] [CrossRef]
- Mazouffre, S. Electric propulsion for satellites and spacecraft: Established technologies and novel approaches. Plasma Sources Sci. Technol. 2016, 25, 033002. [Google Scholar] [CrossRef]
- Dale, E.; Jorns, B.; Gallimore, A. Future directions for electric propulsion research. Aerospace 2020, 7, 120. [Google Scholar] [CrossRef]
- Potrivitu, G.C.; Sun, Y.; Rohaizat, M.W.A.b.; Cherkun, O.; Xu, L.; Huang, S.; Xu, S. A review of low-power electric propulsion research at the Space Propulsion Centre Singapore. Aerospace 2020, 7, 67. [Google Scholar] [CrossRef]
- Yin, S.; Xin, X.; Wang, R.; Dong, M.; Lin, J.; Gu, Y.; Li, H. A 1-MHz GaN-Based LCLC Resonant Step-Up Converter With Air-Core Transformer for Satellite Electric Propulsion Application. IEEE Trans. Ind. Electron. 2021, 69, 11035–11045. [Google Scholar] [CrossRef]
- Alnaqbi, S.; Darfilal, D.; Swei, S.S.M. Propulsion Technologies for CubeSats. Aerospace 2024, 11, 502. [Google Scholar] [CrossRef]
- Davis, J.P.; Mayberry, J.P.; Penn, J.P. Cost Reductions and Fuel Efficiency: High-Power Solar Electric Propulsion in Space. In Game Changer; Technical Report; Aerospace Corporation: El Segundo, CA, USA, 2021; Available online: https://aerospace.org/sites/default/files/2018-11/Davis-Mayberry_HPSEP_11212018.pdf (accessed on 15 January 2025).
- Space Nuclear Propulsion. Available online: https://www.nasa.gov/tdm/space-nuclear-propulsion/ (accessed on 28 October 2024).
- Lev, D.; Myers, R.M.; Lemmer, K.M.; Kolbeck, J.; Koizumi, H.; Polzin, K. The technological and commercial expansion of electric propulsion. Acta Astronaut. 2019, 159, 213–227. [Google Scholar] [CrossRef]
- Available online: https://www.satnow.com/community/what-is-a-power-processing-unit-ppu-for-thrusters (accessed on 28 October 2024).
- Tarisciotti, L.; Costabeber, A.; Chen, L.; Walker, A.; Galea, M. Current-fed isolated DC/DC converter for future aerospace microgrids. IEEE Trans. Ind. Appl. 2018, 55, 2823–2832. [Google Scholar] [CrossRef]
- Patnaik, B.; Kumar, S.; Gawre, S. Recent advances in converters and storage technologies for more electric aircrafts: A review. IEEE J. Miniat. Air Space Syst. 2022, 3, 78–87. [Google Scholar] [CrossRef]
- Solsona, J.A.; Gomez Jorge, S.; Busada, C.A. Modeling and nonlinear control of DC–DC converters for microgrid applications. Sustainability 2022, 14, 16889. [Google Scholar] [CrossRef]
- Yao, K.; Ye, M.; Xu, M.; Lee, F.C. Tapped-inductor buck converter for high-step-down DC-DC conversion. IEEE Trans. Power Electron. 2005, 20, 775–780. [Google Scholar] [CrossRef]
- Houari, B.; Aissa, B.; Lakhdar, L.; Yazid, B.E. DC/DC buck Converter Prototype for Educational Nanosatellite Power Sub-System. In Proceedings of the 2023 International Conference on Advances in Electronics, Control and Communication Systems (ICAECCS), Blida, Algeria, 6–7 March 2023; pp. 1–6. [Google Scholar] [CrossRef]
- Kulkarni, S.; Bangade, S.; Khadse, M.; Waghulde, D.; Aher, P.; Gaikwad, K.; Thakurdesai, S. Design and optimization of the on board DC/DC converters of Swayam satellite. In Proceedings of the 2014 IEEE International Conference on Power Electronics, Drives and Energy Systems (PEDES), Mumbai, India, 16–19 December 2014; pp. 1–6. [Google Scholar] [CrossRef]
- Darbali-Zamora, R.; Cobo-Yepes, N.; Salazar-Duque, J.E.; Ortiz-Rivera, E.I.; Rincon-Charris, A.A. Buck converter and SEPIC based electronic power supply design with MPPT and voltage regulation for small satellite applications. In Proceedings of the 2017 IEEE 44th Photovoltaic Specialist Conference (PVSC), Washington, DC, USA, 25–30 June 2017; pp. 2963–2968. [Google Scholar]
- Kao, Y.H.; Wu, J.L.; Liao, C.C.; Chang, H.H.; Huang, W.C.; Tsai, H.Y.; Guo, R.B.; Chen, K.H.; Zeng, K.L.; Lin, Y.H.; et al. A 33V to 1V Ripple-Less Buck Converter With the Inverted AC Current Replica Circuit and Sub-0.5Application. IEEE Solid-State Circuits Lett. 2024, 7, 183–186. [Google Scholar] [CrossRef]
- Jensen, H.; Laursen, J. Power conditioning unit for Rosetta/Mars express. In Proceedings of the Space Power, Porto, Portugal, 6–10 May 2002; Volume 502, p. 249. [Google Scholar]
- Faujdar, J.; Gautam, D.K.; Verma, V. A new converter for common mode noise reduction for EPS of a nano satellite. In Proceedings of the 2020 IEEE First International Conference on Smart Technologies for Power, Energy and Control (STPEC), Nagpur, India, 25–26 September 2020; pp. 1–6. [Google Scholar]
- Edpuganti, A.; Khadkikar, V.; Elmoursi, M.S.; Zeineldin, H.; Al Hosani, M. A novel EPS architecture for 1U/2U CubeSats with enhanced fault-tolerant capability. In Proceedings of the 2020 IEEE Industry Applications Society Annual Meeting, Detroit, MI, USA, 10–16 October 2020; pp. 1–6. [Google Scholar]
- Chiu, S.Y.; Kim, K.A. System analysis and design for multiconverter electrical power systems in nanosatellites. IEEE J. Miniat. Air Space Syst. 2022, 4, 41–53. [Google Scholar] [CrossRef]
- Hansen, M.M. Power conditioning unit for bepicolombo transfer module. In Proceedings of the 8th European Space Power Conference, Constance, Germany, 14–19 September 2008; Volume 661, p. 84. [Google Scholar]
- Sanchis, E.; Maset, E.; Ferreres, A.; Ejea, J.B.; Esteve, V.; Jordan, J.; Calvente, J.; Garrigos, A.; Blanes, J.M. Bidirectional high-efficiency nonisolated step-up battery regulator. IEEE Trans. Aerosp. Electron. Syst. 2011, 47, 2230–2239. [Google Scholar] [CrossRef]
- White, J.; Muldoon, W. Two-inductor boost and buck converters. In Proceedings of the 1987 IEEE Power Electronics Specialists Conference, Blacksburg, VA, USA, 21–26 June 1987; pp. 387–392. [Google Scholar]
- Martinelli, R.; Ashley, C. Coupled inductor boost converter with input and output ripple cancellation. In Proceedings of the APEC’91: Sixth Annual Applied Power Electronics Conference and Exhibition, Dallas, TX, USA, 10–15 March 1991; pp. 567–572. [Google Scholar]
- Hwu, K.I.; Yau, Y.T. An interleaved AC–DC converter based on current tracking. IEEE Trans. Ind. Electron. 2008, 56, 1456–1463. [Google Scholar] [CrossRef]
- Gorji, J.G.; Abbaszadeh, K.; Bagheroskouei, F. A new two-input and multi-output interleaved DC_DC boost converter for satellites power system. In Proceedings of the 2019 10th International Power Electronics, Drive Systems and Technologies Conference (PEDSTC), Shiraz, Iran, 12–14 February 2019; pp. 236–241. [Google Scholar]
- Zhu, H.; Zhang, D.; Liu, X.; Zhang, M.; Zhang, B. A Family of Interleaved Boost Converters for Battery Discharging in Space Applications. IEEE Trans. Power Electron. 2023, 38, 1887–1900. [Google Scholar] [CrossRef]
- Geist, A.V.; Sidorov, A.V.; Korobkov, D.V.; Volkov, A.G. DC/DC Boost Converter with Additional Inductance for the Space Power Supply System. In Proceedings of the 2018 19th International Conference of Young Specialists on Micro/Nanotechnologies and Electron Devices (EDM), Erlagol, Russia, 29 June–3 July 2018; pp. 6403–6408. [Google Scholar] [CrossRef]
- Mourra, O.; Fernandez, A.; Tonicello, F.; Landstroem, S. Multiple port DC DC converter for spacecraft power conditioning unit. In Proceedings of the 2012 Twenty-Seventh Annual IEEE Applied Power Electronics Conference and Exposition (APEC), Orlando, FL, USA, 5–9 February 2012; pp. 1278–1285. [Google Scholar]
- Mahmud, S.; Collings, W.; Kini, R.; Javaid, A.; Khanna, R.; Barchowsky, A.; Loveland, J.; Amirahmadi, A.; Stell, C.; Zapien, X. A GaN-Based Four-Switch Buck-Boost Converter Using Ripple Correlation Control for Maximum Power Point Tracking in Dynamic Deep Space Environments. 2020. Available online: https://digitalcommons.usu.edu/smallsat/2020/all2020/163/ (accessed on 15 January 2025).
- Qunhai, H.; Jingyuan, Y.; Lixin, W.; Tongzhen, W. Research on a new bidirectional DC-DC topology for space applications. In Proceedings of the 2017 12th IEEE Conference on Industrial Electronics and Applications (ICIEA), Siem Reap, Cambodia, 18–20 June 2017; pp. 1686–1690. [Google Scholar]
- Weinberg, S.; Lopez, A. A bidirectional BDR/BCR for satellite applications. In Proceedings of the Fifth European Space Power Conference (ESPC), Tarragona, Spain, 21–25 September 1998; Volume 416, p. 27. [Google Scholar]
- Uno, M.; Tanaka, K. Single-switch constant-power equalization charger based on multi-stacked buck-boost converters for series-connected supercapacitors in satellite power systems. In Proceedings of the 2011 IEEE Ninth International Conference on Power Electronics and Drive Systems, Singapore, 5–8 December 2011; pp. 1158–1165. [Google Scholar] [CrossRef]
- Deepa, K.; Deepti, T.; Kumar, V. New multi-output switching converter with low drop out post regulator. In Proceedings of the 2013 International Conference on Emerging Trends in Communication, Control, Signal Processing and Computing Applications (C2SPCA), Bangalore, India, 10–11 October 2013; pp. 1–6. [Google Scholar]
- Rampelli, P.K.; Deekshit, R.; Reddy, D.S.; Singh, B.K.; Chippalkatti, V.; Kanthimathinathan, T. Multiple-output magnetic feedback forward converter with discrete PWM for space application. In Proceedings of the 2012 IEEE International Conference on Power Electronics, Drives and Energy Systems (PEDES), Bengaluru, India, 16–19 December 2012; pp. 1–6. [Google Scholar]
- ElMenshawy, M.; Massoud, A. Medium-voltage dc-dc converter topologies for electric bus fast charging stations: State-of-the-art review. Energies 2022, 15, 5487. [Google Scholar] [CrossRef]
- Swaminathan, N.; Cao, Y. An overview of high-conversion high-voltage DC–DC converters for electrified aviation power distribution system. IEEE Trans. Transp. Electrif. 2020, 6, 1740–1754. [Google Scholar] [CrossRef]
- Boomer, K. Investigation into High Power Converter Topologies. In Proceedings of the NASA Engineering and Safety Center (NESC) Electrical Power Technical Discipline Team (TDT) Meeting, Cleveland, OH, USA, 28 September 2021. [Google Scholar]
- Tong, Q.; Zhang, H.; Zhang, D. Research on a High Power Density DC/DC Converter Based on Weinberg Topology. In Proceedings of the 2018 2nd IEEE Advanced Information Management, Communicates, Electronic and Automation Control Conference (IMCEC), Xi’an, China, 25–27 May 2018; pp. 2346–2350. [Google Scholar] [CrossRef]
- Tarisciotti, L.; Costabeber, A.; Linglin, C.; Walker, A.; Galea, M. Evaluation of isolated DC/DC converter topologies for future HVDC aerospace microgrids. In Proceedings of the 2017 IEEE Energy Conversion Congress and Exposition (ECCE), Cincinnati, OH, USA, 1–5 October 2017; pp. 2238–2245. [Google Scholar]
- Wang, L.; Zhang, D.; Yang, Y.; Li, H. Two-Stage Factorized Power Architecture DC–DC Converter for Spacecraft Secondary Power Supply System. IEEE J. Emerg. Sel. Top. Power Electron. 2022, 10, 5392–5413. [Google Scholar] [CrossRef]
- Ma, W.; Li, H. A High Step-Down SiC-Based T-Type LLC Resonant Converter for Spacecraft Power Processing Unit. Aerospace 2024, 11, 396. [Google Scholar] [CrossRef]
- Das, D.; Basu, K. Optimal design of a dual-active-bridge DC–DC converter. IEEE Trans. Ind. Electron. 2020, 68, 12034–12045. [Google Scholar] [CrossRef]
- Bidirectional Dual Active Bridge Power Converter for Spacecraft Power Systems. Available online: https://techport.nasa.gov/projects/90266 (accessed on 28 October 2024).
- Naayagi, R.; Forsyth, A.J.; Shuttleworth, R. High-power bidirectional DC–DC converter for aerospace applications. IEEE Trans. Power Electron. 2012, 27, 4366–4379. [Google Scholar] [CrossRef]
- Keshmiri, N.; Hassan, M.I.; Rodriguez, R.; Emadi, A. Comparison of isolated bidirectional DC/DC converters using WBG devices for more electric aircraft. IEEE Open J. Ind. Electron. Soc. 2021, 2, 184–198. [Google Scholar] [CrossRef]
- Pradhan, R.; Hassan, M.I.; Wang, Z.; Yuan, J.; Pietrini, G.; Suntharalingam, P.; Cruz, M.F.; Emadi, A. Design of a 20 kW Bidirectional Dual Active Bridge Converter for Aerospace Applications. In Proceedings of the 2023 IEEE Applied Power Electronics Conference and Exposition (APEC), Orlando, FL, USA, 19–23 March 2023; pp. 1024–1030. [Google Scholar]
- Zhang, J.; Tang, Y.; Hu, W.; Zhang, Z.; Li, J.; Chen, Z. Minimum current stress operation of dual active half-bridge converter using triple phase shift control for renewable energy applications. Energy Rep. 2022, 8, 547–553. [Google Scholar] [CrossRef]
- Xiao, Y.; Guan, Y.; Qin, L. Proposed asymmetric phase shift modulation strategy to improve zero-voltage-switch range and transmission power range for dual active bridge converter. Energy Rep. 2023, 9, 762–770. [Google Scholar] [CrossRef]
- Naayagi, R.; Forsyth, A.; Shuttleworth, R. Performance analysis of extended phase-shift control of DAB DC-DC converter for aerospace energy storage system. In Proceedings of the 2015 IEEE 11th International Conference on Power Electronics and Drive Systems, Sydney, Australia, 9–12 June 2015; pp. 514–517. [Google Scholar]
- Jiang, C.; Liu, H. A novel interleaved parallel bidirectional dual-active-bridge DC–DC converter with coupled inductor for more-electric aircraft. IEEE Trans. Ind. Electron. 2020, 68, 1759–1768. [Google Scholar] [CrossRef]
- Lee, N.; Lee, J.Y.; Cheon, Y.J.; Han, S.K.; Moon, G.W. A high-power-density converter with a continuous input current waveform for satellite power applications. IEEE Trans. Ind. Electron. 2019, 67, 1024–1035. [Google Scholar] [CrossRef]
- Weijun, L.; Yaujun, L. Small-signal modeling and analysis of the Weinberg converter for high-power satellites bus application. Chin. J. Electron. 2009, 18, 171–176. [Google Scholar]
- Nahavandi, A.; Hagh, M.T.; Sharifian, M.B.B.; Danyali, S. A nonisolated multiinput multioutput DC–DC boost converter for electric vehicle applications. IEEE Trans. Power Electron. 2014, 30, 1818–1835. [Google Scholar] [CrossRef]
- Uno, M.; Sugiyama, K. Switched capacitor converter based multiport converter integrating bidirectional PWM and series-resonant converters for standalone photovoltaic systems. IEEE Trans. Power Electron. 2018, 34, 1394–1406. [Google Scholar] [CrossRef]
- Nagata, H.; Uno, M. Multi-port converter integrating two PWM converters for multi-power-source systems. In Proceedings of the 2017 IEEE 3rd International Future Energy Electronics Conference and ECCE Asia (IFEEC 2017-ECCE Asia), Kaohsiung, Taiwan, 4–7 June 2017; pp. 1833–1838. [Google Scholar]
- Space Engineering Standard, ECSS-E-ST-20C. Available online: https://ecss.nl/standard/ecss-e-st-20c-electrical-and-electronic/ (accessed on 25 September 2024).
- O’Reilly, D.; Herdrich, G.; Schäfer, F.; Montag, C.; Worden, S.P.; Meaney, P.; Kavanagh, D.F. A coaxial pulsed plasma thruster model with efficient flyback converter approaches for small satellites. Aerospace 2023, 10, 540. [Google Scholar] [CrossRef]
- O’Reilly, D.; Kavanagh, D.F. Efficient Flyback Converter Design for Pulsed Plasma Thrusters with Applications in Cubesats. In Proceedings of the 2023 IEEE 2nd Industrial Electronics Society Annual On-Line Conference (ONCON), Virtual, 8–10 December 2023; pp. 1–6. [Google Scholar]
- Singh, A.K.; Das, P.; Panda, S. High voltage high frequency resonant DC-DC converter for electric propulsion for micro and nanosatellites. In Proceedings of the 2014 IEEE 36th International Telecommunications Energy Conference (INTELEC), Vancouver, UK, 28 September–2 October 2014; pp. 1–5. [Google Scholar]
- Piñero, L.R.; Scheidegger, R.J.; Aulsio, M.V.; Birchenough, A.G. High input voltage discharge supply for high power Hall thrusters using silicon carbide devices. In Proceedings of the International Electric Propulsion Conference (IEPC2013), Washington, DC, USA, 6–10 October 2014. Number NASA/TM-2014-216607. [Google Scholar]
- Pinero, L.; Bowers, G. Multi-Kilowatt Power Module for High Power Hall Thrusters. In Proceedings of the 40th AIAA/ASME/SAE/ASEE Joint Propulsion Conference and Exhibit, Fort Lauderdale, FL, USA, 11–14 July 2004; p. 3973. [Google Scholar]
- Matsunaga, Y.; Takahashi, T.; Watanabe, H.; Goto, D.; Cho, S.; Kusawake, H.; Kurokawa, F.; Kajiwara, K.; Funaki, I. Wide-output range power processing unit for 6-kW hall thruster. IEEE Trans. Aerosp. Electron. Syst. 2021, 58, 1609–1620. [Google Scholar] [CrossRef]
- Matsunaga, Y.; Watanabe, H.; Cho, S.; Funaki, I.; Kusawake, H.; Kajiwara, K.; Kurokawa, F.; Takahashi, T. Control algorithm for a 6 kW hall thruster. J. Electr. Propuls. 2022, 1, 29. [Google Scholar] [CrossRef]
- Zhou, J.; Zhu, Z.; Dong, B.; Wang, X.; Wang, Z.; Liu, T. Design of Heating Power Supply for Power Processing Unit of Hall Thruster. In Proceedings of the 2024 3rd International Conference on Energy and Electrical Power Systems (ICEEPS), Guangzhou, China, 14–16 July 2024; pp. 904–910. [Google Scholar]
- Piñero, L.R.; Bond, T.; Okada, D.; Pyter, J.; Wiseman, S. Design of a modular 5-kw power processing unit for the next-generation 40-cm ion engine. In Proceedings of the 27th International Electric Propulsion Conference, Indianapolis, IN, USA, 7–10 July 2002. Number NASA/TM-2002-211359. [Google Scholar]
- R, K.; N, L.N.; G, S. Combined Dual modulation Scheme (CDMS) for high power converters in Spacecraft All Electric Propulsion Systems (AEPS). In Proceedings of the 2022 IEEE International Conference on Power Electronics, Drives and Energy Systems (PEDES), Jaipur, India, 14–17 December 202; pp. 1–6. [CrossRef]
- Huang, X.; Lan, J.; Chen, N.; Fang, T.; Ruan, X.; He, X. A novel two-stage DC/DC converter applied to power processing unit for astronautical ion propulsion system. In Proceedings of the 2019 IEEE International Conference on Industrial Technology (ICIT), Melbourne, Australia, 13–15 February 2019; pp. 343–348. [Google Scholar]
- Youssef, T.; Löher, T.; Azzopardi, S. Embedded Power GaN Components inside a PCB for space applications. In Proceedings of the 2022 International Conference on Electronics Packaging (ICEP), Sapporo, Japan, 11–14 May 2022; pp. 11–12. [Google Scholar]
- Ravyts, S.; Van De Sande, W.; Vecchia, M.D.; Broeck, G.V.d.; Duraij, M.; Martinez, W.; Daenen, M.; Driesen, J. Practical considerations for designing reliable DC/DC converters, applied to a BIPV case. Energies 2020, 13, 834. [Google Scholar] [CrossRef]
- Sayed, K.; Almutairi, A.; Albagami, N.; Alrumayh, O.; Abo-Khalil, A.G.; Saleeb, H. A review of DC-AC converters for electric vehicle applications. Energies 2022, 15, 1241. [Google Scholar] [CrossRef]
- Dorn-Gomba, L.; Ramoul, J.; Reimers, J.; Emadi, A. Power electronic converters in electric aircraft: Current status, challenges, and emerging technologies. IEEE Trans. Transp. Electrif. 2020, 6, 1648–1664. [Google Scholar] [CrossRef]
- ElMenshawy, M.; Massoud, A. Modular isolated dc-dc converters for ultra-fast ev chargers: A generalized modeling and control approach. Energies 2020, 13, 2540. [Google Scholar] [CrossRef]
- Chin, K.B.; Brandon, E.J.; Bugga, R.V.; Smart, M.C.; Jones, S.C.; Krause, F.C.; West, W.C.; Bolotin, G.G. Energy storage technologies for small satellite applications. Proc. IEEE 2018, 106, 419–428. [Google Scholar] [CrossRef]
- Kerslake, T.W. Effect of voltage level on power system design for solar electric propulsion missions. J. Sol. Energy Eng. 2004, 126, 936–944. [Google Scholar] [CrossRef][Green Version]
- Phillips, A.; Cook, T.; West, B.; Grainger, B.M. Gallium nitride efficacy for high-reliability forward converters in spacecraft. IEEE J. Emerg. Sel. Top. Power Electron. 2022, 10, 5357–5370. [Google Scholar] [CrossRef]
- Islam, R.; Rafin, S.S.H.; Mohammed, O.A. Comprehensive review of power electronic converters in electric vehicle applications. Forecasting 2022, 5, 22–80. [Google Scholar] [CrossRef]
- ul Hassan, M.; Emon, A.I.; Luo, F.; Solovyov, V. Design and validation of a 20-kVA, fully cryogenic, two-level GaN-based current source inverter for full electric aircrafts. IEEE Trans. Transp. Electrif. 2022, 8, 4743–4759. [Google Scholar] [CrossRef]
- Wilson, P.R. Advanced aircraft power electronics systems—The impact of simulation, standards and wide band-gap devices. CES Trans. Electr. Mach. Syst. 2017, 1, 72–82. [Google Scholar] [CrossRef]
- Ma, Z.; Liu, D.; Yuan, S.; Duan, Z.; Wu, Z. Damage Effects and Mechanisms of High-Power Microwaves on Double Heterojunction GaN HEMT. Aerospace 2024, 11, 346. [Google Scholar] [CrossRef]
- Galloway, K.F.; Witulski, A.F.; Schrimpf, R.D.; Sternberg, A.L.; Ball, D.R.; Javanainen, A.; Reed, R.A.; Sierawski, B.D.; Lauenstein, J.M. Failure estimates for SiC power MOSFETs in space electronics. Aerospace 2018, 5, 67. [Google Scholar] [CrossRef]
- Arrizabalaga, A.; Álvarez, G. Technical specification envelope for SiC semiconductors to enable high-power in space. CEAS Space J. 2024, 1–12. [Google Scholar] [CrossRef]
- Gomez-San-Juan, A.M.; Cubas, J.; Pindado, S. On the thermo-electrical modeling of small satellite’s solar panels. IEEE Trans. Aerosp. Electron. Syst. 2021, 57, 1672–1684. [Google Scholar] [CrossRef]
- Propulsion: Lift-Off, Orbit Adjustments and Travelling Through Space. Available online: https://www.esa.int/Enabling-Support/Preparing-for-the-Future/Discovery-and-Preparation/Propulsion-lift-off-orbit-adjustments-and-travelling-through-space (accessed on 25 September 2024).
- Turan, E.; Speretta, S.; Gill, E. Autonomous navigation for deep space small satellites: Scientific and technological advances. Acta Astronaut. 2022, 193, 56–74. [Google Scholar] [CrossRef]
- Maqsood, M.; Nasir, M.N. Wireless electricity (Power) transmission using solar based power satellite technology. J. Phys. Conf. Ser. 2013, 439, 012046. [Google Scholar] [CrossRef]
- Kulu, E.; Lofqvist, M. Space Solar Power-2023 Survey of Public and Private Initiatives. In Proceedings of the 74th International Astronautical Congress, Baku, Azerbaijan, 2–6 October 2023. [Google Scholar]
- Baraskar, A.; Chen, H.; Yoshimura, Y.; Nagasaki, S.; Hanada, T. Verify the wireless power transmission in space using satellite to satellite system. Int. J. Emerg. Technol. 2021, 12, 110–118. [Google Scholar]
- Fusco, F.; Castrillo, V.U.; Giannetta, H.M.R.; Albano, M.; Cavallini, E. Methods, Standards and Components for Wireless Communications and Power Transfer Aimed at Intra-Vehicular Applications of Launchers. Aerospace 2024, 11, 132. [Google Scholar] [CrossRef]
- Lopez, F.; Mauro, A.; Mauro, S.; Monteleone, G.; Sfasciamuro, D.E.; Villa, A. A Lunar-Orbiting Satellite Constellation for Wireless Energy Supply. Aerospace 2023, 10, 919. [Google Scholar] [CrossRef]



















| Converter | References | Switching Frequency (kHz) | Component Count | Type of Satellite | Power (W) | Main Features | |||
|---|---|---|---|---|---|---|---|---|---|
| S | D | L | C | ||||||
| Conventional buck | [71,72,73] | - | 1 | 1 | 1 | 1 | Nano, pico, cube | Low | Good voltage regulation |
| Differentially connected buck [Figure 9a] | [36,76] | 400 | 2 | 2 | 2 | 4 | Nano-sat | 30 | Common mode noise rejection to reduce leakage current |
| Load-side redundant buck [Figure 9b] | [36,77] | - | 4 | 0 | 1 | 1 | Cube-sat | - | Redundant module for over-current protection |
| Switch-to-ground boost [Figure 10a] | [35,36] | 130 | 1 | 1 | 3 | 3 | Small sat | 500 | Simple driving circuits, direct energy transfer from input and output, high mass |
| [80] | 100 | 2 | 0 | 2 | 3 | Small sat | 5000 | Low mass and volume | |
| Two-inductor-based boost [Figure 10b] | [35,36,81] | 130 | 1 | 1 | 2 | 2 | Small sat | 500 | Continuous input and output currents, poor dynamic response. |
| Boost with ripple cancellation [Figure 10c] | [35,36,82] | 130 | 1 | 1 | 3 | 5 | Small sat | 500 | Ripple cancellation, high component count |
| Common-damping 2-inductor boost [Figure 10d] | [35,36] | 130 | 1 | 1 | 1 | 3 | Small sat | 500 | High bandwidth, high loss in magnetic components |
| Interleaved boost [Figure 10e] | [35,36] | 130 | 2 | 2 | 4 | 4 | Small sat | 500 | Low output current ripple, good transient response, good transient response |
| Multi-output interleaved [Figure 10f] | [35,84] | 100 | 4 | 7 | 2 | 2 | - | 500 | |
| B2R converter [Figure 11a] | [35,44] | 100 | 3 | 3 | 4 | 6 | - | 450 | Good voltage regulation |
| B3R converter [Figure 11b] | [35,87] | - | 3 | 3 | 3 | 4 | - | - | Good voltage regulation and transient response. |
| Improved Weinberg converter [Figure 11c] | [35,89] | 50 | 3 | 2 | 4 | 2 | - | - | Simple structure, high efficiency, and power density |
| Converter | References | Switching Frequency (kHz) | Component Count | Power (W) | Main Features | |||
|---|---|---|---|---|---|---|---|---|
| S | D | L | C | |||||
| Full-bridge converter [Figure 13a] | [96] | 50 | 4 | 4 | 1 | 2 | 1000 | Wide output voltage, good efficiency, shoot-through problems. |
| Current-fed Weinberg converter [Figure 13b] | [96] | 50 | 2 | 5 | 0 | 2 | 500 | Shoot-through tolerant, high efficiency, wide output voltage, suitable for LV applications, HV stress across switches. |
| [111] | 150 | 2 | 3 | 1 | 1 | 1500 | Fast dynamic response. | |
| Current-fed cascaded buck and full-bridge converter [Figure 14a] | [96] | 50 | 5 | 6 | 1 | 1 | 1000 | Shoot-through tolerant, high component count, limitation in operating frequency, lower efficiency |
| Resonant LLC converter [Figure 14b] | [96] | >200 | 4 | 4 | 2 | 2 | 1000 | High efficiency, lower weight, high switching frequency, complex control circuitry. |
| Conventional DAB [Figure 15a] | [104] | - | 8 | 0 | 1 | 2 | - | Soft switching, galvanic isolation, simple structure. |
| [67] | 100 | 8 | 0 | 1 | 2 | 8400 | ||
| ISOP-DAB [Figure 15b] | [104] | 16 | 0 | 2 | 4 | - | Low EMI noise, low efficiency. | |
| NPC-DAB [Figure 15c] | [104] | - | 12 | 4 | 1 | 3 | - | Low volume and weight, low EMI noise, low efficiency. |
| ANPC-DAB [Figure 15d] | [104] | - | 16 | 0 | 1 | 3 | - | High efficiency, good heat management, high power density. |
| Parallel interleaved DAB [Figure 15e] | [104] | 50 | 8 | 0 | 5 | 4 | 250 | |
| ABAC converter [Figure 16a] | [67,98] | 100 | 8 | 0 | 3 | 4 | 8400 | High efficiency, high power density. |
| ACF [Figure 16b] | [110] | 300 | 2 | 2 | 3 | 3 | 100 | Reliable, lightweight, low EMI noise, high power density. |
| Converter | References | Switching Frequency (kHz) | Component Count | Power (W) | Isolated/Non-Isolated | Main Features | |||
|---|---|---|---|---|---|---|---|---|---|
| S | D | L | C | ||||||
| Three-port modified half-bridge converter [Figure 17b] | [38] | - | 5 | 1 | 2 | 3 | 200 | Isolated | Soft switching during turn-on, complex control technique. |
| Non-isolated PWM three-port converter [Figure 18a] | [37] | 100 | 3 | 2 | 2 | 4 | 240 | Non-isolated | Simple circuit, reduced size. |
| Two-switch forward with integrated buck converter [Figure 18b] | [18] | 100 | 2 | 4 | 3 | 2 | 600 | Isolated | Low mass and volume, ZVS switching, improved efficiency. |
| Converter | References | Switching Frequency (kHz) | Component Count | Power (W) | Main Features | |||
|---|---|---|---|---|---|---|---|---|
| S | D | L | C | |||||
| Flyback | [116,117] | - | 1 | 1 | 1 | 1 | 20 W | Simple circuit, suitable for small satellites. |
| Resonant LLC | [118] | - | 4 | 8 | 1 | 6 | 10 W | Simple circuit, suitable for small satellites. |
| Forward converter | [123] | 100 | 1 | 1 | 1 | 1 | 150 W | Simple circuit, low component count. |
| Resonant LLC [Figure 14b] | [120] | >200 | 4 | 4 | 2 | 2 | 1 kW | High efficiency, lower weight, high switching frequency, complex control circuitry. |
| 4 parallel converters | [122] | 50 | - | - | - | - | 6 kW | High efficiency over wide output range, low component count, parallel or serial switching of converters to obtain multiple output conditions |
| DAB [Figure 15a] | [124,127] | - | 8 | 0 | 1 | 2 | 5 kW | Soft switching, galvanic isolation, simple structure. |
| DAB with combined dual modulation [Figure 15a] | [125] | - | 8 | 0 | 1 | 2 | 1–5 kW | Decreased EMI, a large output voltage range, high efficiency, and power density. |
| 4-switch interleaved buck–boost + LLC resonant [Figure 19] | [126] | - | 8 | 0 | 2 | 1 | 1.2 kW | Soft switching, low size of inductor, high power density, and efficiency. |
| Converter | References | Figure | Reliability | Redundancy | Modularity | Power Density | Efficiency |
|---|---|---|---|---|---|---|---|
| Differentially connected buck | [36,76] | Figure 9a | Medium | Yes | No | High | 97 |
| Load-side redundant buck | [36,77] | Figure 9b | High | Yes | No | - | - |
| Switch-to-ground buck | [35,36] | Figure 10a | High | No | No | - | 96 |
| Two-inductor-based boost | [35,36,81] | Figure 10b | High | No | No | - | >96 |
| Boost with ripple cancellation | [35,36,82] | Figure 10c | Medium | No | No | High | >96 |
| Common-damping 2-inductor boost | [35,36] | Figure 10d | High | No | No | - | >96 |
| Interleaved boost | [35,36] | Figure 10e | High | Yes | yes | - | >96 |
| Multi-output interleaved boost | [35,84] | Figure 10f | High | Yes | Yes | - | 96 |
| B2R Converter | [35,44] | Figure 11a | Medium | No | No | - | 96 |
| B3R Converter | [35,87] | Figure 11b | High | Yes | Yes | - | High |
| Improved Weinberg converter | [35,89] | Figure 11c | Medium | No | No | - | High |
| Converter | References | Figure | Reliability | Redundancy | Modularity | Power Density | Efficiency |
|---|---|---|---|---|---|---|---|
| Full-bridge converter | [96] | Figure 13a | Medium | No | No | Medium | 95 |
| Current-fed Weinberg converter | [96] | Figure 13b | High | No | No | Medium | 95 |
| Current-fed cascaded buck and full-bridge converter | [96] | Figure 14a | Medium | No | No | Medium | 90–95 |
| Resonant LLC converter | [96] | Figure 14b | Medium | No | No | Medium | 95–98 |
| Conventional DAB | [104] | Figure 15a | High | No | No | Medium | High |
| ISOP-DAB | [104] | Figure 15b | High | Yes | Yes | Medium | High |
| NPC-DAB | [104] | Figure 15c | Low | No | No | Low | Low |
| ANPC-DAB | [104] | Figure 15d | Low | No | No | High | High |
| Parallel interleaved DAB | [104] | Figure 15e | High | Yes | Yes | High | - |
| ABAC converter | [67,98] | Figure 16a | Low | Yes | Yes | High | High |
| ACF converter | [110] | Figure 16b | High | Yes | Yes | High | 90–95 |
| Converter | References | Figure | Reliability | Redundancy | Modularity | Power Density | Efficiency |
|---|---|---|---|---|---|---|---|
| Three-port modified half-bridge converter | [38] | Figure 17b | Low | No | No | Low | High |
| Non-isolated PWM three-port converter | [37] | Figure 18a | Medium | No | No | Medium | 97.3 |
| Two-switch forward with integrated buck converter | [18] | Figure 18b | High | No | No | High | 95 |
| Converter | Ref. | Figure | Type of Thruster | Reliability | Redundancy | Modularity | Power Density | Efficiency |
|---|---|---|---|---|---|---|---|---|
| Resonant LLC | [120] | Figure 14b | Hall thruster | Medium | No | No | High | >95 |
| 4 parallel converters | [122] | - | Hall thruster | High | No | Yes | High | 96.1 |
| DAB | [124,127] | Figure 18 | Ion thruster | Medium | No | No | High | High |
| DAB with combined dual modulation | [125] | Figure 18 | - | High | No | No | High | - |
| 4-switch interleaved buck–boost + LLC resonant | [126] | Figure 19 | Ion thruster | High | No | Yes | High | High |
| Application | Figure | Reference | Large | Small | Mini | Micro | Nano | Pico | Femto |
|---|---|---|---|---|---|---|---|---|---|
| MPPT | Figure 9a | [36,76] | ✓ | ✓ | ✓ | ||||
| Figure 9b | [36,77] | ✓ | ✓ | ✓ | |||||
| Figure 10a | [35,36] | ✓ | ✓ | ||||||
| Figure 10b | [35,36,81] | ✓ | ✓ | ||||||
| Figure 10c | [35,36,82] | ✓ | ✓ | ||||||
| Figure 10d | [35,36] | ✓ | ✓ | ||||||
| Figure 10e | [35,36] | ✓ | ✓ | ||||||
| Figure 10f | [35,84] | ✓ | ✓ | ||||||
| Figure 11a | [35,44] | ||||||||
| Figure 11b | [35,87] | ||||||||
| Battery Regulator | Figure 10f | [35,84] | ✓ | ✓ | |||||
| Figure 11b | [35,87] | ||||||||
| Figure 11c | [35,89] | ||||||||
| Voltage Regulation | Figure 9a | [36,76] | ✓ | ✓ | ✓ | ||||
| Figure 9b | [36,77] | ✓ | ✓ | ✓ | |||||
| Figure 10a | [35,36] | ✓ | ✓ | ||||||
| Figure 10b | [35,36,81] | ✓ | ✓ | ||||||
| Figure 10c | [35,36,82] | ✓ | ✓ | ||||||
| Figure 10d | [35,36] | ✓ | ✓ | ||||||
| Figure 10e | [35,36] | ✓ | ✓ | ||||||
| Figure 10f | [35,84] | ✓ | ✓ | ||||||
| Figure 11a | [35,44] | ||||||||
| Figure 11b | [35,87] | ||||||||
| Figure 11c | [35,89] | ||||||||
| Multi-Port Conversion | Figure 17b | [38] | ✓ | ✓ | ✓ | ✓ | ✓ | ✓ | |
| Figure 18a | [37] | ✓ | ✓ | ✓ | ✓ | ✓ | ✓ | ||
| Figure 18b | [18] | ✓ | ✓ | ✓ | ✓ | ✓ | ✓ | ||
| Electric Propulsion | Figure 14b | [96] | ✓ | ✓ | |||||
| Figure 15a | [104] | ✓ | ✓ | ||||||
| Figure 19 | [126] | ✓ | ✓ | ||||||
| Power Distribution | Figure 13a | [96] | ✓ | ✓ | |||||
| Figure 13b | [96] | ✓ | ✓ | ||||||
| Figure 14a | [96] | ✓ | ✓ | ||||||
| Figure 14b | [96] | ✓ | ✓ | ||||||
| Figure 15a | [104] | ✓ | ✓ | ||||||
| Figure 15b | [104] | ✓ | ✓ | ||||||
| Figure 15c | [104] | ✓ | ✓ | ||||||
| Figure 15d | [104] | ✓ | ✓ | ||||||
| Figure 15e | [104] | ✓ | ✓ | ||||||
| Figure 16a | [67,98] | ✓ | ✓ | ||||||
| Figure 16b | [110] | ✓ | ✓ |
| Area | Research Gaps |
|---|---|
| Design and Development of DC-DC Converters |
|
| Adoption of Solar EP/Nuclear EP |
|
| Deep Space Exploration |
|
| Electronic Components for Space Applications |
|
| Solar-Based Power Satellites |
|
Disclaimer/Publisher’s Note: The statements, opinions and data contained in all publications are solely those of the individual author(s) and contributor(s) and not of MDPI and/or the editor(s). MDPI and/or the editor(s) disclaim responsibility for any injury to people or property resulting from any ideas, methods, instructions or products referred to in the content. |
© 2025 by the authors. Licensee MDPI, Basel, Switzerland. This article is an open access article distributed under the terms and conditions of the Creative Commons Attribution (CC BY) license (https://creativecommons.org/licenses/by/4.0/).
Share and Cite
Ravindran, R.; Massoud, A.M. State-of-the-Art DC-DC Converters for Satellite Applications: A Comprehensive Review. Aerospace 2025, 12, 97. https://doi.org/10.3390/aerospace12020097
Ravindran R, Massoud AM. State-of-the-Art DC-DC Converters for Satellite Applications: A Comprehensive Review. Aerospace. 2025; 12(2):97. https://doi.org/10.3390/aerospace12020097
Chicago/Turabian StyleRavindran, Reshma, and Ahmed M. Massoud. 2025. "State-of-the-Art DC-DC Converters for Satellite Applications: A Comprehensive Review" Aerospace 12, no. 2: 97. https://doi.org/10.3390/aerospace12020097
APA StyleRavindran, R., & Massoud, A. M. (2025). State-of-the-Art DC-DC Converters for Satellite Applications: A Comprehensive Review. Aerospace, 12(2), 97. https://doi.org/10.3390/aerospace12020097

