Abstract
High-speed rotating flywheel bearings, designed for space applications, generate a high-resistance hydrodynamic lubrication film, which isolates the rotor, transforming it into a conductor. This phenomenon introduces a novel failure mode—flywheel bearing electrical damage caused by space charging effects. This paper first reviews the sources of common shaft voltages in flywheels and the mechanisms of electrical damage and improves the principle of deep charge causing shaft voltages in flywheel bearings, proposing that surface charge is another source of shaft voltages. The quantified analysis model of flywheel bearing electrical damage in relation to rotational speed and high-energy electron flux is derived, indicating that the damage caused by space charge–discharge to the bearing is of small magnitude and only becomes apparent after long-term accumulation, thus being easily overlooked. Based on the causal chain of electrical damage, a correlation analysis model consistent with physical principles is constructed, and the correlation between on-orbit anomalies of the flywheel and high-energy electron flux is confirmed through the use of big data. Preliminary experiments are conducted to validate all of the research results. Finally, suggestions are given for the reliable design, application, and testing of flywheels.
1. Introduction
A flywheel designed for space applications consists of a motor, bearing components, a wheel body, and housing. When the motor is powered, the wheel body rotates, and the momentum generated is applied to the spacecraft to achieve attitude control and measurement. Common attitude control flywheels include reaction wheels, momentum wheels, torque control gyroscopes, frame momentum wheels, etc. The common attitude measurement flywheel is an integral gyroscope. The flywheel is a key component of long-life spacecraft such as communication and remote sensing, and bearing components are the most critical components of flywheels. Over the years, flywheel bearing problems have been constantly occurring in orbit, which has been a chronic problem for the overall life and reliability of spacecraft. Flywheel bearing failures in foreign countries have led to functional degradation and mission failures of spacecraft such as the Kepler Telescope, TIMED, DAWN, FUSE, Hayabusa, Globalstar, etc. [1]. Momentum wheels that have been in orbit for more than five years in China have successively experienced phenomena such as increased shaft friction torque, abnormal speed response, and jamming [2]. Therefore, the lifetime and reliability of flywheel bearing components have always been a research hotspot [1,3].
To explore the root causes of faults in flywheel bearing components, we conducted research on bearing electrical damage. In the civilian field, with the rapid development of new energy vehicles and high-speed railways, this research is booming [4,5], and there are very few related studies in the space borne field [1,3]. To our knowledge, only Bialke has conducted preliminary research [6,7,8]. Based on the correlation analysis between friction faults and high-energy electronic events in the flywheel during orbit, as well as the collateral evidence that the flywheel did not experience friction faults again after switching to ceramic ball bearings, Bialke first proposed the hypothesis in 2017 that deep charging causes electrical damage to the flywheel bearing. That is, the high resistance characteristics of elasto-hydrodynamic lubrication (EHL) make the rotor an isolated conductor, and high-energy electrons penetrate the flywheel housing and deposit on the rotor, causing the rotor to become charged and subsequently causing electrical damage to the flywheel bearing. Unlike traditional fatigue damage, which accumulates over time due to repeated load cycles, electrical discharge damage in bearings is primarily caused by the localized effects of electrical currents, often resulting from small contact areas between the rolling elements and raceways.
At present, there is little research on the electrical damage of flywheel bearings, and there are many problems that urgently need to be studied: flywheel bearing electrical damage is a multidisciplinary and interdisciplinary field, and there are problems such as an unsystematic causal chain of electrical damage faults, a lack of quantitative analysis models for electrical damage, and insufficient verification of damage tests. In addition, Bialke pointed out that existing research has problems such as incomplete fault modes, limited samples, and incomplete analysis models [6].
In response to the above issues, we conducted research on electrical damage to flywheel bearings: (1) we systematically summarized the conventional shaft voltage sources of flywheels and the causal chain of electrical damage faults, improved the principle of deep electrification causing shaft voltage in flywheel bearings, and proposed that surface electrification is also the source of shaft voltage, and (2) based on the classic formula of tribology, a quantitative analysis model was derived for the relationship between the electrical damage of flywheel bearings and rotational speed, oil film thickness, and high-energy electron flux. It was pointed out that the damage level of flywheel electrical damage is low and only appears after long-term accumulation, making it easily overlooked. Based on the causal chain of electrical damage, a correlation analysis model that conforms to physical principles was constructed, and the correlation between flywheel in orbit anomalies and high-energy electron flux was confirmed using big data. Preliminary experiments were conducted and it was found that the electrical damage test method for flywheel bearings is complex and the consistency of the test is poor. It is urgent to standardize the test process. At the same time, it was confirmed that the electrical damage energy is small (typical energy is in the millijoule range), which is sufficient to cause cumulative damage to the long-life flywheel shaft system. Finally, we provide recommendations for the reliability design, application, and testing of flywheel bearings. This study is of great significance for improving the reliability of flywheel shaft system design, testing, and application.
2. Introduction to Shaft Voltage and Shaft Current
This chapter first introduces the conventional scenarios that lead to bearing shaft voltage and shaft current. It then focuses on the mechanisms of shaft voltage and shaft current caused by space charging in space applications, including deep and surface charging. When those voltages surpass certain critical thresholds, shaft currents may be induced, causing damage to bearings.
2.1. Overview of Conventional Shaft Voltage and Shaft Current
2.1.1. Shaft Voltage and Shaft Current Caused by Magnetic Asymmetry
The working principle of a DC permanent magnet motor is that the inverter drives the symmetrical stator winding to generate a rotating magnetic field, which pulls the permanent magnet rotor to rotate. In theory, when the magnetic field rotates, there is no potential difference on the shaft because the motor shaft is located at the axis of the rotating electromagnetic field and the permanent magnet magnetic field, and the shaft does not cut the magnetic field lines. However, when the axis is not the axis of the rotating magnetic field (i.e., magnetic asymmetry, as shown in Figure 1a), the axis will generate a potential difference due to cutting alternating magnetic field lines, namely the Shaft Voltage (Vsh-asym in Figure 1b). The more severe the magnetic asymmetry and the greater the change in magnetic flux, the greater the axis voltage. When the shaft voltage exceeds the breakdown voltage of the bearing oil film, a shaft current as shown by the red thick dashed line in Figure 1b will be formed. Its path is: one end of the shaft → the inner ring of the bearing at that end → the steel ball of the bearing at that end → the outer ring of the bearing at that end → the stator → the outer ring of the bearing at the other end → the steel ball of the bearing at the other end → the inner ring of the bearing at the other end → the other end of the shaft. Based on the characteristic of this backflow, this shaft current is also known as the cyclic shaft current.
Figure 1.
Example of shaft voltage and shaft current caused by magnetic asymmetry. ((a) the axis is not the axis of the rotating magnetic field (i.e., magnetic asymmetry); (b) the axis will generate a potential difference due to cutting alternating magnetic field lines, namely the shaft voltage).
2.1.2. Shaft Voltage and Shaft Current Caused by Static Electricity
The transmission belt, surface burrs, and cooling fan of the motor rotor will rub against the gas in contact during high-speed operation, and the resulting static charges will accumulate on the shaft, forming a shaft voltage (see Vsh-ESD in Figure 1b). When the voltage of the shaft exceeds the breakdown voltage of the bearing oil film, a shaft current as shown by the blue dashed line in Figure 1b will be formed, with the path being: one end of the shaft → inner ring of a certain bearing → steel ball of the bearing → outer ring of the bearing → stator → structural ground.
In ground applications, the source of static electricity is the various frictions mentioned above. In space applications, it also includes the charging caused by high-energy electrons depositing on rotating loads that become isolated conductors due to high-speed rotation. This is a unique static power source in aerospace [9], which is the focus of this study.
2.1.3. Shaft Voltage and Shaft Current Caused by Unbalanced Electric Drive
The application of PWM (pulse width modulated) variable frequency drive motors is increasing. The induction motor is initially connected in a star configuration during the start-up phase to limit the inrush current. After the motor reaches a certain speed, the connection is switched to a delta configuration for normal operation, providing the required voltage and torque for steady-state performance.
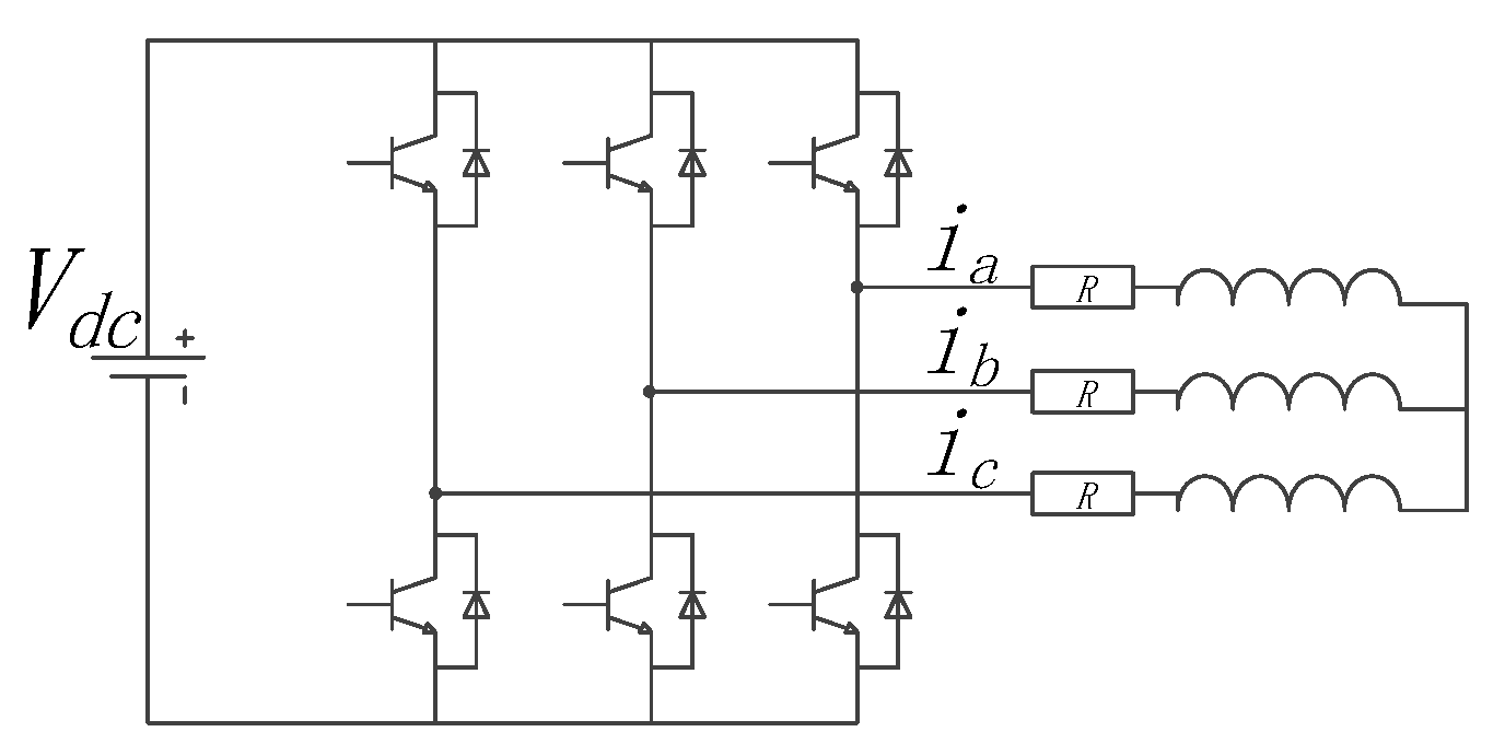
The following section presents an explanation of the shaft voltage and shaft current induced by unbalanced electrical drive, using the star connection as a case study. A typical two-level variable frequency drive circuit is shown in Figure 2, and the voltage equations of each winding are shown in Equation (1), where Va/Vb/Vc/Vno is the voltage relative to the midpoint of the DC side, and ia / ib / ic is the output current.
Figure 2.
Schematic diagram of two-level variable frequency drive motor circuit during the start-up phase.
By summing both sides of Equation (1), Equation (2) is obtained. In accordance with Kirchhoff’s Current Law (KCL), the algebraic sum of currents at any junction must be zero. In a balanced three-phase star-connected system, the phase currents ia, ib, and ic are displaced by 120° in phase. As a result, their vector sum equals zero (ia + ib + ic = 0), ensuring that the net current at the neutral point is zero, thereby preserving current balance within the system. Hence, the common mode voltage VCM can be derived, as expressed in Equation (3). The high-frequency component in the common mode voltage can pass through the parasitic capacitance shown in Figure 3, causing the rotor to become charged and generating the shaft voltage Vsh-CM, as shown in Equation (4), where CWR, CWF, and CRF are the parasitic capacitances between the winding and the rotor, between the winding and the frame, and between the rotor and the frame, respectively. According to Equation (3), the characteristic of unbalanced driving highlights the problem of common mode voltage [10]. Based on Equation (4), the common mode voltage and parasitic capacitance serve as the primary sources of the shaft voltage induced in the motor of the star connection by the variable frequency drive.
Figure 3.
Common parasitic capacitance in variable frequency motors (example).
When Vsh-CM exceeds the breakdown voltage of the oil film, the energy stored in the oil film capacitor flows transiently to the structural ground through the breakdown point, forming an EDM (Electrical Discharge Machining) shaft Current, which has a significant destructive effect on the bearing; when Vsh-CM is less than the oil film breakdown voltage, its high-frequency component flows to the structural ground according to the equivalent circuit shown in Figure 4 (see the red thin dashed line in Figure 5), forming a capacitive shaft current, which has a less destructive effect on the bearing.
Figure 4.
Equivalent circuit of high-frequency common mode current.
Figure 5.
Shaft voltage and current caused by frequency converter power supply.
2.1.4. Other Types of Shaft Voltage and Shaft Current
Taking Figure 3 as an example, when the permanent magnet motor changes from electric driving mode to sliding or braking mode, the rotating permanent magnet will cause the stator winding to generate electricity. The AC component in the power generation is coupled to the stator frame through the parasitic capacitance CWF between the winding and the frame, thereby generating the shaft voltage Vsh-GEN. In fact, Vsh-GEN is the inverse process of Vsh-CM.
The shaft voltages of Vsh-asym, Vsh-ESD, Vsh-CM, and Vsh-GEN converge to the structural ground. When the system is poorly grounded, it will cause a voltage difference between the motor and its connected rotating load (such as the drill bit), which falls on the inner and outer rings of the bearing and is a type of shaft voltage. When the shaft voltage exceeds the oil film breakdown voltage, a shaft current shown by the red thick dashed line in Figure 5 will be formed, which is called the rotor-to-ground current (RGC).
2.2. Shaft Voltage and Shaft Current Caused by Space Charging and Discharging
Shaft voltage in spacecraft arises from deep charging and surface electrification. Deep charging occurs when high-energy electrons accumulate on isolated conductors, forming voltage on the rotor. Surface electrification, due to potential differences between satellite surfaces, induces discharge currents that cause voltage differences between the stator and rotor.
2.2.1. Mechanism Analysis of Shaft Voltage Caused by Deep Charging
In the space environment, high-energy electrons from the capture band and solar wind can penetrate the satellite skin and deposit on isolated conductors in the deep layers of the spacecraft, forming deep charges. When the charges accumulate to a certain extent, deep discharges will be formed. The high-energy electron flux of high orbit and polar orbit is high, and the problem of deep discharge is serious; during coronal mass ejections and flares, the sharp increase in high-energy electron flux and its prolonged duration can also exacerbate deep discharges [9,11]. The resistance of EHL formed by bearings using lubricating oil (grease) during high-speed rotation (generally exceeding 500 rpm) is extremely high, which is not conducive to electrostatic dissipation. High-energy electrons deposit on the rotor and shaft, and then accumulate on the lubricating film, forming a shaft voltage, which we call Vsh-ESD_interal. The main means of controlling the voltage of this axis is to design the product with good static dissipation design, especially to avoid isolated conductors.
Quantitative analysis of bearing electrical damage caused by deep charging is difficult, mainly because electrical damage is influenced by multiple factors, including electron flux, shielding thickness, oil film resistance and temperature, rotor area, etc. Taking the flywheel operating in GEO orbit as an example: the shielding thickness is calculated as 2.5 mm equivalent aluminum (the satellite skin and flywheel housing are calculated as 1 mm and 1.5 mm respectively), the rotor area S is 1500 cm2, the rotor thickness is 8 mm equivalent aluminum, and the lubrication film resistance R is calculated as 109 Ω. According to standard [9], 2.5 mm aluminum can block high-energy electrons below 1 MeV. According to the table, the integrated flux of omnidirectional high-energy electrons above 1 MeV is j = 5.0·105 e/(cm2·s·sr). Due to the thick rotor, it can be assumed that all high-energy electrons penetrating the shield are deposited on the rotor; The omnidirectional integrated flux is converted into a vertical integrated flux π.j = 1.6·106 e/(cm2·s) and then converted into an injected current density JS = 1.602·10−19 π.j = 0.251 pA/cm2, resulting in an injected current I = JS·S = 0.38 nA and a shaft voltage V = I·R = 0.38 V for the rotor. Although this voltage may seem small, the extremely thin oil film makes the field strength extremely high (see Section 3.3 for details) and it exceeds the NEMA MG-1 requirement that the shaft voltage should be less than 300 mV [12], which is sufficient to cause electrical damage to the bearing.
2.2.2. Mechanism Analysis of Shaft Voltage Caused by Surface Electrification
Bialke only proposed that deep charging causes flywheel shaft voltage. Starting from the fault mechanism, we propose that surface charging is another source of flywheel shaft voltage. The analysis is as follows:
Due to the different geometric shapes, dielectric properties, and lighting conditions of the outer surface materials of satellites, potential differences (i.e., surface charges) can be generated between adjacent outer surfaces, between surfaces and deep layers, and between surfaces and the satellite’s “ground”. When this potential difference reaches a certain value, surface discharge will occur, which will intensify during the satellite’s entry and exit into the Earth’s shadow, geomagnetic burst, and geomagnetic sub burst.
Surface discharge is the root cause of various on-board electronic faults, one of which is the injection of surface discharge current into the satellite electronic system through the satellite structure grounding system, forming a structure current and causing the “reference ground” to float [9,13]. The floating of the “reference ground” of the flywheel stator will cause a voltage difference between the flywheel stator and the rotor, resulting in the formation of shaft voltage, which we refer to as Vsh-ESD_Surface. The main means of controlling the voltage of this axis is to ensure the grounding continuity of the entire star (surface potential control and system grounding), avoiding surface charge accumulation and “reference ground” floating.
3. Research on Electrical Damage Modes and Quantification of Bearings
This chapter introduces the mechanisms of electrical damage to bearings, including electro-erosion damage of lubricating grease, bearing cavitation damage, white etching cracks, and damage from EDM. It focuses on the quantitative analysis methods for EDM damage and discusses the minimum threshold that causes electrical discharge damage, as well as the cumulative and chronic nature of electrical damage.
3.1. Overview of Bearing Electrical Damage
Punga and Hess first discovered the problem of electric corrosion in bearings in 1907. When there is a voltage difference between the inner and outer rings of the bearing and current flows through the rotating inner and outer rings of the bearing and the ball (column), it will cause local tissue changes and material displacement on the contact surface at the microscopic level, resulting in pits or grooves on the contact surface, damaging the local structure and lubricating film of the bearing; Macroscopically, it manifests as increased noise, micro vibrations, and temperature rise. Electric corrosion of bearings can shorten their service life if it is mild, and cause mechanical and electrical component failure if it is severe [14].
3.2. Introduction to the Electrical Damage of Lubricating Oil (Grease)
NASA-STD-5017B points out that the factor determining the life of space bearings is the lubricating oil life, not the mechanical fatigue life, and therefore emphasizes the need to conduct lubrication tests according to the in orbit operating conditions [15]. The common electrical damage modes of lubricating oil (grease) are as follows:
When the shaft voltage breaks through the lubricating film, it will cause the degradation and deterioration of the lubricant [16], reduce the lubrication effect, and thus reduce the fatigue life of the bearing. For lubricating oils (greases) containing hydrogen elements in their molecular structure, the hydrogen atoms released after electrical breakdown can cause “hydrogen embrittlement” of bearing steel, thereby accelerating contact surface wear [17].
Xie found a new problem of electrolubrication degradation: for oil-based and lotion lubricating films at the nanoscale; when there is an external electric field, the fluidity of the lubricating film will be weakened or even disappear and proposed that under the action of the electric field, the substantially enhanced solidification like transformation of the lubricating liquid molecules near the solid wall is an important reason for the weakening of the fluidity of the lubricating film in the contact area [18].
3.3. Introduction to Electro Induced Cavitation and White Corrosion Cracks
Xie Guoxin from Tsinghua University investigated the generation of microbubbles inside different lubricating films under an external electric field. When there is a dielectric layer on the electrode surface, microbubbles are more intense in the lubricating film. When the bubbles collapse, the metal interface is continuously impacted by high-pressure, high-speed shock waves and microjets, which can cause pits or erosion on the contact surface. This phenomenon is called cavitation or erosion, and the pits are explosive, significantly different from the smooth pits formed by EDM. It has been verified through experiments that a large number of cavitation pits will appear under the action of 1 mA current [19].
White corrosion cracks refer to a type of crack that exists in the microstructure of bearing steel. Some authors [20,21] found that when there is a voltage difference and a small DC current between the inner and outer rings of the bearing, white corrosion cracks will accelerate formation and significantly reduce bearing life.
3.4. Introduction to EDM Electrical Damage
The three basic conditions for electrical discharge machining are extremely small clearance, pulse power supply, and insulating medium [22]. High-speed bearings with shaft voltage precisely meet these conditions [5,6]: ① extremely small clearance: the EHL film of the elasto-hydrodynamic lubrication is very thin, and the common EHL film thickness given in the “Triboelectric Encyclopedia” is 100 nm~700 nm [23]. EHL film thickness is affected by various factors such as temperature, speed, and load [24]. In practical applications, under the action of vibration and micro debris, the thickness of EHL film will be less than 100 nm, even to the nanometer level. Choosing the common 100 nm EHL lubricating film, the electric field strength can reach 1.0·107 V/m at a voltage of 1 V. ② In aerospace engineering, the breakdown threshold is often set between 1.0·106 V/m and 1.0·108 V/m [9], indicating that the determining factor for oil film breakdown is the field strength. Lower voltages can lead to the breakdown of extremely thin lubricating films Pulse power supply: As shown in Figure 3, the inner and outer rings of the bearing are two metal flat electrodes of parasitic capacitance, which has a large area and low resistance, and can provide good pulse power supply. ③ Insulation medium: the common EHL lubricating oil film has a high body resistance and can serve as an electrical discharge machining medium.
Due to the extremely thin thickness of EHL, a very small inner and outer voltage can cause the field strength to exceed the EHL breakdown threshold, thus initiating a typical 4-step electrical machining process (ionization and breakdown of the lubricating medium, forming a discharge channel; transient high current density between the electrodes, local instantaneous temperature rise causing electrode melting, vaporization and expansion of the dielectric material; melted electrodes being thrown out, thus achieving cutting and processing; deionization of the inter electrode dielectric), resulting in the appearance of pitting, pits, frosting, and washboard patterns on the contact surface, damaging the local structure and lubricating film of the bearing and causing electrical damage to the bearing EDM [24,25].
3.5. Quantitative Analysis of EDM Electrical Damage
A preliminary investigation was conducted to explore the correlation between bearing EDM damage, oil film thickness, and rotational speed. The classical empirical formula for the oil film thickness HC is provided in the Encyclopedia of Tribology [23], as expressed in Equation (5), where U represents the dimensionless rotational speed, and other parameters, which are not pertinent to the current analysis, are elaborated in [23]. Under the assumption of constant values for all other parameters, the relationship between oil film thickness HC and rotational speed U can be simplified to Equation (6), where c1 denotes a constant.
The single discharge energy Edischarge is shown in Equation (7), where CB is the bearing capacitance value, V is the oil film breakdown voltage, and the oil film thickness HC is inversely proportional to CB and directly proportional to V. Therefore, when other parameters are fixed, the relationship between the single discharge energy Edischarge and the speed can be simplified as Equation (8), where c2 and c3 are constants. This leads to the following quantification model: when other parameters remain constant, the single EDM damage energy is proportional to the oil film thickness and the rotational speed raised to the power of 0.67.
A preliminary investigation was conducted to explore the relationship between EDM damage and high-energy electron flux. For the equivalent capacitance CB, consisting of bearing balls and the inner and outer rings as shown in Figure 3, the voltage induced by the deposition of high-energy electrons is given by Equation (9) [9], where F represents the integral flux of vertically incident high-energy electrons (measured in #/(cm2·s)), A is the area collecting the high-energy electrons (in cm2), c4 is a constant, and t is the time interval between two successive breakdown events. Under conditions where the oil film thickness and other parameters remain constant, the breakdown voltage of the oil film is considered a fixed value. Once this threshold is exceeded, the oil film undergoes breakdown, after which the charging and breakdown cycle is restarted. Therefore, from Equation (9), it can be inferred that for a given breakdown voltage, the integral flux F is inversely proportional to the breakdown interval t. Since the energy of a single discharge is fixed, the following secondary quantitative model is derived: under constant conditions for all other parameters, the number of EDM breakdowns per unit time and the accumulated energy are directly proportional to the integral flux of vertically incident high-energy electrons.
3.6. Discussion on EDM Electrical Injury Threshold and Chronic Onset
Although the electrical damage mode of bearings has been widely recognized and extensively studied, there is still a fundamental question that needs to be addressed, which is what is the minimum threshold for EDM damage? As far as we know, there is currently no scientific criterion for the minimum threshold for EDM damage. The NEMA MG-1 standard specifies 300 mV [12], the IEC standard specifies 500 mV [26], and China’s national standards are consistent with those of IEC. References [27,28] believe that a shaft current of 0.1 A/mm2 is safe. We believe that these criteria are relatively general, with varying requirements for bearing accuracy, lifespan, application scenarios, and working conditions (such as disposable bearings on rockets and flywheel bearings that have been continuously used in satellites for over a decade), making it difficult to provide a unified criterion. Therefore, specific analyses should be conducted based on individual circumstances.
In the industrial field, reducing the amount of metal removal by reducing the energy of a single discharge is a common measure to improve machining accuracy (the single pulse energy of micro electrical discharge machining is generally 10−7 J~10−6 J), but this greatly reduces machining efficiency [29]. At the nanoscale, using the principle of Scanning Tunneling Microscopy (STM), nanoscale engraving and single-molecule cutting can be achieved with minimal voltage by controlling the spacing and energy [30]. In the academic community, extensive research has been conducted on the minimum energy required for EDM damage to bearings. Reference [31] used finite element analysis to simulate single electric shock damage of 8 orders of magnitude, from 17 nJ, 27 nJ, …, 316 nJ, from small to large. The bearings were subjected to billions of electric shocks, and it was found that only 17 nJ showed no visible damage, while other orders caused cumulative damage to the bearings.
In summary, the electrical damage of flywheel bearings has the characteristics of low damage voltage, minimal energy, long-term accumulation, and chronic onset. The experimental verification time is long and complex, so this fault mode is easily overlooked.
4. Correlation Analysis Between Flywheel Bearing Faults and High-Energy Electrons
This chapter investigates the correlation between bearing failures and space high-energy electrons. It begins with a brief overview of previous work, followed by a detailed introduction to our own research. Through big data mining, we identified a strong correlation between on-orbit momentum wheel failures and space high-energy electrons.
4.1. Existing Research on the Correlation
To our knowledge, only the authors of [6,7,8] have preliminarily studied the correlation between the friction faults of flywheels in orbit and high-energy electronic events in space. Ithaco has equipped momentum wheels for over 100 satellites and has been experiencing orbit failure for decades. They have been exploring the root cause but have not achieved any results. A thorough investigation was launched in 2011, and after nearly 5 years of experimentation, statistics, and analysis, it was discovered in 2016 that the in orbit failure of the momentum wheel was related to high-energy electronic events.
Ithaco conducted a brief correlation analysis as follows: ① when the momentum wheel of Kepler satellite malfunctioned, it encountered CME; ② the FUSE satellite has experienced 22 momentum wheel friction anomalies since 2001, of which four occurred during geomagnetic bursts. The probability of these four friction anomalies occurring during geomagnetic bursts is only one in 18,000, indicating a high probability of being related to geomagnetic bursts. Ithaco provided momentum wheels for eight deep space exploration satellites, but only two electric propulsion satellites experienced abnormal momentum wheels. Suomi NPP and GOES satellites were used to provide evidence that electromagnetic storms occurred during the failure of the momentum wheel. There have been no bearing friction failures in momentum wheels using ceramic ball bearings.
4.2. Our Study on the Correlation
In response to multiple instances of abnormal friction torque between the momentum wheels of GEO satellites after 5 years of in orbit service, we first collected statistical data on the momentum wheels of GEO and LEO satellites over the years. We found that the probability of friction failure in the momentum wheels of GEO satellites is much higher than that of the high-speed rotors in the momentum wheels and torque control gyroscopes of LEO satellites. Excluding factors such as product batches and usage conditions, we believe that the biggest difference between GEO and LEO orbits is that GEO satellites are located in the outer capture zone and have a much higher high-energy electron flux than LEO orbits [9]. Therefore, we suspect that the high probability of momentum wheel failure in GEO satellites is likely related to the high-energy electron environment. For this purpose, a correlation analysis was conducted between the failure of the GEO satellite momentum wheel and the high-energy electron flux.
Correlation analysis requires the construction of a reasonable analysis model to correlate flywheel bearing faults with high-energy electron flux, but quantifying the correlation is difficult because after electron injection, the charge–discharge effect is often manifested as a time window effect rather than a direct correlation that is “immediate” due to the influence of the injected electron spectrum, flux, and the static dissipation characteristics of the analyzed object [32]. Starting from the causal chain of electrical damage, we constructed a correlation analysis model that conforms to physical principles: the physical principle of electrical damage in flywheel bearings is electrical breakdown, and breakdown only occurs when the field strength exceeds the material breakdown threshold. Therefore, we constructed a nominal field strength ERISK to assist in analyzing the correlation between high-energy electrons and flywheel electrical damage. The calculation of nominal field strength not only considers the charging effect of high-energy electron injection but also the dissipation effect of charge–discharge, including three processes: ① the electric field change rate caused by high-energy electron injection is shown in Equation (10), where FluxE>2 MeV is the integrated flux of high-energy electrons greater than 2 MeV (derived from GOES observation data), and ε is the residual electric field change rate (constant, the optimal solution is selected based on the fitting of simulation data); ② the charge–discharge rate is shown in Equation (11), where RC is the time constant (empirical value, determined by material properties); and ③ the nominal field strength is shown in Equation (12), where WCharging is a sliding window (constant, fitted based on the high-energy electron transport and built-in electric field simulation data of the momentum wheel three-dimensional structure). Through the above model, the high-energy electron flux can be converted into nominal field strength on the same time axis, thereby converting the correlation between flywheel bearing faults and high-energy electrons into the correlation between flywheel bearing faults and nominal field strength.
This analysis used telemetry of in orbit faults from multiple GEO momentum wheels over the past 30 stars and months, as well as high-energy electron fluxes from GEO orbits observed by GOES satellites, as data sources [33]. Both belong to continuous time series data (informative) and are taken from GEO orbits (homologous). Reference [6] uses several momentum wheel faults and whether high-energy electron events have occurred during the fault period as data sources. The two belong to the success failure binary data and their homology needs to be verified. Therefore, in terms of sample size, data homology, correlation, richness of data information, and physical basis of the model, this analysis outperforms the literature [6].
Correlation analysis includes two processes: individual correlation analysis of a single momentum wheel and summary analysis of multiple momentum wheels. The individual correlation analysis process is as follows: for each momentum wheel, a statistical analysis program is written according to Equations (10)–(12) and calculated. Finally, the comparison chart of high-energy electron flux, nominal field strength, and driving current exceeding the standard shown in Figure 6 is obtained. The black line in the upper half of the figure is the integrated flux of high-energy electrons greater than 2 MeV in the GOES satellite, the blue envelope line is the calculated nominal field strength, and the red vertical bar is the marker of driving current exceeding the standard. The gray line in the lower half of the figure represents the raw data of the driving current of the momentum wheel (the mark indicating that the driving current exceeds the standard in the upper half of the figure comes from this), and the blue smooth line represents the filtered driving current. Qualitative results can be obtained from Figure 6: there is a strong correlation between nominal field strength and excessive driving current. Further processing of the process data in Figure 6 resulted in the box plot of the nominal field strength and driving current exceedance distribution of the momentum wheel bearing, as shown in Figure 7. The plot shows that as the nominal field strength increases, the driving current exceedance range (thicker rectangular blocks) and dispersion increase.
Figure 6.
High-energy electron flux and nominal E-field strength vs. driving current exceeding the standard.
Figure 7.
Distribution of nominal E-field strength vs. excessive driving current for a certain momentum wheel bearing.
The process of summarizing a correlation analysis is as follows: summarize the distribution data of nominal field strength vs. driving current exceeding the standard for multiple momentum wheel bearings and obtain the distribution chart of the occurrence rate of nominal field strength and driving current exceeding the standard, as shown in Figure 8. By analyzing and summarizing the data, statistical results were obtained: the logarithm of the nominal field strength lg(E) is correlated with the maximum value of the driving current exceeding the standard max(IN), where max(IN) ~ 0.1 lg(E) − 0.33 (lg(E) > 2.5, R2 = 0.823, p < 6.9·10−11).
Figure 8.
Summary of nominal E-field strength vs. excessive driving current for multiple momentum wheel bearings. (the red curve represents the maximum value of the driving current, and the black dashed line is the fitted result).
The nominal field strength is calculated by high-energy electrons, so the nominal field strength is significantly correlated with the high-energy electron flux. Therefore, the third conclusion can be drawn: the maximum range and probability of exceeding the friction torque of the momentum wheel are significantly correlated with the high-energy electron flux.
5. Protection, Optimization, Application, and Verification of Electrical Damage in Four Space Bearings
This chapter introduces protection strategies for electrical damage in space bearings, such as source control and path management. It then focuses on the bearing electrical damage experiments we conducted, revealing important insights into the nature of electrical damage.
5.1. Protection Design for Electrical Damage of Space Bearings
There are two overall ideas for shaft current protection: one is source control, which reduces various shaft voltages that cause shaft current from the source; the second is path management, which involves changing the impedance of the shaft current circuit, blocking or bypassing the shaft current path.
For source control, the focus is on suppressing or eliminating the source of shaft voltage. For space applications, shielding optimization can be used to reduce high-energy electron flux, thereby reducing the shaft voltage caused by charging. Shielding comes at a cost and requires optimization of the shielding thickness; other common source control measures include: in terms of system design, reducing the disturbance of rotor grounding current RGC, structural grounding current, and other common mode currents on the ground level through system grounding design [34], thereby suppressing common mode shaft voltage; in terms of motor design, magnetic asymmetry can be reduced by improving machining accuracy and designing the iron core, casing, and winding structure reasonably; and in terms of driving circuit design, modulation algorithms, switching frequencies, and phases should be optimized to ensure balanced driving of all phases [35]. For situations where the control frequency requirements are not high, it is not recommended to use power electronic devices with too fast switching speeds [36]. When driving long lines, attention should be paid to power signal oscillation issues [37]. For power circuits, magnetic beads, magnetic rings, filters, chokes, and other technologies should be used to reduce various EMI noises.
For path management, in terms of insulation blocking, whether it is insulated shafts or insulated bearings, the fundamental approach is to greatly increase the resistance on the shaft current path, thereby reducing the shaft current. The insulation methods used include inner or outer ring insulation, replacing steel balls with ceramic balls, etc. NASA, Aerospace, and Lockheed Martin conducted a long-term test using 40 momentum wheels, proving that ceramic balls can greatly improve the service life of bearings compared to steel balls [1,6]. In terms of bypass grounding of bearings, the civilian field is already very mature. SKF, Tesla, Huawei, and others have applied for many patents for new energy bearings. In addition to electric brushes and conductive fiber slip rings, some applications also use mercury slip rings to discharge the shaft voltage on the rotor. There have been many studies on changing the oil film resistance, including doping with conductive materials, ion lubricants, etc. [38].
5.2. Enhancing the Application Reliability of On-Orbit Momentum Wheel Bearings
For momentum wheels that are already in orbit, their application reliability can be improved by using different strategies, as analyzed below:
The thickness of the oil film is related to factors such as bearing speed, temperature, and load [24]. The first quantitative analysis model derived provides support for reducing the energy of single EDM damage, which can be reduced through measures such as reasonable speed reduction.
According to the second quantitative analysis model derived, real-time prediction of high-energy electron flux can be used to improve application reliability by adopting strategies such as deceleration and temperature regulation when the high-energy electron flux abnormally increases. After decades of accumulation, current space environment forecasting has become increasingly accurate, and this method has high application value.
5.3. Testing and Validation of Shaft Voltage and Shaft Current
Accurate measurement of shaft voltage and shaft current is essential for effective electrical damage protection. However, there are significant challenges associated with these measurements. First, the impedance of the measured components is relatively high, as shaft voltage is induced, and the amplitude is typically low. This necessitates the use of measuring instruments with extremely high internal resistance to prevent measurement inaccuracies [5]. Second, the operational environment of bearings is often constrained in space, making it difficult for testing equipment to access the current breakdown points. To address these challenges, specialized measurement systems, such as the AEGIS® Shaft Voltage Tester™, have been developed. These systems are characterized by their high internal resistance and compact design, enabling more precise measurements in such constrained environments.
We conducted preliminary tests on shaft voltage, oil film resistance, and breakdown characteristics using a specific bearing. The results are as follows:
- The actual shaft voltage is a composite of multiple sources, including charging and discharging cycles, inverter common mode voltage, back electromotive force (EMF) from the flywheel brake, among others. The peak shaft voltage exceeds 1 V, and in some cases, even higher values are observed.
- The consistency of the experimental results is low, and the testing methods are complex, highlighting the need for standardized experimental protocols. For example, the distribution of oil film resistance is highly variable, influenced by multiple factors such as vacuum level, vibration, run-in duration, temperature, and the measured voltage. After oil film breakdown, the resistance decreases sharply but tends to recover to some extent after prolonged run-in.
- The threshold voltage and energy for oil film breakdown are both relatively small and highly dispersed. The typical breakdown energy is on the order of millijoules (10 µs, 100 mA, 1 V+), which is characteristic of micro EDM energy. Such small amounts of energy require an extended period of exposure to induce bearing electrical damage. To accelerate the experimental process, a 6 V high voltage was applied, and the results indicated that bearing failure could occur within one day.
6. Conclusions
To improve the reliability of the design and application of onboard flywheels, we conducted research on the electrical damage of flywheel bearings caused by space charging and discharging. Firstly, the source and fault chain of electrical damage to on-board flywheel bearings were summarized, with a focus on the principle of electrical damage to flywheel bearings caused by space charging and discharging. Secondly, a quantitative analysis model for the electrical damage of flywheel bearings was derived, and the threshold for electrical damage was analyzed. It was pointed out that the electrical damage of flywheel bearings needs to accumulate for a long time to manifest, making experimental verification difficult and easily overlooked. Thirdly, based on the causal chain of electrical damage, a correlation analysis model that conforms to physical principles was constructed, and big data were used to confirm the correlation between flywheel in orbit anomalies and high-energy electron flux. Finally, based on our research findings, recommendations are provided for the reliability of the design, application, and testing of flywheel bearings.
Research on electrical damage to flywheel bearings caused by space charging and discharging is not yet mature, and there are still many aspects that urgently need to be studied: ① establishing a complete causal chain for electrical damage to space flywheel bearings, including identifying the source of shaft voltage (surface charge, deep charge, or drive circuit?) and weak links (lubrication, ball bearings, or cage?); ② studying the experimental verification method for the electrical damage of flywheel bearings to solve the problems of long testing time and high cost; and ③ the study focuses on the potential electrical damage and faults of flywheel bearings caused by the application of new technologies, with a particular emphasis on the impact of electric propulsion on the reliability of flywheel bearings due to the driving common mode voltage generated by new power devices such as ground potential and silicon carbide that switch at high speeds.
Author Contributions
Conceptualization, D.T.; Methodology, Y.F.; Software, G.L.; Validation, X.Z. and J.H.; Formal analysis, D.T. and Y.L.; Resources, H.S.; Data curation, Y.F. and H.S.; Writing—original draft, D.T. and Y.F. All authors have read and agreed to the published version of the manuscript.
Funding
This work was supported by the National Key Research and Development Program of China (No. 2023YFB3608901).
Data Availability Statement
The original contributions presented in this study are included in the article. Further inquiries can be directed to the corresponding author.
Conflicts of Interest
The authors declare no conflict of interest.
References
- Dube, M.J.; Fisher, J.; Loewenthal, S.; Ward, P. Recovery and Operational Best Practices for Reaction Wheel Bearings. In Proceedings of the 45th Aerospace Mechanisms Symposium, Houston, TX, USA, 13–15 May 2020. [Google Scholar]
- Bao, M. Stability Analysis of Micro Lubrication Wheel Bearing Cage Operation. Master’s Thesis, Harbin Institute of Technology, Harbin, China, 2021. [Google Scholar]
- Rejith, R.; Kesavan, D.; Chakravarthy, P.; Murty, S.N. Bearings for aerospace applications. Tribol. Int. 2023, 181, 108312. [Google Scholar] [CrossRef]
- Tawfiq, K.B.; Güleç, M.; Sergeant, P. Bearing Current and Shaft Voltage in Electrical Machines: A Comprehensive Research Review. Machines 2023, 11, 550. [Google Scholar] [CrossRef]
- Plazenet, T.; Boileau, T.; Caironi, C.; Nahid-Mobarakeh, B. A Comprehensive Study on Shaft Voltages and Bearing Currents in Rotating Machines. IEEE Trans. Ind. Appl. 2018, 54, 3749–3759. [Google Scholar] [CrossRef]
- Bialke, W.; Minow, J.; Meloy, R. Correlations of Space-Charging Environments with Aerospace Mechanism Friction Anomalies. IEEE Trans. Plasma Sci. 2019, 47, 3872–3876. [Google Scholar] [CrossRef]
- Bialke, W.; Hansell, E. A Newly Discovered Branch of the Fault Tree Explaining Systemic Reaction Wheel Failures and Anomalies. In Proceedings of the European Space Mechanisms & Tribilogy Symposium (ESMATS), Hatfield, UK, 20–22 September 2017. [Google Scholar]
- Bialke, W. A Discussion of Friction Anomaly Signatures in Response to Electrical Discharge in Ball Bearings. In Proceedings of the 44th Aerospace Mechanisms Symposium, Cleveland, OH, USA, 16–18 May 2018. [Google Scholar]
- NASA-HDBK-4002B; Mitigating in-Space Charging Effects-a Guideline. NASA: Washington, DC, USA, 2022.
- Asefi, M.; Nazarzadeh, J. Survey on High-Frequency Models of PWM Electric Drives for Shaft Voltage and Bearing Current Analysis. IET Electr. Syst. Transp. 2017, 7, 179–189. [Google Scholar] [CrossRef]
- Feng, Y.; Hua, G.; Liu, S. A review of radiation resistance research in aerospace electronics. J. Astronaut. 2007, 28, 1071–1080. [Google Scholar]
- NEMA-MG-1; Section IV: Performance Standards Applying to All Machines—Part 31: Definite Purpose Inverter-Fed Polyphase Motors. ANSI/NEMA: Arlington, VA, USA, 2018.
- Feng, W.; Wang, Z.; Wan, C.; Yan, D.; Ding, W. Experimental study on the transient of satellite ground potential caused by GEO satellite surface charging and discharging and its interference with secondary power supply. Spacecr. Environ. Eng. 2013, 30, 54–57. [Google Scholar]
- Punga, F.; Hess, W. Bearing currents. Elektrotech Maschin 1907, 25, 615–618. [Google Scholar]
- NASA-STD-5017B; Design and Development Requirements for Mechanisms. NASA: Washington, DC, USA, 2022.
- Boyanton, H.; Hodges, G. Bearing fluting [motors]. IEEE Ind. Appl. Mag. 2002, 8, 53–57. [Google Scholar] [CrossRef]
- Kohara, M.; Kawamura, T.; Egami, M. Study on Mechanism of Hydrogen Generation from Lubricants. Tribol. Trans. 2006, 49, 53–60. [Google Scholar] [CrossRef]
- Xie, G.; Guo, D.; Luo, J. Lubrication under charged conditions. Tribol. Int. 2015, 84, 22–35. [Google Scholar] [CrossRef]
- Xie, G. Study on the Film-Forming Characteristics and Microbubble Behavior of Nanoscale Lubricating Films Under External Electric Fields. Ph.D. Thesis, Tsinghua University, Beijing, China, 2010. [Google Scholar]
- Zhang, Z.; Toni, B.; Yu, T.; Wen, J. White corrosion crack failure of rolling bearings. China Metall. 2020, 30, 2–10. [Google Scholar]
- Plazenet, T.; Boileau, T. Overview of Bearing White Etching Cracks due to Electrical Currents. In Proceedings of the IEEE 13th International Symposium on Diagnostics for Electrical Machines, Power Electronics and Drives (SDEMPED), Dallas, TX, USA, 22–25 August 2021. [Google Scholar]
- Sidpara, A.M.; Malayath, G. Micro Electro Discharge Machining: Principles and Applications; CRC Press: Boca Raton, FL, USA, 2020. [Google Scholar]
- Larsson, R. EHL Film Thickness Behavior. In Encyclopedia of Tribology; Wang, Q.J., Chung, Y.-W., Eds.; Springer: Berlin/Heidelberg, Germany, 2013; pp. 817–827. [Google Scholar]
- Joshi, A. Electrical Characterisations of Bearings. Ph.D. Thesis, Chalmers University of Technology, Göteborg, Sweden, 2019. [Google Scholar]
- Schneider, V.; Behrendt, C.; Höltje, P.; Cornel, D.; Becker-Dombrowsky, F.M.; Puchtler, S.; Gutiérrez Guzmán, F.; Ponick, B.; Jacobs, G.; Kirchner, E. Electrical Bearing Damage, A Problem in the Nano- and Macro-Range. Lubricants 2022, 10, 194. [Google Scholar] [CrossRef]
- IEC60034-17; Rotating Electrical Machines—Part 17: Cage Induction Motors When Fed From Converters Application Guide. IEC: Centurion, South Africa, 2002.
- Muetze, A.; Binder, A. Don’t Lose Your Bearings. IEEE Ind. Appl. Mag. 2006, 12, 22–31. [Google Scholar] [CrossRef]
- Gemeinder, Y.; Weicker, M. Application Guide Bearing Currents; Technische Universität Darmstadt: Darmstadt, Germany, 2021; Available online: https://tuprints.ulb.tu-darmstadt.de/19393/ (accessed on 17 January 2025).
- Jameson, E.C. Electrical Discharge Machining; Society of Manufacturing Engineers: Southfield, MI, USA, 2001. [Google Scholar]
- Yang, Y. Experimental and Mechanistic Study on Nano Electro Etching Processing Based on SPM. Ph.D. Thesis, Shanghai Jiao Tong University, Shanghai, China, 2014. [Google Scholar]
- Collin, R. The Impact of Conventional and Wide Bandgap Semiconductor PWM Inverter EDM Bearing Currents on Motor Bearings. Ph.D. Thesis, Baylor University, Waco, TX, USA, 2022. [Google Scholar]
- Fennell, J.F.; Koons, H.C.; Roeder, J.L.; Blake, J.B. Spacecraft Charging: Observations and Relationship to Satellite Anomalies. In Proceedings of the 7th Spacecraft Charging Technology Conference, Noordwijk, The Netherlands, 23–27 April 2001. [Google Scholar]
- GOES Electron Flux Web Site. Available online: http://www.swpc.noaa.gov/products/goes-electronflux (accessed on 17 January 2025).
- NASA-HDBK-4001; Electrical Grounding Architecture for Unmaned Spacecraft. NASA: Washington, DC, USA, 1998.
- Son, D.W.; Zhang, T.; Lee, G. Study on Electrical Pitting Prevention Device of a Rotating Shaft Using Automatic Control Potential Balancing. Materials 2022, 15, 4510. [Google Scholar] [CrossRef]
- Collin, R.; Yokochi, A.; von Jouanne, A. Novel Characterization of Si- and SiC-Based PWM Inverter Bearing Currents Using Probability Density Functions. Energies 2022, 15, 3043. [Google Scholar] [CrossRef]
- Li, Y. Analysis and Countermeasures of Negative Effects of Long Cable Drive System for High Voltage Inverter. Master’s Thesis, Southwest Jiaotong University, Chengdu, China, 2016. [Google Scholar]
- Nyberg, E.; Schneidhofer, C.; Pisarova, L.; Dörr, N.; Minami, I. Ionic Liquids as Performance Ingredients in Space Lubricants. Molecules 2021, 26, 1013. [Google Scholar] [CrossRef]
Disclaimer/Publisher’s Note: The statements, opinions and data contained in all publications are solely those of the individual author(s) and contributor(s) and not of MDPI and/or the editor(s). MDPI and/or the editor(s) disclaim responsibility for any injury to people or property resulting from any ideas, methods, instructions or products referred to in the content. |
© 2025 by the authors. Licensee MDPI, Basel, Switzerland. This article is an open access article distributed under the terms and conditions of the Creative Commons Attribution (CC BY) license (https://creativecommons.org/licenses/by/4.0/).







