Abstract
This article focuses on the development of a 3D-printed 2-degree-of-freedom (DOF) joint for the payloads’ orientation on small satellites. This system is a compliant mechanism, meaning that this monolithic system composed of cross-axis flexural pivots (CAFPs) produces complex movements through the elastic deformation of its structure. Using fused filament fabrication (FFF), a demonstrator made of Polyetherketoneketone (PEKK) is printed to determine its potential compatibility with space conditions. Focusing on a segment of the joint, the CAFP, this study aims for an enhancement of its mechanical behavior through the study of its printing direction and the creation of an accurate finite element model of this compliant mechanism. First, material characterization of 3D-printed PEKK is achieved through differential scanning calorimetry tests of the filament and flexural and tensile tests of specimens printed in different printing directions. Then, these data are used to perform a finite element analysis of different CAFP designs and compare their mechanical response of their 3D-printed twin using digital image correlation software. Finally, the CAFP structures were observed by X-ray tomography. The results show that printing direction greatly influences both flexural and tensile strength. Voids induced by the FFF process could impact the mechanical behavior of 3D-printed parts as the simple CAFP design has a better test/model correlation than complex ones. This could influence its resistance to space environment.
1. Introduction
Compliant mechanisms are monolithic systems that produce complex movements through the elastic deformation of their structure. They have many applications, but they are mostly used in the medical [], space [], and precision domains [,]. Compliant mechanisms do not have backlash or wear, which leads to precise motions and absence of lubrication. These qualities are particularly relevant for space applications. This study forms part of the development of a 2-DOF compliant joint. In Figure 1, the prototype of the studied mechanism is presented. With a large rotation range of ±45°, this joint could be used to orient payloads on small satellites. It is composed of cross-axis flexural pivots (CAFPs), a well-documented compliant joint [,,].

Figure 1.
Three-dimensional-printed prototype of the compliant system.
As small satellites aim at improving space accessibility, this joint is polymeric and 3D printed using FFF. This process is usually used for single-use items and prototypes in a variety of domains. It is well established in the literature that, with FFF, mechanical properties are linked to printing parameters as they impact the internal structure, the inter and intra layers bonds, and the crystallization of the printed parts [,,]. Among them, an influential parameter is printing direction. In [], various printing directions are studied and show its heavy impact on stiffness, resilience, and maximum stress.
One concern about the spatialization of 3D-printed parts is the porosity induced by the FFF process that could impact their vacuum resistance. Indeed, various studies have attested to the presence of voids inside 3D-printed specimens [,]. They are mostly created between layers, and their shape and size are influenced by printing parameters.
Few are the polymers capable of withstanding space environment, but PEEK is a good candidate. The resistance of injecting PEEK to a vacuum environment has been attested []. Three-dimensional-printed conductive PEEK parts [] and a PEEK nanosat structure [] were developed using FFF and proved 3D-printed PEEK’s low outgassing despite the porosity induced by the process.
Another potential candidate is PEKK. It is also a recent high-temperature polymer mostly used as matrix in fiber reinforced composites [] for aerospace applications []. Biocompatible, it is also used for the creation of protheses [,]. It is this field that most literature about 3D-printed PEKK can be found, and only a few studies investigate the impact of printing parameters on tensile and flexural properties. The mechanical behavior of this material will be investigated in this study.
To our knowledge, when it comes to 3D-printed polymers for space applications, there are no compliant mechanisms that were studied for space applications.
This study is focused on a section of the 2-DOF compliant system, the CAFP, from its printing optimization to its finite element analysis. The material characterization of 3D-printed PEKK is carried out. First, DSC tests of the filament are carried out to gain a better understanding of the thermal properties of this material. Then, the mechanical properties resulting from different printing directions are studied through flexural and tensile tests. These data are used to create a finite element analysis of different CAFP designs. The mechanical response to their 3D-printed twin is compared using digital image correlation software. The pivots structures were observed by X-ray tomography.
2. Materials and Methods
2.1. Material
The filament used is PEKK-A, supplied by KIMYA (Nantes, France). According to the supplier, the filament used for this study has the properties described in Table 1.

Table 1.
PEKK-A filament properties.
2.2. Process
2.2.1. Mechanical Characterization
In this study, the mechanical characterization of the 3D-printed filament consists of performing tensile tests, flexural tests, and density measurements. These data are essential for the optimization of printing parameters and for the development of the finite element analysis.
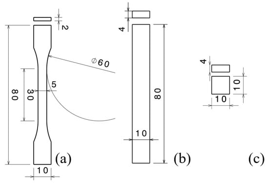
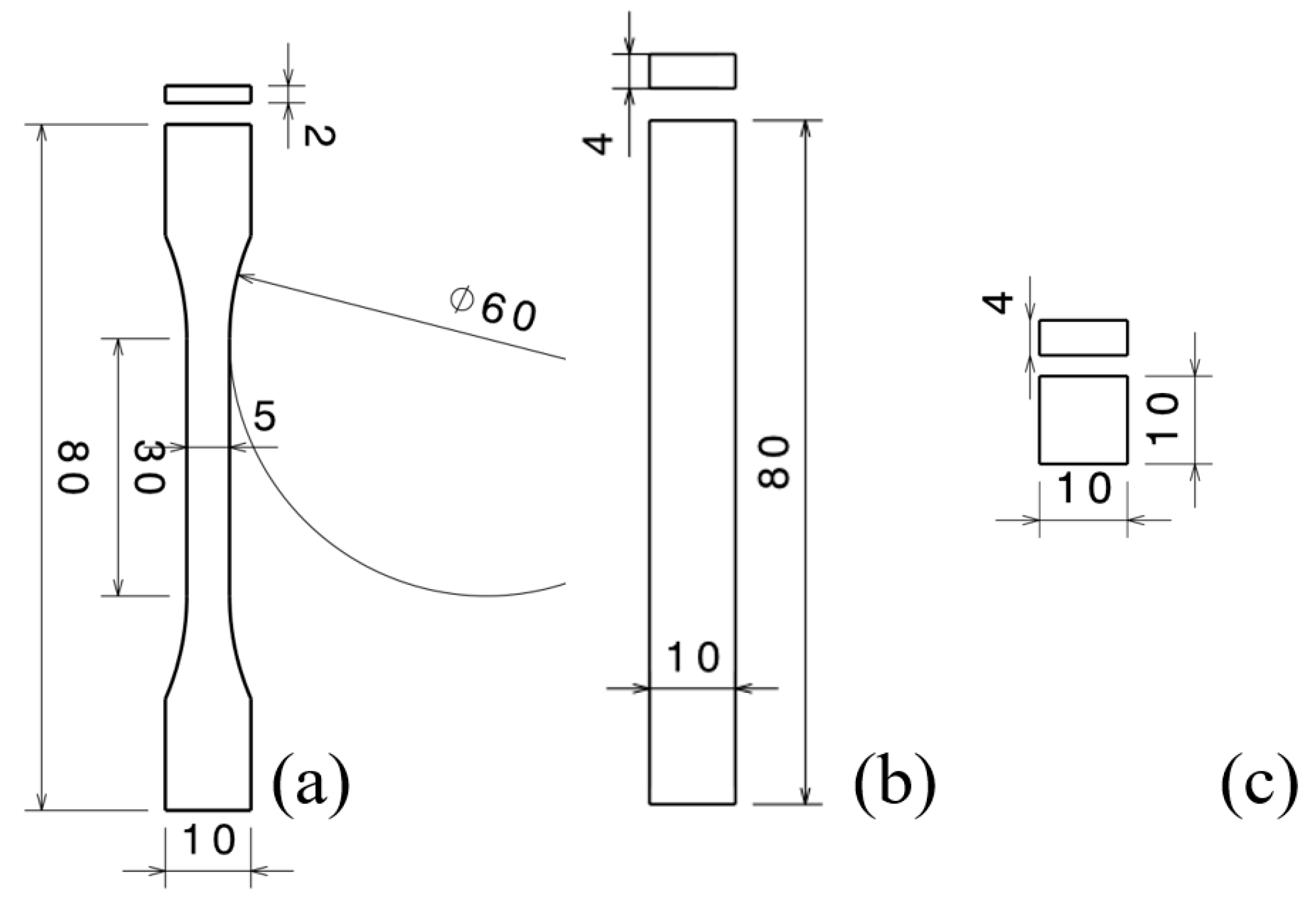
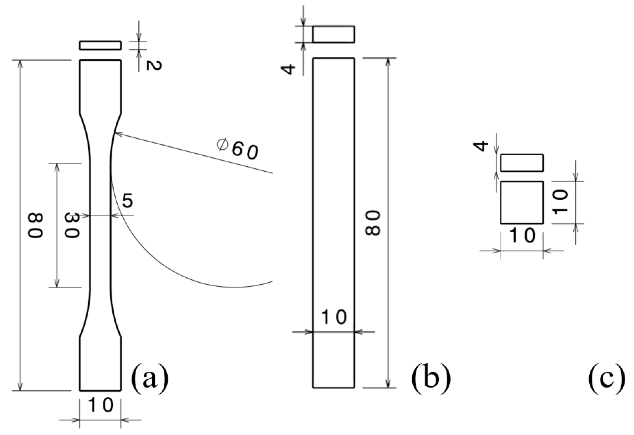
Figure 2 presents the two studied printing directions: “on edge” and “flat”. For each direction, tensile and flexural tests are performed according to the tests standards ISO 527 [] and ISO 178 [], respectively. For each test and direction, 5 specimens are printed. The dimensions of these specimens and those used for density measurements are presented in Figure 3. For these last specimens, they were printed in batches of 10 for each printing direction.

Figure 2.
Printing orientation of flexural specimens: “on edge” (a) and “flat” (b).

Figure 3.
Dimensions of tensile specimens (ISO 527 test standard) (a), flexural specimens (ISO 178 test standard), (b) and the specimens used for density measurements (c).
2.2.2. Cross-Axis Flexural Pivots
In Figure 4, two different designs of CAFPs are tested. CAFP1, the first design, is well known among the compliant mechanisms community []. It is composed of 2 rectangular blades, whereas CAFP2, the second design, has a more complex design to improve compactness. Indeed, compared to the standard design, the thickness of CAFP2 is reduced by 56% and the weight is reduced by 44%. The blades have variable thicknesses and widths throughout their lengths.

Figure 4.
Design and dimensions of CAFP 1 (a) and CAFP 2 (b).
2.2.3. From CAD to Printing
All parts included in this study were designed on CATIA V5 and then transferred in STL format to the slicing software Cura 5.2.1 to define their printing parameters. The specimens and CAFP were printed using a Volumic Ultra SC2 printer. A ULTEM1000 adhesive was used to help the extruded filament stick to the print bed. Supports were printed between the parts and the bed to make their removal easier.
The common printing parameters of the specimens used for material characterization and the CAFPs are summarized in Table 2. However, their structures differ, so their resulting parameters are presented Figure 5 and Table 3.

Table 2.
General printing parameters.

Figure 5.
Flexural specimens and cross-axis flexural pivots on the printing bed.

Table 3.
Structural printing parameters for the mechanical characterization and the pivots.
2.3. Methods and Test Equipment
Flexural and tensile tests were performed on a 100 KN INSTRON machine. This machine is equipped with an AVE 2 Extensometer to measure local strains. Tests were performed according to the following standards: 1 mm/s for the tensile specimens and 2 mm/s for the flexural specimens [,]. The raw data of the tests were computed using BlueHill Universal 3 software. For tensile tests, Young’s modulus, tensile strength, and elongation at break were studied. For the flexural tests, flexural modulus, flexural strength, conventional deflection, and flexural stress at conventional deflection were reported.
The conventional deflection f is calculated according to the following equation []:
where is the flexural elongation, L is the span, and e is the thickness of the specimen. The set-up of the measures is displayed in Figure 6.

Figure 6.
Dimensions of the experiment provided by ISO 178 test standard [].
The density measurements were performed according to the ISO 1183 test standard. In Figure 7, the scale OHAUS (supplied by OHAUS, Nänikon, Switzerland) was used with its density kit. The specimens are first weighed in air then immerged in water. The measurements were made in a 23 °C environment. The density of the specimen is calculated according to the following equation []:
where is the apparent mass of the specimen in the air, is the apparent mass of the specimen in the liquid, and is the water density at 23 °C, which is 0.998 according to the supplier of the kit.

Figure 7.
Picture of the scale used for the density measurements.
The DSC is performed on a TA INSTRUMENT Q100 on a 7 mg PEKK-A sample. Analysis was completed under nitrogen from 30 °C to 400 °C at a heating rate of 10 °C/min, kept 3 min, and then cooled from 400 °C to 30 °C at 10 °C/min. The results were analyzed with TA Universal Analysis 2000 software.
Heat flow is obtained through the basis of the following equation []:
where is the heating or cooling rate and T is the temperature range.
The finite element analyses are performed on ABAQUS V6-14, and the image correlation software used is GOM CORRELATE 2018.
The metrology and tomography studies are made with TOMO RX SOLUTION (supplied by RX Solution, Chavanod, France) from the Southeast Laboratory of SEMATEC, and the results are analyzed on myVGL 2023 software. The metrology analysis compares the CAD of the studied part (in STL format) with its X-ray scan.
3. Results and Discussion
3.1. Thermal Properties
The DSC is performed on the filament to determine its thermal properties. In Figure 8, the thermogram displays a glass transition () at 149 °C, which is 10 °C lower than the value given by the supplier. Cold crystallization () occurs at 263 °C with an enthalpy) of 4.4 J/g. Melting peak () appears closely after at 308 °C with an enthalpy of 4.7 J/g. There is no crystallization during controlled cooling at 10 °C/min. This general behavior and the values found are coherent with the literature [,,,].

Figure 8.
DSC of the PEKK-A filament.
The crystallinity (χ) is usually calculated according to the following equation []:
However, it cannot be calculated since the melting enthalpy of 100% crystalline PEKK () is still unknown due to the novelty of the polymer. The cold crystallization and melting enthalpy are similar, which indicates that the specimen has low crystallinity.
3.2. Mechanical Properties
3.2.1. Flexural Tests
Stress and strain curves are presented in Figure 9. The detailed properties of “flat” (F1–F5) and “on edge” (F6–F10) specimens are displayed in Table 4 and Table 5. They show that compared to printing “flat”, printing “on edge” improves the flexural modulus by 13%, the flexural strength by 14%, and the stress by 12% at conventional deflection.

Figure 9.
Flexural stress/strain curves of 3D-printed PEKK depending on printing direction.

Table 4.
Results of flexural tests for specimen printed “Flat”.

Table 5.
Results of flexural tests for specimen printed “on edge”.
In [], 3D-printed PEKK is studied but with different printing parameters (±45 raster angle, 90 °C heated chamber, 130 °C bed temperature). The study also concludes that the “on edge” printing direction enhances mechanical properties. With this printing direction, the inter-layer cohesion allows an even distribution of normal and shear stresses between layers that leads to intralayer tensile and shear failures.
Between neat [] and 3D-printed PEKK, there is a −30% difference for specimens printed “flat” and 20% difference for those printed “on edge” for the flexural modulus and the flexural strength. Poor adhesion between layers can be the reason for such deviations.
3.2.2. Tensile Tests
In Figure 10, the stress and strain curves of specimens T1 to T10 are presented. According to Table 6 and Table 7, the difference for the Young’s modulus between specimens printed “flat” and “on edge” is lower, but only by 5%. However, printing “on edge” offers +27% improved performances in tensile strength and a +31% increase in elongation at break.

Figure 10.
Stress/strain curves of 3D-printed PEKK depending on printing orientation.

Table 6.
Results of tensile tests for specimens printed “flat”.

Table 7.
Results of tensile tests for specimens printed “on edge”.
The surfaces of “on edge” layers are smaller. References [,] show the temperature gradient along the printed surfaces. This means that, from one layer to another, “flat” surfaces are cooler than “on edge” surfaces because they are larger. They are then reheated by the new layer printed on top. This phenomenon can impact their crystallinity and thus their mechanical performances. Moreover, chamber temperature of the printer is uncontrolled, which can increase the gradient along the surface. Without proper control, the chamber temperature can be influenced by the duration of printing, the nozzle, and the bed temperature. In [], parts printed with a chamber temperature under the glass transition had lower crystallinity rates and a lower Young’s modulus. Lack of controlled ambient temperature inside the printer could also influence the crystallization of PEKK through the thickness of the part.
This can explain the deviation between injected [] and 3D-printed PEKK. There is a −33% difference for specimens printed “flat” and a 29% difference for those printed “on edge” for the tensile modulus and the flexural strength. These differences between injected molded and 3D-printed parts have already been observed for other polymers, such as ABS, PLA, or nylon 6 [,]. The porosity induced by the process and the poor adhesion between layers lowers the mechanical properties of these polymers.
3.2.3. Density Measurements
In Figure 11, the density of specimens printed “flat” is 1.07 ± 0.02 and 1.15 ± 0.01 for those printed “on edge”. This 9% difference could be another explanation for the enhancement of “on edge” mechanical properties. However, it is difficult to know about water absorption due to ambient humidity, even if it is controlled. Thus, more measurements will be made in the future works to validate these results. Moreover, the specimens printed “on edge” are 11% less dense than the PEKK-A filament, confirming the presence of voids caused by the process, as seen in the literature []. A tomography analysis is needed to quantify the volume of voids and their distribution.

Figure 11.
Specimens used for density measurements printed “flat” (a) and “on edge” (b).
The effects of printing direction on mechanical properties are studied. Printing “on edge” improves both tensile and flexural properties of the specimen as well as its density. These results justify these authors’ decision to print the blades of both CAFPs “on edge”.
3.3. Finite Element Analysis and Experiment Correlation
In Figure 12, the set-up for the experiments is displayed. For both designs, one extremity of the CAFP is embedded, while a mass of 180g is attached to the other. Pictures of the mechanism deformation are taken, and the experiment is repeated five times. The pictures are analyzed with the image correlation software GOM CORRELATE 2018 where the displacements of the points A, B, and C are measured.

Figure 12.
Experimental set-up of CAFP1 (a) and CAFP2 (b) with the locations of points A, B and C where the displacements are measured.
A static general finite element analysis of the pivots is created using volumic quadratic C3D10 elements. Blades are printed “on edge”, so it is assumed that the density and mechanical properties measured in the previous tests are the same. Therefore, the material defined in the model is isotropic, has a Young’s modulus of 2833 MPa, and a Poisson’s ratio of 0.4 []. For CAFP1, free tetrahedral elements of this model have different lengths: 0.5 mm for the blades and 1.5 mm for the rest of the pivot. For CAFP2, the blades have elements around 0.5 mm and 1 mm for the rest of the model. A total of 296,593 nodes and 161,182 elements are used for CAFP1, and 244,432 nodes and 161,053 elements are used for the CAFP2. The boundary conditions are the same as for the experiment presented in Figure 12: an effort of 1.8 N is applied at the drilling site at Point B, and the two other drillings are constrained in every DOF. The distance covered by Points A and C are measured between the neutral fiber and the circular arc of the extremities of the geometries, while Point B is measured at the drilling site.
In Figure 13 and Table 8, the displacements of the CAFP1 model have less than 10% difference with the experiments. If these results are satisfactory, the model still can be perfected by considering the anisotropy of the material [].

Figure 13.
CAFP1: comparison between the finite element analysis model (a) and one of the tests analyzed on GOM CORRELATE (b).

Table 8.
Tests versus model results of CAFP1.
In Figure 14 and Table 9, the difference increases from 3% to 20%, which is higher than the previous model. These deviations can be explained by the complexity of the geometry. During slicing, the software makes an estimation of the geometry with the given parameters, so it is possible that parts of the design are left out. Another cause could be an embrittlement of the blades when the supports are taken out. Metrology and tomography studies are needed to confirm these theories.

Figure 14.
CAFP2: comparison between the finite element analysis model (a) and one of the tests analyzed on GOM CORRELATE (b).

Table 9.
Tests versus model results of CAFP2.
3.4. Metrology Analysis
To investigate tests and model deviation, a comparison between the CAD of both CAFP designs and the scan of their 3D-printed twin is made. In Figure 15, the views of the bottom face are presented for both CAFPs, which is the surface that is facing the bed of the printer and the view of the top face. Pink sections of the analysis are considered “out of range”. They are either excess stringing material that was not taken off before the analysis or they are extruded material when drilling the specimen before setting it up for the previous tests.

Figure 15.
Deviation between CAD and 3D-printed CAFPs: (a) top facing view of CAFP1, (b) bottom facing view of CAFP1, (c) top facing view of CAFP2, (d) bottom facing view of CAFP2.
The analysis of these scans is focused on the blades of the CAFPs. Figure 16 displays the surfaces that are studied for CAFP2. They are the same for the standard design. Twenty measures are taken on each surface, and their mean deviations are provided in Figure 17. For both designs, the studied surfaces have a mean deviation in an interval from −0.10 mm to +0.10 mm, which is considered sufficient knowing that the layer’s thickness is 0.2 mm. However, their standard deviations are high, which corresponds to the irregularity of the surfaces. Deviations from areas 1 and 3 are the highest. Indeed, these surfaces are in direct contact with the supports, and some of them might have stayed attached to the surfaces during their removal. Their standard deviations are also the highest. The irregularity of their surface can be observed in Figure 15. Area 7 also stands out for CAFP2 as the curves of the blade had to be sliced, which resulted in a lack of material compared to the CAD.

Figure 16.
Studied surfaces (1 to 8) for the deviation study: (a) view of the surface facing towards the printing bed and (b) view of the top surface.

Figure 17.
Comparison of the mean deviation in different surfaces for both CAFPs.
The overall deviation is low enough, so the impact on the inertia does not impact the mechanical behavior of the mechanism. Even if the accuracy of the 3D printer needs to be studied further, it does not seem to be the source of the test versus model differences.
A preliminary analysis of X-ray tomography of the two studied designs is carried out. In Figure 18 and Figure 19, slices of the design are shown. In black, voids inside the material are visible. Thus, the grid infill is seen on both sides of the blades. However, by zooming in on the walls and the blades, what seem like voids can be spotted, especially for CAFP2. According to the printing parameters, the blades should be 100% filled. These voids are not considered in the model but could be essential in the mechanical behavior of the CAFPs. Indeed, they could facilitate the propagation of cracks in the blades. Further analyses will be pursued in future works by studying simpler specimens and the impacts of printing parameters on porosity.

Figure 18.
X-ray tomography of CAFP1.

Figure 19.
X-ray tomography of CAFP2.
4. Conclusions
The authors’ work goes through several steps in the development of a potential spatializable compliant mechanism printed with PEKK. This study focuses on the creation of an accurate finite element model of the CAFP. First, thermal analysis confirmed PEKK’s high temperature properties. Then, the influence of printing direction was highlighted through tensile and flexural tests. Printing “on edge” improves the flexural modulus by 13% and tensile strength by 27%.
With the previous data, a finite element model of the CAFP was created and compared to the experiments. It was validated for the standard version of the CAFP (with less than 10% test/model error). Although these results are satisfying, improvements can be made for CAFP2. If the first lead was targeted on geometry accuracy, a scan analysis revealed that the overall deviation between the CAD and the 3D-printed model was below 0.1 mm, which is not enough to influence the model. However, a preliminary tomography study displayed the presence of voids inside the blades of the CAFPs, which could have an impact on mechanical behavior. Other leads on improving our results can consider the anisotropy of the material in the model and the impact of uncontrolled chamber temperature on mechanical properties to investigate a way to balance its effects.
Our future works will focus on deepening these findings by studying the effects of printing parameters on the distribution and quantity of voids through X-ray tomography. Thermal vacuum tests will be performed as vacuum resistance is a key requirement for the spatialization of 3D-printed systems.
Author Contributions
Conceptualization: M.D.; methodology: M.D., A.D.G., and B.O.; validation: Y.-H.G., Y.J., and B.O.; formal analysis: M.D.; investigation: M.D. and B.O.; writing—original draft preparation: M.D.; writing—review and editing: Y.-H.G., Y.J., and B.O.; supervision, Y.J. and B.O. All authors have read and agreed to the published version of the manuscript.
Funding
This research received no external funding.
Data Availability Statement
The raw data supporting the conclusions of this article will be made available by the authors on request.
Acknowledgments
The authors gratefully thank the Région Sud–Provence Alpes Côte d’Azur for its financial support through the co-financing of Morgane Domerg’s thesis, which was supported by the company CES WORKS and was carried out within the MAPIEM laboratory of the University of Toulon, France. The authors also thank the team of the South-East lab of SEMANTEC that is part of Hexagon for their contribution with the tomography analyses.
Conflicts of Interest
Author Antoine Dubois Garcia was employed by the company Hexagon. Author Yves-Henri Grunevald was employed by the company CES WORKS. The remaining authors declare that this research was conducted in the absence of any commercial or financial relationships that could be construed as potential conflicts of Interest.
Abbreviations
DOF | Degree of freedom |
CAFP | Cross-axis flexural pivot |
PEKK | Polyetherketoneketone |
PEEK | Polyetheretherketone |
PLA | Poly(lactic acid) |
FFF | Fused filament fabrication |
TGA | Thermogravimetric analysis |
DSC | Differential scanning calorimetry |
FTIR | Fourier transform infrared |
CAD | Computer-Aided Design |
List of Symbols
Degree of crystallinity [%] | |
Experimental melting enthalpy [J/g] | |
Melting enthalpy of a 100% crystalline material [J/g] | |
Enthalpy of crystallization [J/g] | |
Tg | Glass transition temperature [°C] |
Tc | Crystallization temperature [°C] |
Tm | Melting temperature [°C] |
References
- Dearden, J.; Grames, C.; Jensen, B.D.; Magleby, S.P.; Howell, L.L. Inverted L-Arm Gripper Compliant Mechanism. J. Med. Devices 2017, 11, 034502. [Google Scholar] [CrossRef]
- Merriam, E.G.; Jones, J.E.; Magleby, S.P.; Howell, L.L. Monolithic 2 DOF Fully Compliant Space Pointing Mechanism. Mech. Sci. 2013, 4, 381–390. [Google Scholar] [CrossRef]
- Dang, M.P.; Le, H.G.; Van, M.N.; Chau, N.L.; Dao, T.-P. Modeling and Optimization for a New Compliant 2-Dof Stage for Locating Biomaterial Samples by an Efficient Approach of a Kinetostatic Analysis-Based Method and Neural Network Algorithm. Comput. Intell. Neurosci. 2022, 2022, 6709464. [Google Scholar] [CrossRef] [PubMed]
- Hao, G.; Yu, J.; Li, H. A Brief Review on Nonlinear Modeling Methods and Applications of Compliant Mechanisms. Front. Mech. Eng. 2016, 11, 119–128. [Google Scholar] [CrossRef]
- Jensen, B.D.; Howell, L.L. The Modeling of Cross-Axis Flexural Pivots. Mech. Mach. Theory 2002, 37, 461–476. [Google Scholar] [CrossRef]
- Dearden, J.; Grames, C.; Orr, J.; Jensen, B.D.; Magleby, S.P.; Howell, L.L. Cylindrical Cross-Axis Flexural Pivots. Precis. Eng. 2018, 51, 604–613. [Google Scholar] [CrossRef]
- Wu, J.; Cai, S.; Cui, J.; Tan, J. A Generalized Analytical Compliance Model for Cartwheel Flexure Hinges. Rev. Sci. Instrum. 2015, 86, 105003. [Google Scholar] [CrossRef] [PubMed]
- Corapi, D.; Morettini, G.; Pascoletti, G.; Zitelli, C. Characterization of a Polylactic Acid (PLA) Produced by Fused Deposition Modeling (FDM) Technology. Procedia Struct. Integr. 2019, 24, 289–295. [Google Scholar] [CrossRef]
- Wang, P.; Zou, B.; Ding, S.; Li, L.; Huang, C. Effects of FDM-3D Printing Parameters on Mechanical Properties and Microstructure of CF/PEEK and GF/PEEK. Chin. J. Aeronaut. 2021, 34, 236–246. [Google Scholar] [CrossRef]
- Hanon, M.M.; Dobos, J.; Zsidai, L. The Influence of 3D Printing Process Parameters on the Mechanical Performance of PLA Polymer and Its Correlation with Hardness. Procedia Manuf. 2021, 54, 244–249. [Google Scholar] [CrossRef]
- Forés-Garriga, A.; Pérez, M.A.; Gómez-Gras, G.; Reyes-Pozo, G. Role of Infill Parameters on the Mechanical Performance and Weight Reduction of PEI Ultem Processed by FFF. Mater. Des. 2020, 193, 108810. [Google Scholar] [CrossRef]
- Abeykoon, C.; Sri-Amphorn, P.; Fernando, A. Optimization of Fused Deposition Modeling Parameters for Improved PLA and ABS 3D Printed Structures. Int. J. Lightweight Mater. Manuf. 2020, 3, 284–297. [Google Scholar] [CrossRef]
- Zhen, H.; Zhao, B.; Quan, L.; Fu, J. Effect of 3D Printing Process Parameters and Heat Treatment Conditions on the Mechanical Properties and Microstructure of PEEK Parts. Polymers 2023, 15, 2209. [Google Scholar] [CrossRef] [PubMed]
- Battes, K.; Day, C.; Hauer, V. Outgassing Behavior of Different High-Temperature Resistant Polymers. J. Vac. Sci. Technol. A Vac. Surf. Film. 2018, 36, 021602. [Google Scholar] [CrossRef]
- Lafont, U.; Munck, M.; Wessing, J.; Terol-Sanchez, M.; Rampini, R. 3D Printing of Multifunctional Polymer for Space Application. In Proceedings of the 9th European Conference for Aeronautics and Space Sciences (EUCASS), Lille, France, 27 June–1 July 2022; p. 13. [Google Scholar] [CrossRef]
- Rinaldi, M.; Cecchini, F.; Pigliaru, L.; Ghidini, T.; Lumaca, F.; Nanni, F. Additive Manufacturing of Polyether Ether Ketone (PEEK) for Space Applications: A Nanosat Polymeric Structure. Polymers 2020, 13, 11. [Google Scholar] [CrossRef] [PubMed]
- Pérez-Martín, H.; Mackenzie, P.; Baidak, A.; Ó Brádaigh, C.M.; Ray, D. Crystallinity Studies of PEKK and Carbon Fibre/PEKK Composites: A Review. Compos. Part B Eng. 2021, 223, 109127. [Google Scholar] [CrossRef]
- Pedoto, G. Characterization and Modelling of the Thermomechanical and Ageing Behavior of PEKK and C/PEKK Composites for Aircraft Applications at High Temperatures (Above the Glass Transition Temperature); ISAE-ENSMA Ecole Nationale Supérieure de Mécanique et d’Aérotechique: Poitiers, France, 2020. [Google Scholar]
- Alqurashi, H.; Khurshid, Z.; Syed, A.U.Y.; Rashid Habib, S.; Rokaya, D.; Zafar, M.S. Polyetherketoneketone (PEKK): An Emerging Biomaterial for Oral Implants and Dental Prostheses. J. Adv. Res. 2021, 28, 87–95. [Google Scholar] [CrossRef] [PubMed]
- Cheng, K.; Shi, Z.; Wang, R.; Jiang, X.; Xiao, F.; Liu, Y. 3D Printed PEKK Bone Analogs with Internal Porosity and Surface Modification for Mandibular Reconstruction: An in Vivo Rabbit Model Study. Biomater. Adv. 2023, 151, 213455. [Google Scholar] [CrossRef] [PubMed]
- International Organization for Standardization ISO 527-1:2012; Plasics—Determination of Tensile Properties—Part 2: Test Conditions for Moulding and Extrusion Plastics. ISO: Geneva, Switzerland, 2012.
- International Organisation for Standardization ISO 178; Plastics—Determination of Flexural Properties. ISO: Geneva, Switzerland, 2006.
- International Organisation for Standardization ISO 1183-1; Plastics—Methods for Determining the Density of Non-Cellular Plastics—Part 1: Immersion Method, Liquid Pycnometer Method and Titration Method. ISO: Geneva, Switzerland, 2019.
- International Organisation for Standardization ISO 11357-1:2016(En); Plastics—Differential Scanning Calorimetry (DSC)—Part 1: General Principles. ISO: Geneva, Switzerland, 2016.
- Yahiaoui, M.; Chabert, F.; Paris, J.-Y.; Nassiet, V.; Denape, J. Friction, Acoustic Emission, and Wear Mechanisms of a PEKK Polymer. Tribol. Int. 2019, 132, 154–164. [Google Scholar] [CrossRef]
- Vasconcelos, G.d.C.; Mazur, R.L.; Botelho, E.C.; Rezende, M.C.; Costa, M.L. Evaluation of Crystallization Kinetics of Polymer of Poly (Ether-Ketone-Ketone) and Poly (Ether-Ether-Ketone) by DSC. JATM 2010, 2, 155–162. [Google Scholar] [CrossRef]
- Alexandre, M. Optimisation du Comportement Mécanique de Composites Structuraux PEKK/Fibres de Carbone par Ensimage Oligomères de PEKK; Université Toulouse 3 Paul Sabatier: Toulouse, France, 2017. [Google Scholar]
- Corbalan, N. Mechanical Performances of PEKK Thermoplastic Composites Linked to Their Processing Parameters; École Nationale Supérieure d’Arts et Métiers: Paris, France, 2017. [Google Scholar]
- Mngomezulu, M.E.; Luyt, A.S.; John, M.J. Morphology, Thermal and Dynamic Mechanical Properties of Poly(Lactic Acid)/Expandable Graphite (PLA/EG) Flame Retardant Composites. J. Thermoplast. Compos. Mater. 2019, 32, 89–107. [Google Scholar] [CrossRef]
- Xu, C.; Cheng, K.; Liu, Y.; Wang, R.; Xu, X. Effect of Processing Parameters on Flexural Properties of 3D-Printed Polyetherketoneketone Using Fused Deposition Modeling. Polym. Eng. Sci. 2021, 61, 465–476. [Google Scholar] [CrossRef]
- Nassir, N.A.; Birch, R.S.; Cantwell, W.J.; Wang, Q.Y.; Liu, L.Q.; Guan, Z.W. The Perforation Resistance of Glass Fibre Reinforced PEKK Composites. Polym. Test. 2018, 72, 423–431. [Google Scholar] [CrossRef]
- Lee, A.; Wynn, M.; Quigley, L.; Salviato, M.; Zobeiry, N. Effect of Temperature History during Additive Manufacturing on Crystalline Morphology of PEEK. Adv. Ind. Manuf. Eng. 2022, 4, 100085. [Google Scholar] [CrossRef]
- Antony Samy, A.; Golbang, A.; Harkin-Jones, E.; Archer, E.; McIlhagger, A. Prediction of Part Distortion in Fused Deposition Modelling (FDM) of Semi-Crystalline Polymers via COMSOL: Effect of Printing Conditions. CIRP J. Manuf. Sci. Technol. 2021, 33, 443–453. [Google Scholar] [CrossRef]
- Choupin, T.; Debertrand, L.; Fayolle, B.; Régnier, G.; Paris, C.; Cinquin, J.; Brulé, B. Influence of Thermal History on the Mechanical Properties of Poly(Ether Ketone Ketone) Copolymers. Polym. Cryst. 2019, 2, e10086. [Google Scholar] [CrossRef]
- Gan, D.; Lu, S.; Song, C.; Wang, Z. Morphologies, Mechanical Properties and Wear of Poly(Ether Ketone Ketone) (PEKK) and Its Composites Reinforced with Mica. Macromol. Mater. Eng. 2001, 286, 296–301. [Google Scholar] [CrossRef]
- Podsiadły, B.; Skalski, A.; Rozpiórski, W.; Słoma, M. Are We Able to Print Components as Strong as Injection Molded?—Comparing the Properties of 3D Printed and Injection Molded Components Made from ABS Thermoplastic. Appl. Sci. 2021, 11, 6946. [Google Scholar] [CrossRef]
- Lay, M.; Thajudin, N.L.N.; Hamid, Z.A.A.; Rusli, A.; Abdullah, M.K.; Shuib, R.K. Comparison of Physical and Mechanical Properties of PLA, ABS and Nylon 6 Fabricated Using Fused Deposition Modeling and Injection Molding. Compos. Part B Eng. 2019, 176, 107341. [Google Scholar] [CrossRef]
- Ding, S.; Zou, B.; Wang, P.; Ding, H. Effects of Nozzle Temperature and Building Orientation on Mechanical Properties and Microstructure of PEEK and PEI Printed by 3D-FDM. Polym. Test. 2019, 78, 105948. [Google Scholar] [CrossRef]
- Villefort, R.F.; Diamantino, P.J.S.; von Zeidler, S.L.V.; Borges, A.L.S.; Silva-Concílio, L.R.; Saavedra, G.; de Siqueira, F.A.; Tribst, J.P.M. Mechanical Response of PEKK and PEEK As Frameworks for Implant-Supported Full-Arch Fixed Dental Prosthesis: 3D Finite Element Analysis. Eur. J. Dent. 2021, 16, 115–121. [Google Scholar] [CrossRef]
Disclaimer/Publisher’s Note: The statements, opinions and data contained in all publications are solely those of the individual author(s) and contributor(s) and not of MDPI and/or the editor(s). MDPI and/or the editor(s) disclaim responsibility for any injury to people or property resulting from any ideas, methods, instructions or products referred to in the content. |
© 2024 by the authors. Licensee MDPI, Basel, Switzerland. This article is an open access article distributed under the terms and conditions of the Creative Commons Attribution (CC BY) license (https://creativecommons.org/licenses/by/4.0/).