Modeling and Optimisation of a Solar Energy Harvesting System for Wireless Sensor Network Nodes
Abstract
1. Introduction
- (1)
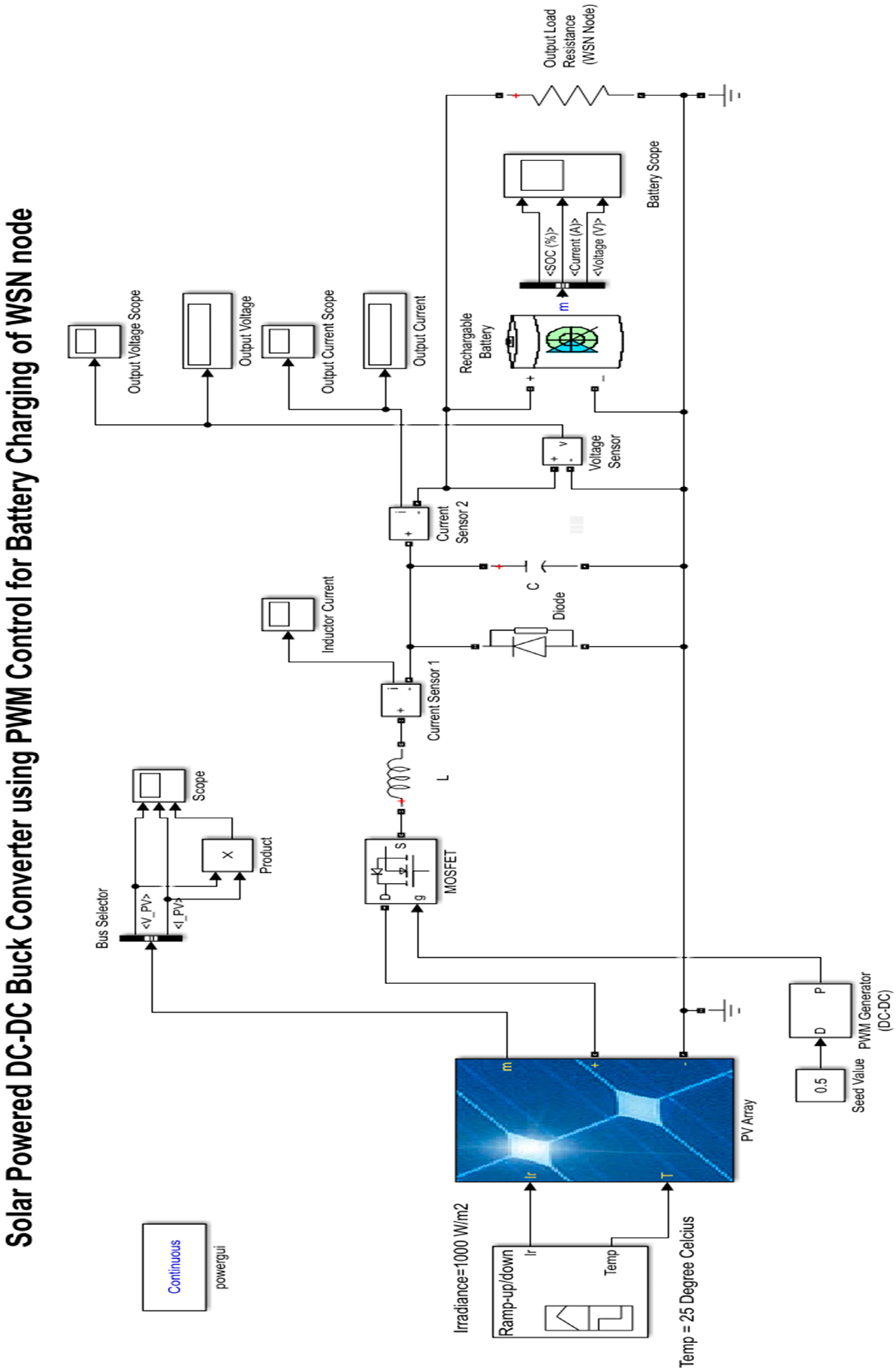
- A novel solar energy harvesting 3.6 volts battery charger using Pulse Width Modulation (PWM) control technique using MATLAB/Simulink.
- (2)
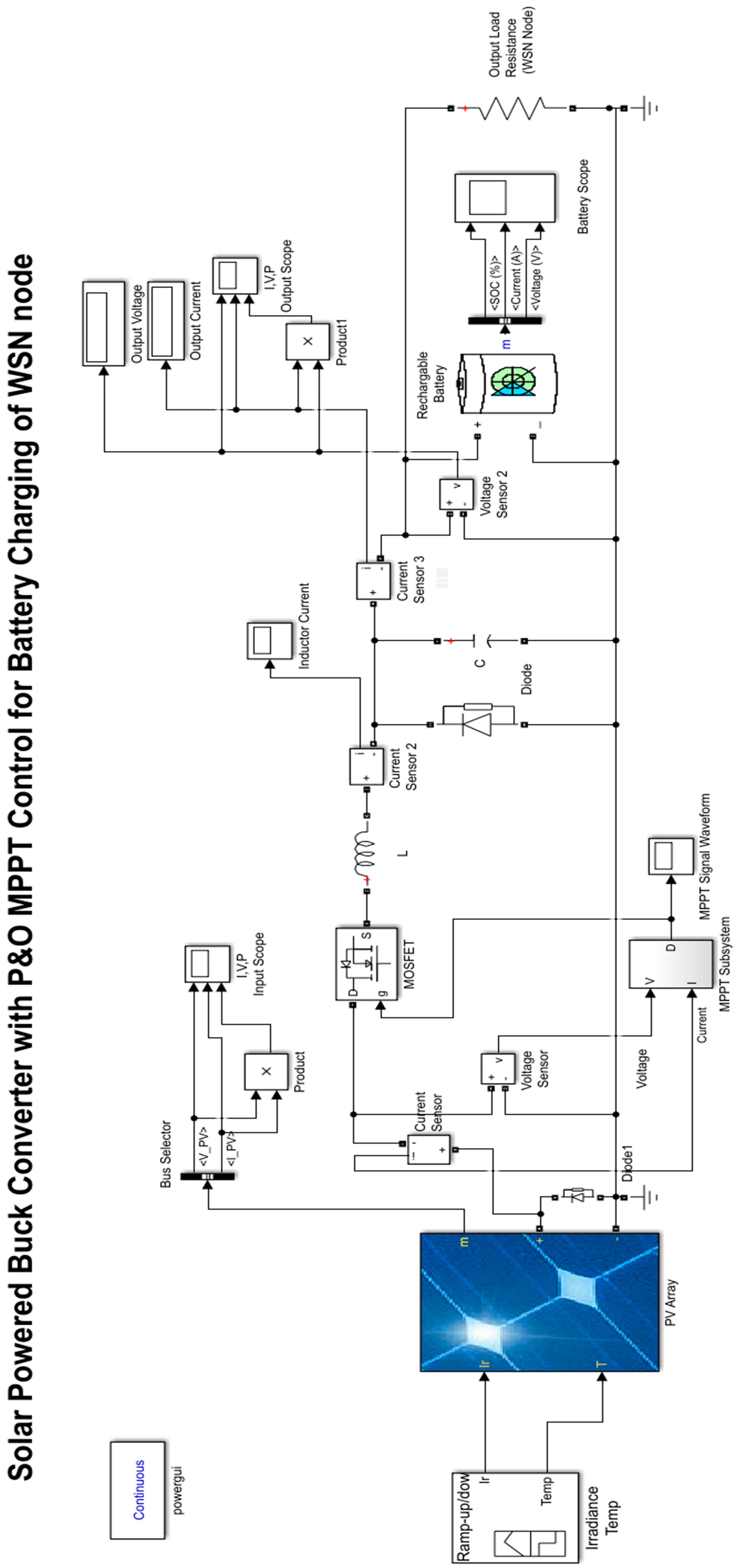
- A novel solar energy harvesting 3.6 volts battery charger using Perturb & Observation (P&O) type Maximum Power Point Tracking (MPPT) control technique using MATLAB/Simulink.
- (3)
- A novel hardware implementation of a solar battery charger using PWM control technique Solar Panel, DC-DC Buck Converter, and Scientech 2311 WSN trainer kit.
- (4)
- The innovation claim entails the integration of a Commercial WSN trainer Kit (Scientech 2311) with a solar panel and a PWM controlled DC-DC converter, and showing the output on Digital Storage Oscilloscope (DSO).
- (5)
- Another innovation claim made here involves the MATLAB/Simulink based implementation of solar energy harvester system to charge 3.6 volts battery using MATLAB/Simulink. This rechargeable battery is used to provide power to the WSN node.
2. Operation of an SEH-WSN Node
3. Solar Energy Harvesting System
4. Modeling of a Solar PV Panel
4.1. Effect of Solar Radiation (G)
4.2. Effect of Temperature (T)
5. Modeling of DC-DC Converter
Power Losses in DC-DC Buck Converter
6. Modeling of Maximum Power Point Tracking (MPPT) Technique
- Perturbation and Observation (P&O) technique,
- Incremental Conductance (INC) technique and
- Fraction Open Circuit Voltage (OCV).
| Algorithm 1. P&O MPPT Algorithm. |
| function D = PandO(Vpv,Ipv) persistent Dprev Pprev Vprev if is empty (Dprev) Dprev = 0.7; Vprev = 190; Pprev = 2000; end deltaD = 0.0025; Ppv = Vpv*Ipv; if (Ppv-Pprev) ~= 0 if (Ppv-Pprev) > 0 if (Vpv-Vprev) > 0 D = Dprev - deltaD; else D = Dprev + deltaD; end else if (Vpv-Vprev) > 0 D = Dprev + deltaD; else D = Dprev - deltaD; end end else D = Dprev; end Dprev = D; Vprev = Vpv; Pprev = Ppv; |
7. Simulation Experiment Setup
8. Simulation Results
Comparison of Battery State of Charge (SoC), Voltage and Current during Charging Using PWM and MPPT Control Techniques
9. Energy Harvester Systems Efficiency Calculations
9.1. PWM Efficiency
9.2. P&O MPPT Efficiency
10. Hardware Experiment
10.1. Scientech 2311 WSN System
10.2. LM2575 Buck Converter Based Energy Harvesting System
11. Conclusions
Author Contributions
Funding
Acknowledgments
Conflicts of Interest
References
- IEEE 802.15.4. IEEE Standard for Low-Rate Wireless Networks, Amendment 2: Ultra-Low Power Physical Layer; IEEE Standards Association: Piscataway, NJ, USA; IEEE Computer Society: Washington, DC, USA, 2016. [Google Scholar]
- ZigBee Pro with Green Power User Guide. Revision 1.4. Available online: www.nxp.com/documents/user_manual/JN-UG-3095.pdf (accessed on 28 June 2018).
- Dondi, D.; Bertacchini, A.; Brunelli, D. Modelling and optimization of a solar energy harvester system for self-powered wireless sensor networks. IEEE Trans. Ind. Electron. 2008, 55, 2759–2766. [Google Scholar] [CrossRef]
- Brunelli, D.; Moser, C.; Thiele, L. Design of a solar-harvesting circuit for batteryless embedded systems. IEEE Trans. Circuits Syst. 2009, 56, 2519–2528. [Google Scholar] [CrossRef]
- Mathews, I.; King, P.J.; Stafford, F.; Frizzell, R. Performance of III–V solar cells as indoor light energy harvesters. IEEE J. Photovolt. 2016, 6, 230–236. [Google Scholar] [CrossRef]
- Liu, X.; Sánchez-Sinencio, E. A highly efficient ultralow photovoltaic power harvesting system with MPPT for internet of things smart nodes. IEEE Trans. VLSI Syst. 2015, 23, 3065–3075. [Google Scholar] [CrossRef]
- Shiau, J.-K.; Ma, C.-W. Li-Ion battery charging with a buck-boost power converter for a solar powered battery management system. Energies 2013, 6, 1669–1699. [Google Scholar] [CrossRef]
- Sivakumar, S.; Jagabar Sathik, M.; Manoj, P.S.; Sundararajan, G. An assessment on performance of DC-DC converters for renewable energy applications. Renew. Sustain. Energy Rev. 2016, 58, 1475–1485. [Google Scholar] [CrossRef]
- Shin, M.; Joe, I. Energy management algorithm for solar-powered energy harvesting wireless sensor node for Internet of Things. IET Commun. 2016, 10, 1508–1521. [Google Scholar] [CrossRef]
- Sharma, H.; Haque, A.; Jaffery, Z.A. Solar energy harvesting wireless sensor network nodes: A survey. J. Renew. Sustain. Energy 2018, 10, 023704. [Google Scholar] [CrossRef]
- Sharma, H.; Haque, A.; Jaffery, Z.A. Design challenges in solar energy harvesting wireless sensor networks. In Proceedings of the 3rd IEEE International Conference on Nanotechnology for Instrumentation and Measurement (NANOFIM) Workshop, Greater Noida, India, 16–17 November 2017; pp. 442–448. [Google Scholar]
- Didioui, A.; Bernier, C.; Morche, D.; Sentieys, O. HarvWSNet: A co-simulation framework for energy harvesting wireless sensor networks. In Proceedings of the IEEE International Conference on Computing, Networking and Communications, Wireless Ad Hoc and Sensor Networks Symposium, San Diego, CA, USA, 28–31 January 2013; pp. 808–812. [Google Scholar]
- Yi, J.M.; Kang, M.J.; Noh, D.K. SolarCastalia: Solar energy harvesting wireless sensor network simulator. In Proceedings of the IEEE International Conference on Information and Communication Technology Convergence (ICTC), Busan, Korea, 22–24 October 2014. [Google Scholar]
- Sanchez, A.; Blanc, S.; Climent, S.; Yuste, P.; Ors, R. SIVEH: Numerical computing simulation of wireless energy-harvesting sensor nodes. Sensors 2013, 13, 11750–11771. [Google Scholar] [CrossRef] [PubMed]
- Texas Instruments Application Report on “Basic Calculation of a Boost Converter’s Power Stage”. Available online: www.ti.com (accessed on 28 June 2018).
- Texas Instruments Application Report on “Calculating Efficiency of PMP-DC-DC Controllers”. Available online: www.ti.com (accessed on 28 June 2018).
- Haque, A. Maximum Power Point Tracking (MPPT) for Scheme for Solar Photovoltaic System. J. Energy Policy Res. 2014, 1, 115–122. [Google Scholar] [CrossRef]
- Ibrahima, R.; Chung, T.D. Solar energy harvester for industrial wireless sensor nodes. In Proceedings of the IEEE International Symposium on Robotics and Intelligent Sensors, IRIS 2016, Tokyo, Japan, 17–20 December 2016; pp. 111–118. [Google Scholar]
- Li, Y.; Shi, R. An intelligent solar energy-harvesting system for wireless sensor networks. EURASIP J. Wirel. Commun. Netw. 2015, 179. [Google Scholar] [CrossRef]
- Praveen, K.; Pudipeddi, M.; Sivaramakrishna, M. Design, development and analysis of energy harvesting system for wireless pulsating sensors. In Proceedings of the IEEE Annual India Conference (INDICON), Bengaluru, India, 16–18 December 2016. [Google Scholar]
- Win, K.K.; Wu, X.; Dasgupta, S.; Wen, W.J.; Kumar, R.; Panda, S.K. Efficient solar energy harvester for wireless sensor nodes. In Proceedings of the IEEE International Conference on Communication Systems, Singapore, 17–19 November 2010; pp. 289–294. [Google Scholar]
- LM2575, 1 A, 3.3v-15v Adjustable Output Voltage, Step-Down Switching Regulator. ON Semiconductor Company Datasheets. 2009. Available online: http://onsemi.com (accessed on 28 June 2018).
- Castagnetti, A.; Pegatoquet, A.; Auguin, M. A framework for modeling and simulating energy harvesting WSN nodes with efficient power management policies. EURASIP J. Embed. Syst. 2012, 8. [Google Scholar] [CrossRef]
- Weddell, A.S.; Merrett, G.V.; Al-Hashimi, B.M. Ultra low-power photovoltaic MPPT technique for indoor and outdoor wireless sensor nodes. In Proceedings of the IEEE conference on Design, Automation & Test in Europe (DATE), Grenoble, France, 14–18 March 2011. [Google Scholar]















| Parameters | Value | Parameters | Value |
|---|---|---|---|
| Irradiance (W/m2) | 1000 Watts/m2 | Capacitor (C) | 100 uF |
| Temperature (T) | 25 degree Celsius | Inductor (L) | 200 uH |
| DC-DC Converter | Boost Converter | MOSFET Switching Frequency (f) | 5 KHz |
| Max. Solar Panel output voltage (Vm) | 6 volts | Initial duty Cycle | 0.5 |
| Max. Solar Panel output current (Im) | 500 mA | MOSFET Switching Power Losses (Psw) | 0.5 mW |
| Max. Power from Solar Cell (Pm) | 3 watts | Switching Voltage Loss (Vsw) | 0.2 volts |
| Rechargeable Battery Type | NiCd | WSN Load Model | 10-ohm resistor |
| Battery Voltage | 3.6 volts | Inductor conduction Power Loss (PL) | 50 mW |
| Energy Harvester Parameters | PWM Control | P&O MPPT Control |
|---|---|---|
| Max. Solar Panel output Power (Pm) | 2.5 watts | 2.8 watts |
| Average Buck Converter Output Voltage (Vm) | 3.3 volts | 3.5 volts |
| Average Buck Converter Output Current (Im) | 260 mA | 500 mA |
| Buck Converter Output Power | 650 mW | 1.8 watts |
| Inductor Loss | 50 mW | 20 mW |
| MOSFET Switching Loss | 5 mW | 2 mW |
| Harvester System Efficiency (%) | 87.76% | 96.06% |
| Hardware Experiment Parameters | Number of Components and Details |
|---|---|
| Scientech 2311w WSN system: | |
| WSN Gateway Node | 1 |
| WSN End node | 1 |
| Temperature Sensor Module (LM35) | 1 |
| Scientech 2311w WSN monitoring software installed on a Laptop PC | 1 |
| Energy Harvesting System: | |
| Solarcraft Solar Panel | 5 w, 8 V, 0.65 A |
| Generic LM2576, 80% efficient, PWM controlled DC-DC Buck Converter | 3.6 V–40 V, 2 A |
| Measuring Instruments: | |
| Tektronix 200MHz Digital Storage Oscilloscope (DSO) | 1 |
| Multimeter | 1 |
| Author & Year | Proposed Solar Energy Harvester Model | Irradiance (W/m2) Consider | Temperature (°C) Consider | Inductor and Capacitor Loss Consider | (PWM/MPPT) Consider | Super Capacitor/Battery Consider | Power Consumption of Harvester Circuit Consider | Maximum Efficiency | Model Validation Consider |
|---|---|---|---|---|---|---|---|---|---|
| Denis Dondi et al. [3], 2008 | Boost Converter with MPPT | Yes (20–1000 W/m2) | No | Yes | MPPT only | Battery | No | 85% | No |
| Davide Brunelli et al. [4], 2009 | Boost Converter with MPPT | No | No | No | MPPT only | Both | Yes | 80% | Yes |
| Andrea Castagnetti et al. [23], 2012 | Boost Converter | No | No | No | Not Reported | Battery | Yes | Not Reported | yes |
| Alex S. Weddell et al. [24], 2012 | Buck-Boost Converter with MPPT | Yes (200–5000 W/m2) | No | No | MPPT | Battery | Yes | Not reported | Yes |
| Our Proposed Model | Buck Converter with PWM & MPPT both | Yes | Yes | No | PWM & MPPT both | Both | Yes | 96.06% | Yes |
© 2018 by the authors. Licensee MDPI, Basel, Switzerland. This article is an open access article distributed under the terms and conditions of the Creative Commons Attribution (CC BY) license (http://creativecommons.org/licenses/by/4.0/).
Share and Cite
Sharma, H.; Haque, A.; Jaffery, Z.A. Modeling and Optimisation of a Solar Energy Harvesting System for Wireless Sensor Network Nodes. J. Sens. Actuator Netw. 2018, 7, 40. https://doi.org/10.3390/jsan7030040
Sharma H, Haque A, Jaffery ZA. Modeling and Optimisation of a Solar Energy Harvesting System for Wireless Sensor Network Nodes. Journal of Sensor and Actuator Networks. 2018; 7(3):40. https://doi.org/10.3390/jsan7030040
Chicago/Turabian StyleSharma, Himanshu, Ahteshamul Haque, and Zainul Abdin Jaffery. 2018. "Modeling and Optimisation of a Solar Energy Harvesting System for Wireless Sensor Network Nodes" Journal of Sensor and Actuator Networks 7, no. 3: 40. https://doi.org/10.3390/jsan7030040
APA StyleSharma, H., Haque, A., & Jaffery, Z. A. (2018). Modeling and Optimisation of a Solar Energy Harvesting System for Wireless Sensor Network Nodes. Journal of Sensor and Actuator Networks, 7(3), 40. https://doi.org/10.3390/jsan7030040

