Modeling and Simulation of a PI Controlled Shunt Active Power Filter for Power Quality Enhancement Based on P-Q Theory
Abstract
1. Introduction
2. Materials and Methods
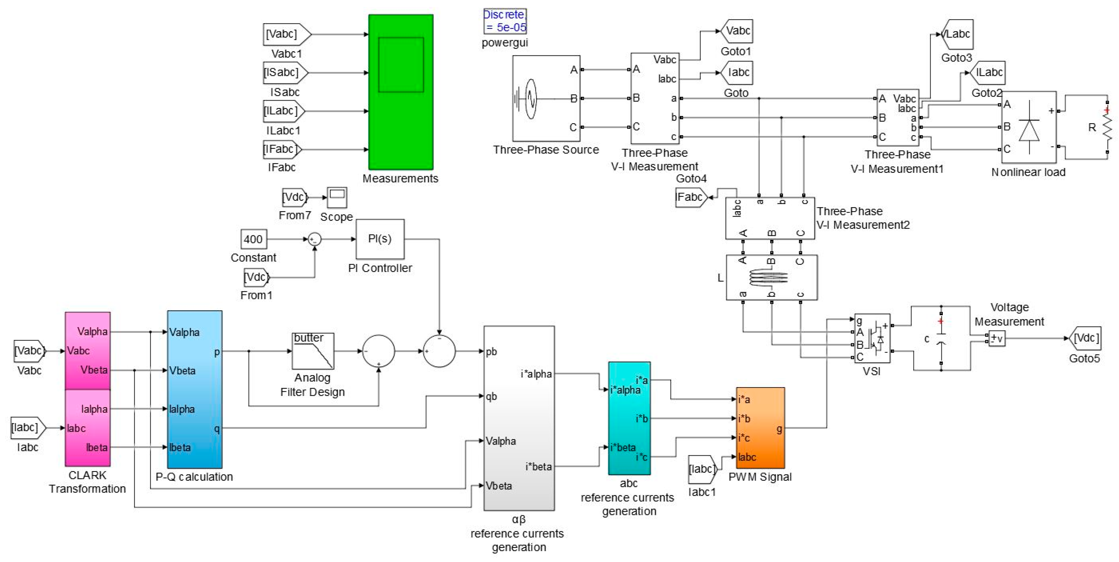
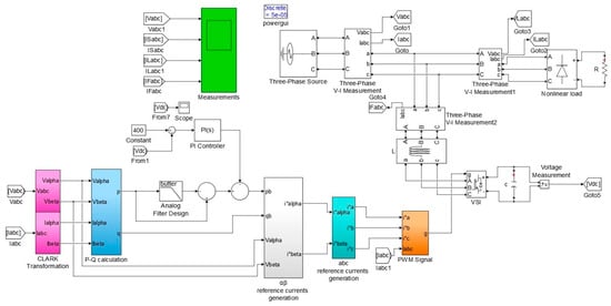
2.1. Shunt Active Power Filter Topology and Operation: An Overview
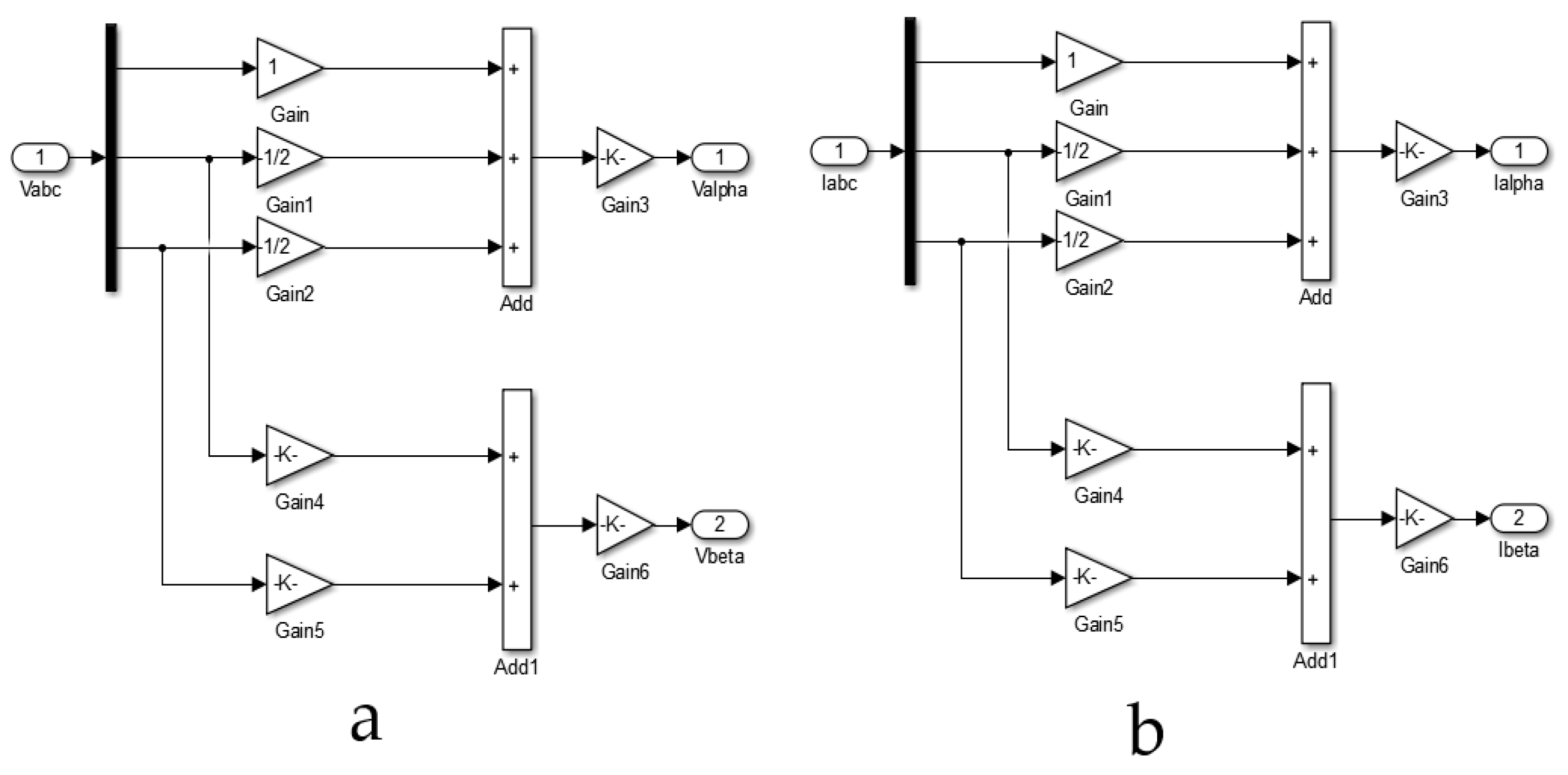
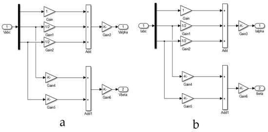
2.1.1. Harmonic Extraction
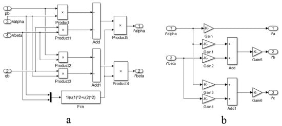
2.1.2. Current Control Technique
2.1.3. PI Controller
3. Results and Discussion
3.1. Balanced System Nonlinear Load
3.2. Unbalanced System Nonlinear Load
4. Conclusions
- The proposed shunt active power filter was able to restore the distorted source current to its original sinusoidal waveform;
- The investigations indicate that the proposed filter was able to minimize the current harmonics significantly less than the IEEE standard limits in both conditions;
- The FFT spectrum analyses reveal that by employing the proposed SAPF, the THDs were reduced from 30.88% to 1.18 and from 12.97% to 1.13% for balanced and unbalanced systems, respectively;
- The proposed shunt active power filter can effectively mitigate the harmonic current in both balanced and unbalanced power systems. However, the comparative study emphasized that the system performance surpassed the other states of art in the literature which are applied to balanced and unbalanced conditions.
Author Contributions
Funding
Acknowledgments
Conflicts of Interest
References
- Nikum, K.; Saxena, R.; Wagh, A. Effect on power quality by large penetration of household non linear load. In Proceedings of the 2016 IEEE 1st International Conference on Power Electronics, Intelligent Control and Energy Systems (ICPEICES), Delhi, India, 4–6 July 2016; pp. 1–5. [Google Scholar]
- Monteiro, F.; Monteiro, S.; Tostes, M.; Bezerra, U. Using True RMS Current Measurements to Estimate Harmonic Impacts of Multiple Nonlinear Loads in Electric Distribution Grids. Energies 2019, 12, 4132. [Google Scholar] [CrossRef]
- Witherden, M.S.; Rayudu, R.; Rigo-Mariani, R. The influence of nonlinear loads on the power quality of the New Zealand low voltage electrical power distribution network. In Proceedings of the 2010 20th Australasian Universities Power Engineering Conference, Christchurch, New Zealand, 5–8 December 2010; pp. 1–6. [Google Scholar]
- Rakpenthai, C.; Uatrongjit, S.; Watson, N.R.; Premrudeepreechacharn, S. On harmonic state estimation of power system with uncertain network parameters. IEEE Trans. Power Syst. 2013, 28, 4829–4838. [Google Scholar] [CrossRef]
- Olivares, D.E.; Mehrizi-Sani, A.; Etemadi, A.H.; Cañizares, C.A.; Iravani, R.; Kazerani, M.; Hajimiragha, A.H.; Gomis-Bellmunt, O.; Saeedifard, M.; Palma-Behnke, R. Trends in microgrid control. IEEE Trans. Smart Grid 2014, 5, 1905–1919. [Google Scholar] [CrossRef]
- Choudhury, S.R.; Das, A.; Anand, S.; Tungare, S.; Sonawane, Y. Adaptive shunt filtering control of UPQC for increased nonlinear loads. Iet Power Electron. 2018, 12, 330–336. [Google Scholar] [CrossRef]
- Jarwar, A.R.; Soomro, A.M.; Memon, Z.A.; Odhano, S.A.; Uqaili, M.A.; Larik, A.S. High dynamic performance power quality conditioner for AC microgrids. Iet Power Electron. 2018, 12, 550–556. [Google Scholar] [CrossRef]
- Chen, C.-I.; Lan, C.-K.; Chen, Y.-C.; Chen, C.-H. Adaptive Frequency-Based Reference Compensation Current Control Strategy of Shunt Active Power Filter for Unbalanced Nonlinear Loads. Energies 2019, 12, 3080. [Google Scholar] [CrossRef]
- IEEE Recommended Practices and Requirements for Harmonic Control in Electrical Power Systems. IEEE Std 519-1992 1993. [CrossRef]
- IEEE. IEEE Recommended Practice and Requirements for Harmonic Control in Electric Power Systems. Available online: https://edisciplinas.usp.br/pluginfile.php/1589263/mod_resource/content/1/IEE%20Std%20519-2014.pdf (accessed on 15 January 2020).
- Hoon, Y.; Radzi, M.; Amran, M.; Hassan, M.K.; Mailah, N.F. Control algorithms of shunt active power filter for harmonics mitigation: A review. Energies 2017, 10, 2038. [Google Scholar] [CrossRef]
- Pan, D.; Ruan, X.; Bao, C.; Li, W.; Wang, X. Capacitor-Current-Feedback Active Damping With Reduced Computation Delay for Improving Robustness of LCL-Type Grid-Connected Inverter. IEEE Trans. Power Electron. 2014, 29, 3414–3427. [Google Scholar] [CrossRef]
- Liserre, M.; Blaabjerg, F.; Hansen, S. Design and control of an LCL-filter based three-phase active rectifier. In Proceedings of the Conference Record of the 2001 IEEE Industry Applications Conference. 36th IAS Annual Meeting (Cat. No.01CH37248), Chicago, IL, USA, 30 September–4 October 2001; pp. 299–307. [Google Scholar]
- Tang, Y.; Loh, P.C.; Wang, P.; Choo, F.H.; Gao, F. Exploring Inherent Damping Characteristic of LCL-Filters for Three-Phase Grid-Connected Voltage Source Inverters. IEEE Trans. Power Electron. 2012, 27, 1433–1443. [Google Scholar] [CrossRef]
- Wu, W.; He, Y.; Blaabjerg, F. An LLCL power filter for single-phase grid-tied inverter. IEEE Trans. Power Electron. 2011, 27, 782–789. [Google Scholar] [CrossRef]
- Xu, J.; Yang, J.; Ye, J.; Zhang, Z.; Shen, A. An LTCL filter for three-phase grid-connected converters. IEEE Trans. Power Electron. 2013, 29, 4322–4338. [Google Scholar] [CrossRef]
- Anzalchi, A.; Moghaddami, M.; Moghaddasi, A.; Sarwat, A.I.; Rathore, A.K. A new topology of higher order power filter for single-phase grid-tied voltage-source inverters. IEEE Trans. Ind. Electron. 2016, 63, 7511–7522. [Google Scholar] [CrossRef]
- Fang, J.; Li, X.; Tang, Y. A review of passive power filters for voltage-source converters. In Proceedings of the 2016 Asian Conference on Energy, Power and Transportation Electrification (ACEPT), Singapore, 25–27 October 2016; pp. 1–6. [Google Scholar]
- Srivastava, G.D.; Kulkarni, R.D. Design, simulation and analysis of Shunt Active Power Filter using instantaneous reactive power topology. In Proceedings of the 2017 International Conference on Nascent Technologies in Engineering (ICNTE), Navi Mumbai, India, 27–28 January 2017; pp. 1–6. [Google Scholar]
- Swain, S.D.; Ray, P.K.; Mohanty, K.B. Improvement of power quality using a robust hybrid series active power filter. IEEE Trans. Power Electron. 2016, 32, 3490–3498. [Google Scholar] [CrossRef]
- Monroy-Morales, J.; Campos-Gaona, D.; Hernández-Ángeles, M.; Peña-Alzola, R.; Guardado-Zavala, J. An active power filter based on a three-level inverter and 3D-SVPWM for selective harmonic and reactive compensation. Energies 2017, 10, 297. [Google Scholar] [CrossRef]
- Adam, G.; Stan, A.G.; Livinţ, G. An adaptive hysteresis band current control for three phase shunt active power filter U sing Fuzzy logic. In Proceedings of the 2012 International Conference and Exposition on Electrical and Power Engineering, Iasi, Romania, 25–27 October 2012; pp. 324–329. [Google Scholar]
- Akagi, H.; Kanazawa, Y.; Fujita, K.; Nabae, A. Generalized theory of instantaneous reactive power and its application. Electr. Eng. Jpn. 1983, 103, 58–66. [Google Scholar] [CrossRef]
- Artemenko, M.Y.; Mykhalskyi, V.M.; Polishchuk, S.Y.; Chopyk, V.V.; Shapoval, I.A. Modified Instantaneous Power Theory for Three-Phase Four-Wire Power Systems. In Proceedings of the 2019 IEEE 39th International Conference on Electronics and Nanotechnology (ELNANO), Kyiv, Ukraine, 16–18 April 2019; pp. 600–605. [Google Scholar]
- Chang, G.W.; Tai-Chang, S. A novel reference compensation current strategy for shunt active power filter control. IEEE Trans. Power Deliv. 2004, 19, 1751–1758. [Google Scholar] [CrossRef]
- Li, Z.; Hu, T.; Abu-Siada, A. A minimum side-lobe optimization window function and its application in harmonic detection of an electricity gird. Energies 2019, 12, 2619. [Google Scholar] [CrossRef]
- Wada, K.; Fujita, H.; Akagi, H. Considerations of a shunt active filter based on voltage detection for installation on a long distribution feeder. IEEE Trans. Ind. Appl. 2002, 38, 1123–1130. [Google Scholar] [CrossRef]
- Maza-Ortega, J.M.; Rosendo-Macías, J.A.; Gomez-Exposito, A.; Ceballos-Mannozzi, S.; Barragan-Villarejo, M. Reference current computation for active power filters by running DFT techniques. IEEE Trans. Power Deliv. 2010, 25, 1986–1995. [Google Scholar] [CrossRef]
- Mehrasa, M.; Pouresmaeil, E.; Akorede, M.F.; Jørgensen, B.N.; Catalão, J.P. Multilevel converter control approach of active power filter for harmonics elimination in electric grids. Energy 2015, 84, 722–731. [Google Scholar] [CrossRef]
- Kanjiya, P.; Khadkikar, V.; Zeineldin, H.H. A noniterative optimized algorithm for shunt active power filter under distorted and unbalanced supply voltages. IEEE Trans. Ind. Electron. 2012, 60, 5376–5390. [Google Scholar] [CrossRef]
- Chaoui, A.; Gaubert, J.P.; Krim, F.; Champenois, G. PI controlled three-phase shunt active power filter for power quality improvement. Electr. Power Compon. Syst. 2007, 35, 1331–1344. [Google Scholar] [CrossRef]
- Afonso, J.L.; Couto, C.; Martins, J.S. Active filters with control based on the pq theory. IEEE Ind. Electron. Soc. Newsl. 2000, 47, 5–10. [Google Scholar]
- Ouchen, S.; Gaubert, J.-P.; Steinhart, H.; Betka, A. Energy quality improvement of three-phase shunt active power filter under different voltage conditions based on predictive direct power control with disturbance rejection principle. Math. Comput. Simul. 2019, 158, 506–519. [Google Scholar] [CrossRef]
- Hoon, Y.; Radzi, M.; Amran, M.; Zainuri, M.; Atiqi, M.A.; Zawawi, M.A.M. Shunt Active Power Filter: A Review on Phase Synchronization Control Techniques. Electronics 2019, 8, 791. [Google Scholar] [CrossRef]
- Ali, I.; Sharma, V.; Kumar, P. A comparison of different control techniques for active power filter for harmonic elimination and enhancement of power quality. In Proceedings of the 2017 International Conference on Energy, Communication, Data Analytics and Soft Computing (ICECDS), Chennai, India, 1–2 August 2017; pp. 2565–2570. [Google Scholar]
- Omeiri, A.; Zoubir, C. Hysteresis Control for Shunt Active Power Filter under Unbalanced Three-Phase Load Conditions. J. Electr. Eng. 2015, 2015, 976–984. [Google Scholar]
- Mahaboob, S.; Ajithan, S.; Jayaraman, S. Optimal design of shunt active power filter for power quality enhancement using predator-prey based firefly optimization. Swarm Evol. Comput. 2018, 44. [Google Scholar] [CrossRef]
- Sundaram, E.; Venugopal, M. On design and implementation of three phase three level shunt active power filter for harmonic reduction using synchronous reference frame theory. Int. J. Electr. Power Energy Syst. 2016, 81, 40–47. [Google Scholar] [CrossRef]
- Chaoui, A.; Gaubert, J.-P.; Krim, F. Power quality improvement using DPC controlled three-phase shunt active filter. Electr. Power Syst. Res. 2010, 80, 657–666. [Google Scholar] [CrossRef]
- Sakthivel, A.; Vijayakumar, P.; Senthilkumar, A.; Lakshminarasimman, L.; Paramasivam, S. Experimental investigations on ant colony optimized PI control algorithm for shunt active power filter to improve power quality. Control Eng. Pract. 2015, 42, 153–169. [Google Scholar] [CrossRef]
- Parithimar Kalaignan, T. Power Quality Enhancement by Minimizing Current Harmonics Using Soft Computing Based Shunt Active and Hybrid Filters. Available online: http://hdl.handle.net/10603/141027 (accessed on 15 January 2020).
- Senthilnathan, N.; Manigandan, T. Design and development of three phase shunt active filter with balanced and unbalanced supply. Int. J. Electr. Eng. 2012, 5, 275–291. [Google Scholar]
- Chelli, Z.; Toufouti, R.; Omeiri, A.; Saad, S. Hysteresis control for shunt active power filter under unbalanced three-phase load conditions. J. Electr. Comput. Eng. 2015, 2015, 15. [Google Scholar] [CrossRef]





















| Parameter | Value |
|---|---|
| AC source voltage | 380 VPh-Ph |
| Frequency | 50 Hz |
| Source impedance | RS = 0.1 Ω, LS = 10 mH |
| Filter impedance | RS = 0.0 Ω, LS = 1.0 mH |
| DC-link capacitor | 1000 μF, 400 V |
| KP | 1.2 |
| KI | 20 |
| No. | Load Description | % Source Current THD |
|---|---|---|
| 1 | Balanced system nonlinear load without SAPF | 30.88 |
| 2 | Balanced system nonlinear load with SAPF | 1.18 |
| 3 | Unbalanced system nonlinear load without SAPF | 12.97 |
| 4 | Unbalanced system nonlinear load with SAPF | 1.13 |
| Method | %THD | %Compensation | ||||
|---|---|---|---|---|---|---|
| Before Compensation | After Compensation | |||||
| Balance System | Unbalanced System | Balance System | Unbalanced System | Balanced System | Unbalanced System | |
| Proposed PI | 30.88 | 12.97 | 1.18 | 1.13 | 96.18 | 91.28 |
| PPFO [37] | 11.4427 | 11.90 | 1.91 | 2.06 | 83.31 | 82.69 |
| FO [37] | 11.4427 | 11.90 | 1.93 | 2.18 | 83.13 | 81.68 |
| PSO [37] | 11.4427 | 11.90 | 2.11 | 3.42 | 81.56 | 71.26 |
| HSO [37] | 11.4427 | 11.90 | 2.23 | 2.89 | 80.51 | 75.71 |
| SRF [38] | 29.19 | - | 0.90 | - | 96.92 | - |
| DPC [39] | 27.48 | - | 0.91 | - | 96.69 | - |
| Conv. PI [40] | 28.01 | - | 3.88 | - | 86.15 | - |
| BF PI [40] | 28.01 | - | 3.71 | - | 86.75 | - |
| ACO PI [40] | 28.01 | - | 3.72 | - | 86.72 | - |
| ZN [41] | 31.66 | - | 7.57 | - | 76.09 | - |
| GA [41] | 31.66 | - | 4.56 | - | 85.6 | - |
| PSO [41] | 31.66 | - | 4.55 | - | 85.63 | - |
| SCS [42] | 20.75 | - | 1.27 | - | 93.88 | - |
| Novel P-Q [43] | - | 12.55 | - | 1.89 | - | 84.94 |
© 2020 by the authors. Licensee MDPI, Basel, Switzerland. This article is an open access article distributed under the terms and conditions of the Creative Commons Attribution (CC BY) license (http://creativecommons.org/licenses/by/4.0/).
Share and Cite
Imam, A.A.; Sreerama Kumar, R.; Al-Turki, Y.A. Modeling and Simulation of a PI Controlled Shunt Active Power Filter for Power Quality Enhancement Based on P-Q Theory. Electronics 2020, 9, 637. https://doi.org/10.3390/electronics9040637
Imam AA, Sreerama Kumar R, Al-Turki YA. Modeling and Simulation of a PI Controlled Shunt Active Power Filter for Power Quality Enhancement Based on P-Q Theory. Electronics. 2020; 9(4):637. https://doi.org/10.3390/electronics9040637
Chicago/Turabian StyleImam, Amir A., R. Sreerama Kumar, and Yusuf A. Al-Turki. 2020. "Modeling and Simulation of a PI Controlled Shunt Active Power Filter for Power Quality Enhancement Based on P-Q Theory" Electronics 9, no. 4: 637. https://doi.org/10.3390/electronics9040637
APA StyleImam, A. A., Sreerama Kumar, R., & Al-Turki, Y. A. (2020). Modeling and Simulation of a PI Controlled Shunt Active Power Filter for Power Quality Enhancement Based on P-Q Theory. Electronics, 9(4), 637. https://doi.org/10.3390/electronics9040637

