Design Space Exploration for YOLO Neural Network Accelerator
Abstract
1. Introduction
- (1)
- We analyze the structure of the YOLO v2-tiny, present a data block transmission method to transmit the feature maps efficiently, and apply the output data reuse pattern to reduce the data access to off-chip memory;
- (2)
- We design an accelerator architecture for YOLO v2-tiny that comprises two 14 × 14 PE matrices which work in parallel to achieve a high performance;
- (3)
- We employ the roofline model to explore all of the design space of the accelerator to identify the best performance when employing the limited hardware resources. The experimental results indicate that our architecture is better than others in terms of the metrics of the performance and the power efficiency.
2. YOLO v2-Tiny Neural Network
- (1)
- The size of the external input images is adjusted to 416 × 416, and they are padded with 0 and turned into 418 × 418 as the input feature maps of the CNN;
- (2)
- Then, the probability and the location of the objects in the image are predicted after running YOLO v2-tiny;
- (3)
- Finally, the optimal results are selected by non-maximum suppression [30] in the region layer and marked on the image.
2.1. Convolution Structure
2.2. Batch Normalization
2.3. Activation Function
2.4. Pooling Structure
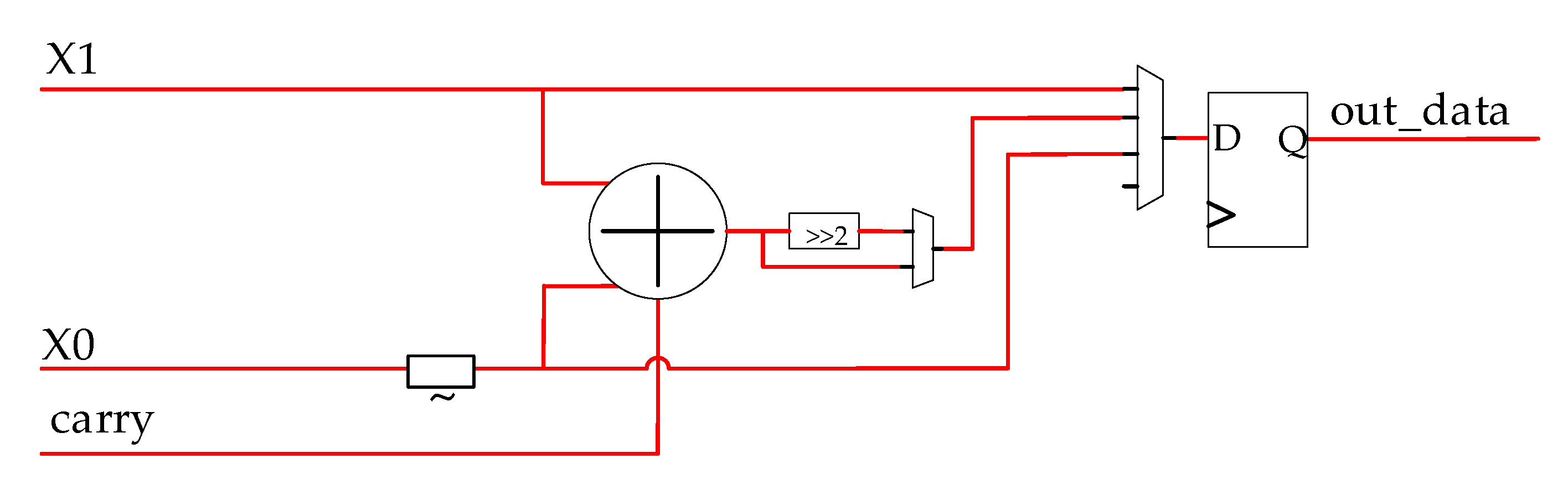
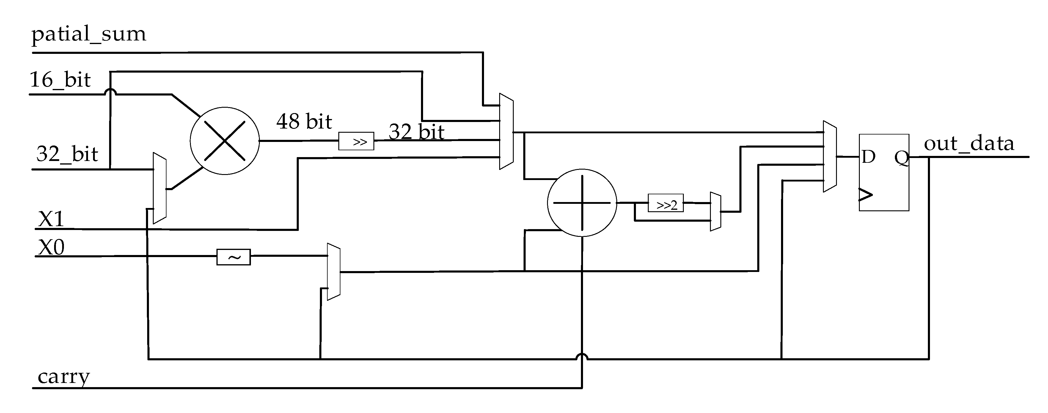
3. Accelerator Architecture
3.1. Data Transmission
3.2. PE Structure
3.3. Computational Model
3.3.1. Convolutional Layer
3.3.2. Activation Function
3.3.3. Pooling Layer
3.4. Design Space Exploration
4. Experiments and Results
4.1. Experimental Setup
4.2. Experimental Results
5. Conclusions
Author Contributions
Funding
Acknowledgments
Conflicts of Interest
References
- LeCun, Y.; Boser, B.; Denker, J.S.; Henderson, D.; Howard, R.E.; Hubbard, W.; Jackel, L.D. Backpropagation Applied to Handwritten Zip Code Recognition. Neural Comput. 1989, 1, 541–551. [Google Scholar] [CrossRef]
- Redmon, J.; Divvala, S.; Girshick, R.; Farhadi, A. You Only Look Once: Unified, Real-Time Object Detection. In Proceedings of the 2016 IEEE Conference on Computer Vision and Pattern Recognition (CVPR), Las Vegas, NV, USA, 27–30 June 2016; pp. 779–788. [Google Scholar]
- Ren, S.; He, K.; Girshick, R.; Sun, J. Faster R-CNN: Towards Real-Time Object Detection with Region Proposal Networks. IEEE Trans. Pattern Anal. Mach. Intell. 2017, 39, 1137–1149. [Google Scholar] [CrossRef] [PubMed]
- Hayat, S.; Kun, S.; Tengtao, Z.; Yu, Y.; Tu, T.; Du, Y. A Deep Learning Framework Using Convolutional Neural Network for Multi-Class Object Recognition. In Proceedings of the 2018 IEEE 3rd International Conference on Image, Vision and Computing (ICIVC), Chongqing, China, 27–29 June 2018; pp. 194–198. [Google Scholar]
- Kim, Y.; Kim, H.; Yadav, N.; Li, S.; Choi, K.K. Low-Power RTL Code Generation for Advanced CNN Algorithms toward Object Detection in Autonomous Vehicles. Electronics 2020, 9, 478. [Google Scholar] [CrossRef]
- Graves, A.; Mohamed, A.; Hinton, G. Speech recognition with deep recurrent neural networks. In Proceedings of the 2013 IEEE International Conference on Acoustics, Speech and Signal Processing, Vancouver, BC, Canada, 26–31 May 2013; pp. 6645–6649. [Google Scholar]
- Abdel-Hamid, O.; Mohamed, A.; Jiang, H.; Deng, L.; Penn, G.; Yu, D. Convolutional Neural Networks for Speech Recognition. IEEE/ACM Trans. Audio Speech Lang. Process. 2014, 22, 1533–1545. [Google Scholar] [CrossRef]
- Schroff, F.; Kalenichenko, D.; Philbin, J. FaceNet: A unified embedding for face recognition and clustering. In Proceedings of the 2015 IEEE Conference on Computer Vision and Pattern Recognition (CVPR), Boston, MA, USA, 7–12 June 2015; pp. 815–823. [Google Scholar]
- Chen, S.; Liu, Y.; Gao, X.; Han, Z. MobileFaceNets: Efficient CNNs for Accurate Real-Time Face Verification on Mobile Devices. In Lecture Notes in Computer Science; Springer: Cham, Switzerland, 2018; pp. 428–438. [Google Scholar]
- He, K.; Zhang, X.; Ren, S.; Sun, J. Deep Residual Learning for Image Recognition. In Proceedings of the 2016 IEEE Conference on Computer Vision and Pattern Recognition (CVPR), Las Vegas, NV, USA, 27–30 June 2016; pp. 770–778. [Google Scholar]
- Wang, S.; Niu, L.; Li, N. Research on Image Recognition of Insulators Based on YOLO Algorithm. In Proceedings of the 2018 International Conference on Power System Technology (POWERCON), Guangzhou, China, 6–8 November 2018; pp. 3871–3874. [Google Scholar]
- Li, X.; Ding, L.; Wang, L.; Cao, F. FPGA accelerates deep residual learning for image recognition. In Proceedings of the 2017 IEEE 2nd Information Technology, Networking, Electronic and Automation Control Conference (ITNEC), Chengdu, China, 15–17 December 2017; pp. 837–840. [Google Scholar]
- Xie, S.; Girshick, R.; Dollar, P.; Tu, Z.; He, K. Aggregated Residual Transformations for Deep Neural Networks. In Proceedings of the 2017 IEEE Conference on Computer Vision and Pattern Recognition (CVPR), Honolulu, HI, USA, 21–26 July 2017; pp. 5987–5995. [Google Scholar]
- He, T.; Zhang, Z.; Zhang, H.; Zhang, Z.; Xie, J.; Li, M. Bag of Tricks for Image Classification with Convolutional Neural Networks. In Proceedings of the 2019 IEEE/CVF Conference on Computer Vision and Pattern Recognition (CVPR), Long Beach, CA, USA, 16–21 June 2019; pp. 558–567. [Google Scholar]
- Han, S.; Jang, K.; Park, K.; Moon, S. PacketShader: A GPU-accelerated software router. ACM SIGCOMM Comput. Commun. Rev. 2011, 41, 195–206. [Google Scholar]
- Neeru, S.; Supriya, P.P. Enhancing the Proficiency of Artificial Neural Network on Prediction with GPU. In Proceedings of the 2019 International Conference on Machine Learning, Big Data, Cloud and Parallel Computing (COMITCon), Faridabad, India, 14–16 February 2019; pp. 67–71. [Google Scholar]
- Ian, S.; Amirhossein, A. Parallel GPU-Accelerated Spike Sorting. In Proceedings of the 2019 IEEE Canadian Conference of Electrical and Computer Engineering (CCECE), Edmonton, AB, Canada, 5–8 May 2019; pp. 1–7. [Google Scholar]
- Jouppi, P.; Young, C.; Patil, N.; Patterson, D.; Agrawal, G.; Bajwa, R.; Bates, S.; Bhatia, S.; Boden, N.; Borchers, A.T.; et al. In-datacenter performance analysis of a tensor processing unit. In Proceedings of the 44th Annual International Symposium on Computer Architecture, Toronto, ON, Canada, 24–28 June 2017; pp. 1–12. [Google Scholar]
- Chen, Y.; Luo, T.; Liu, S.; Zhang, S.; He, L.; Wang, J.; Li, L.; Chen, T.; Xu, Z.; Sun, N.; et al. DaDianNao: A Machine-Learning Supercomputer. In Proceedings of the 2014 47th Annual IEEE/ACM International Symposium on Microarchitecture, Cambridge, UK, 13 December 2014; pp. 609–622. [Google Scholar]
- Zhang, C.; Li, P.; Sun, G.; Sun, G.; Guan, Y.; Xiao, B.; Cong, J. Optimizing FPGA-based Accelerator Design for Deep Convolutional Neural Networks. In Proceedings of the ACM/SIGDA International Symposium on Field-Programmable Gate Arrays, Seaside, CA, USA, 22–24 February 2015; pp. 161–170. [Google Scholar]
- Ma, J.; Chen, L.; Gao, Z. Hardware Implementation and Optimization of Tiny-YOLO Network. In International Forum on Digital TV and Wireless Multimedia Communications; Springer: Singapore, 2017; pp. 224–234. [Google Scholar]
- Chenini, H. An embedded FPGA architecture for efficient visual saliency based object recognition implementation. In Proceedings of the 2017 6th International Conference on Systems and Control (ICSC), Batna, Algeria, 7–9 May 2017; pp. 187–192. [Google Scholar]
- Qiu, J.; Wang, J.; Yao, S.; Guo, K.; Li, B.; Zhou, E.; Yu, J.; Tang, T.; Xu, N.; Song, S.; et al. Going Deeper with Embedded FPGA Platform for Convolutional Neural Network. In Proceedings of the 2016 ACM/SIGDA International Symposium on Field-Programmable Gate Arrays (FPGA ’16), Monterey, CA, USA, 21 February 2016; pp. 26–35. [Google Scholar]
- Wang, D.; An, J.; Xu, K. PipeCNN: An OpenCL-Based FPGA Accelerator for Large-Scale Convolution Neural Networks. arXiv 2016, arXiv:1611.02450. [Google Scholar]
- Ding, R.; Su, G.; Bai, G.; Xu, W.; Su, N.; Wu, X. A FPGA-based Accelerator of Convolutional Neural Network for Face Feature Extraction. In Proceedings of the 2019 IEEE International Conference on Electron Devices and Solid-State Circuits (EDSSC), Xi’an, China, 12–14 June 2019; pp. 1–3. [Google Scholar]
- Lo, C.Y.; Lau, F.C.M.; Sham, C. Fixed-Point Implementation of Convolutional Neural Networks for Image Classification. In Proceedings of the 2018 International Conference on Advanced Technologies for Communications (ATC), Ho Chi Minh City, Vietnam, 18–20 October 2018; pp. 105–109. [Google Scholar]
- Farabet, C.; Martini, B.; Akselrod, P.; Talay, S.; LeCun, Y.; Culurciello, E. Hardware accelerated convolutional neural networks for synthetic vision systems. In Proceedings of the 2010 IEEE International Symposium on Circuits and Systems, Paris, France, 30 May–2 June 2010; pp. 257–260. [Google Scholar]
- Peemen, M.; Setio, A.A.A.; Mesman, B.; Corporaal, H. Memory-centric accelerator design for Convolutional Neural Networks. In Proceedings of the 2013 IEEE 31st International Conference on Computer Design (ICCD), Asheville, NC, USA, 6–9 October 2013; pp. 13–19. [Google Scholar]
- Redmon, J.; Farhadi, A. YOLO9000: Better, Faster, Stronger. In Proceedings of the 2017 IEEE Conference on Computer Vision and Pattern Recognition (CVPR), Honolulu, HI, USA, 21–26 July 2017; pp. 6517–6525. [Google Scholar]
- Deselaers, T.; Alexe, B.; Ferrari, V. Weakly Supervised Localization and Learning with Generic Knowledge. Int. J. Comput. Vis. 2012, 100, 275–293. [Google Scholar] [CrossRef]
- Cong, J.; Xiao, B. Minimizing computation in convolutional neural networks. In Proceedings of the International Conference on Artificial Neural Networks, Hamburg, Germany, 15–19 September 2014; pp. 281–290. [Google Scholar]
- Ioffe, S.; Szegedy, C. Batch normalization: Accelerating deep network training by reducing internal covariate shift. In Proceedings of the International Conference on International Conference on Machine Learning, Lille, France, 7–9 July 2015; pp. 448–456. [Google Scholar]
- Han, J.; Morag, C. The influence of the sigmoid function parameters on the speed of backpropagation learning. In From Natural to Artificial Neural Computation; Springer: Berlin/Heidelberg, Germany, 1995; pp. 195–201. [Google Scholar]
- Nair, V.; Hinton, G. Rectified Linear Units Improve Restricted Boltzmann Machines Vinod Nair. In Proceedings of the ICML, Haifa, Israel, 21–24 June 2010; Volume 27, pp. 807–814. [Google Scholar]
- Zhang, X.; Zou, Y.; Shi, W. Dilated convolution neural network with LeakyReLU for environmental sound classification. In Proceedings of the 2017 22nd International Conference on Digital Signal Processing (DSP), London, UK, 23–25 August 2017; pp. 1–5. [Google Scholar]
- Hu, X.; Zeng, Y.; Li, Z.; Zheng, X.; Cai, S.; Xiong, X. A Resources-Efficient Configurable Accelerator for Deep Convolutional Neural Networks. IEEE Access 2019, 7, 72113–72124. [Google Scholar] [CrossRef]
- Williams, S.; Waterman, A.; Patterson, D. Roofline: An insightful visual performance model for multicore architectures. Commun. ACM 2009, 52, 65–76. [Google Scholar] [CrossRef]
- Tu, F.; Yin, S.; Ouyang, P.; Tang, S.; Liu, L.; Wei, S. Deep convolutional neural network architecture with reconfigurable computation patterns. IEEE Trans. Very Large Scale Integr. (VLSI) Syst. 2017, 25, 2220–2233. [Google Scholar] [CrossRef]
- Suda, N.; Chandra, V.; Dasika, G.; Mohanty, A.; Ma, Y.F.; Vrudhula, S.; Seo, J.S.; Cao, Y. Throughput-Optimized OpenCL-based FPGA accelerator for large-scale convolutional neural networks. In Proceedings of the 2016 ACM/SIGDA International Symposium on Field-Programmable Gate Arrays (FPGA’16), Monterey, CA, USA, 21–23 February 2016. [Google Scholar]
- Wai, Y.J.; bin Mohd Yussof, Z.; bin Salim, S.I.; Chuan, L.K. Fixed Point Implementation of Tiny-Yolo-v2 using OpenCL on FPGA. Int. J. Adv. Comput. Sci. Appl. 2018, 9, 506–512. [Google Scholar]










| Layer | Type | Kernel Size (k), Stride (S) | Input Size (H × L), Input Channels (N) | Output Size (R × C), Output Channels (M) |
|---|---|---|---|---|
| 1 | Conv | 3 × 3, 1 | 418 × 418, 3 | 416 × 416, 16 |
| 2 | Max Pool | 2 ×2, 2 | 416 × 416, 16 | 208 × 208, 16 |
| 3 | Conv | 3 × 3, 1 | 210 × 210, 16 | 208 × 208, 32 |
| 4 | Max Pool | 2 × 2, 2 | 208 × 208, 32 | 104 × 104, 32 |
| 5 | Conv | 3 × 3, 1 | 106 × 106, 32 | 104 × 104, 64 |
| 6 | Max Pool | 2 × 2, 2 | 104 × 104, 64 | 52 × 52, 64 |
| 7 | Conv | 3 × 3, 1 | 54 × 54, 64 | 52 × 52, 128 |
| 8 | Max Pool | 2 × 2, 2 | 52 × 52, 128 | 26 × 26, 128 |
| 9 | Conv | 3 × 3, 1 | 28 × 28, 128 | 26 × 26, 256 |
| 10 | Max Pool | 2 × 2, 2 | 26 × 26, 256 | 13 × 13, 256 |
| 11 | Conv | 3 × 3, 1 | 15 × 15, 256 | 13 × 13, 512 |
| 12 | Max Pool | 2 × 2, 1 | 13 × 13, 512 | 13 × 13, 512 |
| 13 | Conv | 3 × 3, 1 | 15 × 15, 512 | 13 × 13, 1024 |
| 14 | Conv | 3 × 3, 1 | 15 × 15, 1024 | 13 × 13, 512 |
| 15 | Conv | 1 × 1, 1 | 13 × 13, 512 | 13 × 13, 425 |
| Resource | Available | Used | Utilization (%) |
|---|---|---|---|
| LUT | 218,600 | 182,086 | 83.29 |
| FF | 437,200 | 132,869 | 30.39 |
| BRAM | 545 | 301 | 55.23 |
| DSP | 900 | 784 | 87.11 |
| Layer | Type | Time (ms) | Performance (GOPS) | |
|---|---|---|---|---|
| 1 | Conv + Max Pool | 3.48 | 149.52 | 42.97 |
| 2 | Conv + Max Pool | 8.25 | 398.72 | 48.33 |
| 3 | Conv + Max Pool | 9.39 | 398.72 | 42.46 |
| 4 | Conv + Max Pool | 9.39 | 398.72 | 42.46 |
| 5 | Conv + Max Pool | 9.39 | 398.72 | 42.46 |
| 6 | Conv + Max Pool | 14.87 | 398.72 | 26.81 |
| 7 | Conv7 | 31.33 | 1594.88 | 50.91 |
| 8 | Conv8 | 31.33 | 1594.88 | 50.91 |
| 9 | Conv9 | 11.31 | 73.55 | 6.50 |
| Total | - | 128.74 | 5406.43 | 353.81 |
| Architecture | [20] | [39] | [24] | [40] | This Work |
|---|---|---|---|---|---|
| Precision | 32-bit float | 8–16-bit fixed | 32-bit float | 16-bit fixed | 16–32-bit fixed |
| Networks | ImageNet | VGG-16 | PipeCNN | Yolo v2-tiny | Yolo v2-tiny |
| Frequency | 100 MHz | 120 MHz | 181 MHz | 117 MHz | 100 MHz |
| Platform | Virtex7 VX485T | Stratix-V GXA7 | Stratix-V GXA7 | Cyclone V PCIe | Xilinx ZC706 |
| Perf. (GOPS) | 61.62 | 30.9 | 33.9 | 21.60 | 41.99 |
| DSPs | 2240 | 246 | 162 | 122 | 784 |
| Power(W) | 18.61 | 25.8 | 27.3 | - | 7.50 |
| Power efficiency (GOPS/W) | 3.31 | 1.20 | 1.24 | - | 5.6 |
| Configurability | low | low | low | low | high |
Publisher’s Note: MDPI stays neutral with regard to jurisdictional claims in published maps and institutional affiliations. |
© 2020 by the authors. Licensee MDPI, Basel, Switzerland. This article is an open access article distributed under the terms and conditions of the Creative Commons Attribution (CC BY) license (http://creativecommons.org/licenses/by/4.0/).
Share and Cite
Huang, H.; Liu, Z.; Chen, T.; Hu, X.; Zhang, Q.; Xiong, X. Design Space Exploration for YOLO Neural Network Accelerator. Electronics 2020, 9, 1921. https://doi.org/10.3390/electronics9111921
Huang H, Liu Z, Chen T, Hu X, Zhang Q, Xiong X. Design Space Exploration for YOLO Neural Network Accelerator. Electronics. 2020; 9(11):1921. https://doi.org/10.3390/electronics9111921
Chicago/Turabian StyleHuang, Hongmin, Zihao Liu, Taosheng Chen, Xianghong Hu, Qiming Zhang, and Xiaoming Xiong. 2020. "Design Space Exploration for YOLO Neural Network Accelerator" Electronics 9, no. 11: 1921. https://doi.org/10.3390/electronics9111921
APA StyleHuang, H., Liu, Z., Chen, T., Hu, X., Zhang, Q., & Xiong, X. (2020). Design Space Exploration for YOLO Neural Network Accelerator. Electronics, 9(11), 1921. https://doi.org/10.3390/electronics9111921

