Passive Current Control Design for MMC in HVDC Systems through Energy Reshaping
Abstract
1. Introduction
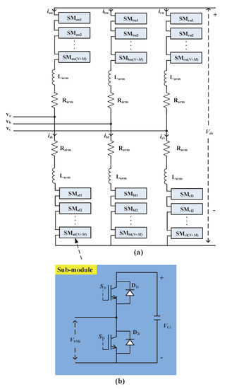
2. State Functional Model of the MMC
3. PC Design for the MMC
3.1. Passive Control with Energy-Reshaping
3.2. Proposed Passive Current Control in MMC
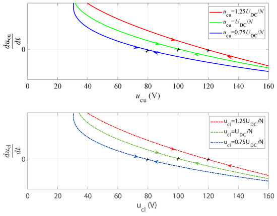
3.3. Internal Dynamics Stability
4. Case Studies
5. Conclusions
Author Contributions
Funding
Conflicts of Interest
References
- Martinez-Rodrigo, F.; Ramirez, D.; Rey-Boue, A.B.; De Pablo, S.; Herrero-de Lucas, L.C. Modular Multilevel Converters: Control and Applications. Energies 2017, 10, 1709. [Google Scholar] [CrossRef]
- Debnath, S.; Qin, J.; Bahrani, B.; Saeedifard, M.; Barbosa, P. Operation, control, and applications of the modular multilevel converter: A review. IEEE Trans. Power Electron. 2015, 30, 37–53. [Google Scholar] [CrossRef]
- Liao, S.W.; Yao, W.; Han, X.N.; Wen, J.Y.; Cheng, S.J. Chronological operation simulation framework for regional power system under high penetration of renewable energy using meteorological data. Appl. Energy 2017, 203, 816–828. [Google Scholar] [CrossRef]
- Chen, J.; Yao, W.; Zhang, C.K.; Ren, Y.; Jiang, L. Design of robust MPPT controller for grid-connected PMSG-Based wind turbine via perturbation observation based nonlinear adaptive control. Renew. Energy 2019, 134, 478–495. [Google Scholar] [CrossRef]
- Liu, J.; Yao, W.; Wen, J.Y.; Fang, J.K.; Jiang, L.; He, H.B.; Cheng, S.J. Impact of power grid strength and PLL parameters on stability of grid-connected DFIG wind farm. IEEE Trans. Sustain. Energy 2019. [Google Scholar] [CrossRef]
- Liu, J.; Wen, J.Y.; Yao, W.; Long, Y. Solution to short-term frequency response of wind farms by using energy storage systems. IET Renew. Power Gen. 2016, 10, 669–678. [Google Scholar] [CrossRef]
- Yang, S.; Wang, P.; Tang, Y. Feedback linearization-based current control strategy for modular multilevel converters. IEEE Trans. Power Electron. 2018, 33, 161–174. [Google Scholar] [CrossRef]
- Faisal, R.; Badal, P.D.; Subrata, K.; Sarker Sajal, K.D. A survey on control issues in renewable energy integration and microgrid. Prot. Control Mod. Power Syst. 2019, 4, 87–113. [Google Scholar]
- Tao, F.; Xie, Z.; Cheng, J.; Li, C.; Zhao, L.; Wen, J.Y. Fast valve power loss evaluation method for modular multi-level converter operating at high-frequency. Prot. Control Mod. Power Syst. 2016, 1, 21–32. [Google Scholar] [CrossRef]
- Rahman, H.; Xu, L.; Yao, L. Protection of large partitioned MTDC Networks Using DC-DC converters and circuit breakers. Prot. Control Mod. Power Syst. 2016, 1, 16–30. [Google Scholar] [CrossRef]
- Yang, B.; Yu, T.; Shu, H.C.; Dong, J.; Jiang, L. Robust sliding-mode control of wind energy conversion systems for optimal power extraction via nonlinear perturbation observers. Appl. Energy 2018, 210, 711–723. [Google Scholar] [CrossRef]
- Yang, B.; Jiang, L.; Wang, L.; Yao, W.; Wu, Q.H. Nonlinear maximum power point tracking control and modal analysis of DFIG based wind turbine. Int. J. Electr. Power Energy Syst. 2016, 74, 429–436. [Google Scholar] [CrossRef]
- Yang, B.; Zhang, X.S.; Yu, T.; Shu, H.C.; Fang, Z.H. Grouped grey wolf optimizer for maximum power point tracking of doubly-fed induction generator based wind turbine. Energy Convers. Manag. 2017, 133, 427–443. [Google Scholar] [CrossRef]
- Qin, J.; Saeedifard, M. Predictive control of a modular multilevel converter for a back-to-back HVDC system. IEEE Trans. Power Del. 2012, 2012 27, 1538–1547. [Google Scholar]
- Vatani, M.; Bahrani, B.; Saeedifard, M.; Hovd, M. Indirect finite control set model predictive control of modular multilevel converters. IEEE Trans. Smart Grid 2015, 6, 1520–1529. [Google Scholar] [CrossRef]
- Riar, B.S.; Geyer, T.; Madawala, U.K. Model predictive direct current control of modular multilevel converters: Modeling, analysis, and experimental evaluation. IEEE Trans. Power Electron. 2015, 30, 431–439. [Google Scholar] [CrossRef]
- Ortega, R.; Loria, A.; Nicklasson, P.J.; Sira-Ramirez, H. Passivity Based Control of Euler-Lagrange Systems; Springer: London, UK, 1998. [Google Scholar]
- Yang, B.; Yu, T.; Shu, H.C.; Zhang, Y.M.; Chen, J.; Sang, Y.Y.; Jiang, L. Passivity-based sliding-mode control design for optimal power extraction of a PMSG based variable speed wind turbine. Renew. Energy 2018, 119, 577–589. [Google Scholar] [CrossRef]
- Barnklau, H.; Gensior, A.; Rudolph, J. A model-based control scheme for modular multilevel converters. IEEE Trans. Ind. Electron. 2013, 60, 5359–5375. [Google Scholar] [CrossRef]
- Ortega, R.; Espinosa, G. Torque regulation of induction motors. Automatica 1993, 29, 621–633. [Google Scholar] [CrossRef]
- Sira-Ramirez, H.; Perez-Moreno, R.A.; Ortega, R.; Garcia-Esteban, M. Passivity-based controllers for the stabilization of DC-to-DC power converters. Automatica 1997, 33, 499–513. [Google Scholar] [CrossRef]
- Stankovic, A.M.; Perreault, D.J.; Sato, K. Synthesis of dissipative nonlinear controllers for series resonant DC/DC converters. IEEE Trans. Power Electron. 1999, 14, 673–682. [Google Scholar] [CrossRef]
- Saad, H.; Guillaud, X.; Mahseredjian, J.; Dennetiere, S.; Nguefeu, S. MMC capacitor voltage decoupling and balancing controls. IEEE Trans. Power Del. 2015, 30, 704–712. [Google Scholar]
- Ortega, R.; Schaft, A.; Mareels, I.; Maschke, B. Putting energy back in control. IEEE Control Syst. 2001, 21, 18–33. [Google Scholar]
- Ortega, R.; Schaf, A.; Castanos, F.; Astolfi, A. Control by interconnection and standard passivity-based control of port-Hamiltonian systems. Trans. Autom. Contr. 2008, 53, 2527–2542. [Google Scholar]
- He, L.; Zhang, K.; Xiong, J.; Fan, S. A repetitive control scheme for harmonic suppression of circulating current in modular multilevel converters. IEEE Trans. Power Electron. 2015, 30, 471–481. [Google Scholar] [CrossRef]
- Liu, Y.; Huang, A.Q.; Song, W.; Bhattacharya, S.; Tan, G. Small-signal model-based control strategy for balancing individual DC capacitor voltages in cascade multilevel inverter-based STATCOM. IEEE Trans. Ind. Electron. 2009, 56, 2259–2269. [Google Scholar] [CrossRef]














| Parameters | Symbols | Values |
|---|---|---|
| Rated AC-bus frequency | f | 50 Hz |
| DC-bus voltage | 110 V | |
| DC-bus capacitance | 4 mF | |
| Output inductance | 0.7 mH | |
| Number of sub-module (SM) in each arm | N | 3 |
| Arm inductance | 5 mH | |
| Arm resistance | 0.03 | |
| SM capacitance | 900 µF |
| Control Method | Variable | |||
|---|---|---|---|---|
| Conventional control | ||||
| FLC in [7] | ||||
| Proposed PC | ||||
| Control Method | Variable | |||
|---|---|---|---|---|
| Conventional control | ||||
| FLC in [7] | ||||
| Proposed PC | ||||
© 2019 by the authors. Licensee MDPI, Basel, Switzerland. This article is an open access article distributed under the terms and conditions of the Creative Commons Attribution (CC BY) license (http://creativecommons.org/licenses/by/4.0/).
Share and Cite
Sang, Y.; Yang, B.; Shu, H.; An, N.; Zeng, F.; Yu, T. Passive Current Control Design for MMC in HVDC Systems through Energy Reshaping. Electronics 2019, 8, 967. https://doi.org/10.3390/electronics8090967
Sang Y, Yang B, Shu H, An N, Zeng F, Yu T. Passive Current Control Design for MMC in HVDC Systems through Energy Reshaping. Electronics. 2019; 8(9):967. https://doi.org/10.3390/electronics8090967
Chicago/Turabian StyleSang, Yiyan, Bo Yang, Hongchun Shu, Na An, Fang Zeng, and Tao Yu. 2019. "Passive Current Control Design for MMC in HVDC Systems through Energy Reshaping" Electronics 8, no. 9: 967. https://doi.org/10.3390/electronics8090967
APA StyleSang, Y., Yang, B., Shu, H., An, N., Zeng, F., & Yu, T. (2019). Passive Current Control Design for MMC in HVDC Systems through Energy Reshaping. Electronics, 8(9), 967. https://doi.org/10.3390/electronics8090967

