A Novel High-Efficiency Double-Input Bidirectional DC/DC Converter for Battery Cell-Voltage Equalizer with Flyback Transformer
Abstract
:1. Introduction
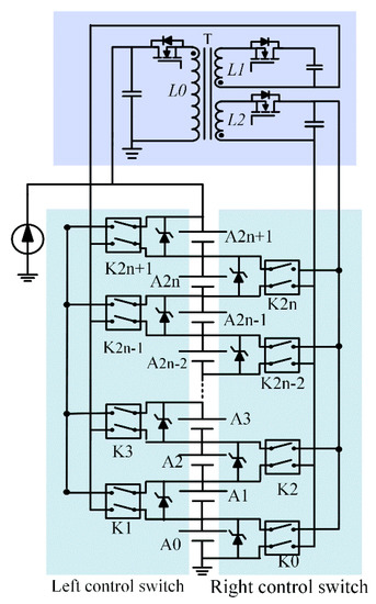
2. Proposed Equalization Topology
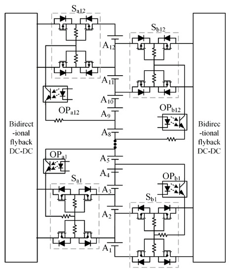
2.1. Proposed Equalizer
2.2. Equilibrium Process Analysis
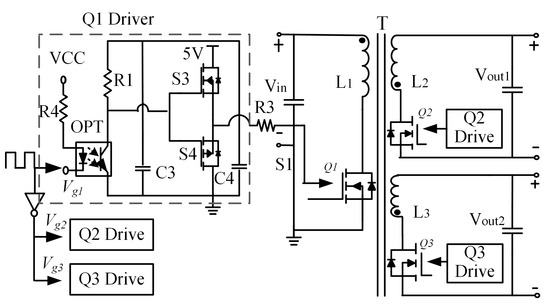
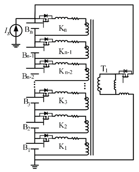
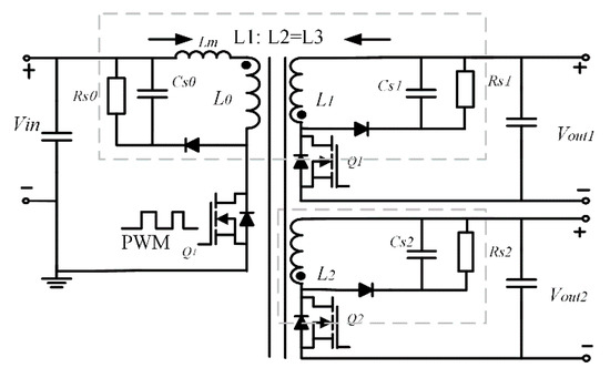
2.3. Design Consideration of the Main Circuit
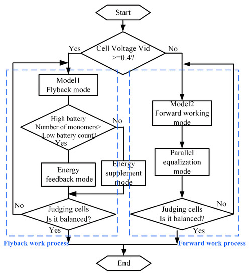
2.4. Equalization Strategy
3. Experimental Results
3.1. Voltage Equalization System
3.2. Main Circuit Design
3.3. Experimental Verification
4. Discussion
5. Conclusions
Author Contributions
Funding
Acknowledgments
Conflicts of Interest
References
- Preindl, M.A. Battery Balancing Auxiliary Power Module with Predictive Control for Electrified Transportation. IEEE Trans. Ind. Electron. 2018, 65, 6552–6559. [Google Scholar] [CrossRef]
- Kouchachvili, L.; Yaïci, W.; Entchev, E. Hybrid battery/supercapacitor energy storage system for the electric vehicles. J. Power Sources 2018, 374, 237–248. [Google Scholar] [CrossRef]
- Cao, X.; Zhong, Q.C.; Qiao, Y.C.; Deng, Z.Q. Multi-layer Modular Balancing Strategy for Individual Cells in a Battery Pack. IEEE Trans. Energy Convers. 2018, 33, 526–536. [Google Scholar] [CrossRef]
- Gallardo-Lozano, J.; Romero-Cadaval, E.; Milanes-Montero, M.I.; Guerrero-Martinez, M.A. Battery equalization active methods. J. Power Sources 2014, 246, 934–949. [Google Scholar] [CrossRef]
- Lee, K.M.; Lee, S.W.; Choi, Y.G.; Kang, B. Active Balancing of Li-Ion Battery Cells Using Transformer as Energy Carrier. IEEE Trans. Ind. Electron. 2017, 64, 1251–1257. [Google Scholar] [CrossRef]
- Lee, K.M.; Chung, Y.C.; Sung, C.H.; Kang, B. Active Cell Balancing of Li-Ion Batteries using LC Series Resonant Circuit. IEEE Trans. Ind. Electron. 2015, 62, 5491–5501. [Google Scholar] [CrossRef]
- Kutkut, N.H.; Divan, D.M. Dynamic equalization techniques for series battery stacks. In Proceedings of the Intelec’96—International Telecommunications Energy Conference, Boston, MA, USA, 6–10 October 1996; pp. 514–521. [Google Scholar]
- Lindemark, B. Individual cell voltage equalizers (ICE) for reliable battery performance. In Proceedings of the Thirteenth International Telecommunications Energy Conference—INTELEC 91, Kyoto, Japan, 5–8 November 1991; pp. 196–201. [Google Scholar]
- Park, S.-H.; Kim, T.-S.; Park, J.-S.; Moon, G.-W.; Youn, M.-J. A new battery equalizer based on buck-boost topology. In Proceedings of the 7th International Conference on Power Electronics, Daegu, Korea, 22–26 October 2007; pp. 962–965. [Google Scholar]
- Elserougi, A.; Massoud, A.; Ahmed, S. A Unipolar/Bipolar High-Voltage Pulse Generator Based on Positive and Negative Buck-Boost DC-DC Converters Operating in Discontinuous Conduction Mode. IEEE Trans. Ind. Electron. 2017, 64, 5368–5379. [Google Scholar] [CrossRef]
- Li, S.; Mi, C.C.; Zhang, M. A High-Efficiency Active Battery-Balancing Circuit Using Multiwinding Transformer. IEEE Trans. Ind. Appl. 2013, 49, 198–207. [Google Scholar] [CrossRef]
- Shang, Y.; Zhang, C.; Cui, N.; Guerrero, J.M. A Cell-to-Cell Battery Equalizer with Zero-Current Switching and Zero-Voltage Gap Based on Quasi-Resonant LC Converter and Boost Converter. IEEE Trans. Power Electron. 2015, 30, 3731–3747. [Google Scholar] [CrossRef]
- Li, Y.; Han, Y. A Module-Integrated Distributed Battery Energy Storage and Management System. IEEE Trans. Power Electron. 2016, 31, 8260–8270. [Google Scholar] [CrossRef]
- Xiong, H.; Fu, Y.; Dong, K. A novel point to point energy transmission voltage equalizer for Series-Connected Supercapacitors. IEEE Trans. Veh. Technol. 2016, 65, 4669–4675. [Google Scholar] [CrossRef]
- Karnjanapiboon, C.; Jirasereeamornkul, K.; Monyakul, V. High efficiency battery management system for serially connected battery string. In Proceedings of the IEEE International Symposium on Industrial Electronics, Seoul, Korea, 5–8 July 2009; pp. 1504–1509. [Google Scholar]
- Kutkut, N.H.; Wiegman, H.L.N.; Divan, D.M.; Novotny, D.W. Design considerations for charge equalization of an electric vehicle battery system. IEEE Trans. Ind. Appl. 1999, 35, 28–35. [Google Scholar] [CrossRef]
- Imtiaz, A.M.; Khan, F.H.; Kamath, H. A Low-Cost Time Shared Cell Balancing Technique for Future Lithium-Ion Battery Storage System Featuring Regenerative Energy Distribution. In Proceedings of the Twenty-Sixth Annual IEEE Applied Power Electronics Conference and Exposition (APEC), Fort Worth, TX, USA, 6–11 March 2011; pp. 792–799. [Google Scholar]
- Lim, C.S.; Lee, K.J.; Ku, N.J.; Hyun, D.S.; Kim, R.Y. A Modularized Equalization Method Based on Magnetizing Energy for a Series-Connected Lithium-Ion Battery String. IEEE Trans. Power Electron. 2014, 29, 1791–1799. [Google Scholar] [CrossRef]
















| Parameter | Value | ||
|---|---|---|---|
| Primary DC–DC Converter | Mosfect Switch | IPB200N | |
| Rectifier Diode | IN5822 | ||
| Transfor-mer | Core | EP20 | |
| N1:N2:N3 | 33:3:3 | ||
| Lm | 367 uH | ||
| Primary RCD | R | 38 kΩ | |
| C | 21 nF | ||
| Secondary DC–DC converter | Mosfect Switch | AUIRF3504 | |
| Rectifier diode | SR560 | ||
| Secondary RCD | R | 803 Ω | |
| C | 1 uF | ||
| Selection Switich | P-MOS | AOD409 | |
| N-MOS | AUIRF3504 | ||
| Optocupler | PC817 | ||
| Balanced Mode | Energy Dissipation Type | Non-Energy Dissipation Type | ||||||||
|---|---|---|---|---|---|---|---|---|---|---|
| Cell to Cell | Pack to Vell | Cell to Pack | Cell to Pack to Cell | |||||||
| Type | Fixed Resistor [7] | Shut Resister [8] | Single Layer [9] | Buck-Boost [12] | Multi-Stage Winding [14] Trans-Former | Single Winding [15] Trans-Former | Many-to-One [16] | Two Way [17] | Inter Group [18] | #New Proposed Topology |
| Inductance | 0 | 0 | 1 | N | 0 | 0 | N | 0 | 2n + 4 | 0 |
| Capacitance | 0 | 0 | 1 | 2N | 1 | 1 | 0 | 0 | 0 | 3 |
| Transformer | 0 | 0 | 0 | 0 | 2 | 1 | N | 2 | 2 | 1 |
| Switch | 0 | N | 2N + 4 | N | 4 | 2N | N | 2N | N | 2N |
| Diode | 0 | 0 | 0 | 0 | N + 1 | 1 | N | 1 | 0 | 0 |
| Volume | E | E | E | E | P | G | P | P | P | G |
| Control method | E | E | P | S | P | P | E | G | G | E |
| speed | P | G | G | G | G | G | E | G | G | E |
| cost | E | E | E | E | P | P | P | P | P | G |
© 2019 by the authors. Licensee MDPI, Basel, Switzerland. This article is an open access article distributed under the terms and conditions of the Creative Commons Attribution (CC BY) license (http://creativecommons.org/licenses/by/4.0/).
Share and Cite
Shi, F.; Song, D. A Novel High-Efficiency Double-Input Bidirectional DC/DC Converter for Battery Cell-Voltage Equalizer with Flyback Transformer. Electronics 2019, 8, 1426. https://doi.org/10.3390/electronics8121426
Shi F, Song D. A Novel High-Efficiency Double-Input Bidirectional DC/DC Converter for Battery Cell-Voltage Equalizer with Flyback Transformer. Electronics. 2019; 8(12):1426. https://doi.org/10.3390/electronics8121426
Chicago/Turabian StyleShi, Fengdong, and Dawei Song. 2019. "A Novel High-Efficiency Double-Input Bidirectional DC/DC Converter for Battery Cell-Voltage Equalizer with Flyback Transformer" Electronics 8, no. 12: 1426. https://doi.org/10.3390/electronics8121426
APA StyleShi, F., & Song, D. (2019). A Novel High-Efficiency Double-Input Bidirectional DC/DC Converter for Battery Cell-Voltage Equalizer with Flyback Transformer. Electronics, 8(12), 1426. https://doi.org/10.3390/electronics8121426
