Next Article in Journal
Research on the Control Algorithm of Coaxial Rotor Aircraft based on Sliding Mode and PID
Next Article in Special Issue
Improvement of Stability in a PCM-Controlled Boost Converter with the Target Period Orbit-Tracking Method
Previous Article in Journal
A Novel High-Efficiency Double-Input Bidirectional DC/DC Converter for Battery Cell-Voltage Equalizer with Flyback Transformer
Previous Article in Special Issue
Robust Two-Layer Model Predictive Control for Full-Bridge NPC Inverter-Based Class-D Voltage Mode Amplifier
 
 
Font Type:
Arial Georgia Verdana
Font Size:
Aa Aa Aa
Line Spacing:
Column Width:
Background:
Article

Direct Power-Based Three-Phase Matrix Rectifier Control with Input Power Factor Adjustment

School of Electrical and Electronic Engineering, Chung-ang University, Seoul 06974, Korea
*
Author to whom correspondence should be addressed.
Electronics 2019, 8(12), 1427; https://doi.org/10.3390/electronics8121427
Submission received: 22 October 2019 / Revised: 26 November 2019 / Accepted: 27 November 2019 / Published: 29 November 2019
(This article belongs to the Special Issue Power Converters in Power Electronics)

Abstract

:
In a current source rectifier such as a matrix rectifier, input voltage and current cannot be in phase unless an additional input power factor control technique is implemented. This paper proposes such a technique for a matrix rectifier using power-based space vector modulation (SVM). In the proposed method, the modulation index and phase required in order to apply the SVM are calculated based on the active and reactive power of the rectifier for intuitive power factor control. The active power that the rectifier should generate for the regulation of the output inductor current is obtained by the PI (proportional-integral) controller. The reactive power, which is supplied by the rectifier for adjustment of the power factor, is assigned differently depending on the output condition: for the output condition capable of unity power factor, it is set to a negative value of reactive power of the input capacitor, and when the unity power factor is not achievable, it is set with the maximum reactive power the rectifier can generate under the given condition to attain the maximum possible input power factor. It is determined whether the given condition is the light load condition by comparing the absolute value of the reactive power supplied by the input capacitor with the maximum rectifier reactive power that can be produced under the given condition. The SVM based on the active and reactive power of the rectifier in this technique allows the input power factor control to be intuitive and simple. The performance and feasibility of the technique were proved by simulation and experimentation.

1. Introduction

When the charger of an electric vehicle is manufactured with a voltage source rectifier with a boost type characteristic, an additional DC-to-DC converter is needed. This DC-to-DC converter drops the voltage, because the battery voltage used in an electric vehicle is lower than the grid voltage [1,2,3,4,5]. However, because a matrix rectifier derived from an AC-to-AC matrix converter is a rectifier with a buck-type current source characteristic, an extra DC-to-DC converter is not needed when designing the charger using a matrix rectifier [6,7,8,9,10,11,12]. Therefore, an electric charger with a matrix rectifier has the advantage of reducing power conversion efficiency and volume compared to voltage source-based chargers.
The matrix rectifier is a type of current source rectifier that uses DC current flow in the output inductor to produce a pulse wave of the same size as the output inductor current at the rectifier input [13]. The duty value of the pulse wave is regulated to control the fundamental component of the rectifier input current. On the input side of the current source rectifier, an LC filter is installed; it removes the harmonic content of the rectifier input current and provides a path for the input current to flow when the rectifier input current is zero. The current source rectifier controls the phase of the rectifier input current in synchronization with the phase of the input voltage or input capacitor voltage. However, this control method causes a phase difference between the input voltage and input current because of the current flowing in the input capacitor. Therefore, the input voltage and input current cannot be in phase unless an additional input power factor control technique is applied.
To regulate the input power factor of the current source rectifier, several techniques have been proposed [14,15,16,17,18]. In Choi et al. and Zargari et al. [14,15], a power factor adjustment delaying the phase of the rectifier input current was proposed. However, because the delay angle for unity power factor control was calculated without considering the voltage drop of the input inductor, there was a limitation in that the power factor was not precisely unity. In Zargari et al. and Zhang et al. [16,17], the rectifier input current, which puts the input voltage and input current in phase with each other, was obtained by mathematical calculations using the relationship between voltage and current at the input side. However, the calculation process used was complicated and not intuitive. Another limitation of these studies [14,15,16,17] is that there was no description of the power factor control technique where unity power factor control was not achievable. In Kim et al. [18], a power factor regulation technique using a virtual capacitor was proposed. To compensate for the current flowing through the input capacitor, which causes the nonunity power factor, a virtual capacitor was applied in parallel to the input capacitor. In order to implement the virtual capacitor, the current flowing through it was additionally generated in the rectifier input current. Additionally, a maximum achievable power factor (MAPF) control method for the light load condition was developed. However, for the use of the differentiator required to calculate the current of the virtual capacitor, a noise cancellation technique with dq conversion was used, which complicates the control technique. In addition, it is not intuitive to generate additional current realizing the virtual capacitor.
This paper proposes a power factor adjustment technique for a matrix rectifier using a power-based space vector modulation (SVM). In the proposed technique, the modulation index and phase for the SVM are calculated based on the active and reactive power of the rectifier for intuitive power factor control. The active power that the rectifier should generate for the regulation of the output inductor current is obtained by the PI (proportional-integral) controller. The reactive power supplied by the rectifier for adjustment of the power factor is assigned differently depending on the output condition. First, in the output condition capable of unity power factor control, the rectifier generates a negative value of reactive power of the input capacitor. In the light load condition, where MAPF is possible, the reactive power reference of the rectifier is set to the maximum reactive power the rectifier can produce under the given condition to attain the maximum possible input power factor. The determination of whether the given condition is the light load condition is judged by comparing both the absolute value of the reactive power supplied by the input capacitor and the maximum rectifier reactive power that can be produced under the given condition. The advantage of the proposed technique is that the input power factor adjustment technique is intuitive and simple, owing to the SVM based on the active and reactive power of the rectifier. The performance and feasibility of the proposed technique were proved by simulation and experimentation.

2. Conventional Space Vector Modulation

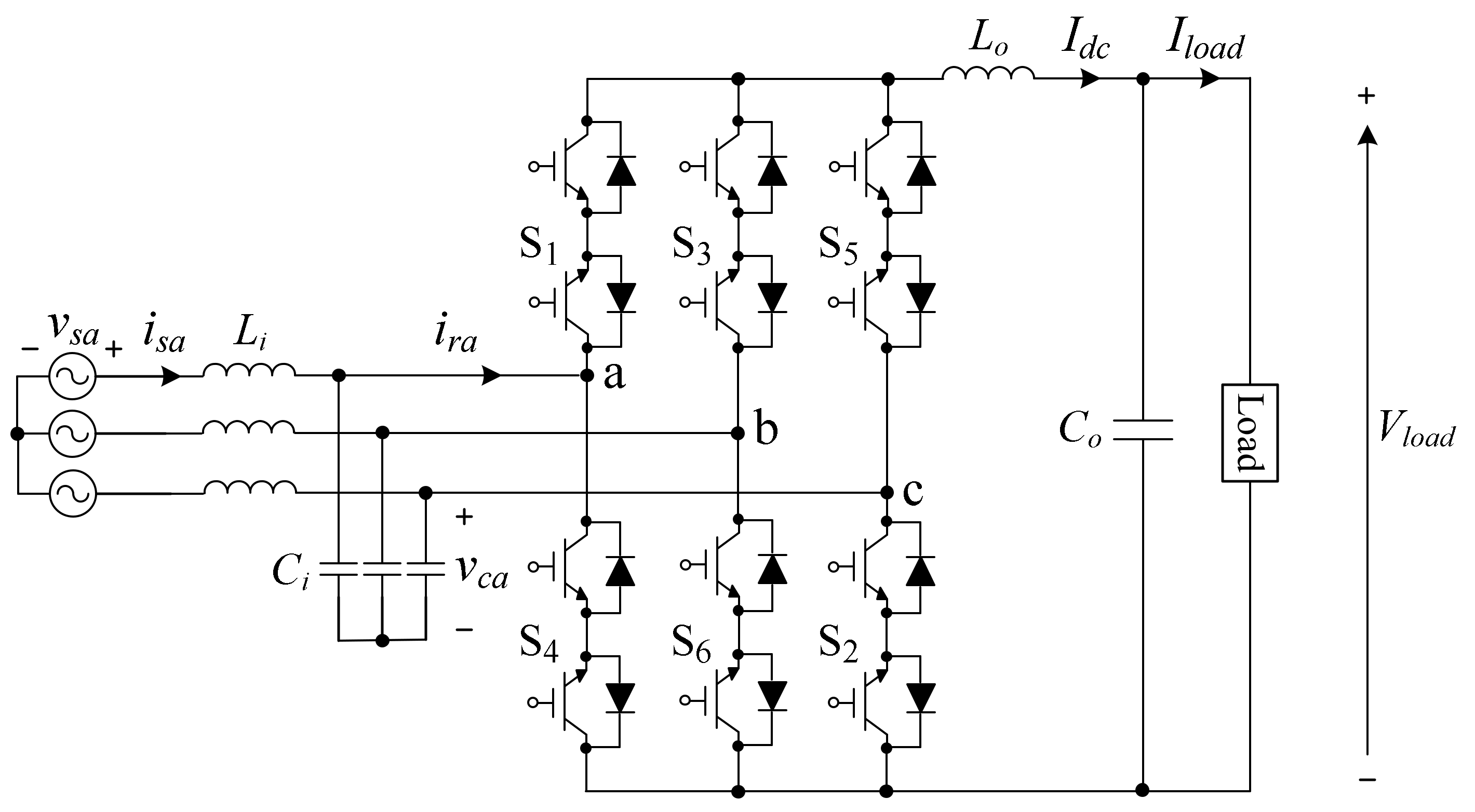
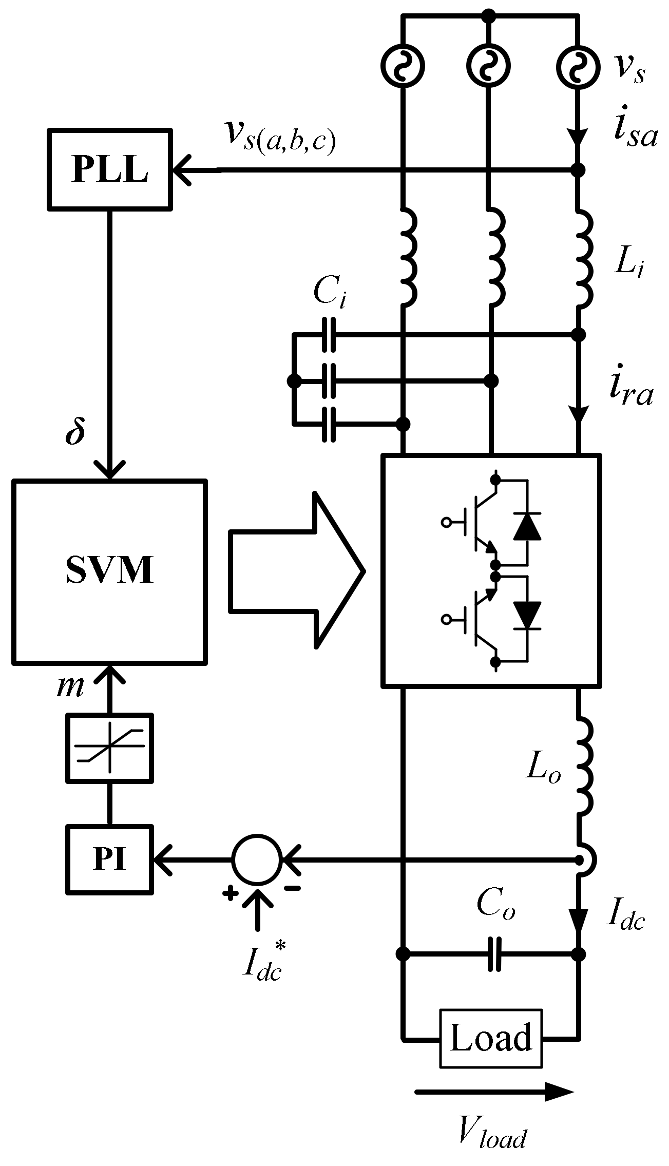
Figure 1 shows the matrix rectifier; S1–S6 indicate its bidirectional switch, Li and Ci represent the inductor and capacitor of the input LC filter, Lo and Co refer to the inductor and capacitor of the output LC filter, Ir denotes the rectifier input current, vs denotes the input voltage, is represents the input current, and vc is the input capacitor voltage. The voltage and current of the load are represented by Iload and Vload, respectively. Idc is the current through the output inductor.
The matrix rectifier is the current source type that controls Idc to a constant reference value. The matrix rectifier generates the pulse wave in the rectifier input side by Idc and controls the fundamental component of the rectifier input current by regulating the duty of the pulse wave. A general technique for controlling the current source type rectifier is SVM, which uses a space vector obtained by abc to αβ conversion of the three-phase rectifier input current. This is determined based on the switching state of the rectifier. Table 1 shows the space vectors based on the switching states, and Figure 2 plots the magnitude and phase of the space vector with respect to the αβ axis.
In Figure 2, Irref and δ represent the reference of the rectifier input current and the phase of Irref, respectively. As shown in Figure 2, the sector can be divided according to the phase of the reference of the rectifier input current. Each sector has different space vectors adjacent to the reference value. Two active vectors and one zero vector adjacent to the reference value in one sampling are used to make the rectifier input current follow the reference value. When Irref is in Sector 1, the duty value of I1, I2, and I0 is obtained by Equation (1) to track the reference of the rectifier input current.
d 1 = m s i n δ + π 6 d 2 = m s i n δ + π 6 d o = 1 d 1 + d 2
In Equation (1), d1, d2, and d0 indicate the duty values of I1, I2, and I0, respectively, and m represents the modulation index defined by Equation (2).
m = I r r e f I d c
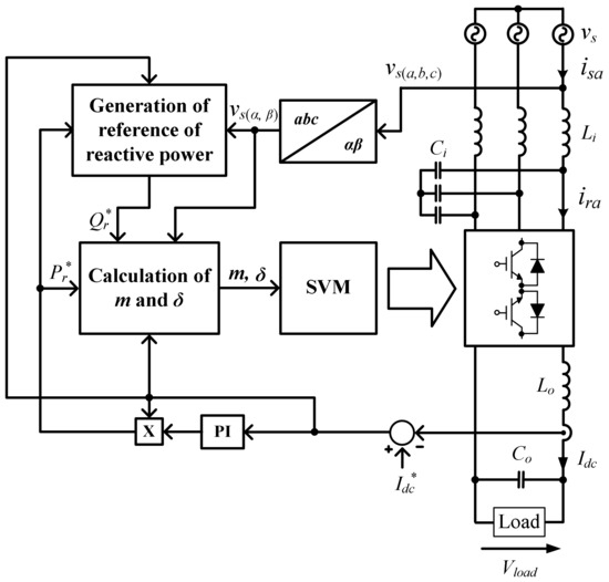
Figure 3 shows a block diagram of a conventional SVM. As shown in Equation (1), m and δ are needed for the SVM. In conventional SVM control, the modulation index is obtained from the output inductor current and the PI controller. In addition, the phase of the rectifier input current is used by the phase of the input voltage and obtained from using a phase locked loop (PLL).
Figure 4 shows the phase relationship between is, ici, ir, and input voltage vs. In Figure 4, ici means input capacitor current, and θ denotes the phase difference between the input voltage and input current. When the SVM is implemented in the same manner as shown in Figure 3, the input voltage and rectifier input current ir are in phase, as in Figure 4. As a result, iCi causes the input current is to be out of phase with the input voltage. To remove this phase difference, the new rectifier input current that makes input power factor unity can be obtained from mathematical calculations using the voltage and current at the input side [17]. The virtual capacitor can also be applied in parallel to the input capacitor to compensate for the leading current [18]. However, because these techniques are not direct methods of controlling power, power factor control is not intuitive. In this paper, a new power-based SVM is proposed for intuitive power factor control.

3. Proposed Method

Equation (3) is used to derive a new power-based SVM.
P r = 1.5 v s α i r α 1 + v s β i r β 1 Q r = 1.5 v s β i r α 1 v s α i r β 1
In Equation (3), Pr and Qr represent the active and reactive power produced by the fundamental component of the rectifier input current, and v and v represent the result of the abc to αβ conversion of the three-phase input voltage. In addition, i1 and i1 denote fundamental components of the result of the abc to αβ conversion of the three-phase rectifier input current. Equation (3) is arranged as Equation (4) for i1 and i1.
i i α 1 = 2 3 v s α v s α 2 + v s β 2 P r + v s β v s α 2 + v s β 2 Q r i i β 1 = 2 3 v s β v s α 2 + v s β 2 P r v s α v s α 2 + v S β 2 Q r
Equation (4) can be used to find the fundamental components of the rectifier input current using the active and reactive power of the rectifier. The modulation index and phase for SVM operation can be obtained as follows:
m = i i α 1 2 + i i β 1 2 I d c = 2 3 I d c P r 2 + Q r 2 v s α 2 + v s β 2 δ = tan 1 i i β 1 i i α 1 = v s β P r v s α Q r v s α P r + v s β Q r .
Neglecting the losses in the rectifier, the respective active powers of the output and the rectifier are equal. Thus, the active power that must be produced by the rectifier to generate the desired output inductor current can be set as the reference value for the active power of the rectifier.
On the other hand, the reactive powers of the input, input capacitor, and rectifier have the following relationship:
Q s = Q c + Q r .
In Equation (6), Qs, Qc, and Qr represent the reactive powers of the input, input capacitor, and rectifier, respectively. In order for the input voltage and input current to be in phase, the input reactive power must be zero. Therefore, the rectifier should compensate for the reactive power generated by the input capacitor for the unity power factor control. The reactive power of the input capacitor can be attained as follows:
Q c = 1.5 ω C i V s .
In Equation (7), ω is the angular frequency of the input voltage, and Vs is the peak magnitude of the input voltage. The input reactive power can be controlled to zero if the rectifier compensates the reactive power supplied by the input capacitor by generating the negative value of it obtained in (7). However, the unity power factor cannot be accomplished in an all-output condition. The range of the modulation index is 0–1. As can be seen from Equation (5), once the active power to be produced by the rectifier is determined for the output inductor current control, the maximum reactive power that can be supplied under such output conditions is decided. Therefore, in order to determine the reactive power reference of the rectifier, it is first identified whether the unity power factor control is achievable under the given load condition. The maximum reactive power that the rectifier can generate at the given output conditions (Qrmax) can be obtained by setting the modulation index to 1, as shown in Equation (8).
Q r m a x = 1.5 I d c 2 v c i α 2 + v c i β 2 P r 2
If the magnitude of Qrmax calculated by Equation (8) is larger than or equal to the absolute value of the reactive power supplied by input capacitor, the reactive power reference of the rectifier is set to the negative reactive power value of the input capacitor. Otherwise, the reactive power reference of the rectifier is assigned to be the maximum reactive power Qrmax. The method of determining the reference of the reactive power of the rectifier is summarized in Equation (9).
Q r * = Q c Q r m a x Q c Q r m a x Q r m a x < Q c
In Equation (9), the case where Q r m a x is greater or equal to Q c is called the normal condition in which the unity power factor can be achieved. On the other hand, the case where Q r m a x is lower than Q c is called the light load condition where MAPF can be attained.
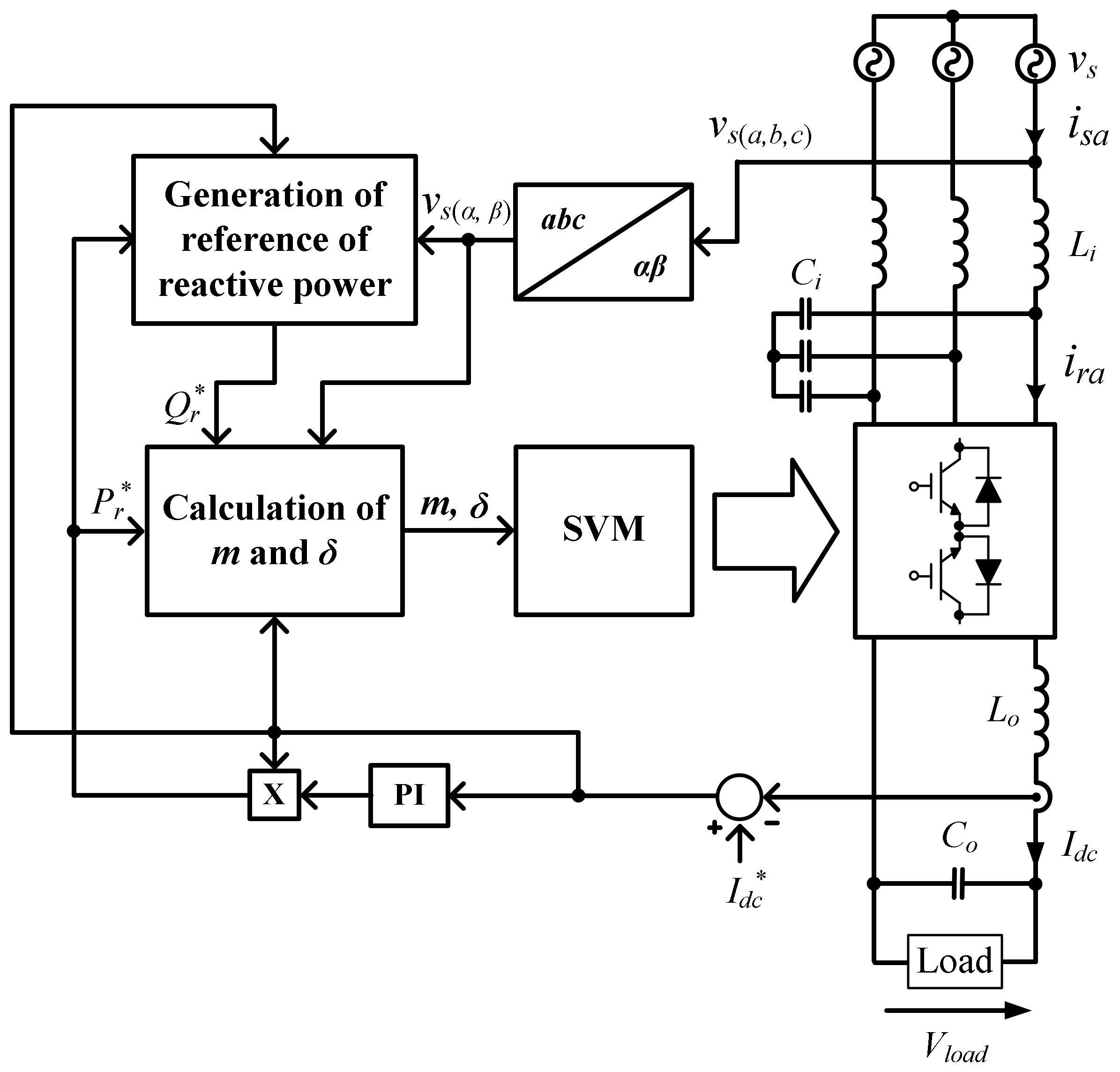
A block diagram of the proposed technique is shown in Figure 5. Here, the superscript * marks a reference value. Because the proposed method performs SVM based on power, the power factor control is more intuitive than the conventional power factor control technique. With this intuitive power control, the reference value of the reactive power changes organically based on the load condition. As a result, the maximum power factor can be controlled even in the output condition where the unity power factor control is not achievable. Table 2 shows comparisons between conventional method and proposed method.

4. Simulation Results

A simulation was carried out to confirm the performance of the proposed technique and to verify the power factor control performance by comparing the conventional SVM described in Figure 3 with the proposed scheme. Table 3 shows the parameters used for the simulation.
Figure 6 shows the simulation results of the conventional SVM and the proposed technique in the normal condition; Figure 6a shows the simulation result conducted by conventional SVM, and Figure 6b shows the simulation result obtained by proposed method. As shown in Figure 6a, the conventional SVM sets the phase of the rectifier input current to the phase of the input voltage, so that there is a phase difference between the input current and the input voltage. However, as shown in Figure 6b, in the proposed method, the input voltage and input current are set in phase by setting the reactive power of the rectifier to compensate the reactive power of the input capacitor through the power-based SVM.
Figure 7 is the simulation result under the light load condition where the output power is about 20% of the output power of Figure 6. As shown in Figure 7a, the conventional SVM follows the reference value of the output current even under a light load, but there is the phase difference between the input voltage and the input current as in the normal condition. However, in Figure 7b, which is the simulation result of the proposed method under light load conditions, the input voltage and input current have the smallest phase difference even under the light load condition.
Figure 8 shows the simulation result of a sudden change in the reference current of the output inductor. The reference current changes from 3 to 5 A in 0.2 s to evaluate the dynamic performance between the conventional SVM method and the proposed method. From Figure 8a,b, it can be seen that there is no difference in the dynamic performance between conventional SVM and the proposed scheme. In addition, Figure 8b shows not only that the proposed method can accurately follow the rapidly changing reference current, but that the unity power factor control can also be performed quickly.

5. Experimental Results

In order to evaluate the performance of the proposed method, experiments were performed using the conventional SVM and the proposed method in the same manner as the simulation. The experiment was conducted using the parameters shown in Table 3. The bidirectional switch was implemented using an insulated gate bipolar transistor (IGBT), where the part number is IXA37IF1200HJ and the rectifier was controlled by a TMS320F28335-based digital signal processor (DSP) board. Figure 9 shows the experiment setup used.
Figure 10 shows the experimental results of the conventional SVM and the proposed technique in the normal condition. The angle between the input voltage and input current is obtained by zero crossing points of the input voltage and input current using the oscilloscope. Figure 10a shows the experimental results of the conventional SVM. As in the simulation, the current of the output inductor follows the reference value of 5 A, but there is a phase difference between the input voltage and the input current due to the reactive power of the input capacitor. As a result, the input power factor of the conventional SVM is 0.90, in which the angle between the input voltage and input current is 26°. However, from Figure 10b, it can be seen that the output inductor current is well-controlled, and the unity power factor control is achieved by the reactive power reference value of the rectifier to compensate for the reactive power of input capacitor. The input power factor of the proposed method is 0.99, in which the angle between the input voltage and input current is almost 0°. In addition, the frequency analysis shows that the total harmonic distortion (THD) between the two techniques is almost identical.
Figure 11 shows the experimental results of the conventional SVM and the proposed power-based SVM under a light load. As in the simulation, in the conventional SVM, as shown in Figure 11a, the reference value of the output current is followed, but the input voltage and input current are not in phase. In the light load case, the power factors of the conventional SVM and the proposed method were 0.32 and 0.85, respectively. The phase between the input voltage and input current in the conventional method is 71°—a value that is too large. However, in the proposed method, the output inductor current follows the reference value of 2 A, and the maximum power factor is simultaneously realized. As a result, the phase difference between the input voltage and input current is reduced to 32°. Additionally, the THD of the proposed technique under the light load was 16.1%, which is much higher than that of the conventional SVM. This result is due to the reduction of the fundamental components of the input current to minimize the phase of the input voltage and input current [18,19].
Figure 12 displays the experimental results that show the dynamic performance of the conventional SVM and the proposed method during the sudden change of the reference value of the output inductor current. Figure 12 shows that, as in simulation, there is no difference in dynamic performance between the conventional SVM and the proposed technique. Moreover, the proposed technique shows that the output inductor current rapidly follows the reference value and maintains the unity power factor in the step change of the inductor output current.
Figure 13 shows the simulation results and the experiment results under the normal and light load conditions of the proposed method. Figure 13a compares the simulation results with the experiment results of the proposed method under the normal load condition. As the simulation results, it can be confirmed from Figure 13a that the input voltage and input current are controlled in phase and that the current of the output inductor follows the reference value well in the experiment results. Figure 13b shows the simulation results and the experiment results of the proposed method under light load condition. From Figure 13b, it can be seen that MAPF is obtained by minimizing the phase difference between the input voltage and the input current in both simulation and experiment.

6. Conclusions

In this paper, a novel SVM method based on the active and reactive power of a matrix rectifier was proposed. In the conventional SVM, the modulation index and phase required to drive the SVM were obtained from the PI controller to control the output inductor current and phase of the input voltage. However, this approach makes input power factor control unintuitive. In the proposed scheme, the modulation index and phase were calculated using the active and reactive power of the rectifier for intuitive power factor control. The active power reference for the rectifier was obtained from the PI controller, the output inductor current, and the reference of the output inductor current. In order to compensate for the reactive power of the input capacitor and to achieve the unity power factor, the reference of the rectifier reactive power was set to the negative value of the reactive power of the input capacitor. Under light load conditions, where unity power factor control was not possible, the MAPF was obtained by setting the reference value of the rectifier reactive power to the maximum reactive power that the rectifier can produce. The advantage of the proposed technique is that it can directly achieve the unity power factor using power-based SVM, and in the light load condition, MAPF can be accomplished by supplying the maximum reactive power of the rectifier. The simulation and experimental results confirm the performance of the proposed method.

Author Contributions

Conceptualization, S.-S.K.; methodology, S.-S.K., J.-C.K.; software, D.K.; validation, J.-C.K.; formal analysis, J.-C.K.; investigation, J.-C.K.; resources, S.-S.K.; data curation, D.K.; writing—original draft preparation, J.-C.K.; writing—review and editing, S.-S.K.; visualization, J.-C.K.; supervision, S.-S.K.; project administration, S.-S.K.; funding acquisition, S.-S.K.

Funding

This research was supported by the National Research Foundation of Korea (NRF) grant funded by the Korean government (MSIP) (2017R1A2B4011444).

Acknowledgments

This research was supported by the National Research Foundation of Korea (NRF) grant funded by the Korean government (MSIP) (2017R1A2B4011444).

Conflicts of Interest

The authors declare no conflict of interest.

References

  1. Rodríguez, J.R.; Dixon, J.W.; Espinoza, J.R.; Pontt, J.; Lezana, P. PWM regenerative rectifiers: State of the art. IEEE Trans. Ind. Electron. 2005, 52, 5–22. [Google Scholar] [CrossRef]
  2. Erb, D.C.; Onar, O.C.; Khaligh, A. Bi-directional charging topologies for plug-in hybrid electric vehicles. In Proceedings of the Twenty-Fifth Annual IEEE Applied Power Electronics Conference and Exposition (APEC), Palm Springs, CA, USA, 21–25 February 2010; pp. 2066–2072. [Google Scholar]
  3. Gallardo-Lozano, J.; Milanés-Montero, M.I.; Guerrero-Martinez, M.A.; Romero-Cadaval, E. Three-phase bidirectional battery charger for smart electric vehicles. In Proceedings of the 7th International Conference-Workshop Compatibility and Power Electronics (CPE), Tallinn, Estonia, 1–3 June 2011; pp. 371–376. [Google Scholar]
  4. Tan, N.M.L.; Abe, T.; Akagi, H. Design and performance of a bidirectional isolated dc–dc converter for a battery energy storage system. IEEE Trans. Power Electron. 2012, 27, 1237–1248. [Google Scholar] [CrossRef]
  5. Yilmaz, M.; Krein, P. Review of battery charger topologies, charging power levels and infrastructure for plug-in electric and hybrid vehicles. IEEE Trans. Power Electron. 2013, 28, 2151–2169. [Google Scholar] [CrossRef]
  6. Holmes, D.G.; Lipo, T.A. Implementation of a controlled rectifier using AC–AC matrix converter theory. IEEE Trans. Power Electron. 1992, 7, 240–250. [Google Scholar] [CrossRef]
  7. Su, M.; Wang, H.; Sun, Y.; Yang, J.; Xiong, W.; Liu, Y. AC/DC matrix converter with an optimized modulation strategy for V2G applications. IEEE Trans. Power Electron. 2013, 28, 5736–5745. [Google Scholar] [CrossRef]
  8. You, K.; Xiao, D.; Rahman, M.F.; Uddin, M.N. Applying reduced general direct space vector modulation approach of AC–AC matrix converter theory to achieve direct power factor controlled three-phase AC–DC matrix rectifier. IEEE Trans. Ind. Appl. 2014, 50, 2243–2257. [Google Scholar] [CrossRef]
  9. Feng, B.; Lin, H.; Wang, X. Modulation and control of ac/dc matrix converter for battery energy storage application. IET Power Electron. 2015, 8, 1583–1594. [Google Scholar] [CrossRef]
  10. Varajao, D.; Araujo, R.E.; Miranda, L.M.; Lopes, J.A.P. Modulation strategy for a single-stage bidirectional and isolated AC–DC matrix converter for energy storage systems. IEEE Trans. Ind. Electron. 2018, 65, 3458–3468. [Google Scholar] [CrossRef]
  11. Afsharian, J.; Xu, D.; Wu, B.; Gong, B.; Yang, Z. A NEW PWM and Commutation Scheme for One Phase Loss Operation of Three-Phase Isolated Buck Matrix-Type Rectifier. IEEE Trans. Power Electron. 2018, 33, 9854–9865. [Google Scholar] [CrossRef]
  12. Afsharian, J.; Xu, D.D.; Wu, B.; Gong, B.; Yang, Z. The Optimal PWM Modulation and Commutation Scheme for Three-Phase Isolated Buck Matrix Type Rectifier. IEEE Trans. Power Electron. 2018, 33, 110–124. [Google Scholar] [CrossRef]
  13. Wu, B.; Narimani, M. High-Power Converters and AC Drives; John Wiley & Sons: Piscataway, NJ, USA, 2006. [Google Scholar]
  14. Choi, J.H.; Kojori, H.A.; Dewan, S.B. High power GTO-CSC based power supply utilizing SHE-PWM and operating at unity power factor. In Proceedings of the Canadian Conference on Electrical and Computer Engineering, Vancouver, BC, Canada, 14–17 September 1993. [Google Scholar]
  15. Zargari, N.R.; Xiao, Y.; Wu, B. Near unity input displacement factor for current source PWM drives. IEEE Ind. Appl. Mag. 1999, 5, 19–25. [Google Scholar] [CrossRef]
  16. Zargari, N.R.; Joos, G. A three-phase current-source type PWM rectifier with feed-forward compensation of input displacement factor. In Proceedings of the Power Electronics Specialist Conference—PESC’94, Taipei, Taiwan, 20–25 June 1994; Volume 1, pp. 363–368. [Google Scholar]
  17. Zhang, Y.; Yi, Y.; Dong, P.; Liu, F.; Kang, Y. Simplified model and control strategy of three-phase PWM current source rectifiers for dc voltage power supply applications. IEEE J. Emerg. Sel. Topics Power Electron. 2015, 3, 1090–1099. [Google Scholar] [CrossRef]
  18. Kim, J.C.; Kwak, S.; Kim, T. Power factor control method based on virtual capacitors for three-phase matrix rectifiers. IEEE Access 2019, 7, 12484–124949. [Google Scholar] [CrossRef]
  19. Kim, J.C.; Kwak, S. Direct power control method with minimum reactive power reference for three-phase AC-to-DC matrix rectifiers using space vector modulation. IEEE Access 2019, 7, 67515–67525. [Google Scholar] [CrossRef]
Figure 1. Matrix rectifier.
Figure 1. Matrix rectifier.
Electronics 08 01427 g001
Figure 2. Space vector diagram in α β plane.
Figure 2. Space vector diagram in α β plane.
Electronics 08 01427 g002
Figure 3. Block diagram of the conventional space vector modulation (SVM).
Figure 3. Block diagram of the conventional space vector modulation (SVM).
Electronics 08 01427 g003
Figure 4. Phase relationship between is, ici, ir, and vs.
Figure 4. Phase relationship between is, ici, ir, and vs.
Electronics 08 01427 g004
Figure 5. Block diagram of the proposed method.
Figure 5. Block diagram of the proposed method.
Electronics 08 01427 g005
Figure 6. Simulation in normal conditions: (a) conventional SVM, (b) proposed method.
Figure 6. Simulation in normal conditions: (a) conventional SVM, (b) proposed method.
Electronics 08 01427 g006
Figure 7. Simulation under light load condition: (a) conventional SVM, (b) proposed method.
Figure 7. Simulation under light load condition: (a) conventional SVM, (b) proposed method.
Electronics 08 01427 g007
Figure 8. Simulation with load step change of 3–5 A: (a) conventional SVM, (b) proposed method.
Figure 8. Simulation with load step change of 3–5 A: (a) conventional SVM, (b) proposed method.
Electronics 08 01427 g008
Figure 9. Experiment setup.
Figure 9. Experiment setup.
Electronics 08 01427 g009
Figure 10. Experimental results of time domain and frequency domain in normal condition: (a) conventional SVM, (b) proposed method. THD: total harmonic distortion.
Figure 10. Experimental results of time domain and frequency domain in normal condition: (a) conventional SVM, (b) proposed method. THD: total harmonic distortion.
Electronics 08 01427 g010
Figure 11. Experimental results of time domain and frequency domain in light load condition: (a) conventional SVM, (b) proposed method.
Figure 11. Experimental results of time domain and frequency domain in light load condition: (a) conventional SVM, (b) proposed method.
Electronics 08 01427 g011
Figure 12. Experiment results in load step change: (a) conventional SVM, (b) proposed method.
Figure 12. Experiment results in load step change: (a) conventional SVM, (b) proposed method.
Electronics 08 01427 g012
Figure 13. Comparisons between simulation results and experiment results of the proposed method in (a) the normal condition and (b) the light load condition.
Figure 13. Comparisons between simulation results and experiment results of the proposed method in (a) the normal condition and (b) the light load condition.
Electronics 08 01427 g013
Table 1. Space vector based on switching states.
Table 1. Space vector based on switching states.
Space VectorOn-State Switches
Active vectorsI1(S1, S6)
I2(S1, S2)
I3(S3, S2)
I4(S3, S4)
I5(S5, S4)
I6(S5, S6)
Zero vectorsI0(S1, S4), (S3, S6), (S5, S2)
Table 2. Comparisons between the conventional method and proposed method.
Table 2. Comparisons between the conventional method and proposed method.
Conventional MethodProposed Method
Output current controlPossiblePossible
Unity power factor controlImpossiblePossible
Maximum achievable power factor control in light load conditionImpossiblePossible
Table 3. Parameters for simulation and experiment.
Table 3. Parameters for simulation and experiment.
ParameterValue
Input phase peak voltage vs100 V
Input voltage frequency f60 Hz
Input inductance Li1 mH
Input capacitance Ci60 μF
Output inductance Lo2.5 mH
Output capacitance Co40 μF
Load resistance R20 Ω
Sampling and switching frequency5 kHz

Share and Cite

MDPI and ACS Style

Kim, J.-C.; Kim, D.; Kwak, S.-S. Direct Power-Based Three-Phase Matrix Rectifier Control with Input Power Factor Adjustment. Electronics 2019, 8, 1427. https://doi.org/10.3390/electronics8121427

AMA Style

Kim J-C, Kim D, Kwak S-S. Direct Power-Based Three-Phase Matrix Rectifier Control with Input Power Factor Adjustment. Electronics. 2019; 8(12):1427. https://doi.org/10.3390/electronics8121427

Chicago/Turabian Style

Kim, Jae-Chang, Dongyeon Kim, and Sang-Shin Kwak. 2019. "Direct Power-Based Three-Phase Matrix Rectifier Control with Input Power Factor Adjustment" Electronics 8, no. 12: 1427. https://doi.org/10.3390/electronics8121427

APA Style

Kim, J.-C., Kim, D., & Kwak, S.-S. (2019). Direct Power-Based Three-Phase Matrix Rectifier Control with Input Power Factor Adjustment. Electronics, 8(12), 1427. https://doi.org/10.3390/electronics8121427

Note that from the first issue of 2016, this journal uses article numbers instead of page numbers. See further details here.

Article Metrics

Back to TopTop