Capacitance Reduction in IGCT-Based MMC Through Elevated Ripple Tolerance Under Linear Modulation Constraints
Abstract
1. Introduction
- (1)
- An analytical framework is developed to evaluate the modulation boundary under elevated ripple. A modulation envelope function g(t) is defined that incorporates the CVR effect and the second-harmonic reference from circulating-current suppression control (CCSC). The framework enables accurate determination of the maximum achievable valve-side AC voltage across the entire PQ operating range.
- (2)
- The optimal ripple-tolerance coefficient κ for IGCT-MMC is determined by identifying the inflection point of the modulation margin curve. It is shown that the reduced SM count inherent to IGCT-based designs amplifies the relative benefit of elevated-ripple operation. For a ±500 kV/2000 MW case study using 6.5 kV IGCTs with 250 SMs per arm, the per-unit energy storage requirement is significantly reduced compared with conventional-ripple operation.
2. Operating Principle and Control of IGCT ER-MMC
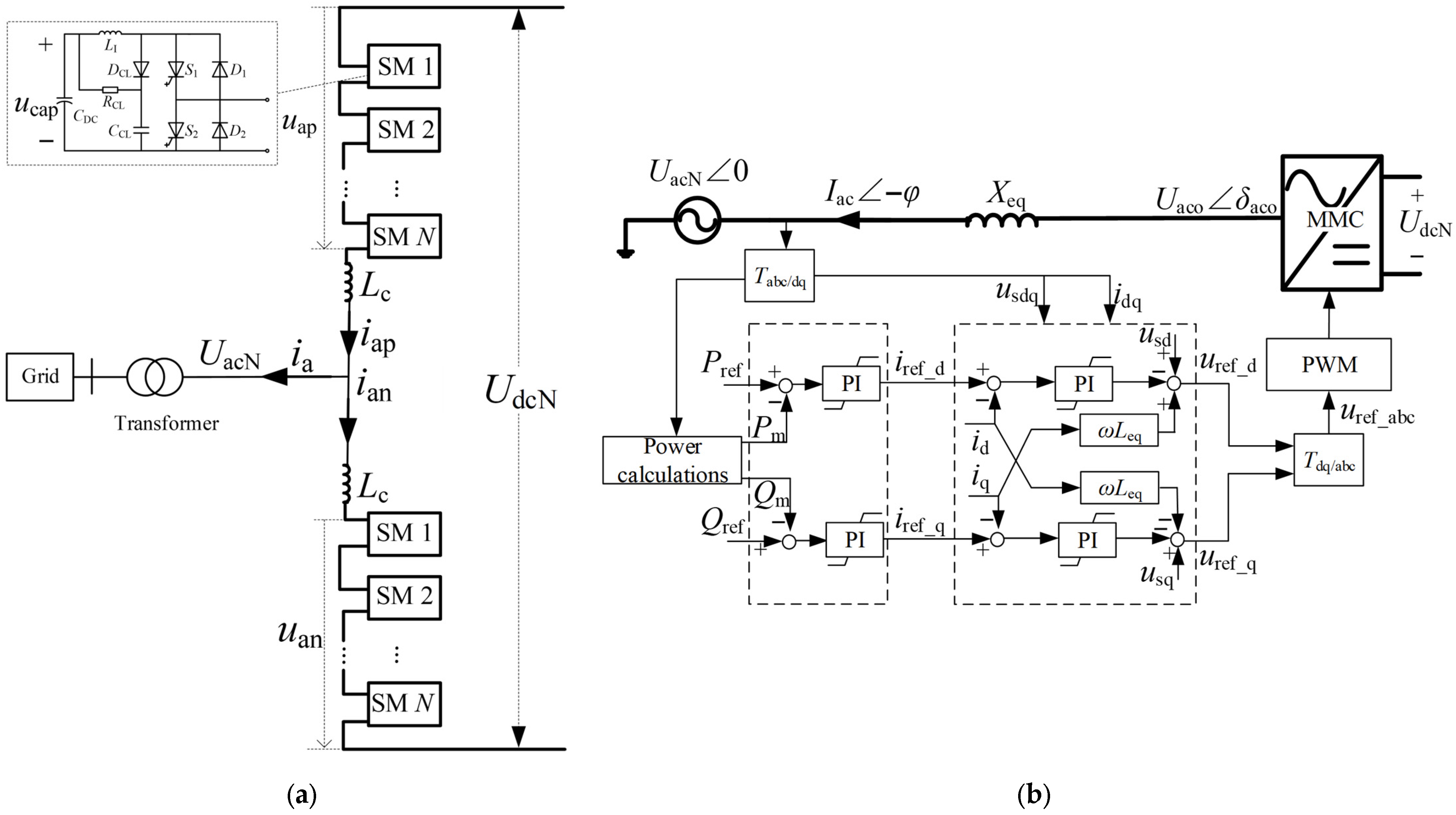
2.1. Topology and Operating Principle of ER-MMC
2.2. Control Strategy of ER-MMC
3. Analysis of IGCT ER-MMC Based on Ripple-Induced Voltage Compensation
3.1. Analysis of the CVR Effect
3.2. Linear Modulation of IGCT ER-MMC Considering the CVR Effect
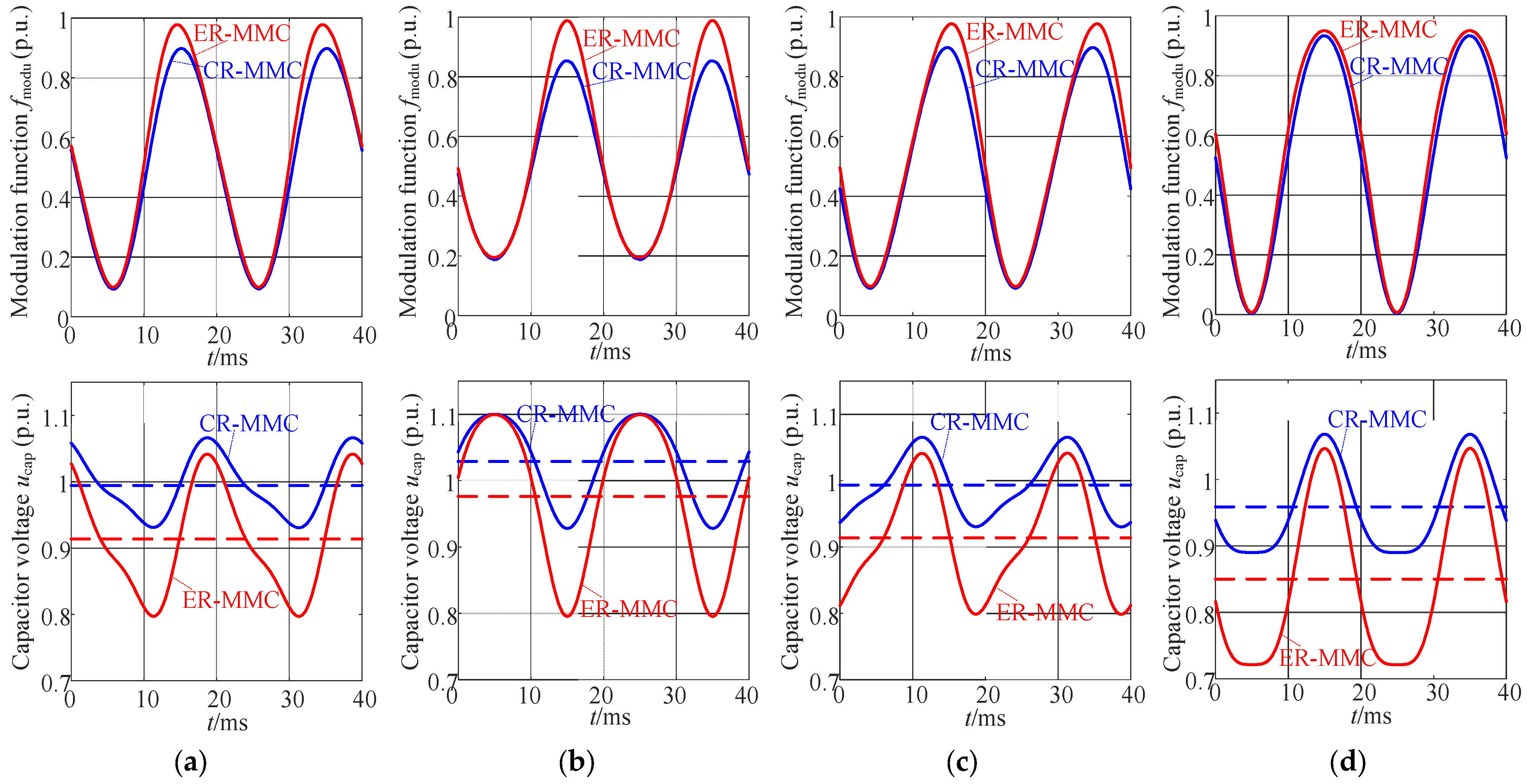
3.3. Verification of Ripple-Effect Impact on IGCT MMC
3.3.1. Analysis of Fundamental Reference Voltage Effect on Linear Modulation
3.3.2. Effect of Second-Order CCSC Reference on Modulation Boundary
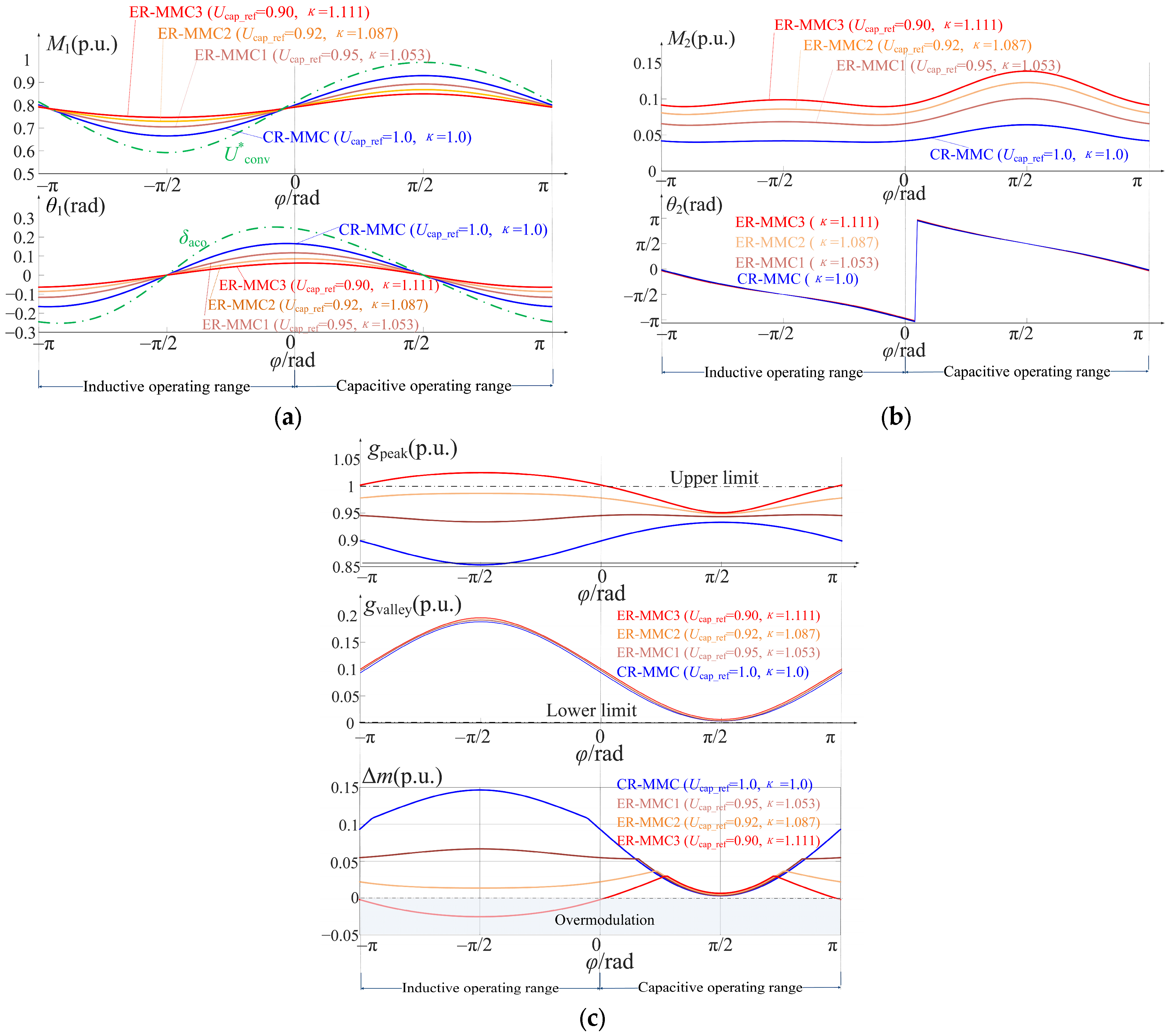
Analysis of Ripple-Tolerance Coefficient Effect on Linear Modulation
Comprehensive Modulation Boundary Analysis
Analysis of AC Voltage Output Capability and Capacitor Usage of IGCT ER-MMC
3.4. Comprehensive Engineering Impact of Elevated-Ripple Operation


4. Simulation Studies and Experimental Validations
4.1. Simulation Results
4.2. Experimental Results
5. Conclusions
Author Contributions
Funding
Data Availability Statement
Conflicts of Interest
References
- Yuan, Z.; Guo, P.; Liu, G.; Zhao, Y.; Shi, Z. Review on control and protection for renewable energy integration through VSC-HVDC. High Volt. Eng. 2020, 46, 1460–1475. [Google Scholar] [CrossRef]
- Guo, P.; Yuan, Z.; Ma, T.; Sheng, C.; Song, M.; Dai, S.; Luo, P.; Li, L. Study of 160 kV/1 kA R-SFCL design and application in Nanao MMC–MTDC project. IEEE Trans. Appl. Supercond. 2022, 32, 5400111. [Google Scholar] [CrossRef]
- Song, Q.; Yang, W.; Zhao, B.; Meng, J.; Xu, S.; Zhu, Z. Low-capacitance modular multilevel converter operating with high capacitor voltage ripples. IEEE Trans. Ind. Electron. 2019, 66, 7456–7467. [Google Scholar] [CrossRef]
- Liu, G.; Wang, L.; Cui, K.; Guo, P.; Dai, H.; Guo, M.; Xin, L. Assessment of flexible interconnection strategies for the integration of electric vehicles and renewable energy in load-centric distribution networks. Glob. Energy Interconnect. 2025, 8, 447–459. [Google Scholar] [CrossRef]
- Guo, P.; Tian, Z.; Yuan, Z.; Qu, L.; Zhang, X.; Zhang, X. Future-proofing city power grids: FID-based efficient interconnection strategies for major load-centred environments. IET Renew. Power Gener. 2024, 18, 3003–3019. [Google Scholar] [CrossRef]
- Wang, H.; Guo, P.; Shi, S.; Fang, C.; Yuan, Z. Application status and prospects of flexible interconnection technology for multi-station areas in medium-voltage distribution network. Autom. Electr. Power Syst. 2025, 59, 13–23. [Google Scholar] [CrossRef]
- Li, X.; Song, Q.; Liu, W.; Xu, S.; Zhu, Z.; Li, X. Performance analysis and optimization of circulating current control for modular multilevel converter. IEEE Trans. Ind. Electron. 2016, 63, 716–727. [Google Scholar] [CrossRef]
- Li, X.; Meng, J.; Song, Q.; Liu, W.; Xu, S.; Zhu, Z. Analysis and reduction method of MMC capacitor voltage ripple operation boundary based on circulating-current control. In Proceedings of the 2018 IEEE Energy Conversion Congress and Exposition (ECCE); IEEE: New York, NY, USA, 2018; pp. 3038–3043. [Google Scholar]
- Picas, R.; Pou, J.; Ceballos, S.; Agelidis, V.G.; Saeedifard, M. Minimization of the capacitor voltage fluctuations of a modular multilevel converter by circulating current control. In Proceedings of the IECON 2012—38th Annual Conference on IEEE Industrial Electronics Society, Montreal, QC, Canada, 25–28 October 2012; pp. 4985–4991. [Google Scholar]
- Zhao, C.; Li, Y.; Xu, F.; Li, Z.; Wang, P.; Lei, M. Capacitor voltage ripples characterization and reduction of hybrid modular multilevel converter with circulating current injection. In Proceedings of the 2017 IEEE Energy Conversion Congress and Exposition (ECCE); IEEE: New York, NY, USA, 2017; pp. 4560–4567. [Google Scholar]
- Meng, J.; Song, Q.; Sun, Q.; Li, X.; Xu, S. Optimization control strategy of capacitor voltage for modular multilevel converter based on mathematical analysis of circulating current. High Volt. Eng. 2019, 45, 882–889. [Google Scholar] [CrossRef]
- Tang, C.; Zhao, J.; Thiringer, T. Circulating currents and losses analysis of an MMC with using SVM-based common mode voltage reduction strategy for a wind turbine application. In Proceedings of the 2022 IEEE Energy Conversion Congress and Exposition (ECCE); IEEE: New York, NY, USA, 2022; pp. 1–7. [Google Scholar]
- Sun, H.; Huang, J.; Ma, L. Analysis and optimization on third harmonic injection strategy for steady-state operation of modular multilevel converter. J. North China Electr. Power Univ. 2020, 47, 32–41. [Google Scholar] [CrossRef]
- Yuan, B.; Mei, N.; Chen, D.; Li, T.; Zheng, Y. Influences of third harmonic injection on the operation characteristics of MMC system. High Volt. Eng. 2022, 46, 1060–1068. [Google Scholar] [CrossRef]
- Li, T.; Mei, N.; Chen, D.; Le, B.; Ma, W. Dynamic phasor model of modular multilevel converter with third harmonic injection scheme. Power Syst. Technol. 2019, 43, 3384–3393. [Google Scholar] [CrossRef]
- Rong, F.; Tao, H.; Rao, H.; Zhou, B.; Huang, S. Optimal method of third harmonic injection to MMC value. High Volt. Appar. 2019, 55, 20–26. [Google Scholar]
- Meng, J.; Zhou, Y.; Zhang, N.; Song, Q. A third-order harmonic injection method for low-capacitance modular multilevel converters with high ripples. Adv. Technol. Electr. Eng. Energy 2021, 40, 1–8. [Google Scholar]
- Zhao, C.; Wang, Z.; Li, Z.; Wang, P.; Li, Y. Characteristics analysis of capacitor voltage ripples and dimensioning of full-bridge MMC with zero sequence voltage injection. IEEE J. Emerg. Sel. Top. Power Electron. 2018, 7, 2106–2115. [Google Scholar] [CrossRef]
- Wang, Q.; Ding, J.; Liu, H.; Xiao, J.; Shen, G. Feasibility of third harmonic injection modulation strategy for MMC-HVDC transmission system. Autom. Electr. Power Syst. 2018, 42, 104–110. [Google Scholar]
- Hu, J.; Xiang, M.; Lin, L.; Lu, M.; Zhu, J.; He, Z. Improved design and control of FBSM MMC with boosted AC voltage and reduced DC capacitance. IEEE Trans. Ind. Electron. 2018, 65, 1919–1930. [Google Scholar] [CrossRef]
- Song, Q.; Yang, W.; Zhao, B.; Xu, S.; Rao, H.; Zhu, Z. Energy storage requirement reduction using negative-voltage states of a full-bridge modular multilevel converter. IEEE Trans. Power Electron. 2019, 34, 5243–5255. [Google Scholar] [CrossRef]
- Judge, P.D.; Chaffey, G.; Merlin, M.M.C.; Clemow, P.R.; Green, T.C. Dimensioning and modulation index selection for the hybrid modular multilevel converter. IEEE Trans. Power Electron. 2017, 33, 3837–3851. [Google Scholar] [CrossRef]
- Zhou, Y.; Song, Q.; Zhang, N.; Gao, S.; Meng, J. Unified analysis model for expanding linear modulation region of MMC and its influence on arm power fluctuation. High Volt. Eng. 2021, 47, 4451–4461. [Google Scholar] [CrossRef]
- Li, Z.; Gou, L.; Song, Q.; Tang, B.; Zhao, B.; Han, L.; Wang, K. Reduction in submodule capacitance in FB-and HYB-MMCs with variable DC voltages. IEEE Trans. Ind. Electron. 2023, 70, 5808–5818. [Google Scholar] [CrossRef]
- Isobe, T.; Shiojima, D.; Kato, K.; Hernandez, Y.R.R.; Shimada, R. Full-Bridge reactive power compensator with minimized-equipped capacitor and its application to static var compensator. IEEE Trans. Power Electron. 2016, 31, 224–234. [Google Scholar] [CrossRef]
- Isobe, T.; Zhang, L.; Iijima, R.; Tadano, H.; Kawanami, Y.; Terazono, K. Experimental verification of capacitance reduction in MMC-based STATCOM. In Proceedings of the 2016 IEEE Energy Conversion Congress and Exposition (ECCE), Milwaukee, WI, USA, 18–22 September 2016; IEEE: New York, NY, USA, 2016. [Google Scholar]
- Farivar, G.; Townsend, C.D.; Hredzak, B.; Pou, J.; Agelidis, V.G. Low-capacitance cascaded H-bridge multilevel StatCom. IEEE Trans. Power Electron. 2017, 32, 1744–1754. [Google Scholar] [CrossRef]
- Yu, Q.; Deng, F.; Tang, Y. Low-capacitance modular multilevel converters under average capacitor voltage reduction control. In Proceedings of the IECON 2022 48th Annual Conference of the IEEE Industrial Electronics Society, Brussels, Belgium, 17–22 October 2022; IEEE: New York, NY, USA, 2022. [Google Scholar]
- Meng, J.; Song, Q.; Sun, Q.; Xu, S.; Zhao, B.; Yu, Z.; Zeng, R. Rethinking linear modulation range of modular multilevel converters. IEEE Trans. Power Electron. 2023, 38, 7241–7255. [Google Scholar] [CrossRef]
- Vemulapati, U.; Rahimo, M.; Arnold, M.; Wikström, T.; Vobecky, J.; Backlund, B.; Stiasny, T. Reverse conducting IGCTs for voltage source converters. In Proceedings of the 19th European Conference on Power Electronics and Applications (EPE), Warsaw, Poland, 11–14 September 2017; pp. 1–8. [Google Scholar]
- Linder, S.; Klaka, S.; Frecker, M.; Carroll, E.; Zeller, H. A new range of reverse conducting gate-commutated thyristors. In Proceedings of the Power Electronics Specialist Conference (PESC); IEEE: New York, NY, USA, 1998; pp. 1117–1124. [Google Scholar]
- Wang, J.; Liang, J.; Gao, F.; Dong, X.; Wang, C.; Zhao, B. A closed-loop time-domain analysis method for modular multilevel converter. IEEE Trans. Power Electron. 2017, 32, 7494–7508. [Google Scholar] [CrossRef]










| Item | CR-MMC | ER-MMC 1 | ER-MMC 2 | ER-MMC 3 |
|---|---|---|---|---|
| Rated Active Power | 2000 MW | |||
| Rated DC Voltage | 1000 kV (±500 kV) | |||
| Number of Bridge Modules | 250 | |||
| Capacitor Voltage Base | 4000 V | |||
| Capacitor Voltage Peak | 1.1 p.u. | |||
| Equivalent Connection Reactance | 0.10 p.u. | |||
| Arm Inductance | 0.12 p.u. | |||
| Transformer Leakage Reactance | 0.04 p.u. | |||
| Valve-side Voltage | (see analysis) | |||
| Capacitor Voltage Reference | 1.0 | 0.95 | 0.92 | 0.9 |
| Ripple-Tolerance Coefficient | 1.0 | 1.053 | 1.087 | 1.111 |
| Submodule Capacitance | 24.1 | 16.9 | 14.6 | 13.4 |
| Item | IGBT CR-MMC | IGBT ER-MMC | IGCT CR-MMC | IGCT ER-MMC |
|---|---|---|---|---|
| Device Rating | 4.5 kV | 4.5 kV | 6.5 kV | 6.5 kV |
| SM Voltage | 2000 V | 2000 V | 4000 V | 4000 V |
| SMs per Arm | 500 | 500 | 250 | 250 |
| κ | 1.0 | 1.087 | 1.0 | 1.087 |
| U*acN,LML (p.u.) | 0.85 | 0.85 | 0.79 | 0.79 |
| Wcap (kJ/MVA) | ~40 | ~28 | 55.99 | 33.92 |
| Wcap Reduction | — | ~30% | — | 39.4% |
| Cond. Loss (rel.) | 1.0 | ~1.02 | ~0.65 | ~0.66 |
| Item | CR-MMC | ER-MMC |
|---|---|---|
| Rated Active Power | 3000 W | |
| Rated DC Voltage | 400 V | |
| Rated AC Voltage | 100 V | |
| Number of Submodules per Arm | 4 | |
| Capacitor Voltage Base | 100 V | |
| Capacitor Peak Voltage | 113 V | |
| Arm Inductance | 5 mH | |
| DC Capacitor Voltage Reference | 100 V | 95 V |
| Ripple-Tolerance Coefficient | 1 | 1.053 |
| Submodule Capacitance | 1.17 mF | 0.78 mF |
Disclaimer/Publisher’s Note: The statements, opinions and data contained in all publications are solely those of the individual author(s) and contributor(s) and not of MDPI and/or the editor(s). MDPI and/or the editor(s) disclaim responsibility for any injury to people or property resulting from any ideas, methods, instructions or products referred to in the content. |
© 2026 by the authors. Licensee MDPI, Basel, Switzerland. This article is an open access article distributed under the terms and conditions of the Creative Commons Attribution (CC BY) license.
Share and Cite
Xie, J.; Yang, Z.; Wu, J.; Fu, Z.; Ou, J.; Guo, P. Capacitance Reduction in IGCT-Based MMC Through Elevated Ripple Tolerance Under Linear Modulation Constraints. Electronics 2026, 15, 1468. https://doi.org/10.3390/electronics15071468
Xie J, Yang Z, Wu J, Fu Z, Ou J, Guo P. Capacitance Reduction in IGCT-Based MMC Through Elevated Ripple Tolerance Under Linear Modulation Constraints. Electronics. 2026; 15(7):1468. https://doi.org/10.3390/electronics15071468
Chicago/Turabian StyleXie, Jianxiang, Zhe Yang, Jiaqi Wu, Zhichao Fu, Jiajun Ou, and Peiqian Guo. 2026. "Capacitance Reduction in IGCT-Based MMC Through Elevated Ripple Tolerance Under Linear Modulation Constraints" Electronics 15, no. 7: 1468. https://doi.org/10.3390/electronics15071468
APA StyleXie, J., Yang, Z., Wu, J., Fu, Z., Ou, J., & Guo, P. (2026). Capacitance Reduction in IGCT-Based MMC Through Elevated Ripple Tolerance Under Linear Modulation Constraints. Electronics, 15(7), 1468. https://doi.org/10.3390/electronics15071468

