Phase Margin Circuit Design Based on Cascaded DC-DC Converter and Two-Stage Op-Amp with Cascode Compensation
Abstract
1. Introduction
2. Basic Circuit
2.1. Miller Compensation
2.2. Miller Compensation with a Source Follower
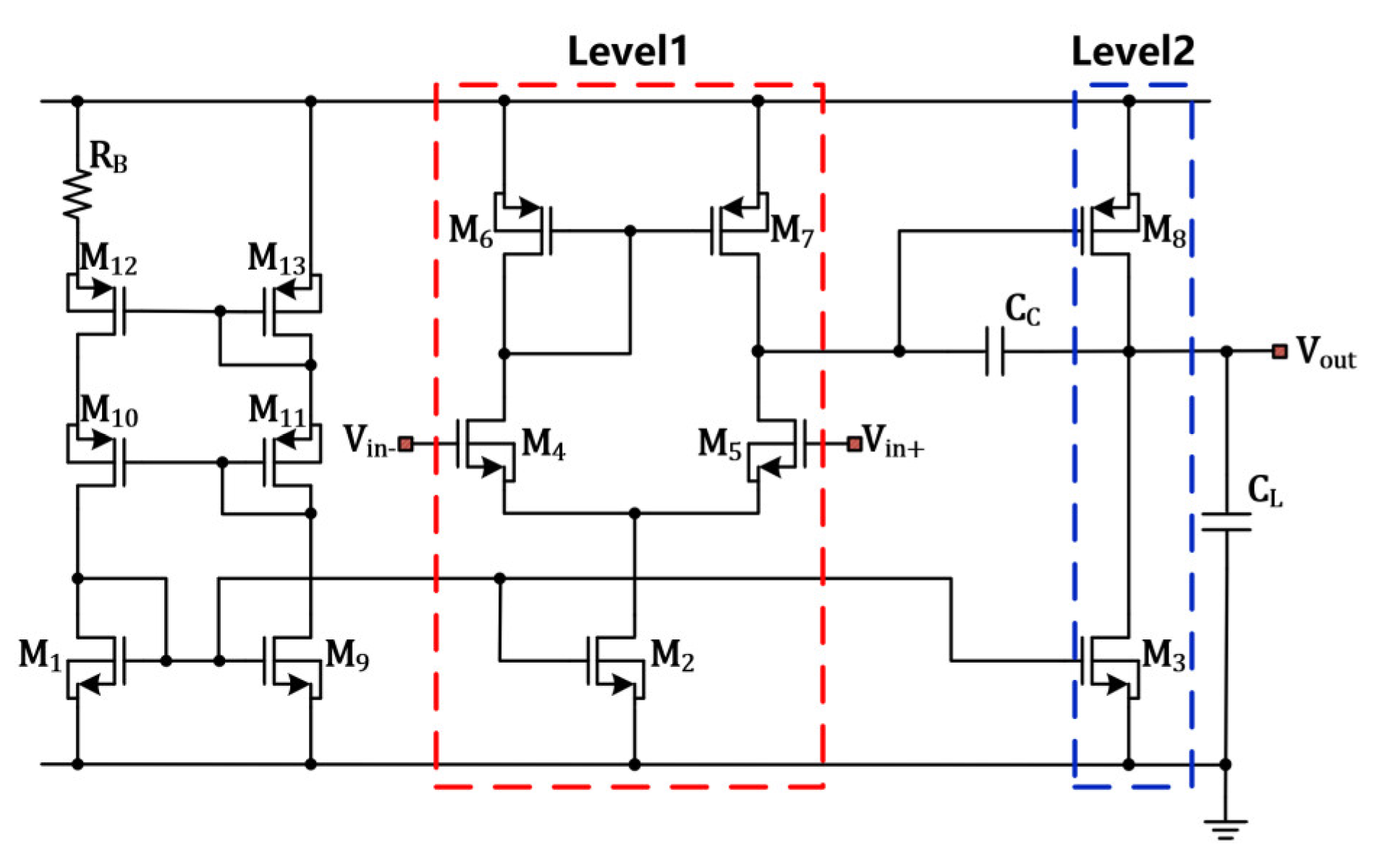
2.3. Miller Compensation with a Nulling Resistor
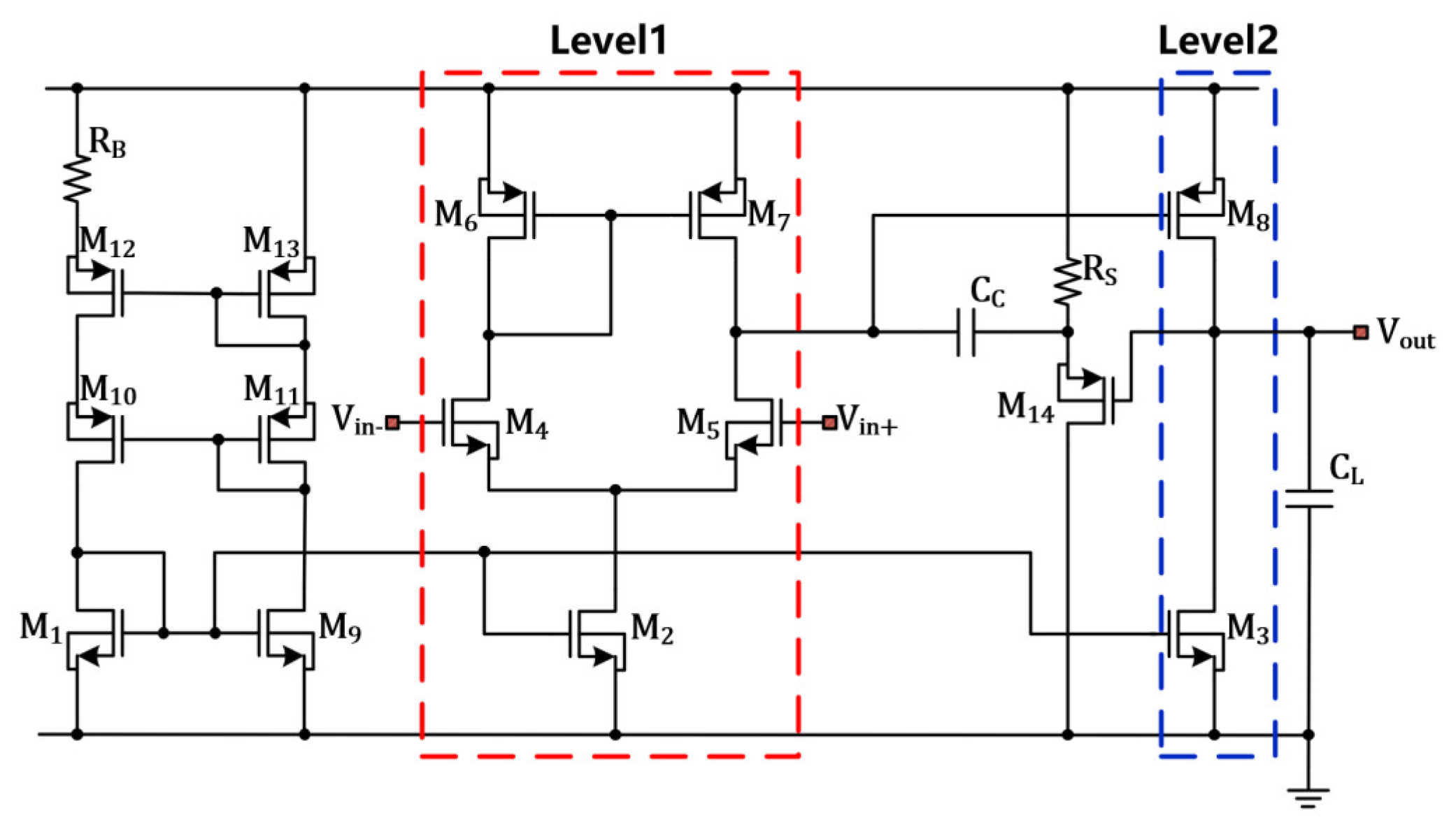
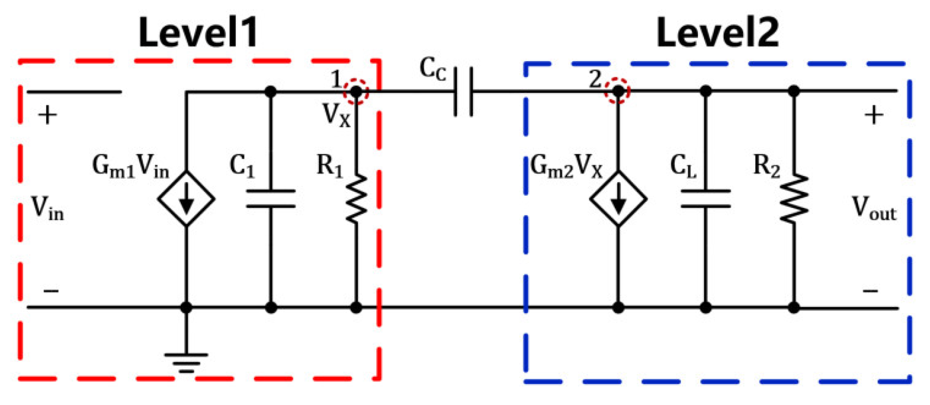
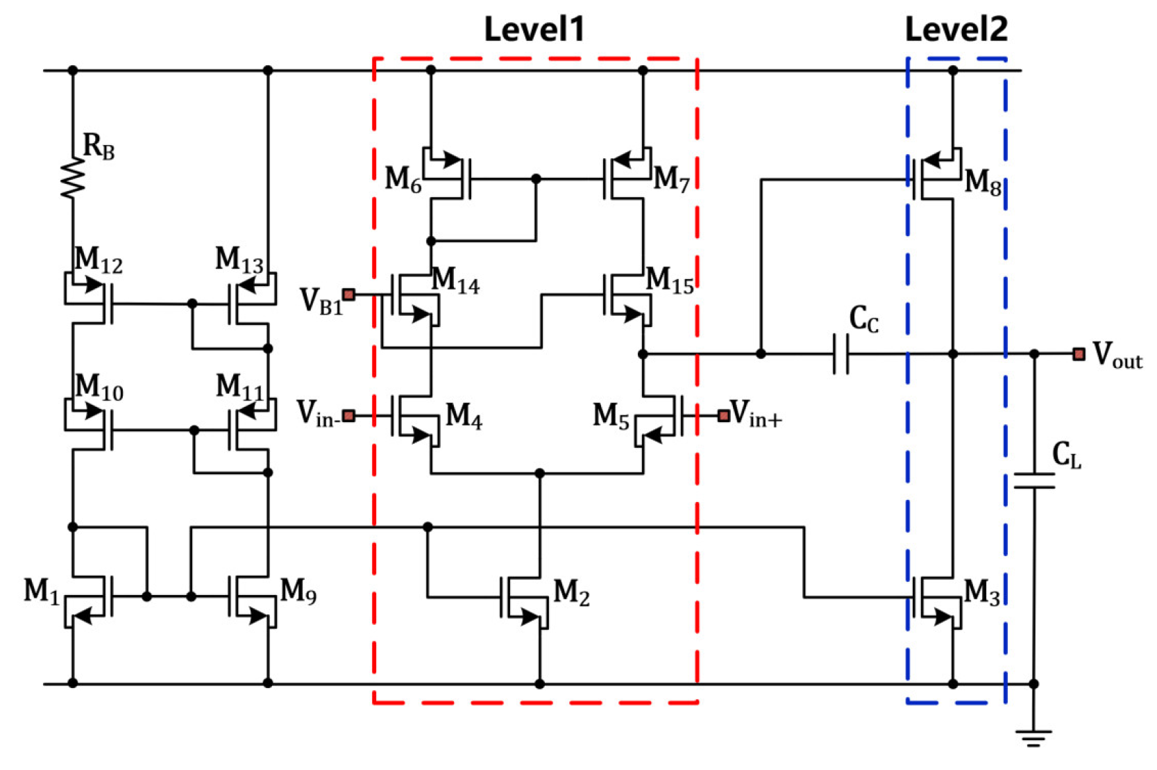
3. Circuit Design
3.1. Cascode-Compensated Two-Stage Op-Amp Control for Bandwidth Optimization
3.2. High-Speed PWM-Controlled Buck–Boost Power Converter
3.3. The Effect of PWM Modulator Delay on Loop Gain
3.4. Loop Gain and UGBW Definition
4. Results and Discussion
4.1. Setup
4.2. Load-Dependent Regulation of PM in Miller Compensation
4.3. PM Optimization of the CC
4.4. PM Comparison of Different Structures
4.5. Load Transient Response Analysis
5. Conclusions
Author Contributions
Funding
Data Availability Statement
Conflicts of Interest
Abbreviations
| CC | Compensation capacitor |
| PM | Phase margin |
| PWM | Pulse-width modulation |
| PFM | Pulse-frequency modulation |
| UGBW | Unity-gain bandwidth |
| −3 dB BW | −3 dB bandwidth |
References
- Fan, M.; Sun, K.; Lane, D.; Gu, W.; Li, Z.S.; Zhang, F. A novel generation rescheduling algorithm to improve power system reliability with high renewable energy penetration. IEEE Trans. Power Syst. 2018, 33, 3349–3357. [Google Scholar] [CrossRef]
- Mahdi Elsiddig Haroun, F.; Mohamad Deros, S.N.; Ahmed Alkahtani, A.; Md Din, N. Towards Self-Powered WSN: The Design of Ultra-Low-Power Wireless Sensor Transmission Unit Based on Indoor Solar Energy Harvester. Electronics 2022, 11, 2077. [Google Scholar] [CrossRef]
- Mandourarakis, I.; Gogolou, V.; Koutroulis, E.; Siskos, S. Integrated Maximum Power Point Tracking System for Photovoltaic Energy Harvesting Applications. IEEE Trans. Power Electron. 2022, 37, 9865–9875. [Google Scholar] [CrossRef]
- Truesdell, D.S.; Boley, J.; Wokhlu, A.; Gravel, A.; Wentzloff, D.D.; Calhoun, B.H. Modeling and Design of Cold-Start Charge Pumps for Photovoltaic Energy Harvesters. IEEE Trans. Circuits Syst. I Regul. Pap. 2023, 70, 4334–4345. [Google Scholar] [CrossRef]
- Zhao, J.; Parvizi, R.; Ghannam, R.; Law, M.K.; Walton, F.; Imran, M.A.; Heidari, H. Self-Powered Implantable CMOS Photovoltaic Cell with 18.6% Efficiency. IEEE Trans. Electron. Devices 2023, 70, 3149–3154. [Google Scholar] [CrossRef]
- Tao, J.; Mao, W.; Luo, Z.; Zeng, L.; Heng, C.-H. A Fully Integrated Power Converter for Thermoelectric Energy Harvesting with 81% Peak Efficiency and 6.4-mV Minimum Input Voltage. IEEE Trans. Power Electron. 2022, 37, 4968–4972. [Google Scholar] [CrossRef]
- Liu, L.; Xing, Y.; Huang, W.; Liao, X.; Li, Y. A 10 mV–500 mV Input Range, 91.4% Peak Efficiency Adaptive Multi-Mode Boost Converter for Thermoelectric Energy Harvesting. IEEE Trans. Circuits Syst. 2022, 69, 609–619. [Google Scholar] [CrossRef]
- Deihimi, A.; Mahmoodieh, M.E.S. Analysis and control of battery integrated dc/dc converters for renewable energy applications. IET Power Electron. 2017, 10, 1819–1831. [Google Scholar] [CrossRef]
- Kalkhambkar, V.; Kumar, R.; Bhakar, R. Joint optimal allocation methodology for renewable distributed generation and energy storage for economic benefits. IET Renew. Power Gener. 2016, 10, 1422–1429. [Google Scholar] [CrossRef]
- Ajami, A.; Ardi, H.; Farakhor, A. A novel high step-up DC/DC converter based on integrating coupled inductor and switched-capacitor techniques for renewable energy applications. IEEE Trans. Power Electron. 2015, 30, 4255–4263. [Google Scholar] [CrossRef]
- Tummuru, N.R.; Mishra, M.K.; Srinivas, S. Dynamic energy management of renewable grid integrated hybrid energy storage system. IEEE Trans. Ind. Electron. 2015, 62, 7728–7737. [Google Scholar] [CrossRef]
- Muhammetoglu, B.; Jamil, M. Design and Optimization of a Scalable Bidirectional DC-DC Converter for Electric Vehicle Charging Applications using SiC Switches. In 12th International Conference on Smart Grid, icSmartGrid 2024, Setubal, Portugal, 27–29 May 2024; IEEE: New York, NY, USA, 2024. [Google Scholar]
- Hosseinpour, M.; Heydarvand, M.; Azizkandi, M.E. A new positive output DC–DC buck–boost converter based on modified boost and ZETA converters. Sci. Rep. 2024, 14, 20675. [Google Scholar] [CrossRef] [PubMed]
- Zhao, S.X.; Zhan, C.C. A Three-Fine-Level Buck-Boost Hybrid Converter Achieving Half-VIN-Stress on All Switches and Fast Transient Response. IEEE J. Solid-State Circuits 2024, 60, 1719–1730. [Google Scholar] [CrossRef]
- Alharbi, S.S.; Alharbi, S.S.; Al-Bayati, A.M.S.; Matin, M. Design and performance evaluation of a DC-DC buck-boost converter with cascode GaN FET, SiC JFET, and Si IGBT power devices. In 2017 North American Power Symposium (NAPS), Morgantown, WV, USA, 17–19 September 2017; IEEE: New York, NY, USA, 2017; pp. 1–6. [Google Scholar]
- Alharbi, S.S.; Alharbi, S.S.; Matin, M. The Benefits of Using Cascode GaN Power Devices in a Bidirectional DC-DC Buck/Boost Converter. In 2018 IEEE International Power Modulator and High Voltage Conference (IPMHVC), Jackson, WY, USA, 3–7 June 2018; IEEE: New York, NY, USA, 2018; pp. 166–171. [Google Scholar]
- Park, I.; Jeon, J.; Kim, H.; Park, T.; Kim, C.; Jeong, J. A Thermoelectric Energy-Harvesting Interface With Dual-Conversion Reconfigurable DC–DC Converter and Instantaneous Linear Extrapolation MPPT Method. IEEE J. Solid-State Circuits 2023, 58, 1706–1718. [Google Scholar] [CrossRef]
- Chen, Y.; Yu, B.L. A buck DC-DC converter with a novel PWM/PFM hybrid-mode auto-change technique. In 2017 International Conference on Electron Devices and Solid-State Circuits (EDSSC), Hsinchu, Taiwan, 18–20 October 2017; IEEE: New York, NY, USA, 2017. [Google Scholar]
- Kondrath, N.; Kazimierczuk, M.K. Loop gain and margins of stability of inner-current loop of peak current-mode-controlled PWM dc-dc converters in continuous conduction mode. IET Power Electron. 2011, 4, 701–707. [Google Scholar] [CrossRef]
- Tran, M.; Kobori, Y. PM Test for Power-Stage of DC-DC Buck Converter. In Proceedings of the International Conference on Technology and Social Science, Kiryu City, Japan, 2–4 December 2020. [Google Scholar]
- Gong, J.; Liao, P.F.; Luo, P.; Zhen, S.W.; Zeng, Y. A Phase Lead Compensation block for DC-DC converters in PMU. In 2012 IEEE 11th International Conference on Solid-State and Integrated Circuit Technology, Xi’an, China, 29 October–1 November 2012; IEEE: New York, NY, USA, 2012; pp. 1339–1341. [Google Scholar]
- Sakthivel, K.; Krishnasamy, R.; Balasubramanian, K.; Krishnakumar, V.; Ganesan, M. Averaged state space modeling and the applicability of the series Compensated Buck-Boost converter for harvesting solar Photo Voltaic energy. Sustain. Energy Technol. Assess. 2022, 53, 102611. [Google Scholar] [CrossRef]














| Compensation Scheme | Dominant Pole p1 | Second Pole p2 | Approximate UGBW Expression |
|---|---|---|---|
| Traditional Miller Compensation | 1/gm2R1R2CC | Gm2/CL | |
| Miller Compensation with Source Follower | 1/gm2R1R2CC | Gm2/CL | |
| Miller Compensation with Nulling Resistor | 1/gm2R1R2CC | Gm2/CL | Zero moved to LHP; fc slightly higher (if RZ > 1/gm2RZ) |
| Cascode Compensation with Virtual Ground (This work) | 1/gm2R1R2CC | CC/C1 × Gm2/CL |
| Parameter | Value | Unit | Parameter | Value | Unit |
|---|---|---|---|---|---|
| (W/L)1 | 37/1 | µm | RS | 1 | KΩ |
| (W/L)2 | 37/1 | µm | RZ | 1 | KΩ |
| (W/L)3 | 22/1 | µm | Rload | 1 | Ω |
| (W/L)4 | 22/1 | µm | C0 | 10 | µF |
| (W/L)5 | 10/1 | µm | CC | 10 | pF |
| (W/L)6 | 180/1 | µm | CL | 4 | pF |
| (W/L)7 | 40/1 | µm | VA | 5 | V |
| (W/L)8 | 40/1 | µm | VB | −VA × D/(1 − D) | V |
| (W/L)9 | 40/1 | µm | VIN | 5 | V |
| (W/L)10 | 40/1 | µm | VIN_ac | 500 | µV |
| (W/L)11 | 40/1 | µm | VIN_CM | 900 | mV |
| (W/L)12 | 36/1 | µm | E0 | VA − VB | V |
| (W/L)13 | 36/1 | µm | I1 | IC | / |
| (W/L)14 | 16/1 | µm | I2 | −IC | / |
| (W/L)15 | 20/1 | µm | IC | −VB/Rload/(1 − D) | / |
| (W/L)16 | 15/1 | µm | D | 0.2 | / |
| (W/L)17 | 15/1 | um | (n1/n2) K0 | 1/D | / |
| L0 | 1 | µH | (n1/n2) K1 | 1/(1 − D) | / |
| R0 | 5 | mΩ | PDK | tsmcN65 | / |
| RB | 8.06 | KΩ | Model File | toplevel.scs | / |
| Load Condition | −3 dB BW | PM | UGBW |
|---|---|---|---|
| heavy load | 14.62 kHz | 43.98° | 1.50 MHz |
| light load | 15.27 kHz | 97.37° | 1.02 MHz |
| Compensation Capacitance | −3 dB BW | PM | UGBW |
|---|---|---|---|
| 1.5 pF | 14.62 kHz | 43.98° | 1.50 MHz |
| 10 pF | 1.80 kHz | 55.25° | 631.44 kHz |
| Compensation Structure | −3 dB BW | PM | UGBW |
|---|---|---|---|
| Traditional Miller Compensation | 1.80 kHz | 55.25° | 631.44 kHz |
| Miller Compensation with Source Follower | 5.01 kHz | 53.21° | 985.83 kHz |
| Miller Compensation with Nulling Resistor | 1.81 kHz | 57.41° | 629.90 kHz |
| Self-loop function derivation technique [19] | / | 49° | / |
| Cascode Compensation with Virtual Ground (This work) | 60.34 kHz | 58.36° | 729.36 kHz |
| Condition | Compensation Structure | −3 dB BW | PM | UGBW |
|---|---|---|---|---|
| Heavy Load (1 Ω) | Traditional Miller Compensation | 1.80 kHz | 55.25° | 631.44 kHz |
| Miller Compensation with Source Follower | 5.01 kHz | 53.21° | 985.83 kHz | |
| Miller Compensation with Nulling Resistor | 1.81 kHz | 57.41° | 629.90 kHz | |
| Cascode Compensation with Virtual Ground (This work) | 60.34 kHz | 58.36° | 729.36 kHz | |
| Light Load (10 Ω) | Traditional Miller Compensation | 1.81 kHz | 97.00° | 546.59 kHz |
| Miller Compensation with Source Follower | 5.03 kHz | 101.24° | 759.42 kHz | |
| Miller Compensation with Nulling Resistor | 1.81 kHz | 98.86° | 541.49 kHz | |
| Cascode Compensation with Virtual Ground (This work) | 62.13 kHz | 108.97° | 602.76 kHz |
Disclaimer/Publisher’s Note: The statements, opinions and data contained in all publications are solely those of the individual author(s) and contributor(s) and not of MDPI and/or the editor(s). MDPI and/or the editor(s) disclaim responsibility for any injury to people or property resulting from any ideas, methods, instructions or products referred to in the content. |
© 2026 by the authors. Licensee MDPI, Basel, Switzerland. This article is an open access article distributed under the terms and conditions of the Creative Commons Attribution (CC BY) license.
Share and Cite
An, W.; Jia, H.; Xu, J.; Wang, N. Phase Margin Circuit Design Based on Cascaded DC-DC Converter and Two-Stage Op-Amp with Cascode Compensation. Electronics 2026, 15, 1260. https://doi.org/10.3390/electronics15061260
An W, Jia H, Xu J, Wang N. Phase Margin Circuit Design Based on Cascaded DC-DC Converter and Two-Stage Op-Amp with Cascode Compensation. Electronics. 2026; 15(6):1260. https://doi.org/10.3390/electronics15061260
Chicago/Turabian StyleAn, Wentong, Hongzhi Jia, Jianren Xu, and Ning Wang. 2026. "Phase Margin Circuit Design Based on Cascaded DC-DC Converter and Two-Stage Op-Amp with Cascode Compensation" Electronics 15, no. 6: 1260. https://doi.org/10.3390/electronics15061260
APA StyleAn, W., Jia, H., Xu, J., & Wang, N. (2026). Phase Margin Circuit Design Based on Cascaded DC-DC Converter and Two-Stage Op-Amp with Cascode Compensation. Electronics, 15(6), 1260. https://doi.org/10.3390/electronics15061260

