Minimalist Continuous-Time Delta-Sigma Modulators for Ultra-Low-Voltage Current-Sensing Front-Ends
Abstract
1. Introduction
2. Continuous-Time First-Order Delta-Sigma Modulators: Architecture Overview
2.1. Common Building Blocks
2.1.1. Current-Mode Passive Integrator
2.1.2. Dynamic Clocked Comparator
2.2. Feedback DAC Architectures: A Comparative Study
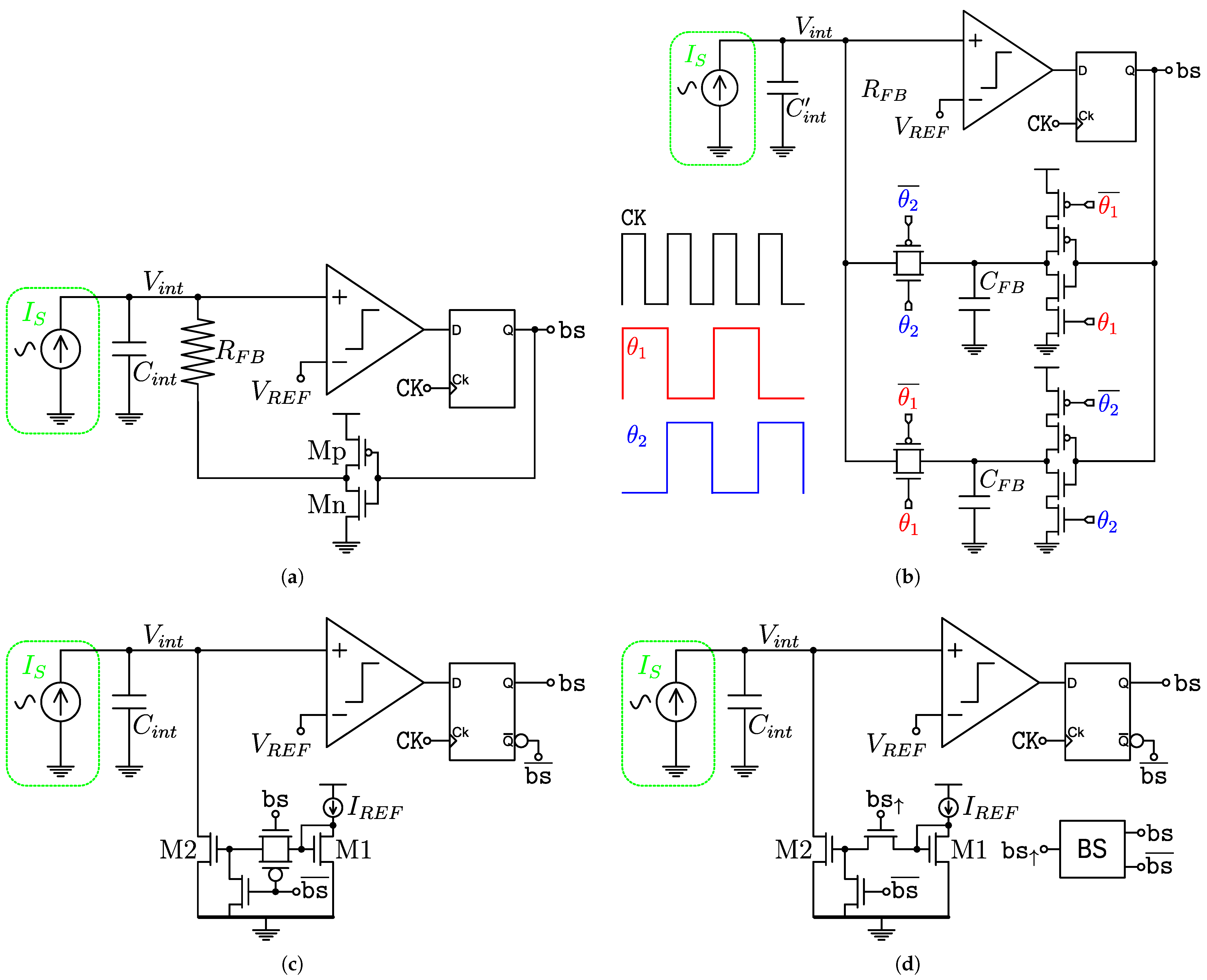
2.2.1. Architecture A: Resistive-Feedback DAC (RF-DAC)
- (i)
- A -dependent term is always present: Regardless of the bit value, there is an additive term . Taking the time average (or expectation) of (5) for a bit stream with mean :While the modulator is stable (i.e., it does not produce a divergent behavior of ): and, consequently, . Hence,This relationship demonstrates the linear dependence of the DC output stream to the DC of the input signal.
- (ii)
- For a discrete-time forward Euler integrator with sampling period T:The derived difference equation for the integrator output voltage, , reveals a critical deviation from the ideal, standard model of a first-order modulator. While the standard discrete-time model is characterized by a clean accumulation of the integral of the input current and a digital feedback current quantized to two levels, our model includes an additional, analog-dependent term:This term arises physically because the feedback DAC is not an ideal current source. It is a voltage-mode switched resistor. Consequently, the feedback current, is not solely determined by the digital code and the reference voltage , but is also linearly modulated by the instantaneous voltage at the summing node, as seen in Equation (5). This introduces a linear, time-varying, negative feedback path through the resistor that is always active, regardless of the DAC switch state.
- 1.
- Effective Integration Time Constant: The parasitic term is proportional to the integral of itself. This is mathematically equivalent to adding a leaky or lossy component to the ideal integrator. The difference equation can be reinterpreted aswhere and —respectively, corresponding to terms and in (8)—are the ideal input and feedback increments, and represents higher-order terms from the precise integration of the time-varying . The coefficient indicates that the pole of the integrator is not at the ideal DC () but is shifted inside the unit circle, located at . This reduces the DC gain of the integrator, which is the key building block for shaping quantization noise.
- 2.
- Effects on noise shaping: In linearized models of DSM, the suppression of quantization noise is directly related to the gain of the integrator within the signal band. A finite DC gain modifies the first-order noise transfer function (NTF) from to . The parasitic feedback path effectively sets . This limits the achievable noise shaping, causing the in-band quantization noise floor to saturate rather than decrease indefinitely for . A first-order estimation shows that the maximum SQNR improvement from oversampling is capped at approximately [1]
- 3.
- Signal-Dependent Feedback and Non-Linearity: While the time-average of the -dependent term cancels for a stable modulator with , its instantaneous effect is signal-dependent. This introduces a non-linear distortion mechanism. The feedback current is not a clean, two-level waveform but is “contaminated” by the analog integrator output. This distortion is distinct from and potentially more harmful than the simple gain error described in point (i) of the previous analysis, as it generates harmonic tones.
- 4.
- Design Implication: the time constant. The analysis reveals that the product is a crucial design parameter. For the modulator to approach ideal behavior,This condition ensures the parasitic leak is small, restoring high integrator gain. However, increasing reduces the feedback current step size (), which can compromise stability for a given input range. Increasing is, on the other hand, viable without compromising input full-scale stability, at cost of silicon area. Thus, selecting and , once the product is fixed in order to satisfy (12), represents a fundamental trade-off between the modulator input full-scale and area (cost).
- Increasing reduces the nominal feedback current step. While simulations show stability can be maintained over a wider range than the simple relation suggests, it ultimately reduces the loop gain available to correct large input currents, thereby compressing the stable input range.
- Increasing directly satisfies (12) without altering the DAC’s current drive, preserving the intrinsic feedback strength. Its penalty is increased silicon area.
2.2.2. Architecture B: Switched-Capacitor DAC (SC-DAC)
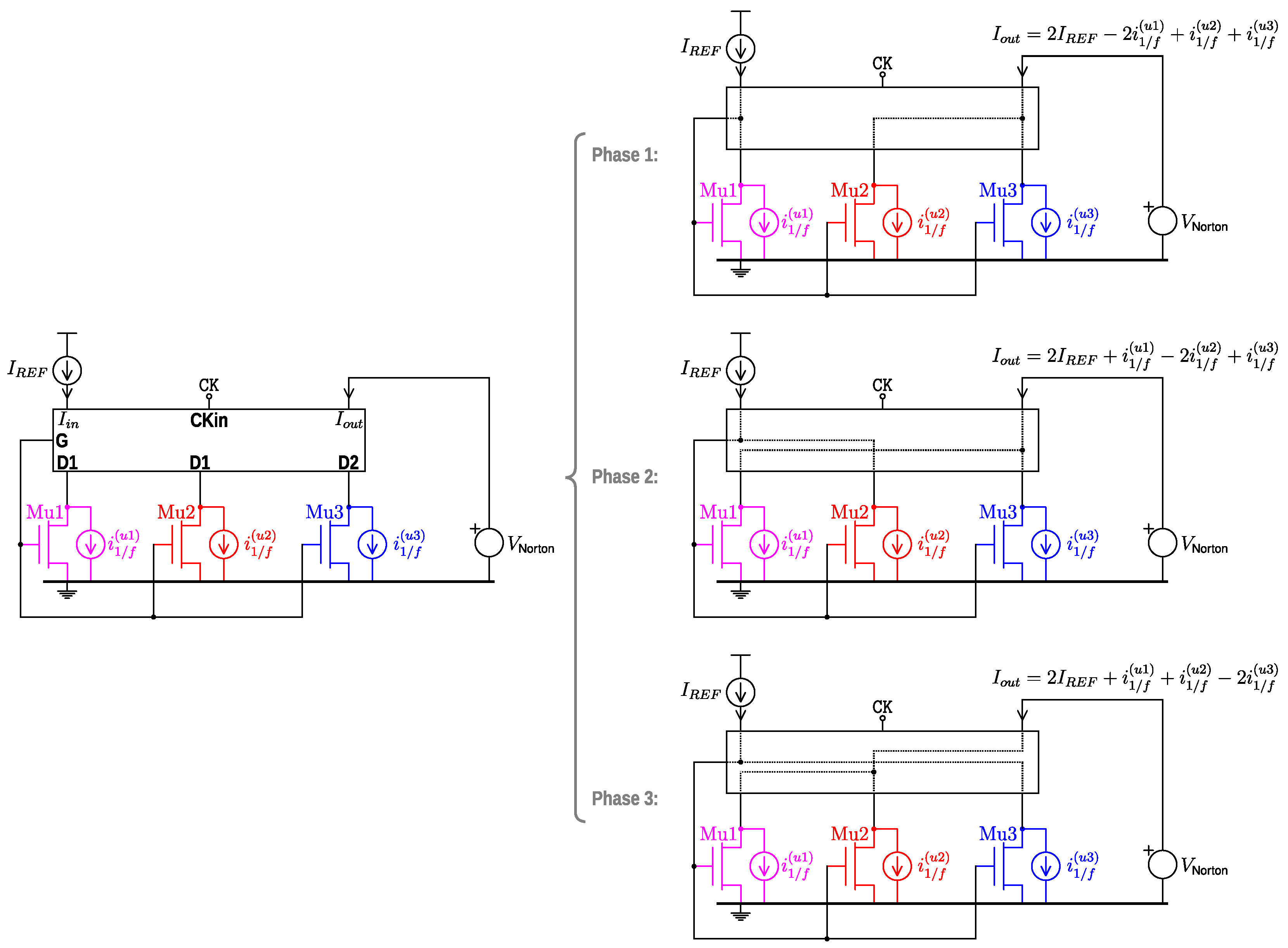
2.2.3. Architecture C: Current-Reference DAC (CR-DAC)
2.2.4. Architecture D: Bootstrapped Current-Reference DAC (BS-CR-DAC)
2.3. Summary of Architectural Features
3. Results and Discussion
3.1. Nominal Simulations
3.2. Robustness Analysis
3.3. Frequency Scaling Analysis
3.4. Design Guidelines and Trade-Off Regions
- 1.
- Integration Swing vs. Area: In a passive integrator at 0.4 V, the maximum linear swing is limited to approximately = 200 mV. To avoid integrator saturation, the maximum voltage step per clock cycle must satisfy , where is the sensor full-scale current. With and given that , the minimum integration capacitor is bounded byFor nA and kHz, this results in the 240 pF value used in this work, establishing a clear area-efficiency limit for current-mode sensing. When utilizing MOSCAPs to save area, the non-linear characteristic (Equation (2)) introduces signal-dependent gain variation. Our analysis indicates that while this adds to the total harmonic distortion (THD), the effect remains secondary to DAC-induced leakage at 0.4 V.
- 2.
- Mitigating Signal-Dependent Leakage: According to the analytical considerations derived in Section 2.2.1 and expressed in Equation (12), to ensure that the leakage through the feedback network does not degrade the SNDR below the quantization limit, the sampling frequency must be chosen such thatwhere is the effective DAC resistance (relevant for Architectures A and B). At ULV, is often capped by digital logic reliability (). In such constrained scenarios, Architecture D (BS-CR-DAC) is the superior choice, as it decouples the feedback current from the integrator voltage, effectively linearizing the loop.
- 3.
- Frequency Scaling and Noise vs. Distortion: For sub-10 Hz medium-to-low resolution sensing, while flicker noise is traditionally the bottleneck, ULV operation makes the modulator highly susceptible to switch leakage and settling-induced distortion. Scaling toward (e.g., from 12.5 kHz to 25 kHz) mitigates these effects, yielding a significant +6 dB SNDR improvement. It should be noted that for Architectures A and C, non-idealities manifest as broadband noise, whereas for B and D, they appear as distinct harmonics; thus, the choice of architecture should also consider the spectral requirements of the specific sensing application.
3.5. Comparative Study
| Metric | This Work M-B | This Work M-D | [22] | [46] | [27] | [30] | [50] | [47] | [48] | [49] | [31] | [13] | ||
|---|---|---|---|---|---|---|---|---|---|---|---|---|---|---|
| Technology [nm] | 180 | 180 | 2500 | 500 | 65 | 130 | 65 | 180 | 65 | 180 | 65 | 150 | ||
| Supply Voltage [V] | 0.4 | 0.5 | 0.4 | 0.5 | 5.0 | 3.3 | 1.2 | 1.2 | 0.4 | 1.8 | 1.5 | 1.2 | 0.7 | 1.5 |
| Input Signal Type ★ | I | I | I | V | V | V | V | V | V | V | V | V | ||
| [MHz] | 0.0125 | 0.0125 | 0.0010 | 0.512 | 15 | 5.47 | 0.64 | 0.3 | 10.24 | 8 | 320 | 6.144 | ||
| Bandwidth [kHz] | 0.0061 | 0.0061 | 0.0005 | 0.5 | 58.59 | 21.36 | 10 | 0.25 | 20 | 0.2 × 16 | 2 | 6 | ||
| Power [μW] | 0.0081 | 0.0101 | 0.0022 | 0.0022 | 15 | 72.6 | 9.42 | 80 | 0.16 | 23 | 300 | 34.8 | 256 | 110 |
| SNDRmax [dB] | 55.2 | 57.4 | 55.0 | 62.5 | 71.0 | 55.0 | 51.1 | 51.34 | 56.4 | 78.0 | 82.0 | 75.9 | 69.1 | 92.4 |
| Dynamic Range [dB] | 61.5 | 65.3 | 61.4 | 65.2 | – | 58 | – | – | 63.1 | 90 | 91 | 86 | 76.2 | 94.4 |
| Area [mm2] | 0.094 | 0.094 | 6.44 | 9.0 | 0.0011 | 0.0024 | 0.035 | 0.088 | 0.07 | 0.34 | 0.013 | 0.016 | ||
| Modulator order | 1st | 1st | 1st | 1st | 1st | 1st | 2nd | 2nd | 2nd | 2nd | 3rd | 3rd | ||
| ENOB [bits] | 8.9 | 9.2 | 8.8 | 10.1 | 11.5 | 8.8 | 8.2 | 8.23 | 10.2 | 12.7 | 13.3 | 12.3 | 11.2 | 15.0 |
| FOMW [pJ/conv.-step] | 1.392 | 1.410 | 0.399 | 0.166 | 5279 | 158.0 | 0.27 | 6.25 | 0.015 | 7.11 | 0.73 | 1.07 | 0.027 | 0.271 |
| FOMS [dB] | 150.3 | 153.1 | 155.9 | 159.6 | 116.2 † | 126.4 | 149.0 † | 135.6 † | 171.1 | 160.4 | 160.2 | 165.6 | 175.1 | 171.8 |
3.6. Broader Implications and Limitations
4. Conclusions
Author Contributions
Funding
Institutional Review Board Statement
Informed Consent Statement
Data Availability Statement
Acknowledgments
Conflicts of Interest
References
- Schreier, R.; Temes, G.C. Understanding Delta-Sigma Data Converters; IEEE Press: Piscataway, NJ, USA, 2005; Volume 74. [Google Scholar]
- de la Rosa, J.M. Sigma-Delta modulators: Tutorial overview, design guide, and state-of-the-art survey. IEEE Trans. Circuits Syst. I Regul. Pap. 2010, 58, 1–21. [Google Scholar] [CrossRef]
- Catania, A.; Gagliardi, F.; Piotto, M.; Bruschi, P.; Dei, M. Ultralow-power inverter-based delta-sigma modulator for wearable applications. IEEE Access 2024, 12, 80009–80019. [Google Scholar] [CrossRef]
- Ria, A.; Cicalini, M.; Bruschi, P.; Piotto, M.; Dei, M. Wide-Range Low-Power Low-Voltage Integrated Capacitance-to-Digital Converter for On-Body Sweat-Rate Sensing. IEEE Sens. J. 2025, 25, 10250–10260. [Google Scholar] [CrossRef]
- Christie, E.; Marchant, J.; Smith, S.; Kong, L.; Chen, C.-H.; Chiang, S.-H.W. A Review on Sub-0.21-V Ultra-Low-Supply-Voltage Analog-to-Digital Converters. IEEE Open J. Circuits Syst. 2025, 6, 228–240. [Google Scholar] [CrossRef]
- Dei, M.; Aymerich, J.; Piotto, M.; Bruschi, P.; del Campo, F.J.; Serra-Graells, F. CMOS Interfaces for Internet-of-Wearables Electrochemical Sensors: Trends and Challenges. Electronics 2019, 8, 150. [Google Scholar] [CrossRef]
- Guimerà-Brunet, A.; Terés, L.; Dei, M.; Cisneros-Fernández, J.; Serra-Graells, F.; Garrido, J.A. Circuit for the Multiplexing and Read-Out of Variable-Resistance Sensor Arrays. WIPO Patent Application WO2020025786A1, 6 February 2020. [Google Scholar]
- Aymerich, J.; Ferrer-Vilanova, A.; Cisneros-Fernández, J.; Escudé-Pujol, R.; Guirado, G.; Terés, L.; Dei, M.; Muñoz-Berbel, X.; Serra-Graells, F. Ultrasensitive bacterial sensing using a disposable all-in-one amperometric platform with self-noise cancellation. Biosens. Bioelectron. 2023, 234, 115342. [Google Scholar] [CrossRef] [PubMed]
- Chen, W.; Meng, L.; Zhao, M.; Tan, Z. Analysis and Design of a Low-Voltage High-Precision Switched-Capacitor Delta-Sigma Modulator. IEEE Open J. Solid-State Circuits Soc. 2024, 5, 157–166. [Google Scholar] [CrossRef]
- Park, H.; Nam, K.; Su, D.K.; Vleugels, K.; Wooley, B.A. A 0.7-V 870-μW Digital-Audio CMOS Sigma-Delta Modulator. IEEE J. Solid-State Circuits 2009, 44, 1078–1088. [Google Scholar] [CrossRef]
- Qiao, Z.; Zhou, X.; Li, Q. A 250mV 77dB DR 10kHz BW SC ΔΣ Modulator Exploiting Subthreshold OTAs. In Proceedings of the ESSCIRC 2014 – 40th European Solid State Circuits Conference, Venice Lido, Italy, 22–26 September 2014; pp. 419–422. [Google Scholar] [CrossRef]
- Michel, F.; Steyaert, M.S.J. A 250 mV 7.5 μW 61 dB SNDR SC ΔΣ Modulator Using Near-Threshold-Voltage-Biased Inverter Amplifiers in 130 nm CMOS. IEEE J. Solid-State Circuits 2012, 47, 709–721. [Google Scholar] [CrossRef]
- Balagopal, S.; Saxena, V. A low-power single-bit continuous-time ΔΣ converter with 92.5 dB dynamic range for biomedical applications. J. Low Power Electron. Appl. 2012, 2, 197–209. [Google Scholar] [CrossRef]
- Cherry, J.A. Theory, Practice, and Fundamental Performance Limits of High-Speed Data Conversion Using Continuous-Time Delta-Sigma Modulators. Ph.D. Thesis, Carleton University, Ottawa, ON, Canada, 1999. [Google Scholar] [CrossRef]
- Jang, M.; Lee, S.; Kim, J.; Cho, Y. Design Techniques for Energy-Efficient Analog-to-Digital Converters. IEEE Open J. Solid-State Circuits Soc. 2023, 3, 145–161. [Google Scholar] [CrossRef]
- Gerfers, F.; Ortmanns, M.; Manoli, Y. A 1.5-V 12-bit power-efficient continuous-time third-order ΣΔ modulator. IEEE J. Solid-State Circuits 2003, 38, 1343–1352. [Google Scholar] [CrossRef]
- Matsukawa, K.; Mitani, Y.; Takayama, M.; Obata, K.; Dosho, S.; Matsuzawa, A. A Fifth-Order Continuous-Time Delta-Sigma Modulator with Single-Opamp Resonator. IEEE J. Solid-State Circuits 2010, 45, 697–706. [Google Scholar] [CrossRef]
- Basak, D.; Li, D.; Pun, K.P. A Gm-C delta-sigma modulator with a merged input-feedback Gm circuit for nonlinearity cancellation and power efficiency enhancement. IEEE Trans. Circuits Syst. I Regul. Pap. 2017, 65, 1196–1209. [Google Scholar] [CrossRef]
- Lv, L.; Zhou, X.; Qiao, Z.; Li, Q. Inverter-Based Subthreshold Amplifier Techniques and Their Application in 0.3-V ΔΣ-Modulators. IEEE J. Solid-State Circuits 2019, 54, 1436–1445. [Google Scholar] [CrossRef]
- Colodro, F.; Torralba, A. New Continuous-Time Multibit Sigma–Delta Modulators with Low Sensitivity to Clock Jitter. IEEE Trans. Circuits Syst. I Regul. Pap. 2009, 56, 74–83. [Google Scholar] [CrossRef]
- Cho, Y.K. A Single Op-Amp Resonator-Based Continuous-Time Sigma–Delta Modulator with Time-Division Switching for Excess Loop Delay Compensation. IEEE Trans. Circuits Syst. II Express Briefs 2024, 71, 1789–1793. [Google Scholar] [CrossRef]
- Sutula, S.; Pallarés Cuxart, J.; Gonzalo-Ruiz, J.; Muñoz-Pascual, F.X.; Terés, L.; Serra-Graells, F. A 25-μW All-MOS Potentiostatic Delta-Sigma ADC for Smart Electrochemical Sensors. IEEE Trans. Circuits Syst. I Regul. Pap. 2014, 61, 671–679. [Google Scholar] [CrossRef]
- Aymerich, J.; Márquez, A.; Muñoz-Berbel, X.; Del Campo, F.J.; Guirado, G.; Terés, L.; Serra-Graells, F.; Dei, M. A 15-μW 105-dB 1.8-V pp potentiostatic delta-sigma modulator for wearable electrochemical transducers in 65-nm CMOS technology. IEEE Access 2020, 8, 62127–62136. [Google Scholar] [CrossRef]
- Ghanbari, S.; Habibi, M.; Magierowski, S. A High-Efficiency Discrete Current Mode Output Stage Potentiostat Instrumentation for Self-Powered Electrochemical Devices. IEEE Trans. Instrum. Meas. 2018, 67, 2247–2255. [Google Scholar] [CrossRef]
- Yin, H.; Ashoori, E.; Mu, X.; Mason, A.J. A Compact Low-Power Current-to-Digital Readout Circuit for Amperometric Electrochemical Sensors. IEEE Trans. Instrum. Meas. 2020, 69, 1972–1980. [Google Scholar] [CrossRef]
- Yeknami, A.F.; Wang, X.; Jeerapan, I.; Imani, S.; Nyein, H.Y.Y.; Javey, A. A 0.3-V CMOS Biofuel-Cell-Powered Wireless Glucose/Lactate Biosensing System. IEEE J. Solid-State Circuits 2018, 53, 3126–3139. [Google Scholar] [CrossRef]
- Dias, F.M.; Pocinho, H.A.; Rodrigues, G.; Fernandes, J.; Caetano, D.M. Ultra-Compact Low-Power 1st Order Quasi-Passive Sigma-Delta Modulator for Organ-on-Chip Systems. In Proceedings of the 2025 IEEE International Symposium on Circuits and Systems (ISCAS), London, UK, 25–28 May 2025; pp. 1–5. [Google Scholar] [CrossRef]
- Pavan, S. Fundamentals of Continuous-Time ADCs: Part Two: Continuous-Time Delta–Sigma Converters. IEEE Solid-State Circuits Mag. 2024, 16, 76–82. [Google Scholar] [CrossRef]
- Zhu, Z.; Bai, W. A 0.5-V 1.3-μW Analog Front-End CMOS Circuit. IEEE Trans. Circuits Syst. II Express Briefs 2016, 63, 523–527. [Google Scholar] [CrossRef]
- Rodrigues, G.; Fernandes, J.; Rabuske, T. A Small-Footprint Quasi-Passive 1st Order ΔΣ Modulator. In Proceedings of the 2019 IEEE International Symposium on Circuits and Systems (ISCAS), Sapporo, Japan, 26–29 May 2019; pp. 1–5. [Google Scholar] [CrossRef]
- de Melo, J.L.; Paulino, N.; Goes, J. Continuous-Time Delta-Sigma Modulators Based on Passive RC Integrators. IEEE Trans. Circuits Syst. I Regul. Pap. 2018, 65, 3662–3674. [Google Scholar] [CrossRef]
- Tsividis, Y.; McAndrew, C. Operation and Modeling of the MOS Transistor, 3rd ed.; Oxford University Press: New York, NY, USA, 2011. [Google Scholar]
- Stornelli, V.; Safari, L.; Barile, G.; Ferri, G. A New Extremely Low Power Temperature Insensitive Electronically Tunable VCII-Based Grounded Capacitance Multiplier. IEEE Trans. Circuits Syst. II Express Briefs 2021, 68, 72–76. [Google Scholar] [CrossRef]
- Senani, R.; Singh, A.K.; Rai, M. A new CMOS grounded positive capacitance-multiplier and an up-to-date bibliography on capacitance multipliers. AEU-Int. J. Electron. Commun. 2025, 190, 155643. [Google Scholar] [CrossRef]
- Chae, Y.; Lee, I.; Han, G. A 0.7V 36μW 85dB-DR Audio ΔΣ Modulator Using Class-C Inverter. In Proceedings of the 2008 IEEE International Solid-State Circuits Conference (ISSCC), San Francisco, CA, USA, 3–7 February 2008; pp. 490–630. [Google Scholar] [CrossRef]
- Kurth, C.; Moschytz, G. Nodal analysis of switched-capacitor networks. IEEE Trans. Circuits Syst. 1979, 26, 93–105. [Google Scholar] [CrossRef]
- Bandyopadhyay, A. Equivalent circuit of a switched capacitor simulated resistor. Proc. IEEE 1980, 68, 178–179. [Google Scholar] [CrossRef]
- Lefebvre, M.; Bol, D. A nA-Range Area-Efficient Sub-100-ppm/°C Peaking Current Reference Using Forward Body Biasing in 0.11-μm Bulk and 22-nm FD-SOI. IEEE J. Solid-State Circuits 2025, 60, 579–592. [Google Scholar] [CrossRef]
- Huang, Q.; Zhan, C.; Wang, L.; Li, Z.; Pan, Q. A −40 °C to 120 °C, 169 ppm/°C Nano-Ampere CMOS Current Reference. IEEE Trans. Circuits Syst. II Express Briefs 2020, 67, 1494–1498. [Google Scholar] [CrossRef]
- Huang, W.; Liu, L.; Zhu, Z. A Sub-200nW All-in-One Bandgap Voltage and Current Reference Without Amplifiers. IEEE Trans. Circuits Syst. II Express Briefs 2021, 68, 121–125. [Google Scholar] [CrossRef]
- Gagliardi, F.; Ria, A.; Piotto, M.; Bruschi, P. A CMOS Current Reference with Novel Temperature Compensation Based on Geometry-Dependent Threshold Voltage Effects. Electronics 2025, 14, 2698. [Google Scholar] [CrossRef]
- Narasimman, N.; Kim, T.T. A 0.3 V, 49 fJ/conv.-step VCO-based delta sigma modulator with self-compensated current reference for variation tolerance. In Proceedings of the ESSCIRC Conference 2016: 42nd European Solid-State Circuits Conference, Lausanne, Switzerland, 12–15 September 2016; pp. 237–240. [Google Scholar] [CrossRef]
- Gagliardi, F.; Catania, A.; Piotto, M.; Bruschi, P.; Dei, M. Parallel Slew-Rate Enhancer with Current-Recycling Core for Switched-Capacitors Circuits. IEEE Trans. Circuits Syst. II Express Briefs 2024, 71, 4814–4818. [Google Scholar] [CrossRef]
- Razavi, B. The Bootstrapped Switch [A Circuit for All Seasons]. IEEE Solid-State Circuits Mag. 2015, 7, 12–15. [Google Scholar] [CrossRef]
- Lin, J.-Y.; Hsieh, C.-C. A 0.3 V 10-bit 1.17 fJ SAR ADC with Merge and Split Switching in 90 nm CMOS. IEEE Trans. Circuits Syst. I Regul. Pap. 2015, 62, 70–79. [Google Scholar] [CrossRef]
- Mollazadeh, M.; Murari, K.; Cauwenberghs, G.; Thakor, N. Micropower CMOS Integrated Low-Noise Amplification, Filtering, and Digitization of Multimodal Neuropotentials. IEEE Trans. Biomed. Circuits Syst. 2009, 3, 1–10. [Google Scholar] [CrossRef]
- Nikas, A.; Jambunathan, S.; Klein, L.; Voelker, M.; Ortmanns, M. A Continuous-Time Delta-Sigma Modulator Using a Modified Instrumentation Amplifier and Current Reuse DAC for Neural Recording. IEEE J. Solid-State Circuits 2019, 54, 2879–2891. [Google Scholar] [CrossRef]
- Srivastava, M.; Ferro, A.; Sidun, A.; De La Rosa, J.M.; O’Donoghue, K.; Cantillon-Murphy, P.; O’Hare, D. A Small-Area 2nd-Order Adder-Less Continuous-Time ΔΣ Modulator with Pulse Shaping FIR DAC for Magnetic Sensing. IEEE Open J. Circuits Syst. 2024, 5, 42–54. [Google Scholar] [CrossRef]
- Tao, S.; Rusu, A. A Power-Efficient Continuous-Time Incremental Sigma-Delta ADC for Neural Recording Systems. IEEE Trans. Circuits Syst. I Regul. Pap. 2015, 62, 1489–1498. [Google Scholar] [CrossRef]
- Somappa, L.; Baghini, M.S. A 400 mV 160 nW/Ch Compact Energy Efficient ΔΣ Modulator for Multichannel Biopotential Signal Acquisition System. IEEE Trans. Biomed. Circuits Syst. 2021, 15, 765–776. [Google Scholar] [CrossRef]
- Seol, T.; Park, H.; Kim, S.; Yoo, H. A 136.6-dB-DR 174.3-dB-FoMS Versatile Current-to-Digital Converter with a Truncated-Noise-Shaped Baseline-Servo-Loop. IEEE J. Solid-State Circuits, 2026; in press. [Google Scholar] [CrossRef]
- Walden, R. Analog-to-digital converter survey and analysis. IEEE J. Sel. Areas Commun. 1999, 17, 539–550. [Google Scholar] [CrossRef]
- Margarit, J.M.; Teres, L.; Serra-Graells, F. A Sub-μW Fully Tunable CMOS DPS for Uncooled Infrared Fast Imaging. IEEE Trans. Circuits Syst. I Regul. Pap. 2009, 56, 987–996. [Google Scholar] [CrossRef]











| Parameter | Value (W/L) | Multiplicity |
|---|---|---|
| PMOS Devices | 0.8 m/0.2 m | 4 |
| NMOS Devices | 0.2 m/0.18 m | 1 |
| Architecture | DAC Core | Key Advantages | Primary Limitations |
|---|---|---|---|
| A: RF-DAC, Figure 4a | Resistive |
|
|
| B: SC-DAC, Figure 4b | Switched-Capacitor |
|
|
| C: CR-DAC, Figure 4c | Current-Reference |
|
|
| D: BS-CR-DAC, Figure 4d | Bootstrapped Current-Reference |
|
|
| Metric | A: RF-DAC | B: SC-DAC | C: CR-DAC | D: BS-CR-DAC |
|---|---|---|---|---|
| SNDRmax [dB] | 51.7 | 55.2 | 36.8 | 55.0 |
| DR [dB] | 61.5 | 63.0 | 47.4 | 61.4 |
| ENOB [bits] | 8.3 | 8.9 | 5.7 | 8.8 |
| Power [nW] | 8.10 | 8.11 | 1.85 | 2.17 |
| FOMS [dB] | 150.3 | 151.8 | 142.6 | 155.9 |
| Main distortion cause | Signal-dependent feedback leakage through R | Charge transfer non-idealities (leakage) | Inter-Symbol Interference (ISI) | Residual ISI + MOS dissaturation |
| Corner | Architecture B (SC-DAC) | Architecture D (BS-CR-DAC) | ||||
|---|---|---|---|---|---|---|
| TYP | SS | FF | TYP | SS | FF | |
| SNDR [dB] | 55.21 | 51.41 | 47.45 | 54.96 | 53.95 | 63.95 |
| ENOB [bits] | 8.88 | 8.25 | 7.59 | 8.84 | 8.67 | 10.33 |
| SNDR [dB] | — | — | ||||
Disclaimer/Publisher’s Note: The statements, opinions and data contained in all publications are solely those of the individual author(s) and contributor(s) and not of MDPI and/or the editor(s). MDPI and/or the editor(s) disclaim responsibility for any injury to people or property resulting from any ideas, methods, instructions or products referred to in the content. |
© 2026 by the authors. Licensee MDPI, Basel, Switzerland. This article is an open access article distributed under the terms and conditions of the Creative Commons Attribution (CC BY) license.
Share and Cite
Sakouhi, S.; Dei, M. Minimalist Continuous-Time Delta-Sigma Modulators for Ultra-Low-Voltage Current-Sensing Front-Ends. Electronics 2026, 15, 798. https://doi.org/10.3390/electronics15040798
Sakouhi S, Dei M. Minimalist Continuous-Time Delta-Sigma Modulators for Ultra-Low-Voltage Current-Sensing Front-Ends. Electronics. 2026; 15(4):798. https://doi.org/10.3390/electronics15040798
Chicago/Turabian StyleSakouhi, Soumaya, and Michele Dei. 2026. "Minimalist Continuous-Time Delta-Sigma Modulators for Ultra-Low-Voltage Current-Sensing Front-Ends" Electronics 15, no. 4: 798. https://doi.org/10.3390/electronics15040798
APA StyleSakouhi, S., & Dei, M. (2026). Minimalist Continuous-Time Delta-Sigma Modulators for Ultra-Low-Voltage Current-Sensing Front-Ends. Electronics, 15(4), 798. https://doi.org/10.3390/electronics15040798

