A MPC and Novel 3D-SVPWM Modulation Coordinated Strategy for Zero-Sequence Circulating Current Suppression in Three-Phase Four-Leg Parallel-Inverter Systems
Abstract
1. Introduction
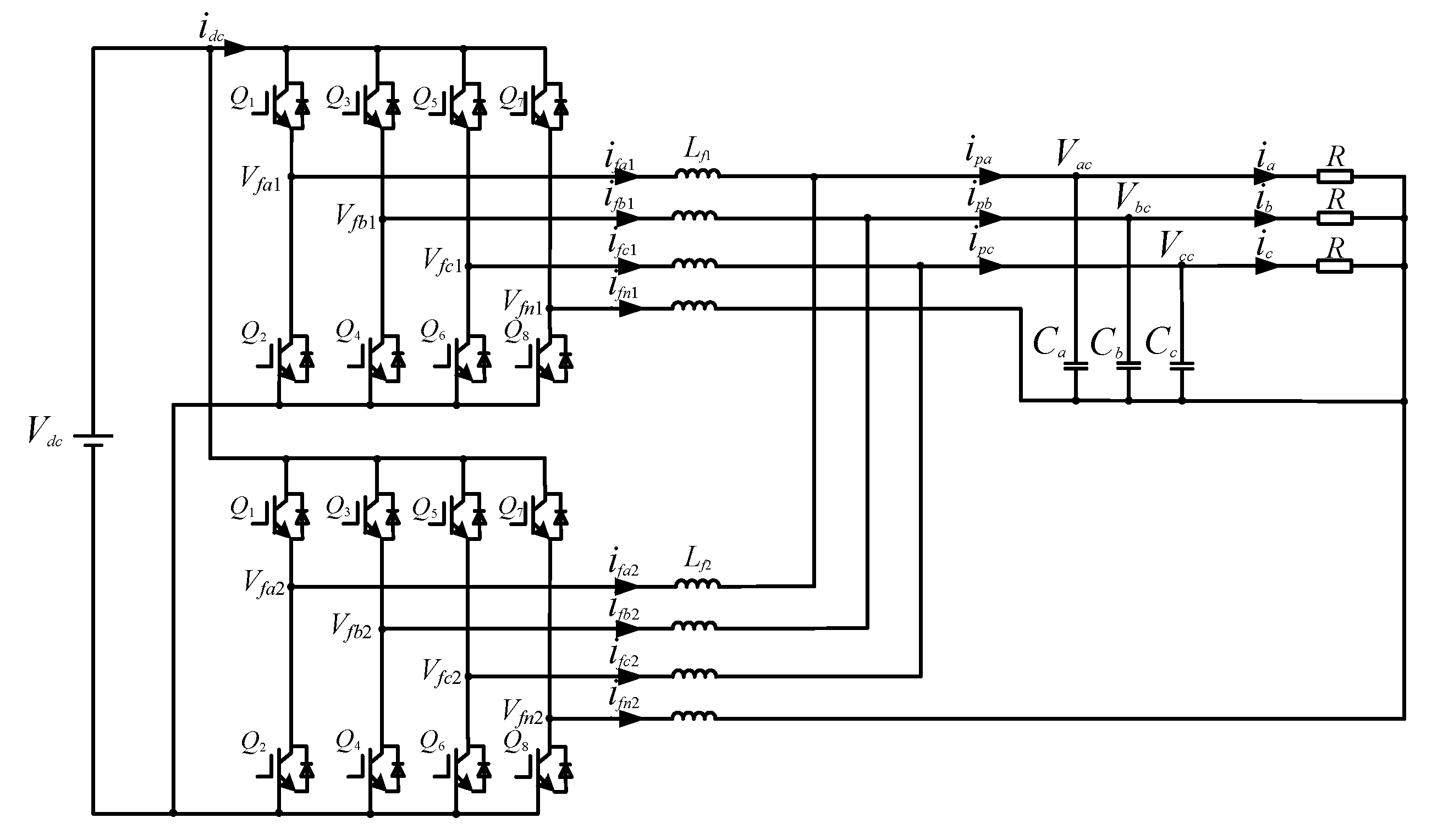
2. Three-Phase Four-Leg Parallel Inverter System and the Generation Mechanism of Zero-Sequence Circulating Current
2.1. Three-Phase Four-Leg Parallel Inverter System
2.2. Zero-Sequence Circulating Current Generation Mechanism Analysis
3. Proposed 3D-SVPWM Modulation Strategy
3.1. 3D-SVPWM in the abc Coordinate System
3.2. The Proposed Modified 3D-SVPWM
4. Derivation Method of the Adjustment Factor Based on Model Predictive Control
4.1. Fundamental Principles and Design Strategies of MPC
4.2. Overall Control Structure
5. Simulation Results
6. Conclusions
Author Contributions
Funding
Data Availability Statement
Conflicts of Interest
References
- Wei, H.; Zhuo, Z.; Zhang, N.; Du, E.; Xiao, J.Y.; Wang, P.; Kang, C. Transition path optimization and influencing factor analysis of carbon emission peak and carbon neutrality for power system of China. Autom. Electr. Power Syst. 2022, 46, 1–12. [Google Scholar]
- Wang, Y.; Luo, S.; Yao, L.; Guan, Z.; Xiao, X. A Review of Concentrating Solar Power Planning for Large-scale Renewable Energy Bases: Scenarios, Models and Development Perspectives. Power Syst. Technol. 2025, 49, 2712–2724. [Google Scholar]
- Yan, X.; Guo, Y.; Peng, W.; Jia, J.; Shao, C.; Zhao, W.; Huo, J. Voltage source var compensator based on rotary phase shifting transformer and its control strategy. Trans. China Electrotech. Soc. 2023, 38, 4448–4464. [Google Scholar]
- Xu, C.; Gong, J.; Zhang, G.; Dai, K.; Zha, X. Zero-sequence circulating current suppression strategy for parallel system of midpoint-clamped three-level inverter. Trans. China Electrotech. Soc. 2023, 38, 124–135. [Google Scholar]
- Wang, Y.; Liu, H.; Zhang, X.; Zhang, S. Analysis method of harmonic interaction in multi-inverter AC distributed parallel system. Autom. Electr. Power Syst. 2025, 49, 164–175. [Google Scholar]
- Chen, Y.; Guo, H.; Chen, J.; Wang, C.; Ma, H. Analysis on control strategies for unsymmetrical state of medium frequency three phase four leg inverter based on vector model. Trans. China Electrotech. Soc. 2019, 34, 1912–1923. [Google Scholar]
- Xu, Y.; Zhang, M.; Yang, Y.; Zhang, X.; Guan, J.; Chen, J. Dual quasi-proportional complex integral control strategy of the four-leg inverter with unbalanced load. Power Syst. Prot. Control 2020, 48, 141–150. [Google Scholar]
- Zhang, Z.; Chen, H.; Chen, S. A Simplified Space Vector Pulse Width Modulation Method Based on ghγ Coordinates System for the Three-Level Four-Leg Inverter. Trans. China Electrotech. Soc. 2023, 38, 4324–4338. [Google Scholar]
- An, C.-G.; Choi, B.-Y.; Kim, M.; Kang, K.-M.; Lee, H.; Won, C.-Y. A New 3-D SVPWM under Line-to-Line Fault in Three-Phase Four-Wire Inverter. In 2020 23rd International Conference on Electrical Machines and Systems (ICEMS); IEEE: New York, NY, USA, 2020; pp. 873–878. [Google Scholar]
- Xie, Q.; Hu, Y.; Qiu, X.; Liao, S. A new carrier modulation algorithm for three-phase four-wire three-level inverters. In 2024 3rd International Conference on Energy, Power and Electrical Technology (ICEPET); IEEE: New York, NY, USA, 2024; pp. 1598–1603. [Google Scholar]
- Padhmakumar, P.K.; Aurtherson, P.B. Three Dimensional Space Vector Modulation for Three Phase Four Leg Inverters-A Review. In 2018 International Conference on Emerging Trends and Innovations in Engineering and Technological Research, Ernakulam, India, 11–13 July 2018; IEEE: New York, NY, USA, 2018. [Google Scholar]
- Li, J.; Ren, X.; Zhou, Z.; Zhang, Z.; Chen, Q. Research on current sharing optimization of bidirectional LLC-DCX multi-module parallel system based on resonant network optimization. Trans. China Electrotech. Soc. 2023, 38, 2720–2730+2756. [Google Scholar]
- Zhang, M.; Chen, H.; Fan, R.; Xiang, X.; Li, W. Modeling and Coordinated Control of Neutral Point Potential and Zero-Sequence Circulating Current in Modular Parallel Three Level Converters. Trans. China Electrotech. Soc. 2025, 40, 6014–6028. [Google Scholar]
- Guo, Y.; Wang, L.; Li, Z.; Chen, Z. Circulating resonance suppression of multi module three-level inverter parallel system. Power Electron. 2020, 54, 121–124. [Google Scholar]
- Li, Y.; Gao, J.B.; Wang, Q.W.; Zhang, Z.Z. Finite Control Set Model Predictive Control for Grid-Connected Parallel Power Converters With Guaranteed Optimality. IEEE Trans. Power Electron. 2024, 39, 12925–12936. [Google Scholar] [CrossRef]
- Li, X.; Xing, X.; Qin, C.; Zhang, C.; Zhang, G. Design and Control Method to Suppress Resonance Circulating Current for Parallel Three-Level Rectifiers With Modified LCL Filter. IEEE Trans. Ind. Electron. 2021, 68, 7012–7023. [Google Scholar] [CrossRef]
- Zhang, C.; Li, X.; Xing, X.; Zhang, B.; Zhang, R.; Duan, B. Modeling and Mitigation of Resonance Current for Modified LCL-Type Parallel Inverters With Inverter-Side Current Control. IEEE Trans. Ind. Inform. 2022, 18, 932–942. [Google Scholar] [CrossRef]
- Choi, H.W.; Lee, K.B. Circulating Current Reduction for Parallel-Connected Modular Inverters Based on Suppression of Common-Mode Voltage. IEEE Trans. Power Electron. 2023, 38, 11091–11101. [Google Scholar] [CrossRef]
- Li, Z.; Nie, Z.; Ai, S. Nonlinear Modeling and Improved Suppression of Zero-Sequence Circulating Current for Parallel Three-Level Inverters. IEEE J. Emerg. Sel. Top. Power Electron. 2023, 11, 3036–3049. [Google Scholar] [CrossRef]
- Hassan, M.S.; Abdelhakim, A.; Shoyama, M.; Imaoka, J.; Dousoky, G.M. Parallel Operation of Split-Source Inverters for PV Systems: Analysis and Modulation for Circulating Current and EMI Noise Reduction. IEEE Trans. Power Electron. 2021, 36, 9547–9564. [Google Scholar] [CrossRef]
- Ruan, X. Research on Resonance Mechanism of Multiple Grid-Connected Inverters in Weak Grids. Master’s Thesis, North China Electric Power University, Beijing, China, 2020. [Google Scholar]
- Shen, P. Optimization of 3D-SVPWM and Control Strategy for Three-Phase Four-Leg Inverters. Master’s Thesis, Xi’an University of Technology, Xi’an, China, 2024. [Google Scholar]















| Number | Switch Status (SaSbScSf) | UafUbfUcf |
|---|---|---|
| V1 | 0000 | 0 0 0 |
| V2 | 0010 | 0 0 1 |
| V3 | 0100 | 0 1 0 |
| V4 | 0110 | 0 1 1 |
| V5 | 1000 | 1 0 0 |
| V6 | 1010 | 1 0 1 |
| V7 | 1100 | 1 1 0 |
| V8 | 1110 | 1 1 1 |
| V9 | 0001 | −1 −1 −1 |
| V10 | 0011 | −1 −1 0 |
| V11 | 0101 | −1 0 −1 |
| V12 | 0111 | −1 0 0 |
| V13 | 1001 | 0 −1 −1 |
| V14 | 1011 | 0 −1 0 |
| V15 | 1101 | 0 0 −1 |
| V16 | 1111 | 0 0 0 |
| RP | Voltage Vector | RP | Voltage Vector |
|---|---|---|---|
| 5 | V2V10V12 | 42 | V5V13V14 |
| 7 | V2V4V12 | 46 | V5V6V14 |
| 13 | V2V10V14 | 51 | V3V11V15 |
| 14 | V2V6V14 | 52 | V3V7V15 |
| 19 | V3V11V12 | 58 | V5V13V15 |
| 23 | V3V4V12 | 60 | V5V7V15 |
Disclaimer/Publisher’s Note: The statements, opinions and data contained in all publications are solely those of the individual author(s) and contributor(s) and not of MDPI and/or the editor(s). MDPI and/or the editor(s) disclaim responsibility for any injury to people or property resulting from any ideas, methods, instructions or products referred to in the content. |
© 2026 by the authors. Licensee MDPI, Basel, Switzerland. This article is an open access article distributed under the terms and conditions of the Creative Commons Attribution (CC BY) license.
Share and Cite
Liu, B.; Wang, T.; Zhang, Z.; Chen, X.; Zheng, F.; Zhang, P. A MPC and Novel 3D-SVPWM Modulation Coordinated Strategy for Zero-Sequence Circulating Current Suppression in Three-Phase Four-Leg Parallel-Inverter Systems. Electronics 2026, 15, 772. https://doi.org/10.3390/electronics15040772
Liu B, Wang T, Zhang Z, Chen X, Zheng F, Zhang P. A MPC and Novel 3D-SVPWM Modulation Coordinated Strategy for Zero-Sequence Circulating Current Suppression in Three-Phase Four-Leg Parallel-Inverter Systems. Electronics. 2026; 15(4):772. https://doi.org/10.3390/electronics15040772
Chicago/Turabian StyleLiu, Baojin, Tianyi Wang, Zhiqiang Zhang, Xingxing Chen, Feng Zheng, and Peng Zhang. 2026. "A MPC and Novel 3D-SVPWM Modulation Coordinated Strategy for Zero-Sequence Circulating Current Suppression in Three-Phase Four-Leg Parallel-Inverter Systems" Electronics 15, no. 4: 772. https://doi.org/10.3390/electronics15040772
APA StyleLiu, B., Wang, T., Zhang, Z., Chen, X., Zheng, F., & Zhang, P. (2026). A MPC and Novel 3D-SVPWM Modulation Coordinated Strategy for Zero-Sequence Circulating Current Suppression in Three-Phase Four-Leg Parallel-Inverter Systems. Electronics, 15(4), 772. https://doi.org/10.3390/electronics15040772

